Разработка ресурсосберегающих технологий и режимов на городском электрическом транспорте
ХАРЬКОВСКАЯ ГОСУДАРСТВЕННАЯ АКАДЕМИЯ
ГОРОДСКОГО ХОЗЯЙСТВА
Кафедра городского электрического транспорта
ПОЯСНИТЕЛЬНАЯ
ЗАПИСКА
К ДИПЛОМНОМУ ПРОЕКТУ НА ТЕМУ:
Разработка
ресурсосберегающих технологий и режимов
на городском
электрическом транспорте
Студент 1-й группы: ____________ Д. Ю. Зубенко
Руководитель проекта: ____________ В. Ф. Далека
КОНСУЛЬТАНТЫ:
Основная часть ____________ В. Ф. Далека
Экономическая часть ____________ В. П. Бондаренко
Охрана труда ____________ А. М. Горьковец
Нормоконтроль ____________ Э. И. Карпушин
Заведующий кафедрой ____________ В. Ф. Далека
1999 г.
ХАРЬКОВСКАЯ ГОСУДАРСТВЕННАЯ
АКАДЕМИЯ
ГОРОДСКОГО ХОЗЯЙСТВА
Факультет «Электрический транспорт»
Кафедра городского электрического транспорта
Специальность 7.092 202 - Электрический транспорт
УТВЕРЖДАЮ
Зав. кафедрой ГЭТ
________________ В. Ф. Далека
«___» ________________ 1999 г.
ЗАДАНИЕ
НА ДИПЛОМНЫЙ
ПРОЕКТ СТУДЕНТУ
Зубенко Денису Юрьевичу
1. Тема проекта: Разработка ресурсосберегающих технологий и режимов на городском электрическом транспорте
Утверждена приказом по академии от «___» _______ 1999 г. № ___
2. Срок сдачи студентом законченного проекта «___» _______ 1999 г.
3. Исходные данные к проекту:
1) Технико-экономические показатели работы ХКП «Горэлектротранс»
2) Нормативные требования к ресурсосбережению.
4. Содержание расчетно-пояснительной записки (перечень подлежащих разработке вопросов):
1) Введение; Основные направления развития городского электрического транспорта;
2) Современное состояние горэлектротранспорта;
3) Ресурсосберегающие технологии на городском электрическом транспорте; Регенерация масел; Применение новых технологий смазки узлов и агрегатов подвижного состава; Новые системы автономного децентрализованного энергообеспечения городского электрического транспорта; Применение новых технологий по защите техники от коррозии старения и биоповреждений;
4) Ресурсосберегающие режимы работы оборудования и подвижного состава на городском электрическом транспорте; Планирование, использование и учет электроэнергии;
5) Организация технического обслуживания и ремонта основных фондов на предприятиях Украины;
6) Повышение эффективности трудовых ресурсов;
7) Рациональное использование финансовых ресурсов;
8) Экономическая эффективность от внедрения ресурсосберегающих технологий и режимов работы на предприятиях горэлектротранспорта;
9) Охрана труда; Заключение.
5. Перечень графического материала (с перечнем чертежей)
Технологическая схема установки РМ 50-65; Схема защиты от коррозии, старения и биоповреждения; Пробник монтажника кабельщика; Индикатор определения уровня электролита в АКБ; Универсальный стенд для испытания автоматических выключателей троллейбусов; Устройство для измерения эксцентриситета ротора; Схема УИЭ; Средний поэлементный относительный расход электроэнергии в % на движение ПС.
6. Консультанты по проекту, с указанием относящихся к ним разделам проекта
|
Раздел |
Консультант |
Подпись, дата |
|
|
Задание выдал |
Задание принял |
||
|
|
|
|
|
|
|
|
|
|
|
|
|
|
|
7. Дата выдачи задания «___» _______ 1999 г.
Руководитель ____________
Задание принял к исполнению _____________
КАЛЕНДАРНЫЙ ПЛАН
|
№ пп |
Наименование этапов дипломного проекта |
Срок выполнения этапов проекта |
Примечание |
|
|
Введение |
|
|
|
|
Ресурсосберегающие технологии на городском электрическом транспорте |
|
|
|
|
Ресурсосберегающие режимы работы оборудования и подвижного состава на городском электрическом транспорте |
|
|
|
|
Организация технического обслуживания и ремонта основных фондов на предприятиях Украины |
|
|
|
|
Повышение эффективности трудовых ресурсов |
|
|
|
|
Рациональное использование финансовых ресурсов |
|
|
|
|
Экономическая эффективность от внедрения ресурсосберегающих технологий и режимов работы на предприятиях горэлектротранспорте |
|
|
|
|
Охрана труда; Заключение |
|
|
Студент дипломник _____________
Руководитель проекта _____________
СОДЕРЖАНИЕ
ВВЕДЕНИЕ 6
1. ОСНОВНЫЕ НАПРАВЛЕНИЯ РАЗВИТИЯ ГОРОДСКОГО ЭЛЕКТРИЧЕСКОГО ТРАНСПОРТА 7
1.1. Повышение технико-экономических показателей работы предприятий городского транспорта 7
1.2. Основные требования к пассажирскому транспорту 8
1.3. Требования к ресурсосбережениям их классификация и определение 10
2. СОСТОЯНИЕ И РЕФОРМИРОВАНИЕ ГОРОДСКОГО ЭЛЕКТРОТРАНСПОРТА 12
2.1. Современное состояние горэлектротранспорта 12
2.2. Основные причины кризиса на городском электрическом транспорте 12
2.3. Отношения транспортных организаций с органами власти 13
2.4. Источник и механизм финансирования общественного транспорта 15
3. РЕСУРСОСБЕРЕГАЮЩИЕ ТЕХНОЛОГИИ НА ГОРОДСКОМ ЭЛЕКТРИЧЕСКОМ ТРАНСПОРТЕ 17
3.1. Регенерация масел 17
3.2. Применение новых технологий смазки узлов и агрегатов подвижного состава 18
3.3. Новые системы автономного децентрализованного энергообеспечения городского электротранспортного транспорта « 26
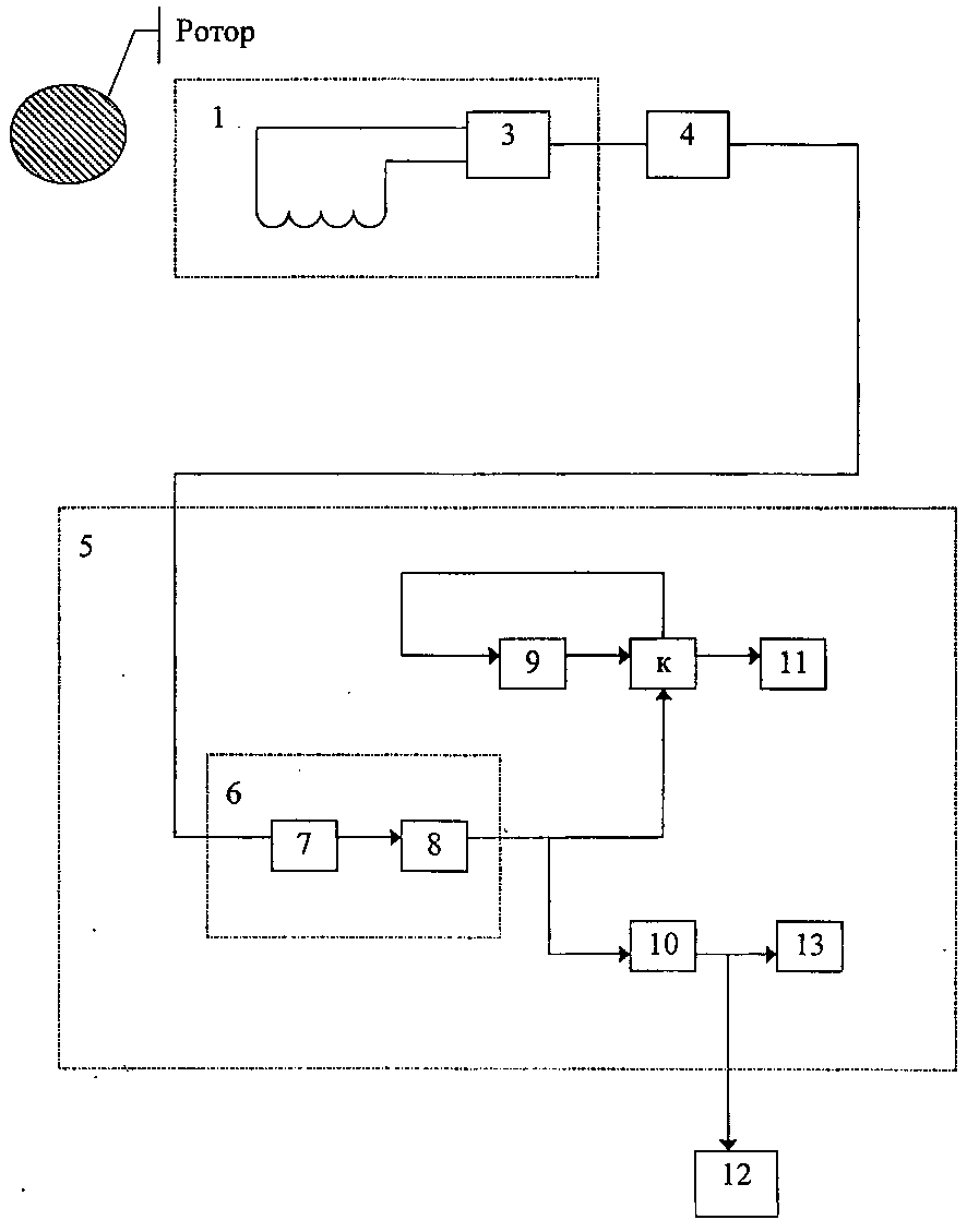
3.4. Устройство для измерения эксцентриситета ротора УИЭ-1 35
3.5. Применение новых технологий по защите техники от коррозии старения и биоповреждений 37
4. РЕСУРСОСБЕРЕГАЮЩИЕ РЕЖИМЫ РАБОТЫ ОБОРУДОВАНИЯ И ПОДВИЖНОГО СОСТАВА НА ГОРОДСКОМ ЭЛЕКТРИЧЕСКОМ ТРАНСПОРТЕ 47
4.1. Планирование, использование и учет электроэнергии 47
4.2. Расчет среднегодовых норм расхода энергии 48
4.3. Распределение расхода электроэнергии по видам подвижного состава 53
4.4. Расход энергии на движение подвижного состава 56
4.5. Экономия энергии за счет рационального размещения остановок 58
4.6. Экономия электроэнергии за счет рационального использования различных типов подвижного состава 59
4.7. Экономия электроэнергии за счет применения электронных преобразователей 61
5. ОРГАНИЗАЦИЯ ТЕХНИЧЕСКОГО ОБСЛУЖИВАНИЯ И РЕМОНТА ОСНОВНЫХ ФОНДОВ НА ПРЕДПРИЯТИЯХ ГОРЭЛЕКТРОТРАНСПОРТА 63
5.1. Техническое обслуживание и ремонт подвижного состава, систем электроснабжения и путевого хозяйства 63
5.2. Механизация работ при техническом обслуживании и ремонте подвижного состава 64
5.3. Система комплексной механизации путевых работ 68
6. ПОВЫШЕНИЕ ЭФФЕКТИВНОСТИ ТРУДОВЫХ РЕСУРСОВ 73
6.1. Использование рабочей силы 73
6.2. Анализ численности и состав рабочих 74
6.3. Анализ производительности труда 74
6.4. Повышение эффективности за счет организации эксплуатации 76
7. РАЦИОНАЛЬНОЕ ИСПОЛЬЗОВАНИЕ ФИНАНСОВЫХ РЕСУРСОВ 79
8. ЭКОНОМИЧЕСКАЯ ЭФФЕКТИВНОСТЬ ОТ ВНЕДРЕНИЯ РЕСУРСОСБЕРЕГАЮЩИХ ТЕХНОЛОГИЙ И РЕЖИМОВ РАБОТЫ НА ПРЕДПРИЯТИЯХ ГОРЭЛЕКТРОТРАНСПОРТА 81
9. ОХРАНА ТРУДА 84
9.1. Задачи раздела в области охраны труда 84
9.2. Анализ условий труда водителя и выявления опасных и вредных производительных факторов при работе на ПС. 84
9.3. Разработка организационных и технических мероприятий для создания безвредных и безопасных условий труда водителя трамвая и троллейбуса. 84
9.4. Обеспечение пожарной безопасности 86
9.5. Разработка мероприятий по охране окружающей среды 87
9.6. Выводы 88
ЗАКЛЮЧЕНИЕ 89
ЛИТЕРАТУРА 90
ВВЕДЕНИЕ
Городской пассажирский транспорт - важная отрасль народного хозяйства. Без четкой функционирующей транспортной системы современный город попросту не может существовать.
Во многих городах Украины городской электрический транспорт играет большую роль в обслуживании населения.
На его долю приходится от 42 % до 56 % всех городских перевозок пассажиров. В городе Харькове перевозка пассажиров городским электрическим транспортом составляет около 55 % - 60 %.
Города и поселки должны представлять собой рациональную комплексную организацию производственных зон, жилых районов, сети общественных и культурных учреждений, бытовых предприятий, транспорта, инженерного оборудования и энергетики, отдыха людей.
Именно эту задачу призвана решать система городского транспорта, и это определяет его отраслевую специфику.
Прежде всего, это своеобразие «продукции» городского транспорта. Эта «продукция» - услуги, то есть пассажирские перевозки, измеряемые количеством перевезенных пассажиров (иногда количеством выполненных пассажире - километров).
«Продукция» городского электротранспорта в отличие от продукции промышленности или сельского хозяйства - овеществляемый материальной продукцией - не может быть во времени и пространстве оторвана от производственного процесса, не может существовать вне этого процесса.
Поэтому, с одной стороны нельзя за счет перевыполнения плана создать какой-то запас продукции, а с другой - невыполнение плана за некоторый период нельзя компенсировать в последующие периоды без ущерба для интересов пассажиров.
Это своеобразие «продукции» ставит транспортные предприятия в непосредственную зависимость от колебаний спроса на перевозки, ведет плановой неравномерности производства.
К тому же сама потребность населения города в услугах транспорта не одинакова по времени (сезонные, месячные, внутридневные почасовые и другие колебания) и зависит от целого ряда разнообразных факторов.
Всякие отклонения, просчеты, неэффективность работы горэлектротранспорта ведут не только к плохому предоставлению услуг, а и целому ряду непродуктивного перерасхода трудовых, финансовых, энергетических и других ресурсов.
Перерасход основных ресурсов в результате производства в значительной степени сказывается на себестоимости готовой «продукции», которая непосредственно попадает к потребителю.
Так на предприятиях горэлектротранспорта из-за нерационального использования ресурсов происходит увеличение себестоимости перевозок, ухудшения качества обслуживания и ряд других негативных последствий, которые отрицательно сказываются на работу предприятия в целом.
На фоне жестких условий рыночных отношений, когда происходит повышение цен на электроэнергию, запчасти, сырье, наиболее разумным с технической и экономической точки зрения для предприятий является применение ресурсосберегающих технологий и режимов, наряду с созданием стимулов для их внедрения.
В дипломной работе рассмотрены основные направления разработки ресурсосберегающих технологий и режимов работы, как для предприятий, в общем, так и конкретно ХКП «Горэлектротранс». Произведено обоснование экономических расчетов и предложений подтверждающие необходимость использования ресурсосберегающих технологий и режимов на ГЭТ.
1. ОСНОВНЫЕ НАПРАВЛЕНИЯ РАЗВИТИЯ ГОРОДСКОГО ЭЛЕКТРИЧЕСКОГО ТРАНСПОРТА
1.1. Повышение технико-экономических показателей работы предприятий городского транспорта
Cостоит из пяти заданий
I. Разработка мероприятий по совершенствованию управления предприятиями городского транспорта:
1) разработка научных основ планирования и управления предприятиями городского электрического транспорта и их структурными подразделениями:
2) разработка системы автоматизации (с применением ЭВМ) учета, планирования и подготовки решений на управление структурными подразделениями трамвайно-троллейбусных управлений.
II. Повышение экономичности организации движения при заданном качестве обслуживания:
1) разработка подвижного состава, позволяющего изменять его вместимость в функции величины пассажиропотоков, разработка автоматизированных сцепных устройств;
2) разработка методов экономичной организации движения (включая изменение вместимости поездов, перевод поездов с одного маршрута на другой при несовместимости «пиков» нагрузки, применение неравномерных интервалов, введение укороченных маршрутов и др.);
3) разработка эффективной системы сбора платы за проезд (включая разработку технических средств реализации проездных документов).
III. Разработка методов и средств снижения расходов на поддержание в исправном состоянии подвижного состава:
1) разработка технико-экономических основ степени централизации ремонта подвижного состава и его агрегатов, определение объемовремонтных работ и работ по техническому обслуживанию, производимых вагоноремонтными заводами и эксплуатационными парками;
2) исследование работоспособности элементов подвижного состава, разработка предложений по совершенствованию конструкции подвижного состава с целью снижения его ремонтопригодности и повышения технологичности обслуживания и ремонта;
3) разработка методов и средств по снижению расходов на техническое обслуживание подвижного состава: технико-экономических основ системы технического обслуживания системы, технологии и организации технического обслуживания (включая автоматизацию планирования и управления) диагностирующего оборудования и оборудования по механизации и автоматизации процессов технического обслуживания подвижного состава; оптимальных технологических схем эксплуатационных парков;
4) разработка методов и средств снижения расходов на ремонт подвижного состава: технико-экономических основ и организации ремонта (включая автоматизацию и управления); технологии восстановления деталей ремонта узлов технологического оборудования по механизации и автоматизации процессов ремонта комплекса контрольно-испытательных стендов; оптимальных технологических схем вагоноремонтных заводов.
IV. Разработка методов и средств снижения расходов на поддержание в исправном состоянии путевого хозяйства:
1) разработка системы, технологии и организации технического обслуживания и ремонта путевого хозяйства (включая автоматизацию планирования и управления);
2) разработка оборудования по диагностированию технического состояния элементов пути, оборудования и механизмов по механизации и автоматизации процессов технического обслуживания и ремонта пути;
3) разработка предложений по совершенствованию конструкций пути с целью снижения ремонтопригодности, повышения технологичности обслуживания и ремонта, улучшения эстетичного состояния;
4) разработка оптимальных технологических схем ремонтных баз путевого хозяйства.
V. Разработка методов и средств снижения расходов на поддержание в исправном состоянии систем энергоснабжения:
1) разработка системы, технологии и организации технического обслуживания и ремонта тяговых подстанций, кабельных и контактных сетей (включая автоматизацию планирования и управления);
2) разработка оборудования по диагностированию технического состояния всех видов элементов системы электроснабжения, технологического оборудования по механизации и автоматизации процессов технического обслуживания и ремонта систем электроснабжения;
3) разработка предложений по совершенствованию конструкций и схем системы энергоснабжения с целью снижения ремонтопотребленности и повышения технологичности обслуживания ремонта;
4) разработка оптимальных технологических схем ремонтных баз электрохозяйства.
1.2. Основные требования к пассажирскому транспорту
Определяя основные научно-технические проблемы развития городского электрического транспорта в будущем, следует исходить прежде всего из основной задачи - максимального удовлетворения потребностей городского населения в транспортном обслуживании.
Основные требования, предъявляемые к транспорту его пассажирами, следующие:
- минимальное расстояние от пунктов начала и окончания движения пассажиров до ближайшей остановки транспорта;
- максимальная скорость передвижения;
- минимальный интервал между поездами;
- безопасность движения;
- высокая регулярность движения.
За небольшим исключением, чем в большей степени удовлетворяются требования пассажиров, тем больше требуется капитальных вложений или эксплуатационных расходов транспортных предприятий. При постоянной плате за проезд, независимо от качества транспортного обслуживания, и повсеместной нерентабельности предприятий городского электрического транспорта задача сводится не к достижению максимально высоких показателей качества функционирования транспорта, а к достижению оптимальных для данного периода показателей. Естественно, по мере роста национального богатства страны такие показатели будут непременно возрастать. Вместе с тем на всех этапах останется актуальной проблема достижения наиболее высоких показателей при минимальных издержках, что возможно только при непрерывном внедрении достижения науки и техники, при планомерном проведении новых научно-технических разработок.
Весьма серьезное влияние на транспортное обслуживание населения оказывает уровень решения градостроительных проблем - взаимное размещение жилых районов, промышленных предприятий, общественных центров, мест массового отдыха и спорта. Решение этих проблем, как проблем формирования дорожно-транспортных сетей городов и их плотности, является самостоятельной задачей.
Проблема «Повышение качества пассажироперевозок» включает в себя пять разделов;
I. Разработка методов и критериев оценки качества обслуживания пассажиров:
1) исследование социально-экономической эффективности повышения качества пассажироперевозок:
2) исследование влияния характеристик городского транспорта (скорости, регулярности, надежности, комфортабельности и т. п.) на качество пассажироперевозок;
3) разработка технических средств и методов автоматизированной регистрации основных показателей объема и качества пассажироперевозок;
4) разработка методики расчетов по возмещению транспортным предприятиям расходов в функции объема и качества осуществленных пассажироперевозок, стимулирующей требуемый уровень качества.
П. Разработка методов и средств повышения скорости сообщения:
1) разработка методов и средств повышение скорости движения на перегоне: «разработка рекомендаций по выбору способов обособления рельсовых путей от других транспортных средств и пешеходов (тоннели, эстакады, выемки, ограждения пути, системы управления шлагбаумами, светофорами) и рекомендации по выбору способов выделения особой полосы для движения троллейбусного транспорта; разработка подвижного состава трамвая и троллейбуса с высокими динамическими показателями, а также токоприемников и элементов контактной сети, обеспечивающих высокий токосъем при высоких скоростях движения; исследование взаимодействия и разработка конструкции колесных пар вагонов и верхнего строения пути, позволяющих осуществлять движение поездов с максимальными скоростями; разработка конструкции спецчастей пути, позволяющих осуществлять движение по ним без снижения скорости, а также устройств по программному переводу стрелок;
2) разработка мер по сокращению времени пассажирообмена на остановочных пунктах: разработка рекомендаций по оптимизации расположения остановочных пунктов; разработка подвижного состава с минимальной высотой пола и увеличенным количеством дверей; разработка технических и архитектурных требований но применению высоких платформ на остановках рельсового транспорта; разработка системы безопасного управления дверьми, уменьшающей потерю времени подвижным составом на остановке.
III. Разработка мер по обеспечению безопасности движения:
1) разработка рекомендаций по повышению эффективности тормозных систем подвижного состава;
2) разработка системы автоматического ограничения скоростей движения подвижного состава и предупреждения столкновения поездов;
3) разработка методов и средств диагностирования узлов подвижного состава и стационарных устройств, влияющих на безопасность движения;
4) разработка методов и средств экспресс-проверки психофизиологического состояния водительского персонала;
5) разработка методов и технических средств обучения водительского персонала;
6) разработка устройств непрерывного контроля наличия опасного потенциала на корпусе троллейбуса.
IV. Разработка методов и средств повышения регулярности движения городского транспорта:
1) разработка методов и средств планирования движения городского транспорта: технических средств непрерывной регистрации фактических пассажиропотоков и методов прогнозирования их прогнозирования, программ по составлению (с применением ЭВМ) расписаний движения на основе прогноза пассажиропотоков:
2) разработка методов и средств диспетчерского управления движением; методов и технических средств по автоматизации диспетчерского управления движением (включая автоматическое определение местонахождения всех экипажей, их загрузку, определение отклонений от расписания, автоматическую выдачу команд водителю дальнейшем режиме движения, возможность двухсторонней связи между диспетчером и водителем); методов восстановления нарушенного движения, создание мобильных технических средств восстановления движения (аварийной машины по восстановлению пути, контактных сетей, ликвидации сходов и повреждений вагонов) и их технологического оборудования;
3) разработка мероприятий по повышению надежности подвижного состава, системы электроснабжения и пути; технических средств контроля и методик прогнозирования технического состояния подвижного состава для обеспечения его безотказной работы на линии; средств повышения конструктивной надежности подвижного состава (включая возможность движения его в аварийных режимах); маневровых устройств, позволяющих в максимальной степени локализовать последствия задержек в движении; поездов с двухстороннем управлением; систем электроснабжения, обеспечивающих высокую надежность электроснабжения; технических средств методик диагностирования и прогнозирования технического состояния систем электроснабжения; улучшенной конструкции контактной сети и ее взаимодействия с токоприемником; конструкцией пути и его спецчастей, обеспечивающих надежность работы путевых устройств, технических средств и методик прогнозирования технического состояния путевого хозяйства.
V. Разработка мероприятий по повышению комфортабельности и культуры пассажироперевозок:
1) разработка рекомендаций по составлению комплексных транспортных схем: методов и автоматизированных средств обследования пассажиропотоков с целью создания оптимальной, с минимальном количеством пересадок, маршрутной сети; узлов пересадок однородных и разнородных видов городского и пригородного транспорта (в том числе с применением экскаваторов, движущихся тротуаров и других современных технологических средств), обеспечивающих минимальную потерь времени и высокий комфорт; технических, архитектурных и эстетических требований к остановочным и пересадочным пунктам;
2) разработка средств повышения комфортабельности подвижного состава: средств улучшения плавности хода подвижного состава; методов и средств улучшения микроклимата салонов подвижного состава; новых конструкций тележек и других элементов вагонов, конструкции и пути и спецзапчастей с целью снижения уровня шумов;
3) разработка методов и средств информации; устройств информации пассажиров на остановках об ожидаемом времени прибытия подвижного состава; картосхем маршрутов, справочных автоматов, указателей остановок, маршрутных указателей подвижного состава; средств качественной информации пассажиров в салонах подвижного состава в пути следования;
4) разработка мер по поддержанию эстетического и санитарно-гигиенического состояния подвижного состава: эстетических и санитарно-гигиенических требований к внешнему и внутреннему виду подвижного состава; технологии и технических средств (включая моечно-уборочные устройства) по поддержанию требуемого санитарно-гигиенического состояния состава; рекомендации по оформлению салонов подвижного состава.
1.3. Требования к ресурсосбережениям их классификация и определение
Требования ресурсосбережения подразделяют на три группы [32, 33].
К первой группе относят требования ресурсосодержания, определяющие совершенство продукции, работ и услуг, например, по составу и количеству использованных материалов, по массе, габаритам, объему изделия и т. д. На городском электрическом транспорте — это трамвайные вагоны, троллейбусы, изготовление деталей, перевозка пассажиров.
Ко второй группе относят требования ресурсоемкости (по технологичности), определяющие возможность достижения оптимальных затрат ресурсов при изготовлении, ремонте и утилизации продукции, а также выполнении различных работ и оказания услуг с учетом требований экономической безопасности.
К третьей группе относят требования ресурсоэкономичности изделия, определяющие возможности достижения оптимальных затрат ресурсов при эксплуатации, ремонте и утилизации продукции, а также при выполнении работ и оказании услуг.
Указанные группы требований взаимосвязаны при:
- разработке продукции, планировании работ и оказании услуг - требования ресурсоемкости (по технологичности);
- эксплуатации продукции и выполнение работ и оказании услуг - требования ресурсоемкости (по технологичности);
- утилизация продукции - устанавливают требования ресурсоемкости и ресурсоэкономичности.
Согласно ГОСТу 30166-95 можно сформировать основные определения и пояснения к ним, применяемые в данной работе:
Ресурсы - ценности, запасы, возможности, источники дохода в государственном бюджете. В общем виде ресурсы делятся на природные и экономические (материальные, трудовые, финансовые).
Ресурсоиспользование - естественное или целенаправленное использование (расход) ресурсов различных видов (материальных, энергетических, интеллектуальных, трудовых, информационных, финансовых, временных и других.
Ресурсосбережение - деятельность (организационная, экономическая, техническая, научная, практическая, информационная), методы, процессы, комплекс организационно-технических мер и мероприятий, сопровождающих все стадии жизненного цикла объектов. Различают энергосбережение и материалосбережение.
Рациональное использование ресурсов - достижение максимальной эффективности использования ресурсов в хозяйстве при существующем уровне развития техники и технологии с одновременным снижением техногенного воздействия на окружающую среду.
Экономичное расходование ресурсов - относительное сокращение расходов ресурсов, выражающееся в снижении их удельных расходов на производство единицы конкретной продукции, выполнение работ и оказание услуг установленного качества с учетом социальных, экологических и прочих ограничений.
Экономическая оценка ресурсосбережений - совокупность технико-экономических методов определения уровня экономии ресурсов в результате внедрения, осуществления ресурсосберегающих мероприятий в натуральном и стоимостном выражении. На уровне хозяйства страны - снижением материально-, металло-, энергоемкости национального дохода.
2. СОСТОЯНИЕ И РЕФОРМИРОВАНИЕ ГОРОДСКОГО ЭЛЕКТРОТРАНСПОРТА
2.1. Современное состояние горэлектротранспорта
Прежде всего отметим, что несмотря на значительные сложности, этот вид транспорта пока что сохранился в 53 городах Украины. Его услугами пользуются жители всех областных центров (кроме Ужгорода), а также промышленно-развитых городов Донецкой, Днепропетровской, Луганской и других областей.
Тем не менее, во многих городах электротранспорт утратил свою доминирующую роль. На протяжении последних шести лет выпуск трамвайных вагонов и троллейбусов на маршрутах сократился в среднем по Украине в 1, 5 раз. Значительно ухудшилась регулярность движения и культура обслуживания пассажиров. Уменьшилась, в среднем на 26 процентов, насыщенность транспортной сети трамвайными вагонами и троллейбусами.
За последние шесть лет общее количество трамвайных вагонов и троллейбусов уменьшилось на 3 тыс. единиц, или на 24 процента. В первую очередь это касается наиболее больших городов нашего государства: Одессы - сокращения на 385 единиц (48 процентов), Киева -590 единиц (31 процент), Харькова - 360 единиц (24 процента), Львова - 116 единиц (25 процентов). До сих пор эксплуатируются 3, 6 тыс. единиц трамвайных вагонов и троллейбусов (близко 40 процентов), которые отработали свой нормативный срок. Самое большое количество такого подвижного состава в АР Крым - 355 единиц троллейбусов (83 проценты от общего количества), г. Харькове 766 единиц (68 процентов), Донецк -271 единица (54 проценты), Львове - 182 единицы (54 проценты), Киеве - 515 единиц (40 процентов), Запорожье - 192 единицы (39 процентов) и некоторых других городах.
За этот же период городами Украины было закуплено лишь 1440 трамвайных вагонов и троллейбусов, что составляет 27 процентов от минимальной потребности.
Состояние дел еще больше усложняется вследствие того, что объемы капитальных ремонтов подвижного состава, выполненного специализированными заводами, уменьшились за этот период больше чем в пять раз.
Все это свидетельствует о разорении собственной производственно-технической базы городского электротранспорта, что во все времена служила основой его функционирования и развития.
Аналогичное состояние дел с трамвайными путями и контактными сетями. В большинстве городов капитальные ремонты этих объектов практично не выполняются, поэтому сейчас свыше 25 процентов их находится в аварийном состоянии.
В последние годы в Украине создана собственная производственная база по изготовлению трамваев и троллейбусов, включая производство основных комплектующих узлов и агрегатов, в т. ч. тягового, электрооборудования, пускорегулирующей аппаратуры, ведущих мостов троллейбусов, компрессоров и др. В настоящее время два типа троллейбусов выпускаются ПО «Южмаш» на Киевском авиационном заводе, один тип на АООТ «ЛАЗ» (г. Львов).
Трамвайные вагоны изготавливает по чешской лицензии совместное украинско-чешское предприятие «Татра-Юг», также налаживает их производство по собственным разработкам ДХК «Лугансктепловоз».
2.2. Основные причины кризиса на городском электрическом транспорте
Кризис на городском электротранспорте обусловлен общим состоянием экономики нашего государства, спадом производства, прекращением работы многих предприятий. Тем не менее есть и конкретные причины, которые касаются непосредственно работы городского электротранспорта. Прежде всего речь идет об его убыточности, что по итогам 1998 года достигла близко 200 млн. гривен, или 45 процентов от фактических затрат, связанных с основной деятельностью. И это притом, что все предприятия, как отмечалось ранее, имеют значительные потребности в ремонтах подвижного состава, путевого хозяйства, систем энергообеспечения и прочее. Общая сумма дотаций из бюджета составляет лишь 36 процентов от расчетной потребности предприятий.
Отдельные предприятия городского электротранспорта имеют 3-х месячную задолженность по выплате заработной платы, а на Краснодонском, Евпаторийском, Днепродзержинском и Криворожском предприятиях она достигала 6-ти месяцев. Так же большинство предприятий имеют значительную задолженность по выплате за израсходованную электроэнергию.
Наиболее сложное состояние дел с финансовым обеспечением горэлектротранспорта в г. Днепродзержинске, где фактическая убыточность составляет 2, 5 млн. грн. (38 процентов от затрат), Виннице - 3, 7 млн. грн. (25 процентов). Луцк - 0, 7 млн. грн. (16 процентов) и Севастополе - 1, 3 млн. грн. (14 процентов).
Тем не менее, отсутствие средств - не причина, а следствие, прежде всего, организационно-правового состояния, в котором находятся предприятия городского электротранспорта. Речь идет о несоответствии системы управления и ведомственной подчиненности предприятий городского электротранспорта их статуса. Ограниченность прав предприятий и их собственников (горисполкомов) относительно установления тарифов на проезд и упразднение льгот, которые не обеспечены финансированием. Другими словами речь идет о несоответствии базиса горэлектротранспорта социально-экономическому состоянию общества.
2.3. Отношения транспортных организаций с органами власти
Опыт свидетельствует, что идеальной формы взаимоотношений между транспортными компаниями и органами власти не существует. Прежде всего это зависит от понимания правительством роли транспортных компаний, а также от полноты передачи органами власти контроля за качеством транспортного обслуживания, установлением платы за проезд.
Характер отношений между транспортными компаниями и властями в странах Западной Европы зависит от многих факторов. Наиболее важный из них - мера коммерческой свободы, которая предоставляется транспортным компаниям. Решающими факторами в достижении органами власти основных целей своей политики являются маршруты, расписание движения и плата, пассажиров за проезд. Как раз эти факторы определяют уровень транспортного обслуживания населения и значительно влияют на коммерческую деятельность транспортных компаний. Если они определяются органами власти, то компании почти не имеют возможности повлиять на доход, а в праве влиять лишь на затраты. Речь идет о повышения интенсивности использования подвижного состава. Тем не менее решение часто ограничивается условиями дорожного движения и отрицательно влияет на качество транспортного обслуживания. Кроме того, такая политика нередко приводит к разногласиям между транспортными и социальными целями, которые ставят перед собой органы власти, связанных с коммерческой деятельностью транспортных компаний.
Во многих странах-членах ЕС проводится политика косвенной конкуренции между транспортными компаниями. Главным исключением с этого правила есть Великобритания, в которой автобусное обслуживание за пределами Лондона и Северной Ирландии полностью дерегулировано. Планируется проведение его дерегуляции и в самом Лондоне. При таких обстоятельствах роль органов власти уменьшается. Для достижения более широких задач относительно управления дорожным движением общественный транспорт был выведен из под контроля городских властей. При таком режиме транспортные компании получают коммерческую свободу. Тем не менее, при таком режиме власть не имеет возможности предоставлять компаниям такую помощь, которую она предоставляла раньше.
В большинстве стран существует налаженная система, для которой характерно ограничение конкуренции автобусным, трамвайным или железнодорожным обслуживанием. Тем не менее, в последнее время наблюдается тенденция к увеличению конкуренции на право управления обслуживанием - например в Дании, Швеции, планируется контрактная система на управление транспортными сетями во Франции, Такая политика дает органам власти преимущества при конкуренции, а также право, определять главные параметры управления общественным транспортом [38].
Австрия. Основным принципом организации общественного транспорта в Австрии является выдача федеральным Правительством транспортной компании специальной лицензии. Расписание движения, маршруты и плата за проезд, как правило, определяются компанией и подлежат официальному утверждению. Лицензии могут быть предоставленные любой транспортной компании, выполняющей предусмотренные законодательством требования, которые касаются управления транспортом и могут быть отобраны в случаях неудовлетворительного выполнения компанией своих обязанностей. Транспорт широко используется, как для массовой перевозки пассажиров, так и для туристической деятельности. (Рис 2.1, Рис 2.2 Трамвай и троллейбус в Австрии)

Рис 2.1
Бельгия. В каждом из регионов Бельгии (Валлония, Фландрия и Брюссель) существует единое транспортное управление, которое заключает контракты с транспортными компаниями, обеспечивают транспортное обслуживание пассажиров. На основании подписанных контрактов компании составляют расписание движения и устанавливают плату за проезд, которые должны быть утверждены региональным органом власти.

Рис 2.2
Франция. Организационная схема городского общественного транспорта Франции определенна положениями Закона от 1982 г., и базируется на распределении функций, связанных с организацией и эксплуатацией. Управление и финансирование городского общественного транспорта осуществляется местными органами власти, а его эксплуатация предусматривает создание компетентных органов управления. Органы власти, как правило, осуществляют в своей зоне финансирование инфраструктур.
Германия. В организации общественного транспорта в западной части Федеративной республики Германия применяется система лицензирования, которая контролируется Правительством на различных уровнях. Лицензии применяются ко всем видам транспорта, но срок их действия изменяется в зависимости от вида транспорта. Критериями для предоставления лицензий являются компетентность компаний и соответствие предлагаемых ими услуг транспортным потребностям. Лицензии выдаются согласно с государственным актом, а не контрактом [30]. Благодаря такому финансированию троллейбусный парк Германии использует новые троллейбусы отечественного производства Мерседес (Рис 2.3).
Португалия. Управление общественным транспортом в Португалии осуществляется в основном государственными компаниями. В тех регионах, где применяется заключение концессионных контрактов, они подписываются федеральным или местным Правительством соответственно типу услуг.

Рис 2.3
Греция. На всей территории Греции управление общественным транспортом осуществляется государством через местные префектуры Система организации единая для всего государства. В каждой префектуре и каждом из 32-х крупных городов, за исключением Афин, Тесалоник и Родоса, действуют кооперативы компаний. Частные автобусные компании представляют свои автобусы и водителей в распоряжение кооперативов, которые сами нанимают персонал для сбора доходов. Между префектурами и кооперативами не существует особых соглашений.
Испания. Государство во всех случаях берет на себя ответственность за обеспечение соответственного уровня развития общественного транспорта и выдает лицензии на управление компаниям, которые как правило, являются частными предприятиями.
2.4. Источник и механизм финансирования общественного транспорта
Исследование развития транспортных систем Франции, Великобритании, Швеции, Германии и Дании свидетельствует, что в этих странах, кроме традиционных источников финансирования транспортных систем - субсидий и собранной оплаты за проезд применяются такие источники финансирования, как: непосредственная государственная помощь; частное финансирование; гранты местной администрации; специальные формы налогообложения; государственные гарантированные займы; Европейский фонд помощи развития; Европейские инвестиционные банковские займы.
При этом основным источником финансирования является прямая государственная помощь. Тем не менее, она предоставляется лишь при условии привлечения средств из местных налогов или грантов. Объемы частного финансирования, которое не гарантированно государством или местной администрацией, значительно ограничены.
Франция. Критерии получения государственной помощи: улучшение эффективности и доступности транспортной системы в целом, ее модернизация. При этом государство обеспечивает местные органы власти субсидиями, которые покрывают около 50 процентов стоимости сооружения или 40 процентов общих инвестиций в транспортную систему. Современный подвижной состав Франции, как показатель экономической и технической развитости транспортных предприятий (Рис 2.4).

Рис 2.4
Швеция. Государство выделяет 50, а в отдельных случаях 75 процентов общей стоимости капитальных вложений в линии, которые сооружаются местными администрациями. При этом обязательно, чтобы каждый проект был составной частью генеральной транспортной схемы, а линия - полностью отвечала потребностям потребителей.
Германия. Органы власти выделяют огромные субсидии на развитие трамвайного транспорта. Схема помощи разделена на «земельный пул» и «федеральный пул». Последний достигает 80 процентов общей стоимости. Средства на эти цели поступают от налога на топливо для автомобилей. Сумма субсидий в инвестиции достигает 60-70 процентов, а для земель восточной части - даже 90 процентов общей стоимости.
В Дании существует четкое распределение ответственности: государство финансирует сооружения трамвайных линий, а местные и региональные администрации - автобусные линии местного и регионального значения.
Великобритания. Государство помогает лишь в осуществлении важных транспортных проектов, которые будут полезными также гражданам, которые не пользуются общественным транспортом.
Можно привести положительные примеры в работе горэлектротранспорта из близкого зарубежья. В некоторых постсоветских странах городской электротранспорт не только нормально функционирует, а и продолжает развиваться. Наиболее весомые результаты в этом имеет Узбекистан где за последние 5 лет открыто троллейбусное движение в 3-х городах. Лишь за 2 года в Ташкенте построено. 8 км трамвайных и 86, 4 км троллейбусных линий и 11 тяговых подстанций, начато строительство междугородной троллейбусной линии общей протяженностью 76 км. Это стало возможным, благодаря значительной поддержке городского электротранспорта Правительством, что находит свое выражение в предоставлении льготного кредита и государственных гарантий производителям подвижного состава, введенным согласно закону «О городском пассажирском транспорте», договорных отношений между местными властями и транспортными предприятиями.
3. РЕСУРСОСБЕРЕГАЮЩИЕ ТЕХНОЛОГИИ НА ГОРОДСКОМ ЭЛЕКТРИЧЕСКОМ ТРАНСПОРТЕ
3.1. Регенерация масел
Установки для регенерации отработанных масел и схемы технологического процесса
Проводимые исследования кафедрой городского электрического транспорта (ГЭТ) Харьковской государственной академии городского хозяйства (ХГАГХ) в области средств и методов регенерации отработанных смазочных масел показали, что в ХКП «Горэлектротранс» целесообразно производить регенерацию смазочных масел, применяемых на данном предприятии. Для этой цели можно использовать установки, предназначенные для регенерации отработанных масел.
Регенерация осуществляется несколькими методами: физическими, физико-химическими и химическими, применяемые в различных сочетаниях, что дает возможность регенерировать отработанные масла нескольких марок и различной степени отработанности [20, 21].
Технологическая схема по регенерации масел на установках приведена на основном чертеже.
Ниже приводится описание устройства и технологической схемы, применяемой установки для регенерации отработанных масел, а также ее технические характеристики.
Установка РМ-50-65 относится к маслорегенерационному оборудованию универсального типа. С помощью установки можно восстанавливать до первоначального качества индустриальные масла всех, а также компрессорные, трансформаторные, моторные и др.
Техническая характеристика:
|
Производительность установки по отработанному маслу, л/ч |
|
|
Автомобильное |
-75 |
|
Дизельное |
- 50 |
|
Индустриальное и трансформаторное |
- до 100 |
|
Расход пара на нагрев масла в реакторе и мешалке, кг/ч |
- 5 |
|
Мощность, кВт |
|
|
Электропечи |
-16, 5 |
|
Электродвигателя насоса РЗ-4, 5 |
- 1, 7 |
|
Электродвигателя перемешивающего устройства |
- 1, 0 |
|
Электродвигателя скальчатого насоса |
- 0, 6 |
|
Электродвигателя вакуумного насоса ВН-461М |
- 0, 6 |
|
общая потребляемая мощность |
- 22, 1 |
|
Число фильтропрессов |
- 2 |
|
фильтрующая поверхность рамочного фильтр-пресса, м2 |
- 2 |
|
Производительность скальчатого насоса (одной скалки), л/ч |
- 100 |
|
Габариты (высота X ширина X длина), мм |
|
|
Реактор |
2835 3050 1520 |
|
Фильтрпресс |
1020 1186 530 |
|
Технологическое оборудование |
2400 2240 1330 |
|
Вес установки, кГ |
- 3064 |
|
Обслуживающий персонал, чел\ |
- 1 |
Установка РМ-50-65 (Рис 3.2.) выпускается серийно.
Основные узлы установки смонтированы на четырех металлических каркасах. Бак для чистого масла, шестеренчатые насосы и электрораспределительный щит, не помещенные на каркасы, устанавливают на месте монтажа установки. Установка снабжена контрольно-измерительными приборами (манометрами, термометрами) предохранительными клапанами, измерительными устройствами.
Технологическая схема регенерации масел складывается из следующих операций:
а) обработка «нефильтрующихся» масел коагуляторами;
б) промывка водой после коагуляции щелочными поверхностно-активными веществами;
в) последовательная обработка отстоявшегося масла (и после коагуляции), отбеливающей глиной и водой;
г) дополнительная контактная обработка масла отбеливающей глиной в системе электропечь-испаритель в токе нагрузочного водяного пара;
д) отгон горючего и воды из масла;
е) фильтрация масла.
Предварительно отстоянное от воды и загрязнений масло подается шестеренчатым насосом в реактор. Отстой от воды и загрязнений производится в специальном отстойнике, оборудованном паровым или электрическим нагревателем.
Реактор представляет собой вертикальную цилиндрическую емкость с коническим дном. Масло в нем нагревается до 80°С паром, проходящим по змеевику, обрабатывается поверхностно-активным веществом (коагуляция) и промывается водой.
Из ректора отстоянное масло после коагуляции и промывки подается в мешалку.
Мешалка представляет собой вертикальную цилиндрическую емкость с коническим дном, краном для спуска остатка и плоской крышкой с откидной частью. На крышке установлен откидной бункер для отбеливающей глины, бачек для воды, вентиляционная труба, механизм для поплавкового указателя уровня и электродвигатель привода перемешивающего устройства. Внутри мешалки находится перемешивающее устройство, паровой змеевик для нагрева масла.
В мешалке масло снова подогревается до 80° С паром, проходящим по змеевику. Возможно также нагревать масло путем прокачки его через электропечь. В подогретое масло из бункера засыпают отбеливающую глину (до 5% к весу масла). Одновременно включают электродвигатель перемешивающего механизма. Продолжительностью перемешивания 15-20 мин. Затем в мешалку добавляют воду. Перемешивание масла с отбеливающей глиной и водой продолжается еще 15-20 мин до образования однородной смеси. При непрерывно работающем перемешивающем устройстве смесь подается скальчатым насосом на циркуляцию для вывода установки на режим по схеме электропечь-испаритель - скальчатый насос-мешалка.
Циркуляция смеси продолжается 15-20 мин. до достижения на выходе из электропечи температуры масла, обеспечивающих отгон топливных фракций.
После выхода на режим установка работает следующим образом. Нагретая смесь из электропечи поступает в циклонный испаритель для отделения паров горючего и воды. Испаритель состоит верхнего полого цилиндра, конуса и нижнего цилиндра, являющегося частью водяного холодильника. В верхней части испарителя установлены две отбойные тарелки.
В среднюю часть верхнего цилиндра по касательной к его поверхности с большой скоростью (10-20 м/сек) подают масляную смесь. Поступательное движение смеси преобразуется во вращательное. Развивающиеся при этом центробежные силы отбрасывают масло и частицы отбеливающей глины к боковой поверхности, по которой стекают вниз. Пары горючего и воды, оказавшиеся в средней части потока, отсасываются вакуум-насосом ВН-416М через верхнюю часть испарителя в холодильник и сборник отгона, куда, поступает уже конденсат.
Масло вместе с отбеливающей глиной из нижней части испарителя, где оно охлаждается, поступает на фильтрацию.
Регенерация трансформаторных, компрессорных, индустриальных и других специальных масел на установке РМ-50-65 осуществляется по схеме, исключающей водную промывку и отгон горючего.
Для более эффективной работы установки возможна замена отбеливающей глины, пригодной только для одноразового использования, алюмогелем или другими адсорбентами многократного использования, что позволяет добиться еще большей экономии.
3.2. Применение новых технологий смазки узлов и агрегатов подвижного состава
Ужесточение условий работы масел в трансмиссиях, редукторах, за последние десятилетия привело к необходимости повышения противоизносных, противозадирных. и, в частности, антипиттинговых свойств масел [24].
Присадки RVS. Традиционное решение этой проблемы за счет увеличения концентрации в маслах известных присадок не оказалось в достаточной мере эффективным. Так, по данным работы увеличения концентрации присадки диалкилдитиофосфата цинка в масле от 1 до 2% привело к снижению усталостной долговечности пар трения в 8-10 раз. В последние годы рекомендуется для улучшения антипиттинговых свойств смазывающих масел добавлять к ним молибденсодержащие присадки [23]. Вместе с тем показано, что применение малорастворимых молибденсодержащих органических соединений в качестве присадок к маслам может вызвать как антипитинговое, так и пропитинговое действие в зависимости от величины удельных нагрузок. Все изложенное выше указывает на то, что механизм действия присадок изучен недостаточно и в каждом конкретном случае требует стендовых и эксплуатационных испытаний на реальных редукторах, трансмиссиях и т. д.
Для сокращения времени испытаний и материальных средств, затрачиваемых на такие испытания, в мировой практике идут по следующему пути: лабораторные испытания; стендовые испытания; эксплуатационные (квалификационные) испытания.
Лабораторные испытания позволяют очень быстро сузить область действия рекомендуемых присадок, оценить их противоизносные и противозадирные свойства и совместимость с материалами, из которых изготовлены узлы трения в реальной конструкции.
Целью данных исследований явилось изучить влияние присадки RVS на износостойкость материалов (противоизносные свойства), способность сопротивляться задиру материалов (противозадирные свойства) и снижать механические потери на трение (антифрикционные свойства) [20].
Кроме этого, дополнительной целью исследования было оценить перечисленные выше свойства присадки RVS с перспективными присадками: 0128, 0228, 0328, ГТН1, ГТН12.
Для сравнительных испытаний использовалось минеральное масло:
индустриальное - 20 по ГОСТ 20779-75 (базовое масло) и
индустриальное - 20 с присадкой RVS,
индустриальное - 20 с присадкой 0128,
индустриальное - 20 с присадкой 0228,
индустриальное - 20 с присадкой 0328,
индустриальное - 20 с присадкой ГН1,
индустриальное - 20 с присадкой ГТН12.
Оценка смазывающих свойств базового масла и масла с присадками производилась согласно ГОСТ 9490-75 «Материалы смазочные жидкие и пластичные. Метод определения смазывающих свойств на четырехшариковой машине».
Оценка противоизносных свойств (интенсивности изнашивания) и механических потерь на трение (коэффициентов трения) базового масла и базового масла с присадками при различном сочетании материалов:
- сталь 40Х (HRC52) в сочетании с бронзой Бр. С30 (моделирование работы сопряжения: коленчатый вал - подшипник скольжения);
- чугун специальный ЧС (НВ210) - моделирование работы гильза цилиндра.
Испытания проводились согласно ГОСТ 23. 224-86 «Обеспечение износостойкости изделий» по группе А.
Группа А - сравнительные экспресс испытания, сущность которых состоит в определении соотношения интенсивностей изнашивания и коэффициентов трения материалов пар трения в смазочной среде без присадки. Испытания проводятся при заранее установленных идентичных условиях.
Исследования поверхностей трения материалов на определение микротвердости после испытания в масле с присадкой и в масле без присадки на идентичных материалах проводилось по ГОСТ 9450-76 «Испытания на микротвердость изделий и образцов из металлов и сплавов (а также их структурных составляющих) минералов, стекол, пластмасс, керамики, тонких листов фольги, гальванических, диффузионных, электроосажденных покрытий».
Трибологические исследования проводились на усовершенствованной машине 2070 СМТ-1, которая позволяет реализовывать следующие кинематические схемы испытаний: «диск-диск», «диск-колодка», «диск-плоскость», «диск-втулка», пальчиковый «образец-плоскость», «кольцо-кольцо» («торцы колец»), «четырехшариковая схема».
При проведении исследований на машине трения использовались получившие широкое распространение в трибологических исследованиях площадные пары трения по схемам «кольцо-кольцо», «диск-колодка», а также пары трения с начальным контактом по линии «диск-диск», и начальным контактом в точке «четырехшариковая схема». Кинематические схемы контакта трибосопряжений приведены на рис. 3. 1.
При проведении всех серий трибологических испытаний реализовывалась прямая пара трения, т. е., соблюдались следующие условия:
- вращался образец с большей номинальной площадью и большей твердостью исходной структуры материала поверхности, за исключением испытаний по четырехшариковой схеме, где материалы подвижных и не подвижных элементов одинаковы;
- нагрузка прикладывалась через неподвижный образец.
Для реализации режимов граничного трения машина трения была оборудована системой смазки образцов, работающей по замкнутому типу (рис. 3.2.). Масло подавалось непосредственно в зону трения подвижного 1 и неподвижного 2 образцов через форсунку 3 с помощью шестеренчатого насоса 4 переменной проводимости. Слив осуществлялся самотеком в маслосборник 5, который одновременно служил маслобаком. С целью исключения влияния продуктов износа установлен фильтр тонкой очистке. Привод шестеренчатого насоса осуществлялся от электромотора через редуктор.

Рис. 3.1 Кинематические схемы контакта: (а) - «диск-колодка»; (б) - «кольцо-кольцо» («торцы колец»); (в) - «диск-диск»; (г) - «четырехшариковая схема»
Экспериментальные исследования проводились на одной и той же машине трения, что позволило свести к однообразному влиянию на результаты испытаний фактора установки, как-то: ее вибрации, погрешности измерений момента трения, частоты вращения, нагрузки и т.д.

Рис. 3.2 Система смазки образцов на усовершенствованной машине трения 2070 СМТ-1

Рис. 3.3. К методике определения линейного износа способом искуственных баз: а) - после вдавливания конусного индентора; б - перед началом испытаний и после испытаний.
При проведении экспериментов регистрировали момент трения с пересчетом в силу трения, определяли линейный износ обоих образцов с пересчетом в суммарную скорость износа, шероховатость поверхностей трения, температуру в зоне трения.
Перед установкой на машину трения поверхности образцов обрабатывались по общепринятой методике ГОСТ 23.210-80. Шероховатость рабочих поверхностей доводилась до R>a> < 0,20. С целью исключения микрорезания острые кромки притуплялись до R - 0,5 мм.
Для повышения воспроизводимости результатов применяли предварительную обработку образцов и контролировали сопряжение поверхностей, характеризуемого следами трения на площади не менее 90% рабочей поверхности трения каждого образца [25]. После приработки образцы промывали ацетоном (ГОСТ 2603-79) и сушили в течение 2-х часов при температуре 70 С.
Линейный износ на образцах пар трения «кольцо-кольцо», «диск-колодка», на подвижном ролике пары трения «диск-диск» определялся методом искусственных баз (ГОСТ 23.301-78). В основе этого метода лежит определение количественной величины линейного износа по изменению размеров суживающегося углубления заранее известного профиля, выполненного на исследуемой поверхности (Рис 3.3). Для этого необходимо, чтобы углубление имело в сечении геометрически правильную, заранее заранее известную форму. Тогда о величине износа можно судить по ширине лунки, видимой на испытуемой поверхности. Углубление может иметь форму не только лунки, но любую другую с тем, чтобы один какой-либо ее размер закономерно уменьшался по глубине. Положение дна углубления при износе поверхности остается не неизменным, поэтому оно является той искусственной базой, от которой можно вести измерение расстояния до поверхности. Зная заранее соотношение длинны и глубины отпечатка и наблюдая за его изменением, можно определить величину линейного износа. Суживающееся углубление определенного профиля может быть получено в результате вдавливания наконечника в виде пирамиды или конуса, высверливанием конического углубления, вырезанием вращающимся резцом остроугольной лунки, выпиливанием или вышлифовыванием диском. Размер диагонали предполагаемой величины износа. Чаще всего в качестве индентора применяют квадратную пирамиду с углом при вершине между противоположными гранями 136 или конус с углом при вершине - 120°. Изготавливаются они не только из алмаза, но и из твердых сплавов, а для отпечатков на металлах невысокой твердости - из закаленной инструментальной стали. В зависимости от применяемого индентора и способа его использования различают лунки, полученные на поверхности пластического материала, то величина линейного износа ∆b может быть подсчитана по формуле:

где ∆b - глубина отпечатка, С - диаметр проекции отпечатка на испытуемой поверхности (индексы 1 и 2 соответствуют измерениям диаметра до и после испытания), Z - коэффициент пропорциональности, постоянный по всей глубине отпечатка, если отпечаток выполнен конусом с углом при вершине α - 120°, Z - 3,464 тогда:

Получение отпечатков с помощью шариков приводит к большой погрешности, т. к. в этом случае форма отпечатков вследствие упругого восстановления получается отличной от формы шарика, а необходимые поправки производить сложно, потому что они зависят не только от свойств испытуемого материала, но и от величины отпечатка. Основными отрицательными явлениями при всяком вдавливании следует считать упругое восстановление исследуемого материала, но и от величины отпечатка. Основным отрицательным явлениями при всяком вдавливании следует считать упругое восстановление исследуемого металла и выдавливание части металла, которое образует возвышение на поверхности вокруг отпечатка. Эти явления искажают исходную шероховатость поверхности и первое определение диаметра отпечатка, а поэтому требуют выяснения величины вспучивания и деформации для того, чтобы установить, как велика будет ошибка при определении износа у различных материалов, если не учитывать эти явления. Вспучивание металла в данной работе удалялось в ручную мелкозернистым наждачным бруском или на наждачной бумаге. Такие операции производились для пары трения «диск-кольцо», где поверхности трения плоские [23]. Для пары трения «диск-колодка» вспучивание удалялось предварительной приработкой.
Время проведения эксперимента выбиралось эмпирическим путем из условия получения достоверных данных об износе.
Лунки наносились на твердомере БО-2 алмазным конусом с углом при вершине 120°. Измерение отпечатков конуса проводилось на микроскопе МЕТАМ Р-1.
Первая серия испытаний проводилась по четырехшарикововой схеме (рис. 3.2.1.) согласно ГОСТ 9490-75. Испытания имели целью определить противоизносные свойства масел (базового и масел с присадками) и проранжировать их по способности снижать износ.
В качества параметра, оценивающего противоизносные свойства, применялся показатель износа Dи по ГОСТ 9490-75.
Показатель износа Dи определяли при постоянной нагрузке 500Н, время испытаний 60 мин.
Показателем износа Dи в миллиметрах считают среднее арифметическое значение диаметров пятен износа нижних шариков двух параллельных испытаний.
Результаты испытаний представлены в таблице 3.1.
Если показатель износа, характеризующий противоизносные свойства базового масла, равный 1,0, принять за 100%, то улучшение противоизносных свойств можно оценить в процентах по отношению к базовому маслу, что и отражено в таблице 3.1.
Вторая серия испытаний - определение коэффициента трения (антифрикционных свойств) производилась по схеме испытаний «диск-диск» (рис. З.1.). Материалы дисков соответствовали материалу шариков для четырехшариковой схемы (сталь ШХ15 HRC62). Результаты испытаний представлены в таблице 3.2.
Таблица 3.1 - значение показателей износа для различных смазочных материалов.
|
№ п/п |
Смазочный материал |
Ср. значение показ-ля износа Dи, мм |
Улучшение противоизносных св-в, % |
|
1 |
Индустриальное масло И-20 (базовое масло) |
1,0 |
0 |
|
2 |
И-20 с присадкой RVS |
0,9 |
10 |
|
3 |
И-20 с присадкой 0128 |
0,9 |
10 |
|
4 |
И-20 с присадкой 0228 |
0,85 |
15 |
|
5 |
И-20 с присадкой 0328 |
0,83 |
17 |
|
6 |
И-20 с присадкой ГТН-1 |
0,83 |
17 |
|
7 |
И-20 с присадкой ГТН-12 |
0,87 |
13 |
Таблица 3.2 - Значение коэффициента трения для различных смазочных материалов.
|
№ п/п |
Смазочный материал |
Коэффициент трения |
Улучшение антифрикционных св-в, % |
|
1 |
Индустриальное масло И-20 (базовое масло) |
0,85 |
0 |
|
2 |
И-20 с присадкой RVS |
0,075 |
10 |
|
3 |
И-20 с присадкой 0128 |
0,08 |
0 |
|
4 |
И-20 с присадкой 0228 |
0,072 |
10 |
|
5 |
И-20 с присадкой 0328 |
0,047 |
41 |
|
6 |
И-20 с присадкой ГТН-1 |
0,056 |
30 |
|
7 |
И-20 с присадкой ГТН-12 |
0,064 |
20 |
На основании полученных результатов, которые предоставлены в таблице 3.1 и 3.2, можно проранжировать смазочные материалы в ряд, с убыванием противоизносных и антифрикционных свойств:
1 И-20 с присадкой 0328
2 И-20 с присадкой ГТН-1
3 И-20 с присадкой ГТН-12
4 И-20 с присадкой 0228
5 И-20 с присадкой RVS
6 И-20 с присадкой 0128
7 Базовое масло
Третья серия испытаний проводилась по схеме «кольцо-кольцо» (торцы колец), рис. 3.1, согласно ГОСТ 23.224-86 «Обеспечение износостойкости изделий» по группе А.
Сравнительным экспресс испытаниям подвергались следующие материалы:
- сталь 40Х (HRC52) в сочетании с бронзой Вр. С30;
- чугун специальный ЧС (НВ210) в сочетании с серым модифицированным чугуном С4М (НВ252).
Результаты испытаний.
При испытаниях: сталь 40Х в паре с бронзой (нагрузка 800Н, скорость скольжения 0,5 м/с) в базовом масле И-20 - скорость изнашивания составила 117 мкм/ч, а коэффициент трения 0,066.
При этом микротвердость поверхностей трения:
- сталь 40Х - 5720 Мпа;
- бронза Вр. С30 - 2540 Мпа.
При испытаниях идентичных пар трения, но в масле И-20 с присадкой RVS, при идентичном нагрузочно-скоростном режиме скорость изнашивания составила 100 мкм/ч, а коэффициент трения 0,052.
При этом микротвердость поверхностей трения:
- сталь 40Х - 6420 Мпа;
- бронза Вр. С30 - 2740 Мпа.
Результаты испытаний приведены в таблице 3.3.
Таблица 3.3 - Результаты испытаний пары трения сталь 40Х бронза Вр. С30.
|
Смазочный материал |
Параметры |
|||
|
Скорость износа, мкм/ч |
Коэффициент трения |
Микротвердость стали, Мпа |
Микротвердость бронзы МПа |
|
|
И-20 |
117 |
0,066 |
5720 |
2540 |
|
И-20 + RVS |
100 |
0,052 |
6420 |
2740 |
|
Улучшение свойств, % |
14 |
21 |
11 |
7 |
При испытаниях: чугун специальный ЧС в паре с серым модифицированным чугуном СЧМ (нагрузка 800Н, скорость скольжения 0,5 м/с) в базовом масле И-20 скорость изнашивания составила 10 мкм/ч, а коэффициент трения - 0,127.
При этом микротвердость поверхностей трения:
- ЧС - 3100 Мпа;
- СЧС - 3000 Мпа.
Характер переходного процесса представлен на рис. 3.2.3.
При испытаниях идентичных пар трения, но в масле И-20 с присадкой RVS, при идентичном нагрузочно-скоростном режиме скорость изнашивания составила 8,7 мкм/ч, а коэффициент трения 0,1.
При этом микротвердость поверхностей трения:
- ЧС - 5140 Мпа;
- СЧС - 7240 Мпа.
Результаты испытаний сведены в таблицу 3.4.
Таблица 3.4 - Результаты испытаний пары трения СЧ - СЧМ.
|
Смазочный материал |
Параметры |
|||
|
Скорость износа, мкм/ч |
Коэффициент трения |
Микротвердость ЧС, МПа |
Микротвердость СЧМ, МПа |
|
|
И-20 |
10 |
0,127 |
3100 |
3000 |
|
И-20 + RVS |
8,7 |
од |
5140 |
7240 |
|
Улучшение свойств, % |
13 |
21 |
39 |
59 |
Выводы и рекомендации по внедрению.
Анализируя результаты лабораторных испытаний, которые предоставлены в таблицах 3.1 - 3.4, можно сделать следующие выводы:
1) Применение присадки RVS в базовых минеральных маслах индустриальном И-20 снижает скорость изнашивания материалов от 8 до 14% и механические потери на трение - от 10 до 21%.
2) Применение присадок RVS в базовом масле значительно интенсифицирует образование на поверхностях трения защитных износостойких пленок (вторичных структур). Особенно твердые пленки образуются на чугунах (микротвердость возрастает от 26% до 59%), затем сталях - 11% и в меньшей степени бронзах - 7%.
3) Применение присадки RVS значительно сокращает время приработки (обкатки). Данная присадка может служить в качестве приработочного и модифицирующего материала.
При применении присадки RVS все пары трения становятся чувствительными к быстрому увеличению нагрузки (скорости нагружения, н/с).
При больших скоростях нагружения эффективности присадки нет, и даже проявляется ее отрицательный эффект. Пары работают неустойчиво и склонны к задиру. Поэтому при применении присадки RVS изделие, агрегаты, двигатель необходимо прирабатывать ступенчато от минимальных нагрузок от минимальных нагрузок до эксплуатационных. Величина нагрузки на каждой из ступеней и время работы определяется в зависимости от конструкции изделия и материалов пар трения, т.е. в каждом конкретном случае отдельно.
Сравнения с альтернативными технологиями.
Таблица 3.5 RVS - технология и классический ремонт на примере тележки трамвайного вагона Т-3
|
Технологическая операция |
Виды ремонта тележки трамвайного вагона Т-3 |
|
|
Капитальный ремонт с заменой изношенных деталей |
Ремонт по технологии RVS |
|
|
Демонтаж и разборка |
Требует специально оборудованное помещение и обученный персонал. |
Не требуется |
|
Дефектация |
Требует оборудования и справочных данных |
По косвенным признакам |
|
Комплектация запчастями |
Требует наличия складов, системы учета и дополнительных материальных затрат на закупку запаса запчастей |
Не требуется |
|
Сборка и установка |
Требует помещения, оборудования и специально обученного персонала |
Не требуется |
|
Заливка нового масла |
Расходуется объем масла в редукторе |
RVS добавляются в старое масло |
|
Обкатка и замена масла |
Работа с неполной загрузкой, дополнительный расход масла |
Приработка в течение 20 минут |
Экономическая целесообразность применения данной технологии.
К настоящему времени имеется практический опыт применения данной технологии на оборудовании и технике всех отраслей промышленности, транспорта и энергетике, а именно:
- Гидросистемы:
* масляные насосы любых типов, гидроклапаны, и распределители, гидроцилиндры.
- Компрессоры:
* поршневые и турбокомпрессоры.
- Промышленные редукторы и трансмиссии.
- Отдельно стоящие подшипники, открытые шестеренчатые передачи (как пример -регенеративный воздухоподогреватель на ТЭЦ и ГРЭС).
- Двигатели внутреннего сгорания:
* дизельные и карбюраторные всех типов и марок.
Экономическая целесообразность применения данной технологии. 1) Резкое сокращение расходов на ремонт:
1.1) Замена капитальных и плановых ремонтов на профилактическую обработку.
1.2) Не требуется замена трущихся деталей, т.к. постоянно поддерживая металокерамический слой в рабочем состоянии, можно отказаться от необходимости их замены.
2) Снижение потерь на трение, устранение вибрации, локальных нагревов, механических шумов приводит к экономии электроэнергии до 15 - 20 %, топлива от 15%,
3) Устранение факторов загрязнения масла увеличивает срок его службы в 3 - 5 раз, что приводит к его экономии.
4) Открывается возможность замены в парах трения цветных металлов на сталь.
Применение RVS технологии в ХКП «Горэлектротранс».
Харьковское управление «Горэлектротранса» с июля 1997г. проводит на своем подвижном составе ремонтно-восстановительные работы по RVS - технологии следующих агрегатов и механизмов:
1. Редукторы трамваев
2. Редукторы троллейбусов
3. Компрессоры троллейбусов
4. Гидроусилители насосов на троллейбусах ЗИУ-9 и Rocar
5. Автотранспорт
6. Станочный парк
Суть обработки заключается в восстановлении изношенных пар трения путем наращивания металлокерамического слоя. Ремонт производится в режиме штатной эксплуатации.
За время проведения работ были получены положительные результаты по всем узлам и механизмам. Практический опыт показал, что срок эксплуатации механизмов и агрегатов, обработанных по RVS-технологии, увеличивается в 2-4 раза, и дает значительную экономию, что позволяет рекомендовать к внедрению RVS-технологию.
3.3. Новые системы автономного децентрализованного энергообеспечения городского электротранспортного транспорта «
Одним из показателей, определяющим уровень стабильности экономической жизни городов, является качество транспортного обслуживания горожан. Поэтому развитию городского общественного транспорта, в частности, городского электрического транспорта (ГЭТ), его надежности, повышению технического уровня и энерговооруженности, снижению расходов энергоносителей (электроэнергии, тепла, природного газа) и себестоимости перевозок, бесперебойному, гарантированному энергоснабжению во всех странах мира уделяется основное внимание.
С точки Зрения топливно-энергетического баланса города, при дефиците энергоресурсов и повышении цен на энергоносители, значительная экономия электрической и тепловой энергии может быть достигнута выравниванием суточных графиков нагрузки, т.к. коэффициент минимума нагрузки составляет 0,4 .... 0,5, использованием дифференцированных и многоставочных тарифов на тепло и электроэнергию, которые не должны противоречить социальным и экологическим проблемам. К числу таких мероприятий относятся: маневрирование электрогенерирующими мощностями, аккумулирование электрической и тепловой энергий, приоритетное использование автономной и малой децентрализованной энергетики, электроотопления, применение электротранспорта с аккумуляторами электрической энергии, потребителей энергии в ночное время, повышения автономности системы внутреннего электроснабжения городского электрического транспорта (ГЭТ) и др.
Маневрирование в силу специфических особенностей ТЭС и АЭС, крайне затруднено и не эффективно. Недостатком электроэнергии, как энергоносителя, является невозможность аккумулирования в достаточном количестве для выравнивания графиков нагрузки, однако, появившиеся в последнее время современные системы накопителей энергии (НЭ) позволяют частично эту проблему решать, тем более, что по прогнозам к 2010 г. более 10% всей выработанной в мире электроэнергии будет проходить через системы накопления, прежде чем попасть к потребителю.
С точки зрения тепло- и электроснабжения потребителей значительный интерес представляет опыт широкомасштабного применения в Германии и США и других развитых странах систем децентрализованного энергоснабжения (СДЭС) на базе автономных и экологически чистых теплоэлектростанций (ТАЭС) с использованием дизель-генераторов, работающих на природном газе, шахтном газе и биогазе. Например на территории бывшей ФРГ около 95% тепловых электростанций являются децентрализованными ТАЭС и работают на газе. Коэффициент использования топлива на этих ТАЭС достигает 90%, т.к. они работают по теплофикационному циклу. Такие ТАЭС строятся для энергоснабжения индустриальных и транспортных объектов, а также для отдельных малых потребителей: больниц, гостиниц, оранжерей, парников, бассейнов, банков, фермерских хозяйств и др. Эксплуатация показала высокую надежность и эффективность ТАЭС.
Специалистами Научно-технического предприятия «Конструкторское бюро среднеоборотных двигателей» (НТП КБСД) Государственного предприятия «Завод имени Малышева» (ГП «ЗиМ»), Харьковского государственного политехнического университета (ХГПУ), с участием ИМИСа, НИИ и НПО «Электротяжмаш», ХЭМЗ и др. разработана программа по малой децентрализованной и автономной энергетике, охватывающая также вопросы энергоснабжения ГЭТ и предусматривающая широкое использование:
- автономных блочно-модульных дизель-электростанций на базе дизель-генераторов 11ГД100 и 17ГД100Д, работающих на природном
газе, биогазе или шахтном газе, мощностью 1000 .... 1600 кВт, созданных на ГП «ЗиМ»;
- устройство накопления и хранения электрической энергии для нужд электроснабжения ГЭТ;
- устройство накопления и хранения тепловой энергии для нужд теплоснабжения ГЭТ.
Преимуществами такой системы децентрализованного энергоснабжения (СДЭС) применительно к ГЭТ являются:
- Возможность работ в режиме пиковых установок (эти функции выполняют дизель-генераторы и накопители энергии), в часы покрытия нагрузки. При этом, время запуска и приема нагрузки составляет не более 1...2 мин.
В часы «пик» и провалов нагрузки разница в пассажиропотоках составляет, в среднем, 3 раза. Количество подвижного состава на линии в часы «пик» больше, чем в периоды провалов нагрузки, в среднем, в 1,3 раза (т.е. - на 30%). Потребляемая мощность единицы подвижного состава в часы «пик» (за счет увеличения частоты движения и наполняемости вагонов с 5 чел/м2 до 20 чел/м2 возрастает, в среднем, в 1,3 раза (т.е. - 30%).
Таким образом, потребление электроэнергии парком подвижного состава городского электротранспорта в часы «пик» увеличивается, в среднем, в 1,3x1,3 = 1,69 = 1,7 раза, т.е. по сравнению с нагрузкой в периоды провалов (будем считать эту нагрузку базисной) «пиковая» нагрузка системы электроснабжения возрастает в 1,7 раза.
- Приближение источников энергии к потребителям электро- и тепловой энергий, что сокращает потери, снижает затраты на линий электропередачи (ЛЭП), кабельных тяговых сетей и стоимости энергии, создает условия для рассредоточения резерва и использования малогабаритных тепловых станций.
- Рациональность и гибкость системы питания тяговых сетей, позволяющей наиболее легко и просто выводить из нагрузки поврежденный участок и невозможностью превращения местной, локальной аварии в системную, характерную для централизованных систем, а также простотой устройства и экономической целесообразностью.
- Экономия топливно-энергетических ресурсов (ТЭР), т.к. генерирование электроэнергии происходит с более высоким КПД и меньшей стоимостью кВт-ч, чем на существующих электростанциях Государственной энергосистемы Украины (обычно старого поколения), а с учетом совместного производства тепла, электроэнергии и сокращения протяженности ЛЭП экономия ТЭР составляет 25...30%.
- Использование накопительной энергии - реверсивных устройств для частичного или полного разделения во времени выработки и потребления энергии, с высоким КПД зарядно-разрядного цикла, быстрым включением в работу совместно с автономными базовыми многоцелевыми установками (дизель-электростанциями) существенно улучшают технико-экономические показатели энергоблоков, способствуют выравниванию графиков нагрузки системы внутреннего энергоснабжения ГЭТ, повышает ее устойчивость, живучесть и надежность функционирования. Посчитано, что использование, например, каких-либо НЭ в общей энергосистеме США в 1990 г, привело бы к экономии капиталовложений на сумму 45 ∙ 109 дол. (без учета стоимости самих НЭ).
- Блочно-модульный принцип обеспечивает простое наращивание мощности, поддерживание постоянного напряжения в контактной сети U>KC> = 600 В, гибкое реагирование на изменение нагрузки, высокие экономичность и ремонтопригодность.
Реализация системы децентрализованного электроснабжения ГЭТ позволит обеспечить бесперебойность и стабильность электро- и теплоснабжения, значительную (до 30%) экономию энергоносителей, существенное сокращение эксплуатационных затрат за счет снятия части нагрузок с тяговых подстанций, снижение вероятностей больших аварий.
Структура системы децентрализованного энергоснабжения (СДЭС) ГЭТ имеет базисное энергопитание частью дизель-электростанций и «пиковое» энергопитание резервными дизель электростанциями. Каждая дизель-электростанция представляет собой энергетический модуль (ЭМ).
Таким образом, СДЭС представляет собой сеть распределенных источников автономного электропитания - ЭМ, на базе дизель-генераторов, выпускаемых ГП «ЗиМ» с использованием бросового тепла для отопления и горячего водоснабжения.
Цель работы - создание системы децентрализованного внутреннего энергоснабжения ГЭТ с высокими техник-экономическими характеристиками по экономичности, живучести, надежности, обеспечивающей снижение себестоимости перевозок, на базе отечественного автономного электрогенерирующего оборудования.
Имеющийся научно-технический задел в области малой децентрализованной энергетики научно-технического предприятия «Конструкторское бюро среднеоборотных двигателей» (НТП КБСД) Государственного предприятия «Завод имени Малышева» (ГП «ЗиМ»), Харьковского Государственного Политехнического университета (ХГПУ), НИИ ИНПО «Электротяжмаш» (НИИ и НПО «ЭТМ»), Харьковской государственной академии городского хозяйства» (ХГАГХ), Производственного объединения «Харьковский электромеханический завод» (ПО «ХЭМЗ»), с участием Харьковского завода электротранспорта (ХЗЭТ) и Харьковского Государственного предприятия «Горэлектротранс», а также проведенный комплекс научно-исследовательских, опытно-конструкторских и экспериментальных работ, технико-экономических расчетов подтверждает экономическую целесообразность и техническую возможность создания системы децентрализованного энергоснабжения ГЭТ, обеспечивающее надежное, гарантированное электро- и теплоснабжение ГЭТ, обеспечивающее надежное, гарантированное электро- и теплоснабжение ГЭТ, стабильность напряжения контактной сети, значительную экономию эксплуатационных затрат дефицитных материалов и, в конечном итоге, снижение себестоимости перевозок и повышения эффективности работы ГЭТ.
Все разработки и поставки находятся в г. Харькове, при реализации этого проекта будет использоваться технология электро-, энер-го- и транспортного машиностроения Украины, материалы и комплектующие предприятий Украины.
Технико-экономический анализ объемов финансирования и сроки исполнения.
1) Разработка исходных технических требований к системе децентрализованного энергоснабжения ГЭТ (СДЭС ГЭТ).
Разработка технологического задания на СДЭС ГЭТ.
Выбор участка энергоснабжения и разработка технико-экономического обоснования.
10 специалистов высокой квалификации с месячной зарплатой 180 грн. - 6 месяцев.
10,8 тыс. грн. июнь 1999г,
2) Разработка эскизного проекта СДЭС ГЭТ.
Разработка рациональной структуры, технические решения, расч. сравнение вариантов.
20 специалистов высокой квалификации с месячной зарплатой 180 грн. - 6 месяцев.
21,60 тыс. грн., декабрь 1999г.
3) Разработка технического проекта СДЭС ГЭТ. Расчеты, принципиальные решения по основным узлам и системам, компоновка энергетического модуля.
25 специалистов с месячной зарплатой 120 грн. - 6 мес. 180 тыс. грн., июнь 1999 г.
4) Разработка рабочей конструкторско-технологической документации на опытный образец энергетического модуля (ЭМ).
20 специалистов с месячной зарплатой 100 грн. - 4 мес. 80 тыс. грн., октябрь 1999 год.
5) Затраты на выплату составляют:
З>з.п.> = 10,80 + 21,60 + 18,00 + 80,0 = 58,40 тыс. грн.
6) Стоимость научно-технической продукции
Ц>нтп> = З>з.п.> (1,52 + 1,5 + 0,2 + 1,25) = 5840 ∙ 4,47 = 261,04 тыс. грн.
где:
1,52 - коэффициент учитывающий отчисления в соц. страх,
1,5 - накладные расходы;
0,2 - прибыль;
1,25 - услуги сторонних организаций.
7) Изготовление 2-х опытных образцов энергетического модуля
627,30 тыс. грн., - 6 мес. апрель 2000 год.
8) Стендовые (заводские) доводочные испытания ЭМ (принимаем равной стоимости 1 газо-часа в течение 50 часов) 196 тыс. грн. 4 мес. август 2000 г.
9) Эксплуатационные испытания энергомудулей на выбранном участке энергоснабжения. Моделирование, по результатам испытаний, работы развернутой с ДЭС. Уточнение параметров и структуры СДЭС. Корректировка документации.
330 тыс. крб., 4 мес. декабрь 2001 г.
ИТОГО: 940,94 тыс. грн.
Распределение средств по годам:
1999г. -144,8 тыс. грн.
2000г. -325,3 тыс. грн.
2001г. -470,8 тыс. грн.
ИТОГО: 940,9 тыс. грн.
Сроки окупаемости капитальных вложений при создании опытной системы децентрализованной энергоснабжения ГЭТ.
Как было показано выше, система децентрализованного энергоснабжения позволяет: оставить под базисной нагрузкой часть дизель-электростанций с включением в нагрузку «пиковых» дизель-электростанций в часы «пик», существенно уменьшить протяженность кабельных сетей и отсасывающих кабелей постоянного токов утечки, обеспечить гарантированное энергоснабжение и стабильность напряжений в контактной сети.
Анализ работы ГЭТ (трамваев и троллейбусов) показывает, что «пиковые» нагрузки общей продолжительностью около б часов, определяются колебаниями веса подвижного состава за счет наполняемости, в среднем в 1,3 раза и изменениями его количества на линиях, которое увеличивается также, в среднем, на 30% (ив 1,3 раза).
Мощность пиковых нагрузок превосходит мощность провалов, где-то в 1,3 раза.
Разница в потреблении электроэнергии парком подвижного состава ГЭТ городского Электротранспорта, как, например, Харьков, взятого за основу для расчетов, в часы «пик» и провалов нагрузки, составляет, в среднем, 1,7 раза. Таким образом, если принять в качестве базисной единицы, нагрузку в период провалов, то общая нагрузка будет составлять 2,7 базисных единицы.
По данным ХКП «ГЭТ», условная единица подвижного состава (в парке 462 трамваев и 365 троллейбусов, всего 827 единиц) расходует в месяц 12700 кВт-ч электроэнергии (ЭЭ), при месячной наработке порядка 360 часов, в сутки - 423 и 12 часов.
Усредненная условная мощность единицы подвижного состава (ЕПС) будет равна:
Р>ср.уст.ЕПС >= (462 – 180 + 365 – 110)/827 = 149,1 кВт;
где: 462 и 180 — количество трамваев и суммарная мощность тяговых двигателей секции трамвая,
365 и 110 — аналогично для троллейбуса.
Среднеэксплуатационная мощность ЕПС составит:
Р>ср.уст.ЕПС> = W>сут.ЕПС> / о>сут.> = 423 кВт-ч / 12 ч. = 35,3 кВт
где: W>cyт.ЕПС> — суточное потребление ЕПС электроэнергии, равное 423 кВт-ч;
о>сут.> - суточная наработка ЕПС электроэнергии, равная, в среднем, 12 час.
Среднеэксплуатационный коэффициент использования мощности условн. единицы подвижного сотава:
К>ср.экс.> = 35,3 кВт/149,1 = 0,2366, что говорит о низком использовании мощности ЕПС.
За сутки единица базисной нагрузки составит:
423 / 2,7 = 156,7 кВт, т.е. в периоды провалов ЕПС расходует в сутки 156,7 кВт-ч, а в часы «пик» 433-156,7 = 266,3 кВт-ч, что и показано на графике, рис. 3.4.
А и В - утренние и вечерние часы «пик»
Б - базисная нагрузка в периоды повалов

Рис 3.4.
За сутки базисная нагрузка парка подвижного состава трамвая, троллейбуса г. Харькова, по данным расхода электроэнергии ХКП «Горэлектротранс», в среднем, составит:
W>cyт баз> = 156,7 оо 827 единиц = 129590,9 кВт-ч,
«пиковая» — W>cyт пик> = 266,3 о 827 = 220230,1 кВт-ч.
Весь парк ПС ХТТУ в сутки расходует 827 ед. а 423 кВт-ч = 349821 кВт в год 827 ед. о 423: 365 = 127,685 оо 106 кВт-ч.
Суммарная средняя «пиковая» мощность будет равна (по данным расхода электроэнергии ХКП «Горэлектротранс»).
Р>ср.пик.> = W>cyт. пик >/оо>пик.> = 220230,1 кВт-ч. / 6 ч. = 36705 кВт
Суммарная средняя базисная мощность (по данным расхода электроэнергии)
Р>ср. баз.> = W>cyт. баз.>/оо>6aз> = 129590,9 / 6 = 21598,5 кВт-ч
Анализ результатов тяговых расчетов с варьированием по скорости 15 км/ч, 20 км/ч, 25 км/ч, 30 км/ч, 35 км/ч при нормальном (5 чел/м2) и максимальном заполнении (10 чел/м2) салона, с идентификацией по средней мощности условной единицы подвижного состава (ЕПС), позволили определить адекватную среднюю скорость на участках между остановками, которая составила 25 .... 27 км/ч, что близко к ходовой скорости, равной 25...30 км/ч.
Это дало возможность определить средние мощности трамвая и троллейбуса в периоды провалов нагрузки (номинальное заполнение салонов) с учетом расхода мощности на собственные нужды и отопление подвижного состава, которые составили:
|
Трамвай (типа Т-3) |
Троллейбус (типа ЗиУ-9) |
|
|
Провалы нагрузки: Р>ср.ном,кВт> |
37,6 |
26 |
|
«Пиковые» нагрузки: Р>ср.макс,кВт> |
44,1 |
28,71 |
|
Средняя мощность за периоды провалов и «пика» нагрузок: Р>ср.трам,кВт> |
40,8 |
27,4 |
Определенная по этим значениям средне-эксплуатационная мощность ЕПС ГЭТ будет:
Р>ср.экспл.ЭПС> = (N>трам.> Р>ср. трам> + N>трол.> Р>ср.трол.>) / (трам. + трол) = (462 ∙ 40,8 + 365 ∙ 27,4) / 827 = 35 кВт.
где: N>трам> и N>трол> - количество трамваев и троллейбусов в парке ПС ХТТУ.
Это значение соответствует значению Р>ср.экспл.ЕПС>, определенной по фактическим расходам электроэнергии и равной 35,5 кВт, что указывает на высокую достоверность расчета.
Средний эксплуатационный коэффициент использования мощности трамвая К>ср.экспл.трам> = 40,8/180 = 0,127, троллейбуса К>ср.экспл.трол> = 27,4 / 110 = 0,249. Суммарная средняя пиковая мощность (исходим из худшего случая, когда весь ПС находится в режиме тяги), определенная по значениям
Р>ср.макс.> = (462 ∙ 44,1 + 365 ∙ 28,71) / (0,9 ∙ 0,95) = 36096, что совпадает и с определенной по расходу электроэнергии, мощности, равной 36705 кВт. Это 1,7 единицы базисной мощности, тогда единица базисной мощности составит: 36096,6/1,7 = 21233,3 кВт. Эта же мощность должна быть равной суммарной мощности в период провалов нагрузки, определенная по данным Р>ср.ном> трамвая и троллейбуса, т.е.
р>ср.ном.> = (462 ∙ 37,6 + 365 - 26) / (0,9 ∙ 0,95 ∙ 1,4) = 22432,7 ,
где 1,4 - коэффициент уменьшения количества подвижного состава в период провалов нагрузки. Ошибка в определении этими методами Р>ср.ном.> составляет 5,3%, что удовлетворяет точности укрупненных расчетов.
Суммарная установочная мощность парка подвижного состава ХКП «Горэлектротранс» равна:
Р>уст.парка> = 462 ∙ 180 + 365 ∙ 110 = 123310 кВт.
Для определения количества дизель-генераторов, необходимых для покрытия «пиковой» мощности, принимаем для расчета «пиковую» мощность, т.е. мощность в периоды «пика» нагрузок, равной 36096,6
кВт, тогда количество дизель-генераторов при отборе мощности 1500 кВт (с 6% запасом) будет:
П>д/г> = 36096,6 кВт / 1500 кВт = 24,06 шт.
Принимаем 24 шт.
Номинальная мощность д/г 17ГД100А составляет 1600 кВт и гарантированный запас мощности будет обеспечен.
Годовой средний базисный расход электроэнергии парком ПС будет:
W>6aз.ср.год> = 156,7 кВт-ч ∙ 365 ∙ 827 ед. = 47,31 ∙ 106 кВт-ч
Это количество электроэнергии произведут 14,4 дизель-генераторов, работая в сутки по 6 часов с мощностью 1500 кВт. Принимаем для расчета 15 дизель-генераторов.
Расход природного газа будет: 15 ∙ 6 ∙ 365 ∙ 450 = 14,783 ∙ 106 м3/год.
Годовой средний «пиковый» расход электроэнергии парком ПС ХТТУ:
W>cp.пик.год> = 266,3 - 365 - 827 ед. = 80,384 ∙ 106 кВт-ч
Это количество электроэнергии произведут 24 дизель-генераторов, работая в сутки по 6 часов с мощностью 1530 кВт и расходуя при этом количество природного газа 24 ∙ 6 ∙ 365 ∙ 450 = 23,65 ∙ 106 м3. Общее количество природного газа за год 14,783 + 23 = 38,43 ∙ 106 м3.
При работе дизель-генераторов количество тепловой энергии практически равно количеству электрической энергии, поэтому количество выработанного тепла в виде горячей воды с температурой 80....90°С и расходом 170 м3/ч (одним дизель-генератором) составит аналогично
109822 ∙ 106 ккал, что покрывает годовую потребность ХКП «Горэлектротранс» в тепле. В расчете принимаем значение 99244,8 Гкал.
Это и будет экономией.
Цена 1 кВт-ч, произведенного на дизель-генераторах, работающих на природном газе, стоимостью за 1000 м3 - 0,144 грн., и расходующими 450м3/ч. каждым, будет
Ц>кВт-ч> = (Ц>прир.газа> ∙ 860) / (Q>H> ∙ о>АВ> ∙ о>ген>) = (14400 ∙ 860) / (8000 ∙ 0,36 ∙ 0,96) = 0,448 грн.
где: Ц>прир.газа> = Цена 1 м3 природного газа - 1,44 грн. Q>H> - низшая теплоотводность 1 м3 природного газа, равная 8000 ккал
о>АВ> - КПД дизеля, равное 0,36
о>ген> - КПД генератора, равное 0,96
С учетом затрат на обслуживание, стоимость 1 кВт-ч электроэнергии, произведенного на дизель-генераторах (ДГ) принимаем 0,5 грн., тогда годовая стоимость всей произведенной на ДГ электроэнергии составит:
Ц>ДГ> = W>aз> ∙ Ц>кВт-ч> = 127,7 ∙ 106 ∙ 0,5 = 638,5 ∙ 105 грн.
В случае потребления этой электроэнергии ХКП «Горэлектротранс» от Государственной энергетической компании по цене за 1 кВт-ч 0,7405 грн., ее бы стоимость составила:
Ц>общ> = W>roд> ∙ Ц>кВт-ч> = 127,7 ∙ 106 ∙ 0,7405 грн. = 638,5 ∙ 105 грн.
Экономия средств составит:
Э>эл> = (945,5 - 638,5) ∙ 105 = 307 ∙ 105 грн.
Годовое потребление тепла в ХКП «Горэлектротранс» составляет 99244,8 Гкал, при цене за 1 Гкал отпускаемого ГЭК и равной 8,296 ∙ 105 грн.
стоимость тепла за год составляла бы 99244,8 ∙ 8,296 ∙ 105 = 829,6 ∙ 105 грн.
Так как это тепло производится попутно с электроэнергией дизель-генераторами, то это и будет экономией.
Для производства этого тепла потребовалось бы:
(99244,8 ∙ 106 ккал) / (8000 ккал/м3 ∙ 0,8) = 15,5 ∙ 106 м3 природного газа в год.
Общая экономия по электроэнергии и тепла составит:
Э = Э>ЭЛ> + Э>теп> = 307 ∙ 106 грн. + 832,3 ∙ 105 грн. = 1130,3 ∙ 105 грн.
Стоимость 24 дизель-генераторов составит (при цене 2,6 млн. грн., за 1 ДГ):
Ц>ДГТ> = 24 ∙ 26 = 6,24 млн. грн.
С учетом установки, монтажа по данным дизельного производства, стоимость будет порядка 8,7 млн. грн.
С учетом затрат на НИОКР это будет:
Ц>ДГ> = Ц>ДГТ> + Ц>ниокр> = (870 + 964,0948) ∙ 105 грн.
Срок окупаемости составит:
Т = Ц>ДГ>/ Э = 964,0948 / 1130,3 = 0,853 года.
Данные срока окупаемости свидетельствуют о технической целесообразности и высокой экономической эффективности автономной системы децентрализованного энергоснабжения городского электрического транспорта.
При определении срока окупаемости были учтены затраты на электроэнергию и тепло.
С учетом всех составляющих затрат, а также надежности, экономии материалов, срок окупаемости будет меньше, а экономия выше.
Необходимое финансирование с учетом начислений для внесения в тематическую карту по годам составит:
1999 год - 144,8 тыс. грн.
2000 год - 325,3 тыс. грн. 2000 год - 470,8 тыс. грн.
ИТОГО: 940,9 тыс. грн.
Расчет на использование децентрализованных энергоустановок в ХКП «Горэлектротранс» в Салтовском трамвайном депо, троллейбусном депо № 2, 3.
1) Потребление электроэнергии (фактические данные за 1998 год):
1.1) Салтовское трамвайное депо:
- на тягу: 23,0939 млн. кВт-ч/год;
- на ПРН: 0,5396 млн. кВт-ч/год;
- суммарное: 23,6335 млн. кВт-ч/год.
1.2) Троллейбусное депо № 2:
- на тягу: 15,25794 млн. кВт-ч/год;
- на ПРН: 0,45799 млн. кВт-ч/год;
- суммарное: 15,71593 млн. кВт-ч/год.
1.3) Троллейбусное депо №3:
- на тягу: 14,9394 млн, кВт-ч/год;
- на ПРН: 0,44328 млн. кВт-ч/год;
- суммарное: 15,38268 млн. кВт-ч/год.
2) Потребление тепла на отопление и горячее водоснабжение.
Фактические данные за 1998 год:
2.1) Салтовское трамвайное депо: 16649 Гкал/год = 19,363 млн. кВт-ч/год;
2.2) Троллейбусное депо № 2: 2615 Гкал/год = 3,041245 млн. кВт-ч/год;
2.3) Троллейбусное депо № 3: 3134 Гкал/год = 3,644842 млн. кВт-ч/год.
3) Технические характеристики мотор-генератора 17-ГД-100 А.
3.1) Общая характеристика.
Дизель-генератор (мотор генератор) типа 17 ГД-100 А выпускает ГП «Завод им. Малышева» в комплекте с газовой аппаратурой. Это позволяет ему работать как газодизель, используя природный газ и другие газы: шахтный, биогаз и т. д. При работе в номинальном режиме часовой расход природного газа (типа Шебелинского) равен: 450 м3/ч.
Мощности: электрическая -1600 КВт; тепловая -1530 кВт. Среднее число часов работы в году - 6000.
3.2) Годовая выработка электрической и тепловой энергии одним мотор-генератором в течении 6000 часов (года):
3.2.1. Электрической энергии:
W>эл,год> = 160 6000 = 9,6 млн. кВт-ч/год;
3.2.2. тепловой энергии:
Q>Т,год> = 1530 6000 = 9,18 млн. кВт-ч/год.
4) Количество мотор-генераторов для установки на объектах:
4.1) Салтовское трамвайное депо-покрытие электрической нагрузки может быть обеспечено работой 3-х мотор-генераторов типа 17-ГДЮОА за 6000 часов: 28,8 млн. кВт-ч/год.
Резерв (остаток) выработанной электроэнергии:
W>peз,с> = 28,8 - 23,6335 = 5,1665 млн. кВт-ч/год;
выработка тепла 3-мя мотор-генераторами за 6000 часов работы;
27,54 млн. кВт-ч/год.
Резерв (остаток) по тепловой энергии:
Q>peз,с> = 27,54 - 19,363 = 8,177 млн. кВт-ч/год.
4.2) Троллейбусное депо № 2:
- покрытие электропотребления обеспечат 2 мотор-генератора, вырабатывающие за 6000 ч электроэнергии: 19,2 млн. кВт-ч/год. Резерв по выработке электроэнергии:
W>эл, рез, трл. 2> = 19,2 - 15,71593 = 3,48407 млн. кВт-ч/год;
выработка тепла 2-мя мотор-генераторами за 6000 часов работы: 18,36 млн. кВт-ч/год.
Резерв (остаток) по тепловой энергии:
Q>тепл, рез. трл.2> = 18,36 - 3,041245 = 15,318755 млн. кВт-ч/год.
4.3) Троллейбусное депо № 3.
- покрытие электропотребления обеспечат 2 мотор-генератора, вырабатывающие за 6000 ч электроэнергии: 19,2 млн. кВт-ч/год. Резерв по выработке электроэнергии:
W>эл, рез, трл. 3> = 19,2 - 15,38268 = 3,81732 млн. кВт-ч/год;
выработка тепла 2-мя мотор-генераторами за 6000 часов работы: 18,36 млн. кВт-ч/год.
Резерв (остаток) по тепловой энергии:
Q>тепл, рез, трл. 3> = 18,36 - 3,644842 = 14,715158 млн. кВт-ч/год.
5) Статьи расхода денежных средств по приобретению, монтажу и эксплуатации мотор-генераторов 17 ГД-100А.
5.1) Стоимость одного мотор-генератора (вместе с генератором завода «Электросила» Санкт-Петербург) с учетом затрат на КИП и автоматику и др.: С>м-г >= 700.000 грн.
5.2) Стоимость годового расхода природного газа:
5.2.1) Годовые затраты природного газа:
- Салтовское трамвайное депо: В>г,с> = 450 6000 3 = 8,1 млн. м3/год;
- троллейбусное депо № 2: В>трл. 2 >= 450 6000 2 = 5,4 млн. м3/год;
- троллейбусное депо № 3: В>трл. 3 >= 450 6000 2 = 5,4 млн. м3/год;
Примечание. Принимаем стоимость 1000 м3 природного газа равной 83 грн.
Стоимость природного газа по объектам:
- Салтовское трамвайное депо: С>пг, с >= 8,1 106 0,083 = 672300 /грн./год/;
- троллейбусное депо № 2: С>пг, трл. 2 >= 5,4х106 0,083 = 448200 /грн./год/;
- троллейбусное депо № 3: С>пг, трл. 3> = 5,4 105 0,083 = 448200 /грн./год/;
6) Суммарные капитальные затраты (эксплуатационные затраты не учитываются)
6.1) Салтовское трамвайное депо: З>c> = C>м-г >+ C>пг. с>;
З>с> = 3 700000 + 672300 = 2772000 /грн/год/.
6.2) Троллейбусное депо № 2: З>трл. 2> = 2 700000 + 448200 = 1848200 /грн/год/.
6.3) Троллейбусное депо № 3: З>трл. 3> = 2 700000 + 448200 = 1848200 /грн/год/.
7) Стоимость резервных (лишних) электроэнергии и тепла при продаже их ЖКХ города.
7.1) Салтовское трамвайное депо:
С>эл, рез, с> = 0,126 5,166 ∙ 106 = 650916 /грн/год/;
С>т, рез, с >= 83 7031 = 583573 /грн/год/;
7.2) Троллейбусное депо № 2:
С>эл, рез. трл. 2> = 0,126 3,48407 ∙ 106 = 438993 /грн/год/;
С>т, рез, трл. 2> = 83 (15318755 / 1163) = 1093256 /грн/год/;
7.3) Троллейбусное депо № 3:
С>эл, рез, трл. 3> = 0,126 3,81732 ∙ 106 = 438993 /грн/год/;
С>т, рез, трл. 3> = 83 (14715158 / 1163) = 1050179 /грн/год/;
8) Стоимость электрической и тепловой энергий для покрытия фактических годовых нагрузок:
8.1) Салтовское трамвайное депо:
С>эл. рез, с> = 0,126 23,6335 ∙ 106 = 2977802 /грн/год/;
С>т, рез, с> = 83 (19363000 / 1163) = 1381882 /грн/год/;
8.2) Троллейбусное депо № 2:
С>эл, рез, трл. 2> = 0,126 l5,71593 ∙ 106 = 1980207 /грн/год/;
C>т, рез, трл. 2> = 83 (301245 / 1163) = 217045 /грн/год/;
8.3) Троллейбусное депо № 3:
С>эл, рез. трл. 3> = 0,126 15,38268 ∙ 106 = 193818 /грн/год/;
С>т, рез, трл. 3> = 83 (3644842 / 1163) = 260122 /грн/год/;
9) Суммарные стоимости выработанных электроэнергии и тепла на объектах и сроки окупаемости капитальных затрат.
Салтовское трамвайное депо:
С>эл. с, см> = С>эл. рез, с> + С>эл, с> = 650916 + 2977802 = 3628718 /грн/год/;
С>т, с, см> = C>т, рез, с> + С>т, с> = 583573 + 1381882 = 1965455 /грн/год/.
Суммарная стоимость выработанных электроэнергии и тепла: С>эл. с., см> + С>т, с, см> = 3628718 + 1965455 = 5594173 /грн/год/. То же — за вычетом стоимости природного газа:
С>с> = 5594173 - 672300 = 4921873 /грн/год/.
Срок окупаемости капитальных затрат по Салтовскому трамвайному депо:
Т = З>с> / оC>с> = (27722000 / 49211873)х12 = 6,76 (месяцев).
9.2) Троллейбусное депо № 2:
С>эл. трл. 2> = С>эл. рез> + С>эл> = 438993 + 1980207 = 2419200 /грн/год/;
С>т. трл. 2> = С>т, рез> + C>т> = 1093256 + 217045 = 1310301 /грн/год/.
Суммарная стоимость годовой выработки электроэнергии и тепла:
С>трл. 2> = 2419200 + 1310301 = 3729501 /грн/год/.
То же - за вычетом годовой стоимости затраченного природного газа:
оС>трл. 2> = 3729501 - 448200 = 3281301 /грн/год/.
Срок окупаемости капитальных затрат троллейбусному депо №2:
Т>трл. 2> = З>трл. 2> / оС>трл. 2> = (1848200 / 3281301) 12 = 6,76 (месяцев).
9.2) Троллейбусное депо № 3:
С>эл. трл. 3> = С>эл. рез> + С>эл> = 480982 + 1938218 = 2419200 /грн/год/;
С>т, трл. 3> = С>т, рез> + С>т> = 2419200 + 1310301 = 3729501 /грн/год/.
Суммарная стоимость годовой выработки электроэнергии и тепла:
С>трл. 3> = 2419200 + 1310301 = 3729501 /грн/год/.
То же — за вычетом годовой стоимости затраченного природного газа:
оС>трл. 3> = 3729501 - 448200 = 3281301 /грн/год/.
Срок окупаемости капитальных затрат по троллейбусному депо № 3:
Т>трл. 3> = З>трл. 3> / оС>трл. 3 = >(1848200 / 3281301) 12 = 6,76 (месяцев).
10) Суммарная стоимость годовой выработки электроэнергии по Салтовскому трамвайному депо и троллейбусным депо № 2, 3:
С>см> = 4921803 + 3281301 = 11484475 /грн/год/.
Сроки окупаемости капитальных затрат для всех объектов равны 6,76 месяцев.
3.4. Устройство для измерения эксцентриситета ротора УИЭ-1
Устройство для измерения эксцентриситета ротора турбины, тягового двигателя предназначается для непрерывного дистанционного и бесконтактного измерения величины искривления вала в процессе его вращения. Данная технология может применяться при ТО ПС, как диагностическое оборудование, позволяющее значительно экономить материальные и трудовые ресурсы.
Технические данные
|
Предел измерения эксцентриситета, мкм |
0 - 400 |
|
Пределы измерения скорости вращения вала двигателя, об/мин |
3 - 4000 |
|
Наибольшая приведенная погрешность, %, не более |
10 |
|
Установочный зазор, мм |
2 |
|
Питание от сети переменного тока: |
|
|
Напряжение, В, с содержанием гармоник до 5% |
220 |
|
Частота, Гц |
50 |
|
Потребляемая мощность, ВА, не более |
50 |
|
Габаритные размеры: |
|
|
- преобразователя, мм |
L = 180, D = 36 |
|
- измерительного блока, мм |
460 200 160 |
|
Масса: |
|
|
- преобразователя, кг |
0,8 |
|
- измерительного блока, кг |
0,6 |
Структурная схема устройства для измерения эксцентриситета ротора, (рис. 3.5), включает в себя вихревой преобразователь - 1 и блок измерения 5.
Вихревой преобразователь содержит катушку индуктивности 2 контура автогенератора высокой частоты 3 генерирующего колебания с частотой f = 50 МГц.
Выход автогенератора 3 через линию связи 4 соединен с входом измерительного блока.
Блок измерения содержит усилитель преобразователь 6, состоящий из усилителя-ограничителя 7 и частотного детектора с линеаризатором 8. Это позволяет линеаризировать зависимость выходного напряжения от изменения зазора.
Выход усилителя преобразователя 6 соединен с входом пикового детектора 10 и коммутатора «К». Один выход коммутатора «К» соединен с входом пикового вольтметра 9, а второй с микроамперметром 11.
На выходе пиковых вольтметров сигнал, пропорциональный половине двойного размаха эксцентриситета, измеряется микроамперметром 11, самопишущим милливольтметром 12 типа КСП-4. Кроме того, с выхода пикового вольтметра 10 сигнал поступает на вход сигнализатора превышения заданного уровня величины эксцентриситета 13.
Работает устройство следующим образом.
При изменении величины зазора между катушкой L1, смотри принципиальную электрическую схему (чертеж на ватмане), и поверхностью металла ротора изменяется индуктивность контура генератора (VI, V2, V3, V4), в результате чего изменяется собственная частота колебаний генератора. Частотно-модульный сигнал (f = 10 МГц) по линии связи поступает на вход усилителя -ограничителя частотного детектора.
После усиления и ограничения (V5, V6, V7) исключаются все ранее внесенные амплитудные искажения в сигнал, несущий информацию о изменении зазора. Далее сигнал поступает на частотный детектор (V8, V10), где происходит детектирование модулированного по частоте высокочастотного напряжения.
Низкочастотный сигнал, пропорциональный изменению зазора, усиливается микросхемой А1 и поступает через коммутатор «К» на
пиковый вольтметр (А4, А6) для индикации на микроамперметре (РА) и, минуя коммутатор «К», через пиковый вольтметр (А5, А7) на выход на самопишущий милливольтметр.
Кроме того, сигнал с пикового вольтметра (А5, А7) поступает на сигнализатор превышения заданного уровня величины эксцентриситета (А2, V27), и (A3, V29).
Конструкция устройства
Вся электрическая схема собрана на печатной плате 1, которая фиксируется в корпусе с помощью перегородки2, втулки переходной 7, кольца 5 и стопорного кольца 6.
Датчик выполнен в металлическом корпусе.
Конструкция блока имеет блочно-модульный принцип построения и состоит из ряда унифицированных блоков и модулей, легко съемных и настраиваемых отдельно от прибора.
Платы блока измерения размещены на выдвижном каркасе 1 в общем корпусе с габаритами лицевой части 160 200 и длинной 460 мм.
На лицевой стороне блока расположены измерительный прибор, клавиши коммутации и сигнализации. На задней стенке размещены штепсельные разъемы для подключения внешней связи, тумблер, предохранители сети питания и клеммы для подключения самопишущих приборов, или разъема интерфейса персонального компьютера с соответствующим переходным блоком.
Конструктивно блок измерения состоит из двух основных частей:
а) корпуса с крышкой;
б) каркаса.
Корпус выполнен сварным из листовой стали. С лицевой стороны корпус имеет приведенную раму с двумя горизонтальными козырьками, к которым крепится крышка с застекленным окном и вмонтированным замком. При установке прибора в щите рама служит упором.
К наружным боковым поверхностям корпуса приварены планки с отверстиями для упорных угольников крепления прибора на щите.
Крышка уплотняется эластичной прокладкой и запирается замком.
Внутри корпуса на боковых стенках приварены штампованные неподвижные направляющие. В неподвижных направляющих помещены подвижные направляющие, по которым шасси выдвигается из корпуса.
На выдвижном каркасе расположены все платы и элементы прибора.
Каркас конструктивно выполнен из передней и задней панелей соединенных левой и правой рамами.
На рамах установлен силовой трансформатор и помещена кабельная часть разъемов печатных плат.
В рамах по направляющим устанавливается 5 печатных плат:
- плата преобразователя «П»;
- плата пиковых вольтметров «ПК»
- плата компаратора «ПК»;
- плата блоков питания «БП».
В передней части каркаса, со стороны передней панели, установлена плата коммутатора «К» с выводом клавишей коммутации на переднюю панель.
Порядок работы устройства приводится ниже
Блок измерения обеспечивает отсчет показаний по стрелочному индикатору в микрометрах, а так же запись уровня эксцентриситета на самопишущий милливольтметр, либо другую контрольную аппаратуру (возможно подключение компьютера).
После включения кнопки «Зазор», стрелка индикатора должна находится в середине (40-120 делений) шкалы. При необходимости установить рабочий зазор преобразователя, приближая или удаляя
датчик с помощью микрометрического винта приспособления на турбоагрегате или электродвигателе.
Далее следует включить кнопку «Х1мкм» и отсчитывать показания эксцентриситета в мкм по шкале стрелочного индикатора. В случае большого уровня эксцентриситета перейти на предел «Х2мкм» и показания прибора удваивать.

Рис. 3.5. Структурная схема устройства
3.5. Применение новых технологий по защите техники от коррозии старения и биоповреждений
Эффективность использования подвижного состава, оборудования на предприятиях горэлектротранспорта в большой мере обусловлена степенью их защищенности от коррозии, старения и биологических повреждений [15].
Наибольший ущерб наносит коррозия. Так, при хранении техники на открытых площадках скорость коррозии незащищенных деталей из малоуглеродистых сталей достигает 200 г/м2 и более в год, в закрытых помещениях - до 100 г/м2 в год.
В последнее время все больше внимания уделяется защите техники от повреждающей деятельности живых организмов.
Мишенью биоповреждающего действия микроорганизмов (грибов и бактерий) являются металл, краски, пластмассы, резина, ткань, кожа, электрооборудование, нефтепродукты, древесина и изделия из нее. Считают, что нет такого природного или искусственного материала, который бы рано или поздно не повреждали микроорганизмы.
Аналогичная тенденция наблюдается и в отношении использования конструкционных пластмасс. Правда, обладая большими достоинствами (малая масса, прочность, низкие стоимость и трудоемкость изготовления и т. д.), неметаллические материалы имеют характерный недостаток - склонность к старению. Пластмассовые детали теряют свой первоначальный цвет, деформируются, растрескиваются.
Стойкость полимерных материалов к старению обеспечивается, главным образом, при их создании путем введения специальных добавок - стабилизаторов.
Таким образом, наличие в конструкциях современных машин и механизмов различных материалов при многофакторном воздействии на них окружающей среды предопределяет необходимость защиты их не только от коррозии, но и от старения и биологических повреждений.
Коррозия, старение и биологические повреждения полимерных и неметаллических материалов - главные факторы, определяющие долговечность изделий. Чем сложнее изделие, тем больше содержится в нем деталей и агрегатов, выполненных из различных материалов, и тем труднее обеспечить его защиту. Причины возникновения и особенности процессов коррозии, старения и биоповреждений различны, следовательно, средства и способы подавления этих процессов не могут быть едиными. В определенных условиях получают даже обратный эффект: то, что способствует замедлению коррозионных процессов металлов (относительная влажность ниже 30%) вызывает ускорение деструкции полимерных материалов. Вместе с тем важно найти оптимальные сочетания средств и способов, обеспечивающих комплексную защиту от двух и даже трех перечисленных факторов. К средствам и способам комплексной защиты относятся:
- использование при изготовлении технических изделий конструкционных материалов, стойких к коррозии, старению и биоповреждениям;
- хранение технических изделий в замкнутых объемах с регулированием состава окружающей среды (например, наполнение азотом) или показателей относительной влажности и температуры среды; применение катодной защиты;
- применение средств консервации многоцелевого назначения (ингибиторы-фунгициды, биостойкие консервационные масла и смазки и другие нефтепродукты, биостойкие и противокоррозионные покрытия и т. п.);
- применение специальных защитных составов и покрытий для различных условий эксплуатации (кремнийорганические гидрофобизирующие жидкости, полимерные и лакокрасочные покрытия, модифицированные биоцидами или ингибиторами-биоцидами;
- металлические и консервационные покрытия, получаемые из растворов (электролитов),
Из полимерных легкосъемных и нефтяных пленочных покрытий, способных защищать металл от коррозии и некоторые полимерные материалы от старения, рекомендуется использовать НГ-224 и ХП-1
Для одновременного снижения коррозионных потерь и предотвращения микробиологических повреждений и процессов старения эффективна гидрофобизация поверхностей. Применяют гидрофобизирующие 3...5%-ные растворы метилейликоната натрия, этилсиликоната натрия или алюмометилсиликоната натрия с 5... 10-дневной выдержкой при 15...30°С.
Лучшие результаты в этом случае получают при обработке поверхностей с хорошо развитой пористостью, например фосфатные, оксидные и хромовые покрытия.
Лакокрасочные покрытия обладают повышенной биостойкостью, их модифицируют путем введения в верхний слой биоцида.
Для одновременной защиты металлов от коррозии и полимерных материалов от старения рекомендуется применять воднотатексные составы.
Виды коррозии и методы защиты.
Химическая коррозия - процесс взаимодействия металла со средой, не проводящей электрического тока.
Электрохимическая коррозия - процесс взаимодействия металлов с электролитами (водой или водными растворами кислот, щелочей и солей, а также с неводными электролитами).
Атмосферная коррозия - коррозия металлов в атмосфере воздуха, а также любого влажного газа,
Газовая коррозия металла происходит в газах при высоких температурах. Этот вид коррозии металлов возникает при работе различных металлических деталей и аппаратов (двигателей внутреннего
сгорания, элементов электронагревателей, газогенераторов, а также при термической обработке металла).
Жидкостная коррозия металла происходит в жидкой среде: в неэлектролите (органические растворители, жидкое топливо) и в электролите (кислотная, щелочная, солевая, морская, речная коррозия, коррозия в расплавленных солях и щелочах).
Коррозия металла в неэлектролитах, например в органических жидкостях, не обладающих электропроводностью, представляет собой разновидность химической коррозии.
Подземная коррозия - это коррозия металлов в почвах и грунтах.
Биокоррозия - особый вид коррозии, обусловленный жизнедеятельностью микроорганизмов.
Контактная коррозия - электрохимическая, вызываемая контактом металлов, имеющих разные стационарные потенциалы в данном электролите.
Коррозия может возникать и при контакте металла с неметаллом. В этом случае она связана с выделением из неметалла коррозийно-активных компонентов (например, при деструкции полимеров) или аккумулированием неметаллическим материалом агрессивной среды.
Щелевая коррозия образуется в щелях и зазорах между двумя металлами, а также в местах неплотного контакта металла с неметаллическим коррозийно-инертным материалом. Щелевая коррозия возникает и при погружении металла в электролит, и в атмосферных условиях. Наиболее чувствительны к щелевой коррозии пассивирующиеся металлы (нержавеющие стали и алюминиевые сплавы).
Коррозия под напряжением образуется при одновременном воздействии коррозионной среды на металл и механических напряжений.
Коррозионная эрозия подразделяется: на коррозию при трении - коррозийно-механическое разрушение трущихся в агрессивной среде
деталей (подшипники, опоры валов и т. д.), фреттинг-коррозию - коррозийно-механическое разрушение, вызываемое одновременным воздействием коррозионной среды и трения при незначительных взаимных перемещениях сопрягающихся материалов (втулки с прессовой посадкой, болтовые крепления и др.), коррозийно-абразивный износ (разрушение металлической поверхности при одновременном воздействии агрессивной среды и движущихся в ней абразивных частиц).
Очень коварна межкристаллитная коррозия, характерная для некоторых видов чугуна и нержавеющей стали. Она не дает внешних признаков коррозионного разрушения, хотя металл теряет допустимую прочность.
Методы противокоррозионной защиты.
При выборе методов противокоррозионной защиты учитывают не только особенности самого металла, но и условия его эксплуатации [15]. Используемые методы защиты от коррозии действуют главным образом в трех направлениях: на металл, среду и защищаемую конструкцию. Наиболее широко применяются такие методы воздействия на металл, как коррозийно-стойкое легирование, термообработка, изоляция металла различными покрытиями (лакокрасочными, полимерными, металлическими, неметаллическими неорганическими, консистентными, жидкими смазками), использование ингибиторов коррозии, а также электрохимической защиты. Воздействием на среду стремятся снизить ее коррозионную агрессивность. Это достигается применением так называемых инертных или защитных атмосфер; осушением воздуха в замкнутых объемах, где находятся защищаемые изделия; ингибированием или обескислороживанием окружающей среды.
Разнообразие методов противокоррозионной защиты предопределяет широкий перечень применяемых противокоррозионных средств.
Защитные покрытия условно подразделяют на покрытия по назначению (защитные, декоративные, специальные), по природе (неорганические, органические, комбинированные), по методу нанесения (физические, химические, электромеханические), по времени эксплуатации (временные, постоянные, периодически возобновляемые).
К неорганическим покрытиям относят металлические (цинковые, кадмиевые, хромовые, никелевые, медные) и неметаллические (конверсионные стеклоэмалевые, стеклянные покрытия на основе вяжущих материалов).
Комбинированные покрытия представляют собой покрывные пленки (металлические и неметаллические), включающие один и более слоев, компонентов или фаз.
Перспективными комбинированными покрытиями для противокоррозионной защиты конструкций, деталей, запчастей назначения являются металлизационно-лакокрасочиые покрытия.
Цинковое покрытие, полученное путем погружения изделия в ванну с расплавленным металлом, состоит из ряда слоев, представляющих сплав цинка с основным металлом.
Алюминиевое покрытие, полученное металлизацией, хорошо защищает сталь от коррозии в промышленной атмосфере и в атмосфере, содержащей сернистые газы, а также в мягкой и горячей пресной воде, Защитные свойства повышаются при пропитке покрытий растворами полимерных смол и при комбинировании с лакокрасочными покрытиями.
Алюминиевое покрытие защищает от коррозии ответственные стальные конструкции и сооружения, эксплуатирующиеся в атмосферных условиях, в воде, а также в агрессивных парах и газах.
Фосфатное покрытие способно повышать адгезию лакокрасочных покрытий к металлу. Обладает высокой стойкостью к воздействию горячих масел и различных газов.
Хромовое (гальваническое) покрытие имеет высокую твердость, износостойкость и стойкость при нагреве.
Медное (гальваническое) - легкополируемое пластическое покрытие. Широко применяется в многослойных защитно-декоративных покрытиях.
Лакокрасочные материалы предназначены для создания защитных и декоративных покрытий на металлических, деревянных, бетонных и других поверхностях. К основным относят лаки, эмали, краски, грунтовки, шпатлевки к вспомогательным - растворители, смывки, шлифовочные и полировочные пасты, отвердители, мастики, герметики и другие составы для подготовки поверхности к окрашиванию.
Пластификаторы - органические вещества, вводимые в пленкообразующую основу для повышения эластичности пленок. Пластификаторы (хлоридный парафин, касторовое, льняное и другие масла) должны быть совместимы с пленкообразующими веществами, стойкими к действию солнечных лучей, кислот, щелочей, растворов солей, речной и морской воды, Не иметь запаха, не быть горючими.
Мастики - высоковязкие пастообразные составы, представляющие смесь нефтяных битумов или каменноугольных песков с тонкоизмельченными минеральными или органическими наполнителями.
Герметики. В автомобилестроении герметики используют: для уплотнения ветровых оконных стекол и бензобаков;
Ингибиторы коррозии - эффективное средство противокоррозионной защиты техники в различных условиях ее изготовления, эксплуатации и хранения.
Контактные ингибиторы - это химические соединения обеспечивающие защиту от коррозии только при нанесении их на металлическую поверхность.
Промышленность выпускает противокоррозионные бумаги нескольких марок в зависимости от вида, содержания ингибитора и массы бумаги-основы. Их применение особенно целесообразно для временной защиты запасных частей в отапливаемых и неотапливаемых складских помещениях.
Перспективным способом консервации техники является использование консервационно-упаковочною средства - ингибированных полимерных пленок (ИПП) и радиационно-модифицированных термоусаживающихся материалов.
Консервационные смазки ценны тем, что их можно наносить на любые поверхности без предварительной, подготовки последних (очистки, грунтовки и т. д.),
Ингибированные пленочные покрытия - особый класс консервационных материалов с широкой номенклатурой составов, основой которых обычно являются нефтепродукты.
В практике противокоррозионной защиты техники все большее признание получают модификаторы ржавчины. Их использование позволяет в ряде случаев упростить технологию окрашивания, снизить трудоемкость, улучшить условия труда, предотвратить загрязнение окружающей среды, повысить долговечность лакокрасочных покрытий, уменьшить расход ЛКМ.
Модификаторы ржавчины - это соединения, принцип действия которых состоит в преобразовании продуктов коррозии в защитный слой химически стойких, нерастворимых а воде соединений, обладающих высокой прочностью сцепления с поверхностью металла.
Микрокристаллические воски, представляющие собой смесь твердых углеводородов, парафинов, церезинов, изопарафинов и нафтенов, обладают хорошей водоотталкивающей способностью, малой газо- и паропроницаемостью, низкой стоимостью.
Эффективный метод защиты изделий от коррозии - комбинированные металлизационно-лакокрасочные покрытия, которые обеспечивают продолжительные сроки службы (десятки лет) техники в различных климатических зонах в условиях воздействия агрессивных сред.
Фосфатирование - это химический процесс образования на поверхности металла пленки нерастворимых в воде фосфатов, которая увеличивает срок службы лакокрасочных покрытий, улучшает сцепление с металлом и замедляет развитие коррозии в местах нарушения лакокрасочной пленки.
Пассивирование. Обработка деталей в пассивизирующем растворе приводит к образованию слоя, препятствующего развитию коррозии и способствующего продлению срока службы лакокрасочного покрытия.
Старение полимерных материалов.
К факторам, способным вызывать старение полимерных материалов, относят тепловое, световое и ионизирующее излучения, физически и химически активные среды, живые организмы и продукты их жизнедеятельности, различные механические нагрузки, наличие в самом материале слабых связей в макромолекулах, трещин, внутренних напряжений и пр.
В связи с этим старение подразделяют на термическое, световое, химическое (окислительное, озонное), радиационное, биологическое, электрическое, ультразвуковое, абляционное и старение при механических воздействиях.
Термическое старение - старение полимерного материала при воздействии температуры.
Световое старение - старение полимерных материалов и изделий под действием света (в климатических условиях световое старение - доминирующий процесс).
Химическое старение - старение полимерных материалов и изделий при воздействии химически агрессивных сред.
Окислительное старение - старение полимерных материалов и изделий при воздействии кислорода.
Озонное старение - старение полимерных материалов и изделий под воздействием озона, одно из разновидностей химического старения.
Биологическое старение-старение полимерных материалов и изделий под действием живых организмов и продуктов их жизнедеятельности. Наибольшее влияние на процессы старения оказывают микроорганизмы - микрогрибы и бактерии.
Биоповреждения и старение полимеров - взаимосвязанные процессы. Не только биоповреждения ускоряют процессы старения, но и по мере старения у полимеров снижается стойкость к воздействию биофакторов.
Старение при механических воздействиях - это старение полимерных материалов и изделий, вызываемое действием статических и динамических нагрузок.
К значительному разрушению резин вследствие старения приводят многократные деформации (утомление), когда развиваются не окислительные, а инициированные термические процессы.
Абляционное старение - разрушение полимерного материала, сопровождающееся уносом его массы при воздействии горячего газового потока, жидкости или твердых частиц.
Защита от старения.
К методам защиты полимеров от старения относят: введение наполнителей (наполнение); введение пластификаторов (пластификация); введение пигментов и красителей; введение стабилизаторов (светостабилизаторов, антиоксидантов, антиозонантов, противоутомителей, антирадов и применение защитных пленок и пропиток; прочие методы (применение специальных конструкций изделий, изменение режимов эксплуатации и т.д.).
Пластификация оказывает положительное воздействие на механические повреждения. Пластификаторы увеличивают взаимоподвижность и эластичность полимерных цепочек, тормозят процессы воздействия внешней среды.
Пигменты и красители - составная часть полимерных материалов, активно участвующая в химических процессах предупреждения старения. Например, поглощая активную часть спектра, они способствуют снижению светочувствительности резин, поливинлхлоридных композиций и ряда других материалов.
Применение защитных пленок и пропиток - широко распространенный метод защиты полимерных материалов и изделий из них при эксплуатации и хранении. Пленки и пропитки создают дополнительное поверхностное экранирование материалов от воздействия света или доступа кислорода воздуха, в результате чего замедляются окислительные процессы.
Биоповреждения.
Под биоповреждением понимают повреждение объектов, вызываемое живыми организмами или биофалторами (биоагентами).
До последнего времени этой проблеме уделялось недостаточно внимания. Однако всевозрастающий материальный ущерб от деятельности различных видов живых организмов заставил расширить масштабы научно-теоретических исследований и прикладных работ по изысканию эффективных средств и методов защиты от биоповреждений различных промышленных материалов, технических изделий, строительных сооружений, конструкций и других объектов народного хозяйства.
Живые организмы разрушают материалы и изделия, ухудшают их технологические характеристики и свойства, затрудняют работу.
Решение проблемы защиты от биоповреждений позволяет повысить ресурсы эксплуатируемой техники и сооружений, сэкономить сырьевые материалы и более рационально их использовать.
Биоагенты - деструкторы материалов.
К биоагентам относятся бактерии, актиномицеты, грибы, а также насекомые, грызуны и др.
Известно несколько групп бактерий, являющихся причиной биоповреждений многих материалов: сульфатредуцирующие, сероокисляющие, аммонифицирующие, нитрофицирующие и др.
Грибы - обширное сообщество растительных организмов, составляющих более 100 тыс. видов. Среди грибов, вызывающих биоповреждения различных материалов, изделий и сооружений, описано около трехсот видов.
Насекомые - разрушители древесины. Известно большое разнообразие видов насекомых, способных разрушать древесину. Некоторые из них (короеды, златки, усачи, сверлила-рогохвосты) поселяются преимущественно на свежезаготовленной неокоренной древесине, другие (точильщики, домовые усачи, древогрызы, ложнокороеды, слоники-трухляки, термиты, морские древоточцы) способны поражать заготовленную древесину без коры или готовые деревянные конструкции.
Биостойкость материалов.
Биостойкость лакокрасочных материалов, пластмасс, резины, текстильных изделий, древесины, бумаги и нефтепродуктов имеет свои особенности.
Грибостойкость лакокрасочных материалов зависит от многих факторов: химического состава рецептур, наличия внешних загрязнений в процессе их приготовления, качества упаковки окрашенных изделий, климатических условий, наличия контакта с деталями, пораженными микроорганизмами, степени старения покрытия, состава окружающей среды.
В одном и том же классе лакокрасочных материалов, содержащих различные отвердители, обнаруживается разница в грибоустойчивости покрытий. Например, более устойчивы покрытия на основе эпоксидных смол с эпокситиоколуретаном, полиэтиленполиамином, гексаметилендиамином и полиамидом в качестве отвердителя; менее грибоустойчивы - эпоксидные с отвердителями полиизоцианатами.
Помимо химического состава, большое значение имеют и физические свойства пленки, такие, как твердость, гигроскопичность. Так, масляные краски и краски, приготовленные на основе фенольных смол, особенно быстро впитывают влагу и поэтому плесневеют.
Контакт пластмасс с микроорганизмами, особенно с плесенью, приводит через некоторое время к появлению на них неисчезаемых пятен, к потере прозрачности и ухудшению физико-механических свойств, электрических и оптических характеристик.
Резины подобно пластмассам представляют собой смеси различных компонентов на основе высокомолекулярных соединений. Многокомпонентность резин, достигающая иногда 15...20 ингредиентов, предопределяет ее недостаточную устойчивость к воздействию микроорганизмов. В результате такого воздействия резинотехнические изделия (РТИ) растрескиваются, понижают электросопротивление, теряют герметизирующую способность. При этом снижаются оптические и противокоррозионные свойства контактирующих с резиной материалов и, наконец, ухудшается внешний вид изделий из-за появления слизистых цветных (черных, красных, белых) пятен.
На поверхности материалов совместно с грибами можно обнаружить и другие группы микроорганизмов: бактерии (кокки, неспороносные бактерии, бациллы), дрожжи, актиномицеты.
По самой своей природе большинство текстильных изделий являются питательной средой для разных видов микроорганизмов, поэтому без специальных мер защиты они даже в сравнительно хороших условиях эксплуатации на открытом воздухе (при транспортировке или хранении на складе) быстро подвергаются плесневению и другим видам микробиологических повреждений. По силе разрушительного воздействия на текстиль первое место занимают плесневые грибы, затем бактерии и актиномицеты.
Наиболее уязвима к действию микроорганизмов, особенно грибов, древесина. Известно более 100 видов грибов-разрушителей древесины, которых классифицируют по следующим группам: плесневые, деревоокрашивающие, дереворазрушающие (домовые, почвенные, атмосферные, аэроводные).
Книги, документация, упаковочная бумага и т. п. могут быстро приходить в негодность при воздействии микроорганизмов и особенно грибов. Бумага грибами заражается во время транспортирования, хранения, переработки в помещениях. Споры грибов переносятся воздушными течениями, поступают с другими материалами, заносятся людьми. Прорастая, споры грибов разрушают волокна бумаги, вызывают появление пятен.
Низкая стойкость нефтепродуктов (топлив, смазочных масел, пластичных смазок) обусловлена их углеводородным составом. Активному развитию микрофлоры (бактерий и микроскопических грибов) в нефтепродуктах способствует даже незначительное наличие воды, а также различных примесей и загрязнений, содержащих азот, серу или фосфор, которые наряду с углеводородами микроорганизмы используют в качестве питательной среды.
Особенно нестойки к микроорганизмам дизельные топлива. В топливе, не содержащем воды, микроорганизмы не развиваются, но могут оставаться жизнеспособными в течение продолжительного времени.
Воздействию микроорганизмов подвержены как смазочные, так и консервационные масла.
Микроорганизмы изменяют многие свойства масел, увеличивают их вязкость, плотность, кислотное число, температуру вспышки, коэффициент рефракции, содержание водорастворимых кислот, число омыления и йодное число, тангенс угла диэлектрических потерь, а также понижают температуру застывания и стабильность против окисления,
Микробное поражение масел чаще наблюдается, когда масла не подвергают воздействию высоких рабочих температур и не фильтруют.
Защита от микроорганизмов.
Защита от микробиологических повреждений имеет ряд специфических особенностей.
Для биоагентов (живых организмов) характерна динамическая способность реагировать на окружающую среду. В результате непрерывной эволюции, измеряемой непродолжительными периодами времени, изменяется видовой состав микроорганизмов, а следовательно, и характер воздействия их на материал.
К мероприятиям относят проветривание, осушение воздуха окружающей среды, поддержание чистоты а помещениях, гидрофобизирование поверхностей, применение биоцидных препаратов (дезинфицирующих растворов ингибиторов-фунгицидов и пр.), катодную защиту и др.
Большинство из этих мероприятий, наряду с обеспечением защиты от коррозии металлов, предохраняют от микробиологических повреждений полимерные и другие неметаллические материалы.
Самый доступный профилактический способ защиты изделий в помещениях — проветривание.
Гидрофобизирование - это заполнение пор защитных покрытий специальными составами, обладающими водоотталкивающими свойствами.
Гидрофобизирование эффективно как для металлических (хромовых и др.), так и неметаллических неорганических (фосфатных, оксидных и др.) покрытий.
Для изделий из меди и медных сплавов сочетание предварительной обработки поверхностей в патинирующих растворах с последующей пропиткой гидрофобизирующими составами обеспечивает защитную способность покрытий в течение многих лет.
Дезинфицирующие составы рекомендуется применять с учетом их бактерицидного и коррозионного действия.
Угнетающее воздействие катодной поляризации на микроорганизмы используют как активное средство защиты подземных и подводных сооружений. Катодная поляризация осуществляется от внешнего источника тока.
Другой метод катодной защиты основан на создании за счет источника тока ЭДС между защищаемой конструкцией и анодом. Катодная поляризация защищаемого объекта обеспечивает эффективную защиту от почвенной коррозии, одной из причин которой является деятельность микроорганизмов, и в частности сульфатвосстанавливающих бактерий.
Усилить устойчивость лакокрасочных покрытий к микробиологическим повреждениям можно различными способами: улучшением физико-механических свойств, введением в состав покрытия компонентов, стойких к воздействию микроорганизмов, или специальных биоцидов, а также систематической очисткой покрытий от микробиологических обрастаний специальными составами.
При эксплуатации и хранении пластмассовые детали можно обрабатывать гидрофобизирующими составами или наносить на них грибоустойчивые защитные покрытия - модифицированные составы ХП-1, ЗВВД-13 или соответствующие лакокрасочные покрытия.
Для защиты поливинилхлоридных пластикатов, широко применяемых для электроизоляции проводов, рекомендуется использовать покрытие на основе эмали ХВ-114 или лака ЭЦ-959.
При хранении целлюлозных материалов относительная влажность воздуха должна быть не выше 75%, влажность материала - не ниже 7, а шерсти - не выше 40%.
Для защиты брезента, парусины, палаток, канатных изделий и пр., подвергающихся действию влаги, их пропитывают продуктами, содержащими фунгициды.
Наиболее эффективный способ предохранения древесины и изделий из нее - обработка химическими веществами (антисептиками, относящимися практически ко всем классам химических соединений).
Антисептики подразделяют по растворимости (в воде, в легких органических растворителях, в маслах и тяжелых нефтепродуктах и маслах), по вымываемости (легко- и трудновымываемые, вымываемые и невымываемые).
Каменноугольные пропиточные масла - наиболее доступные и достаточно эффективные антисептики. Обладая высокой токсичностью против дереворазрушающих грибов, насекомых и морских древоточцев, они не улетучиваются и не вымываются водой. Используют их в чистом виде или с разбавителями - сольвентнафтом, зеленым маслом и пр.
Основным условием, препятствующим развитию грибов на бумаге, является поддержание в помещениях соответствующего микроклимата: температура воздуха 16...20°С, относительная влажность 45...60%.
Грибоустойчивость бумаги повышают введением проклеивающих и связывающих веществ, в частности поливинилового спирта, карбоксиметилцеллюлозы, метилцеллюлозы, окси-этилцеллюлозы и др.
Защиту нефтепродуктов от микробиологических повреждений осуществляют несколькими методами: физическими, механическими и химическими. К физическим методам относятся:
- уничтожение микроорганизмов в топливе электромагнитным излучением;
- стерилизация нефтепродуктов ультрафиолетовым излучением.
Механический способ защиты состоит в пропускании топлива через фильтр тонкой очистки с диаметром отверстий 5 мкм и фильтры с отверстиями диаметром 8...12, 12...16 и 16...20 мкм. Этот способ достаточно надежен и дешев.
Однако наиболее эффективен химический метод, предусматривающий введение в нефтепродукты антимикробных присадок.
Положительный эффект дают и профилактические мероприятия: регулярная мойка и стерилизация топливных и масляных систем; предотвращение застаивания масел и эмульсий в емкостях и трубопроводах.
Защита техники от насекомых.
Наиболее эффективный метод защиты техники от насекомых - химический. С этой целью местность, где обитают, например, термиты, обрабатывают сильнодействующими средствами-токсинами для насекомых. Если по каким-либо причинам это сделать невозможно, обрабатывают непосредственно изделия или материалы. Так, чтобы придать термитоустойчивость бумаге, ее пропитывают 8...10%-ной эмульсией, состоящей из комплекса нафтенатов, изделия из резин опрыскивают специальными веществами - инсектицидами и репеллентами. В качестве репеллентов используют нафталин, камфару, хлорированный нафталин, пентахлорфенол, нафтенаты меди, цинка, свинца, бензолгексахлорид и др. Кабельные резиновые изоляции рекомендуется пропитывать древесным и каменноугольным креозотом, 4%-ным водным раствором пентахлорфенолята натрия, покрывать масляной краской с добавкой хлордана (в количестве 4%). Деревянные изделия обрабатывают антисептиками, обладающими комплексным воздействием (то есть токсичными как для грибов, так и для насекомых): пентахлорфенолятом натрия и нитритом дициклогексиламина по норме соответственно не менее 4% к массе абсолютно сухого волокна и 20 г/м3.
Уязвимые детали сложных систем (техники) герметизируют, заливают различными смолами, ограждают частыми металлическими сетками. При выполнении разборочно-сборочных работ детали съемного оборудования размещают на бетонных или металлических площадках.
Наряду с термитами деревянным конструкциям могут наносить вред точильщики и другие домовые жуки. Они способны разрушать стены, потолки, полы, перегородки, стропила, переплеты, двери, мебель и другие изделия из дерева. Первые видимые признаки разрушающей деятельности насекомых - появление в дереве отверстий и «буровой муки» под ними. Борьбу с жуками-древоточцами необходимо начинать с момента заготовки древесины. Свежесрубленную древесину полностью окоряют и укладывают на окрашенные подкладки в штабеля. С наступлением весны место хранения бревен дезинфицируют 10%-ным раствором железного купороса. Неокоренную древесину обычно обрабатывают 2... 3%-ной минерально-масляной эмульсией 16%-ного гамма-изомера гексахлорана (ГХЦГ) или 1%-ным раствором технического ГХЦГ в дизельном топливе.
Хорошие результаты в борьбе с жуками-разрушителями дают антисептики, используемые для предохранения древесины от загнивания. Антисептики лучше применять весной, когда личинки переходят к поверхности древесины и подготавливают выходные отверстия для жуков. Антисептик проникает сквозь тонкий слой древесины и убивает личинку.
Кроме антисептиков, промышленностью выпускается ряд готовых составов, например, дезинсекталь, специально предназначенных для борьбы с дереворазрушающими насекомыми. Некоторые из составов можно приготовить из отдельных компонентов непосредственно в хозяйствах.
Способы истребления грызунов подразделяют на механические, химические и биологические.
Сущность механического способа состоит в вылавливании грызунов механическими приспособлениями, химического (наиболее распространен и эффективен) - в использовании различных ядовитых веществ (родентицидов). Известно множество химических ядов, применяемых для приготовления пищевых и не пищевых приманок: барий углекислый, фосфид цинка, глифтор, сернокислый таллий, мышьяковисто-кислый натрий или кальций, фторацетат бария или натрия, монофторин, крысид, тиосемикарбазид, фарфарин, зоокумарин, ратиндан, фентолацин, пивалилиндандион и др.
К химическим средствам, отпугивающим грызунов, относят ЦИМАТ (цинковая соль диметилдитиокарбаминовой кислоты), альбихтол, сланцевое масло
Применение различных методов воздействия на ПС ГЭТ на детали, агрегаты и защиты их от коррозии, старения и биоповреждения повышает ресурс эксплуатируемой техники, улучшает эксплуатационные характеристики, позволяет экономить материальный ресурс.
4. РЕСУРСОСБЕРЕГАЮЩИЕ РЕЖИМЫ РАБОТЫ ОБОРУДОВАНИЯ И ПОДВИЖНОГО СОСТАВА НА ГОРОДСКОМ ЭЛЕКТРИЧЕСКОМ ТРАНСПОРТЕ
4.1. Планирование, использование и учет электроэнергии
Действующая в настоящее время инструкция по нормированию затрат электроэнергии на электротранспорте предусматривает как основной показатель нормы затрат на движение в Ватт-часах на один машино-километр пробега. Норма затрат для конкретного хозяйства определяется по формуле:

|
где |
а>0> — норма затрат для данного типа подвижного состава на горизонтальном участке при средних условиях движения; |
|
r>i> — коэффициент, учитывающий наличие уклонов; |
|
|
r>v> — коэффициент, учитывающий эксплуатационную скорость; |
|
|
r>M> — коэффициент, учитывающий климатические условия |
|
|
a>ВП> — удельные затраты на собственные потребности; |
|
|
а>ОП> — удельные затраты на отопление; |
|
|
а>ОС> — удельные затраты на освещение; |
|
|
r>e> — коэффициент потерь в системе электроснабжения. |
Плановая потребность в электроэнергии определяется умножением нормы затрат на транспортную работу (плановый пробег) отдельно для трамвая и троллейбуса. Далее, согласно с действующим тарифом, определяют нужные средства.
Следует отметить, что в действующей системе планирования затрат энергии нельзя оценить объемы составных затрат энергии, так как за коэффициентами не видно количественных показателей затрат. Это не дает возможности проанализировать эффективность использования энергии и предусматривать мероприятия по экономии с плановым эффектом. Более того, вызывает доверие принцип, согласно которому в основу закладывается административно определенный норматив, общий для всех предприятий Украины. Поскольку затраты энергии в городах давно стабилизировались, было бы лучше определить удельную затрату по факту как начальную точку с дальнейшим анализом составных. Относительно единицы измерения удельной затраты в Ватт-часах на машино-километр пробега имеются возражения, так как эта единица измерения не стимулирует к уменьшению веса тары. Наоборот, чем тяжелее подвижный состав, тем меньше удельная норма, которая может давать погрешность в эффективности использования энергии.
Общие характеристики расхода электроэнергии [4].
Задача анализа составных затрат электрической энергии достаточно сложная, учитывая случайный характер движения подвижного состава, случайность внешних температур, непредвиденных изменений выпуска и тому подобное. Поэтому анализ должен базироваться на интегральных показателях, то есть на тех показателях, которые отвечают общим, усредненным зависимостям и тенденциям и на что случайные колебания составных не имеют большого влияния. Такими составными, являются: действительный пробег трамваев и троллейбусов по маршрутам; температура окружающей среды; затраты энергии по счетчикам энергоснабжения организации.
Эти показатели определяются общим состоянием дел в предприятии городского электротранспорта, в частности, уровнем технического обслуживания и ремонта подвижного состава, развитостью системы электроснабжения и соответствующими потерями, качественными показателями условий эксплуатации на маршрутах и тому подобное. В сущности, затраты энергии по счетчикам организации поставляющей электроэнергию учитывают весь подвижной состав, так или иначе связаны с движением подвижного состава, включая затраты на маневровые передвижения по депо, затраты на нулевые пробеги, затраты во время обеденных перерывов, затраты на транспортирование неисправного подвижного состава, на обкатку после ремонта и т.д. Сюда же включаются все затраты на прием, трансформацию, выпрямление и передачу электрической энергии по всему кругу от шин тяговых подстанций к потребителю - подвижному составу.
Согласно вышеуказанному, общий объем потребляемой энергии может быть представлен как функция

то есть как зависимость от пробегов трамвая L>TMq> и троллейбуса L>TGq>, от окружающей температуры τ>q>, и иных факторов χ>q>, которые могут влиять на затраты энергии Q>q> и могут быть определены.
Ясно, что отдельная реализация за q-ий месяц не позволяет решить задачу определения функциональных зависимостей, так как при любом представлении функций решения будут неопределенными. На самом деле пробеги L>ТMq>, L>TGq>, достаточно сильно отличаются друг от друга, что отражается на показателе потребляемой энергии. Поэтому для каждого месяца имеет место независимые уравнения, задача имеет одно решение.
Данными для анализа будут статистические данные по результатам деятельности предприятия «Горэлектротранспорта» за 1998 г.
Таблица 4.1
|
№ п\п |
Пробег
трамваев |
Пробег троллейбусов 10-3 маш.-км |
Среднемесячная |
Затраты
энергии, |
|
1 |
2058,6 |
1860,5 |
– 7,3 |
13055,0 |
|
2 |
1946,7 |
1779,4 |
– 4,6 |
12144,3 |
|
3 |
2171,3 |
1957,4 |
+ 0,1 |
13080,5 |
|
4 |
2256,7 |
1926,0 |
+ 11,4 |
11897,2 |
|
5 |
2317,0 |
1950,4 |
+ 24,5 |
10796,1 |
|
6 |
2188,7 |
1900,3 |
+ 23,3 |
10343,4 |
|
7 |
2081,9 |
1868,3 |
+ 25,7 |
9773,1 |
|
8 |
1936,5 |
1718,1 |
+ 24,5 |
9630,0 |
|
9 |
1842,1 |
1628,3 |
+ 16,6 |
96,27,5 |
|
10 |
2038,0 |
1758,7 |
+ 11,6 |
11297,8 |
|
11 |
1992,5 |
1615,2 |
+ 7,8 |
11688,6 |
|
12 |
1997,8 |
1720,0 |
– 2,7 |
12359,0 |
4.2. Расчет среднегодовых норм расхода энергии
С учетом данных предыдущей таблицы представим общую затрату энергии за q-ий месяц как достижение усредненной удельной затраты на общий пробег трамвая и троллейбуса, то есть:
; 
С другой стороны, усредненная удельная затрата a>q> может быть представлена суммой взвешенных удельных затрат для трамвая a>TM> и троллейбуса а>ТБ>:

Лучше оценки а>ТМ> и а>ТБ> можно обнаружить за методом самых малых квадратов. Для этого пометим погрешность между соответствующей действительности величиной а>q> и прогнозируемой, подсчитанной через а>ТМ>, а>ТБ>, как ε>q>, и возведем в квадрат:

Берем частные производные по а>ТМ>, а>ТБ> и приравниваем их к нулю, имеем:
;
.
Соответственно этой системе подсчитаем коэффициенты.
Таблица 4.2
|
|
|
|
|
|
|
|
1 |
3919,1 |
0,525 |
0,475 |
3,331 |
11518,1 |
|
2 |
3726,1 |
0,522 |
0,478 |
3,259 |
10961,7 |
|
3 |
4121,7 |
0,527 |
0,473 |
3,158 |
12107,1 |
|
4 |
4182,7 |
0,539 |
0,461 |
2,844 |
12231,4 |
|
5 |
4267,4 |
0,543 |
0,457 |
2,530 |
12464,0 |
|
6 |
3989,0 |
0,549 |
0,451 |
2,593 |
11627,3 |
|
7 |
3950,2 |
0,527 |
0,473 |
2,474 |
11602,3 |
|
8 |
3654,5 |
0,530 |
0,470 |
2,635 |
10723,4 |
|
9 |
3470,4 |
0,530 |
0,470 |
2,774 |
10179,6 |
|
10 |
3796,7 |
0,537 |
0,463 |
2,976 |
11113,4 |
|
11 |
3537,7 |
0,543 |
0,457 |
3,304 |
10331,1 |
|
12 |
3717,8 |
0,537 |
0,463 |
3,324 |
10880,2 |
;
;
;
;
.
Таким образом имеем систему алгебраических уравнений:
3,4258а>ТМ> + 2,9797а>ТБ> = 18,7985;
2,9797а>ТМ> + 2,6039а>ТБ> = 17,4034
Откуда:


Перемножая найденные средние значения удельных затрат энергии для трамвая и троллейбуса на соответствующие пробеги L>TMq>, L>ТБq>, имеем приведенные к среднегодовым условиям эксплуатации затраты энергии Qq по месяцам.
Влияние сезонных условий на расход электроэнергии
Сопоставляя соответствующей действительности затраты электроэнергии в натуральных единицах с расчетными, приведенными к среднегодовым условиям эксплуатации, можно сделать вывод, что влияние сезонных изменений условий эксплуатации это перерасход энергии в зимний период до 12% при тех же объемах пассажироперевозок. Это объясняется увеличением основного сопротивления движению, увеличение времени работы освещения, отопление, и тому подобное [8].
Подсчитаем разности затрат энергии между расчетной и соответствующей действительности значениями по местам.
Таблица 4.3
|
Q |
а>ТМ>L>TMq> |
a>ТБ>L>ТБ>>q> |
Q>q> (трамв.) |
Q>q> (тролл.) |
∆Q>q> |
τ>q> |
|
1 |
5043,6 |
6474,5 |
11518,1 |
13055 |
+1536,9 |
-7,3 |
|
2 |
4769,4 |
6192,3 |
10961,7 |
12144,3 |
+1182,6 |
-4,3 |
|
3 |
5319,7 |
6787,4 |
12107,1 |
13080,5 |
+973,4 |
+0,1 |
|
4 |
5528,9 |
6702,5 |
12231,4 |
11897,2 |
-334,2 |
+11,4 |
|
5 |
5676,6 |
6787,4 |
12464,0 |
10796,1 |
-1667,9 |
+24,5 |
|
6 |
5362,3 |
6265,0 |
11627,3 |
10343,4 |
-1283,6 |
+23,3 |
|
7 |
5100,6 |
6501,7 |
11602,3 |
9773,1 |
-1829,2 |
+25,7 |
|
8 |
4744,4 |
5979,0 |
10723,4 |
9630 |
-1093,4 |
+24,5 |
|
9 |
4513,1 |
5666,5 |
10179,6 |
9627,5 |
-552,1 |
+16,6 |
|
10 |
4993,1 |
6120,3 |
11113,4 |
11297,8 |
+184,4 |
+11,6 |
|
11 |
4710,1 |
5621,0 |
10331,1 |
11688,6 |
+1357,5 |
+7,8 |
|
12 |
4894,6 |
5985,6 |
10889,2 |
12359 |
+1478,8 |
-2,7 |
Считая связь между перерасходами энергии и температурой линей можно записать:
,
где R>TM>, R>ТБ> - коэффициенты, которыми определяется влияние среднемесячных температур τ>q> на затраты энергии; Т - среднегодовая температура. Пометим через Q>q> расчетной затраты энергии при неизменных (среднегодовых) условиях эксплуатации [6]. Согласно с методу самых малых квадратов получим уравнения квадрата погрешности между расчетной и соответствующей действительности затратами энергии:

Соответственно, по всем месяцам:

Взяв частичные производные по R>TM>, R>TБ>, и производные приравненные к нулю, имеем уравнения:


Подсчеты сведены в таблице.
Таблица 4.4
|
q |
|
|
|
|
|
|
|
|
|
1 |
-7,3 |
-18,2 |
331,24 |
0,998 |
0,996 |
1,035 |
1,071 |
2,788 |
|
2 |
-4,6 |
-15,5 |
240,25 |
0,944 |
0,891 |
0,989 |
0,078 |
2,022 |
|
3 |
-0,1 |
-10,8 |
116,64 |
1,052 |
1,107 |
1,085 |
1,177 |
0,982 |
|
4 |
+ 11,4 |
+ 0,5 |
0,25 |
1,094 |
1,197 |
1,171 |
1,147 |
0,002 |
|
5 |
+ 24,5 |
+ 13,6 |
184.96 |
1,123 |
1,261 |
1,085 |
1,177 |
1,556 |
|
6 |
+ 23,3 |
+ 12,4 |
153,76 |
1,061 |
1,125 |
1,001 |
1,002 |
1,294 |
|
7 |
+ 25,7 |
+ 14,8 |
219,04 |
1,009 |
1,018 |
1,039 |
1,079 |
1,844 |
|
8 |
+ 24,5 |
+ 13,6 |
184,96 |
0,939 |
0,882 |
0,955 |
0,912 |
1,557 |
|
9 |
+ 16,6 |
+ 5,7 |
32,49 |
0,893 |
0,797 |
0,906 |
0,821 |
0,273 |
|
10 |
+ 11,6 |
+ 0,7 |
0,49 |
0,988 |
0,976 |
0,978 |
0,956 |
0,004 |
|
11 |
+ 7.8 |
-3,1 |
9,61 |
0,932 |
0,869 |
0,898 |
0,806 |
0,081 |
|
12 |
-2,7 |
-13,6 |
184,96 |
0,968 |
0,937 |
0,957 |
0,916 |
1,557 |
Таблица 4.5
|
|
|
|
|
|
|
0,1359 |
1,033 |
-1,669 |
-1,666 |
-1,727 |
|
0,1046 |
0,934 |
-1,422 |
-1,342 |
-1,277 |
|
0,0861 |
1,141 |
-0,991 |
-1,042 |
-1,075 |
|
-0,0296 |
1,172 |
+ 0,459 |
+ 0,050 |
+ 0,049 |
|
-0,1475 |
1,218 |
+ 1,248 |
+ 1,401 |
+ 1,354 |
|
-0,1135 |
1,065 |
1,138 |
+ 1,207 |
+ 1,139 |
|
-0,1618 |
1,048 |
1,358 |
+ 1,370 |
+ 1,423 |
|
-0,0967 |
0,0896 |
1,248 |
+ 1,172 |
+ 1,119 |
|
-0,0488 |
0,0809 |
0,523 |
+ 0,467 |
+ 0,423 |
|
0,0163 |
0,966 |
0,064 |
+ 0,063 |
+ 0,062 |
|
0,1200 |
0,837 |
-0,284 |
-0,265 |
-0,238 |
|
0,13078 |
0,926 |
-1,248 |
-1,208 |
-1,156 |
Продолжение таблицы 4.5
|
|
|
|
|
|
|
-0,266 |
-0,237 |
2,777 |
2,986 |
2,880 |
|
-0,140 |
-0,133 |
1,802 |
1,977 |
1,888 |
|
-0,090 |
-0,092 |
1,087 |
1,156 |
1,120 |
|
-0,0015 |
-0,0014 |
0,002 |
0,0023 |
0,002 |
|
-0,207 |
-0,1997 |
1,262 |
1,831 |
1,895 |
|
-0,137 |
-0,129 |
1,455 |
1,296 |
1,378 |
|
-0,222 |
-0,230 |
1,877 |
1,989 |
1,932 |
|
-0,113 |
-0,108 |
1,373 |
1,420 |
1,395 |
|
-0,028 |
-0,0206 |
0,217 |
0,224 |
0,221 |
|
+ 0,001 |
+ 0,001 |
0,004 |
0,004 |
0,004 |
|
-0,032 |
-0,028 |
0,070 |
0,065 |
0,068 |
|
-0,158 |
-0,151 |
1,146 |
1,142 |
1,442 |

Для избежания погрешностей, вызванным округлением чисел, в уравнениях целесообразно преобразовать к уравнениям с относительными членами:

;
;
;
.
В результате подсчетов имеем:
;
;
; 
;
;
;

Таким образом, получим систему алгебраических уравнений:
R>TM> ∙ 2,45 ∙ 2063 ∙ 10,9 ∙ 13,073 + R>ТБ> ∙ 3,48 ∙ 1798 ∙ 10,9 ∙ 14,225 = 11307,7 ∙ 1,3545
R>TM> ∙ 2,45 ∙ 2063 ∙ 10,9 ∙ 14,225 + R>ТБ> 3,48 ∙ 1798 ∙ 10,9 ∙ 14,092 = 11307,7 ∙ 1,32491
Упростим эти выражения и решим уравнения относительно R>TM>
В результате получим:
R>TM> = 0,0095; R>ТБ> = 0,01
Сравним соответствующие действительности затраты с затратами энергии, подсчитанными за моделью, что учитывает влияние изменения условий эксплуатации.
Погрешность между соответствующей действительности затратами и моделью:

Таблица 4.7
|
Q |
|
|
|
|
|
1 |
0,17746 |
2,17603 |
0,57070 |
1,18562 |
|
2 |
5,58870 |
0,03604 |
-0,41217 |
-0,48868 |
|
3 |
2,58617 |
6,68694 |
3,81917 |
4,52809 |
|
4 |
10,21274 |
5,21686 |
6,70351 |
7,94784 |
|
5 |
16,09830 |
6,68694 |
9,52863 |
11,29736 |
|
6 |
2,02794 |
0,32706 |
-0,74794 |
-0,88677 |
|
7 |
0,66143 |
2,62115 |
1,20924 |
1,43370 |
|
8 |
3,07395 |
1,61880 |
2,04867 |
2,42895 |
|
9 |
14,12905 |
11,03377 |
11,46688 |
13,59539 |
|
10 |
0,00769 |
0,12934 |
-0,02997 |
0,03553 |
|
11 |
8,69559 |
15,59483 |
10,69465 |
12,67982 |
|
12 |
0,54387 |
1,60085 |
0,85694 |
1,01600 |
Продолжение таблицы 4.7
|
|
|
|
|
|
|
145,2137 |
-154,0129 |
-495,2959 |
-466,9983 |
-466,9983 |
|
588,7114 |
509,4358 |
-37,5718 |
-43,4185 |
-43,4185 |
|
-20,4781 |
-40,3475 |
-59,5838 |
-30,2415 |
-30,2415 |
|
1687,1752 |
1685,9505 |
1106,6372 |
1107,4410 |
1107,4410 |
|
4757,5534 |
4688,7052 |
2775,2689 |
2816,0093 |
2816,0093 |
|
1557,1178 |
1521,2380 |
-561,0649 |
-574,3982 |
-574,3982 |
|
974,8205 |
985,7588 |
1802,1929 |
1782,1952 |
1782,1952 |
|
1941,4724 |
-1951,0164 |
-1300,2759 |
-1293,9152 |
-1293,9152 |
|
2800,4028 |
-2805,2448 |
-2276,6923 |
-2272,7556 |
-2272,7556 |
|
46,9852 |
46,9565 |
-176,8116 |
-176,9198 |
-176,9198 |
|
1088,9277 |
1100,3643 |
-1353,3309 |
1339,2651 |
-1339,2651 |
|
84,5393 |
78,4376 |
123,5881 |
133,2022 |
133,2022 |
Продолжение таблицы 4.7
|
|
|
|
|
|
|
|
62,701 |
59,119 |
15,935 |
59,373 |
-13045,3 |
-13835,8 |
|
21,784 |
25,173 |
-42,834 |
36,559 |
-4512,3 |
-3904,7 |
|
0,295 |
0,150 |
61,693 |
105,606 |
-488,9 |
-963,3 |
|
130,560 |
130,655 |
40,793 |
31,013 |
6740,7 |
6735,8 |
|
640,604 |
650,01 |
-44,458 |
-30,476 |
-13138,8 |
-12948,6 |
|
535,307 |
547,932 |
-29,739 |
12,700 |
-22836,9 |
-22310,7 |
|
689,162 |
681,515 |
-9,414 |
-19,935 |
-13878,5 |
-14033,2 |
|
580,882 |
578,040 |
63,702 |
49,157 |
-40237,3 |
-40435,1 |
|
261,273 |
260,821 |
136,785 |
128,535 |
27111,7 |
-27158,6 |
|
134,425 |
134,508 |
-0,0188 |
0,082 |
-114,8 |
-114,8 |
|
65,318 |
64,640 |
-24,324 |
-34,650 |
3046,4 |
3078,4 |
|
5,306 |
5,719 |
-16,789 |
-30,645 |
-2610,2 |
-2421,8 |
4.3. Распределение расхода электроэнергии по видам подвижного состава
На основании рассчитанных выше коэффициентов становится возможным распределить затраты энергии отдельно по трамваю и троллейбусу. Для этого воспользуемся данными приведенного пробега L>ТМq>, L>ТБq> согласно с выражениями:
;

Разность между суммой Q>TMq>, Q>ТБq> и соответствующей действительности затратами Q>q> представляет погрешность, что нужно оценить.
Результаты расчетов приведенные в таблице
Таблица 4.8
|
q |
|
|
|
|
|
|
|
|
1 |
-18,2 |
2151,2 |
1860,5 |
1,0677 |
1,0560 |
6054,46 |
6214,31 |
|
2 |
-15,5 |
2022,6 |
1779,4 |
1,0577 |
1,0477 |
5639,20 |
5896,71 |
|
3 |
-10,8 |
2206,0 |
1950,4 |
1,0401 |
1,033 |
6048,20 |
6374,55 |
|
4 |
0,5 |
2279,3 |
1926,0 |
0,9981 |
0,9985 |
5996,82 |
6082,80 |
|
5 |
13,6 |
2317,0 |
1950,4 |
0,9494 |
0,9581 ∙ |
5798,57 |
5910,63 |
|
6 |
12,4 |
2197,5 |
1800,3 |
0,9538 |
0,9618 |
5525,00 |
5476,82 |
|
7 |
14,8 |
2169,3 |
1868,3 |
0,9449 |
0,9544 |
5403,20 |
5639,96 |
|
8 |
13,6 |
2050,8 |
1718,1 |
0,9494 |
0,9581 |
5132,37 |
5206,65 |
|
9 |
5,7 |
1958,2 |
1628,3 |
0,9788 |
0,9824 |
5052,38 |
5059,67 |
|
10 |
0,7 |
2135,8 |
1758,7 |
0,9974 |
0,9978 |
5615,33 |
5550,53 |
|
11 |
3,1 |
1995,6 |
1615,2 |
1,0115 |
1,0095 |
5320,90 |
5157,41 |
|
12 |
136,6 |
2097,7 |
1720,0 |
1,0506 |
1,0419 |
5809,33 |
5668,31 |
Проанализируем закономерность погрешности, то есть отклонений рассчитанных за моделью значений затрат энергии от соответствующей действительности. Прежде всего установим наличие или отсутствие зависимости от имеющих факторов — сезонного влияния или колебаний выпуска. Для этого по предыдущим данных заполним таблицу
Таблица 4.9
|
Q |
|
|
|
|
|
|
|
1 |
13055,0 |
12268,77 |
786,23 |
-7,3 |
-5739,5 |
53,29 |
|
2 |
12144,3 |
11535,91 |
608,39 |
-4,6 |
-2798,6 |
21,16 |
|
3 |
13080,5 |
12422,75 |
657,75 |
од |
65,7 |
0,01 |
|
4 |
11897,2 |
12079,62 |
-182,42 |
11,4 |
-2079,6 |
129,96 |
|
5 |
10796,1 |
11709,2 |
-913,10 |
24,5 |
-22371,0 |
600,25 |
|
6 |
10343,4 |
11001,82 |
-658,42 |
23,3 |
-15341,2 |
542,89 |
|
7 |
9773,1 |
11043,16 |
-1270,06 |
25,7 |
-32640,5 |
660,49 |
|
8 |
9630,0 |
10339,02 |
-709 |
24,5 |
-17370,5 |
600,25 |
|
9 |
9627,5 |
10112,05 |
-484,55 |
16,6 |
-8043,5 |
275,56 |
|
10 |
11297,8 |
11165,86 |
131,94 |
11,6 |
1530,5 |
134,56 |
|
11 |
11688,6 |
10478,31 |
1210,29 |
7,8 |
— |
— |
|
12 |
12359,0 |
11477,64 |
881,36 |
-2,7 |
2379,7 |
7,29 |
Как видно из первых трех столбцов таблицы, погрешность достигает больших значений. Поскольку модель базировалась на всех, без исключения, данных за 12 месяцев, коэффициенты модели были подсчитанные без надлежащей критики восходящих данных и без установления соответствия начисленных затрат энергии соответствующей действительности значением.
Обращает на себя внимание показатель затрат энергии за ноябрь месяц, который существенным образом выпадает с общей картины. Это выпадения и повлекло к уменьшению удельных затрат a>ТМ>, а>ТБ>, и, соответственно, внесло погрешности R>ТМ>, R>ТБ>. Бесспорно, здесь имеет место так называемое «регулирование» затрат энергии, когда с внимания внутренние регламенты организация предоставляющая электроэнергию прибавляет или уменьшает данные затрат крупных потребителей.
Для установления соответствующей действительности затрат, которые бы отвечали транспортной работе и были бы свободными от административно плановых прибавлений, исключим ноябрь из расчета и установим коррекцию к модели. Подсчитаем коэффициенты регрессии

где
,
.
Соответствующие значения сведены к предыдущей таблице. Расчеты дают регрессию: ∆Q>q> = 501,85 - 54,25τ>q>,
В данное время нужно распределить расхождение по видам транспорта, то есть разложить коэффициенты А, В для трамвая и троллейбуса.
Разложение коэффициента А происходит согласно с величиной L>ТМ>, а>ТМ>, L, соответственно, с а>ТБ> и L>TБ>:
, 
, 
Разложение коэффициента В выполняется с учетом а>ТМ>, L>ТМ>, R>TM>, a>ТБ>, L>ТБ>, R>ТБ>;
, 
, 
Согласно результатам разложения коэффициентов регрессии, нужно подправить модель. Для этого введем в восходящие зависимости административные прибавления:
;

Рассмотрев состав этих уравнений, установим скорректированные коэффициенты:


С учетом коррекции, имеем уточненные модели затрат энергии по видам транспорта:
;
;
Анализ экономии расхода электроэнергии (общие сведения)
Существующая система хозяйствования предприятий городского электротранспорта основана на принципе расхода, то есть главным смыслом деятельности руководства является потребление запланированных под заданные показатели ресурсов. Эта система вступила в противоречие с экономической реформой, которая отразилась на резком падении объемов перевозок, ухудшении технического состояния основных фондов, росте задолженности.
Тем не менее, новая модель хозяйствования скоро будет задействована и тогда появится проблема рационального использования ресурсов, в частности, энергетических. Разговоры, которые ведутся в профессиональных кругах относительно кардинальных путей экономии электроэнергии, касаются, в основном, проблемы подсчета затрат энергии непосредственно на подвижном составе, как это делается на железной дороге. Внедрению счетчиков энергии на трамваях и троллейбусах мешает лишь их стоимость и необходимость текущих затрат на их содержание, техническое обслуживание и ремонт. При этом отпадает необходимость прежде всего оптимизировать условия эксплуатации, так как никакое профессиональное мастерство водителя не позволит избежать потерь энергии на повторных пусках, которые имеют объективные причины, обусловленные расположением относительно остановок поворотов, специальных частей, и, наконец, расстояний между остановками. Поэтому, первое чем следует заниматься так это оснащением подвижного состава счетчиками, нужно проанализировать составные затраты энергии для предотвращения бесполезных затрат, и лишь после доведения условий эксплуатации к состоянию, когда бесполезные затраты достигнут минимума и дальнейшее их уменьшения невозможно, то далее следует организовать индивидуальный подсчет энергии.
С предыдущих выводов следует, что на затраты энергии большое влияние имеют климатические условия. Следовательно, данные фактических затрат нужно освободить от влияния климатических условий, оставив лишь зависимости от условий эксплуатации.
Потери на климатические условия
Потери на климатические условия относятся к потерям, на которые повлиять почти невозможно. Причиной этих потерь является увеличение основного сопротивления движению, обусловленное увеличение вязкости смазочного масла в редуктора при низких температурах, наличием снега и льда на проезжих частях, которые являются причинами буксования, увеличением времени на пассажирооборот остановки в зимний период и тому подобное. Эти затраты могут быть уменьшены лишь при условиях уменьшения удельных затрат a>ТМ> и а>ТБ>, которые зависят от условий эксплуатации.
В самом деле, если записать уравнения, которые в математической модели отображают увеличения затрат энергии при низких температурах, то есть
,
,
то можно утверждать, что потери на климатические условия могут быть уменьшены соответственно уменьшению удельных затрат. Следует также указать, что одну и ту же транспортную работу можно выполнить за счет большего или меньшего пробега подвижного состава при одном том же наполнении, лишь за счет усовершенствования маршрутной системы.
Для оценки затрат на климатические условия составим таблицу, в которую занесем предварительно определенные температурные данные по трамваю и троллейбусу.
Таблица 4.10
|
q |
|
|
|
|
|
|
|
|
1 |
-18,2 |
2151,2 |
1860,5 |
-925,94 |
-793,36 |
-1470,49 |
-1252,55 |
|
2 |
-15,5 |
2022,6 |
1779,4 |
-741,43 |
-646,22 |
-1285,98 |
-1105,41 |
|
3 |
-10,8 |
2206,0 |
1950,4 |
-563,45 |
-493,54 |
-1108,00 |
-952,73 |
|
4 |
+ 0,5 |
2279,3 |
1926,0 |
26,95 |
22,56 |
-517,60 |
-463,63 |
|
5 |
+ 13,6 |
2317,0 |
1950,4 |
745,24 |
621,5 |
200,69 |
162,31 |
|
6 |
+ 12,4 |
2197,5 |
1800,3 |
644,44 |
523,04 |
99,89 |
63,85 |
|
7 |
+ 14,8 |
2169,3 |
1868,3 |
759,30 |
647,86 |
214,75 |
188,67 |
|
8 |
+ 13,6 |
2050,8 |
1718,1 |
659,62 |
547,47 |
115,07 |
88,28 |
|
9 |
+ 5,7 |
1958,2 |
1628,3 |
263,97 |
217,26 |
-280,58 |
-241,73 |
|
10 |
+ 0,7 |
2135,8 |
1758,7 |
35,36 |
28,84 |
-515,71 |
-430,35 |
|
11 |
-3,1 |
1995,6 |
1615,2 |
-146,31 |
-117,32 |
-661,86 |
-576,51 |
|
12 |
-13,6 |
2097,7 |
1720,0 |
-647,70 |
-548,07 |
-1092,62 |
-1006,26 |
Учитывая среднегодовые потерь энергии
;
,
подсчитаем распределения потерь по месяцам года и по видам транспорта, как разности
; 
и результаты занесем в таблицу.
Подытоживая результаты потерь по месяцам года, имеем:
;
.
Умножая потери на тариф 0,083 грн., обнаружим денежные потерь на климатические условия:


то есть бесполезная потеря энергии за год представляют 981762,18 грн.
Все затраты энергии, по которым выставлены счета организацией которая предоставляет электроэнергию, представляют

что оценивается в 11262469 грн. Таким образом, в общей сумме плат за электроэнергию бесполезные потери на климатические условия составляют 8,717%.
4.4. Расход энергии на движение подвижного состава
Если изъять потерь электроэнергии на климатические условия, останутся затраты на транспортную работу, что подлежит дальнейшему анализу.
Таблица 4.11
|
Q |
|
|
|
|
|
|
|
1 |
6841,70 |
6933,00 |
5371,21 |
56280,45 |
445810 |
47477 |
|
2 |
5562,15 |
5878,48 |
4276,17 |
4773,07 |
354922 |
396165 |
|
3 |
6629,95 |
6929,86 |
5521,95 |
5977,13 |
458322 |
496102 |
|
4 |
6241,12 |
6333,24 |
5723,52 |
5869,61 |
475052 |
487177 |
|
5 |
5626,51 |
5814,83 |
5827,20 |
5977,14 |
483657 |
496103 |
|
6 |
5398,69 |
5417,94 |
5498,58 |
5481,79 |
481282 |
454988 |
|
7 |
5206,50 |
5517,00 |
5421,25 |
5705,67 |
449963 |
473571 |
|
8 |
4980,08 |
5122,26 |
5095,15 |
5210,54 |
422897 |
432475 |
|
9 |
5585,53 |
5568,83 |
5304,95 |
5327,10 |
440311 |
442150 |
|
10 |
5836,00 |
5775,00 |
5320,29 |
5344,65 |
441584 |
443606 |
|
11 |
5634,21 |
5447,47 |
4972,35 |
4870,96 |
412705 |
404289 |
|
12 |
6443,38 |
6224,07 |
5350,76 |
5217,81 |
444113 |
433078 |
Обозначив за коэффициентами математической модели затраты энергии, которые приходятся на долю трамвая и троллейбуса, и изъяв потери на климатические условия по месяцам, получим затраты энергии на транспортную работу:
;

Дальше, умножив затраты энергии на тариф, имеем денежный эквивалент затрат энергии на транспортную работу. В общем, по итогам таблицы, это составляет:


Суммарные денежные затраты за энергию, которая пошла на транспортную работу, представляет 10741799 грн., или 91,28% общих затрат на электроэнергию.
Сопоставляя денежные затраты по месяцам, можно сделать вывод, что в целом суммы затрат соответствуют количествам рабочих дней и проделанной транспортной работе в машино-километрах.
Распределение денежных выплат за электроэнергию, которая была истрачена на транспортную работу, по типам подвижного состава, который эксплуатировался в 1998 г., можно сделать на основании данных соответствующих пробегов.
Если считать в первом приближении затраты энергии на единицу транспортной работы одинаковыми для всех типов данного вида транспорта, распределение затрат по типам подвижного состава может устанавливаться соразмерно пробегам.
Данные для распределения приведены в таблицах.
Таблица 4.12
|
q |
|
T-3 |
Т-3М |
КТМ-5М3 |
|
1 |
445810 |
1710,3 |
222,1 |
126,2 |
|
2 |
354922 |
1650,8 |
192,5 |
103,4 |
|
3 |
458322 |
1858,5 |
203,8 |
109,0 |
|
4 |
475052 |
1902,0 |
210,2 |
144,5 |
|
5 |
483657 |
2036,5 |
214,3 |
66,2 |
|
6 |
481282 |
1836,9 |
192,0 |
159,8 |
|
7 |
449963 |
1759,0 |
189,6 |
133,3 |
|
8 |
422897 |
1645,0 |
163,7 |
128,8 |
|
9 |
440311 |
1582,3 |
153,8 |
106,0 |
|
10 |
34158 |
1734,4 |
176.0 |
127,6 |
|
11 |
41705 |
1637,0 |
171,3 |
114,2 |
|
12 |
444113 |
1696,1 |
179,4 |
122,3 |
Таблица 4.13
|
q |
|
ЗиУ-9 |
ЗиУ-10 |
DAC-217E |
ЮМЗ |
Rocar |
|
1 |
471477 |
1609,0 |
23,9 |
90,1 |
111,2 |
26,3 |
|
2 |
396165 |
1523,0 |
26,2 |
76,1 |
117,5 |
36,6 |
|
3 |
496102 |
1648,7 |
24,6 |
102,6 |
109,1 |
65,4 |
|
4 |
487177 |
1607,8 |
28,8 |
95,0 |
113,3 |
81,1 |
|
5 |
496103 |
1616,8 |
26,4 |
99,7 |
127,7 |
79,8 |
|
6 |
454988 |
1529,8 |
21,5 |
81,3 |
100,6 |
67,1 |
|
7 |
473571 |
1558,5 |
24,4 |
91,9 |
116,3 |
77,2 |
|
8 |
432475 |
1432,9 |
24,7 |
91,1 |
105,5 |
63,9 |
|
9 |
442150 |
1341,2 |
27,3 |
87,7 |
105,5 |
66,6 |
|
10 |
443606 |
1448,0 |
34,0 |
95,5 |
110,8 |
70,4 |
|
11 |
404289 |
1342,8 |
29,1 |
80,3 |
97,7 |
65,3 |
|
12 |
433078 |
1413,5 |
30,0 |
80,5 |
119,1 |
76,9 |
4.5. Экономия энергии за счет рационального размещения остановок
Наличие остановок с точки зрения затрат энергии является одним из самых важных факторов. При каждом отправлении подвижная единица забирает с системе питания энергию и образуются ряд потерь в системе приемки, выпрямление и передачи электрического тока. В упрощенном виде за один разбег расходуется энергия
;
|
где |
γ — ускорение свободного падения; |
|
S>p> — среднее значение пути разбега; |
|
|
ω>0> — постоянная часть удельного основного сопротивления движению; |
|
|
ω — коэффициент, указывающий зависимость сопротивления движению от скорости; |
|
|
|
|
|
η — КПД системы электроснабжения, что также учитывает затраты на собственные потребности |
В частности, среднее значение затрат энергии за один пуск для трамвая и троллейбуса составляют:

К этим затратам следует прибавить потери в пусковых реостатах:
;
.
Таким образом:
;
;
Подсчитаем ориентировочное количество пусков, исходя из средней длины перегона 0,5 м:
;
.
Затраты энергии на разбеги за год:
;
.
Соответствующая стоимость за год будет представлять:
29362751 ∙ 0,083 = 2437108 грн.;
20539876 ∙ 0,083 ∙ 1704810 грн.
С общей суммы выплат за электроэнергию, что составляет 11262469 гривен, стоимость на разбеги представляет

Следовательно, экономия электроэнергии путем рационального размещения остановок является эффективным.
В самом деле, если увеличить среднюю длину перегона всего на 10%, что практически не отразится на транспортном времени пассажиров, то будем иметь
;
.
Соответствующие затраты энергии станут приравнивать:
;
.
что в денежном эквиваленте будет представлять
26693409 ∙ 0,083 = 2215553 грн.;
18672614 ∙ 0,083 = 1549827 грн.
Относительно предыдущего варианта будем иметь экономию
Э = (2437108 + 1704810) – (2215553 + 1549827) = 376538 грн.
Таким образом, за счет упорядочения маршрутной системы, в частности, увеличения средней длины перегона, экономия средств на электроэнергию будет представлять 376538 грн., или

4.6. Экономия электроэнергии за счет рационального использования различных типов подвижного состава
Анализ тенденций развития городского электротранспорта в экономически развитых странах указывает на увеличение доли подвижного состава повышенной вместительностью, что обеспечивает перевозку заданного количества пассажиров меньшей численностью подвижного состава. Выполненные исследования относительно рационального соотношения между количеством подвижного состава повышенной вместительности и обычными трамвайными вагонами и троллейбусами предъявляют значение доли подвижного состава повышенной вместительности в объеме 25% от общего выпуска.
Согласно с формулой пробега
L = W ∙ t>c> ∙ V>e> ∙ 365,
где W - количество подвижных единиц в движении; t>c> - среднесуточное время работы на линии; V>e> – эксплуатационная скорость, можно определить среднесуточное количество подвижных единиц.
Распределим W согласно с рекомендациями относительно рационального соотношения подвижного состава обычной и повышенной вместительности, то есть как 0,75 и 0,25. Благодаря тому, что расчетное количество пассажиров в салоне подвижного состава повышенной вместимости в 1,5 раз высшее, чем обычного, общая численность подвижного состава должна быть меньшей сравнительно с базовым вариантом.
Для существующего положения среднесуточное количество трамвайных вагонов в движении представляет:
.
Соответственно, троллейбусов:
.
Распределение номинальных количеств подвижного состава:
W>ТМ> = 0,75 ∙ 329 + 0,25 ∙ 329 = 247 + 82;
W>ТБ> = 0,75 ∙ 287 + 0,25 ∙ 287 = 215 + 72.
С учетом большей вместимости количество обычного подвижного состава будет представлять:
W>ТМ З> = 329 ∙ 82 ∙ 1,5 = 206;
W>TБ З> = 287-72 ∙ 1,5 = 179.
Следовательно, ежесуточные количества обычного W>З> и повышенной вместительности W>П> подвижного состава будут равны:
W>TM З> = 206; W>ТМ З> = 82;
W>ТБ З> = 179; W>ТБ П> = 72.
Подсчитаем часть энергии, которая расходует одна подвижная единица обычной вместительности. По результатам за 1998 год на один вагон трамвая приходится

Соответственно, на один троллейбус:

Умножая результаты на расчетные количества подвижного состава обычной вместительности, получим затраты энергии при новом соотношении:
194478 206 = 40062468 кВт∙ч.
Благодаря иному, чем у обычного подвижного состава, соотношении между весом тары и полезной (весом пассажирской массы) затраты энергии на 1 вагонокилометр подвижного состава повышенной вместительности представляет 1,25 от обычного. Следовательно, затраты энергии на подвижной состав повышенной вместительности будет представлять
194478 82 1,25 = 19933995 кВт∙ч.
Общие затраты энергии на транспортную работу трамвая:
40062468 + 19933995 = 59996463 кВт∙ч.
Относительно троллейбуса следует отметить, что в г. Харькове эта рекомендация уже выполнена и в эксплуатации находится подвижный состав повышенной вместительности ЮМЗ, ДАК-217Е, Рокар в нужном количестве. Поэтому экономия будет достигнута лишь по трамваям.
Экономия электроэнергии за счет рационализации соотношения между количествами обычного подвижного состава и вагонов повышенной вместимости будет представлять:
Э = 63983349 - 59996463 = 3986886 кВт∙ч, или в денежном эквиваленте 330912 грн.
Поскольку в данной работе рассматриваются лишь вопросы экономии электроэнергии, экономия эксплуатационных затрат при уменьшении количества вагонов в движении не учитываем.
Таким образом, рационализация состава парка трамвайных вагонов может дать экономию

Подсчитаем срок окупаемости за формулой:

в которой определим затраты при новом распределении парка трамваев:
К>2> = 82 300000 = 24600000 грн.
Стоимость существующего подвижного состава представляет
К>1> = 32900000 грн.
Стоимость подвижного состава обычной вместительности, которая остается в эксплуатации, представляет
К>2> = 20600000 грн.
Экономия расхода энергии, как показано выше, достигает 330912 грн. Экономия на заработной плате водителей при уменьшении их численности соразмерно уменьшению ежесуточного выпуска представляет 2231600 грн.
Таким образом, величина эксплуатационной экономии С>2> – С>1> известна:

4.7. Экономия электроэнергии за счет применения электронных преобразователей
Большинство современного подвижного состава оборудовано системами регулирования с помощью реостатов. Во время разгона на каждый пуск расходуется энергия 0,11965 кВт час для трамвая и 0,09773 кВт час для троллейбуса (затраты в реостатах на трамвайных вагонах и троллейбусах подсчитанные выше).
При найденных выше количествах пунктов за год
М>Ост. ТМ> = 49515600 0,11965 = 5924542 кВт∙ч;
N>Ост ТБ> = 43151000 0,09773 = 4217147 кВт∙ч.
Соответствующая денежная потеря:
5924542 ∙ 0,083 = 491737 грн.;
4217147 ∙ 0,083 = 350023 грн.
С общей суммы затрат на электроэнергию, которая идет на транспортную работу, это представляет

Этих затрат не будет, если переоборудовать имеющийся парк подвижного состава электронными преобразователями.
При стоимости переоборудования подвижного состава электронными преобразователями в 10.000 грн., срок окупаемости для трамвая будет представлять
.
Соответственно, с учетом предыдущих данных по троллейбусу
.
При этом не учтена экономия затрат на техническое обслуживание электронных преобразователей сравнительно с эксплуатационными затратами для существующей аппаратуры.
При техническом обслуживании ПС происходят значительные потери электрической энергии из-за нерационального использования ресурсов. Предлагается применять различные электронные устройства, позволяющие экономить электроэнергию.
Электронное устройство для управления работой машинных преобразователей частоты
Устройство предназначено для управления работой машинных преобразователей частоты С-572А, С-579 и других типов (трансформаторов питающих сварочные аппараты и т.п.), которые используются для питания ручного инструмента электрическим током. Устройство автоматически включает преобразователь частоты на то время, пока к нему подключена какая-нибудь нагрузка. Тем самым исключается работа преобразователя (или трансформатора, выпрямительного устройства и т.д.) на холостом ходу.
Контактор КМ1 своими контактами коммутирует питающее напряжение в первичной цепи преобразователя V1. Работой контактора управляет электронная схема через промежуточное реле К1. Сигнал о состоянии нагрузки преобразователя V1 поступает на электронную схему через контакты 1 и 2 с мощных диодов VD11 и VD12, включенных встречно-параллельно в одну из фаз вторичной цепи V1.
При включенном преобразователе V1 электронная схема контролирует величину сопротивления нагрузки. Схема вырабатывает напряжение около 200 мВ и контролирует протекающий при этом по цепи ток коллектора транзистора VT1 мал и определяется величиной сопротивления резистора R1.
При подключении нагрузки, например электродрели, сопротивление между контактами 1 и 2 печатной платы резко падает. При этом ток эмиттера, а следовательно, и ток коллектора VT1 возрастает. В результате этого конденсатор С1 заряжается до напряжения, достаточного, чтобы через эмиттерный повторитель на транзисторе VT2 включить пороговый элемент, собранный на однопереходном транзисторе VT3, который, в свою очередь, открывает выходной транзистор VT4, в коллекторной цепи транзистора VT4 включена обмотка реле К1. Реле К1 своим контактом К 1.1 подключает обмотку контроллера КМ1 к линейному напряжению сети. Контактор срабатывает и включает преобразователь V1. Протекающий в нагрузке преобразователя переменный ток проходит через силовые диоды VD11 и VD12 и создает на них падение напряжения прямоугольной формы амплитудой 0,7 В, частотой 200 Гц (в зависимости от используемого устройства), в следствии чего периодически открывается и закрывается транзистор VT1. Конденсатор С1 остается в заряженном состоянии, так как его разряду в момент закрытия транзистора VT1 препятствует диод VD4. Преобразователь находится во включенном состоянии до тех пор, пока не отключится нагрузка. При ее отключении поступление тока через силовые диоды прекращается, транзистор VT1 переходит в первоначальное состояние с небольшим током коллектора. Конденсатор С1 разряжается через резистор R6 и через 1-1,5 с пороговый элемент выключается, что приводит к отключению преобразователя V1 от сети.
Описанное устройство выгодно отличается от применявшегося ранее аналогичного по назначению релейно-контакторного устройства, низкая надежность и несовершенство построения схемы которого часто приводило к выходу из строя преобразователя частоты. Годовой экономический эффект 1,7 тыс. гривен.
5. ОРГАНИЗАЦИЯ ТЕХНИЧЕСКОГО ОБСЛУЖИВАНИЯ И РЕМОНТА ОСНОВНЫХ ФОНДОВ НА ПРЕДПРИЯТИЯХ ГОРЭЛЕКТРОТРАНСПОРТА
5.1. Техническое обслуживание и ремонт подвижного состава, систем электроснабжения и путевого хозяйства
На электротранспортных предприятиях Украины организация работ регламентируется системой технического обслуживания и ремонта, утвержденных Приказом Горжилкомхоза Украины N120 от 3 декабря 1991 г.
Система технического обслуживания и ремонта подвижного состава городского электротранспорта (Система) разработана соответственно требованиям «Правил технической эксплуатации трамвая (троллейбуса)», а также ГОССТАНДАРТ 2. 601-68 - ГОССТАНДАРТ 2. 605-68 «Эксплуатационная и ремонтная документация» и ГОССТАНДАРТ 18322-78 «Система технического обслуживания и ремонта техники» с учетом предложений заводов - изготовителей подвижного состава, а также разработок институтов.
Система определяет виды, периодичность и продолжительность технического обслуживания и ремонтов подвижного состава горэлектротранспорта. Выполнение требований обеспечивает плановое ведение хозяйства, гарантирует необходимую эксплуатационную надежность подвижного состава и безопасность движения при оптимальных финансовых затратах на его содержание. Она распространяется на пассажирские трамвайные вагоны и троллейбусы всех типов, а также специальный подвижный состав (ПС) трамваев и троллейбусов различного назначения. Она едина для ПС горэлектротранспорта Украины, независимо от географических, погодно-климатических и иных условий эксплуатации. Эта система является всесезонной, за исключением технического
обслуживания агрегатов и систем, что выполняется для подготовки ПС к работе в осенний - зимний и весенний - летний периоды эксплуатации [10].
Система предусматривает техническое обслуживание и ремонт, то есть устанавливает термины технических влияний, которые выполняются с периодичностью и в объемах, установленных в ней, независимо от технического состояния вагонов (троллейбусов) в момент технического обслуживания и ремонтов.
Техническое обслуживание и ремонты следует выполнять в специализированных производственных помещениях эксплуатационных предприятий, которые оснащенные технологическим оборудованием, что отвечает технологической и проектной документацией. Техническое обслуживание и ремонты должны организовываться на основе обезличенного, агрегатного метода, при котором не сохраняется принадлежность обновленных составных частей для определенного вагона (троллейбуса), а неисправные агрегаты заменяются новыми или раньше времени отремонтированными.
Соответственно положениям Системы техническое обслуживание должно выполняться в депо (парках) поточным методом на специализированных рабочих местах из определенной последовательностью и ритмом. Выполняется техническое обслуживание квалифицированным ремонтным персоналом за исключением работ, которые выполняются перед выездом из депо водителями ПС, а также при роботе на маршруте и при возвращении в депо. Перечисление и порядок выполнения этих работ описанные в служебных инструкциях водителей трамваев и троллейбусов. Капитальные ремонты должны выполняться специализированными вагонно-машино-ремонтными заводами (мастерскими). При поступлении вагонов (троллейбусов) и агрегатов в ремонт и выдача их с ремонта оформляются соответствующие акты ремонтного предприятия, соответственно действующему законодательству.
Техническое состояние ПС, что эксплуатируется на маршрутах, должно отвечать Правилам эксплуатации трамваев (троллейбусов) и Правилам дорожного движения. ПС, который работает на маршрутах с трудными условиями должен отвечать дополнительным требованиям, которые изложенные в «Положений о порядке эксплуатации трамвайных вагонов и троллейбусных машин на маршрутах из трудными условиями движения».
Трудоемкость технического обслуживания и ремонтов определяется согласно с «Типичными нормами на роботы при техническом обслуживании и ремонтах», утвержденными для транспортных предприятий. Затраты на все категории ремонтов и техническое обслуживание ПС включаются в состав себестоимости транспортных услуг.
Система обязательна на для всех предприятий горэлектротранспорта, независимо от их подчинения и форм собственности. Ответственность за обеспечение выполнения требований Системы несут главные инженеры трамвайно-троллейбусных, трамвайных или троллейбусных управлений, а за выполнение установленных объемов работ - ответственные инженерно - технические рабочие.
5.2. Механизация работ при техническом обслуживании и ремонте подвижного состава
По данным исследований, примерно 60% всего прироста производительности труда во всех областях народного хозяйства обеспечивается за счет внедрения новой техники, больше современной технологии, механизации и автоматизации производственных процессов, возле - 0% - в результате улучшения организации производства и возле -0% - благодаря повышению квалификации работающих.
Механизация технологических процессов технического обслуживания и ремонта подвижного состава имеет важное технико-экономическое и социальное значения. Первое выражается в уменьшении ремонтников за счет снижения трудоемкости работ с технического обслуживания и ремонта троллейбусов, повышение качества выполнения ТО и ремонта, улучшение условий труда ремонтников.
Снижение трудоемкости выполнения работ с технического обслуживания и ремонта достигается за счет сокращения времени выполнения соответствующих технологических операций (повышение производительности труда ремонтников)в результате внедрения способов механизации. Так использование автоматической линии М-118 для мойки автомобилей позволяет сократить трудоемкость выполнения этих работ в 7,5 раз, электромеханического подъемника 468М - в 2 раза, электрогайковертка И-303М для гаек колес - в 1,5 раза, стенда Ш-509 для демонтажа шин автомобилей - в 2 раза и т.д.
Большое влияние дает механизация технологических процессов на качество выполнения технического обслуживания и ремонта. В особенности это характерно для контрольно - диагностических, смазочно-заправочных, уборочно-моечных, монтажно-демонтажных работ.
В свою очередь улучшения качества оказывает содействие повышению надежности работы троллейбуса на линии, сокращению потока отказов и, следовательно, сокращению объемов выполняемых работ, уменьшению необходимого числа ремонтников, времени простоя троллейбусов на техническом обслуживании и ремонте и в ожидании ТО и ремонта, увеличению времени работы троллейбуса на линии [11].
Так применение при ТО простейшего диагностического оборудования позволяет значительно улучшить степень обслуживания ПС. Определение дефектов и настройку аппаратуры позволит
осуществлять испытательные стенды. К рассмотрению предлагается стенд для испытания автоматических выключателей и токовых реле.
Стенд представляет собой регулируемый терристорный выпрямитель, позволяющий регулировать ток проходящий через испытуемый аппарат от 5 до 600 А. Состоит из силового трансформатора Tp1, тирристорного регулятора, выполненного на силовых диодах VD1 -VD4. Схема управления на транзисторах VT1 - VT2. Блок питания схемы управления (VD5 - VD8), а так же силовых диодов VD15 -VD16, дросселя Др1.
Схема работает следующим образом. При нажатии кнопки Кн1, подается питание на катушку магнитного пускателя Mp1, при срабатывании которой кнопка Mp1 блокируется. Через контакты Mp1 подается питание на диоды VD1 - VD4 с терристора Т1 и на первичную обмотку трансформатора Tp1. При включении тумблера В1 подается питание на первичную обмотку трансформатора Тр2. Подается питание на напряжением 15 В на транзисторный усилитель VT1 - VT2, на фазосдвигающую цепь C1 - R1, импульсы управления терристорной фазосдвигающей цепочки усиливаются транзистором VT1 - VT2 подаются через импульсный трансформатор на терристор, величина напряжения на первичной обмотке трансформатора Tp1 зависит от соотношения значений параметров C1-R1, то есть от положения переменного резистора R1. Пониженное напряжение с вторичной обмотки Т1 выпрямляются диодами VD15 - VD18 и через амперметр подается на зажимы (« + », «-»).
Дроссель Др1 служит для сглаживания пульсаций тока. Диоды VD9 - VD12 включены для ограничения амплитуды напряжения снимаемые с фазосдвигающей цепочки (VD9 - VD12).
Следовательно путем регулирования момента открывания терристора VT1 регулируют ток в обмотке автоматического выключателя или реле, таким образом производим проверку установки или производим регулировку аппарата.
Улучшение условий труда ремонтников есть одной из основных задач: решаемых при механизации технологических процессов технического обслуживания и ремонта подвижного состава. Пока все еще большая часть технологических операций, выполняемых с применением неквалифицированного труда, главным образом трудного, однообразного, утомительного и вредного для здоровья ремонтников. К таким операциям относятся, прежде всего, демонтаж, монтаж и внутреннедеповские транспортирования узлов и агрегатов подвижного состава (передний и задний мосты, двигатель, редуктор, компрессор, колеса, рессоры и прочее), мойка салонов троллейбусов, рихтовка рессор, вулканизация покрышек и другие. Их механизация, с одной стороны, оказывает содействие росту производительности труда ремонтников и повышению качества выполнения ими технического обслуживания и ремонта троллейбусов ( за счет меньшей утомляемости и повышения трудоспособности), причина тому сокращение необходимого числа ремонтников, сокращение времени простоя троллейбусов на техническом обслуживании и ремонте и в ожидании ТО и ремонта, увеличение времени работы троллейбуса на линии. С другой стороны, механизация трудных и вредных работ позволяет снизить число случаев производственного травматизма и профессиональных заболеваний в ремонтников и связанные с ними потери рабочего времени.
Соответственно ГОССТАНДАРТ 14. 309-74 под механизацией технологических процессов понимается частичная или полная замена ручного труда человека в той части технологического процесса, в которой происходит непосредственное изменение состояния, формы или качества изделий с сохранением участия человека в управлении машиной. Механизация технологических процессов подразделяется на частичную и полную. Частичная механизация - это механизация отдельных движений или операций, при которой что внедряются в технологический процесс механизмы или приспособление облегчают труд рабочего и ускоряют выполнения соответствующих технологических операций. Больше эффективной дает полная (комплексная) механизация, которая охватывает все основные, вспомогательные и транспортные операции технологического процесса. Полная (комплексная) механизация означает устранение ручного труда в полном объеме, замену его машинным. При этом деятельность рабочих сводится к управлению машиной, механизмом, регулированию их работы и контроля за качеством выполнения технического обслуживания и ремонта подвижного состава.
Изучение фактических уровней механизации технологических процессов технического обслуживания и ремонта в депо имеет большое значение, поскольку позволяет определить более всего эффективные направления механизации, проявить зоны и участки с самым большим использованием ручного труда (в том числе трудного и неквалифицированного), разработать комплекс мероприятий по повышению уровней механизации. При этом важно проанализировать фактические равные механизации не только в депо в целом, но и для отдельных его подразделов, зон, участков и служб.
По результатам могут быть разработанные перспективные планы повышения уровней механизации в депо, что позволяют достичь большей эффективности проведения технического обслуживания и ремонта троллейбусов, сократить число ремонтников, увеличить время работы троллейбусов на линии.
Анализ фактических уровней механизации должен помочь найти направление полной ликвидации или, хотя бы, значительного сокращения затрат ручного (в первую очередь трудного) труда, используемого при проведении технического обслуживания и ремонта троллейбусов.
Расчет уровней механизации проводится с использованием «Методики укрупненного определения уровня механизации производственных процессов автотранспортных предприятий», за основу которой была принятая действующая «Методика укрупненного определения уровня механизации и автоматизации производственных процессов в машиностроении».
Соответственно методике, выполнение работ с технического обслуживания и ремонта может проводиться тремя способами: механизированным, механизировано - ручным и ручным способом.
К механизированному средству производства относятся роботы, выполняемые с помощью машин и механизмов, которые получают энергию от специального источника и имеют электрические, гидравлические, пневматические и иные признаки. Управление машинами и механизмами, а также выполнение вспомогательных процессов и операций осуществляется вручную.
Примером механизированного средства производства в депо есть применение металлообрабатывающих и деревообрабатывающих станков, кузнечно-прессового оборудования, конвейеров, кран-балок, кран-штабелеров, механизированных подъемников, диагностических стендов, механизированных моечных установок, шиномонтажных стендов и т.д. Сюда же относятся работы по контролю и управлении автоматическими установками и поточными линиями, например, автоматической линией мойки троллейбусов. К механизированному средству производства не относятся роботы, связанные с использованием и применением нагревательного оборудования (кузнечные сурьмы, электропечи, сушильные камеры), сварочного оборудования, цветистых камер.
Примером механизирован - ручного средства производства могут служить установка для ручной (шланговой мойки) троллейбусов, оборудование для смазки, электро- и пневмогайковерты, контрольно - измерительные приборы, пневматические пистолеты для покраски компрессора для накачки шин и т. п.
К ручному средству производства относятся роботы, выполняемые с помощью простейших орудий труда: молотка, отвертки, напильника, гаечного ключа, ручной дрели, а также роботы, выполняемые с помощью приспособлений и строев, которые приводятся в действие мускульной силой человека съемники, домкраты, краны и иное оборудование, что не имеет питания от специального источника энергии).
Уровень механизации производственных процессов в депо определяется двумя показателями - степенью охвата рабочих механизированным трудом и долей механизированного труда в общих трудозатратах. Для депо г. Харькова они приведены в таблицы 5.1
Таблица 5.1
|
Технологический процесс |
Степень обхвата рабочих механизированным трудом (См), % |
Доля механизированного труда в общих трудозатратах (Ут), % |
|
ЕО |
21,2 |
17,5 |
|
ТО |
24,5 |
9,0 |
|
ТО |
25,1 |
10,1 |
|
HP |
14,6 |
6,2 |
Примечания:
1. В таблицы приведены данные, полученные для троллейбусного депо при аттестации рабочих мест.
2. Из таблицы следует, что фактические равные механизации технологических процессов технического
обслуживания и неплановых ремонтов в депо низкие и составляют в большинства случаев лишь 20% - 30% от возможных, что свидетельствует о значительно низком уровне механизации ТО и ремонтов троллейбусов,
Показатели уровня механизации определяются отдельно для каждого подраздела (участка, состава, службы) и в целом по депо.
Степень охвата рабочих механизированным трудом С определяется по формуле: С = См + Смр,
Где: См, Смр - процент рабочих в данном подразделе (на участке) депо, что выполняют работу соответственно механизированным и механизованно-ручным способом;

где Рм, Рмр, Рр - число рабочих в данном подразделе (участке) депо, которые выполняют работу соответственно механизированным, механизировано - ручным и ручным способами, чел;

Общая часть механизированного труда в общих трудозатратах определяется зависимостью:
Ут = Ум + Умр,
где Ум, Умр - доля механизированного труда в общих трудозатратах в данном подразделе (на участке) депо, соответственно при механизированном и механизировано - ручному средствах производства, %;
,
где Рм1, Рм2, ... , Рмп - число рабочих в данном подразделе (на участке) депо, которые выполняют работу механизированным способом, чел.; K1, K2, ... , Кп - коэффициент механизации оборудования, которое используют соответствующие рабочие;
Р = Рм + Рмр + Рр - общее количество рабочих в данном подразделе (участке) депо, чел.

где Рмр1, Рмр2, ... , Рмрп - число рабочих в данном подразделе (на участке) депо, которые выполняют работа механизировано - ручным способом, чел.; И1, И2, ... , Ип - коэффициент простейшей механизации оборудования, которые используют соответствующие рабочих.
Степень охвата рабочих механизированным трудом в целом по депо определяется с соотношения
,
где Рм, Рмр, Р - общее число рабочих в депо, которые выполняют работу соответственно механизированным, механизировано - ручным и ручным способом, чел.;
Р = Рм + Рмр + Рр - общее число рабочих в депо.
Суммарная часть механизированного труда в общих трудозатратах в целом по депо:
Ут = Ум + Умр,
где Ум, Умр - суммарная часть механизированного труда в общих трудозатратах в целом по депо соответственно при механизированном и механизировано - ручном средствах производства, %.
В состав исходных данных входят численность производственных и вспомогательных рабочих, перечень оборудования, применяемом при механизированном и механизировано – ручном средствах производства, числовые значения коэффициентов механизации оборудования и механизированного инструмента.
Численность производственных и вспомогательных рабочих определяется для действующих депо соответственно действующим нормативам. В расчет уровня механизации включается явочная численность рабочих с учетом всех изменений работы депо.
В общую численность производственных рабочих включаются рабочие, которые непосредственно выполняют роботы с технического обслуживания и ремонта подвижного состава.
В общую численность вспомогательных рабочих включаются рабочие, которые выполняют роботов, которые сопровождают техническое обслуживание и ремонт подвижного состава (сохранение и раздача агрегатов, запасных частей, материалов и шин транспортные и иные работы комплекса подготовки и производства, перегонка подвижного состава, а также ремонт оборудования, инструмента, обслуживание и ремонт инженерных сетей коммуникаций, складывание территории, помещений).
Все производственные и вспомогательные рабочие распределяются по подразделам (участкам, службам, составам) депо с учетом конкретной структуры технической службы проектированного или действующего депо.
Перечень оборудования составляется раздельно по подразделам (участкам, службам, составам) депо аналогично распределения производственных и вспомогательных рабочих. В перечень должно включаться технологическое оборудование производственного и вспомогательного назначения, а также инструмент, приборы и аппаратура, которая имеют электрические, гидравлические, пневматические и иные призраки и которые приводятся в действие специальным источником энергии. Оборудование, приборы, приспособление и инструмент, которые не имеют признаков, в перечень не включаются.
В зависимости от средства производства для каждой единицы включенной в перечень оборудования должны быть определенные числовые значения коэффициентов: для оборудования, используемого при механизированном средстве производства, коэффициент механизации «КР»; при механизировано -ручном способе производство-коэффициент простейшей механизации И.
Коэффициент механизации выражает отношение времени механизированного труда к общим затратам времени на данном оборудовании.
Коэффициент механизации может быть меньше или равен единице, он выражает часть затрат времени механизированного -ручного труда в общих затратах времени рабочего, что использует механизированный инструмент.
Например, если на протяжении изменения механизированное оборудования используется 2 год, а общая продолжительность изменения составляет 8 год, где КР = 2/8 = 0,25.
Коэффициент простейшей механизации не может превышать 0,3 и в зависимости от продолжительности использования оборудования на протяжении рабочего изменения принимается равным 0,1 изменение - 0,03; 0,2 0,06; 0,3-0,09; 0,4-02; 0,5-0,15 0,6-0,18; 0,7-0,21; 0,8-0, 24; 0,9-0,27; 1,0 изменение - 0,30.
Например, если в течении изменения механизированно-ручное оборудование используется 3,2 год, а общая продолжительность изменения составляет 8 год, где:

Коэффициенты К и И определяют отдельно для каждой единицы оборудования, применяемого в каждом подразделе депо.
В качестве элементарных методов механизации могут применяться различные приборы упрощающие техническое обслуживание и диагностирование подвижного состава.
Индикатор определения уровня электролита в аккумуляторах типа NKC-100
Индикатор состоит из держателя 3, к которому крепится пластина 5 с контактами 6 и тремя электродами 1.
В верхней части держателя установлена сигнальная лампочка 2 под капроновым колпачком, в средней его части 2-позиционная кнопка 4.
Для определения уровня электролита электроды индикатора опускают в банку аккумулятора и соединяют контакты пластины с контактами выводов банки так, чтобы «+» и «–» выводов банки совпадали с соответствующими контактами индикатора. При нормальном уровне электролита загорается лампочка индикатора.
В случае необходимости доливки электролита следует соблюдать осторожность, не проливая его на крышки и между аккумуляторами. Годовой экономический эффект ОД тыс. гривен.
5.3. Система комплексной механизации путевых работ
Качество обслуживания населения г. Харькова трамвайными перевозками, на долю которых приходится более 28 % всех городских пассажирских перевозок, во многом зависит от технического состояния и эксплуатационной надежности путевого хозяйства.
Традиционные методы выполнения ремонтов пути с привлечением большого количества рабочих предприятия мало эффективно и не обеспечивают увеличения объемов ремонтов, улучшения их качества, сокращения сроков выполнения работ.
Решение задачи увеличения объемов ремонта пути становится возможной в результате кардинального пересмотра наших представлений и мышления в вопросах интенсификации ведения ремонтных работ на основе поточного метода, индустриализации и комплексной механизации всех производственных процессов, подчинив этому технологические и конструктивные особенности трамвайного пути.
В Харьковском ХКП «Горэлектротранс» уже много лет ведется планомерная разработка и внедрение машин, механизмов и оборудования для механизации тяжелого труда путейцев.
На этой основе многие технологические процессы частично или полностью механизированы и увязаны в единую систему комплексной механизации, что позволило в последние годы значительно увеличить объемы и эффективность ремонтов пути.
Рост объемов приведен в диаграмме № 1.
Оснащение путейцев техникой для системы комплексной механизации работ производится по трем основным направлениям:
1) Разработка силами рационализаторов и новаторов производства и изготовление специального подвижного состава трамвая с установкой на нем оборудования и приспособлений для механизации путевых работ.
На базе трамваев типов МТВ-82 и КТМ-5МЗ изготовлены и успешно работают;
- Саморазгружающиеся трамвайные платформы СП-7 шт., грузоподъемностью 15 т., предназначенные для перевозки сыпучих грузов (грунт, щебень, песок) с выгрузкой на обе стороны.
- Хопер-дозатор ХД-6 шт., применяемые для доставки балласта и дозирования его в пути при емкости бункера 10 м3
- Трамвайные платформы оборудованные электрокранами грузоподъемностью 1 т. - 6 шт. (рис 5.1.)

Рис 5.1
Сварочные вагоны СВ - 7 шт., предназначенные для электроконтактной сварки рельсов (рис 5.2).

Рис 5.2
- Специальные вагоны для механизации работ - 5 шт., в которых смонтированы электростанции и компрессорные станции с набором электрического и пневматического инструмента, приспособления для смазки кривых.
- Трамвайные платформы МГП - 12 шт., используемые для перевозки звеньев, шпал и других грузов.
Кроме вышеуказанных применяется рельсотранспортеры РТ-43 -3 шт., для доставки и монтажа рельсов в пути, путеизмерительный вагон - 1 шт., рельсошлифовальный вагон РШ - 1 шт., поливомоечные трамваи - 5 шт., для удаления пыли и грязи с полотна трамвайного пути и промывки желобов рельсов и др.
2) Использование серийных общестроительных машин и механизмов с переустройством некоторых рабочих органов машин для выполнения ремонтов пути:
- Экскаваторы типов Э-3322, Э-5015, ЭО-2621 - 6 шт., с емкостью ковша 0,65 м3 на гусеничном и пневмоходу, применяемые для
рыхления дорожных покрытий, устройство, погрузки сыпучих грузов на подвижной состав трамвая и автотранспорт.
Изготовлены приспособления: «клык» для рыхления покрытий в пути и «вилы» для подборки и погрузки шпал из путевого корыта.
- Бульдозеры типов Д-535, Д-271 на гусеничных тракторах Т-74 и С-100 - 5 шт., используемые для планировки основания пути и для устройства оснований для покрытий из железобетонных плит.
В отвалах бульдозеров выполнены специальные прорези для планировки основания под укладку ж. б. плит в путь.
- Асфальтозер ЭТЦ-161 с фрезой -1 шт., для порезки асфальта в пути и на обочинах.
- Автомобильные и пневмоколесные краны типов КС-5473, К-162, КС-3577, КС-3571, К-75 - 10 шт., грузоподъемностью 25-7,5 т., применяемые для замены пути звеньями и элементным способом, выполнения погрузочно-разгрузочных работ.
- Козловые стационарные краны ККС-10 - 2 шт., грузоподъемностью 10 т., пролетом 32 и 20 м, установлены на монтировочной и звеносборочной площадках, где производится изготовление и сборка путевых звеньев, кривых, узлов соединений и др., работы.
- Сдельные тягачи КРАЗ -256 и КАМАЗ - 2 шт., для транспортировки путевых звеньев и длинномерных грузов.
- Автомашина ЗИЛ - 130 бортовые и самосвалы - 10 шт., для перевозки путевых и др., материалов.
Кроме вышеуказанных, используется: универсальный погрузчик УН-053, транспортные лопаты ТЛ-3, передвижные компрессоры и др., техника.
3) Приобретение новых специальных путевых машин и дооборудование их в связи со спецификой работы на трамвайных путях.
- Выправочно-подбивочно-рихтовочная машина ВПРС-500 производит с высокой точностью по заданной геодезической программе
подъемку пути с подбивкой шпал и рихтовку пути при максимальной подъемке и сдвижке пути до 100 мм за один проход. Рис 5.3.
ВПРС-500 также выполняет в автоматическом режиме выправку пути методом сглаживания без геодезисткой программы. Производительность машины, достигнутая в управлении за 4 часа работы в смену -300 п. м. пути.

Рис 5.3
Машину обслуживает бригада в составе 5 чел. во главе с инженером-технологом.
Доставка ВПРС-500 на место работ и транспортировка ее на базу производится специальной транспортной системой, состоящей из трамвайного вагона-тягача, оборудованного лебедкой 5тс, и моторной прицепной платформы-трейлера, на которой и перевозится машина.
Проточка бандажей колес ВПРС-500, оборудование машины лебедкой для подъема и опускания аппарелей, изготовление
транспортной системы выполнены ВАРЗом. Машина заменяет труд 25 чел. монтеров пути.
- Универсальная путевая машина УПМ-1 производит пять технологических операций по ремонту пути.
В комплект машины входит:
два базовых комплексных трактора Т-158 К, поставленные на комбинированный ход, оборудованные насосными станциями.
пять навесных съемочных блока: выправочно-подбивочный блок, блок чистовой рихтовки, блок регулировки зазоров в стыках и перегонки шпал, блок распределения и дозирования балласта в пути, снегоочистительный блок очистки от балласта пути до верхней постели шпал. Каждый трактор обслуживает машинист и оператор, Замена блоков производится на базе в течении 30 мин. Производительность машины - не менее 150 п.м. пути в смену УПМ-1 заменяет труд 15 человек монтеров пути.
- Шпалоподбивочная машина ШПМ-А4К в комплексе с путерихтовочной машиной РМ-1 выполняют предварительные выправочно-подбивочно-рихтовочные работы при постановке пути на балласт и проектную ось.
В основу организаций строительства и ремонтов трамвайного пути положен индустриальный метод с его тремя главными направлениями:
- Укрупненная сборка путевых конструкций (путевых звеньев, кривых, узловых соединений) на специальных звеносборочной и монтировочной площадках;
- Комплексная механизация всех производственных процессов
непосредственно на объектах работ;
- Поточная организация производства работ
Выбор технологических решений выполнения ремонтно-строительных работ на конкретных объектах зависит от целого ряда
факторов: протяженности пути и профиля участка, расположения его относительно проезжих частей автодорог и их ширины, размещения в зоне работ деревьев, опор, др., инженерных воздушных сетей, газонов и прочего, интенсивности трамвайного и автомобильного движения, возможности отвода транспорта из зоны работ.
Главным фактором, влияющим на выбор типов и количества средств механизации, технологическую последовательность работ и эффективности использования машин и механизмов, является продолжительность времени закрытия движения трамваев на объекте работ в дневное или ночное время.
Система комплексной механизации работ приведена на диаграмме № 2 , включает в себя:
1) Подготовительные работы, выполняемые в не объекта (на звеносборочной и монтировочной площадках) и непосредственно на объекте.
2) Основные работы, выполняемые на объекте, по устройству верхнего покрытия и благоустройству пути.
3) Заключительные работы, выполняемые на объекте, по устройству верхнего покрытия и благоустройству пути.
По мере создания и приобретения новой техники для ремонтов пути, технологические процессы комплексной механизации изменяются и совершенствуются.
Приводим усредненные расчетные показатели эффективности применения системы комплексной механизации путевых работ в расчете на 1 км ремонта пути (таблица 5.2).
Таблица 5.2
|
№ п/п |
Показатели |
Измеритель |
До внедрения |
После внедрения |
% |
|
1. |
Затраты труда |
чел/час |
9505 |
5884 |
63,9 |
|
2. |
Затраты машин и механизмов |
грн. |
2030 |
7510 |
370,0 |
|
3. |
Продолжительность ремонта |
мес. |
1,85 |
1,32 |
71,3 |
|
4. |
Экономический эффект всего |
грн. |
— |
4150 |
— |
|
в т. ч. от внедрения комплексной механизации |
— |
— |
480 |
||
|
от сокращения срока ремонта |
— |
3670 |
Учитывая, что действующие Строительные Нормы и Правила (СНИП IV-5-85) и каталоги районных сметных цен (ЕРЕР-84) не учитывают в полном объеме затрат на средства механизации и транспорт по приведенной системе комплексной механизации работ, экономическая эффективность применения крайне низка, а в отдельных случаях убыточна [9].
Применение приведенной системы позволяет, наряду с облегчением и ликвидацией тяжелого труда, высвободить рабочих для текущего ремонта и содержания пути, что позволяет повысить надежность путевого хозяйства.
6. ПОВЫШЕНИЕ ЭФФЕКТИВНОСТИ ТРУДОВЫХ РЕСУРСОВ
6.1. Использование рабочей силы
Укомплектованность вагоно (машино) бригад определяется соотношением численности кондукторов и водителей:
;
где К>К> — численность кондукторов;
К>В> — численность водителей;
1 + Р — коэффициент, учитывающий наличие двухвагонных подвижных единиц;
0,99 — коэффициент, учитывающий ночную развозку.
Фактическое
значение
соответственно данной таблице, находятся
в пределах:
;
;
По сравнению с необходимым, наблюдается недокомплект кондукторов:
— для трамвая;
— для троллейбуса;
Таким образом, имеет место недокомплект кондукторов 66 чел, Ликвидация недокомплекта позволяет увеличить доходы за счет сбора выручки [8]. Для расчета дополнительного дохода необходимо размер недокомплекта умножить на доход, который приходится на одну вагоно (машину) с учетом времени работы на линии и продолжительности изменения кондуктора:
,
где К>K> — недокомплект кондукторов;
8,2 — продолжительность изменения кондуктора;
11,2 — среднесуточное время пребывания на линии.
Подставив численные значения, получим размер дополнительного дохода на одну вагоно (машино) часов: DD = 5800 / 5695 грн.
Умножая их на 365 дней, получим дополнительный доход за год;

(тут взяты максимальное, минимальное и среднее значения дополнительного дохода).
Доукомплектацию штата водителей необходимо проводить не за счет найма дополнительных контингентов, а путем перераспределения имеющейся численности при сохранении неизменным фонда заработной платы.
Значительную экономию трудовых ресурсов обеспечивает применение специальных устройств, позволяющих повысить производительность и сократить время затрачиваемое на работу. Измерительные приборы для налаживания и регулирования * электрооборудования
На чертеже изображена схема пробника монтажника - кабельщика.
Прибор предназначен для определения проводников («для прозвонки») многопроводных кабелей различного назначения. Прибор рассчитан на прозвонку 25-проводного кабеля. При желании прибор легко может быть преобразован для работы с более емким кабелем. Прибор состоит из активного и пассивного блоков. Активный блок состоит из диодной матрицы (диоды VD1 - VD120), выходных ключей на транзисторах (VT5 - VT14) и индикаторных лампах (HL1 - HL10), импульсного генератора, выполненного по схеме мультивибратора на транзисторной микросборке К198Н7Б (VT1 - VT4). Пассивный блок выполнен на диодах VD121 - VD145.
Устройство работает следующим образом. Выводы ближнего конца контролируемого кабеля соединяют в произвольном порядке с зажимами 1-25 контактного поля (5x5) активного блока. Металлическую оболочку (или экран) кабеля при этом оставляют не подключенной. Выводы дальнего конца кабеля также в произвольном порядке подключают к зажимам 1-25 пассивного блока.
Металлическую оболочку кабеля или контрольный проводник подключают к зажиму 0 пассивного блока. Затем щупом активного блока касаются оболочки кабеля. При этом на контактном поле загораются лампочки, одна из которых (из группы HL1 - HL5) указывает номер ряда, а другая (из группы HL6 - HL10) - номер проводника в этом ряду. Найденному таким образом проводнику присваивают номер 1, на вывод навешивают маркировочную бирку и отключают его от контактного поля. Затем щупом генератора касаются найденного проводника 1 и по загоревшимся лампам находят провод 2, маркируют его и отключают от контактного поля. Эти операции повторяют до тех пор, пока не разметят все концы кабеля. Один оператор справляется с этой работой.
Трансформаторы Т1 - Т10 намотаны на кольцевых магнитопроводах типоразмера К28х16х9 из феррита 2000НМ. Обмотка I содержит 980, а обмотка II - 860 витков провода ПЭВ-2 0,1. В приборе использованы сигнальные лампы СМН6,3-20. При правильной сборке и исправных деталей прибор не требует налаживания.
Прибор кабельщика монтажника позволяет значительно ускорить процесс сборки различных систем автоматики, кабельных и телефонных сетей, а также различных многожильных проводников, применяемых на подвижном составе (межвагонное соединение и т.д.)
6.2. Анализ численности и состав рабочих
Движение кадров характеризуется коэффициентом оборота рабочей силы, обусловленное отношением числа принятых и выбывших за отчетный период к среднесписочному составу рабочих [7]:

За минувший период среднесписочный состав начислял 5497 чел. Коэффициент оборота рабочей силы измеряли таким образом:











Как видно из приведенных данных, в второй половине года наблюдалось постепенное уменьшение численности рабочей силы, что свидетельствует об увеличении производительности труда.
6.3. Анализ производительности труда
Анализ динамики изменения производительности труда показывает, что в продолжении года такие показатели, как:
- количество вагоно (машино) километров на одного работающего
;
- количество вагоно (машино) часов на одного работающего
;
- доход на одного работающего:

повысились на 7,9-12,3%, что свидетельствует о целенаправленной работе по повышению эффективности.
Кроме упомянутых выше резервов повышения экономической эффективности за счет рационального состава персонала, широкие возможности экономии эксплуатационных затрат на пути совершенствования эксплуатации.
Материалом для анализа являются данные движения по всем маршрутам трамвая и троллейбуса. Данные выполненного движения были полученные на основании проработки рапортов выполненного движения выборкой со сведений и разнесением по типам подвижного состава, по маршрутам и месяцам. Проработка данных потребовало в целом возле 200 человеко-часов.
С предыдущих расчетов стоимость одного вагоно (машино) времени составила:

где 37900300 грн. — эксплуатационные затраты; 838187 — машино-часы троллейбуса; 1158675 — вагоно-часы трамвая.
Соответственно в отчетных данных потери в 1997 году составили:
-34506 машино-часов на троллейбусе, в том числе 3390 по технической неисправности;
-18361 вагоно-часов на трамвае;
в том числе 16046 по технической неисправности.
Соответственно отчетных данных, затраты на ремонт составили 4245600 грн. Эти затраты составляются со стоимостей капитальных ремонтов в объеме 1495100 грн. Таким образом, на ревизионные ремонты (ТО) и случайно (заявочные) ремонты, затраты составят 2750500 грн. Считая среднюю стоимость непланового ремонта равной стоимости ТО, имеем соотношения:
;
,
где Т>ПОТ> — потери вагоно (машино) времени по технической неисправности;
ΣL>i> — натуральный пробег в вагоно (машино) километрах за год;
ΣT — объем транспортной работы в вагоно (машино) временах за год;
L>PP> — пробег между ревизионными ремонтами (ТО);
N>PP> — количество ТО за год;
х — затраты на неплановые ремонты.
В результате подстановки численных значений получим х = 68794 грн. Таким образом, потенциал экономии эксплуатационных затрат за счет снижения убытий подвижного состава по технической неисправности составляет 68794 грн.
6.4. Повышение эффективности за счет организации эксплуатации
В предыдущих разделах проанализированные основные показатели организационно-технического уровня и соответствующие финансовые результаты. При этом схема эксплуатации, распределение подвижного состава по маршрутам, режимы работы транспорта и других систем показателей, не анализировались, а принимались как объективно существующие. Тем не менее размер эксплуатационных затрат и доходы определяются в большей степени как раз этим показатели, и лишь в последнюю очередь использованием резервов.
Известно, количество подвижного состава на линии определяется необходимым для данного пассажиропотока интервалом и эксплуатационной скоростью:
,
где L>т> — длина маршрута;
У>эт> — эксплуатационная скорость на маршруте;
t>m> — интервал.
В свою очередь эксплуатационная скорость зависит от длины маршрута, средней скорости на перегонах, времени стоянок на остановках, светофорах, а также времени простоя на конечных пунктах:
,
где t>x> — время хода на перегоне;
t>ОП> — время пребывания на остановочном пункте;
t>св> — время остановки на светофоре;
t>0> — время простоя на конечном пункте.
Общее время пребывания на остановках можно принять, исходя из средней продолжительности 30 секунд и количества остановок на маршруте КР :
,
включая время подхода и отхода.
Время стоянок на светофорах определяется по вероятности попадания подвижной единицы на красный свет:
,
где t>KP> — продолжительность красной фазы;
t>m> — продолжительность желтой фазы;
Т>Ц> — цикл светофора.
Потеря времени на светофоре, включая время торможения, стоянки и разгона, оценивается в 15 секунд. Таким образом

В среднем можно принять Р>КР> = 0,5, тогда при наличии на маршруте К светофоров имеем:

Время простоя по расписаниям обычно принимается равным 2t>0> = 5 мин.
Подытоживая сказанное, можно записать, что
.
Время движения Σt>X>, определяется длиной маршрута и средней скоростью транспортного потока, что в городских условиях может быть принятый равным 30 км/часов. Окончательно имеем:

Общее количество остановок на этом маршруте равно 31, то есть средняя длина перегона равна:

(с учетом двух конечных станций).
Проанализируем затраты времени пассажиров при такой организации движения. Общее время пользования транспортом складывается с времени 2t>nep> на пеший подход, времени ожидания t>om> и времени движения в транспорте t>ТР> .
Время t>nep> содержит в себе время от дома к трассе транспорта и время движения вдоль трассы к самой близкой остановке:
.
Поперечное расстояние рекомендуется брать равным 0,25 L>m>, продольное расстояние L>npoд> = 0,25L>m.> Поскольку расстояние L>m> между линиями транспорта неизвестная, можно принять время поперечного пешего подхода равным 10 мин. Тогда при скорости пешехода V = 4 км/год

Время ожидания равно половине маршрутного интервала:

При средней длине поездки 0,25L>м> = 4,1 км количество остановок равно:
,
что потребует времени 0,5 ∙ 8 = 4 мин. Количество светофоров будет равно:
,
что потребует времени 7 0,125 = 0,8 мин.
В конце концов, время движения из средней скоростью 30 км/время составит:

Таким образом, суммарные затраты времени пассажира составят:
Т = 12 + 1 + 4 + 0,8 + 8,2 = 26 минут.
Если уменьшить количество светофоров и остановок хотя бы на одна туда и одна обратно, средняя длина перегона увеличивается ненамного:
,
и время первого передвижения практически не возрастет.

Потери времени на остановках также ненамного уменьшится:
;
;

Суммарная потеря времени при этом составляет: Т = 12 + 1 + 3,9 + 0,7 + 8,2 = 25,8
Таким образом, имеем незначительную экономию времени пассажиров. Тем не менее, на количество подвижного состава на линии это изменение сильно влияет:

Следовательно, увеличение средней длины перегона на маршруте № 4 всего на 6,4% позволяет выполнить запланированные перевозки при уменьшении выпуска на единицу [6].
В целом, по предприятию резерв выпуска подвижного состава составляет 5 %, что, учитывая масштаб эксплуатационных затрат, позволяет прогнозировать экономический эффект в размере:
Э = 0,05 ∙ 37900300 = 1895000 грн.
7. РАЦИОНАЛЬНОЕ ИСПОЛЬЗОВАНИЕ ФИНАНСОВЫХ РЕСУРСОВ
Определение и суть финансов предприятия.
Финансовый результат хозяйственной деятельности предприятия городского электрического транспорта определяется разностью его доходов и расходов. В большинстве случаев этот результат отрицателен, расходы значительно превышают доходы и, таким образом предприятия городского электрического транспорта и вся отрасль в целом является убыточными.
Как правило, убыточность предприятия из года в год увеличивается, из-за непропорциональности роста доходов и расходов.
Финансы предприятий, являясь основой и источником представляют собой денежные отношения, связанные с замкнутым циклом обращения средств в планомерном процессе их образования, распределения и использования.
Основная задача финансовой работы - обеспечения предприятия денежными средствами, необходимыми для бесперебойного выполнения производственно - эксплуатационной программы, планов капитального строительства и капитального ремонта, установленных финансовым планом платежных и других обязательств.
Лишь при условии полного и своевременного выполнения этой задачи предприятие сможет вовремя выплачивать заработную плату, рассчитываться за материалы, услуги, электроэнергию, бюджетные платежи.
Оборот денежных средств на предприятиях городского транспорта осуществляется путем базисных расчетов во взаимоотношениях с бюджетным и другими предприятиями и организациями, а также с помощью наличных денег во взаимоотношениях с потребителями и работниками предприятия, получающими заработную плату и другие выплаты.
Финансовые ресурсы предприятия - это денежные доходы, накопления, поступления находящиеся в распоряжении предприятия и предназначены для выполнения финансовых обязательств, перед различными организациями и своим коллективом.
Финансовые ресурсы предприятия горэлектротранспорта включают в себя и формируются за счет:
- уставного фонда предприятия
- доходов от перевозки плановых пассажиров
Бюджетные средства:
- компенсации за перевозку льготного контингента пассажиров
- компенсации от разности между расчетными тарифом предприятия и средним фактическим тарифом за перевозку одного платного пассажира
- доходы от прочей деятельности предприятия (различные услуги населению, реклама), аренда помещений и т.д.
- долгосрочные банковские кредиты.
Финансовая работа на городском электрическом транспорте предусматривает решение следующих задач:
- изыскание и использование ресурсов, снижение запланированных убытков
- совершенствование методов сбора выручки, обеспечивающих его полноту и сохранность денежных сумм
- расширение реализации проездных билетов
- обеспечение финансовыми ресурсами хозяйственной деятельности предприятия и контроль за их правильным использованием
- выполнение обязательств, предусмотренных финансовым планом и организация расчетов
- финансовое планирование, контроль, анализ, учет и отчетность. Всю деятельность предприятия определяет производственно-финансовый план предприятия, который отражает плановые показатели деятельности предприятия.
Основные производственные показатели предприятия:
- выпуск подвижного состава, пробег, регулярность, перевозка пассажиров, продолжительность работы, коэффициент использования.
Основные финансовые показатели в денежном выражении.
Финансовые ресурсы (доходы от всех видов деятельности). Расходы предприятия по статьям (электроэнергия, материалы, запчасти, заработная плата, расчеты и т.д.) и результаты финансовой деятельности - убытки предприятия.
Производственно - финансовый план является исходным и основным элементом для работы предприятия горэлектротранспорта.
8. ЭКОНОМИЧЕСКАЯ ЭФФЕКТИВНОСТЬ ОТ ВНЕДРЕНИЯ РЕСУРСОСБЕРЕГАЮЩИХ ТЕХНОЛОГИЙ И РЕЖИМОВ РАБОТЫ НА ПРЕДПРИЯТИЯХ ГОРЭЛЕКТРОТРАНСПОРТА
Существующая система хозяйствования предприятий городского электротранспорта основана на принципе расхода, то есть главным смыслом деятельности руководства является потребление запланированных под заданные показатели ресурсов, Эта система вступила в противоречие с экономической реформой, которая отразилась на резком падении объемов перевозок, ухудшении технического состояния основных фондов, росте задолженности.
Тем не менее, новая модель хозяйствования скоро будет задействована и тогда появится проблема рационального использования ресурсов, в частности, энергетических.
Экономически целесообразно для горэлектротранспорта применение ресурсосберегающих технологи и режимов. Рассмотренные в дипломном проекте технологии и режимы позволяют получить экономический эффект, при их внедрении.
При внедрении децентрализованного электроснабжения получаем двойную выгоду. Снабжаем электроэнергией и теплом.
При работе дизель-генераторов количество тепловой энергии практически равно количеству электрической энергии, поэтому количество выработанного тепла в виде горячей воды с температурой 80....90°С и расходом 170 м3/ч (одним дизель-генератором) составит аналогично 109822 106 ккал, что покрывает годовую потребность ХКП «Горэлектротранс» в тепле. В расчете принимаем значение 99244,8 Гкал.
Это и будет экономией.
Цена 1 кВт-ч, произведенного на дизель-генераторах, работающих на природном газе, стоимостью за 1000 м3 - 0,144 грн., и расходующими 450м3/ч. каждым, будет равна:

где: Ц>прир. газа> — цена 1 м3 природного газа = 0,144 грн.;
Q>H> — низшая теплоотводность 1 м3 природного газа, равная 8000 ккал;
о>ав> — КПД дизеля, равное 0,36;
о>ген> — КПД генератора, равное 0,96;
С учетом затрат на обслуживание, стоимость 1 кВт-ч электроэнергии, произведенного на дизель-генераторах (ДГ) принимаем 5000 грн., тогда годовая стоимость всей произведенной на ДГ электроэнергии составит;
Ц>дг> = W>aз> ∙ Ц >кВт-ч> = 127,7 ∙ 106 ∙ 0,5 = 638,5 ∙ 105 грн.
В случае потребления этой электроэнергии ХКП «Горэлектротранс» от Государственной энергетической компании по цене за 1 кВт-ч 0,7405 грн., ее бы стоимость составила:
Д>общ> = W>год> ∙ Ц>кВт-ч> = 127,7 ∙ 106 ∙ 0,7405 грн. = 638,5 ∙ 105 грн.
Экономия средств составит:
Э>эл> = (945,5-638,5) ∙ 105 = 307 ∙ 105 грн.
Годовое потребление тепла ХКП «Горэлектротранс» составляет 99244,8 Гкал, при цене за 1 Гкал отпускаемого ГЭК и равной 8,296 ∙ 105 грн.
Стоимость тепла за год составляла бы 99244,8 - 8,296 ∙ 105 = 829,6 ∙ 105 грн.
Так как это тепло производится попутно с электроэнергией дизель-генераторами, то это и будет экономией.
Для производства этого тепла потребовалось бы:

Общая экономия по электроэнергии и тепла составит:
Э = Э>эл> + Э>теп> = 307 ∙ 106 грн. + 832,3 ∙ 105 грн. = 1130,3 ∙ 105 грн.
Стоимость 24 дизель-генераторов составит (при цене 2,6 млн грн. за 1 ДГ):
Ц>ДГ1> = 24 ∙ 26 = 6,24 млн. грн.
С учетом установки, монтажа по данным дизельного производства, стоимость будет порядка 8,7 млн. грн.
С учетом затрат на НИОКР это будет:
Ц>ДГ> = Ц>ДГ1> + Ц>ниокр> = (870 + 964,0948) ∙ 105 грн.
Срок окупаемости составит:
.
Данные срока окупаемости свидетельствуют о технической целесообразности и высокой экономической эффективности автономной системы децентрализованного энергоснабжения городского электрического транспорта.
При определении срока окупаемости были учтены затраты на электроэнергию и тепло.
Срок окупаемости капитальных затрат по Салтовскому трамвайному депо:
Т = З>с> / С>с> = (27722000 / 49211873) 12 = 6,76 (месяцев).
9.2) Троллейбусное депо № 2:
С>эл. трл, 2> = С>эл. рез>>.> + С >эл> = 438993 + 1980207 = 2419200 /грн/год/;
С>т, трл. 2> = С>т, рез> + С>т> = 1093256 + 217045 = 1310301 /грн/год/.
Суммарная стоимость годовой выработки электроэнергии и тепла:
С>трл. 2> = 2419200 + 1310301 = 3729501 /грн/год/.
То же - за вычетом годовой стоимости затраченного природного газа:
оС>трл. 2> = 3729501 - 448200 = 3281301 /грн/год/.
Срок окупаемости капитальных затрат по троллейбусному депо № 2:
Т>трл. 2> = З>трл.>> >>2> / С>трл. 2> = (1848200 / 3281301) 12 = 6,76 (месяцев).
9.2) Троллейбусное депо № 3:
С>эл. трл. 3> = С>эл. рез> + С >эл> = 480982 + 1938218 = 2419200 /грн/год/;
С>т.> >трл. 3> = С>т. рез.> + С>т> = 2419200 + 1310301 = 3729501 /грн/год/.
Суммарная стоимость годовой выработки электроэнергии и тепла:
С>трл. 3> = 2419200 + 1310301 = 3729501 /грн/год/.
То же - за вычетом годовой стоимости затраченного природного газа:
С>трл. 3> = 3729501 - 448200 = 3281301 /грн/год/.
Срок окупаемости капитальных затрат по троллейбусному депо № 3:
Т>трл. 3> = З>трл. 3> / С>трл. 3> = (1848200 / 3281301) 12 = 6,76 (месяцев).
10) Суммарная стоимость годовой выработки электроэнергии по Салтовскому трамвайному депо и троллейбусным депо № 2, 3:
С>см> = 4921803 + 3281301 = 11484475 /грн/год/,
Сроки окупаемости капитальных затрат для всех объектов равны 6,76 месяцев.
Производимые мероприятия такие, как упорядочения маршрутной системы позволит экономить:
Э = (2437108 + 1704810) – (2215553 + 1549827) = 376538 грн.
Таким образом, за счет упорядочения маршрутной системы, в частности, увеличения средней длины перегона, экономия средств на электроэнергию будет представлять 376538 грн., или

Применение вагонов повышенной вместимости позволяет экономить электроэнергию благодаря иному, чем у обычного подвижного состава, соотношении между весом тары и полезной (весом пассажирской массы) затраты энергии на 1 вагоно-километр подвижного состава повышенной вместительности представляет 1,25 от обычного. Следовательно, затраты энергии на подвижной состав повышенной вместительности будет представлять
194478 82 1,25 = 19933995 кВт год.
Общие затраты энергии на транспортную работу трамвая:
40062468 + 19933995 = 59996463 кВт год.
Экономия электроэнергии за счет рационализации соотношения между количествами обычного подвижного состава и вагонов повышенной вместимости будет представлять:
Э = 63983349-59996463 = 3986886 кВт год, или в денежном эквиваленте 330912 грн.
Поскольку в данной работе рассматриваются лишь вопросы экономии электроэнергии, экономия эксплуатационных затрат при уменьшении количества вагонов в движении не учитываем.
Таким образом, рационализация состава парка трамвайных вагонов может дать экономию

Подсчитаем срок окупаемости по формуле:
,
в которой определим затраты при новом распределении парка трамваев:
К>2> = 82 ∙ 300000 = 24600000 грн.
Стоимость существующего подвижного состава представляет
К>1> = 32900000 грн.
Стоимость подвижного состава обычной вместительности, которая остается в эксплуатации, представляет
К>2> = 20600000 грн.
Экономия расхода энергии, как показано выше, достигает 330912 грн. Экономия на заработной плате водителей при уменьшении их численности соразмерно уменьшению ежесуточного выпуска представляет 2231600 грн.
Таким образом, величина эксплуатационной экономии C>1> – C>2> известна:

Таким образом, как показано выше, экономически выгодно применять рассмотренные выше решения.
9. ОХРАНА ТРУДА
9.1. Задачи раздела в области охраны труда
Согласно [39, 42, 44] подвижной состав ГЭТ должен обеспечивать безопасность передвижения, посадки и высадки пассажиров, необходимый уровень комфорта поездки, который в свою очередь определяется планировкой вагона и оборудования (сиденья, поручни), наличием освещения, отопления и вентиляции.
Анализ транспортных происшествий и несчастных случаев показал, что основными причинами дорожно-транспортных происшествий (ДТП) являются нарушения водителем ПС правил технической эксплуатации (ПТЭ), должностных инструкций и правил дорожного движения (ПДД). Эти причины возникают, как правило, при несоблюдении интервалов (графика) движения и превышении установленной на данном перегоне скорости сообщения. Наезды на пешеходов часто вызваны недисциплинированностью участников дорожного движения, а в первую очередь недостаточной предусмотрительностью и осторожностью водителя. В связи с этим необходимо разработать организационно-технические мероприятия по обеспечению безопасности работы ПС ГЭТ на линии. Таким образом, задача данного раздела - разработка комплекса мероприятий по обеспечению здоровых и безопасных условий труда водителя трамвая и троллейбуса.
9.2. Анализ условий труда водителя и выявления опасных и вредных производительных факторов при работе на ПС.
В настоящее время около 57% городских пассажироперевозок выполняет городской электротранспорт. Столь значительный объем работы, а также организация скоростного трамвайного движения, дальнейший рост городов, появление ПС новых типов, в котором использованы современные бесконтактные аппараты и машины (экономичные и надежные, но достаточно сложные по конструкции), предъявляют высокие требования к квалификации водителя. Водитель - самая ответственная профессия на транспорте, которая относится к категории с повышенной опасностью. От его квалификации, знания им оборудования, от отношения к своим обязанностям зависит безопасность пассажиров, безопасность движения, сохранность подвижного состава.
При анализе условий труда водителя путем статистических исследований выявлены следующие опасные и вредные факторы [48]:
- повышенная запыленность воздуха рабочей зоны водителя;
- повышенная (пониженная) температура воздуха рабочей зоны и оборудования кабин водителя;
- повышенный уровень вибрации и шума;
- повышенная (пониженная) влажность воздуха рабочей зоны;
- повышенное напряжение в электрической цепи, замыкание которой может пройти через тело человека;
- повышенный уровень электромагнитных излучений;
- недостаточная освещенность рабочей зоны;
- физические и психологические перегрузки водителя.
9.3. Разработка организационных и технических мероприятий для создания безвредных и безопасных условий труда водителя трамвая и троллейбуса.
Согласно [45] подвижной состав должен иметь регулируемое отопление салона и кабины водителя. Лобовое стекло кабины должно обогреваться для предотвращения его запотевания. Оконные стекла должны быть снабжены резиновыми уплотнителями, не пропускающими воду и пыль вовнутрь салона. Стекла кабины водителя должны быть прозрачными и не искажать изображение. Лобовое стекло с внешней стороны оборудуется стеклоочистителями и зеркалами заднего вида, которые устанавливаются по бокам (слева и справа). Над этим же стеклом с внутренней стороны крепятся на шарнирах козырьковые светофильтры для защиты глаз водителя от прямых солнечных лучей. Стеклоперегородки между кабиной водителя и пассажирским салоном должно быть затемнено или иметь занавеску для предотвращения проникновения света из пассажирского салона в кабину.
Сиденье водителя должно быть регулируемым в горизонтальном и вертикальном положениях, иметь полумягкую подушку и спинку из водонепроницаемого материала. Педали управления должны иметь рифленую поверхность, не допускающую скольжение ноги.
Все элементу управления трамвайного вагона и троллейбуса должны быть размещены так, чтобы водитель мог пользоваться каждым из них отдельно, не изменяя существенно положения корпуса. Усилие на штурвале рулевого управления троллейбуса при повороте на скорости 5 км/час не должно превышать 6 кгс. Щиток управления со спидометром, амперметром, манометром и другими приборами должен иметь достаточное освещение во время движения.
Электрическое оборудование в кабине водителя должно быть заизолировано и расположено так, чтобы исключить случайное проникновение к токоведущим частям аппаратуры и ожог водителя электрической дугой при срабатывании автоматического выключателя. Панель с высоковольтными предохранителями должна быть расположена отдельно и иметь защитный изоляционный кожух. На лицевой стороне этого кожуха должна быть надпись: «Осторожно! Высокое напряжение!». Замену перегоревших предохранителей разрешается производить только при опущенном токоприемнике. Запрещается устанавливать самодельные предохранители или типовые с завышенной силой тока.
Для предотвращения влияния на водителя электромагнитных излучений силовой тирристорный блок располагается под кузовом и помещен в специальные защитные кожухи, на лицевой стороне которых должны быть надписи: «При поднятом токоприемнике не открывать!», «Осторожно! Высокое напряжение!» или «Опасно! 600 В».
Подвижной состав (трамвай, троллейбус) на линию выпускается только в исправленном состоянии. В книге (журнале) ПС обязательно должна быть подпись мастера (или лица его заменяющего) о технической готовности вагона. Каждая машина при выходе из депо на линию должна быть принята водителем в соответствии с должностными инструкциями. Приступая к приемке, водитель обязан убедиться, что под трамвайным вагоном (троллейбусом) около него нет людей, окриком предупредить о приемке ПС и подъеме токоприемника. Затем водитель может выезжать со скоростью не превышающую 5 км/ч.
Документом на право выхода ПС из депо и движения его по маршруту является путевой лист, подписанный диспетчером по выпуску и представителем ОТК, подтверждающим техническую исправность ПС и годность его к эксплуатации. Основанием для подписи путевого листа является соответствующая запись технической готовности в поездном журнале.
Водитель при выезде из депо или принятии ПС у сменщика на линии обязан проверить записи в журнале ПС, а затем убедиться в исправности тормозов и работе основных аппаратов электрических цепей вагона [42], в отсутствии постороннего шума при движении на маневровой позиции контроллера водителя. При обнаружении каких-либо неисправностей, влияющих на безопасность пассажироперевозки, водитель должен сообщить об этом диспетчеру или линейному персоналу службы движения и действовать по их указаниям.
Не реже одного раза в три года водитель должен пройти медицинское освидетельствование и проверку знаний ПТЭ, «материальной части» трамвайного вагона и троллейбуса, ПДД и правил техники безопасности (ПТБ). Водитель обязан пройти медосмотр независимо от времени его последнего прохождения при возвращении из кредитного отпуска (для женщин), а так же, в отдельных случаях, по требованию администрации предприятия для определения возможности его работы в качестве водителя. Перед поступлением на работу водитель обязан пройти инструктаж по технике безопасности и совершить опытно-показательную поездку. Приступая к работе, водитель должен иметь при себе удостоверение на право управления ПС, выданное Госавтоинспекцией, и книжку водителя трамвая и троллейбуса, выданную трамвайно-троллейбусным управлением, а также путевой лист. Без указанных документов водитель к управлению транспортным средством не допускается.
Водитель должен хорошо знать все маршруты, обслуживаемым данным депо, профиль пути, опасные места и особенности работы на этих маршрутах.
9.3.1 Инструкция по технике безопасности для водителя при работе на линии.
При обходе подвижной состав предварительно необходимо надежно затормозить стояночным тормозом.
Заменяя высоковольтные предохранители или открывая кожухи контроллера, электронного блока у и других электрических аппаратов, необходимо предварительно опустить токоприемник, а разъединитель поставить в положение «выключено».
Если необходимо подняться на крышу трамвая или троллейбуса, токоприемник нужно предварительно опустить и надежно закрепить. В дождливое время работать на крыше можно только в диэлектрических перчатках. Запрещается подниматься на крышу под спецчастями контактной сети. Если опустить токоприемник по какой-либо причине не возможно, то при нахождении на крыше вагона запрещается прикасаться: одновременно к токоприемнику и заземленным частям кузова; к рожкам грозоразрядника (радиореактора); к контактным проводам. Запрещается заменять или наращивать веревку токоприемника проволокой или другими токопроводящими материалами. При грозе необходимо включить не менее двух групп освещения.
Если необходимо оставить кабину хотя бы на самое короткое время, водитель обязан взять с собой съемную рукоятку выключателя управления. Пред этим следует затормозить трамвайный вагон (троллейбус) стояночным тормозом, выключить автоматические выключатели и выключатели управления и следить за движущимся транспортом, с тем чтобы не быть задетым им при производстве каких-либо работ на ПС. Водитель должен стоять лицом к встречному транспорту. Оставлять поезд на подъемах и спусках превышающих 30% запрещается. Если необходима длительная остановка на перегоне, следует трамвайный вагон (троллейбус) затормозить стояночным тормозом, а при плохой видимости или в ночное время при неосвещенном поезде немедленно его оградить. Знаки ограждения поезда выставляют в соответствии с требованиями ПТЭ.
Водитель может начинать движение с остановочного пункта только в том случае, если путь свободен, посадка и высадка пассажиров закончена и двери закрыты (сигнальные лампы на пульте управления погасли). Подавать трамвай задним ходом водитель должен под руководством линейного работника, лично убедившись в обеспечении безопасности.
Продавать проездные билеты пассажирам разрешается только при полной остановке ПС.
Водителю категорически запрещается управлять вагоном в состоянии алкогольного опьянения или под воздействием наркотических средств; оставлять управление при опасности возникновения ДТП; управлять ПС в болезненном или утомленном состоянии, если это может поставить под угрозу безопасность движения; во время движения отвлекаться от управления ПС (принимать пищу, разговаривать, пользоваться радиоприемником); провозить в кабине посторонних лиц; начинать движение и вести трамвай или троллейбус с открытыми дверями.
Водитель обязан соблюдать скорость движения и дистанцию, предусмотренную ПДД и ПТЭ.
9.3.2 Комплектация ПС средствами безопасности.
Подготовленный к выпуску на линию ПС должен быть экипирован [44]:
- углекислым или порошковым огнетушителем или ящиком с песком;
- лобовым и задним маршрутными указателями, а также боковым трафаретом;
- громкоговорящей установкой;
- знаком аварийной остановки; Водитель должен иметь:
- съемную рукоятку выключателя управления;
- комплект необходимых инструментов;
- комплект плавких предохранителей;
- диэлектрические перчатки;
- комбинированные рукавицы;
- оранжевый сигнальный жилет;
- путевой лист;
- расписание движения;
- поездной журнал.
9.4. Обеспечение пожарной безопасности
Городской электрический транспорт относится к категории с повышенной пожароопасностью. Пожар в трамвайном вагоне или троллейбусе может возникнуть по следующим причинам: замена предохранителя или проведение какого-либо ремонта при поднятом токоприемнике; применение предохранителей, по номинальному току не соответствующих данной цепи, а также «жучков»; поднятие токоприемника включенных высоковольтных выключателях, рубильниках и автоматических выключателях. Пожар может возникнуть и в том случае, если повреждена изоляция электропроводов, а также в случае попадания на электрическую аппаратуру посторонних металлических предметов. Нельзя продолжать работу, если в вагоне чувствуется запах гари или дыма, не выяснена причина этого и не устранена неисправность.
В состав электрооборудования ПС ГЭТ входят силовые кабели и провода, которые имеют горящую изоляцию, пропитанную лаками, смолами, парафином и другими горящими веществами. Исключение возможности возникновения пожара может быть достигнуто систематическим контролем и профилактикой изоляции, правильным уходом и своевременным проведением технических осмотров и ремонтов ПС согласно [45, 47]. Все силовые кабели, провода цепей управления, освещения, отопления, аккумуляторные батареи должны соответствовать государственным стандартам. Изоляция проводов и электрических аппаратов должна подвергаться испытаниям в соответствии с действующими условиями.
Все выключатели и предохранители обязательно должны быть снабжены бирками, на которых указывается к какой цепи они относятся и на какой ток рассчитаны. Провода низковольтных цепей должны быть тщательно изолированы от высоковольтной проводки. Провод, связывающий токоприемник и радиореактор (провод, который пропущен в штанге троллейбуса), должен иметь изоляцию, рассчитанную на 3000 В, и заключен в резиновый шланг.
Сопротивление изоляции должно быть:
- провода по отношению к штанге 5 МОм;
- штанги по отношению к штангодержателю 5 МОм.
- основа к опорной раме 20 МОм.
Вся высоковольтная аппаратура трамвая и троллейбуса должна быть изолирована от кузова и выполнена проводом с изоляцией на 2000 В.
При возникновении пожара в вагоне, водитель должен немедленно остановить ПС, открыть двери, чтобы высадить пассажиров. Затем опустить токоприемник и приступить к тушению пожара огнетушителем типа ОУ-2 (ОУ-5, ОУ-8) или песком из песочниц, а при необходимости срочно вызвать пожарную команду через линейных работников или других лиц. Водители других поездов обязаны оказывать помощь в тушении пожара.
На территории депо необходимо выполнять водителем правила противопожарной безопасности: запрещается устанавливать ПС так, чтобы он перекрывал проезжую часть, выходы и входы в помещения, закрывал пожарные колодцы, гидранты и другие противопожарные устройства или затруднял доступ к ним.
9.5. Разработка мероприятий по охране окружающей среды
Городской электрический транспорт является источником загрязнения окружающей среды. Отрицательное воздействие на человека и окружающую среду оказывают загрязнение воздушного бассейна города пылью, шум и вибрация. Хотя трамвай и троллейбус не являются источником выхлопных газов, но работая совместно с другими видами ПС, способствует увеличению загазованности воздуха.
Отрицательное шумовое воздействие транспортных средств на здоровье человека выражается в развитии хронического утомления, появления расстройства центральной нервной системы и развитии гипертонии.
Снижение вредного воздействия ПС ГЭТ на окружающую среду и доведение его до допустимых пределов осуществляется путем планомерных конструктивных строительных и планировочных мероприятий. Одним из главных мероприятий является проектирование полос озеленения рядом с полосами движения ПС. Зеленые насаждения выполняют функцию защиты окружающей среды от транспортного шума, пыли. На остановочных пунктах и в местах отдыха они способствуют созданию благоприятного микроклимата, а также служат архитектурно-композиционным целям.
Полоса зеленых насаждений должна иметь ширину до 30 м, причем самые высокие деревья рекомендуется располагать в центре полосы. Правильно засаженные растения позволяют снизить уровень шума на 10 дБ и более. Отдельный, плотно засаженный ряд деревьев с кустарником снижает уровень шума на 20 дБ. Зеленые насаждения следует располагать так, чтобы они не мешали движению транспортных средств и пешеходов, а также видимости водителям.
9.6. Выводы
В соответствии с дипломным заданием в данном разделе определены его цели и задачи; выявлены потенциальные вредные факторы; разработаны организационно-технические мероприятия для создания безвредных и безопасных условий труда водителя трамвая и троллейбуса; разработаны мероприятия противопожарной безопасности; уделено внимание вопросам охраны окружающей среды.
Разработанные в разделе организационные и технические мероприятия в области охраны труда позволяют создать безопасные и здоровые условия труда водителя подвижного состава городского электрического транспорта.
ЗАКЛЮЧЕНИЕ
Обзор ресурсосберегающих технологий и режимов применительно к городскому электрическому транспорту, убеждает, что этим вопросом необходимо заниматься, т.к., ресурсо-, энерго- сбережение является приоритетным направлением развития промышленной экономики Украины.
Так в дипломном проекте был рассмотрен ряд решений, которые в значительной степени позволяют уменьшить используемый ресурс предприятиями (сократить расход электроэнергии, уменьшить трудовые затраты, рационально использовать финансовые ресурсы, и другие материальные). Как было указано в дипломном проекте, ресурсосбережение необходимо рассматривать в комплексе (в целом), иначе получится так, что, экономя какой либо ресурс в отдельности в целом, предприятие будет нести убытки за счет еще большего перерасхода (потерь) в другом. Поэтому к этому вопросу необходимо подходить, взвешивая и рассчитывая все условия, которые способны привести к экономии или затратам.
В дипломном проекте были рассмотрены вопросы современного состояния горэлектротранспорта, повышение технико-экономических показателе работы предприятия. Также показан на примерах опыт предприятий ближнего и дальнего зарубежья. Были предложены ресурсосберегающие технологии регенерации масел, смазки узлов и агрегатом с применением новых присадок, защите техники от коррозии, старения и биоповреждения. Системы автономного децентрализованного энергообеспечения и т. д. Ресурсосберегающие режимы позволяют получать экономию электроэнергии за счет рационального размещения остановок, использования различных типов подвижного состава, применение электронных преобразователей.
Немаловажное внимание уделялось организации технического обслуживания и ремонта основных фондов, были предложены методы механизации работ, что значительно позволило уменьшить расход не только материальных ресурсов, но и трудовых.
Просчитав экономическую эффективность от внедрения ресурсосберегающих технологий и режимов, позволило показать экономическую целесообразность данных мероприятий. Главной целью, которых является оказание помощи в решении сложных перевозочных вопросов.
ЛИТЕРАТУРА
Правила эксплуатации трамвая и троллейбуса. Киев 1996 г.
Файнберг А. И. и др. Экономика, организация и планирование городского электрического транспорта. М.: Транспорт, 1987 г.
Овечников Е. В., Фишельсон М. С. Городской транспорт., 1976 г.
Венецкий Е. В,, Венецкая В. И. Основные математико-статистические понятия и формулы в статистическом анализе. М.: Статистика. 1979 г.
Закон Украины «Про транспорт».
Смирнов Н. В. и др. Короткий курс математической статистики. 1959.
Чернов Г., Мозес Л. Е. Элементарная теория статических решений. 1969г.
Рабинович П. М. Статические методы достижения производственных резервов. 1983 г.
Коммунальное хозяйство городов. Киев. «Техника» 1998 г.
Кобозев В. М. Эксплуатация и ремонт подвижного состава городского электротранспорта. М.: «Высшая школа», 1982, -320с.
Кузнецов Е. С. Техническая эксплуатация автомобилей. М.: «Транспорт», 1991, -413 с.
Цукало П. В. Экономия электроэнергии на электроподвижном составе. М.: «Транспорт», 1983г. -174 с.
Розенфельд В. Е. и д.р. Теория электрической тяги. М.: «Транспорт», 1983г. -328с.
Долин П. А. Справочник по технике безопасности. - М.: Энергоатомиздат, 1984.
Игнатьев Р. А., Михайлова А. А.. Защита техники от коррозии, старения и биоповреждений; Справочник - М: Россельиздат, 1987. - 364с.
Шевченко В. В., Арзамасцев Н. В., Бодрухина С. С., электроснабжение наземного городского электрического транспорта. Москва 1987г. -272с.
Котельников А. В. Блуждающие токи электрифицированного транспорта. М. Транспорт, 1986. - 279с.
Конюхов А. Д., Осадчук Г, И. Коррозионностойкие материалы для кузовов вагонов. - М.: Транспорт, 1987. 143с.
Авдеенко С. П., Засавский Ю. С., Константинов И. О. и др. Компьютерно -радиоизотопный метод исследования антипиттинговых свойств моторных масел. -Трение и износ, т. 10, №6, 1989 г., с. 1006-1012.
Раджабов Э. А., Парфенова В. А., Гуреев А. А. и др. // Химия и технология топлива и масел, 1985. №7, с. 25-27.
Лютый С. Н., Резников В. Д., Павлов А. Г., Метода отборочных масел. -Трение и износ, 1989, т. 10, № 2, с. 367-371.
Войтов В. А., Баздеркин В. А. Универсальная машина трения. - Трение и износ, 1994. т. 15, с. 501-506.
Войтов В. А., О расположении материалов в парах трения по твердости и конструктивных способах повышения износостойкости. - Трение и износ, 1994, т. 15, с.452-460.
Борисов М. В., Павлов И. А., Постников В. И. Ускоренные испытания машин на износостойкость, как основа повышения их качества. -М.: Издательство стандартов, 1976. -352с.
Поверхностная прочность материала при трении /Б. И. Костецкий, И. Г. Носовский, А. К Карзулов и др. -Киев: Техника, 1976. -296с.
Авдокин Ф. Н. Теоретические основы эксплуатации автомобилей. М.: «Транспорт», 1985, -215с.
Веклич В. Ф. Диагностирование технического состояние троллейбусов. М.: «Транспорт», 1990, -295с.
Комплект плакатов по фактическому и рациональному использованию ресурсов на ГЭТ.
ГОСТ 30167-96. Порядок установления показателей ресурсосбережения в документации на продукцию.
Габарда Д. Новые транспортные системы в городском общественном транспорте. М.: «Транспорт», 1990, -216с.
Самойлов Д. С. Городской транспорт. М.: «Стройиздат», 1983, -384с.
ГОСТ 3051-95. Ресурсосбережение. Основные положения. /-Киев Госстандарт Украины, 1995г.
ГОСТ 2155-93. Энергосбережение. Методы определения экономической эффективности методов в энергосбережении. /-Киев Госстандарт Украины, 1995г.
Дудник А. Н., и др, Развитие энергетических установок с использованием технологий топливных элементов за рубежом, 1996.
Кобелев Ф. С,, Сосновский Я. Ш. Силовая электроника и ресурсосбережение., 1995.
Энергосбережение - приоритетное направление государственной политики Украины. /Ковалко М. П., Денисюк С. П., Киев, 1998. -506с.
Афанасьев Н. А., Юсипов М. А. Система технического обслуживания и ремонта оборудования энергохозяйств промышленных предприятий (система ТО и Р). 1989, -528с.
Далека В. Ф. Конспект лекций. «Ресурсосбережение на ГЭТ».
Долин П. А. Справочник по технике безопасности. - М.: Энергоатомиздат, 1984.
Должностные инструкции работников службы ХТТУ. - Харьков: ХТТУ, 1997.
Должностная инструкция водителя трамвая. - Харьков: ХТТУД982.
Положение об организации работы по управлению охраной труда в жилищно-коммунальном хозяйстве УССР: РДП 204 УССР 004-85, - Киев: МЖКХ УССР, 1985.
Правила техники безопасности на городском электротранспорте. - М.: Транспорт, 1977.
Правила технической эксплуатации трамваев. - М.: Транспорт, 1978.
Правила технической эксплуатации подвижного состава городского электротранспорта. - М.: Стройиздат, 1976.
Правила технической эксплуатации электроустановок потребителей. Правила техники безопасности при эксплуатации электроустановок потребителей. - М.: Энергоатомиздат, 1986.
ГОСТ 12.0.003-74. ССБТ. Опасные и вредные производственные факторы. Классификация.
ГОСТ 12.1.007-76 ССБТ. Вредные вещества.

































































— скорость транспортного потока;