Измерение сопротивлений (работа 1)
При изготовлении, монтаже и эксплуатации электротехнических и радиотехнических устройств и установок необходимо измерять электрическое сопротивление.
В практике для измерения сопротивлений применяют различные методы в зависимости от характера объектов и условий измерения (например, твердые и жидкие проводники, заземлители, электроизоляция); от требований к точности и быстроте измерения; от величины измеряемых сопротивлений.
Методы измерения малых сопротивлений существенно отличаются от методов измерения больших сопротивлений, так как в первом случае надо принимать меры для исключения влияния на результаты измерений сопротивления соединительных проводов, переходных контактов.
Далее рассмотрим только те методы, которые в практике применяют наиболее часто.
Измерительные механизмы омметров. Для прямого измерения сопротивлений применяют магнитоэлектрические измерительные механизмы одно- и двухрамочные.
Однорамочный
механизм можно использовать для
измерения сопротивлений. С этой целью
в прибор вводят добавочный резистор с
постоянным сопротивлением
и снабжают его источником питания
(например, батареей сухих элементов).
Измеряемое сопротивление
включается с измерителем последовательно
(рис. 1) или параллельно.
При последовательном
соединении ток в измерителе
,
где
— сопротивление измерителя;
—
напряжение источника питания.
Учитывая,
что
,
где
— чувствительность прибора по току
(постоянная величина), находим, что угол
отклонения стрелки прибора при
зависит только от величины измеряемого
сопротивления
:

Если шкалу отградуировать по этому выражению в единицах сопротивления, то прибор будет омметром. Напряжение сухих элементов со временем уменьшается, поэтому в измерения вносится ошибка, тем большая, чем больше действительное напряжение отличается от того напряжения, при котором была градуирована шкала.

Ошибка
от непостоянства напряжения питающего
источника не возникает, если измерительный
механизм имеет две обмотки, расположенные
на общей оси под некоторым углом друг
к другу (рис. 2.).
Рис. 1. Рис. 2.
В двухрамочном измерительном механизме, который называют логометром, нет противодействующих пружин, вращающий и противодействующий моменты создаются электромагнитными силами. Поэтому при отсутствии тока в обмотках хорошо уравновешенная подвижная часть прибора находится в безразличном равновесии (стрелка останавливается у любого деления шкалы). Когда в катушках есть ток, на подвижную часть действуют два электромагнитных момента, направленные в противоположные стороны.
Магнитная цепь измерительного механизма устроена так, что магнитная индукция вдоль воздушного зазора распределена неравномерно, но с таким расчетом, что при повороте подвижной части в любую сторону вращающий момент уменьшается, а противодействующий момент увеличивается (в зависимости от направления поворота роль моментов меняется).
Подвижная часть
останавливается при
или
.
Отсюда следует, что положение стрелки
на шкале зависит от отношения токов в
обмотках, т.е.
,
но не зависит от напряжения питающего
источника.
На схеме рис. 2.
видно, что измеряемое сопротивление
входит в цепь
одной из катушек
логометра,
поэтому ток в ней, а также отклонение
стрелки прибора однозначно зависит от
значения
.
Используя эту зависимость, шкалу градуируют в единицах сопротивления и тогда прибор является омметром. Омметры для измерения сопротивления изоляции снабжают источником питания с напряжением до 1000 В, чтобы измерение проводить при напряжении, примерно равном рабочему напряжению установки. Таким источником может быть встроенный магнитоэлектрический генератор с ручным приводом или трансформатор с выпрямителем, включаемый в сеть переменного тока.
Омметры, рассчитанные на измерения больших сопротивлений (больше 1 МОм), называют мегаомметрами.
Косвенные методы
измерения сопротивлений.
Сопротивление резистора или другого
элемента электрической цепи можно
определить по показаниям вольтметра и
амперметра (при постоянном токе),
применяя закон Ома:
(схемы
рис. 3,
а, б). По
схеме на рис. 4
определяют сопротивление
по показаниям
одного вольтметра. В положении 1
переключателя П
вольтметр измеряет напряжение сети
,
а в положении 2
— напряжение
на зажимах вольтметра
.
В последнем случае
.
Отсюда

Косвенные методы
применяют для измерения средних
сопротивлений, а одним вольтметром
измеряют также большие сопротивления.
Точность этих методов значительно
зависит от соотношения величин измеряемого
сопротивления
и внутренних сопротивлений амперметра
и вольтметра
.
Результаты измерения можно считать
удовлетворительными по точности, если
выполняются условия:
(см. схему
рис. 3, а);
(см. схему рис. 3, б);
(см. схему рис. 4).


Рис. 3 Рис. 4
Методы и приборы
сравнения.
Для измерения малых и средних сопротивлений
применяют метод сравнения измеряемого
сопротивления
с образцовым
.
Эти два сопротивления на схеме рис. 5
соединены последовательно, поэтому ток
в них один и тот же. Величину его регулируют
с помощью резистора
,
так, чтобы она не превышала допустимого
тока для сопротивлений
и
.
Отсюда
.
Неизвестные падения напряжения
и
измеряют вольтметром или потенциометром.
Результаты измерения получаются более
точными, если сопротивления
и
одного порядка, а сопротивление вольтметра
достаточно велико, так что присоединение
его не влияет на режим основной цепи.
При измерении малых сопротивлений этим методом вольтметр подключают с помощью потенциальных зажимов, которые позволяют исключить сопротивления контактов основной цепи из результатов измерения.
Средние и большие
сопротивления можно измерить методом
замещения (рис. 6). Амперметром А
измеряют ток, устанавливая переключатель
П
в положение 1,
а затем 2.
Напряжение на входных зажимах схемы
одинаково, поэтому
.
Отсюда
.
При измерении больших сопротивлений амперметр заменяют гальванометром с шунтом, чем значительно повышают точность измерения.


К вольтметру
Рис 5. Рис 6.

Рис. 7
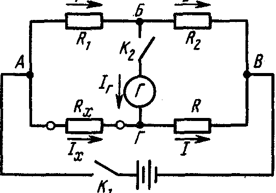
Наиболее точные результаты при измерении сопротивлении дают мостовые схемы, которые в практике применяют в различных вариантах в зависимости от величин измеряемых сопротивлений и требуемой точности измерения.
Чаще других можно
встретить прибор, построенный по схеме
рис. 7, который в практике называют
“одинарным мостом”. В данном случае в
мостовую схему входят сопротивления
;
;
;
,
которые образуют замкнутый контур А,
Б, В, Г из
четырех ветвей (их называют “плечами
моста”).
В одну диагональ схемы включен источник постоянного тока, в другую — гальванометр с двусторонней шкалой (нуль в середине шкалы).
Предположим, что
при некотором сопротивлении
другие сопротивления подобраны так,
что ток в измерительной диагонали
,
т. е.
потенциалы
и
одинаковы
при замкнутых выключателях
и
.
В этом случае
;
/;
;.
.
Используя эти
равенства, нетрудно получить выражение
для измеряемого сопротивления
.
Если сопротивления
и
одинаковые по величине, то
.
В приборе промышленного изготовления
— это набор резисторов (магазин
сопротивлений), составленный по
декадному принципу. На верхней крышке
расположены переключатели, с помощью
которых можно набрать в известных
пределах любую величину сопротивления
с точностью, которая определяется
самой малой ступенью изменения
сопротивления.
Для расширения
пределов измерения величины
и
подбирают так, чтобы их отношение
можно было изменить тоже по десятичной
системе (например,
;
10; 1; 0,1;
0,01; 0,001; 0,0001).
Одинарные мосты применяют в основном для измерения средних сопротивлений. При измерении малых сопротивлений измеряемый элемент включают по особой схеме или применяют специальные мосты, предназначенные для этой цели.
Реферат на тему
"Измерение сопротивлений"
1