Курсовая работа (работа 3)
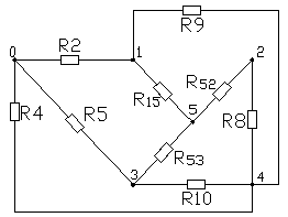
Исследование сложной электрической цепи постоянного тока методом узловых потенциалов.
R1=130 Ом
R2=150 Ом
R3=180 Oм
R4=110 Oм
R5=220 Oм
R6=75 Oм
R7=150 Oм
R8=75 Oм
R9=180 Oм
R10=220 Oм
E1=20 В
E4=5.6 В
E6=12 В
1.Расчет узловых потенциалов.
Заземляем 0й узел, и относительно него рассчитываем потенциалы остальных узлов.
Запишем матрицу проводимостей для этой цепи:
Y=
После подстановки значений:
Y=
Составляем матрицу узловых токов:
I=
По методу узловых потенциалов мы имеем уравнение в матричном виде:

Y – матрица проводимостей;
U – матрица узловых потенциалов;
I – матрица узловых токов.
Из этого уравнения выражаем U:

Y-1 – обратная матрица;
Решаем это уравнение, используя математическую среду Matlab: U=inv(Y)*I
inv(Y) – функция ищущая обратную матрицу.
U=
Зная узловые потенциалы, найдем токи в ветвях:
i>1>=
=
0.0768; i>2>=
=
0.0150; i>3>=
=
0.0430;
i>4>=
=
0.0167; i>5>=
=
0.0454; i>6>=
=
0.0569;
i>7>=
=
4.2281105; i>8>=
=
0.0340; i>9>=
=
0.0288;
i>10>=
=
0.0116
2.Проверка законов Кирхгофа.
Первый закон
для 0го узла : i>4>+i>2>i>5>i>1>=0
для 1го узла : i>2>+i>6>i>3>i>9>=0
для 2го узла : i>3>+i>7>i>8>i>1>=0
для 3го узла : i>10>i>7>i>6>i>5>=0
для 4го узла : i>8>+i>4>+i>9>i>10>=0
Второй закон
1й контур : i>1>R1+i>2>R2+i>3>R3=E>1 > 20=20
2й контур : i>2>R2i>6>R6+i>5>R5=E>6 > 12=12
3й контур : i>4>R4i>8>R8i>3>R3i>2>R2=E>4 > 5.6=5.6
4й контур : i>3>R3+i>8>R8+i>10>R10+i>6>R6=E>6 > 12=12
5й контур : i>3>R3i>7>R7+i>6>R6=E>6 > 12=12
6й контур : i>9>R9i>8>R8i>3>R3=0 0=0
3.Проверка баланса мощностей в схеме
Подсчитаем мощность потребителей:
P>1>=i>1>2R1+i>2>2R2+i>3>2R3+i>4>2R4+i>5>2R5+i>6>2R6+i>7>2R7+i>8>2R8+i>9>2R9+i>10>2R10+E4i>4>= 2.2188
Сюда включёна мощность Е4 так как он тоже потребляет энергию.
Подсчитаем мощность источников:
P>2>=E1i>1>+E6i>6>=2,2188
P>1>P>2>=0
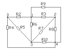
4.Метод эквивалентного генератора.
Рассчитаем ток в ветви с максимальной мощностью, методом эквивалентного генератора.
Сравнивая мощности ветвей видим, что максимальная мощность выделяется в первой ветви, поэтому уберём эту ветвь и для получившейся схемы рассчитаем U>xx> и R>эк> .
Расчёт U>xx> методом узловых потенциалов:
Матрица проводимостей:
Y=
Матрица узловых токов:
I=
По методу узловых потенциалов находим:
=
Но нас интересует только разность потенциалов между 0ым и 3им узлами: U>30>=U>xx> =6.1597.
I>1>=
=
=0.0686
Где эквивалентное сопротивление
находится следующим образом:


∆123 123
054 ∆054 054 ∆054

024 ∆024
При переходе
от
∆ используется
формулы преобразования:
,
а при переходе ∆
:
,
две остальные формулы и в том, и в другом
случаях получаются путем круговой
замены индексов.
Определим
значение сопротивления, при котором
будет выделяться максимальная мощность.
Для этого запишем выражение мощности
на этом сопротивлении:
.
Найдя производную этого выражения, и
приравняв её к нулю, получим: R=R>эк>,
т.е. максимальная мощность выделяется
при сопротивлении нагрузки равном
внутреннему сопротивлению активного
двухполюсника.
5.П
остроение
потенциальной диаграммы по контуру.
П
о
оси X откладывается
сопротивление участка, по оси Y
потенциал соответствующей точки.
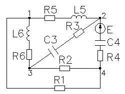
Исследование сложной электрической цепи переменного тока методом контурных токов.
Переобозначим в соответствии с графом:

R1=110 Ом L5=50 млГ С4=0.5 мкФ
R2=200 Ом L6=30 млГ С3=0.25 мкФ
R3=150 Ом
R4=220 Ом E=15 В
R5=110 Ом =2f
R6=130 Ом f=900 Гц
1.Расчет токов и напряжений в схеме, методом контурных токов.
Матрица сопротивлений:
Z=
=
=102
Матрица
сумм ЭДС, действующих в ком контуре:
E>к>=
По методу
контурных токов: I>x>=Z1E>к>=
Действующие
значения: I>x>=
Выражаем токи в ветвях дерева: I>4>=I>1>+I>2>= 0.0161+0.0025i I>4>=0.0163
I>5>=I>1>+I>2>+I>3>=0.02080.0073i I>5>=0.0220
I>6>=I>2>+I>3>=0.00430.0079i I>6>=0.0090
Напряжения на элементах:
U>R1>=I>1>R1=1.8162 U>L5>=I>5>L5=6.2327 U>C3>=I>3>
=7.6881
U>R2>=I>2>R2=0.3883 U>L6>=I>6>L6=1.5259 U>C4>=I>4>
=5.7624
U>R3>=I>3>R3=1.6303
U>R4>=I>4>R4=3.5844
U>R5>=I>5>R5=2.4248
U>R6>=I>6>R6=1.1693
2.Проверка баланса мощностей.
Активная мощность:
P=I>1>2R1+I>2>2R2+I>3>2R3+I>4>2R4+I>5>2R5+I>6>2R6=0.1708
Реактивная мощность:
Q=I>5>2L5+I>6>2L6-I32
=0.0263
Полная мощность:
S=
=0.1728
С другой стороны:
Активная мощность источника:
P=EI>4>cos(arctg
)=0.1708
Реактивная мощность источника:
Q=EI>4>sin(arctg
)=0.0265
Полная мощность источника:
S=EI>4>=0.1728
3.Построение векторной диаграммы и проверка 2го закона Кирхгофа.
Для 1го контура:
I>1>R1+I>4>R4+I>4>
+I5R5+I5282.7433iE=0.00880.0559i
Для 2го контура:
I>2>R2+I>4>R4+I>4>
+I>5>282.7433i+I>5>R5+I>6>169.6460i+I>6>R6=0.0088
0.0559i
Для 3го контура:
I>5>R5+I>6>169.6460i+I>6>R6+I>3>
+I>3>R3+I>5>282.7433i=0.06800.0323i
Векторная диаграмма:

Топографическая диаграмма для 1го контура:

Топографическая диаграмма для 2го контура:

Топографическая диаграмма для 3го контура:

Исследование сложной электрической цепи постоянного тока методом узловых потенциалов. 1
1. Расчет узловых потенциалов. 1
2. Проверка законов Кирхгофа. 2
3. Проверка баланса мощностей в схеме 3
4. Метод эквивалентного генератора. 3
5. Построение потенциальной диаграммы по контуру. 4
Исследование сложной электрической цепи переменного тока методом контурных токов. 5
1. Расчет токов и напряжений в схеме, методом контурных токов. 6
2. Проверка баланса мощностей. 6
3. Построение векторной диаграммы и проверка 2го закона Кирхгофа. 7