Определение реакций опор твердого тела
Министерство общего и профессионального образования
Российской Федерации
Иркутский государственный технический университет
Кафедра теоретической механики
КУРСОВАЯ РАБОТА
С.1 Определение реакций опор твердого тела
Вариант 28
Выполнил студент группы
Принял доцент кафедры теоретической механики
Хазанов Д.В.
Иркутск 2001г.
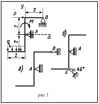
Дано: схемы закрепления бруса (рис.1, а, б, в); Р = 20 кН; М = 10 кН×м;
q = 2 кН/м.Определить реакции опор для такого способа закрепления, при котором реакция Y>A> имеет наименьший модуль.
Решение. Рассмотрим систему уравновешивающихся сил, приложенных к конструкции. Действие связей на конструкцию заменяем их реакциями: в схеме а - X>A>, Y>A>, Y>B>, в схеме б - X>A>, Y>A>, R>B>, в схеме в - X>A>, Y>A>, R>C>. Равномерно распределенную нагрузку интенсивностью q заменяем равнодействующей
Q
= q×2
= 4 кН/м
Д
ля
схемы а
∑>M(A)> : 2*Y>B>-2*P-M+1*Q=0 ⇒ Y>B>=(M+2P-Q)/2=23 кH
На ось Y: Y>B>+Y>A>-Q=0 ⇒ Y>A>= Q-Y>B>=4-23=|-19|=19 кH
Д
ля
схемы б)
На ось X : -R>B>-X>A>+P=0
На ось Y: Y>A>-Q=0 ⇒ Y>A>= Q=4 kH
∑>M(A)> : 2R>B> –2*P-M+Q*1=0 ⇒ R>B> =(M+2P-Q)/2=23 кH
R>B>-X>A>+P=0 ⇒ X>A>= P-R>B>=20-23= -3 кН
Для схемы в)
На ось Y: Y>A>-Q+R>C>sin45°=0 ⇒ Y>A>= Q- R>C>sin45°
∑>M(A)> : -2*P-M+Q-2*R>C>cos45°=0 ⇒ R>C>=-(M+2P-Q)/2½=-46/2½ кH
Y>A>= 4+46/2½ sin45°=27 кH
Результаты расчета приведены в таблице
|
Схема |
Реакция Y>A>, кН |
Силы, кН |
|
|
X>A> |
R>B> |
||
|
а |
-19 |
- |
- |
|
б |
4 |
-3 |
23 |
|
в |
27 |
- |
- |