Фотоприймачі з внутрішнім підсиленням
Л
ьвівський
Державний
Університет
Ім. І.Франка
Кафедра нелінійної оптики
РЕФЕРАТ
на тему:
„Фотоприймачі з внутрішнім підсиленням”

Виконали:
Студенти факультету прикладної
математики та інформатики
II-го курсу групи ПМІ - 21
Ганцаж Андріан та
Тимовчак Степан
Львів 1999
Зміст:
1. Загальні принципи роботи фотоприймачів (ФП).
2. Основні характеристики і параметри ФП.
3. Різні типи внутрішнього підсилення в ФП:
– звичайне підсилення на основі p-n-переходу (біполярні
транзистори);
– інжекційне підсилення;
– лавинне підсилення;
5. Застосування ФП з внутрішнім підсиленням.
6. Перспективи.
ФОТОПРОВІДНІСТЬ НАПІВПРОВІДНИКІВ
Оптична генерація носіїв току. Вільні носії, що беруть участь в електропровідності напівпровідника і знаходяться з решіткою у термодинамічній рівновазі, з'являються в результаті термічної генерації. Вони називаються зрівноваженими, а провідність у цьому випадку – зрівноваженою провідністю. Поява вільних електронів і дірок може бути пов'язана з іншими чинниками, зокрема, із поглинанням оптичного випромінювання. Носії струму, що виникли в матеріалі, минаючи термічне збудження, називаються незрівноваженими. Відповідно і надлишкова провідність називається незрівноваженою.
При поглинанні фотона електронно-діркова пара одержує деяку надлишкову енергію і квазіімпульс. Зрівноважений розподіл фотоносіїв по енергіях і квазіімпульсах встановлюється за час, менший часу перебування у відповідних зонах. Тому вони встигають "термолізуватися", тобто розподіл їх по енергіях і квазіімпульсах стає таким же, як і для зрівноважених електронів і дірок. Повна електропровідність:
= q(>n>n>0 >+ >p>p>0 >+ >n>n + >p>p),
де n>0> і p>0> – зрівноважені концентрації електронів і дірок; n, p – незрівноважені їх концентрації.
Фотопровідність:
>ф >= q(>n>n + >p>p)
При h E>g> концентрація незрівноважених електронів і дирок пропорційна швидкості оптичної генерації, тобто g = a()N>ф>, де N>ф> – потік фотонів, () – квантовий вихід фотоіонізації (кількість електронно-діркових пар, утворених одним квантом світла).
Підсилення фотоструму. В однорідному напівпровіднику фотострум:
I>ф> = qGK>ф>,
де G – повна генерація; K>ф> = >n> / t>n> + >p> / t>p> – коефіцієнт підсилення; t>n> ,t>p> – часи прольоту електронів і дірок між електродами при довжині зразка d і прикладеній напрузі U:
t>n> = d2 / (>n> U), t>p>=d2/(>p> U)
В результаті:
K>ф> = (>n> / t>n> + >p> / t>p>)U / d2
I>ф> = qG(>n> / t>n> + >p> / t>p>)U / d2
Фізичний зміст коефіцієнта підсилення полягає в тому, що, утворена світлом незрівноважена провідність в напівпровіднику зберігається до того часу, поки не рекомбінуються в об’ємі чи не вийдуть з нього через контакти в зовнішній ланцюг залишкові носії. Оскільки електрони і дірки мають різні рухливості, то при досить великих напругах електричного поля (коли час прольоту електрона через зразок буде менший часу життя) за час до рекомбінації електронно-діркової пари від контакту до контакту пройде електронів більше, ніж один. Якщо час життя і рухливість не залежать від поля, то фотострум повинен лінійно зростати зі збільшенням прикладеної напруги чи зменшенням відстані між контактами. Така залежність буде зберігатись доти, поки час прольоту дірок не зменшиться до часу життя. Після цього фотострум перестає зростати, так як ефективний час життя незрівноваженої електронно-діркової пари починає спадати пропорційно до прикладеного електричного поля, що компенсує збільшення швидкості їх руху. В цій області зміщень швидкодія збільшується. Нелінійна залежність фотоструму може бути зв’язана з виникненням об’ємного заряду в напівпровіднику з залежністю від електричного поля рухливості і часу життя носіїв внаслідок їх “розігріву”, тобто збільшення швидкості вище теплової при даній температурі.
Для власного поглинання в області малих зміщень при рівномірній по об’єму генерації електронно-діркових пар зміна незрівноваженої провідності визначається рівнянням:
d>ф> / dt = q(>n> + >p>)G - >ф> / >ф>,
де >ф> = (>n>n + >p>p)( >n>n / >n> + >p>p / >p>)-1
Це є час релаксації фотопровідності (час життя незрівноваженої провідності) і визначає темп затухання незрівноваженої провідності ф.
В стаціонарному стані (d>ф> / dt = 0) фотопровідність:
>Фст> = q(>n> + >p>)G>>>ф>
Видно, що чим вище >ф>, тим більша фотопровідність, але і більший час встановлення стаціонарного стану, тобто більша інерційність фотоприйомного приладу і менша полоса пропускання f. Якість фотоприймача оцінюється його добротністю
Q = K>ф>f
Для кожного типу фотоприймача з лінійним механізмом підсилення фотоструму його добротність є величина постійна .Виграш в коефіцієнті підсилення супроводжується пропорційним зменшенням полоси пропускання і навпаки.
ХАРАКТЕРИСТИКИ І ПАРАМЕТРИ ФОТОПРИЙМАЧІВ
ХАРАКТЕРИСТИКИ ФОТОПРИЙМАЧІВ
Фотоприймачі є приладами, що реагують на потік випромінювання.
Вольт-амперна характеристика відображає залежність струму, що проходить у ланцюзі фотоприймача, від напруги на ньому. Світловий (загальний) струм I = I>Т>> >+ I>Ф> де І>Т> - струм за відсутності освітлення; I>Ф> – фотострум.
Спектральна характеристика визначає реакцію фотоприймача на вплив випромінювання з різноманітною довжиною хвилі. Вона визначає спектральну область застосування приймача, а також його спектральну й інтегральну чутливості. Енергетична (світлова) характеристика відображає залежність фотовіддачі від інтенсивності збуджуючого потоку випромінювання (ампер-ватна, вольт-ватна, люкс-амперна характеристики).
Енергетичною характеристикою називають також залежність інтегральної або спектральної чутливості приймача від інтенсивності засвітки.
Температурні характеристики визначають залежність ряду параметрів (темновий струм, темновий опір, чутливість і ін.) від температури навколишнього середовища. При цьому обумовлюються значення основних параметрів у крайніх точках робочого діапазону при робочій напрузі живлення фотоприймача. Температурний коефіцієнт фотоструму (ТК) визначається відношенням
ТК = [(І>2 >- І>1>) / І>1>(Т>2 >- Т>1>)]100%,
де І>1> і І>2> – світловий струм при температурі Т>1> і Т>2> відповідно.
Граничні характеристики описують здатність фотоприймача реагувати на світлові сигнали слабкої інтенсивності. У значній мірі ці характеристики визначаються власними шумами приладу, що є флуктуацією струму, що проходить через нього за відсутності засвітки або при впливі немодульованого світлового потоку.
Тепловий шум є білим і виявляється
у вигляді безладних коливань на виводах
фотоприймача. Напругу цього шуму можна
зменшити навантаженням приймача
узгодженим опором. До складу струмового
(1/f), або надлишкового, шуму входять
модуляційний і контактний шуми.
Іноді (при частотах
f
1/2
до
цього типу шумів відносять і
генераційно-рекомбінаційний шум.
Радіаційний шум обумовлений випадковими флуктуаціями потоку випромінювання. Спектр потужності радіаційного (фотонного) шуму має постійну амплітуду, що слабко залежить від частоти.
Важливими властивостями фотоприймачів є стабільність – спроможність зберігати фотоелектричні параметри у визначених межах протягом заданого часу - і довговічність - спроможність тривалої роботи у визначеному режимі за умови зберігання фотоелектричних параметрів у межах норм. Як правило, в якості критеріїв оцінки стабільності і довговічності виступають темновой струм і чутливість (для фотодіодів) і темновий опір (для фоторезисторів). Довговічність характеризує безупинний режим роботи приладу протягом зазначеного часу в певних умовах.
Умови роботи пристроїв, у яких застосовуються фотоприймачі, дуже часто відрізняються від нормальних. Прилади при цьому піддаються різноманітного роду механічним і кліматичним впливам (вібрація, удари, трясіння, наявність підвищеної вологості і лінійні прискорення). Працездатність фотоприймачів у різноманітних умовах забезпечується рядом технологічних і конструктивних заходів.
Частотні характеристики визначають залежність фоточутливості від частоти модуляції світла. Вони є характеристикою інерційності фотоприймача.
ПАРАМЕТРИ ФОТОПРИЙМАЧІВ
Робоча напруга фотоприймача U>p> - постійна напруга, прикладена до фотоприймача, при якому забезпечуються номінальні параметри при тривалій роботі в заданих експлуатаційних умовах. Його вибирають із запасом відносно пробивної напруги.
Максимально допустима напруга U>max> – максимальне значення постійної напруги, при якому відхилення параметрів приладу від номінальних значень не перевищує встановлених меж. При роботі в імпульсному режимі U>max> може бути збільшене.
Потужність розсіювання, що виділяється при проходженні фотоструму, визначає розігрів фотоприймача. Велика потужність, що розсіюється, може призвести до необоротної зміни струмів І>т> і I>ф>. Кожний приймач характеризується визначеним значенням максимальної потужності розсіювання Р>доп>, що не повинне перевищуватися. Значення Р>доп> залежить від умов тепловідводу, розмірів робочої площадки й інших чинників.
Темновий опір R>т> – опір фотоприймача за відсутності падаючого на нього випромінювання в діапазоні його спектральної чутливості.
Диференціальний опір R>д> – відношення малих приростів напруги і току па фотоприймачі.
Темновий струм фотоприймача І>т> - струм, що проходить через фотоприймач при зазначеній напрузі на ньому за відсутності потоку випромінювання в діапазоні спектральної чутливості.
Короткохвильова (довгохвильова) межа спектральної чутливості – найменша (найбільша) довжина хвилі монохроматичного випромінювання, при якому монохроматична чутливість фотоприймача дорівнює 0,1 її максимального значення.
Динамічний діапазон лінійності
(у децибелах) характеризує область
значень променистого потоку Ф (від Ф>mах>
до Ф>min>), для
котрої енергетична характеристика
лінійна: (
=101g(Ф>mах>/Ф>min>).
Максимум спектральної характеристики фотоприймача – довжина хвилі, що відповідає максимуму чутливості фотоприймача. Положення максимуму залежить від об'ємного часу життя незрівноважених носіїв, швидкості поверхневої рекомбінації, геометричних розмірів світлочутливої площадки й інших чинників.
Струмова фоточутливість S>i> (А/лк або в А/Вт) визначає значення фотоструму, утворюваного одиничним потоком випромінювання. Нерідко замість потоку випромінювання, що падає на фотоприймач, задається щільність падаючого потоку, що вимірюється у Вт/м2.
Вольтова фоточутливість S>u> характеризує значення сигналу у вольтах, віднесене до одиниці падаючого потоку випромінювання.
Струмова і вольтова чутливості
називаються інтегральними, якщо вони
характеризують чутливість до інтегрального
потоку випромінювання і монохроматичними,
якщо характеризують фоточутливість до
монохроматичного випромінювання.
Звичайно фотоприймачі описують або
інтегральною фоточутливістю, або
фоточутливістю в максимумі випромінювання
(S>i
max>,
S S>i
m>>in>
) із вказанням довжин хвиль, при яких
чутливість зменшується вдвічі.
Інтегральні струмову і вольтову чутливості S>і> і S>u >обчислюють за формулами:
S>i
>=
,
S>u>
=

де І, U і I>т>, U>т> - загальні і темнові струм і напруга на фотоприймачі відповідно.
Гранична чутливість Р>пор> визначає рівень потужності світлового потоку, при якому сигнал дорівнює шуму.
Інерційність фотоприймачів
характеризується постійними часу фронту
наростання
>н>
і спаду
>сп>
фотовідповіді при імпульсній засвітці.
Ними визначаються граничні робочі
частоти модуляції світла, при котрих
ще не відбувається помітного зменшення
фотовідповіді. Як правило,
>н>
<
>сп>>.
>Постійна часу
>сп>
визначається як інтервал часу після
припинення впливу випромінювання, після
закінчення якого напруга фотосигналу,
що спадає по експоненті , зменшується
в е раз. Якщо
використовується синусоїдальна модуляція
світлового потоку, то швидкодія
фотоприймача характеризується граничною
частотою f>гр>
на якій фотовідповідь зменшується до
рівня 0,7 щодо стаціонарного значення.
Напруга шуму фотоприймача U>ш> – середнє квадратичне значення флуктуації напруги на заданому навантаженні в ланцюзі фотоприймача в зазначеній смузі частот.
Струм шуму фотоприймача І>ш> – середнє квадратичне значення флуктуації струму, що проходить через фотоприймач у зазначеній смузі частот.
Ефективна фоточутлива площа S>еф> – площа фоточутливого елемента еквівалентного по фотосигналу фотоприймача, чутливість котрого рівномірно розподілена по фоточутливому елементу і дорівнює максимальному значенню локальної чутливості S>max> даного фотоприймача.
Ефективне поле зору фотоприймача
>еф>
–
тілесний кут, обумовлений співвідношенням:
>еф>
=

S(
,
)sin
cos
d
d
,
де S –
чутливість фотоприймача;
– кут між напрямком
падаючого випромінювання і нормаллю
до фоточутливого елемента;
– азимутальний кут.
Коефіцієнт фотоелектричного зв'язку багатолементного фотоприймача К>ф.с> – відношення напруги сигналу з неопроміненого елемента в багатоелементному фотоприймачі до напруги фотосигналу із сусіднього опроміненого елемента, визначене на лінійній ділянці енергетичної характеристики і при робочій напрузі на всіх елементах.
РОЗДІЛ 1. ОСНОВНІ ТИПИ ФОТОПРИЙМАЧІВ
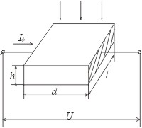
ФОТОРЕЗИСТОРИ
Фоторезистори є найбільш простим типом приймачі випромінювання. Їхня дія заснована на явищі фотопровідності. Для виготовлення Фоторезисторів застосовуються напівпровідникові матеріали у вигляді полікристалічних плівок, пресованих таблеток, монокристалічних пластинок. Використовується фоточутливість матеріалів як в області власного поглинання, так і в примістній області. Схематична конструкція фоторезистора з омічними струмовідвідними контактами показана на мал.1.1
М
ал.1.1.
Схематична конструкція фоторезистора.
До переваг фоторезисторів варто віднести відносну дешевину виготовлення, ширину номіналів опорів ,що перекриваються, простоту виконання фоточутливих елементів із складною конфігурацією, а також високу технологічну сумісність із порошковими і плівковими електролюмінесцентними випромінювачами. Недоліками фоторезисторів є значна інерційність, температурна і тимчасова нестабільність характеристик.
ФОТОДІОДИ
О
сновним
елементом фотодіода (ФД) є p-n-перехід.
При освітленні
його відбувається
генерація електронно-діркових
пар. Електричне поле переходу розділяють
незрівноважені носії заряду. Струм,
утворений цими носіями, збігається за
напрямом з оберненим струмом p-n-переходу.
p-n-перехід
як фотоприймач застосовується в двох
режимах – фотодіодному і режимі генерації
фото-ЕРС (вентильному) (мал. 1.2). У першому
випадку на діод подається обернена
напруга і струм через структуру є
функцією інтенсивності світла. В другому
випадку p-n-перехід
сам використовується в якості джерела
ЕРС або струму.
Мал. 1.2. Схеми вмикання діода у фотодіодному (а) і фотовентильному (б)
режимах
Фотодіодний режим використання p-n-переходів і інших аналогічних структур має визначені переваги по відношенню до фотовентильного: висока швидкодія, краща стабільність характеристик, великий динамічний діапазон лінійності характеристик, підвищена фоточутливість у довгохвильовій області. Недолік фотодіодного режиму пов'язаний із темновим струмом, що проходить через прилад при оберненому зсуві за відсутності випромінювання. В опорі навантаження створюється напруга зсуву, значення котрої експоненціально залежить від температури. Надлишковий шум і шум, обумовлений температурними коливаннями напруги зсуву, зникають, якщо діод знаходиться при нульовому зсуві. Тому фотовентильний режим може виявитися кращим від фотодіодного. Енергетичні характеристики фотоелементів близькі до лінійного при малих опорах навантаження і є логарифмічними (залежність фотовідповіді від інтенсивності засвітки) при великому навантаженні.
Т
ипова
структура фотодіода і його вольт-амперна
характеристика (ВАХ) показані на мал.
1.3.
Мал.1.3 ВАХ фотодіода (a) і його структурна схема (б).
Оцінимо розмір фотоструму для
простого випадку, коли випромінювання
поглинається в n-області
і інтенсивність світла постійна по
товщині (
<<
1). Тут
– ширина бази. При
оберненому зсуві процес переносу
генерованих світлом носіїв заряду не
відрізняється від переносу зрівноважених
носіїв в n-базі. Для визначення фотоструму
можна скористатися формулою для
оберненого струму p-n-переходу,
яка для випадку p>p>>>n>n>
має вигляд:
І>нас>>
>=
gSL>p>p>n>
/
>p.>
Це cтрум незрівноважених носіїв
заряду, що генеруються з темпом p>n>/
>p>
в шарі бази шириною, рівною довжині
дифузії неосновних носіїв (дірок) L>p>.
За аналогією фотострум
І>ф>>
>=
qS(
р
/
>p>)
,
де
p
– концентрація генерованих
світлом носіїв. Оскільки
<< L>p>,
то
підставляючи
p
=
>p>Ф,
одержуємо:
І>ф>
= q
SФ
= qc
SФ
(1.1)
Тут S –
площа світлоприйомної
поверхні; c =
– безрозмірний коефіцієнт,
що характеризує частку випромінювання,
що поглинається в базі. У фотодіодів на
основі p-n-переходу
є багато переваг, головним із яких є
мала інерційність.
ФОТОТРАНЗИСТОРИ
Біполярний фототранзистор
являє собою напівпровідникову структуру,
у якій є два p-n-переходи
(мал. 1.4). Прилад можна уявити таким що
складається із фотодіода і транзистора
.Фотодіодом є
освітлювана частина переходу база -
колектор, транзистором - частина
структури, розташована безпосередньо
під емітером. Можливі три схеми включення
фотодіода як двохполюсника, коли один
із виводів
залишається вільним: із
вільним колектором, із вільним емітером
і з вільною базою. Перші дві з цих схем
не відрізняються від схеми в
микання
p-n-переходу
у фотодіодному режимі.
Мал. 1.4. Включення транзистора з відключеною базою.
Розглянемо роботу транзистора
в схемі з загальним емітером (ЗЕ) при
відключеній базі за відсутності
освітлення (див. мал. 1.4). Оскільки
колекторний p-n-перехід
включений в оберненому напрямку, уся
прикладена напруга падає на ньому і
після вмикання струм у ланцюзі дорівнює
оберненому струмові окремо взятого
колекторного переходу І>КБ>>0>.
Цей струм складається з струму дірок
із бази в колектор і струму електронів
із колектора в базу. Відхід із бази
дірок і прихід у неї електронів призводить
до утворення негативного заряду в базі.
Внаслідок цього потенційний бар'єр
емітерного переходу знижується і для
компенсації негативного заряду в базу
з емітера входять дірки. Позначимо через
h>21Б> коефіцієнт
передачі (підсилення) емітерного струму
транзистора: h>21Б>
= (І>к> /
І>е>)>U
=const>.
Для аналізованого випадку (ЗЕ) h>21Б>-а
частина інжектованих дірок проходить
через базу в колектор і в компенсації
негативного заряду в базі бере участь
тільки (1- h>21Б>)-а
частина діркового струму емітера І>е>.
З умови електронейтральності струм, що
утворює заряд, повинен бути рівний
струмові, що його компенсує, тобто І>е>
(1-h>21Б>) = І>КБ0.
>Струм у всіх ділянках
послідовного ланцюгу однаковий, тому
І = І>е> = І>к> і I = І>КБ0>/(1- h>21Б>).
При освітленні бази фотострум збільшує обернений струм колекторного переходу, включеного в оберненому напрямку, тому що фотострум підсумовується з колекторним струмом.
На даний час відомі складні інтегральні мікросхеми з фототранзисторами. Прикладом є складовий транзистор-тверда схема з трьома транзисторами, сполученими за схемою Дарлінгтона, яку можна розглядати як емітерний повторювач. Коефіцієнти підсилення таких приладів можуть досягати h3>21> , що при достатньо великих струмах складає 105 … 106. У складових фототранзисторах досягаються малі значення границі чутливості. Вони відрізняються високим вхідним опором. Висока фоточутливість, широкий температурний діапазон роботи, простота технології виготовлення і висока надійність фототранзистора обумовлюють його застосування в різноманітних оптоелектронних пристроях. Наприклад, на основі фототранзистора розроблені
оптоелектроні перемикачі, що комутують струми до декількох десятків міліампер із швидкодією приблизно 10-6 с, комутатори аналогових сигналів, що переключають напруги до 1 мВ, смугою пропускання до десятків мегагерц, фотоприйомні матриці з накопиченням і інші пристрої.
Створення кремнієвих фотоприймачів припускає можливість використання технологічних прийомів виготовлення інтегральних схем. Це забезпечує високу ефективність їх застосування в системах мікрофотоелектроніки. Структури деяких кремнієвих фотоприймачів із внутрішнім підсиленням приведені на мал. 1.5.
М
ал.
1.5. Планарні структури фотоприймачів
з внутрішнім підсиленням:
а - фототранзистор;
б - складовий фототранзистор;
в - фототиристор.
Еквівалентна електрична схема таких приладів може бути зведена до комбінації фотодіода й одного або декількох транзисторів. Якщо коефіцієнт підсилення транзисторної частини еквівалентної схеми складає h>21ЕКВ>, то струмова чутливість фотоприймача з підсиленням у h>21ЕКВ> раз вище, ніж чутливість еквівалентного діода.
РОЗДІЛ 2. ФОТОДІОДИ З ВНУТРІШНІМ ПІДСИЛЕННЯМ
ІНЖЕКЦІЙНІ ФОТОДІОДИ
Інжекційні фотодіоди (ІФД) – новий клас фотоприймачів. В них реалізується внутрішнє інжекційне підсилення. Основні принципи роботи ІФД були сформульовані наприкінці 50-х років , проте повною мірою можливості практичного використання їх вивчені лише останнім часом.
ІФД являє собою p-i-n-структуру (мал.2.1), на яку подається напруга в пропускному напрямку. Довжина високоомної базової i-області, що являє собою компенсований глибокими домішками напівпровідник, в декілька раз (3-10 і більше) перевищує довжину дифузійного зсуву неосновних носіїв заряду L>n,р.> Такі структури називають також довгими діодами. При підключенні джерела живлення вони працюють у режимі біполярної інжекції.

Мал.2.1 Структура діода з довгою базою.
Фотоелектричне інжекційне підсилення полягає в тому, що засвітка з області власного або примісного поглинання, модулюючи опір базової області, викликає додаткову зміну інжекції носіїв через p-n-перехід. Освітлення призводить до зміни опору бази як за рахунок безпосереднього збільшення концентрації носіїв (як у фоторезисторі), так і за рахунок зміни параметрів, що визначають розподіл незрівноважених носіїв у базовій області (час життя, біполярна рухливість і ін.). На відміну від звичайних фотоприймачів (оберненозміщені фотодіоди, фототранзистори), у яких використовується фотодіодний ефект-розподіл незрівноважених носіїв потенційним бар'єром, у ІФД сполучаються фоторезистивний ефект з інжекцією через прямозміщений перехід. Оскільки інжектуючий p-n-перехід включений послідовно з опором базової області, то зміна останнього призводить до зміни інжекційного струму і подальшої модуляції опору бази. У такий спосіб забезпечується підсилення початкового (первинного) фотоструму, тобто самопомноження струму. Внесок інжектованих носіїв у збільшення інтегральної провідності напівпровідника набагато перевищує внесок носіїв, збуджених світлом. У якості критерію ефективності ІФД проводять порівняння його чутливості з фоточутливістю аналогічного (еквівалентного) фоторезистора, виготовленого з того ж матеріалу, що і база діода, і що має ті ж геометричні розміри.
Коефіцієнт інжекційного підсилення (відношення фоточутливостей ІФД і фоторезистора) можна уявити у вигляді добутку K>іп> = K>j>K>g>. Тут K>j> відбиває внесок у повне інжекційне підсилення компоненти, обумовленої внутрішнім позитивним зворотним зв'язком; K>j> характеризує розходження в крутизні ВАХ інжекційного діода й аналогічного фоторезистоpa. Якщо ділянка ВАХ S-діода поблизу точки зриву, де крутизна велика, достатньо стійкий, то і підсилення K>j> може бути великим. Воно реалізується як при власній, так і при примісній засвітці.
Величина K>g> характеризує підсилення, обумовлене безпосередньо впливом засвітки на параметри розподілу незрівноважених носіїв у базі. Тому його називають “параметричним” підсиленням .Особливо сильно воно виявляється при примісній засвітці.
За рахунок підсилення за допомогою позитивного зворотного зв'язку (K>j>) не можна домогтися збільшення добротності фотодіода (твір коефіцієнта підсилення на смугу пропускання), тому що разом із фотовідповіддю в K>j> раз зростає інерційність. Збільшення добротності можна домогтися в принципі лише при параметричному підсиленні.
Інжекційне підсилення при -механізмі фотопровідності може виявлятися при дії власної і примісної засвіток і пов'язане з перезарядженням примісних рівнів в базі діода. Існує критична інтенсивність оптичної генерації g>кр>, така, що при g < g>кр> напруга зриву U>зp> зменшується з ростом інтенсивності світла. Струм зриву І>зр> при цьому залишається практично незмінним. Якщо g > g>кр>, провідність бази істотно зростає і суттєвим стає падіння напруги на p-n-переході. Напруга при цьому слабко залежить від інтенсивності засвітки, а струм зриву помітно збільшується з ростом g .
Зневажаючи падінням напруги на p-n-переході, коефіцієнт підсилення можна записати у вигляді: K>іп> = І>зр0>> >/ (І>зр0> - І) де І>зр0> – щільність cтруму зриву за відсутності освітлення. Поблизу точки зриву K>g> = 2, K>j> = 0,5 І>зр0>> >/ (І>зр0> - І). При І → І>зр0> підсилення може бути дуже великим.
Інжекційне підсилення при примісній засвітці. Існує принципове розходження при впливі власної і примісної засвіток на фізичні процеси в діодах із довгою базою на основі високоомних компенсованих напівпровідників. Аналіз загального рівняння біполярного переносу показує, що параметри, які визначають розподіл незрівноважених носіїв у базі (біполярна рухливість , біполярний коефіцієнт дифузії D і ін.), явно залежать лише від характеру примісної засвітки і концентрації неосновних носіїв. “Параметричне” інжекційне підсилення при дії світла, слабкого за інтенсивністю, реалізується навіть за відсутності будь-якого помітного перезарядження глибоких центрів.
Дрейфове наближення переносу носіїв справедливе, якщо довжина бази діода більш ніж на порядок перевищує довжину дифузійного зсуву. Примісна засвітка збільшує і тим самим сприяє зростанню глибини протягання інжектованих носіїв вглиб бази за допомогою дрейфу в електричному полі.
На порівняно пологій ділянці
ВАХ примісний фотострум ІФД, як і
темновий струм, описується
квадратичною
залежністю
струму
від
напруги
(І
~
U2),
для еквівалентного фоторезистора ця
залежність лінійна (мал. 2.2). Компонента
коефіцієнта інжекційного підсилення
К>j >
2. Повний коефіцієнт інжекційного
посилення К>іп>
~
,
тому що К>іп >~
U. При досить великих напругах значення
К>іп> може
бути дуже великим (102
і більше). Чинниками, що обмежують
коефіцієнт підсилення зверху, є різні
механізми інжекційного пробою.

Мал. 2.2. Струмова фоточутливість S>i>(U) BAX ІФД з
Ge<Au> (криві 1 і 3) і аналогічного фоторезистора
(криві 2,4) при примісній засвітці (Т = 77К)
Фотоелектричне підсилення в повному вигляді можна висловити рівністю:
K>ф>
≈ 2
,
де t>p> і t>n> – часи прольоту дірок і електронів через базу; >p>/t>p> – коефіцієнт підсилення еквівалентного фоторезистора (матеріал бази діода – напівпровідник p-типу); відношення >n>/t>n> відображає інжекційне підсилення діода стосовно чутливості фоторезистора.
Розігрів носіїв електричним полем може призводити до появи на ВАХ діода ділянки постійної напруги (вертикаль). При цьому стаціонарний примісний фотострум настільки сильно зростає, що виникає його додаткове (в порівнянні з випадком відсутності польового розігріву) інжекційне підсилення, що може складати декілька порядків. У цьому випадку в умовах інжекційного пробою напівпровідника, коли відбувається різке збільшення фоточутливості, при модуляції примісного світла частота спаду фотоструму обернено пропорційна сталому струмові і істотно залежить від відношення часу життя носіїв.
Поглинання світла інжектованими носіями в p-i-n-структурах також супроводжується інжекційним підсиленням. Падаюче випромінювання за рахунок світлового розігріву носіїв змінює параметри D>n>, D>р>, >n>, >p>, >n>, >p>. Підсилення фотоструму при цьому може досягати декількох порядків.
Фотодіоди з інжекційним підсиленням перспективні для створення високоефективних фотоелектричних пристроїв, чутливих практично у всіх областях оптичного спектру. ІФД відрізняються гарними граничними характеристиками. Використання їх можливе як в аналоговому, так і в дискретному режимах.
Кількість матеріалів, у яких спостерігалося інжекційне підсилення, дуже велика. Це, наприклад, германій, компенсований Au, Hg, Сu і ін., кремній що має глибокі рівні Zn, В і ін. Інжекційне підсилення вивчалося в діодах на основі бінарних з'єднань і твердих розчинів. В залежності від ширини забороненої зони напівпровідника і глибини залягання домішок ІФД можуть працювати як при кімнатній, так і при більш низьких температурах.
Значна частина досліджень проведена для ІФД, чутливих у ІЧ області спектру (наприклад, діоди на основі Ge, InSb). Проте виявлені закономірності інжекційного підсилення в основних рисах поширюються і на діоди на основі широкозонних матеріалів, чутливі в більш короткохвильовій області спектру.
Фотоприймачі з інжекційним підсиленням перспективні для використання у функціональних вузлах мікроелектронної апаратури (S-діоди), в пристроях криоелектроніки. Чутливістю інжекційних фотоприймачів можна керувати, використовуючи спільну дію світла і магнітного поля. Фоточутливість можна підвищити, створюючи в базі градієнт концентрації домішок або роблячи ІФД складовою частиною біполярного або одноперехідного транзистора.
ЛАВИННІ ФОТОДІОДИ
Широкий розвиток лазерної техніки
викликав необхідність створення
швидкодіючих фотодетекторів, що мають
високу чутливість до світла з визначеною
довжиною хвилі і
мають властивості
вутрішнього підсилення. Лавинні фотодіоди
(ЛФД) широко використовуються для
реєстрації і вимірювання в різноманітних
системах опрацювання оптичної інформації,
виявлення слабких випромінювань,
зоряної орієнтації і навігації та ін.
Найбільш широко розвинуте застосування
ЛФД у волоконно-оптичних лініях зв'язку
(ВОЛЗ). ЛФД на основі кремнію мають
внутрішнє підсилення до 103,
високу чутливість (до 100 А/Вт) на довжині
хвилі
=0,9
мкм, малу інерційність (~0,5 нс), низький
поріг (до 10-15
Вт∙Гц-1/2).
Ефекти лавинного множення у напівпровідниках.
У звичайному фотодіоді при поглинанні світла виникають електронно-діркові пари, причому при поглинанні одного фотона утвориться одна електронно-діркова пара. Неосновні носії цих пар або рекомбінують, або протікають через p-n-перехід, породжуючи фотострум. У ЛФД носії, що проходять через p-n-перехід, одержують в сильному полі переходу енергію, достатню для ударної іонізації атомів решітки, і створюють на своєму шляху повторні пари. В результаті струмовий сигнал за рахунок лавинного множення збільшується. Для розвитку лавини необхідне виконання двох умов: товщина збіднілої області p-n-переходу, у якій зосереджене внутрішнє електричне поле, повинна перевищувати довжину вільного пробігу неосновних носіїв заряду; енергія, що накопичується неосновними носіями в області переходу, повинна бути достатньою для збудження валентних електронів напівпровідника, тобто перевищувати поріг ударної іонізації:
qU>i> = (2...3)E>g>. (2.1)
М
ал.2.3.
Структура ЛФД (а), розподіл електричного
поля (б).
При виконанні цих умов створюються повторні пари носіїв, що розділяються полем переходу. Товщина області об'ємного заряду переходу і напруженість внутрішнього електричного поля в ній при даному зсуві залежать від структури діода і від питомого опору напівпровідника (мал. 2.3).Тому напруга лавинного пробою пов'язана з питомим опором матеріалу
U>л.п
>= b
(для Ge
b = 85,
= 0,62). (2.2
)
Лавинне підсилення фотоструму, що проходить через освітлений p-n-перехід, використовується в ЛФД, що працюють у передпробійному режимі. Залежність коефіцієнта лавинного підсилення від напруги на фотодіоді виражається наближеним співвідношенням Міллера
M = [1 - (U / U>л.п>)n]-1, (2.3)
де n – коефіцієнт, що залежить від іонізаційних можливостей електронів і дірок, від довжини хвилі прийнятого випромінювання, а також від матеріалу і конструкції ЛФД. Для кремнієвих фотодіодів n = 3,4 … 4,0, якщо генерація носіїв відбувається в p-області і лавина утвориться в результаті ударної іонізації, виробленої електронами; n = l,2 … 2,0, якщо ударна іонізація провадиться дірками, що генеруються в n-області.
Д
уже
різка залежність коефіцієнта лавинного
множення (мал. 2.3) від прикладеної напруги
істотно ускладнює можливість практичного
використання ЛФД із високими коефіцієнтами
підсилення через дуже жорстку вимогу
до точності підтримки на діоді робочої
напруги. Сильна залежність напруги
лавинного пробою від температури
призводить до проблеми термостабілізації.
Всі ці чинники обмежують застосування
лавинних діодів в апаратурі.
Мал. 2.4. Залежність коефіцієнтів іонізації
електронів і дірок від напруженості поля в
кремнії при кімнатній температурі.
Сильна залежність коефіцієнта від напруженості поля в області множення виникає через дві основних причини: існує позитивний зворотний зв'язок між коефіцієнтом множення і напруженістю поля через наявність двох типів носіїв, що можуть іонізувати; швидкість іонізації експоненціально зростає із ростом напруженості поля.
Розглянемо вплив позитивного зворотного зв'язку. Якщо в область множення інжектується чисто електронний струм, то спочатку первинні електрони генерують повторні пари. Повторні електрони стають невідмінні від первинних. Повторні дірки рухаються в протилежному напрямку і під час прямування генерують нові пари. Коефіцієнт множення М>n> для інжектованого електронного струму залежить від іонізуючих можливостей носіїв обох типів
M>n>
=
,
(2.4)
де >n>
– швидкість іонізації
електронів (середнє іонізуючих співударів
електронів на одиницю довжини шляху в
напрямку поля);
>р>
–
швидкість іонізації
дірок;
d – ширина
області збідніння.
Аналогічний вираз має коефіцієнт множення і для інжектованого диркового струму. Зворотний зв'язок між коефіцієнтом множення і прикладеною напругою, зумовлена присутністю носіїв двох типів, призводить до нелінійного зростання коефіцієнта множення при збільшенні напруги. Для зменшення зворотного зв'язку треба, щоб фотострум складався з носіїв із великою швидкістю іонізації. Отже, бажано мати матеріал, для якого відношення швидкостей іонізації електронів і дірок велике на всьому інтервалі іонізуючих полів. У таких матеріалах буде меншим і час наростання лавини.
На даний час широке застосування в діапазоні довжин хвиль 1,0…1,6 мкм одержали германієві лавинні фотодіоди, що мають високий квантовий вихід, що слабко залежить від температури. Їхнім основним недоліком є великі темнові струми, що сильно зростають із ростом температури. Це не дозволяє реалізувати в схемах коефіцієнта підсилення більше 10. Крім того, коефіцієнти іонізації електронів і дирок близькі між собою: / = 2. Згадані причини призводять у реальних схемах до нестабільності і великих додаткових шумів.
Темновий струм, утворений об'ємною тепловою генерацією носіїв, можна знижувати вибором матеріалу з великим об'ємним часом життя. Зниження струму поверхневих "відпливів" досягається пасивацією поверхні. Істотного зменшення темнових струмів, можна домогтися зниженням робочих температур, наприклад за допомогою термоелектричних охолоджувачів, але це ускладнює конструкцію виробу.
Кремній значно кращий напівпровідниковий матеріал для створення лавинних фотодіодів.
Особливості технології виготовлення ЛФД.
В режимі лавинного пробою через підвищення щільності току в окремих ділянках структури діода можуть утворюватися невеличкі центри розряду, названі мікроплазмами. Тому вирішальним чинником для роботи ЛФД є однорідність лавинного процесу, реалізувати котру можливо тільки в зроблених електронно-діркових переходах. У діоді існує три області, де можуть утворюватися локальні мікроплазми:
– краї p-n-переходів у планарних структурах, де специфічна форма дифузійної області на периферії переходу (циліндрична або сферична) призводить до підвищеної напруженості електричного поля в порівнянні з центральною плоскою частиною;
– поверхні в мезаструктурах, де до локального підсилення напруженості електричного поля призводять забруднення або які-небудь дефекти в місцях перетину p-n-переходу і поверхні, що викликають різке викривлення зон поблизу межі p-n-переходу;
– ділянки з недосконалою кристалічною структурою вихідного матеріалу і з дефектами p-n-переходу, де локальний пробій (внутрішня мікроплазма) обумовлений або локальною неоднорідністю у легуванні вихідного матеріалу, або металевими вмиканнями, або іншими структурними дефектами в області об'ємного заряду p-n-переходу.
Мікроплазми генерують нерегулярні "кидки токів", що призводять до раннього пробою або до підвищення рівня шуму приладу. Для запобігання шумів, пов'язаних із флуктуацією щільності легування p-області, необхідна однорідність легування точніше 0,1%. Для зниження надлишкового шуму лавина повинна бути викликана чисто електронною інжекцією у широкій області множення. Це випливає з високого відношення коефіцієнтів іонізації електронів і дірок у кремнії, що у правильно сконструйованих детекторах повинно лежати в межах 0,02 ...0,08. Щоб досягти найменших шумів, необхідне запровадження випромінювання в n-область через p-контакт. У цьому випадку товщина кристалу повинна складати 50 ...70 мкм, що ускладнює технологічне виконання приладу.
Н
айбільш
доступні для виготовлення ЛФД на
епітаксіальній структурі типу p-n+
із добре контрольованим профілем
p-області.
У цьому випадку випромінювання падає
з боку n+-прошарку.
На мал. 2.5 зображений розтин епітаксіального
лавинного фотодіода для ВОЛЗ.
Мал. 2.5. Розтин епітаксального ЛФД із n+-p-π-p+-структурою:
1 – покриття, що зменшує відбиття, (Si>3>Ni>4>);
2 – епітаксіальна π-область(ρ >> 300 Ом∙см);
3 – p+-підкладка.

Мал. 2.6. Залежність коефіцієнта множення від напруги на діоді при
різноманітних температурах.
Основні фізичні характеристики.
Постійна часу ЛФД
n-p-i-p-типу
визначається часом розвитку лавини в
області множення M>>>
>
(де >1>—час
прольоту носієм області множення) і
часом прольоту носіїв від області
множення до контакту >др>
>лдф> = M>1> + >др>, (2.5)
причому
M>1>
= MN>л.м>
,
Де υ>еф> = υ>n>υ>p> / (υ>n> + υ>p> ); υ>n>, υ>p> – швидкості електронів і області множення; d>л.м> –ширина "лавинної" області; N >л.м>– константа, обумовлена співвідношенням коефіцієнтів іонізації електронів і дірок, що змінюється від 1/3 при їхній рівності до 2 при коефіцієнті множення істотно меншому для дірок, ніж для електронів. Як правило, перший доданок. (2.5 ) істотно менше другого, тобто інерційність ЛФД визначається не процесами множення, а проходженням носіїв через область щодо слабкого поля до контакту.
Оскільки ЛФД працюють в області великих обернених зсувів, то їхня ємність не виявляється і не обмежує швидкодії.
Шум-фактор F ЛФД зростає з ростом відношення коефіцієнтів іонізації дірок і електронів: k>еф> = β>p>α>n>. У ЛФД при інжекції тільки електронів
F>n> = k>еф>M>n> + (2 - 1/M>n>)(1 - k>еф>).
Шум-фактор менше, якщо початкове множення починається електронами, тобто носіями з великим коефіцієнтом іонізації. Тому краще виготовляти ЛФД із напівпровідника p-типу провідності.
Спектральная щільність шумового току I>ш>, може бути визначена зі співвідношення
= 2q(I>т>M2F
+ I).
Робоча напруга, як уже відзначалося, повинна підтримуватися постійною із високою точністю. Для зниження вимог до напруги живлення для ЛФД використовують структуру n-p-i-p-типу. Введення області з власною провідністю призводить до перерозподілу прикладеної напруги між нею й областю лавинного множення. Оскільки падіння напруги на області з власною провідністю пов'язано лінійним законом із минущим струмом, то її наявність сприяє стабілізації струму ЛФД і знижує вимоги до стабільності напруги зсуву. Проте робити цю область занадто протяжною не можна, тому що це сильно збільшує роботу напруги і підвищує інерційність. Наприклад, для структури з розмірами області лавинного множення декілька мікрон у звичайному ЛФД необхідно підтримувати напругу зсуву з точністю 0,2% для забезпечення коефіцієнта множення, рівного 50. Введення i-області товщиною порядку 50 мкм забезпечує той же коефіцієнт множення при стабілізації живлення 10%.
Для оптимального порогу ЛФД у широкому діапазоні температур бажано використовувати систему регулювання зсуву, що забезпечує сталість значення М.
РОДІЛ 3. ЗАСТОСУВАННЯ І ПЕРСПЕКТИВИ ФОТОПРИЙМАЧІВ
Фотоприймачі для ультрафіолетового випромінювання.
Фотоприймачі з чутливістю в ультрафіолетовому (УФ) діапазоні знайшли широке застосування в багатьох областях науки і техніки: детектування лазерного випромінювання, спектрозональні дослідження Землі, астрофізичні дослідження в космосі, спектрофотометрія, медико-біологічні дослідження й ін. У більшості випадків такі фотоприймачі крім високої фоточутливості в УФ області спектру, мають малі темнові струми, високу швидкодію, стабільністі.
Фотозчитування з перфострічок і перфокарт.
Раніше для введення необхідної інформації використовували перфострічкиі перфокарти. Для зчитування з перфострічок і перфокарт широко застосовували кремнієві ФЕП і ФПВ.Вони володіють достатньою електричною потужністю,стійкістю параметрів в широкому діапазоні температур і добре узгоджуються з транзисторними підсилювальними каскадами за схемою з загальним емітером. Важливим параметром при використанні ФЕП в пристроях, що зчитують , є відношення амплітуди корисного сигналу А>с> до амплітуди сигналу перешкоди А>п> (фонового сигналу). При малих опорах навантаження (струмовий режим) значення А>с>/А>п> кремнієвих ФЕП досягає 5 і різко спадає зі збільшенням опору навантаження. Розмір відношення A>c>/A>n> для сигналів напруги також зменшується з ростом опору навантаження, проте межі цієї зміни значно менші.
Найбільш ефективно ФЕП розміром 2x3 і 2х5 мм (звичайно використовувані для фотоpчитувания з перфострічок) працюють із навантажувальними опорами до 500 Ом. У цьому діапазоні навантажень відносні зміни напруги і струму навантаження не перевищують 20% (в інтервалі температур +20 - +60°C).
Оптичні системи фотозчитувачів звичайно не забезпечують високої рівномірності опромінення фотоголовки, що складається з набору ФЕП, по всій її поверхні. Розходження в інтенсивності опромінення призводить до розкиду сигналів, що знятих з окремих ФЕП касети. Нерівномірність опромінення особливо позначається при малих опорах навантаження. Зі збільшенням опору навантаження вплив світлової нерівномірності на розмір фотосигналу знижується.
Коли ФЕП у фотозчитуватчах працюють з оберненим зсувом розмір Iу вибирається з врахуванням опромінення елементів, ступеня прозорості перфострічки і діапазону зміни робочої температури. З підвищенням температури розмір 1500 Вт/м2. Напруга xoлостого ходу починаючи з деякого струму відпливу зростає, проте при досягненні визначеної температури його ріст припиняється.
Фотозчитувач може бути використаний для введення інформації в інтерполюючі пристрої систем цифрового програмного керування, електронні обчислювальні машини й інші пристрої автоматики. В якості світлочутливих елементів у зчитувачі використовувалися дев'ять кремнієвих ФЕП. розміщених а касеті фотозчитуючої голівки. Джерелом світла служить лампа розжарення типу СЦ-48 з номінальною напругою 8 В і потужністю 30 Вт. Для підвищення терміну служби, на лампу подається напруга 6 В. Зображення нитки розжарення лампи проектуеться на отвори діафрагми фотозчитуючої головки напівциліндричною лінзою. Засвітка здійснюється через отвір у діафрагмі, що має площу, приблизно рівну площі отворів у перфострічці.
Зчитування інформації, закодованої у вигляді комбінації отворів на перфострічці, здійснюється шляхом послідовного переміщення стрічки між освітлювачем і ФЕП. Кожний елемент зчитує інформацію, записану тільки на одній доріжці. При наявності отворів на перфострічці ФЕП освітлюються і виробляють електричні сигнали, що посилюються і перетворюються підсилювачами кодових доріжок і підсилювачем головної (синхронізуючої) доріжки.
Д
ев'ять
ФЕП забезпечують одержання восьми
вихідних сигналів із кодових доріжок
і одного сигналу з доріжки синхронізації
і дозволяють використовувати стандартні
пяти- і восьмиканальні перфострічки.
Виходи восьми каналів кодових доріжок
стабілізуються сигналом із доріжки
синхронізації таким чином, що вихідні
сигнали з'являються одночасно.
Мал.3.1. Перший каскад підсилювача ведучої і кодової доріжок.
Перший каскад на транзисторі Т працює в ключовому режимі. При відсутності сигналу з ФЕП ключ знаходиться в режимі відсічки. При освітленні ФЕП ключ переходить у режим насичення і напруга на колекторі Т зменшується до 0,1 В.
Тому що використовувана у фотозчитувачі перфострічка може мати достатньо великий коефіцієнт прозорості (до 70%), то і при відсутності пробивання на ній напруга ФЕП може перевищувати напругу відсічки ключа й останній буде знаходитися в режимі насичення. Для узгодження ФЕП із підсилювачем при використанні перфострічки різноманітної прозорості на базу транзистора Т через резистори R>2> і R>3> подається зсув із загального для підсилювача головних і кодових доріжок потенціометра R>4>.
Фотозчитувачі з лампами розжарення достатньо громіздкі і споживають багато електроенергії, потребують збірної оптики (лінзи, світловоди). Крім того, вольфрамові спіралі ламп мають малий термін служби (5000 г) і дуже чутливі до вібрацій.
Надалі все більшого застосування знаходили пристрої введення, що використовували у якості джерела випромінювання світлодіоди (СД) із GaAs і в якості детекторів випромінювання – кремнієві ФП. Споживана джерелами головки зчитування потужність зменшується при цьому на два-три порядки, відпадає необхідність в оптичних системах лінз і призм. Подібні головки компактні, надійні в роботі і нечутливі до вібрацій.
У головці можуть встановлюватися випромінювачі потужністю 3-6 мВт при струмі 100 мА і з діаметром півсфери біля 1,5 мм. Кремнієві ФП мають розміри фоточутливої площадки (2х3) і кріпляться до підкладки гібридної схеми підсилювача. Чутливість ФП досягає 500 мк/мВт при = 0,91 мкм, що відповідає максимуму випромінювання вузького спектру використовуваних випромінювачів. Завдяки такій характеристиці випромінювачів рівень шумів на виході чутливих елементів зменшується.
При роботі ФП у режимі ФПВ пристрій працює в діапазоні від сигналів на постійному струмі, до частоти 1,5 – 2,0 МГц при температурі 80°С. Фотодіодний режим роботи дозволяє розширити частотний діапазон до декількох десятків мегагерц.
Фотоприймачі були використані й у клавішних пультах введення і виведення інформації. У подібних пристроях для зчитування з перфокарт з однієї сторони важелів клавіш встановлений ряд мініатюрних лампочок, з іншого боку - ряд ФПВ. У клавішних важелях знизу є кодуючі прорізи, що визначають число світлових променів, що потрапляють на ФПВ при натисканні
визначеної клавіші. Вихідний сигнал подається безпосередньо на операційний підсилювач логічної схеми.
Зчитування в дисководі CD-ROM.
При попаданні променя лазерного променя на виступ(на поверхні CD), він відбивається на детектор і проходить через призму, що відхиляє його насвітлочутливий діод. Якщо промінь потрапляє в ямку він розсіюється і лише мала частина випромінювання відбивається обернено і доходить до світлочутливого діода. На діоді світлові імпульси перетворяться в електричні, яскраве випромінювання перетвориться в нулі слабке в одиниці. У такий спосіб ямки сприймаються дисководом як логічні одиниці, а гладка поверхня як логічні нулі.
Цифрові фотоапарати.
„Серцем” будь-якого цифрового фотоапарата є світлочутлива матриця CCD (Charge Coupled Device, тобто ПЗС - прилад із зарядовим зв'язком). Звичайно в камерах використовується 1/3-дюймова CCD, що складається з елементів, що перетворюють світлові хвилі в електричні імпульси (Аналогово-цифровий перетворювач замінює електричні заряди цифровою інформацією). Кількість таких елементів коливається від 350000 у камерах із розрішенням 640х480 до 810000 і більш у камерах 1024х768. Самі матриці не є новим винаходом – вони зародились як устаткування для фізичних експериментів (зокрема у фізиці високих енергій), вони вже давно використовуються у відеокамерах.
Оптичне опрацювання інформації.
Сенсоризація виробничої діяльності, тобто заміна органів чуття людини на датчики, повинна розглядатися в якості третьої промислової революції слідом за першими двома – машинно-енергетичної й інформаційно-комп'ютерної. Потреба в датчиках стрімко росте в зв'язку з бурхливим розвитком автоматизованих систем контролю і керування, впровадженням нових технологічних процесів, переходом до гнучких автоматизованих виробництв. Крім високих метрологічних характеристик датчики повинні мати високу надійність, довговічність, стабільність, малі габарити, масу і енергомісткість, сумісність з мікроелектронними пристроями опрацювання інформації при низкій трудомісткості виготовлення і невеликій вартості. Цим вимогам у максимальному обсязі задовольняють волоконно-оптичні датчики.
Волоконно-оптичні датчики. Перші спроби створення датчиків на основі оптичних волокон можна віднести до середини 1970-х років. Публікації про більш-менш прийнятні розробки й експериментальні зразки подібних датчиків з'явилися в другій половині 1970-х років. Проте рахується, що цей тип датчиків сформувався як один з напрямків техніки тільки на початку 1980-х років. Тоді ж з'явився і термін "волоконно-оптичні датчики" (optical fiber sensors). Таким чином, волоконно-оптичні датчики - дуже молода область техніки.
Фотоелектричні перетворювачі енергії (ФЕП).
Для живлення магістральних систем електропостачання і різноманітного устаткування широко використовуються ФЕП; вони призначені також для підзарядки бортових хімічних АБ (акум. батарей).Крім того, ФЕП знаходять застосування на наземних стаціонарних і пересувних об'єктах, наприклад, в ФЕП электромобілів. За допомогою ФЕП, розміщених на верхній поверхні крил, здійснене живлення приводного електродвигуна гвинта одномісного експериментального літака (США), що перелетів через протоку Ла-Манш.
На даний час найкраща область застосування ФЕП - штучні супутники Землі, орбітальні космічні станції, міжпланетні зонди. Переваги ФЕП: великий термін служби; достатня апаратна надійність; відсутність витрат активної речовини або палива. Недоліки ФЕП: необхідність пристроїв для орієнтації на Сонце; складність механізмів, що розвертають панелі ФЕП після виходу супутника на орбіту; непрацездатність за відсутності освітлення; великі площі опромінюваних поверхонь. Для сучасних ФЕП характерна питома маса 20 - 60 кг/кВт (без врахування механізмів розгортання й автоматів спостереження). До перспективних належать ФЕП, що сполучать сонячні концентратори (параболічні дзеркала) і ФЕП на основі гетероструктури двох різноманітних напівпровідників - арсенідів галію й алюмінію.
ФЕП монтуються на панелях, конструкція яких містить механізми розгортання й орієнтації. Для підвищення ефективності приблизно до 0,3 застосовуються каскадні двo- і трьохшарові виконання ФЕП із прозорими верхнім шаром. ФЕП істотно залежить від оптичних властивостей матеріалів і їх теплорегулюючих захисних покриттів. Коефіцієнти відбивання зменшують технологічним засобом просвітління поверхні що освітлюється (для робочої частини спектру).
Про застосування фотоприймачів можна говорити ще довго і багато. Зрозуміло, що фотоприймачі дуже перспективні прилади. Про це свідчить і той факт, що на даний час важко знайти область науки, техніки чи побуту, де б не застосовувалися фотоприймачі...
Література :
Анісімова І. Д., Вікулін І. М., Заїтов Ф. А., Курмашев Ш. Д. "Напівпровідникові фотоприймачі: ультрафіолетовый, видимий і ближній інфрачервоний діапазон спектру". Москва 1984
Бузанова Л. К., Гліберман А. Я. " Напівпровідникові фотоприймачі". Москва 1976
Ізвозчиков В. А. "Фізичні основи напівпровідникової оптоелектроніки". Ленінград 1981
Іванов В. І., Аксенов А. І., Юшин А. М. " Напівпровідникові оптоелектронні прилади". Москва 1986