Проект реконструкции цеха первичной переработки нефти и получения битума на ОАО «Сургутнефтегаз»
Введение
На ОАО «Сургутнефтегаз» производят дорожный битум, дизельное топливо и бензиновую фракцию. Все эти производства на сегодняшний день нашли своего потребителя. Битум – нужен г. Сургуту и близлежащим городам для строительства дорого. Дизельное топливо в основном предназначается для транспортных нужд предприятия. Бензиновую фракцию используют для промывки нефтяных скважин и нефтепроводов.
В последнее время возникли трудности с технологическими печами, которые предназначаются для нагрева нефти и мазута. Печь претерпевали серьезные аварии и в последнее время часто выходят из строя, прерывая технологический процесс, что сказывается на объемах производимой продукции. В связи с этим необходимо реконструировать трубчатые печи.
1.Как влияет сырье и технология на процесс и ассортимент продукции
Сырьем для рассматриваемого технологического процесса является нефть Лянторского месторождения. Основными физико-химическими показателями для нефтей являются:
содержание хлористых солей (100 мг/дм3);
плотность нефти (0,894 кг/м3 - тяжелая);
содержание общей серы (0,99 % - сернистые);
содержание базовых масел (15% - на нефть);
содержание парафинистых углеводородов (2,4 %);
индекс вязкости (79 – И>2>).
При повышении содержания хлористых солей повышается коррозия аппаратуры, особенно в сочетании с сероводородом. Приходится производить промывку водой длядержания хлористых солей.
Сернистые соединения при перегонке достаточно хорошо переходят в бензиновую фракцию, где в дальнейшем они мешают процессам риформинга, поэтому приходится производить мероприятия по понижению содержания серы.
Плотность нефти влияет на выход тяжелых фракций, к примеру для получения битума благоприятны тяжелые нефти, где выход мазута составляет более 30 %.
Содержание базовых масел может определить направление использования нефтей в области получения моторных масел.
Сыре используемое на ОАО «Сургутнефтегаз» удовлетворяет требованиям для плучения дорожного битума.
2.Схема производства и узкие места
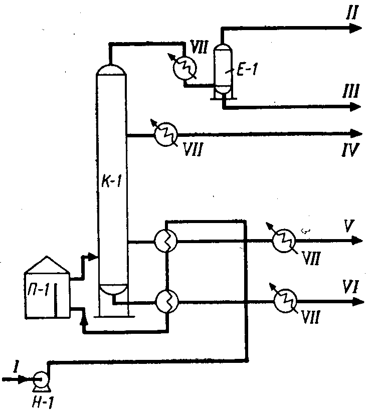
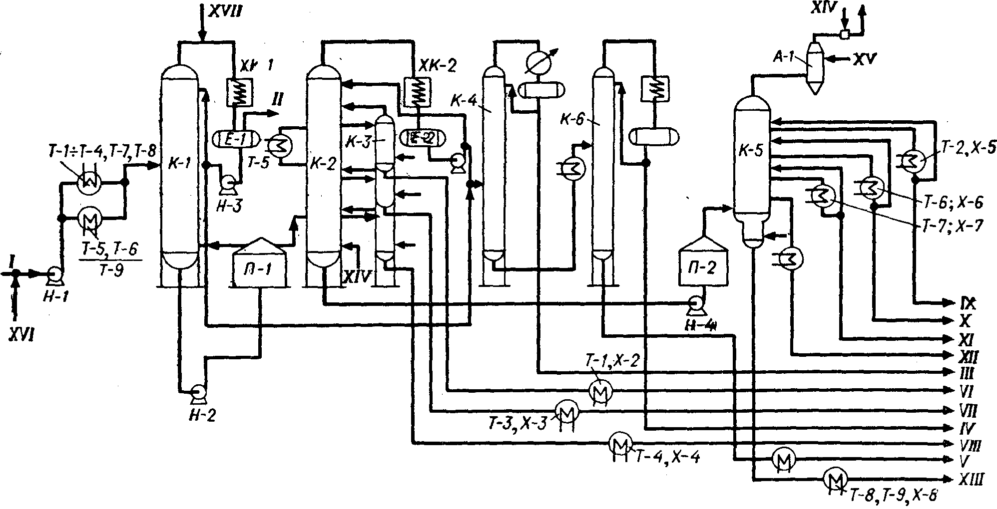
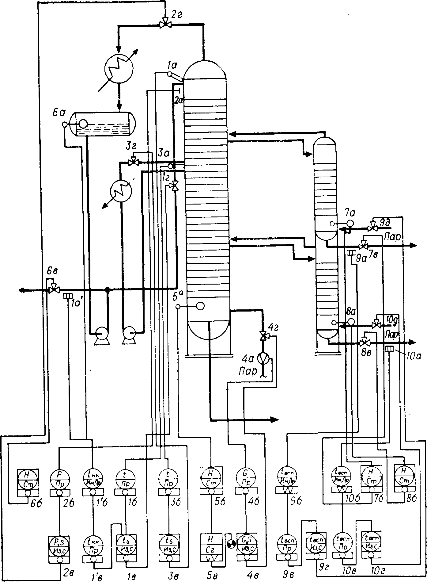
Нефть из трубопровода "Лянторское месторождение - ЦКПН" под давлением 3,0 - 4,0 кг/см2 поступает в сырьевую емкость Е-1, через
Из емкости Е-1 насосом Н-1 нефть подается в трубное пространство теплообменника Т-1/3, где нагревается за счет тепла откачиваемых дизельного топлива.
В приемный трубопровод из сети производственного водоснабжения подается промывная вода, а также деэмульгатор. Расход воды на промывку нефти регулируется клапаном регулятором расхода.
Предварительно нагретая нефть после теплообменника Т-1/3, поступает в трубный пучек теплообменника Т-1/7. Нагретая до 90-120 С за счет тепла гудрона нефть из теплообменника Т-1/7 подается в междуэлектродное пространство электродегидратора Э-1.
Электродегидратор Э-1 работает под давлением нефти, в случаях снижения уровня нефти и образования "газовой подушки" срабатывает блокировка, отключающая подачу напряжения на электроды дегидратора. В зависимости от содержания воды в нефти и стойкости эмульсии напряжение на электроды может подаваться 16, 5, 22 или 36 кВ. Насыщенная вода - "солевой раствор" - с низа электродегидратора через клапан-регулятор уровня раздела фаз "нефть-вода" выводится в емкость.
Обессоленная нефть выходит сверху электродегидратора Э-1 и разделяется на два потока. Первый, меньший поток нефти, проходит последовательно через трубное пространство теплообменника Т-1/5 и нагревается за счет тепла циркуляционного орошения колонны К-3 до 130-160 С. Второй поток нефти последовательно проходит через трубное пространство теплообменников Т-1/9, где нагревается за счет тепла вакуумного газойля до 180-200 С. .
После теплообменника Т-1/5, Т-1/9 оба потока обессоленной нефти объединяются в общий поток нефти, который поступает в трубное пространство теплообменника Т-1/1, где нагревается за счет тепла гудрона до 190-210 С.
После теплообменников Т-1/1 нефть подается в нагревательные печи П-1, П-3. Нагрев нефти в печах осуществляется в змеевиках камер конвекции дымовыми газами и в камерах радиации за счет лучистого тепла при сжигании топливного газа. В камере радиации печи П-1 размещен также змеевик для нагрева мазута, а в камере конвекции печи П-3 расположен пароперегреватель для получения водяного пара.
Нагретая в печах до 360-375 С нефть объединяется в общий поток и направляется на 4-ю тарелку атмосферной колонны К-3. Всего в колонне имеется 23 клапанных тарелок, из них в укрепляющей части 19 и отгонной 4 тарелки.
Сверху колонны К-3 пары бензина, водяные пары и углеводородный газ с температурой до 150 С поступают в конденсаторы воздушного охлаждения и доохлаждаются в водяном холодильнике Х-1 до температуры не выше 80 С и в виде газожидкостной смеси собираются в емкость Е-2.
В емкости Е-2 происходит разделение смеси на бензин, углеводородный газ и воду. Углеводородный газ сверху емкости Е-2 выводится на дожиг в печи П-2.
Вода с низа емкости Е-2 через клапан-регулятор уровня раздела фаз "бензин-вода" сбрасывается в емкость промстоковю.
Часть бензиновой фракции из емкостей Е-2 насосом возвращается на 21-ю тарелку колонны в качестве острого орошения.
С 13-й тарелки атмосферной колонны К-3 отбирается дизельное топливо, которое насосом с температурой 180 С подается в межтрубное пространство теплообменников Т-1/3, где отдает тепло сырой нефти, доохлаждается до температуры не выше 70 С в водяном холодильнике Х-3 и направляется в емкости хранения дизельного топлива Е-10.
Качество дизельного топлива обеспечивается циркуляционным орошением. Циркуляционное орошение с 11-й тарелки колонны К-3 забирается насосом, прокачивается через теплообменник Т-1/5, где отдает тепло первому потоку обессоленной нефти и с температурой 135-145 С возвращается в колонну на 12-ю тарелку.
Для обеспечения требуемого качества мазута по содержанию фракции до 360 С с тарелки "4а" атмосферной колонны К-3 выводится атмосферный газойль, который поступает в отпарную колонну К-4 с температурой 285-295 С.
С низа отпарной колонны атмосферный газойль насосом подается в теплообменник Т-1/3, где отдает тепло сырой нефти, далее смесь доохлаждается в водяном холодильнике Х-4 и с температурой не выше 90 С направляется в емкости хранения Е-12.
Мазут с низа атмосферной колонны К-3 с температурой 350 С насосом подается для нагрева в мазутный змеевик печи П-1.
Нагретый до 390-405 С мазут из печи П-1 поступает на вторую тарелку вакуумной колонны К-5. Вакуумная колонна оборудована 12-ю клапанными тарелками, в том числе в отгонной части две тарелки. Сверху вакуумной колонны газы разложения и пары углеводородов с температурой 190-200 С поступает в водяной конденсатор КВ-1. Сконденсировавший нефтепродукт из КВ-1 стекает в барометрическую емкость, а несконденсированные газы отсасываются двухступенчатым пароэжекторным насосом.
Конденсат из промежуточных поверхностных конденсаторов пароэжекторного насоса сливается в барометрическую емкость БЕ-1,а несконденсированные газы выбрасываются в печи П-2 для дожига.
С 8-ой тарелки вакуумный газойль с температурой 280 С отбирается насосом и прокачивается через теплообменник Т-1/9 где отдает тепло второму потоку обессоленной нефти. После Т-1/9 часть вакуумного газойля температурой 160-170 С возвращается через холодильник воздушного охлаждения ВХК-4 на верхнюю тарелку колонны К-5 в качестве циркуляционного орошения, а избыток газойля выводится в емкости и в последствии в обратный нефтепровод.
Гудрон с температурой 360-400 С с низа колонны К-5 насосом прокачивается через теплообменник Т-1/1, где отдает тепло сырой нефти и с температурой 150-180 С направляется по "жесткой" схеме в окислительную колонну К-1.
Часть гудрона после теплообменника Т-1/1 с температурой 240-255 С возвращается в низ вакуумной колонны для снижения температуры.
Окислительная колонна К-1 представляет собой пустотелый вертикальный аппарат. Вход гудрона в колонну осуществляется ниже рабочего уровня битума в колонне. После указанного клапана-регулятора смонтирован клапан-отсекатель прекращающий подачу воздуха в колонну при срабатывании блокировки по одному из параметров: повышение содержания свободного кислорода в газах окисления более 4%, повышение температуры битума внизу колонны выше 275 С, понижение уровня в колонне ниже 10%.
Газы окисления сверху окислительной колонны К-1 выводятся в газосепаратор ГС-1, где происходит отделение газовой фазы от жидкости. Из сепаратора ГС-1 газы окисления поступают на дожиг в печи П-2, а жидкая фаза -"черный соляр", в ГС-1 выводится в дренажную емкость Е-13.
Битум с низа колонны К-1 с температурой до 260 С насосом откачивается в емкости готового битума Е-15.
Дорожный битум из емкостей Е-15 отгружается потребителю наливом в автоцистерны.
Бензин из емкостей Е-11 насосами подается на наливную эстакаду для налива в автоцистерны. Дизельное топливо подается к наливным стоякам, через счетчики.
3.Рассказ по чертежам. Экология
Произведен расчет вертикально трубчатой печи беспламенного горения с излучающими стенками топки.
Выбран тип панельных горелок ГБП2а-60 производительность 60000 ккал/час.
4.Экономика
Экономический эффект проекта достигается за счет:
сокращение затрат на топливо;
сокращение штрафов за выбросы.
5.Вопросы рецензента
Указывается центр тяжести проекта и заключается в том, что в место 2-х физически и морально устаревших трубчатых печей сооружается новая современная трубчатая печь, которая позволяет:
повысить теплотехнические показатели процесса;
снизить расход топлива за счет установки более совершенных горелок и конструкции печи;
снизит температуру пламени и дымовых газов, в результате чего сокращение выбросов NO>2> и других веществ.
Кроме того оптимальный нагрев позволяет оптимизировать работу колонны. Ассортимент продукции не меняется, но улучшается качество битума.
Я не могу не согласится с мнением рецензента на стр. 123 и 125 приведена калькуляции себестоимости и сделаны выводы о экономическом эффекте проекта.
На стр. 124 расчитана экономия средств на штрафах и сокращение затрат на топливный газ.
Содержание
стр.
Реферат 2
Введение 3
Заключение 135
Список сокращений 136
Список использованных источников 136
Реферат
Проект реконструкции цеха первичной переработки нефти и получения битума на ОАО «Сургутнефтегаз».
Стр. 139, Рис. 46, Табл. 35, Черт. 4
Реконструкция, нефть, бензин, соляр, керосин, биткм, технлоогическая схема, трубчатая печь, теплообмен, ректификация, автоматизация, экономический эффект.
Обоснована реконструкция цеха, в связи с необходимостью замены трубчатых печей П-1 и П-3 на одну более производительную.
Выполнены расчеты:
материальных потоков;
тепловых и материальных балансов;
расчет трубчатой печи;
потбор измерительных приборов и схем автоматизации;
эколго-экономического эффекта.
Приведены рекомендации, для дальнейшей стабильной работы установки.
Введение
Один чудак из партии геологов
Сказал мне, вылив грязь из сапога:
"Послал же бог на голову нам олухов!
Откуда нефть – когда кругом тайга?
И деньга вам отпущены - на тыщи те
Построить детский сад на берегу:
Вы ничего в Тюмени не отыщите –
В болото вы вгоняете деньгу"
В. Высоцкий
Значение нефти и газа для энергетики, транспорта, обороны страны, для разнообразных отраслей промышленности и для удовлетворения бытовых нужд населения в наш век исключительно велико. Нефть и газ играют решающую роль в развитии экономики любой страны. Природный газ—очень удобное для транспортировки по трубопроводам и сжигания, дешевое энергетическое и бытовое топливо. Из нефти вырабатываются все виды жидкого топлива: бензины, керосины, реактивные и дизельные сорта горючего— для двигателей внутреннего сгорания, мазуты — для газовых турбин и котельных установок. Из более высококипящих фракций нефти вырабатывается огромный ассортимент смазочных и специальных масел и консистентных смазок. Из нефти вырабатываются также парафин, сажа для резиновой промышленности, нефтяной кокс, многочисленные марки битумов для дорожного строительства и многие другие товарные продукты.
Вторичная переработка нефтяного и газового сырья получила ныне название нефтехимического синтеза. Уже в настоящее время 25% мировой химической продукции выпускается на основе нефти и углеводородных газов. Ближайшие перспективы развития нефтехимической промышленности исключительно благоприятны как по масштабам производства, так и по безграничному разнообразию промежуточных и конечных продуктов синтеза.
К нефтехимической продукции относятся: пластические массы, синтетические каучуки и смолы, синтетические волокна, синтетические моющие средства и поверхностно-активные вещества, некоторые химические удобрения, присадки к топливам и маслам, синтетические смазочные масла, белково-витаминные концентраты, многочисленные индивидуальные органические вещества: спирты, кислоты, альдегиды, кетоны, хлорпроизводные эфиры, гликоли, полигликоли, глицерин и другие, применяющиеся в промышленности, сельском хозяйстве, медицине и в быту.
Все вышесказанное в полной мере относится к проблемам переработки нефти в северных районах России. Одним из нефтеперерабатывающих районов является сургутский нефтеносный район, представляющий из себя крупное подземное поднятие со сводами и впадинами, окружающих его. Около 30 000 квадратных километров приходится на Сургутский свод. На сегодняшний день там разрабатывается более десятка месторождений: Карьунское , Быстринское, Лянторское, Федеровское, Камарьинское, Солкинское, Западно-Солкинское, Вачемское и другие.
Цех (установка) первичной переработки нефти и получения битума (ЦППНиПБ) [1] был заложен в 1981 году в 40 километрах северо-западнее от г. Сургута и предназначался для получения дорожного битума. В 1987 году установка претерпела реконструкцию, так как по выполненному проекту (ВНИПИНефтепромхим г. Казань) на установке были установлены ректификационные колонны: для атмосферной перегонки с 19-ю тарелками (диаметр 1,0 м) и вакуумной перегонки – с 15-ю тарелками (диаметр 1,0 м), что не обеспечивало получения продуктов заданного качества.
В 1991 г. БашНИИ НП была произведена реконструкция цеха по увеличению производительности до 118,8 тыс.т/год нефти (на 18,2% выше проектной), производства битума – 38,0 тыс.т/год (на 12,7% выше проектной), отбора суммы светлых нефтепродуктов – 34% на нефть (33% по проекту) и улучшению их качества.
В 1988 г. НИИГипровостокнефть была произведена реконструкция цеха по режиму работы, что позволило получать на установке дизельное топливо (зимнее и летнее), бензиновую фракцию (для промывки нефтяных скважин), а также повысить качество всех получаемых продуктов.
Сегодня комплексная установка первичной переработки нефти и производства битумов (ЦППНиПБ) предназначена для выработки дорожных битумов из нефти Лянторского месторождения и в небольших количествах битумов строительных марок. Также попутно получают летнее и зимнее дизельное топливо, бензиновую фракцию, которую используют для промывки нефтяных скважин.
В состав установки входят:
Блок подготовки нефти к переработке для глубокого обессоливания и обезвоживания нефти.
Блок атмосферно-вакуумной перегонки нефти.
Блоки получения окисленных битумов в реакторах непрерывного действия колонного типа и периодического действия в реакторах бескомпрессорного окисления.
Емкости для приема и хранения битумов, дизельного топлива, бензиновой фракции, газойлей.
Наливная эстакада для отгрузки готовой продукции в автоцистерны.
Технологическая воздушная компрессорная.
Компрессорная воздуха КИП.
Система оборотного водоснабжения включающая в себя градирню и насосы для циркуляции охлаждающей воды.
Целью данного проекта является реконструкция цеха первичной переработки нефти и получения битума.
1.Основы первичной переработки сибирских нефтей. Аналитический обзор
1.1.Характеристика сырья
Нефти различных месторождений и даже в пределах одного месторождения могут значительно отличаться друг от друга по химическому и фракционному составу, а также по содержанию серы, парафина и смол. В разное время предлагались различные химические, генетические, промышленные и товарные классификации нефтей. В настоящее время действует технологическая классификация нефтей СССР (ГОСТ 912—66). Согласно этой классификации все нефти оцениваются по следующим показателям:
содержание серы в нефтях и нефтепродуктах;
потенциальное содержание фракций, перегоняющихся до 350 °С;
потенциальное содержание и качество базовых масел;
содержание парафина и возможность получения реактивных, дизельных зимних или летних топлив и дистиллятных базовых масел с депарафинизацией или без нее.
Сырьем установки является сырая нефть которая должна соответствовать требованиям ГОСТ 9965-76 и иметь следующие физико-химические показатели (табл. 1)
Физико-химические показатели нефти. Таблица 1
|
№ п/п |
Наименование показателя |
Норма для групп |
Сырье |
|||
|
I |
II |
III |
приход |
обработанное |
||
|
1. |
Концентрация хлористых солей, мг/дм3 не более |
100 |
300 |
900 |
39.3 |
5.3 |
|
2. |
Массовая доля воды, % не более |
0.5 |
1.0 |
1.0 |
0.12 |
отс. |
|
3. |
Массовая доля механических примесей, % не более |
0.05 |
0.05 |
0.05 |
0.048 |
|
|
4. |
Давление насыщенных паров, кПа (мм.рт.ст.) не более |
66.7 (500) |
66.7 (500) |
66.7 (500) |
Классификация нефтей на классы и типы. Таблица 2
|
№ п/п |
Показатели |
Норма |
Сырье |
|
1. |
Массовая доля общей серы, % |
||
|
1 – малосернистые |
до 0.60 |
||
|
2 – сернистые |
0.61 – 1.80 |
0.99 |
|
|
3 – высокосернистые |
более 1.80 |
||
|
2. |
Плотность при 20С, кг/см3 |
||
|
1 – легкие |
до 850 |
||
|
2 – средние |
851 – 885 |
880 |
|
|
3 – тяжелые |
более 885 |
В зависимости от массовой доли серы-нефти, от плотности при 20С подразделяют на классы и типы, которые приведены в таб.2.
По содержанию фракций до 350 °С нефти делятся на три типа (Лянторской – 44,7%):
Т>1>—не менее 45%;
Т>2>—30—44,9%;
Т>3>— менее 30%.
По потенциальному содержанию базовых масел все нефти делятся на четыре группы (Лянторской – 21%):
М>1>—не менее 25% в расчете на нефть;
М>2>— 15—25% в расчете на нефть и не менее 45% в расчете на мазут;
М>3>—15—25% в расчете на нефть и 30—45% в расчете на мазут;
М>4>—менее 15% в расчете на нефть.
Кроме того, все нефти делятся по качеству базовых масел, оцениваемому индексом вязкости, еще на две подгруппы (Лянторской – 79):
И>1> — индекс вязкости выше 85;
И>2> — индекс вязкости 40—85.
По содержанию парафина нефти делятся на три вида (Лянторской – 2,4%):
П>1>—мало парафиновые (не выше 1,5%);
П>2>—парафиновые (1,51—6,0%);
П>3>—высоко парафиновые (более 6%).
Кроме того, указывается для каждого вида, какие продукты можно получать без депарафинизации или с применением депарафинизации. Так, из нефти, отнесенной к виду П>1> можно получать реактивное топливо, дизельное зимнее топливо и дистиллятные базовые масла без депарафинизации.
Краткая характеристика некоторых нефтей СССР. Таблица 3
|
Месторождение |
Содержание, вес. % |
Коксуемость1 вес. % |
Выход фракций бъемн., % |
|||||
|
серы |
смол |
асфальтенов |
парафинов |
до 200 °С |
до 300 °С |
ДО 350 °С |
||
|
Биби-Эйбатское (Баку) |
0,18 |
18 |
— |
0,5 |
1,7 |
21,4 |
47,7 |
|
|
Ново-грозненское |
0,20 |
4,5 |
0,9 |
9,0 |
— |
21,9 |
38,9 |
— |
|
Яринское (Пермская область) |
0,54 |
6,17 |
Отсутствие |
5,5 |
1,28 |
30,8 |
49,0 |
— |
|
Западно-Тэбукское (Коми АССР) |
0,7 |
13.7 |
1,54 |
3,75 |
3,71 |
25,5 |
49.5 |
— |
|
Арланское (Башкирская АССР) |
2,84 |
20,3 |
5,2 |
4,7 |
7,7 |
18,0 |
39,7 |
— |
|
Ромашкинское (Татарская АССР) |
1,62 |
11,60 |
4,16 |
4,97 |
5,85 |
22,4 |
46,0 |
— |
|
Усть-Балыкское (Западная Сибирь) |
1,77 |
15,44 |
2,56 |
1,24 |
4,43 |
18,5 |
— |
42,3 |
|
Самотлорское (Западная Сибирь) |
0,92 |
10,2 |
1,67 |
2,4 |
— |
30,0 |
— |
60,2 |
|
Лянторская |
0,99 |
13,2 |
2,8 |
2,4 |
— |
17,22 |
32,04 |
40,34 |
|
Охинское (Сахалин) |
0,3 |
17,2 |
1,33 |
0,92 |
3,65 |
7,2 |
— |
40,5 |
|
Долинское (УССР) |
0,45 |
13,0 |
0,4 |
4,0 |
— |
31,1 |
50,2 |
— |
|
Речицкое (Белорусская ССР) |
0,32 |
7,04 |
0.11 |
9,51 |
2,6 |
26,4 |
— |
52,2 |
|
Котур-Тэпе (Туркменская ССР) |
0,27 |
6,4 |
0,73 |
6,45 |
2.76 |
17,9 |
— |
46,7 |
|
Жетыбайское (Мангышлак) |
0,2 |
11,0 |
0,3 |
20,1 |
1,79 |
19,5 |
— |
40,5 |
Используя эту классификацию, для любой промышленной нефти можно составить шифр. Так например, Лянторская нефть получает шифр IIТ>2>М>3>И>2>П>2>.
Физико-химическая характеристика Лянторской нефти. Таблица 4
|
№ п/п |
Наименование показателей |
Значение |
|
1. |
Плотность при 20С, г/см3 |
0.8943 |
|
2. |
Содержание серы, % масс. |
1.11 |
|
3. |
Вязкость при 20С см2/сек |
35.84 |
|
4. |
Молекулярная масса |
281 |
|
5. |
Вязкость при 50С см2/сек |
11.75 |
|
6. |
Температура застывания, С: |
|
|
с обработкой |
-40 |
|
|
без обработки |
-39 |
|
|
7. |
Содержание соединений, % масс. |
|
|
парафинов |
2.4 |
|
|
асфальтенов |
2.8 |
|
|
селикагелевых смол |
13.2 |
Фракционный состав и физический свойства сырья. Таблица 5
|
Температура кипения фракции при 760 мм.рт.ст. |
Выход на нефть, % вес. |
Плотность г/см3 |
Молекулярная масса |
|
|
отдельных фракций |
суммарный |
|||
|
C>3>H>8> |
0,02 |
0,02 |
44 |
|
|
i-C>4>H>10> |
0,06 |
0,08 |
0,5572 |
58 |
|
n-C>4>H>10> |
0,04 |
0,12 |
0,5788 |
58 |
|
i-C>5>H>12> |
0,33 |
0,45 |
0,6196 |
72 |
|
n-C>5>H>12> |
0,10 |
0,55 |
0,6262 |
72 |
|
36-62 |
0,32 |
0,87 |
0,6670 |
|
|
62-70 |
0,83 |
1,70 |
0,6921 |
|
|
70-80 |
0,70 |
2,40 |
0,7164 |
|
|
80-90 |
1,23 |
3,63 |
0,7263 |
|
|
90-100 |
1,25 |
4,88 |
0,7391 |
|
|
100-110 |
1,25 |
6,13 |
0,7506 |
108 |
|
110-120 |
1,06 |
7,19 |
0,7528 |
111 |
|
120-130 |
1,37 |
8,50 |
0,7639 |
115 |
|
130-140 |
1,41 |
9,97 |
0,7742 |
118 |
|
140-150 |
1,09 |
11,06 |
0,7825 |
125 |
|
150-160 |
1,28 |
12,34 |
0,7901 |
129 |
|
160-170 |
1,27 |
13,61 |
0,7966 |
135 |
|
170-180 |
1,17 |
14,78 |
0,8046 |
142 |
|
180-190 |
1,12 |
15,90 |
0,8126 |
148 |
|
190-200 |
1,32 |
17,22 |
0,8188 |
155 |
|
200-210 |
1,40 |
18,62 |
0,8341 |
158 |
|
210-220 |
1,11 |
19,73 |
0,8407 |
170 |
|
220-230 |
1,27 |
21,00 |
0,8457 |
180 |
|
230-240 |
1,38 |
22,38 |
0,8497 |
185 |
|
240-250 |
1,51 |
23,89 |
0,8541 |
194 |
|
250-260 |
1,53 |
25,42 |
0,8591 |
202 |
|
260-270 |
1,78 |
27,20 |
0,8593 |
210 |
|
270-280 |
1,51 |
28,71 |
0,8672 |
221 |
|
280-290 |
1,46 |
30,17 |
0,8676 |
230 |
|
290-300 |
1,87 |
32,04 |
0,8684 |
237 |
|
300-310 |
1,60 |
33,64 |
0,8688 |
244 |
|
310-320 |
1,73 |
35,73 |
0,8757 |
259 |
|
330-340 |
1,87 |
38,81 |
0,8957 |
280 |
|
340-350 |
1,53 |
40,34 |
0,8963 |
291 |
|
350-360 |
1,54 |
41,88 |
0,8990 |
295 |
|
360-370 |
1,61 |
43,49 |
0,9006 |
305 |
|
370-380 |
1,74 |
45,23 |
0,9038 |
314 |
|
380-390 |
1,49 |
46,72 |
0,9054 |
322 |
|
390-400 |
1,70 |
48,42 |
0,9055 |
334 |
|
400-425 |
5,90 |
54,32 |
0,9168 |
370 |
|
425-450 |
5,30 |
59,62 |
0,9231 |
401 |
|
450-475 |
4,70 |
64,32 |
0,9304 |
425 |
|
475-500 |
3,35 |
67,67 |
0,9376 |
450 |
|
500-выше |
32,33 |
100,0 |
0,9936 |
768 |
По шифру нефти легко составить представление о наиболее рациональных путях ее переработки и о, возможности замены ею ранее применявшейся нефти в данном технологическом процессе.
В табл. 3 приводится выборочный справочный материал, характеризующий некоторые промышленные нефти СССР.
В качестве исходных данных для расчетов при проектировании установки первичной переработки нефти и получения битума были использованы следующие физико-химические показатели, фракционный состав и физические свойства Лянторской, нефти приведенных в табл.3, табл.4.
1.2.Нефтепродукты
Нефтеперерабатывающая промышленность выпускает более 500 различных нефтепродуктов [4].
Среди них прежде всего следует выделить основные группы, резко различающиеся по составу и свойствам:
I—жидкое топливо;
II—смазочные и специальные масла;
III—консистентные смазки;
IV—парафины и церезины;
V—битумы;
VI—сажа;
VII— нефтяной кокс;
VIII — нефтяные кислоты и их соли;
IX—присадки к топливам и маслам;
X—прочие нефтепродукты (осветительные керосины, растворители, ароматические углеводороды, смазочно-охлаждающие жидкости и др.).
Остановимся вкратце на назначении и ассортименте некоторых нефтепродуктов из этих групп.
1.2.1.Карбюраторное топливо
Карбюраторное топливо—авиационные и автомобильные бензины, тракторный керосин — для двигателей с зажиганием от искры [5].
Авиационные бензины представляют собой смеси бензинов прямой гонки, каталитического крекинга и высокооктановых компонентов (алкилбензол, технический изооктан и другие) с добавкой антидетонационных и антиокислительных присадок. Выпускаются следующие марки: бензин БА, Б-100/1302, Б-91/115, Б-95/130, Б-70 (без ТЭС3). Их фракционный состав 40—180°С.
Автомобильные бензины — смеси бензинов прямой гонки, термического и каталитического крекинга, каталитического риформинга. Их маркировка: А-66, А-72, А-76, АИ-93, АИ-98. Для первых трех цифры обозначают октановые числа по моторному методу, а для двух последних—по исследовательскому. Бензин марки А-72 выпускается без добавки ТЭС, а в остальные ТЭС вводится в количестве от 0,41 до 0,82 г/кг бензина. Начало кипения этих бензинов не ниже —35 °С, а конец кипения 205 °С для А-66, для других 185—195°С.
Тракторный керосин—смесь дистиллятов прямой гонки и термического крекинга фракционного состава примерно 100—300 °С. Выпускаются две марки с октановыми числами 40 и 45.
Топливо для реактивных двигателей (авиакеросины) имеет в основном прямогонное происхождение. Марки Т-1, ТС-1, Т-2, Т-5, Т-6, Т-7, Т-8, РТ. Топлива отличаются друг от друга по фракционному составу, содержанию общей и меркаптановой серы. Авиакеросины должны иметь температуру застывания не выше —60 °С.
Эксплуатационные свойства карбюраторных топлив. Авиационные и автомобильные поршневые двигатели внутреннего сгорания с принудительным воспламенением от искры работают по четырехтактному циклу. В первом такте (всасывание) топливно-воздушная рабочая смесь заполняет цилиндр двигателя и нагревается к концу такта в двигателях, работающих на бензине, до 80—130°С и до 140— 205 °С — в работающих на керосине.
Во втором такте (сжатие) давление смеси возрастает до 10— 12 ат, а температура—до 150—350 °С. В конце хода сжатия с некоторым опережением смесь воспламеняется от электрической искры. Хотя время сгорания топлива очень мало — тысячные доли секунды, но оно все же сгорает постепенно, по мере продвижения фронта пламени по камере сгорания (фронтом пламени называется тонкий слой газа, в котором протекает реакция горения). При нормальном сгорании фронт пламени распространяется со скоростью 20—30 м/сек. Температура сгорания достигает 2200— 2800°С, а давление газов сравнительно плавно возрастает до 30— 50 ат в автомобильных двигателях и до 80 ат в авиационных.
В третьем такте (рабочий ход) реализуется энергия сжатых продуктов сгорания, и во время четвертого такта цилиндр двигателя освобождается от продуктов сгорания.
В поршневых авиационных и автомобильных двигателях в качестве топлива применяются бензины. Важнейшее эксплуатационное требование к ним — обеспечение нормального бездетонационного сгорания в двигателях, для которых они предназначены.
Детонацией называется особый ненормальный характер сгорания топлива в двигателе, при этом только часть рабочей смеси после воспламенения от искры сгорает нормально с обычной скоростью. Последняя порция топливного заряда (до 15—20%), находящаяся перед фронтом пламени, мгновенно самовоспламеняется, в результате скорость распространения пламени возрастает до 1500—2500 м/сек, а давление нарастает не плавно, а резкими скачками. Этот резкий перепад давления создает ударную детонационную волну. Удар такой волны о стенки цилиндра и ее многократное отражение от них приводит к вибрации и вызывает характерный металлический стук, являющийся главным внешним признаком детонационного сгорания. Другие внешние признаки детонации: появление в выхлопных газах клубов черного дыма, а также резкое повышение температуры стенок цилиндра. Детонация — явление очень вредное. На детонационных режимах мощность двигателя падает, удельный расход топлива возрастает, работа двигателя становится жесткой и неровной. Кроме того, детонация вызывает прогорание и коробление поршней и выхлопных клапанов, перегрев и выход из строя электрических свечей и другие неполадки. Износ двигателя ускоряется, а межремонтные сроки укорачиваются. При длительной работе на режиме интенсивной детонации возможны и аварийные последствия. Особенно опасна детонация в авиационных двигателях.
Явление детонации с химической точки зрения объясняется перенасыщением последней части топливного заряда первичными продуктами окисления углеводородов — гидроперекисями и продуктами их распада — высокоактивными свободными радикалами, которые при достижении определенной концентрации реагируют со скоростью взрыва. В результате вся несгоревшая часть горючей смеси мгновенно самовоспламеняется. Очевидно, чем выше скорость образования перекисей в данной рабочей смеси, тем скорее возникает взрывное сгорание, тем раньше нормальное распространение фронта пламени перейдет в детонационное и последствия детонации скажутся сильнее. Отсюда следует, что основным фактором, от которого зависит возникновение и интенсивность детонации, является химический состав топлива, так как известно, что склонность к окислению у углеводородов различного строения при сравнимых условиях резко различна.
Если в топливе преобладают углеводороды, не образующие в условиях предпламенного окисления значительного количества перекисей, то взрывного распада не произойдет, смесь не перенасытится активными частицами и сгорание будет проходить с обычными скоростями, без детонации.
Оценка детонационной стойкости (ДС) [11] или антидетонационных свойств углеводородов и топлив проводится на стационарных одноцилиндровых двигателях. В основе всех методов оценки ДС лежит принцип сравнения испытуемого топлива со смесями эталонных топлив. В качестве последних выбраны 2,2,4-триметилпентан (изооктан) и гептан, а за меру детонационной стойкости принято октановое число.
Октановым числом называется условная единица измерения детонационной стойкости, численно равная процентному (по объему) содержанию изооктана (2,2,4-триметилпентана) в его смеси с гептаном, эквивалентной по детонационной стойкости испытуемому топливу при стандартных условиях испытания.
Октановое число изооктана принято равным 100, а гептана — 0. Следовательно, если испытуемый бензин оказался эквивалентным в стандартных условиях испытания смеси, состоящей, например, из 70% изооктана и 30% гептана, то его октановое число равно 70. Октановое число—нормируемый показатель детонационной стойкости автомобильных бензинов, а также авиационных бензинов при работе на бедных смесях и без применения наддува.
Для оценки ДС авиационных бензинов при работе двигателя на богатых смесях и с применением наддува нормируемым показателем служит сортность топлива.
Сортность топлива на богатой смеси — это характеристика, показывающая величину мощности двигателя (в процентах) при работе на испытуемом топливе по сравнению с мощностью, полученной на эталонном изооктане, сортность которого принимается за 100.
Октановые числа определяются на специальных испытательных установках при строго стандартных условиях. Имеется несколько методов определения октановых чисел, отличающихся друг от друга режимом испытания. В Советском Союзе оценка топлив ведется по моторному и исследовательскому методу. Октановые числа, определенные по исследовательскому методу, для некоторых бензинов на несколько единиц выше. Поэтому, когда приводятся данные по октановым числам, всегда надо оговаривать метод их определения.
Одним из путей повышения детонационной стойкости топлив для двигателей с зажиганием от искры является применение антидетонаторов. Это вещества, которые добавляют к бензинам в количестве не более 0,5% с целью значительного улучшения антидетонационных свойств.
Достаточно эффективным, применяемым во всех странах, антидетонатором является тетраэтилсвинец (ТЭС) Pb(С>2>Н>5>)>4>, который уже при 200—250 °С [13] легко распадается на свинец и свободные радикалы (этил), присутствие которых в топливно-воздушной среде замедляет образование перекисей в предпламенный период. Это приводит к снижению их концентрации перед фронтом пламени, и, следовательно, переход нормального сгорания в детонационное затрудняется. В свою очередь, и атомарный свинец уже при более высоких температурах, т. е. на более поздней стадии процесса горения, дезактивирует различные частицы, образующиеся при бурном распаде перекисей. Это также приводит к ослаблению детонации.
В чистом виде ТЭС применять нельзя, так как на клапанах, свечах и стенках цилиндра накапливаются свинец и окись свинца, что конечно нарушает работу двигателя. Для удаления свинцовистого нагара к ТЭС добавляют так называемые выносители свинца — различные галогеналкилы. При термическом разложении последние выделяют галогенводород или галоген. Они образуют со свинцом и окисью свинца соли, которые при высоких температурах двигателя находятся в парообразном состоянии:
3C>2>H>5>Br 2C>2>H>4> + 2HBr
PbO + 2HBr PbBr>2> + H>2>O
Pb + 2HBr PbBr>2> + H>2>O
Эти соли вместе с выхлопными газами благодаря своей летучести выводятся из цилиндра двигателя. В качестве выносителей применяются дибромэтан, бромистый этил, -монохлорнафталин, дибромпропан. Смесь ТЭС, выносителей и красителя называется этиловой жидкостью.
ТЭС, а следовательно, и этиловая жидкость очень ядовиты: при обращении с ней и содержащими ее этилированными бензинами необходимо соблюдать специальные правила предосторожности. Чтобы легче отличать этилированные бензины, этиловую жидкость подкрашивают. Добавляется этиловая жидкость к бензинам в количестве от 1,5 до 4 мл на 1 кг топлива. Добавление этиловой жидкости свыше 4 мл/кг уже не приводит к дальнейшему повышению октановых чисел, но вызывает усиленное отложение свинцовистого нагара [13].
Октановые числа индивидуальных углеводородов. Таблица 6
|
Алканы |
ОЧ |
Алкены |
ОЧ |
|
|
Бутан |
92 |
Пентен-1 |
77 |
|
|
Изобутан |
99 |
Гексен-1 |
63 |
|
|
Пентан |
62 |
2,3-Диметилбутен-1 |
81 |
|
|
2-Метилбутан |
90 |
Октен-1 |
35 |
|
|
Гексан |
26 |
Октен-2 |
56 |
|
|
2-Метилпентан |
74 |
Октен-3 |
68 |
|
|
2,2-Диметилбутан (неогексан) |
93 |
Октен-4 |
74 |
|
|
3,3-Диметилбутан |
94 |
2,2,4-Триметилпентен-2 |
55 |
|
|
Гептан |
0 |
2,2,4-Триметилпентен-1 |
86 |
|
|
2,2-Диметилпентан |
89 |
|||
|
2.2,3-Триметилбутан (триптан) |
104 |
|||
|
Октан |
-20 |
|||
|
2.3-Диметилгексан . . |
79 |
|||
|
2,3,4-Триметилпентан |
96 |
|||
|
2,2,4-Триметилпентан |
||||
|
(эталонный изооктан) |
100 |
|||
|
2,2,3-Триметилпентан |
>100 |
|
Цикланы |
ОЧ |
Ароматические углеводороды |
ОЧ |
|
|
Циклопентан |
87 |
Бензол |
106 |
|
|
Метилциклопентаи |
80 |
Толуол |
103 |
|
|
Этплциклопентан |
61 |
Этилбензол |
98 |
|
|
Пропилциклопентан |
28 |
п-Ксилол |
103 |
|
|
Изопропилциклопептан |
76 |
м-Ксилол |
103 |
|
|
Цпклогексан |
77 |
о-Ксилол |
100 |
|
|
Метилциклогексан |
72 |
Пропилбензол |
99 |
|
|
Этилциклогексан |
45 |
Изопропилбензол (кумол) |
100 |
|
|
Декалин |
38 |
1,3,5-Триметилбензол (мезитилен) |
100 |
Бензины различного химического состава по-разному относятся к добавке ТЭС, т. е. обладают, как говорят, различной приемистостью к. ТЭС. Приемистость к ТЭС оценивается числом единиц, на которое увеличивается октановое число данного топлива или углеводорода при добавлении определенного количества ТЭС по сравнению с октановым числом этого топлива в чистом виде, т. е. без антидетонатора. Наибольшая приемистость к ТЭС у парафиновых углеводородов нормального строения, наименьшая—у непредельных и ароматических углеводородов.
Изучение детонационной стойкости индивидуальных углеводородов позволило установить зависимость этого важного свойства от химического строения углеводородов и имело большое значение для подбора и создания различных сортов горючего для разнообразных двигателей.
Выше (табл. 6) приведены октановые числа некоторых индивидуальных углеводородов, определенные по моторному методу (без ТЭС).
Как видно из представленных данных, октановые числа некоторых углеводородов могут оказаться ниже 0 и выше 100. В первом случае это означает, что их ДС ниже, чем у гептана, а во втором — выше, чем у изооктана.
При оценке ДС товарных бензинов и компонентов, имеющих октановые числа выше 100, в качестве эталонных топлив используют смеси чистого изооктана с различным количеством ТЭС [68].
Для отдельных групп углеводородов, входящих в состав бензинов можно сделать следующие краткие выводы об их ДС.
Алканы нормального строения. Начиная с пентана углеводороды этого ряда характеризуются очень низкими октановыми числами, причем чем выше их молекулярный вес, тем октановые числа ниже. Существует почти линейная зависимость ДС от молекулярного веса.
Алканы разветвленного строения (изопарафины). Разветвление молекул предельного ряда резко повышает их ДС. Так, например, у октана октановое число —20, а у 2,2,4-триметилпентана 100. Наибольшие октановые числа отмечаются для изомеров с парными метильными группами у одного углеродного атома (неогексан, триптан, эталонный изооктан), а также у других триметильных изомеров октана.
Благодаря высоким антидетонационным свойствам изопарафины С>5>—С>8>—весьма желательные компоненты бензинов.
Алкены (моноолефины}. Появление двойной связи в молекуле углеводородов нормального строения вызывает значительное повышение ДС по сравнению с соответствующими предельными углеводородами.
Цикланы (нафтеновые углеводороды}. Первые представители рядов циклопентана и циклогексана обладают хорошей ДС; особенно это относится к циклопентану. Их приемистость к ТЭС также достаточно высока. Эти углеводороды являются ценными составными частями бензинов. Наличие боковых цепей нормального строения в молекулах как циклопентановых, так и циклогексановых углеводородов, приводит к снижению их октанового числа. При этом чем длиннее цепь, тем ниже октановые числа. Разветвление боковых цепей и увеличение их количества повышает ДС цикланов.
Ароматические углеводороды. Почти все простейшие ароматические углеводороды ряда бензола имеют октановые числа ~ 100 и выше. Ароматические углеводороды и ароматизированные бензины наряду с разветвленными алканами—лучшие компоненты высокосортных бензинов. Однако содержание ароматических углеводородов в бензинах следует ограничивать примерно до 40—50%. Чрезмерно ароматизованное топливо повышает общую температуру сгорания, что влечет за собой увеличение теплонапряженности двигателя, а также может вызвать так называемое калильное зажигание—самопроизвольное воспламенение рабочей смеси за счет раскаленных частичек нагара. Это очень вредное явление, которое может вызвать аварийное повреждение двигателя.
Итак, основным качественным показателем карбюраторных топлив является их высокая детонационная стойкость. Лучшие сорта автомобильных бензинов должны иметь октановые числа по исследовательскому методу 93—98 пунктов.
Помимо высокой ДС к карбюраторным топливам предъявляются следующие основные требования.
Фракционный состав топлива должен обеспечивать его хорошую испаряемость, легкий запуск двигателя даже при низких температурах, быстрый прогрев двигателя и хорошую его приемистость к переменам режима. Поэтому важнейшим техническим показателем бензинов и керосинов являются данные стандартной разгонки, при которой отмечают: температуру начала кипения; температуры, при которых отгоняются 10, 50, 90 и 97,5 объемн. % от загрузки; остаток (в %) и иногда конец кипения. 10%-ная точка определяет пусковые свойства топлива, 50%-ная точка быстроту прогрева двигателя, 90%- и 97,5%-ные точки и конец кипения характеризуют полноту испарения и равномерное распределение топлива по цилиндрам [15].
Топливо не должно образовывать газовых пробок в топливоподающей системе. Для обеспечения этого требования в бензинах контролируется давление насыщенных паров при 38° С, которое не должно превышать 360 мм рт. ст. для авиационных бензинов, 500 мм рт. ст. для летних сортов и 700 мм рт. ст. для зимних сортов автомобильных бензинов.
Топливо должно быть химически стабильным и не содержать смол. Бензины термического крекинга и коксования содержат непредельные углеводороды, склонные при хранении окисляться и полимеризоваться. Этот процесс получил название смолообразования. Выпадение смол резко ухудшает эксплуатационные свойства топлив, способствует отложению нагаров в цилиндрах двигателей и на клапанах. Для повышения химической стабильности топлив вторичного происхождения к ним добавляются антиокислительные присадки (ингибиторы). Применение антиокислителей позволяет значительно затормозить реакции окисления. Это имеет большое практическое значение, так как позволяет увеличить сроки хранения топлив. В качестве антиокислителей предложено очень много разнообразных органических веществ. Среди них фенолы, полифенолы, алкилфенолы, аминофенолы и др. К наиболее распространенным антиокислительным присадкам, добавляемым к бензинам и керосинам, относятся:
древесно-смольный антиокислитель (ДСА), представляющий собой смесь полифенолов и их диметиловых эфиров; ДСА добавляется к автомобильным бензинам в количестве 0,05—0,15% почти на всех нефтеперерабатывающих заводах СССР;
ФЧ-16—смесь полифенолов из каменноугольной смолы. Этот ингибитор выпускается с 1968 г. и рекомендуется к применению в количестве 0,05—0,065%;
синтетические ингибиторы 2,4-диметил-б-трег-бутилфенол (топанол А) (I), 2,6-ди-трег-бутил-4-метилфенол (ионол, топанол 0) (II), п-оксидифениламин (ПОДФА) (III), добавляемые в тысячных и сотых долях процента:
К
числу наиболее сильнодействующих
антиокислителей принадлежит также
N,N’-ди-втор-бутил-п-фенилендиамин
(ФДА):
Механизм действия антиокислителей в общем виде заключается в том, что молекулы присадки обрывают цепные реакции окисления.
О химической стабильности топлив судят либо по содержанию фактических смол (в мг на 100 мл), либо по длительности индукционного периода (в мин).
И
ндукционным
периодом называется время (в мин],
в течение которого бензин в условиях
испытания в бомбе под давлением 7 кгс/см2
кислорода при 100° С практически не
поглощает кислорода. Об этом судят
по кривой давления кислорода в бомбе
во время испытания. По окончании
индукционного периода скорость окисления
резко возрастает, кислород начинает
расходоваться, а давление в бомбе
снижаться. Нормами на автомобильные
бензины длительность индукционного
периода установлена для разных сортов
от 450 до 900 мин.
4. Топливо не должно вызывать коррозии деталей двигателя. Это контролируют по следующим нормируемым показателям качества: кислотность, общее содержание серы, содержание водорастворимых кислот и щелочей (должны отсутствовать), присутствие активных сернистых соединений (испытание по изменению цвета поверхности медной пластинки).
5. Авиационные топлива не должны застывать и выделять кристаллы при температуре выше —60° С.
Физико-химические свойства бензинов должны соответствовать требованиям ГОСТ 2084-77, представленным в табл. 7.
Физико-химические свойства бензинов. Таблица 7
|
№ п/п |
Наименование показателей |
Значение для марки |
Метод испытания |
|||||
|
А-72 |
А-76 |
АИ-93 |
АИ-95 |
|||||
|
а |
а |
б |
а |
б |
а |
|||
|
ОКП-02 5112 0401 |
ОКП-2 5112 0501 |
ОКП-2 5112 0502 |
ОКП-2 5112 0601 |
ОКП-2 5112 0602 |
ОКП-2 5112 0300 |
|||
|
1. |
Детонационная стойкость – октановое число: |
|||||||
|
по моторному методу |
72 |
76 |
76 |
85 |
85 |
85 |
ГОСТ 511-82 |
|
|
по исследовательскому методу |
не нормируется |
93 |
95 |
95 |
ГОСТ 8226-82 |
|||
|
2. |
Концентрация свинца, г/дм3 |
0,013 |
0,013 |
0,17 |
0,013 |
0,37 |
0,013 |
ГОСТ 2177-82 |
|
3. |
Фракционный состав летнего/зимнего: |
|||||||
|
начало кипения |
35/- |
35/- |
35/- |
35/- |
35/- |
30/- |
||
|
10% |
70/55 |
70/55 |
70/55 |
70/55 |
70/55 |
75/55 |
||
|
50% |
115/100 |
115/100 |
115/100 |
115/100 |
115/100 |
120/100 |
||
|
90% |
180/160 |
180/160 |
180/160 |
180/160 |
180/160 |
180/160 |
||
|
конец кипения |
195/185 |
195/185 |
195/185 |
195/185 |
195/185 |
205/195 |
||
|
остаток, % |
1,5 |
1,5 |
1,5 |
1,5 |
1,5 |
1,5 |
||
|
остаток и потери, % |
4,0 |
4,0 |
4,0 |
4,0 |
4,0 |
4,0 |
||
|
4. |
Давление насыщенных паров бензина, кПа (мм.рт.ст.): |
|||||||
|
летнего |
66,7 (500) |
|||||||
|
зимнего |
66,7-93,3 (500-700) |
|||||||
|
5. |
Кислотность, мг КОН на 100 см3 |
3,0 |
1,0 |
3,0 |
0,8 |
3,0 |
2,0 |
ГОСТ 11362-76 |
|
6. |
Концентрация фактических смол, мг на 100 см3 бензина: |
|||||||
|
на месте производства |
5,0 |
3,0 |
5,0 |
- |
5,0 |
5,0 |
ГОСТ 1567-83 |
|
|
на месте потребления |
10,0 |
8,0 |
10,0 |
5,0 |
7,0 |
- |
||
|
7. |
Индукционный период бензина на месте производства, мин |
600 |
1200 |
900 |
1200 |
900 |
900 |
ГОСТ 19121-73 |
|
8. |
Массовая доля серы, % |
0,10 |
0,10 |
0,10 |
0,10 |
0,10 |
0,10 |
|
|
9. |
Испытание на медной пластинке |
выдерживает |
ГОСТ 6321-92 |
|||||
|
10. |
Водорастворимые кислоты и щелочи |
отсутствие |
ГОСТ 6307-75 |
|||||
|
11. |
Механические примеси и вода |
отсутствие |
||||||
|
12. |
Цвет |
- |
- |
желтый |
- |
оранж |
- |
визуально |
|
13. |
Плотность при 20С, кг/м3 |
не нормируется |
ГОСТ 3900-85 |
|||||
|
14. |
Тяжелые углеводороды |
отсутствие |
Примечание:
Для городов и районов, а также предприятий, где Главным санитарным врачом запрещено применение этилированных бензинов, предназначаются только неэтилированные бензины.
Допускается вырабатывать бензин, предназначенный для применения в южных районах, со следующими показателями по фракционному составу:
10% перегоняется при температуре не выше 75С;
50% перегоняется при температуре не выше 120С,
Для бензинов, изготовленных с применением компонентов каталитического риформинга, допускается температура конца кипения бензина летнего вида – не выше 205С, бензина зимнего вида – не выше 195С.
Автомобильные этилированные бензины, предназначенные для экспорта, изготовляют без добавления красителя. Допускается бледно-желтая краска. Концентрация свинца в них не должна превышать 0,15 г/дм3. Массовая доля меркаптановой серы по ГОСТ 17323-71 – не более 0,001%.
Физико-химические показатели, которыми обладает бензиновая фракция получаемая на установке первичной переработки нефти и получения битума представлены в табл. 8.
1.2.2.Дизельное топливо
Дизельное топливо—для двигателей с зажиганием от сжатия. В эту подгруппу входят следующие виды топлив:
Топливо для быстроходных дизелей фракционного состава примерно 180—350°С. Выпускаются марки ДА и А (арктические), АЗ и 3 (зимние), ДЛ и Л (летние), ДС и С (специальные). Они различаются по температуре застывания (—60—10 °С) и содержанию серы.
Топливо моторное для среднеоборотных и малооборотных двигателей. Две марки ДТ, ДМ.
Топливо для тепловозных и судовых двигателей следующих марок: ТЗ (зимнее), ТЛ (летнее). По фракционному составу это более высококипящие фракции (50%—275—290 °С; 98%—340— 360°С).
Физико-химическая характеристика бензиновой фракции. Таблица 8
|
№ п/п |
Наименование показателя |
Значение |
|
1. |
Детонационная стойкость – октановое число: |
|
|
по исследовательскому методу |
62 |
|
|
2. |
Концентрация свинца, г/дм3 |
- |
|
3. |
Фракционный состав летнего/зимнего: |
|
|
начало кипения |
35 |
|
|
10% |
76 |
|
|
50% |
120 |
|
|
90% |
163 |
|
|
конец кипения |
185 |
|
|
остаток, % |
1,02 |
|
|
остаток и потери, % |
3,5 |
|
|
4. |
Давление насыщенных паров бензина, кПа (мм.рт.ст.): |
(323) |
|
5. |
Кислотность, мг КОН на 100 см3 |
0,5 |
|
6. |
Концентрация фактических смол, мг на 100 см3 бензина |
- |
|
7. |
Индукционный период бензина на месте производства, мин |
600 |
|
8. |
Массовая доля серы, % |
0,04 |
|
9. |
Испытание на медной пластинке |
выдерживает |
|
10. |
Водорастворимые кислоты и щелочи |
- |
|
11. |
Механические примеси и вода |
- |
|
12. |
Цвет |
желтый |
|
13. |
Плотность при 20С, кг/м3 |
732 |
|
14. |
Тяжелые углеводороды |
- |
Котельное топливо — флотские и топочные мазуты (марки ф5, ф12, 40, 100, 200) и топливо для локомотивных газотурбинных двигателей. Они различаются по вязкости и температуре застывания.
В 1970 г. были впервые утверждены также технические условия на печное топливо для битовых и технических целей (марки А, Б, В). Их примерный фракционный состав 100—300—360 °С.
К группе топлив следует отнести также горючие газы. Их классифицируют следующим образом:
газ для коммунально-бытового потребления;
газы сжатые для газобаллонных автомобилей;
газы углеводородные сжиженные топливные (пропан технический, бутан технический, смесь пропана и бутана).
Эксплуатационные свойства дизельных топлив. В двигателях внутреннего сгорания с воспламенением от сжатия, называемых дизелями, четырехтактный рабочий процесс протекает несколько иначе, чем в двигателях с зажиганием от искры [15]. В дизельном двигателе в первых двух тактах засасывается и сжимается чистый воздух. Температура воздуха в конце хода сжатия достигает 550—650° С, а давление возрастает до 40 ат. В конце хода сжатия в сжатый и нагретый воздух впрыскивается в течение определенного времени под большим давлением порция топлива. Мельчайшие капельки топлива переходят в парообразное состояние и распределяются в воздухе. Через определенный весьма незначительный момент времени топливо самовоспламеняется и полностью сгорает. Время между началом впрыска и воспламенением топлива называется периодом задержки самовоспламенения. В современных быстроходных двигателях этот период не более 0,002 сек. В результате сгорания топлива давление газов достигает 60—100 ат. Весьма важным для обеспечения плавной, нормальной работы двигателя является скорость нарастания давления газов. Из практики известно, что эта скорость не должна превышать 5 ат на 1° угла поворота коленчатого вала. В противном случае двигатель начинает стучать, работа его становится «жесткой», а нагрузка на подшипники чрезмерной. Появление стуков и жесткая работа двигателя тесно связаны с длительностью периода задержки самовоспламенения. Чем продолжительнее этот период, тем большее количество топлива успеет поступить в цилиндр двигателя. В результате—одновременное воспламенение повышенного количества топлива приводит к взрывному характеру сгорания, и давление газов будет нарастать скачкообразно. В двух последующих тактах: рабочий ход и выхлоп—происходит рабочее расширение газов и освобождение цилиндра двигателя от продуктов сгорания.
В качестве топлива для быстроходных дизелей применяются керосиногазойлевые фракции нефти. Для тихоходных и стационарных двигателей этого типа с малым числом оборотов применяется более тяжелое топливо типа мазутов.
Наиболее существенное эксплуатационное свойство дизельных топлив—их способность быстро воспламеняться и плавно сгорать, что обеспечивает нормальное нарастание давления и мягкую работу двигателя без стуков. Воспламенительные свойства топлив зависят от их химического и фракционного состава. Очевидно, что это, в первую очередь, связано с температурой самовоспламенения компонентов топлива. Известно, например, что ароматические углеводороды имеют очень высокие температуры воспламенения (500—600° С). Ясно, что сильноароматизованные продукты неприемлемы в качестве дизельного топлива. Наоборот, парафиновые углеводороды имеют самые низкие температуры самовоспламенения, и дизельные топлива из парафинистых нефтей обладают хорошими эксплуатационными свойствами.
Оценка воспламенительных свойств углеводородов и топлив, так же как и детонационной стойкости бензинов, проводится методом сравнения на лабораторных испытательных установках с эталонными топливами.
По аналогии с октановыми числами для оценки моторных свойств дизельных топлив приняты цетановые числа.
Цетановым числом называется содержание (в объемн. %) цетана в смеси с -метилнафталином, эквивалентной по самовоспламеняемости испытуемому топливу, при сравнении топлив в стандартных условиях испытания [14].
Цетановое число самого цетана (гексадекана) С>16>Н>34> принято равным 100, а -метилнафталина—0. Определение цетановых чисел проводится на стандартной одноцилиндровой установке с дизельной головкой по так называемому методу совпадения вспышек. Цетановые числа дизельных топлив нормируются в интервале 40—50 ед.
Цетановое число характеризует не только воспламенительные свойства, оно отражает и некоторые другие эксплуатационные качества дизельного топлива: чем выше цетановое число дизельного топлива, тем лучше его пусковые свойства, тем менее длителен период задержки самовоспламенения, больше полнота сгорания топлива, меньше задымленность выхлопных газов и склонность топлива к отложениям нагаров в камере сгорания и в форсунках.
Самые низкие цетановые числа характерны для ароматических углеводородов, особенно бициклических. Цикланы и бицикланы занимают промежуточное положение. Наибольшими цетановыми числами обладают алканы нормального строения. Разветвление молекул алканов приводит к значительному снижению цетановых чисел. Введение двойной связи в молекулу углеводорода также вызывает понижение цетанового числа.
Характеристика дизельного топлива. Таблица 9
|
№ п/п |
Наименование показателей |
Норма для марки ДТ по ГОСТ 305-82 |
Продукция ЦППНиПБ |
||
|
дизтопливо летнее |
дизтопливо зимнее |
дизтопливо |
|||
|
1. |
Цетановое число |
45 |
45 |
45 |
45 |
|
2. |
Фракционный состав: |
||||
|
50% перегоняется при температуре, С |
280 |
280 |
255 |
247 |
|
|
96% перегоняется при температуре, С |
360 |
340 |
330 |
331 |
|
|
3. |
Вязкость кинематическая при 20С, сСт |
3,0-6,0 |
1,8-5,0 |
1,5-4,0 |
3,64 |
|
4. |
Температура застывания для умеренной/холодной климатической зоны, С |
-10/- |
-35/-45 |
-/-55 |
-38 |
|
5. |
Температура помутнения для умеренной/холодной климатической зоны, С |
-5/- |
-25/-35 |
-/- |
-27 |
|
6. |
Температура вспышки в закрытом тигле для судовых дизелей/для дизелей общего назначения, С |
62/40 |
40/35 |
35/30 |
37 |
|
7. |
Массовая доля серы в топливе вид I/вид II |
0,2/0,5 |
0,2/0,5 |
0,2/0,4 |
0,28 |
|
8. |
Содержание сероводорода |
отсутствует |
|||
|
9. |
Массовая доля меркаптановой серы, % |
0,01 |
0,01 |
0,01 |
- |
|
10. |
Испытание на медной пластинке |
выдерживает |
|||
|
11. |
Содержание водорастворимых кислот и щелочей |
отсутствует |
|||
|
12. |
Содержание мех. примесей |
отсутствует |
|||
|
13. |
Содержание фактических смол на 100 мл топлива, мг |
0,40 |
0,30 |
0,30 |
- |
|
14. |
Кислотность мг КОН на 100 мл |
5 |
5 |
5 |
2,81 |
|
15. |
Йодное число г. йода на 100 мл топлива |
6 |
6 |
6 |
0,02 |
|
16. |
Зольность, % |
0,01 |
0,01 |
0,01 |
0,015 |
|
17. |
Коксуемость 10% остатка, % |
0,20 |
0,30 |
0,30 |
- |
|
18. |
Коэффициент фильтруемости |
3 |
3 |
3 |
- |
|
19. |
Содержание воды |
отсутствует. |
|||
|
20. |
Плотность при 20С |
860 |
840 |
830 |
833 |
|
21. |
Предельная температура фильтруемости,С |
5 |
- |
- |
- |
К другим важным эксплуатационным свойствам дизельных топлив для быстроходных дизелей относятся их фракционный состав, вязкость, температура застывания, коксуемость, содержание серы; кислотность, содержание воды и механических примесей. Все эти показатели подбираются в таких пределах, чтобы обеспечить нормальную бесперебойную подачу топлива в двигатель, полноту сгорания, уменьшение нагарообразования и отсутствие коррозии. Особенно большое значение имеет температура застывания, варьирующая от —10 °С для летних сортов до —60 °С для арктического сорта, и содержание серы, которое не должно превышать 0,2% Для всех марок.
Физико-химические свойства дизельного топлива должны соответствовать требованиям ГОСТ 305-82. Данные по ГОСТ и производимого дизельного топлива приведены в табл. 9.
1.2.3.Смазочные и специальные масла.
В эту вторую основную группу включены жидкие дистиллятные и остаточные нефтепродукты различной вязкости и степени очистки, предназначенные для обеспечения жидкостной смазки в различных машинах и механизмах, а также нашедших разнообразное техническое применение во многих отраслях промышленности [16].
Смазочные масла. Смазочные масла подразделяются на следующие подгруппы:
индустриальные масла;
масла турбинные, компрессорные и для паровых машин;
моторные масла;
трансмиссионные масла.
Индустриальные масла предназначены для смазки станков, механизмов и машин, работающих в разнообразных условиях и с различной скоростью и нагрузкой. По величине вязкости их подразделяют на легкие (>50> = 4 8,5 сст), средние ( = 12 50 сст) и тяжелые (>100> = 9 36 сст). Для различных машин и механизмов выпускается более 30 марок индустриальных масел: велосит, вазелиновое масло, масла для холодильных машин (ХА, ХА-23, ХА-30, ХФ12-18, ХФ22-24, ХФ22с-16), веретенные и машинные (марки по вязкости при 50 °С: 12, 20, 30, 45, 50), масла индустриальные селективной очистки (марки по вязкости при 50 °С: ИС-12, ИС-20, ИС-30, ИС-45, ИС-50), сепараторные Л и Т, авиационное МС-20С. масло для прессов и прокатных станов П-28, приборное МВП и др.
Масла турбинные, компрессорные и для паровых машин. В эту подгруппу включены масла, работающие в тяжелых условиях нагрузки, повышенной температуры и воздействия воды, пара и воздуха.
Турбинные масла предназначены для смазки и охлаждения подшипников паровых и водяных турбин и для заполнения систем регулирования паровых турбогенераторов. Они должны быть стабильны против окисления и обладать быстрой скоростью деэмульгацни (8 мин). Выпускаются следующие марки по вязкости при 50 °С: 22м, 22(л), 30(УТ), 46(Т), 57 (турборедукторное).
Компрессорные масла предназначены для смазки цилиндров, клапанов и других движущихся частей воздушных компрессоров и воздуходувок. Это высоковязкие, стабильные против окисления масла. Выпускаются две марки с вязкостью при 100 °С: 12(М) и 19(Т).
Масла для паровых машин (цилиндровые) выпускаются для смазки цилиндров паровых машин, работающих на насыщенном и перегретом паре. Масла цилиндровые с вязкостью при 100 °С 11 и 24 сCт (цилиндровое 2 и вискозин)—для машин с насыщенным паром, тяжелые цилиндровые масла вапор (>100> = 36 сCт) и цилиндровое 6 (>100> = 52 сCт) —для машин с перегретым паром. Выпускаются также судовое масло и масло для судовых газовых турбин.
Моторные масла — в эту подгруппу включены многочисленные сорта масел, применяемых для смазки двигателей внутреннего сгорания. Они подразделяются на авиационные, автотракторные и дизельные. Обозначение различных марок моторных масел базируется на следующих принципах. Первая большая буква, в данном случае «М», указывает на подгруппу, цифры обозначают вязкость в ест при 50 или 100 °С, буквы п—масло с отечественной присадкой, и — с иностранной. Буквы С и К указывают на селективную или кислотную очистку. Буквы Л, 3, С—летнее, зимнее, северное масло.
Сравнительно недавно принята новая индексация для марок моторных масел (табл. 10).
Индексация моторных масел. Таблица 10
|
Вязкость при 100 °С, ест |
Марки масел по группам4 |
|||||
|
А |
Б |
В |
Г |
Д |
Е |
|
|
6±1,0 |
— |
М6Б |
М6В |
— |
— |
— |
|
8±1,0 |
— |
М8Б |
М8В |
М8Г |
— |
— |
|
10±2,0 |
М10А |
М10Б |
М10В |
М10Г |
— |
— |
|
12±1,0 |
— |
М12Б |
М12В |
М12Г |
М12Д |
— |
|
14±1,0 |
— |
М14Б |
М14В |
М14Г |
МИД |
М14Е |
|
16±1,0 |
— |
М16Б |
М16В |
М16Г |
М16Д |
М16Е |
|
20±1,0 |
— |
М20Б |
М20В |
М20Г |
М20Д |
М20Е |
Выпускаются следующие моторные масла:
Авиационные — это, как правило, остаточные масла хорошей очистки; марки: МС-14, МС-20, МК-22; здесь цифры обозначают вязкость (в ест) при 100 °С;
Автотракторные (автолы) — в основном дистиллятные масла, селективной очистки и с присадками, марки: АСп-6 (М6Б), АСП-10 (М10Б), АКЗп (М6Б), АКЗп-10 (М10Б; АКп-10 (М10Б), АК-15 (тракторное);
Автомобильные — фенольной селективной очистки, марки: АС-6 (М6Б), АС-8 (МВБ), АС-10 (М10Б);
Дизельные — Дп-8, Д-11, Дп-11, Дп-14 и фенольной селективной очистки: ДС-8 (М8Б), ДС-10 (М10Б); для мощных быстроходных дизелей—масло МТ-1бп.
Трансмиссионные масла предназначены для смазки трансмиссий автомобилей и тракторов, для зубчатых и гипоидных передач, рулевого управления и для различных грубых механизмов. Все эти масла неочищенные, как правило осерненные для улучшения липкости (маслянистости), высокой вязкости. Выпускаются летние, зимние и северные марки осевых масел с вязкостью при 50 °С от 12 до 52 ест и др.
Специальные (несмазочные) масла. Эта подгруппа включает масла, предназначенные не для смазки, а для применения в качестве рабочих жидкостей в тормозных системах, в пароструйных насосах и гидравлических устройствах, а также в трансформаторах, конденсаторах, маслонаполненных электрокабелях в качестве электроизолирующей среды. Сюда же относятся медицинское, парфюмерное, поглотительные и некоторые другие масла специального назначения. Ко всем этим маслам предъявляются требования высокой очистки и в них контролируются некоторые специальные показатели в зависимости от условий применения. Названия этих масел отражают область их использования. Например, трансформаторные масла (ТКп, ТК), вазелиновое медицинское, конденсаторные, парфюмерное и т. д.
На установке первичной переработки нефти и получения битума смазочные и специальные масла не производят.
1.2.4.Консистентные смазки
Консистентные смазки представляют собой нефтяные масла, загущенные мылами, твердыми углеводородами и другими загустителями. Эти мазе- и пастообразные нефтепродукты предназначены для смазки закрытых, как правило тяжелонагруженных, механизмов и для предохранения различных изделий от воздействия условий внешней среды. Кроме того, некоторые сорта используются для уплотнения (герметизации) различных систем. Это очень обширная группа нефтепродуктов, имеющая свою внутреннюю классификацию и систему обозначения (ГОСТ 3127—46). Все смазки делятся на два класса: универсальные (У) и специальные. Для обозначения разнообразных свойств универсальных смазок в их названиях к букве У добавляются буквы, указывающие на эти свойства:
Н—низкоплавкие, с температурой каплепадения до 65 °С;
С—среднеплавкие, с температурой каплепадения до 100°С;
Т—тугоплавкие, с температурой каплепадения выше 100°С;
М—морозостойкие, не застывающие при —30 °С;
3—защитные (от коррозии);
К—кислотоупорные;
В—водостойкие;
А—активированные;
Р — не растворяющие резины.
Специальные смазки обозначаются буквами в соответствии с областями применения. Например: автотракторные—А, для предметов вооружения—В, железнодорожные—Ж, морские—М и т.п.
По своему назначению все смазки делятся на:
антифрикционные, служащие для предотвращения износа (универсальные— солидолы и консталины и специальные—всего более 40 сортов);
консервационные или защитные — пластичные и жидкие смазки для предохранения металлических и кожаных изделий;
уплотнительные — для герметизации различных систем.
1.2.5.Парафины и церезины
Из твердых углеводородов, выделяемых из нефти и озокерита, изготавливаются вазелины (медицинский, ветеринарный, конденсаторный), парафин для синтеза жирных кислот, медицинский парафин, спичечный парафин, парафин для пищевой промышленности, различные марки церезина, восковые и пропиточные составы. Все товарные сорта парафина и церезина в основном различаются по температуре плавления (от 42 до 80 °С) и степени очистки.
1.2.6.Битумы
Битумы изготавливаются из тяжелых нефтяных остатков путем их окисления и предназначены для дорожного строительства, для получения кровельных материалов для гидроизоляции, электроизоляции, приготовления асфальтовых лаков и полиграфических красок.
Нефтяные битумы выпускаются в жидком, полутвердом и твердом виде. Многочисленные марки битумов отличаются друг от друга по температуре размягчения, глубине погружения иглы (пенетрации), по растяжимости (дуктильности).
Физико-химические свойства битумов производимых в ЦППНиПБ БНД 90/130 и БН 70/30 должны соответствовать требованиям ГОСТ 22245-90 и ГОСТ 6617-76 соответственно. Перечень показателей их значения приведены в табл.11.
Характеристика битума производимого в ЦППНиПБ. Таблица 11
|
№ п/п |
Наименование показателя |
Битум БНД 90-130 ГОСТ 22245-90 |
Битум БН 70-30 ГОСТ 6617-76 |
Продукция ЦППНиПБ |
|
1. |
Глубина проникания иглы 0,1, мм |
|||
|
при 25С |
91-130 |
21-40 |
117 |
|
|
при 0С |
28 |
- |
48 |
|
|
2. |
Температура размягчения по кольцу и шару, С |
не более 43 |
70-80 |
42 |
|
3. |
Растяжимость, см |
|||
|
при 25С |
не менее 65 |
3,0 |
79 |
|
|
при 0С |
не менее 4,0 |
4,06 |
||
|
4. |
Температура хрупкости, С |
не выше -17 |
не нормир. |
-24 |
|
5. |
Температура вспышки, С |
более 230 |
более 240 |
298 |
|
6. |
Изменение температуры размягчения после прогрева, С |
не более 5 |
не нормир. |
3,4 |
|
7. |
Индекс пенетрации |
-1,0 до +1,0 |
не нормир. |
-0,5 |
|
8. |
Массовая доля водорастворимых соединений, % |
менее 0,30 |
не нормир |
0,05 |
|
9. |
Изменение массы после прогрева, % |
не нормир. |
менее 0,50 |
|
|
10. |
Растворимость, % |
не нормир. |
99,5 |
|
|
11. |
Массовая доля воды |
не нормир. |
следы |
1.2.7.Сажа
Сажа — мелкодисперсный сыпучий углеродистый продукт, получаемый на сажевых заводах. Основной потребитель сажи — резиновая промышленность, где сажа используется как усилитель и наполнитель каучука. Для резиновой промышленности выпускается восемь марок сажи. Специальные сорта сажи используются в качестве пигмента для изготовления типографских красок.
1.2.8.Нефтяной кокс
Нефтяной кокс выпускается четырех марок с содержанием золы от 0,6 до 0,3% и серы от 0,4 до 1,5%. Используется в основном для производства анодной массы для выплавки алюминия и графитированных электродов [14].
1.2.9.Нефтяные кислоты и их соли
Нефтяные кислоты и их соли получаются в качестве отходов при щелочной очистке нефтепродуктов. Выпускаются для различного технического использования: асидолы (с содержанием кислот до 50%), мылонафт (натриевые соли нефтяных кислот), используемый в основном в мыловаренной промышленности, и асидол-мылонафт.
1.2.10.Присадки к топливам и маслам
Присадки к топливам и маслам. Присадками называются вещества, добавляемые в небольших количествах с целью значительного улучшения эксплуатационных свойств топлив и масел [15].
В качестве присадок применяют самые разнообразные синтетические органические вещества, обладающие специфическими свойствами. Чаще всего это полярные, поверхностно-активные соединения. Производство некоторых из них будет описано. Отечественная нефтеперерабатывающая и нефтехимическая промышленность вырабатывает более 50 различных марок присадок.
1.3.Первичная перегонка нефти
1.3.1.Назначение первичной перегонки
Нефть, как уже было указано, представляет собой чрезвычайно сложную смесь взаимно растворимых углеводородов [12]. Разделить ее нацело на составляющие компоненты практически невозможно, но этого для промышленного применения нефтепродуктов и не требуется. В промышленной практике нефть делят на фракции, различающиеся температурными пределами перегонки. Это разделение проводится на установках первичной перегонки нефти с применением процессов дистилляции и ректификации.
Полученные фракции служат сырьем для дальнейшей переработки или используются как товарные продукты. Первичная перегонка — первый технологический процесс переработки нефти. Установки первичной перегонки имеются на каждом нефтеперерабатывающем заводе.
1.3.2.Дистилляция
Дистилляцией или перегонкой называется процесс разделения смеси взаимно растворимых жидкостей на фракции, которые отличаются по температурам кипения как друг от друга, так и от исходной смеси. При перегонке смесь нагревается до кипения и частично испаряется. Получаемые пары отбираются и конденсируются. Перегонкой получают дистиллят и остаток, которые по составу отличаются от исходной смеси.
Перегонка может быть осуществлена однократным, многократным или постепенным испарением.
При однократном испарении в течение всего времени нагревания смеси продуктов до определенной конечной температуры образующиеся пары не выводятся из системы и остаются в контакте с жидкостью. После того как сообщение тепла заканчивается, вся парожидкостная смесь выводится в сепаратор. Здесь образовавшиеся пары в один прием (однократно) отделяются от жидкости.
При многократном осуществлении процесса разделение фаз производится в несколько приемов. Многократное испарение состоит из повторяющегося несколько раз процесса однократного испарения. Первоначально происходит отделение паров от жидкости, а затем—на второй ступени—жидкая фаза, оставшаяся при отделении паров в первой ступени, вновь испаряется и т. д.
При постепенном испарении [12] образующиеся пары по мере их образования непрерывно выводятся из перегонного аппарата. Постепенное испарение применяется при лабораторной перегонке нефти из колбы, а в промышленной практике прежде использовалось при перегонке на кубовых установках.
Процесс однократного испарения обладает преимуществами перед постепенным испарением. При однократном испарении низкокипящие фракции, перейдя в пары, остаются в аппарате, снижают парциальное давление испаряющихся высококипящих фракций, что дает возможность вести перегонку при более низких температурах.
При постепенном испарении, наоборот, легкие фракции отгоняют сначала, а тяжелые—в конце. Поэтому легкие фракции, которые превратились в пары и были выведены из аппарата, не влияют на температуру кипения тяжелых фракций. Благодаря влиянию легких фракций, применяя однократное испарение, можно снизить конец кипения перегоняемого сырья на 50—100 °С по сравнению с постепенным испарением.
На современных установках перегонка нефти проводится с применением однократного испарения.
Как известно, в составе нефти имеются углеводороды, кипящие при атмосферном давлении в интервале температур 400—500 °С и выше в то время как термическая стабильность углеводородов сохраняется только до 380—400 °С. При более высокой температуре начинается процесс разложения — крекинга углеводородов, причем наиболее высококипящие углеводороды нефти обладают наименьшей термической стабильностью [15].
Для того чтобы избежать разложения углеводородов, надо понизить температуру их кипения. Это достигается перегонкой нефти под вакуумом. Нефтяная фракция, выкипающая при атмосферном давлении в интервале температур 450—500 °С, может быть перегнана под вакуумом (остаточное давление 20—40 мм рт. ст.) при 200—250 °С.
Для понижения температуры кипения в практике нефтепереработки применяют также перегонку с водяным паром, который снижает парциальное давление углеводородов.
Понизить температуру кипения фракции можно и перегонкой с инертным газом (азот, углекислый газ и т. д.). Однако этот метод не нашел распространения, так как присутствие инертного газа ухудшает условия конденсации нефтяных фракций. На современных установках первичной перегонки нефти применяют совместное действие пониженного давления и ввода водяного пара.
1.3.3.Ректификация
П

Рис. 1. Схема ректификационной колонны:
I—холодное орошение;II—ректификат; III—горячая циркулирующая струя; IV—остаток; V—сырье.
ри однократном испарении взаимно растворимых жидкостей и последующей конденсации паров получают две фракции: легкую, в которой содержится больше низкокипящих фракций, и тяжелую, в которой содержится меньше низкокнпя-щих фракций, чем в исходном сырье. Следовательно, при перегонке происходит обогащение одной фазы низкокипящими, а другой—высококипящими компонентами. Однако достичь требуемого разделения компонентов нефти и получить конечные продукты, кипящие в заданных температурных интервалах, с помощью перегонки нельзя. Поэтому после однократного испарения нефтяные пары подвергаются ректификации.Ректификацией называется диффузионный процесс разделения жидкостей, различающихся по температурам кипения, за счет противоточного, многократного контактирования паров и жидкости,
Контактирование паров и жидкости осуществляется в вертикальных цилиндрических аппаратах—ректификационных колоннах, снабженных специальными устройствами — ректификационными тарелками или насадкой, — позволяющими создать тесный контакт между паром, поднимающимся вверх по колонне, и жидкостью, стекающей вниз (рис. 1).
В среднюю часть в виде пара, жидкости или парожидкостной смеси подается сырье, которое необходимо разделить на две части—высококипящую и низкокипящую. В простейшем случае исходное сырье состоит из двух компонентов (например, бензола и толуола, бутана и изобутана и др.). Однако чаще сырье представляет собой многокомпонентную смесь, которую с помощью ректификации надо разделить на .два продукта, один из которых содержит в основном низкокипящие компоненты, а другой — высококипящие. Зона, в которую подается сырье, носит название эвапорационной, так как а ней происходит эвапорация — однократное испарение нагретой в печи или теплообменнике смеси на паровую и жидкую фазы. В некоторых случаях эвапорационная зона отделена от колонны, и эвапорация производится в самостоятельном аппарате. Однако у большинства колонн, в частности на установках первичной перегонки, однократное испарение и ректификация совмещаются.
Принцип работы промышленной ректификационной колонны аналогичен лабораторной. В работающей ректификационной колонне через каждую тарелку проходят четыре потока:
жидкость—флегма, стекающая с вышележащей тарелки;
пары, поступающие с нижележащей тарелки;
жидкость-флегма, уходящая на нижележащую тарелку;
пары, поднимающиеся на вышележащую тарелку.
Пары и жидкость, поступающие на тарелку, не находятся в состоянии равновесия, однако, вступая в соприкосновение, стремятся к этому состоянию. Жидкий поток с вышележащей тарелки поступает в зону более высокой температуры, и поэтому из него испаряется некоторое количество низкокипящего компонента, в результате чего- концентрация последнего в жидкости уменьшается. С другой стороны, паровой поток, поступающий с нижележащей тарелки, попадает в зону более низкой температуры и часть высококипящего продукта из этого потока конденсируется, переходя в жидкость. Концентрация высококипящего компонента в парах таким образом понижается, а низкокипящего—повышается. Фракционный состав паров и жидкости по высоте колонны непрерывно изменяется. Часть ректификационной колонны, которая расположена выше ввода сырья, называется концентрационной, а расположенная ниже ввода — отгонной. В обеих частях колонны происходит один и тот же процесс ректификации.
С верха концентрационной части .в паровой фазе выводится целевой продукт необходимой чистоты — ректификат, а с низа — жидкость, все еще в достаточной степени обогащенная низкокипящим компонентом. В отгонной части из этой жидкости окончательно отпаривается низкокипящий компонент. В виде жидкости с низа этой части колонны выводится второй целевой компонент — остаток.
Для нормальной работы ректификационной колонны необходимо, чтобы с верха колонны на нижележащие тарелки непрерывно стекала жидкость {флегма). Поэтому часть готового продукта (ректификата) после конденсации возвращается на верхнюю тарелку колонны в виде так называемого орошения. С другой стороны, для нормальной работы колонны необходимо, чтобы с низа колонны вверх непрерывно подымались пары. Чтобы создать в колонне паровой поток, часть уходящего из колонны остатка подогревается, испаряется и возвращается обратно в колонну.
На рис. 1 изображена наиболее типичная конструкция ректификационной колонны. Существуют такие колонны, в которых имеется только концентрационная часть, когда сырье вводится под нижнюю тарелку колонны, или только отгонная, когда сырье подается на верхнюю тарелку.
1.3.4.Перегонка нефти до мазута и гудрона
Первичная перегонка нефти на трубчатых установках осуществляется при атмосферном давлении и под вакуумом. При перегонке нефти на трубчатых установках, работающих при атмосферном давлении, из нефти выделяют светлые дистилляты—бензиновый, керосиновый, дизельный [15]. Остатком от перегонки при атмосферном давлении является мазут—фракция, перегоняющаяся выше 330—350 °С. Эти установки носят название атмосферная трубчатая установка (АТ).
Для того чтобы выделить более высококипящие нефтяные фракции, мазут подвергается перегонке на установках, работающих с применением вакуума. Остатком от перегонки мазута является гудрон.
В зависимости от общей схемы нефтеперерабатывающего завода и свойств поступающей для переработки нефти сооружаются либо установки атмосферной перегонки, либо установки, сочетающие атмосферную и вакуумную перегонку,— атмосферно-вакуултые трубчатые установки (АВТ). Различные варианты технологических схем нефтеперерабатывающих заводов рассматриваются в п.3.
В тех случаях, когда на заводе необходимо получить максимальное количество светлых продуктов, перегонку ведут до гудрона. Выделенные из мазута темные дистиллятные фракции и гудрон затем перерабатывают с применением различных технологических процессов, направленных на получение более легких нефтепродуктов (крекинг, коксование и Др.). Перегонку до гудрона проводят и в том случае, если на заводе организуется производство нефтяных масел, кокса, битума. Если же для нужд близлежащих районов требуется получить максимальное количество котельного топлива, то ограничиваются перегонкой до мазута.
1.3.5.Ассортимент продуктов атмосферных и атмосферно-вакуумных процессов
В результате первичной перегонки нефти при атмосферном давлении получаются следующие продукты [12].
Сжиженный углеводородный газ, состоящий в основном из пропана и бутана. Количество продукта зависит от того, насколько глубоко была стабилизирована нефть на промысловых установках. При переработке нефти с большим содержанием газа пропан-бутановая фракция выводится с перегонной установки не только в жидком, но и в газообразном виде. После очистки от сернистых соединений прямогонный сжиженный газ может использоваться как бытовое топливо. Углеводородный газ является также сырьем газофракционирующих установок.
Бензиновая фракция. Перегоняется в пределах 30—180 °С. Используется в качестве компонента товарного автобензина, как сырье установок каталитического риформинга. Узкие фракции прямогонного бензина, полученные на установках и блоках вторичной перегонки, являются сырьем для выработки индивидуальных ароматических углеводородов—бензола, толуола, ксилолов.
Керосиновая фракция. Перегоняется в пределах 120—315 °С, в зависимости от того, для какой цели применяется керосин: в качестве топлива реактивных авиационных двигателей, для освещения или как горючее для тракторных карбюраторных двигателей. Керосиновая фракция нуждается в очистке от сернистых соединений, которую проводят на специальных установках гидроочистки.
Дизельная фракция. Перегоняется в пределах 180—350 °С. Ранее дизельную фракцию называли атмосферным газойлем. Фракция используется как топливо для дизельных двигателей, установленных на автомобилях, тракторах, тепловозах, судах морского и речного флота. Дизельная фракция, полученная из сернистых нефтей, нуждается в очистке от серы, которая проводится с применением гидрогенизационного метода.
Мазут. Перегоняется при температуре выше 350 °С. Используется в качестве котельного топлива, является сырьем установок термического крекинга.
Ассортимент продуктов вакуумной перегонки мазута зависит от выбранного варианта переработки нефти. Существуют две схемы перегонки мазута: масляная и топливная. При масляной схеме получают несколько фракций—вакуумных дистиллятов, при топливной — одну [12].
Число вакуумных дистиллятов при масляной схеме перегонки мазута определяется типом перерабатываемой нефти.
Согласно существующей в настоящее время схеме получения масел из восточных нефтей, на установках первичной перегонки следует получать три вакуумных дистиллята:
легкий (фракция 300— 400 °С),
средний (фракция 400—450 °С),
тяжелый (фракция 450— 500 °С).
Каждый из дистиллятов затем подвергается очистке, очищенные продукты смешиваются в различных соотношениях. В зависимости от рецептуры смеси получают тот или иной сорт масел.
Вакуумный дистиллят, вырабатываемый при топливной схеме переработки мазута, перегоняется при 350—500°С и используется как сырье каталитического крекинга или гидрокрекинга. Эту фракцию иногда называют вакуумным газойлем.
6. Гудрон—остаток от перегонки нефти, перегоняется при температуре выше 500 °С. Это — высоковязкий продукт, застывающий при 30—40 °С. Он используется как сырье установок термического крекинга, коксования, для производства битума и высоковязких масел.
1.4.Технологические схемы установок первичной перегонки нефти
1.4.1.Типы установок
Атмосферные и вакуумные трубчатые установки существуют независимо друг от друга или комбинируются в составе одной установки. Существующие атмосферные трубчатые установки подразделяются в зависимости от их технологической схемы на следующие группы [15]:
установки с однократным испарением нефти;
установки с двукратным испарением нефти;
установки с предварительным испарением легких фракций.
Принципиальная схема установки с однократным испарением приводится на рис. 2. Нефть из промежуточного парка или непосредственно с установки ЭЛОУ забирается сырьевым насосом и пропускается через теплообменники и трубчатую печь в ректификационную колонну. В эвапорационном пространстве происходит однократное испарение нефти. Пары нефти затем разделяют ректификацией на целевые фракции, а из жидкости также с применением процесса ректификации удаляют легкокипящие фракции.
С

Рис. 2. Схема атмосферной перегонки с однократным испарением нефти:
I—нефть; II—газ; III—бензин; IV— керосин; V—дизельная фракция; VI— мазут; VII—вода.
хема установки с двукратным испарением приводится на рис. 3. Нагретая в теплообменниках нефть подается в так называемую отбензинивающую ректификационную колонну, где происходит испарение нефти. Количество образующихся паров невелико, поскольку нефть нагрета только до 200—220°С. В парах в основном содержатся легкие бензиновые фракции. На ректификационных тарелках отбензинивающей колонны бензин отделяется от более тяжелых фракций и в виде паров уходит из колонны. Вместе с парами бензина удаляются пары воды, поступившей на установку АТ с нефтью, и газы.Полуотбензиненную нефть забирают насосом и через трубчатую печь подают в основную, атмосферную колонну, где происходит повторное испарение нефти и ректификация паров с выделением тяжелого бензина (смешиваемого затем с бензином, получаемым в отбензинивающей колонне), керосиновой и дизельной фракции. Остатком является мазут.
П

Рис. 3. Схема атмосферной перегонки с двукратным испарением:
I—нефть; II—газ: III—бензин; IV— керосин; V—дизельная фракция; VI—мазут.
ромежуточное положение занимает схема с предварительным испарением (рис. 4). Нефть на установках этого типа после теплообменников поступает в предварительный испаритель (эвапоратора—полый цилиндрический аппарат, где происходит однократное испарение и от нефти отделяются пары легких фракций. Жидкая часть подается через печь в ректификационную колонну. Сюда же поступают пары легких фракций из эвапоратора.Испарение при этой схеме происходит дважды, а ректификация проводится совместно для всех отгоняемых фракций, как и по схеме с однократным испарением.
Достоинством схемы с однократным испарением является то, что легкие и тяжелые фракции испаряются совместно. Это способствует более глубокому отделению тяжелых компонентов при относительно низких (300—325°С) температурах подогрева нефти. Установки однократного испарения компактны, имеют малую протяженность трубопроводов, требуют меньше, чем другие установки, топлива. Недостатки схемы с однократным испарением следующие:
при перегонке нефтей с повышенным (выше 15%) содержанием бензиновых фракций значительно увеличивается давление в теплообменниках и трубах печного змеевика, что приводит к необходимости применять более прочную и металлоемкую аппаратуру, увеличивать давление в линии нагнетания сырьевого насоса;
если на перегонку подается нефть, из которой плохо удалена вода, то это также приводит к повышению давления в печи и может вызвать повреждение фланцевых соединений печных труб;
если перегоняемая нефть недостаточно хорошо обессолена, то при ее нагреве в трубах печи будут отлагаться минеральные соли, из-за этого происходят местные перегревы в змеевиках печей, что в конечном итоге может приводить к аварии—прогару труб;
при переработке сернистых и плохо обессоленных нефтей необходимо защищать от коррозии мощную основную колонну, что приводит к повышению расхода высоколегированной стали и цветных металлов.
П

Рис. 4. Схема атмосферной перегонки с предварительным испарением нефти:
I—нефть; II—газ; III—бензин; IV—керосин; V— дизельная фракция; VI—мазут; VII—вода.
ри двукратном испарении газ, вода и значительная часть бензина удаляются из нефти до ее поступления в печь. Это обстоятельство облегчает условия работы как печи, так и основной ректификационной колонны и является основным преимуществом схемы с двукратным испарением. Схема с двукратным испарением особенно удобна в тех случаях, когда часто происходит изменение типа перерабатываемой нефти. На установках двукратного испарения устранены недостатки, характерные для установок однократного испарения.Однако, чтобы достичь такой же глубины отбора дистиллятов, как при однократном испарении, нефть на установках двукратного испарения приходится нагревать до более высокой температуры (360—370 °С). На установке с двукратным испарением удваивается количество ректификационных колонн, загрузочных насосов, растут размеры конденсационной аппаратуры.
Преимуществом схемы с предварительным испарением является возможность снизить давление в печи, благодаря тому, что в эвапораторе отгоняются легкие фракции. Недостаток схемы—увеличение размеров основной колонны, поскольку все пары, отделенные в эвапораторе направляются в ту же колонну, что и пары, полученные в печи.
На установках и блоках вакуумной перегонки также применяются схемы однократного и двукратного испарения (рис. 5).
Наиболее распространены вакуумные блоки с однократным испарением мазута (рис. 5, а). Они построены на большинстве отечественных нефтеперерабатывающих заводов. Но, как показал опыт эксплуатации, на таких блоках не удается получить хорошо отректифицированные вакуумные дистилляты с четкими пределами перегонки, необходимые для получения качественных масел.
Добиться улучшения четкости вакуумных дистиллятов можно за счет увеличения числа ректификационных тарелок в вакуумной колонне. Однако такое решение неприемлемо, поскольку при увеличении числа тарелок снижается вакуум, повышается температура на нижних тарелках колонны, может понизиться глубина отбора и ухудшиться качество дистиллятов. Более рациональный путь улучшения качества вакуумных дистиллятов — перегонка по схеме двукратного испарения (рис. 5, б).
Схема предусматривает отбор в первой колонне широкой масляной фракции, которая после повторного нагрева в печи разделяется во второй вакуумной колонне на фракции с более узкими пределами перегонки.
При двухступенчатой вакуумной перегонке расходуются дополнительные количества топлива, пара, охлаждающей воды. Однако достигаемое улучшение качества масляных дистиллятов, а следовательно, и товарных масел компенсирует эти затраты.
1.4.2.Схемы установок
Н

Рис. 5. Схемы вакуумной перегонки мазута с однократным (а) и двукратным испарением (б):
I—мазут; II—водяной пар; III—несконденсировавшиеся газы и пары; IV, V, VI— масляные погоны; VII— гудрон.
а нефтеперерабатывающих заводах применяются все описанные выше схемы перегонки нефти и мазута, строятся отдельно стоящие установки атмосферной и вакуумной перегонки, комбинированные атмосферно-вакуумные трубчатые установки.На рис. 6 приводится технологическая схема атмосферно-вакуумной установки производительностью 1 млн. т нефти в год, рассчитанной на переработку восточных сернистых нефтей и эксплуатирующейся на многих нефтеперерабатывающих заводах.
Нефть из резервуаров промежуточного парка забирают насосом Н-1 и пропускают двумя потоками через сырьевые теплообменники. Для предотвращения коррозии оборудования к нефти добавляют раствор щелочи. Первый поток нефти подогревается в Т-1—фракцией 180—240 °С, в Т-2—первым погоном вакуумной колонны, в Т-3 — фракцией 240—300 °С, в Т-4 — фракцией 300— 350 °С, в Т-7—третьим погоном вакуумной колонны, в Т-8—гудроном.
В

Рис. 6. Технологическая схема атмосферно-вакуумнои трубчатой установки:
I—нефть; II—газ; III— головка стабилизации; IV— фракция н. к.— 85 °С; V— фракция 85—180 °С; VI— фракция 180— 240 С; VII - фракция 240-300 °С; VIII -фракция 300-350 °С; IX-первый погон вакуумной колонны (фракция < 350 °С); X-второй погон вакуумной колонны (фракция 350—400 °С); XI—третий погон вакуумной колонны (фракция 400—450 °С); XII — четвертый погон вакуумной колонны (фракция 450-490 °С); XIII-гудрон (фракция > 490 °С); XIV- водяной пар; XV-вола; XVI — щелочь; XV11— аммиачная вода.
торой поток нефти проходит через теплообменники циркуляционного орошения атмосферной колонны Т-5, среднего циркуляционного орошения вакуумной колонны Т-6 и гудрона Т-9. После теплообменников нефть объединяется в один поток и поступает с температурой 220° С в первую, отбензинивающую колонну К-1.Верхний продукт колонны К.-1 — пары бензиновой фракции с концом кипения 120—150°С конденсируются в конденсаторе-холодильнике погружного типа ХК-1 и поступают в рефлюксную емкость Е-1, откуда часть верхнего продукта насосом Н-3 возвращается в К-1 в качестве орошения (флегмы), а балансовое количество насосом Н-5 подают на стабилизацию в стабилизатор бензина К-4 или выводят с установки.
В рефлюксной емкости Е-1 происходит также выделение газа, который поступает на установки атмосферной перегонки вместе с нефтью. Вследствие наличия газа давление в рефлюксной емкости и отбензинивающей колонне повышенное, оно составляет 3—4 ат.
Отбензиненную нефть — нижний продукт К.-1 — забирают насосом Н-2 и направляют в трубчатую печь П-1, полезная тепловая нагрузка которой составляет 16 млн. ккал/ч. Часть выходящего из печи потока возвращается в К.-1, внося дополнительное количество тепла, необходимое для ректификации.
Остальная часть нагретой полуотбензиненной нефти поступает в основную атмосферную колонну К-2, где разделяется на несколько фракций. Температура нефти на входе в К-2 по проекту составляет 320°С, а на практике поддерживается более высокой— до 350°С.
Для снижения температуры низа колонны и более полного извлечения из мазута светлых нефтепродуктов ректификацию в К.-2 проводят в присутствии водяного пара. Пар подается в нижнюю часть колонны в количестве 1,5—2% в расчете на остаток.
С верха колонны К-2 уходят пары бензиновой фракции с концом кипения 180 °С, а также водяной пар. Пары поступают в конденсатор-холодильник ХК-2, после конденсации продукт попадает в емкость-водоотделитель Е-2. Отстоявшийся от воды тяжелый бензин забирают насосом Н-6 и подают совместно с верхним погоном К-1 в К-4. Часть бензина из Е-2 возвращается в К-2 в качестве острого орошения.
Из колонны К-2 выводятся также три боковых погона — фракции 180—240 °С, 240—300 °С и 300—350 °С. Эти погоны поступают первоначально в самостоятельные секции отпарной колонны К-3, где из боковых погонов в присутствии водяного пара удаляются легкие фракции. Освобожденные от легких фракций целевые продукты в жидком виде выводятся с установки, а пары легких фракций возвращаются в К.-2. Расход водяного пара составляет 1,5—2,0% в расчете на целевой продукт.
Фракция 180—240°С выводится с установки через теплообменник Т-1 и холодильник Х-2. Фракции 240—300 и 300—350 °С также отдают в соответствующих теплообменниках избыточное тепло поступающей на установку нефти, охлаждаются в концевых холодильниках и выводятся с установки.
Для улучшения условий работы колонны К-2 и съема избыточного тепла в колонне предусмотрен вывод циркулирующего орошения. Это орошение забирается с 20-й тарелки, проходит через теплообменник Т-5 и возвращается в К.-2 на 24-ю тарелку.
Остаток из атмосферной колонны—мазут—забирают насосом Н-4 и подают в трубчатую печь /7-2, имеющую полезную тепловую мощность 8 млн. ккал/ч. Мазут, нагретый в печи до 420 °С, поступает в вакуумную колонну К-5.
В колонне К-5 поддерживается остаточное давление 60 мм рт. ст., температура низа колонны—385 °С. Для снижения температуры низа и облегчения условий испарения из гудрона легких компонентов в низ К-5 вводят водяной пар.
С верха К-5 выводят водяные пары, газы разложения, воздух и некоторое количество легких нефтепродуктов, которые поступают в барометрический конденсатор А-1, где охлаждаются водой и частично конденсируются. Несконденсированные газы отсасываются двухступенчатыми эжекторами.
В вакуумной колонне предусмотрен отбор четырех боковых погонов: с 16, 12, 8 и 5-й тарелок. Эти погоны отбираются непосредственно с тарелок. Часть первых трех погонов после охлаждения возвращается в колонну в качестве циркулирующего орошения, предназначенного для съема избыточного тепла и улучшения условий ректификации.
Остаток вакуумной колонны — гудрон откачивается насосом через теплообменники Т-8 и Т-9 и концевые холодильники с установки.
На АСТ мощностью 1 млн. т в год имеются также колонна вторичной перегонки К-6, предназначенная для разделения бензина на узкие фракции, и стабилизатор К-4. Назначение стабилизатора—удалить из бензина легкие углеводороды (пропан и бутан). Колонна вторичной перегонки предназначена для разделения бензина на фракции н. к. —85°С и 85—180°С.
Близкую с описанной выше схему имеют и более крупные отечественные установки атмосферно-вакуумной перегонки.
На нескольких отечественных нефтеперерабатывающих заводах построены комбинированные установки обессоливания и атмосферной перегонки нефти, обессоливания и атмосферно-вакуумной перегонки мощностью в 6 млн. т в год—ЭЛОУ-АТ-6 (рис. 7) и ЭЛОУ-АВТ-6.

Рис. 7. Технологическая схема комбинированной установки первичной переработки нефти ЭЛОУ-АТ-6:
I—нефть; II—головка стабилизации; III—фракция н. к.—62°С; IV— фракция 62— 85 °С; V — фракция 85—105° С: VI — фракция 105—140 °С; VII – фракция 140-180 °С; VIII — фракция 180-220° С; IX-фракцля 220-350 °С; Х-фракиия > 350° С; XI-войяной цар; XII-деэмуль-гатор.
Характеристика основных аппаратов установок. Таблица 12
|
Значения величин |
I |
II |
|
Диаметр, м |
||
|
отбензинивающей колонны |
5,0 |
3,0 |
|
атмосферной колонны |
5,0/7,0 |
3,8 |
|
стабилизатора |
2,8/3,6 |
1,2 |
|
вакуумной колонны |
6,4/9,0 |
6,4 |
|
Поверхность теплообмена и подогрева нефти (одного аппарата), м2 |
630-800 |
100 |
|
Тепловая нагрузка печей, млн. ккал/ч |
||
|
атмосферной перегонки |
106 |
16 |
|
вакуумной печи |
34 |
8 |
Отличительной особенностью новых модернизированных установок первичной перегонки является применение новых, более совершенных видов оборудования. Для конденсации паров применяются кожухотрубчатые холодильники-конденсаторы и конденсаторы воздушного охлаждения, для нагрева нефти—укрупненные теплообменники. В новых установках первичной перегонки учтен опыт, накопленный при эксплуатации ранее построенных АТ и АВТ.
В табл. 12 приводится характеристика основных аппаратов установки ЭЛОУ-АВТ-6 (I) и установки АВТ мощностью 1 млн. т/год (II).
1.5.Очистка светлых дистиллятов
Светлые нефтепродукты — карбюраторные, реактивные и дизельные топлива, бензины-растворители, осветительный керосин, полученные непосредственно из ректификационной колонны установок АВТ, гидроочистки, каталитического крекинга и других, еще не являются товарными продуктами, так как содержат в своем составе компоненты, ухудшающие их эксплуатационные качества.
Из бензинов, реактивных и дизельных топлив необходимо удалить сероводород, меркаптаны, нефтяные кислоты; из крекинг-бензинов помимо сероводорода и меркаптанов удаляют диеновые углеводороды, из дизельных топлив — твердые парафиновые углеводороды, из бензинов-растворйтелей и осветительных керосинов — ароматические углеводороды.
Для удаления нежелательных компонентов применяют химические и физико-химические методы очистки: обработку щелочью и серной кислотой, взаимодействие нормальных парафиновых углеводородов с карбамидом, адсорбцию.
1.5.1.Щелочная очистка
Щелочная очистка (защелачивание) применяется для удаления из нефтепродуктов сероводорода, низших меркаптанов и нефтяных кислот; щелочная доочистка — для удаления из нефтепродуктов следов серной кислоты и кислых продуктов реакции после сернокислотной очистки [12].
Для удаления сероводорода применяют обычно раствор едкого натра или кальцинированной соды Na>2>CO>3>. Сероводород реагирует со щелочью по уравнениям:
2NаОН + Н>2>S Na>2>S + 2H>2>O
NаОН + Н>2>S NaHS + H>2>O
Меркаптаны реагируют со щелочью с образованием меркаптидов:
RSН + NаОН RSNa + H>2>O
Меркаптиды хорошо растворяются в щелочи и поэтому могут быть удалены из дистиллятов. Удалению меркаптанов в виде меркаптидов препятствует гидролиз последних. Особенно легко подвергаются гидролизу меркаптиды с большим молекулярным весом, поэтому щелочным методом можно удалить только этил- и пропилмеркаптаны (степень извлечения порядка 90%). Применение веществ, подавляющих гидролиз меркаптидов (например, метанола, органических кислот), значительно повышает степень очистки бензинов и реактивных топлив от меркаптанов. Такая очистка получила название очистки с усилителями.
Нефтяные кислоты образуют со щелочью или содой соли нефтяных кислот—мыла:
RСООН + NаОН RСООNa + H>2>O
2RСООН + Nа>2>CO>3> 2RСООNa + CO>2> + H>2>O
Соли нефтяных кислот переходят в водный раствор щелочи и, таким образом, легко отделяются от нефтепродукта.
Для щелочной очистки светлых нефтепродуктов обычно применяют 10% раствор NаОН. Температура защелачивания бензинов 40—50°С, керосинов 60—70°С, дизельных топлив 80—90°С. Повышение температуры уменьшает опасность образования водных эмульсий и облегчает отстой нефтепродукта от щелочного раствора. Следы щелочи удаляются из нефтепродукта водной промывкой.
В настоящее время наиболее широко распространена полунепрерывная схема защелачивания топливных дистиллятов. Нефтепродукт поступает непрерывно, а щелочной раствор циркулирует в системе и периодически обновляется. Отработанный раствор содержит 2% NаОН. Таким образом, степень использования щелочи составляет 80%.
При защелачивании бензинов каталитического крекинга конечная концентрация щелочи должна быть не меньше 3,5—4%, в противном случае наблюдается повышенное содержание фактических смол вследствие недостаточно глубокого удаления сернистых соединений при защелачивании.
Качество очистки контролируют специальной пробой на коррозию медной пластинки. Как только очищаемый продукт перестанет выдерживать эту пробу, отработанный щелочной раствор полностью заменяют свежим.
Расход щелочи зависит как от конечной концентрации щелочи в отработанном растворе, так и от содержания сернистых или кислородных соединений в очищаемом продукте. Для прямогонного бензина расход составляет 0,32 кг/т.
Технологическая схема. Рассмотрим для примера схему защелачивания керосинового дистиллята (рис. 25).
О

Рис. 8. Технологическая схема защелачивания керосинового дистиллята:
I—керосин; II—10% раствор едкого натра; III—вода; IV— сернисто-щелочные стоки; V — очищенный керосин.
чищаемый дистиллят поступает на прием насоса Н-1 из керосиновой секции отпарной колонны технологической установки. По нагнетательной линии продукт поступает в инжектор И-1, посредством которого создается циркуляция щелочного раствора и смешение его с продуктом. Из инжектора И-1 смесь попадает в отстойник Е-1, где разделяется на 2 слоя — щелочной и углеводородный. Далее керосин смешивается с водой в инжекторе И-2 и направляется в отстойник Е-2, где отделяется от промывной воды. Окончательное отделение следов щелочи и воды происходит в электроосадителе А-1.1.5.2.Осушка светлых нефтепродуктов
Одним из узких мест щелочной очистки было до недавнего времени окончательное удаление влаги из очищенного дистиллята. В отстойнике Е-2 полнота удаления влаги не достигается. Введение в схему электроосадителя, аналогичного по конструкции горизонтальному электродегидратору установки ЭЛОУ, значительно улучшило осушку.
Применяется также осушка нефтепродукта (в частности, керосина) воздухом, пропускаемым вверх навстречу топливу, стекающему вниз по насадке цилиндрического аппарата.
Хорошие результаты получены при осушке с помощью фильтров, заполненных стекловатой. На Киришском НПЗ впервые осуществили в промышленном масштабе очистку авиакеросина от воды, остатков щелочи и механических примесей при фильтровании авиакеросина через слой ваты, обработанный кремнийорганическими соединениями для придачи фильтрующей поверхности гидрофобных свойств. Процесс обезвоживания происходит за счет разности в сопротивлениях, которые испытывают частицы воды и нефтепродукта при прохождении через поры такой перегородки. Авиакеросин, поступавший на фильтрование после защелачивания, содержал 0,2—0,3% воды, после фильтрования—0,005— 0,009%. Следует отметить, что аппаратура для щелочной очистки, водной промывки и осушки размещается непосредственно на установке получения дистиллятов: установках АВТ, гидроочистки и т. д.
Крупными недостатками щелочной очистки являются безвозвратная потеря дорогого реагента и образование большого количества трудноутилизнруемых сернисто-щелочных стоков. Поскольку наибольшее количество щелочи расходуется на очистку бензинов сернистых нефтей от сероводорода, то вместо щелочной очистки разрабатываются регенеративные методы очистки с помощью растворов этаноламинов или трикалийфосфата, которые позволяют многократно использовать реагент, а также получать сероводород [12].
1.6.Производство нефтяных битумов
Нефтяные битумы нашли широкое применение в народном хозяйстве. Основное количество выпускаемых нефтяных битумов используется для целей дорожного строительства. С 1960 по 1970 г. протяженность дорог с асфальтобетонным покрытием возросла на 120 тыс. км. В текущей пятилетке строительство автодорог будет происходить еще более быстрыми темпами и затронет районы Севера и Сибири. Одновременно резко увеличиваются темпы строительных работ, а стройки — второй крупный потребитель нефтяных битумов.
Битумы представляют собой темные пластичные нефтепродукты, жидкие, полутвердые и твердые, в зависимости от марки и назначения. Битумы имеют наиболее высокую вязкость из всех продуктов нефтепереработки.
С физико-химической точки зрения битумы являются сложной коллоидной системой асфальтенов и ассоциированных высокомолекулярных смол в среде масел и низкомолекулярных смол. Асфальтены могут образовывать в зависимости от количественного соотношения со смолами, и маслами или жесткий каркас, или отдельные мицеллы, адсорбирующие и удерживающие смолы. Масла представляют собой среду, в которой смолы растворяются, а асфальтены набухают.
Требования, предъявляемые к битумам, особенно дорожным, весьма разнообразны. Основное назначение дорожных битумов— связывание, склеивание частиц минеральных материалов (щебня, песка), придание им гидрофобных свойств, заполнение пространств между их частицами. Поэтому от качества битумов зависят прочность и долговечность асфальтовых дорожных покрытий.
Дорожные битумы должны:
сохранять прочность при повышенных температурах, т. е. быть теплостойкими;
сохранять эластичность при отрицательных температурах, т. е. быть морозостойкими;
сопротивляться сжатию, удару, разрыву под воздействием движущегося транспорта;
обеспечивать хорошее сцепление с сухой и влажной поверхностью минеральных материалов;
сохранять в течение длительного времени первоначальную вязкость и прочность. Строительные битумы могут быть менее эластичными, но они должны быть более твердыми.
В условиях эксплуатации под воздействием солнечного света, кислорода воздуха, высоких и низких температур, резких перепадов температур, усиленных динамических нагрузок битумы разрушаются. Разрушается коллоидная структура битума, смолы и асфальтены переходят в карбены и карбоиды, битум теряет способность создавать цельный кроющий слой, становится хрупким, трескается и крошится. Кроме того, битум теряет способность прилипать к минеральным материалам: щебню, камню, песку. Все это ведет к разрушению дорог, толевых кровель, фундаментов, изоляции трубопроводов и пр.
Эксплуатационные свойства готовых битумов (табл. 7) контролируют рядом показателей: глубиной проникания иглы (в мм) при 25°С, температурой размягчения (в °С), определяемой методом кольца и шара, растяжимостью (в см) при 25 °С, температурой хрупкости (в °С), когезией (в кгс/см2) при 20 °С и адгезией. Глубина проникания иглы и температура размягчения характеризуют твердость битума, растяжимость—его эластичность. Величина когезии, т. е. прочность тонких слоев битума при испытании на разрыв, свидетельствует о прочности битума, температура хрупкости — о морозостойкости. Адгезия (или прилипание) — способность прочного сцепления с минеральными материалами — определяется только качественно.
Характеристика битумов. Таблица 13
|
Показатели |
Дорожные битумы |
Строительные битумы |
|||||
|
БНД 40/60 |
БНД 60/90 |
БНД 90/130 |
БНД 130/200 |
БНД 200/300 |
БН-IV |
БН-V |
|
|
Глубина проникания иглы, мм, не менее |
|||||||
|
при 25° С |
40-60 |
61—90 |
91-130 |
131—200 |
201-300 |
21—40 |
5-20 |
|
при 0° С |
13 |
20 |
28 |
35 |
45 |
- |
- |
|
Растяжимость при |
|||||||
|
25° С, см, не менее |
40 |
50 |
60 |
65 |
Не нормируется |
3 |
1 |
|
Температура размягчения °С, не ниже |
52 |
48 |
45 |
40 |
35 |
70 |
90 |
|
Температура хрупкости, °С, не выше |
-10 |
-15 |
-17 |
-18 |
-20 |
— |
— |
|
Испытание на сцепление с мрамором |
выдерживает |
Соотношение компонентов, входящих в состав битума, влияет на его свойства. Чем больше в битуме асфальтенов, тем битум тверже, смолы улучшают эластичность битума и его цементирующие свойства, масла сообщают битумам морозостойкость.
Зависимость эксплуатационных свойств битумов от их химического состава характеризуется величинами отношений содержания асфальтенов к содержанию смол А/С и суммы асфальтенов и смол к содержанию масел (А+С)/М. Битумы, сочетающие хорошую тепло- и морозостойкость с высокой прочностью, содержат около 23% смол, 15—18% асфальтенов и 52—54% масел; А/С = 0,5-0,6; (А+С)/М=0,8-0,9.
Для улучшения адгезионных свойств битумов применяют присадки, представляющие собой поверхностно-активные вещества (ПАВ). В качестве ПАВ обычно применяют кубовые кислоты, являющиеся кубовым остатком при разгонке синтетических жирных кислот.
1.6.1.Способы получения битумов
Битумы можно получать одним из трех способов:
глубокая вакуумная перегонка мазута;
окисление остаточных нефтепродуктов воздухом при высокой температуре;
компаундирование остаточных и окисленных продуктов.
Качество готовых битумов зависит в первую очередь от качества сырья, а для окисленных битумов еще и от температуры, продолжительности окисления и расхода воздуха [12, 14].
Наилучшим сырьем для производства битума служат остаточные продукты переработки тяжелых смолисто-асфальтеновых нефтей: гудроны, крекингостатки, асфальты и экстракты очистки масел. Чем больше содержание смолисто-асфальтеновых компонентов в нефти, чем выше отношение асфальтены: смолы и чем меньше содержание твердых парафинов, тем выше качество получаемых битумов и проще технология их производства.
Из гудронов, имеющих оптимальные величины соотношений А/С и (А+С)/М, получают битум глубокой вакуумной перегонкой. Это характерно для венесуэльской нефти. Высокопарафинистые нефти—наихудшее сырье для получения битума. Высокое содержание парафина в нефтях отрицательно сказывается на важнейших эксплуатационных показателях битумов: прочности и прилипаемости к минеральным покрытиям. Нефти, из которых получают битумы, должны быть хорошо обессолены.
Характеристика гудронов, получаемых из советских нефтей и наиболее пригодных для производства окисленных битумов, приведена в табл. 8.
Характеристика гудронов смолистых нефтей. Таблица 14
|
Нефть |
Содержание гудрона, вес. % |
Плотность, >4>20 |
Темпера тура размягчения, °С |
Групповой состав вес. ч. |
А С |
А+С М |
||
|
асфальтены |
смолы |
масла |
||||||
|
Ярегская |
50 |
0,989 |
28 |
4,2 |
33,6 |
62,2 |
0,15 |
0,62 |
|
Арланская |
55 |
0,999 |
30 |
7,0 |
30,6 |
62,4 |
0,23 |
0,60 |
|
Серноводская |
— |
— |
28,5 |
5,8 |
30,4 |
63,8 |
0,19 |
0,56 |
|
Чернушинская |
— |
0,984 |
30 |
5,6 |
28,7 |
65,7 |
0,20 |
0,52 |
При окислении гудронов часть масел превращается в смолы, часть смол переходит в асфальтены. В результате количество смол практически остается неизменным, а отношения А/С и (А+С)/М улучшаются.
1.6.2.Технология окисления битумов
Окисленные битумы получают при одновременном воздействии на нефтяные остатки кислорода воздуха и высокой температуры. Чем выше температура, тем быстрее протекает процесс. При слишком высокой температуре, однако, ускоряются реакции образования карбенов и карбоидов, что недопустимо.
Окисленные битумы получают на установках периодического и непрерывного действия. При периодическом процессе сырье подают в окислительный куб, температура .в котором должна быть 170—260 °С. После заполнения окислительного куба на одну треть начинают подавать в куб сжатый воздух под давлением 1—1,5 ат и одновременно доводят уровень сырья до определенной высоты. При окислении выделяется тепло, поэтому температуру процесса регулируют подачей воздуха. Если необходимо отводить избыточное тепло, то применяют циркуляцию продукта поршневым насосом, который выводит часть продукта из куба снизу и через водяной холодильник возвращает ее в куб сверху.
Продолжительность окисления зависит от качества сырья и требуемого качества битума. Чем тверже битум, тем время окисления должно быть больше. Обычно продолжительность окисления составляет 18—40 ч. Температура .процесса 250—280 °С. После достижения товарного качества битума подачу воздуха прекращают, битум охлаждают циркуляцией через холодильник и откачивают на разливочную станцию. Образующиеся в процессе окисления жидкие и газообразные продукты из куба поступают в конденсатор-холодильник, а оттуда — в сепаратор, где смесь разделяется на отгон (так называемую «черную солярку») и газы. Газы сжигаются в печи. Отгон добавляется к котельному топливу.
Окислительные кубы — пустотелые стальные цилиндрические аппараты объемом от 50 до 250 м3; расположение их может быть вертикальным и горизонтальным. В нижней части аппарата располагаются маточники для подачи воздуха. На установке имеется одновременно несколько таких кубов. Периодические установки малопроизводительны.
Установка для получения дорожных и строительных битумов непрерывным окислением в трубчатом реакторе состоит из трех одинаковых параллельных блоков. Она дает возможность одновременно получать две марки строительных битумов и тяжелый компонент дорожного битума.
Дорожные битумы получают компаундированием переокисленного компонента с температурой размягчения 65 °С и разжижителей.
Технологическая схема установки (одного блока) показана на рис. 26.
Технологические параметры установки и материальный баланс. Таблица 15
|
Технологические параметры |
|||
|
Температура, °С |
|||
|
сырья на входе на установку |
100—160 |
||
|
сырья на выходе из П-1 |
230—250 |
||
|
воздуха на входе в М-1 |
150 |
||
|
смеси в Р-1 |
260 |
||
|
битума после Х-1 |
170 |
||
|
Давление, ат |
|||
|
воздуха на входе в М-1 |
9 |
||
|
смеси на входе в Р-1 |
8 |
||
|
смеси на выходе из Р-1 |
3 |
||
|
Расход воздуха, м3/м3 продукта |
100-130 6:1 |
||
|
Материальный баланс установки (в вес. %) |
|||
|
Поступило: |
Получено: |
||
|
Гудрон |
30,20 |
Битум БНДп-130/200 |
13,39 |
|
Асфальт деасфальтизации |
41,10 |
Битум БНДп-90/130 |
13,39 |
|
Экстракт селективной очистки |
25,30 |
Битум БНДп-60/90 |
26,78 |
|
ПАВ |
3,40 |
Битум БНДп-40/60 |
13,39 |
|
Битум БН-IV |
14,33 |
||
|
Битум БН-V |
14.33 |
||
|
Отгон |
2,30 |
||
|
Потери, газы окисления |
2,09 |
||
|
Итого: |
100,00 |
Итого: |
100,0 |
Г

Рис. 9. Технологическая схема установки непрерывного производства окисленного битума:
I—гудрон; II—воздух; III—газы реакции; IV—отгон; V— готовый битум.
удрон насосом Н-1 подается через печь П-1 в смеситель М-1, куда компрессором нагнетается воздух. В смеситель также поступает циркулирующий продукт с низа колонны К-1. Из смесителя М-1 смесь воздуха и продукта входит в реактор Р-1, окисляется и вводится в верхнюю часть испарителя К.-1. Жидкость спускается сверху вниз, в это время от нее отделяются азот, остаток кислорода, газы окисления пары «черной солярки». Часть битума с низа колонны К-1 в качестве рециркулята подкачивается насосом Н-2 в смеситель М-1. Из середины колонны К-1 готовый битум насосом Н-3 через холодильник Х-1 направляется в емкость Е-1, откуда через специальное разливочное устройство битумом заполняют крафтмешки.Пары и газы с верха колонны К.-1 поступают в конденсатор-холодильник Х-2, а затем сконденсировавшийся жидкий продукт отделяется от газов в сепараторе С-1. С низа сепаратора С-1 отгон отводится с установки. Газы из сепаратора С-1 дожигаются в печи П-3. Технологический режим установки представлен в табл. 9
1.6.3.Аппаратура
Реактор установки производительностью 250 тыс. т/год представляет собой цилиндрический аппарат диаметром 2420 мм и высотой 11000 мм с вертикально расположенным змеевиком из стали Х5М диаметром 150 мм; скорость продукта в змеевике 11—12 м/сек. Снизу в реактор подается воздух, обдувающий змеевик снаружи.
Энергетические затраты реакторов разных типов. Таблица 16
|
Трубчатый реактор |
Окислитель колонного типа |
|
|
Пар, ккал |
400,0 |
200,0 |
|
Электроэнергия, кВт-ч |
11,5 |
6,0 |
|
Жидкое топливо, кг |
4,23 |
1,1 |
|
Сжатый воздух, м3 |
50,0 |
54,0 |
Таким образом достигается мягкий съем тепла реакции. Нагретый воздух уходит в атмосферу. Смеситель—цилиндрический аппарат с нижним и верхним коническими днищами. Продукт вводится снизу по центру, воздух подается в нижнюю часть цилиндра через распределитель. Выше показаны сравнительные энергетические затраты на 1 т битума в реакторах обоих типов (табл. 10)
Испаритель—аппарат колонного типа диаметром 2600 мм и высотой 14000 мм, снабженный внутри направляющим спиральным желобом, по которому продукт стекает сверху вниз.
Для охлаждения битума и газов реакции применяют воздушные холодильники.
Для повышения производительности битумных установок и улучшения качества окисленных битумов в последние годы широко применяют в качестве непрерывно действующих реакторов полые аппараты колонного типа.
Битумы, полученные непрерывным окислением сырья в колонных аппаратах, имеют такое же качество, как и полученные при окислении в трубчатом реакторе. При этом с точки зрения энергетических затрат колонные аппараты имеют несомненное преимущество.
О

Рис. 10. Окислитель колонного типа:
1—корпус; 2—штуцер для ввода гудрона; 3— штуцер для ввода воздуха с распределителем; 4— штуцер для вывода продукта;
5—штуцер для вывода газов окисления.
кислитель колонного типа (рис. 10) имеет диаметр 3358 мм и высоту 23200 мм. Диаметр более 3,5 м нецелесообразен, так как в большом сечении трудно осуществить равномерное диспергирование воздуха. Воздух вводится через маточник в нижней части аппарата, продукт подается в середину колонны и выводится снизу.1.6.4.Контроль и автоматизация процесса
Основные параметры процесса контролируются и автоматически регулируются. Расход сырья на установку, а также соотношение свежего сырья и рециркулята на входе в смеситель поддерживаются постоянными. Температура продукта на выходе из печи регулируется расходом топлива в печь. Расход воздуха в смеситель поддерживается постоянным при помощи клапана на выкиде компрессора. Температурный режим реактора определяется расходом охлаждающего воздуха в реактор. Уровень продукта в колонне К-1 регулируется отбором битума.
1.6.5.Техника безопасности
Битумы и гудроны, нагретые до высокой температуры, в присутствии кислорода воздуха способны самовоспламеняться. Резкое изменение расхода воздуха, сырья, рециркулята может вызвать загорание внутри аппаратуры; резкое изменение температуры на выходе из печи может привести к закоксовыванию реактора, внезапному увеличению давления и разрыву аппаратуры. Поэтому на установке кроме обычных мер по герметизации оборудования и тщательного контроля за технологическим режимом следует применять аварийную блокировку. С прекращением подачи рециркулята автоматически отключается подача воздуха в смеситель.
1.6.6.Транспортировка битумов
Жидкие и полужидкие битумы разливаются в железнодорожные цистерны и полувагоны (бункеры), а также в автобитумовозы. Высокоплавкие битумы затаривают в бумажные мешки или отливают в специальные разборные формы. Мешки и болванки перевозят по железной дороге и автотранспортом.
1.7.Основная аппаратура установок первичной перегонки нефти
На установках первичной перегонки широко используются теплообменные аппараты, ректификационные колонны, трубчатые печи, емкостные аппараты.
1.7.1.Теплообменная аппаратура
Теплообменные аппараты, применяемые на нефтеперерабатывающих заводах, и в частности на установках прямой перегонки, делятся на следующие группы:
погружные холодильники;
теплообменники типа «труба в трубе»;
кожухотрубчатые теплообменники;
аппараты воздушного охлаждения;
теплообменники непосредственного смешения.
П

Рис. 11. Четырехходовой теплообменник типа «труба в трубе»:
1—наружная труба; 2—внутренняя труба;
3— разъемный двойник; 4— приварной двойник.
огружные теплообменники представляют собой заполненные водой металлические ящики, в которых расположен один или несколько змеевиков. По змеевикам движутся охлаждаемые пары или жидкость. Эти аппараты занимают много места, имеют низкий коэффициент теплопередачи. Погружные теплообменники применялись в качестве конденсаторов паров ректификационных колонн и концевых холодильников. Эти аппараты полностью уступили место более совершенным конструкциям.Теплообменники типа «труба в трубе» (рис. 11) легко разбираются для чистки и могут быть использованы при любой разности температур теплообменивающихся сред. Они применяются на установках прямой перегонки для подогрева нефти остаточными продуктами— мазутом или гудроном.
К

Рис. 12. Кожухотрубчатый теплообменник с плавающей головкой:
1—корпус; 2— трубный пучок; 3— плавающая готовка; 4—распределительная камера; 5—крышка; 6— днище; 7—опора.
ожухотрубчатые теплообменники получили большое распространение на современных НПЗ, существуют кожухотрубчатые теплообменники жесткотрубного типа и с плавающей головкой.Теплообменники с плавающей головкой (рис. 11)—основной вид теплообменного аппарата современного НПЗ. На установках первичной перегонки нефти они используются для подогрева нефти за счет тепла отходящих продуктов, в качестве водяных конденсаторов-холодильников, подогревателей сырья стабилизации и т. д.
Наличие подвижной решетки позволяет трубному пучку свободно перемещаться внутри корпуса, пучок легко удаляется для чистки и замены. На современных установках первичной перегонки применяются теплообменники с плавающей головкой, имеющие поверхность теплообмена 300—900 м2 и длину трубок 6 и 9 м. Коэффициент теплопередачи в этих аппаратах равен 100— 150 ккал/ (м2 • ч • град}.
Для конденсации и охлаждения продуктов в поверхностных теплообменниках применяется вода. Качество воды на заводах, как правило, невысокое, в ней содержатся посторонние примеси, она сильно минерализована. Поэтому в трубках холодильников отлагается накипь и органические осадки, трубки подвержены коррозии со стороны воды. Эти недостатки полностью устраняются при использовании взамен водяного охлаждения воздушного. Строящиеся и проектируемые в настоящее время установки первичной перегонки оснащаются в основном конденсаторами и холодильник

Рис. 13. Аппарат воздушного охлаждения горизонтального типа (АВГ).
ами воздушного охлаждения.
Аппараты воздушного охлаждения состоят из пучка труб с коллекторами (сборными трубами), вентилятора с электродвигателем, регулирующих устройств и опорной части. Теплопередача в аппаратах воздушного охлаждения (АВО) происходит по принципу противотока. Вентилятором воздух прогоняется через межтрубное пространство. Пучок труб охлаждается снаружи. За счет теплоотвода через поверхность охлаждается продукт, протекающий внутри трубок. Чтобы воздух равномерно распределялся по всей охлаждающей поверхности труб, вентилятор соединяется с трубными пучками посредством диффузоров.
Т

Рис. 14. Аппарат воздушного охлаждения зигзагообразного типа (АВЗ),
рубы, коллекторы и рамы образуют секции. Коллекторы снабжаются съемными крышками или пробками, что создает возможность очистки внутренней поверхности труб.Чтобы интенсифицировать теплоотдачу от поверхности труб к воздуху, наружная поверхность труб увеличивается с помощью сплошного и частичного оребрения. Отношение полной поверхности ребристой трубы к наружной поверхности гладкой трубы у основания ребра называется коэффициентом оребрения. Чем выше коэффициент оребрения, тем больше коэффициент теплоотдачи от наружной поверхности теплообменных труб к воздуху. Машиностроительной промышленностью выпускаются нормализованные аппараты воздушного охлаждения с коэффициентом оребрения 9 и 14,6.
Существуют аппараты воздушного охлаждения различной конструкции, отличающиеся расположением трубных секций. Наиболее часто применяются горизонтальные (АВГ, рис. 13) и зигзагообразные холодильники (АВЗ, рис. 14). Конструкция аппаратов зигзагообразного типа отличается простотой монтажа и обслуживания. По сравнению с прочими типами АВО эти аппараты имеют наибольшую поверхность теплообмена и занимают наименьшую площадь. Число ходов в секциях АВЗ может изменяться в широких пределах. На установках первичной перегонки применяются аппараты воздушного охлаждения горизонтального типа поверхностью до 1,8 тыс. м2 и зигзагообразные поверхностью 5—7,5 тыс. м2. Коэффициент теплопередачи в аппаратах воздушного охлаждения равен 15—30 ккал/(м2•ч•град) (в расчете на оребренную поверхность).
1.7.2.Трубчатые печи
С помощью трубчатых печей технологическим потокам установок прямой перегонки и других технологических установок" сообщается тепло, необходимое для проведения процесса.
Трубчатые печи классифицируются по характерным для них признакам:
полезной тепловой мощности;
пропускной способности;
технологическому назначению;
типу теплопоглощающего змеевика;
конструктивным особенностям.
П

Рис. 15. Схемы основных типов трубчатых печен:
а — конвекционная печь; б — однокамерная печь с боковым расположением конвекционной камеры; в — однокамерная печь с нижним расположением конвекционной камеры; г — однокамерная печь с верхним расположением конвекционной камеры; д — вертикальная цилиндрическая печь; е — однокамерная печь беспламенного горения с панельными горелками; ж — двухкамерная двухпоточная печь с горизонтальным сводом; з — двухпоточная двухкамерная печь с наклонным сводом. 1—горелки (форсунки); 2—радиантный змеевик;3—конвекционный змеевик; 4— дымоход; 5— перевальная стенка; 6— панельные горелки.
олезная тепловая нагрузка — количество тепла, воспринятое продуктом, — выражается обычно в тысячах и миллионах килокалорий в час. Тепловая нагрузка печей на нефтеперерабатывающих заводах колеблется от 500—800 тыс. ккал/ч до 60— 100 млн. ккал/ч. На современных отечественных установках прямой перегонки имеются трубчатые печи с полезной тепловой нагрузкой 16, 32, 100 млн. ккал/ч.По производительности, т. е. по количеству нагреваемого продукта в единицу времени, наиболее крупными являются печи первичной перегонки. На установке АТ мощностью 6 млн. т нефти в год в трубчатой печи в течение часа подогревается свыше 900 т сырья.
По технологическому назначению печи нефтеперерабатывающих заводов делятся на печи прямой перегонки, термического крекинга, каталитического риформинга и др. На нефтеперерабатывающих заводах эксплуатируются трубчатые печи самых разнообразных конструкций. Существуют печи отличающиеся по способу передачи тепла (радиантные, конвекционные, радиантно-конвекционные), по количеству топочных камер (однокамерные и многокамерные), по способу сжигания топлива (печи с пламенным и беспламенным горением), по типу облучения труб (с односторонним и двусторонним облучением), по числу потоков нагреваемого сырья (одно-, двух- и многопоточные), по форме камеры сгорания (цилиндрические, коробчатые и т. д.), по расположению труб змеевика (печи с горизонтальным и вертикальным расположением труб). Схемы основных типов трубчатых печей приводятся на рис. 15.
Основными теплотехническими показателями, характеризующими печь с точки зрения эффективности ее работы, являются теплонапряженность поверхности нагрева и коэффициент полезного действия печи, Теплонапряженностью поверхности нагрева называется количество тепла, переданное через 1 м2 поверхности нагрева в час. Допустимая теплонапряженность поверхности нагрева зависит от температуры стенки трубы, от температуры и скорости движения продукта, от свойств нагреваемого продукта. Теплонапряженность поверхности нагрева, как правило, должна быть тем меньше, чем более смолист и склонен к образованию кокса продукт, нагреваемый в печи, чем ниже его скорость при движении по трубам, чем выше требуемая конечная температура нагрева продукта [12].
Теплонапряженность поверхности нагрева в радиантных трубах выше, чем в конвекционных. Средняя теплонапряженность радиантных труб составляет (в тыс. ккал/м2): при первичной перегонке нефти 25—50, при перегонке мазута 20—30, при термическом крекинге 20—40.
Коэффициентом полезного действия печи называется отношение полезного используемого тепла к общему количеству тепла, выделенного при сгорании топлива. Перед конструкторами печей стоит задача добиться повышения к. п. д. печи. В печах, построенных на установках первичной перегонки мощностью 1, 2 и 3 млн. т в год в 1950—70 гг., этот показатель не превышал 60—65%. Новые конструкции печей, разрабатываемые в нашей стране и за рубежом, имеют более высокий к. п. д. — ~ 80% и выше.
На нефтеперерабатывающих заводах широко распространены одно- и двускатные трубчатые печи шатрового типа.
С

Рис. 16. Двускатная трубчатая печь шатрового типа:
I — выход продукта; II — вход продукта: III — газы в дымовую трубу.
хематический разрез двускатной печи приведен на рис. 16. Печь состоит из двух радиантных камер и одной конвекционной. Конвекционная камера отделена от радиантных стенками из огнеупорного кирпича. Эти стенки называются перевальными. Дымовые газы удаляются из печи через дымоход (боров), который начинается в нижней части конвекционной камеры, и дымовую трубу.Трубы змеевика крепятся к стенкам радиантной камеры печи при помощи подвесок и кронштейнов из жаропрочной стали, а в конвекционной камере укладываются на специальные решетки. Между собой они соединяются сварными калачами или разъемными переходами-двойниками. В радиантной камере имеются две группы труб—нижняя (подовый экран) и верхняя (потолочный экран).
Шатровые печи, несмотря на их универсальность, простоту в эксплуатации, в настоящее время не сооружаются. Их основной недостаток—низкие технико-экономические показатели. Коэффициент полезного действия этих печей не превышает 50—60%, так как почти нигде не используется тепло дымовых газов. Эти печи эксплуатируются с большим коэффициентом избытка воздуха, что также сказывается на к. п. д. печи. Шатровые печи требуют много места, для их сооружения расходуется большое количество легированного металла.
Недостатки печей шатрового типа и других устаревших конструкций устраняются в конструкциях новых печей. К печам нового типа относятся трубчатые печи с излучающими стенками из панельных горелок, печи объемно-настильного пламени, вертикально-факельные печи, разработанные институтом ВНИИНефтемаш, а также вертикальные трубчатые печи, разработанные в институте Ленгипрогаз.
О

Рис. 17. Вертикально -секционная трубчатая печь
1 – каркас-кожух; 2 – футеровка; 3 – радинатная часть змеевика; 4 – конвекционная часть змеевика; 5 – инжекционная горелка.
собенностью вертикальных печей является вертикальное расположение труб в радиантных змеевиках этих печей. Вертикальные трубчатые печи подразделяются на вертикальные цилиндрические и вертикальные секционные.Вертикальные цилиндрические печи имеют тепловую производительность от 1,5 до 12 млн. ккал/ч.
Вертикальные секционные печи наиболее часто применяются для современных установок прямой перегонки. Тепловая производительность этих печей колеблется от 10 до 100—125 млн. ккал/ч.
Устройство вертикальной секционной печи показано на рис. 17. Печи этого типа состоят из ряда секций одинаковой теплопроизводительности и размеров.
Количество секций зависит от необходимой теплопроизводительности печи. Каждая секция состоит из радиантной и конвекционной камер, причем радиантные части всех секций печи объединяются в общий металлический сварной футерованный изнутри корпус.
Радиантная часть печи имеет в плане форму прямоугольника. В днище радиантных камер расположены форсунки. Чтобы улучшить обслуживание форсунок, печь приподнимается над землей на металлических стойках каркаса. Трубы змеевика располагаются внутри камеры, причем если печь состоит из одной секции, то все трубы змеевиков расположены у стен печи. Если в печи имеется несколько секции, то наряду с однорядными экранами появляются двухрядные, расположенные между топочными пространствами секции.
Сверху каждой радиантной камеры помещается конвекционная камера, которая также имеет прямоугольную форму, футерована легким жаростойким бетоном и содержит пакет горизонтальных ошипованных труб. Конвекционная камера заканчивается сборником продуктов сгорания, имеющим форму усеченной пирамиды. Продукты сгорания затем уходят в дымовую трубу. Дымовые трубы могут быть сооружены для каждой секции отдельно или быть общими для нескольких секций.
В вертикально-секционных печах с дымовыми газами уходит большое количество тепла, которое следует утилизировать, используя, например, для выработки водяного пара. Испарительные секции котлов-утилизаторов располагаются над конвекционным змеевиком в каждой конвекционной камере. Корпусом котла-утилизатора служит нижняя прямоугольная часть сборника продуктов сгорания.
Преимущества вертикальных трубчатых печей перед печами других типов заключаются в следующем:
уменьшение расхода легированного металла на подвески и опоры труб змеевика, поскольку количество креплений уменьшено и они вынесены за пределы обогреваемой зоны;
значительное уменьшение габаритов и площади, занимаемой печами;
повышение к. п. д. до 80—85% за счет утилизации тепла и некоторого уменьшения потерь тепла через наружные стены;
значительное снижение расхода футеровочного материала, благодаря применению легкого жаростойкого бетона.
1.7.3.Ректификационные колонны
В

Рис. 18. Схемы работы колпачковой тарелки:
1 — патрубок; 2 — колпачок; 3 — диск тарелки; 4— сливная труба; 5— сливная перегородка. H—высота уровня жидкости в сливном стакане; h>ст>—высота ствкана; h>сл>— высота подпора при сливе жидкости; l>сл> — высота выступающей над тарелкой части сливной перегородки или трубы.
зависимости от внутреннего устройства колонны делятся на тарельчатые и насадочные. На большинстве технологических установок современного нефтеперерабатывающего завода применяются только тарельчатые колонны.Существуют ректификационные тарелки различных типов— колпачковые (рис. 18), бесколпачковые, струйно-направленные и др [33].
Колпачковая тарелка представляет собой металлический диск, в котором имеется множество отверстий для прохода паров. По периметру отверстий закреплены бортики определенной высоты, называемые стаканами, благодаря которым на тарелке поддерживается определенный слой жидкости. Сверху стаканы накрываются колпачками. Между верхним срезом стакана и колпачком имеется зазор для прохода паров, поступающих с нижележащей тарелки. При работе колпачки погружены в слой жидкости, и вследствие этого образуется гидравлический затвор, через который барботируют пары.
Уровень жидкости на тарелках поддерживается сливными перегородками (сливными карманами), нижняя часть которых доходит до следующей тарелки. Избыток жидкости по сливным карманам спускается на нижележащую тарелку. Положение колпачков можно регулировать, изменяя размер зазора между колпачком и верхним срезом стакана. Очень важно, чтобы тарелки размещались в колонне строго горизонтально и чтобы все колпачки были одинаково погружены в жидкость на тарелке. Если эти требования не выполнены, то в какой-либо части тарелки толщина слоя жидкости будет меньше. Через эту часть тарелки начнет проходить большее количество жидкости, и многие колпачки на остальной части тарелки перестанут работать.
Наиболее распространены колпачковые тарелки желобчатого типа, тарелки с S-образными элементами, с круглыми колпачками и тарелки клапанного типа.
Ж

Рис. 19. Тарелка с желобчатыми колпачками:
1—корпус колонны; 2—глухие сегменты; 3—карманы; 4, 7—сливная перегородка; 5— колпачок; 6— желоб.
елобчатые тарелки имеют простую конструкцию и весьма легко монтируются (рис. 19). Тарелка представляет собой прямоугольник или квадрат, вписанный в поперечное сечение колонны. Один из сегментов, отделяемых этим прямоугольником, служит сливным устройством данной тарелки, другой — сливным устройством вышележащей. Два сегмента тарелки — глухие.Тарелка состоит из нескольких желобов, прикрепленных к опорным уголкам. Над желобами располагаются колпачки, монтируемые на нужной высоте. Жидкость движется по тарелке вдоль колпачков. Основной недостаток желобчатых тарелок заключается в малой площади барботажа (до 30% от площади тарелки), что способствует увеличению скорости паров и уносу флегмы.
В

Рис. 20. Тарелка из S-образных элементов:
1—S-образный элемент; 2—плоский сегмент; 3—карман; 4—сливная перегородка; 5—опорная полоса; б—струбцина-скоба; 7—первый элемент; 8—колпачок.
отличие от желобчатых тарелок в тарелках с S-образными элементами (рис. 20) жидкость, направляясь к сливному устройству, движется поперек колпачков, а сами колпачки представляют одно целое с желобом. Каждый S-образный элемент состоит из колпачковой и желобчатой части. При сборке их располагают таким образом, чтобы колпачковая часть одного элемента перекрывала желобчатую часть другого, образуя гидравлический затвор.Тарелки из S-образных элементов предназначены для колонн, работающих при атмосферном или невысоком давлении, для них характерна устойчивая равномерная работа при изменении нагрузок. Производительность тарелок на 20% выше, чем желобчатых.
Еще более эффективны для колонн, работающих при переменных нагрузках по пару и жидкости, а также для колонн, в которых требуется добиться повышенной четкости разделения, клапанные прямоточные тарелки. Основной элемент такой тарелки — клапан (рис. 21), который под действием паров приподнимается над полотном тарелки на различную высоту. В отличие [33] от прочих колпачковых тарелок, работающих в статичном режиме, для клапанных тарелок характерен динамический, переменный режим работы.
П

Рис. 21. Клапанные колпачки — прямоугольный (а) и круглый (б):
1— клапан; 2— удерживающая скоба.
одвижные клапаны в зависимости от паровой нагрузки поднимаются или опускаются, регулируя площадь свободного сечения тарелки. Благодаря такой конструкции, в широком пределе нагрузок, определяемом возможной длиной хода клапана, скорость паров существенно не меняется.Из бесколпачковых тарелок применение в последние годы нашли решетчатые тарелки провального типа и сетчатые тарелки с отбойными элементами.
О

Рис. 22. Схема работы сложной ректификационной колонны с выносными отгонными секциями:
I—сырье; II—ректификат; III, IV, V— боковые погоны; VIостаток; VII—водяной пар.
сновным показателем для тарелок с переливами является скорость паров в свободном сечении колонны. Скорость паров [33] в колоннах установок первичной перегонки зависит от типа тарелки, расстояния между тарелками, нагрузки тарелки по жидкости, физических свойств разделяемых продуктов и других факторов. Она составляет: в атмосферной колонне 0,6—0,9 м/сек, в отбензинивающей 0,2—0,3 м/сек, в стабилизаторе 0,15—0,2 м/сек, в вакуумной 2—3 м/сек.На установках первичной перегонки нефть требуется разделить на большое количество фракций. Поскольку одна обычная ректификационная колонна может обеспечить разделение смеси только на две фракции, на современных перегонных установках широкое распространение получили сложные колонны, в которых как бы совмещается несколько простых колонн (рис. 22).
Нагретая в печи нефть поступает в среднюю часть секции 1 и разделяется на жидкую и паровую фазы. Жидкая фаза опускается по тарелкам нижней (отгонной) части секции и при этом из нее отгоняются легкие фракции. Для улучшения условий отгонки легких фракций в нижнюю часть отгонной секции вводится водяной пар.
Паровая фаза поднимается по тарелкам верхней концентрационной части секции 1, постепенно облегчается по составу и затем поступает в секцию 2. Секция 1 представляет собой полную ректификационную колонну, остатком которой является мазут, а дистиллятом — смесь бензиновых, керосиновых, дизельных фракций. Эта смесь служит сырьем секции 2. В секции 2 от смеси отделяется тяжелая дизельная фракция (300—350° С), которая частично перетекает в секцию 1, являясь ее орошением, а частично поступает в отдельно расположенную отгонную часть. Здесь тяжелая дизельная фракция дополнительно ректифицируется. Для облегчения удаления легких компонентов в нижнюю часть отгонной секции также вводится водяной пар, как и в нижнюю часть основной колонны [12].
В секции 8 отделяется легкая дизельная фракция, а в секции 4—керосиновая. Как и секция 2, секции 3 и 4 представляют концентрационные части простых колонн. Отгонные части этих колонн также выделены в самостоятельные колонны. Готовые продукты — керосиновая, легкая и тяжелая дизельная фракции — отбираются с низа отгонных секций, а отогнанные легкие фракции совместно с водяным паром отводятся в основную колонну. С верха основной колонны уходит смесь водяного пара и паров самого легкого дистиллята — бензинового.
При сооружении сложных колонн расходуется гораздо меньше металла, чем для нескольких простых колонн, упрощается обслуживание, уменьшается количество коммуникаций. Сложные колонны применяются в тех случаях, когда не требуется особенно высокой четкости разделения продуктов. Для четкого и сверхчеткого фракционирования (при вторичной перегонке бензинов, газоразделении) обычно устанавливается несколько простых ректификационных колонн, в каждой из которых выделяется один или два целевых компонента.
Способы создания орошения. Чтобы обеспечить нормальное проведение процесса ректификации, в колонне необходимо создать поток орошения (флегмы). В промышленной практике применяются три основных способа создания орошения: с применением поверхностного парциального конденсатора; холодным, испаряющимся (острым) орошением; циркуляционным, неиспаряющимся орошением.
С

Рис. 23. Схемы орошения ректификационных колонн: а — с применением парциального конденсатора; б — с применением холодного (острого) орошения; в — циркулирующее орошение.
I—пары из колонны; II—орошение; III—вода; IV—пары продукта; V—балансовый ректификат.
1—колонна; 2— парциальный конденсатор; 3—конденсатор-холодильник; 4—рефлюксная емкость; 5— насос; 6—теплообменник (холодильник).
хемы создания орошения приводятся на рис. 23. Парциальный [35] конденсатор представляет собой трубчатый теплообменный аппарат, устанавливаемый непосредственно на колонне. В трубки аппарата подается вода или холодное сырье. Конденсат, образующийся в межтрубном пространстве, стекает обратно в колонну в виде флегмы.При съеме тепла острым орошением на верх колонны подается насосом холодная жидкость, соответствующая по составу ректификату. Эта жидкость, контактируя на верхней тарелке с парами, поднимающимися с нижних тарелок, испаряется. Поднимающиеся снизу пары охлаждаются, частично конденсируются. Образовавшийся конденсат стекает на следующую тарелку в качестве орошения. Пары орошения и испарившегося на верхней тарелке продукта уходят в конденсатор-холодильник 3. После конденсации продукт собирается в емкости 4, откуда ректификат отводится в качестве товарного продукта, а орошение вновь возвращается в колонну.
С помощью циркулирующего, неиспаряющегося орошения тепло отводится как из верхней части колонны, так и из промежуточных сечений. Схема съема тепла циркулирующим орошением следующая: жидкость забирается насосом 5 с какой-либо тарелки, прокачивается через холодильник или теплообменник 6 и возвращается в колонну на вышележащую тарелку.
Сравнивая различные методы создания орошения, следует отметить, что применение парциального конденсатора связано с большими неудобствами. При высокой производительности установок размеры парциальных конденсаторов растут и становится трудно размещать их над колонной. Кроме того, возникают сложности в регулировании температуры колонны, так как быстро изменить количество подаваемого из парциального конденсатора орошения невозможно.
При отводе тепла острым орошением конденсатор можно размещать на любой высоте, сооружение и эксплуатация конденсаторов в этом случае много проще. Однако применение острого орошения требует установки специальных насосов для подачи орошения и затраты электроэнергии.
На современных установках по перегонке нефти используются комбинированные схемы орошения. Так, в сложных атмосферных колоннах сочетается острое и циркулирующее орошение. В сложных колоннах вес ректификата при переходе от первой (нижней) простой колонны (секции) к верхней сокращается, а вес флегмы (если в колонну подается только острое орошение) должен в той же последовательности увеличиваться. Дело в том, что через секции, расположенные выше, должно проходить такое количество флегмы, которого было бы достаточно не только для данной колонны, но и для колонн, расположенных ниже. Таким образом, вышележащие секции оказываются перегруженными жидкостным потоком, величина которого значительно превышает необходимое для данной секции орошение. При переходе на комбинированную схему в виде острого орошения вводится только то количество флегмы, которое необходимо для верхней секции колонны. В остальных секциях флегма создается с помощью циркулирующего орошения, которое забирается с нижележащей тарелки соответствующей секции, охлаждается и подается на верхнюю тарелку этой секции. В атмосферных колоннах современных установок первичной перегонки имеется 2—3 циркулирующих орошения. Число промежуточных орошении, как правило, на единицу меньше числа отводимых боковых погонов.
Внедрение промежуточных циркулирующих орошении позволяет улучшить условия регенерации тепла на установке, так как температура отводимого циркулирующего орошения выше температуры острого орошения и дает возможность значительно разгрузить верхнюю часть атмосферной колонны и конденсаторы-холодильники. В многосекционных вакуумных колоннах орошение создается исключительно с помощью потоков циркулирующих орошении.
Способы создания вакуума. Вакуум в колоннах создается с помощью вакуум-насосов или пароструйных эжекторов. Вакуум-насосы по принципу действия аналогичны компрессорам. Существуют поршневые, ротационные и водокольцевые вакуум-насосы.
П

Рис. 24. Пароэжекторные агрегаты — одноступенчатые (а) и двухступенчатые (б).
ринцип работы пароструйных эжекторов — использование кинетической энергии водяного пара. Эжектор (рис. 24) состоит из парового сопла 1, диффузора 3 и головки 2, соединяющей сопло с диффузором. Струя пара с большой скоростью вытекает из сопла, захватывает отсасываемую газожидкостную смесь и вместе с ней выбрасывается в атмосферу [35].Чтобы создать небольшой вакуум (до 680 мм рт. ст.}, используют одноступенчатые эжекторы. Если требуется более глубокий вакуум, применяют многоступенчатые пароэжекторные агрегаты, снабженные промежуточными конденсаторами (рис. 24). В конденсаторах рабочий пар и газы, выходящие из предыдущей ступени, конденсируются и охлаждаются.
Эжекторами и вакуум-насосами из вакуумных колонн отсасываются газы разложения, водяной пар, подаваемый в колонны для улучшения ректификации, а также воздух, попавший в аппаратуру вследствие ее недостаточной герметичности. Схемы конденсации паров, уходящих из вакуумных колонн, изображены на рис. 25.
В

Рис. 25. Схемы конденсации паров, уходящих из вакуумной колонны: а — с конденсатором смешения; б — с поверхностным конденсатором.
I—водяной пар; II—вода; III—уловленный нефтепродукт; IV—вода, загрязненная нефтепродуктами; V—нескондевсировавшиеся газы (выхлоп эжектора). 1—колонна; 2—барометрический конденсатор; 3—барометрическая труба: 4— эжектор; 5— промежуточный конденсатор эжектора; 6 — барометрический колодец.
схеме на рис. 25а, основным аппаратом, применяемым для конденсации, является барометрический конденсатор смешения. Он представляет собой цилиндрический аппарат с каскадными ситчатыми тарелками, под нижнюю из которых поступают пары с верха вакуумной колонны. Охлаждающая вода подается на верхнюю тарелку [35]. Сконденсировавшиеся нефтяные пары и вода сливаются по трубе 3 в барометрический колодец 6, а газ с верха барометрического конденсатора отсасывается паровыми эжекторами или вакуум-насосами 4. Существенный недостаток схемы а состоит в том, что при непосредственном смешении с нефтяными парами охлаждающая вода сильно загрязняется сероводородом и нефтепродуктами. Экспериментально установлено, что в воде конденсаторов содержится до 5% от получаемой на АВТ дизельной фракции.Вода, загрязненная нефтепродуктами, попадает затем в сточные воды завода, загрязняя почву и водоемы.
В схеме на рис. 25, б опасность загрязнения воды устранена. Пары с верха вакуумной колонны поступают в кожухотрубчатый поверхностный теплообменник, где конденсируется основная часть водяных паров и унесенных нефтяных фракций. Затем конденсат и пары поступают в вакуум-приемник, из которого несконденсировавшиеся пары отсасываются эжекторами. Конденсат по барометрической трубе поступает в отстойник-колодец. Сюда также подаются паровые конденсаты из межступенчатых конденсаторов эжектора. Вода из отстойника сбрасывается в канализацию. Как показал опыт эксплуатации на нескольких нефтеперерабатывающих заводах, в этой воде почти не содержится сероводорода. Основное его количество находится в газах, выбрасываемых из последней ступени эжектора. Эти газы предложено очищать от сероводорода. Нефтепродукт, отделенный от воды в отстойнике-колодце, возвращается в линию дизельного топлива.
Современные схемы создания вакуума обеспечивают поддержание в колоннах АВТ остаточного давления 40—70 мм рт. ст.
1.8.Меры борьбы с коррозией
Причины коррозии при переработке сернистых нефтей. Нефть, добываемая в промысловых районах Татарии и Башкирии, а также на некоторых месторождениях других районов, содержит от 1,5 до 3% серы [7, 10]. При переработке этой нефти выделяется большое количество коррозионноактивных соединений — сероводорода и меркаптанов.
Сероводород активно воздействует на сталь, из которой выполнена технологическая аппаратура. Образуются продукты коррозии, состоящие из различных сульфидов железа. Скорость коррозии углеродистой стали в среде влажного сероводорода составляет 0,3—1,5 мм в год. Если учесть, что, например, трубки теплообменников имеют толщину 2—2,5 мм, то понятно, какой ущерб ежегодно наносится народному хозяйству сероводородной коррозией металла.
Другой причиной коррозии является наличие в поступающих на заводы нефтях высокоминерализованных, содержащих большое количество солей, пластовых вод. На многие установки первичной перегонки даже после двух- и трехступенчатого обессоливания поступает нефть, в которой содержится более 20 мг/л солей. При нагреве такой нефти до 350 °С соли (в основном, хлориды) разлагаются. Образуется хлористый водород, который в присутствии влаги обладает высокой коррозионной способностью. Скорость коррозии черных металлов в присутствии влажного хлористого водорода в 10—20 раз выше, чем в присутствии сероводорода. Показателем интенсивности коррозии служит рН воды, удаляемой из рефлюксных емкостей отбензинивающей и атмосферной колонн, а также содержание в этой воде иона железа.
Методы борьбы с коррозией. Для уменьшения коррозии на установках первичной перегонки нефти применяются следующие методы:
глубокое обессоливание и обезвоживание нефти;
добавка нейтрализующих веществ;
использование коррозионно-стойких металлов и лакокрасочных покрытий;
введение ингибиторов коррозии.
Глубокое обессоливание нефти — одно из главных условий снижения коррозии аппаратуры. Однако следует иметь в виду, что и при глубоком обессоливании коррозия полностью не устраняется. При обессоливании в первую очередь удаляются хлориды натрия, а менее стабильные хлориды кальция и магния остаются в нефти.
Для подавления хлористоводородной коррозии на перегонных установках нефть подщелачивается. С этой целью применяют раствор едкого натра или смесь растворов соды и щелочи. Подщелачиванием можно уменьшить скорость коррозии в 10—20 раз.
Наряду с подщелачиванием нефти на многих установках первичной перегонки применяется подача в верхнюю часть атмосферной и отбензинивающей колонн аммиака. Расход аммиака регулируется в зависимости от рН дренируемой из рефлюксных емкостей воды. Подачей аммиака коррозию снижают на 60—80%.
Аммиак целесообразно применять только для подавления коррозии черных металлов (чугуна и стали). Если аппаратура изготовлена из цветных металлов и сплавов, то при неосторожном применении аммиака коррозия может даже усилиться. Аммиак подается в виде водного раствора концентрацией 5—7% или в газообразном виде. Первый способ более эффективен, так как предотвращает загрязнение аппаратуры солями аммония.
Наиболее интенсивно корродируют на [10] установках прямой перегонки печные трубы, линии горячих остатковых продуктов (мазута и гудрона), верхняя часть атмосферной колонны, конденсационно-холодильная аппаратура. Чтобы увеличить срок службы оборудования, на этих участках применяются более коррозионностойкие материалы—легированные стали Х5М и 0Х13, латунь, сплав никеля и меди, называющийся монельметаллом. Для удешевления аппаратуры ее изготовляют из двухслойного металла — внутренняя, подверженная действию вредных соединений поверхность выполняется из легированного металла, а наружная — из углеродистой стали.
Наибольший эффект в борьбе с коррозией на установках прямой перегонки дает применение специальных ингибиторов (замедлителей) коррозии. Ингибиторы, как правило, представляют собой органические вещества, которые образуют защитную пленку на поверхности металла.
На отечественных заводах применяются ингибиторы коррозии ИКБ-1 и ИКБ-2. ИКБ-1 представляет собой смесь азотистых и сернистых соединений, извлекаемых из тяжелых фракций нефти. Он применяется в виде раствора в смеси бензина и ароматических углеводородов. Количество подаваемого ингибитора составляет около 0,005% на поток бензина, проходящего через конденсатор-холодильник. Вместе с ИКБ-1 подается аммиак. Скорость коррозии черных металлов при совместном применении ИКБ-1 и аммиака уменьшается на 85—90%. Недостатком ИКБ-1 является то, что при его использовании увеличивается содержание смол и азота в прямогонном бензине.
Более эффективен ингибитор ИКБ-2, представляющий собой твердую пасту, которую растворяют в воде или масле. Полученный 3—5% раствор подается в шлемовую линию атмосферной колонны в количестве около 0,001% на бензин.
1.9.Основы эксплуатации перегонных установок
1.9.1.Пуск установки
Ввод установки в эксплуатацию [6] состоит из нескольких этапов: холодной циркуляции, опрессовки аппаратов, горячей циркуляции, вывода установки на режим. При холодной циркуляции нефть из сырьевого резервуара забирают насосом, прокачивают через основную аппаратуру установки и возвращают по сырьевой линии в резервуар. Назначение этой операции—тщательная проверка герметичности всех соединений, наладка работы насосов и контрольно-измерительных приборов.
Горячая циркуляция предназначена для плавного прогрева аппаратуры и оборудования, удаления из системы воды. После включения в работу конденсаторов-холодильников ректификационных колонн продувают паром камеры сгорания печей и зажигают с помощью форсунки печи.
Подъем температуры в аппаратах ведут постепенно. После достижения на верху колонн температуры 100—105° С дальнейший подъем температуры временно прекращают. Выдержка необходима для полного испарения воды из системы. Удалив окончательно всю воду, возобновляют подъем температуры со скоростью 25—30 град/ч. Температура поднимается до тех пор, пока не будет достигнута предусмотренная нормами технологического режима величина в трансферной линии (линии подачи сырья из печи в колонну). Затем начинают налаживание нормального технологического режима на установке.
Вывод установки на режим производится в следующей последовательности. Как только будет достигнут нормальный уровень бензина в рефлюксных емкостях, включают насосы и начинают подачу орошения в колонны. Регулируя расход орошения, устанавливают заданную температуру верха колонн, после чего налаживают работу систем циркулирующих орошении, затем в К-2 подают водяной пар, открывают задвижки между атмосферной и отпарными колоннами, начинают подачу пара и в эти колонны.
По мере появления уровня жидкости в отпарных колоннах включают насосы откачки. Однако керосиновые и дизельные фракции не сразу выводят в товарные резервуары, а первоначально сбрасывают в сырье установки. Так поступают до тех пор, пока не будет получено подтверждение из лаборатории, что эти фракции по качеству соответствуют нормам.
1.9.2.Остановка установки
Плановая остановка на ремонт установки первичной перегонки ведется следующим образом. Постепенно снижают температуру на выходе нефти из печи и уменьшают до 50% производительность установки [3, 6]. После того как температура на выходе из печи снизится до 320° С, установку переводят на горячую циркуляцию—прием сырья и вывод продуктов прекращается. Затем приостанавливают подачу острого водяного пара в колонны, перекрывают линии перетока боковых фракций из атмосферной колонны в отпарные секции, откачивают оставшиеся в отпарных секциях нефтепродукты в резервуар «некондиции» (некачественного продукта), находящийся в промежуточном парке установки.
Далее останавливают насосы циркулирующих орошении, но подачу острого орошения продолжают еще некоторое время, чтобы постепенно охладить колонну. Прекращение подачи острого орошения и отключение всех насосов и вентиляторов воздушных холодильников производится после того, как исчезнет уровень жидкости в рефлюксных емкостях. После снижения температуры на выходе из печи до 250° С тушат все форсунки и перекрывают задвижки на линиях подачи топлива. Когда температура низа колонн К-1 и К-2 снизится до 150— 160° С, горячая циркуляция прекращается.
После того как установка остановлена, проводят тщательную подготовку аппаратуры к ремонту. Змеевики печных труб, все аппараты и трубопроводы полностью освобождаются от нефтепродуктов, продуваются водяным паром (пропариваются). Помимо пропарки на всех установках начинают практиковать продувку аппаратуры перед ремонтом инертным газом.
1.9.3.Контроль и регулирование работы установок
Работа установки первичной перегонки, как и любой другой технологической установки, регулируется производственным персоналом с помощью контрольно-измерительных приборов, а также путем непосредственного контроля за состоянием аппаратуры, оборудования, коммуникаций, лабораторных анализов качества сырья и получаемой продукции [6].
Установки первичной перегонки нефти оснащены большим количеством приборов для измерения и автоматического регулирования расхода, температуры, давления и уровня продуктов в аппаратах и трубопроводах. На современной установке АВТ имеется более 2 тыс. приборов автоматического контроля и регулирования.
На рис. 26 приводится схема регулирования работы атмосферной ректификационной колонны и отгонных колонн. Основные регулируемые параметры в атмосферной колонне следующие:
температура верха колонны;
температура верхней части секций колонны;
давление;
расход пара в колонну;
уровень жидкости в колонне.
Температура верха колонны зависит от того, какой конец кипения должен иметь бензиновый погон, отбираемый в этой колонне. Она поддерживается постоянной за счет подачи определенного количества острого орошения. Задание регулятора температуры 1 связано с выходным сигналом анализатора конца кипения бензиновой фракции типа АКР. Если при заданной температуре верха колонны качество бензина будет изменяться, например, за счет изменения состава сырья, то АКР изменит задание регулятору температуры, который изменит последнюю. Новая температура будет поддерживаться другим количеством орошения на другом постоянном значении, соответствующем заданному концу кипения бензина.
Т

Рис. 26. Принципиальная схема регулирования атмосферной колонны.
емпература верхней части секции колонны регулируется изменением количества подаваемого циркулирующего орошения—прибор 8. Давление в колонне поддерживается постоянным с помощью регулятора давления 2.Расход пара в колонне также поддерживается постоянным с помощью соответствующих приборов 4. Для поддержания уровня жидкости в колонне служит регулятор уровня 5; кроме того, об изменении уровня выше или ниже допустимого предела оператор получает соответствующий световой и звуковой сигнал.
В отгонных колоннах регулируется уровень изменением количества отводимых продуктов (приборы 7 и 8}, а также качество выводимых фракций. На линиях подачи пара в отгонные колонны устанавливается регулятор расхода, а на линиях вывода керосиновой и дизельной фракций—датчики температуры вспышки. Датчики, состоящие из первичных и вторичных приборов, анализируют температуру вспышки и выдают сигнал регулятору расхода пара. При повышенной подаче пара растет количество отпариваемых легких фракций [18].
Нормальная эксплуатация установки первичной перегонки во многом зависит от технологического режима печей. Схема регулирования трубчатой печи приводится на рис. 27. Основной регулируемый параметр в трубчатой печи — температура нагреваемого продукта на выходе из печи. Необходимо, чтобы температура эта поддерживалась постоянной.
В настоящее время на нефтеперерабатывающих заводах применяется схема связанного регулирования температурного режима трубчатых печей. В системе имеются два регулятора 2 и 3. Один из них 2 поддерживает постоянной температуру дымовых газов над перевальной стенкой печи. При отклонении температуры от заданного значения регулятор с помощью клапана 1 изменяет подачу топлива в печь.
При постоянстве температуры, состава и расхода нагреваемого продукта и при неизменном состоянии змеевика печи температура продукта на выходе из печи б

Рис. 27. Принципиальная схема регулирования трубчатой печи.
удет постоянной. Однако эти параметры могут изменяться, а следовательно будет меняться и температура продукта на выходе. Чтобы стабилизировать температуру продукта, на выходе его из печи установлен регулятор 3, соединенный с термопарой 5, который при изменении температуры меняет задание регулятору 2 и, следовательно, изменяет в допустимых пределах температуру дымовых газов над перевалом за счет изменения подачи топлива.На температурный режим нефтезаводских печей влияет также равномерность подачи продукта в печь. Поскольку при частом изменении расхода продукта меняется температура в печи и уменьшается продолжительность безаварийной эксплуатации труб змеевика печи, расход продукта в печь следует поддерживать постоянным. Для поддержания постоянства расхода продукта на выходной линии насоса устанавливается диафрагма 6, связанная с регистрирующим прибором и регулирующим блоком 8. Регулирующий блок в соответствии с установленным заданием действует на клапан 7.
1.9.4.Лабораторный контроль качества сырья и продукции
Благодаря лабораторному контролю персонал установок получает дополнительные сведения, позволяющие правильно вести технологический процесс.
В лаборатории исследуется качество нефти, поступающей на перегонную установку, и продукции, уходящей с установки. При анализе нефти определяется ее плотность, содержание солей, воды, светлых фракций. Анализ бензиновых фракций состоит в определении октанового числа, наличия или отсутствия активных сернистых соединений (проба на людную пластинку). Проводится также фракционная разгонка бензина. Для средних дистиллятов— керосиновой и дизельной фракции—в лаборатории проводят анализы фракционного состава, вязкости, температуры вспышки и застывания или помутнения [22].
Если в результате лабораторного анализа выясняется, что продукция не соответствует нормам, оператор должен немедленно определить причину этого и в случае необходимости изменить режим работы установки или отдельных аппаратов.
На лабораторный анализ затрачивается много времени, его результаты поступают на установку через 1,5—2 ч после отбора пробы, т. е. тогда, когда оператор уже не может исправить качество выпущенной за это время продукции. Кроме того, лабораторным контролем занимается большое количество людей. Поэтому основное направление технического прогресса и совершенствования установок первичной перегонки состоит в значительном увеличении степени автоматизации, переходе к автоматическому контролю качества продукции.
Разработанные в последние годы анализаторы качества на потоке позволяют не направлять отбираемые пробы сырья и продукции в цеховую или заводскую лабораторию, а получать результат анализа [23] сразу же, непосредственно на установке. В перспективе, связав анализаторы качества с регуляторами технологического режима, можно будет добиться полной автоматизации технологического процесса. Анализаторы качества, определяющие фракционный состав, температуру вспышки, плотность продукта, уже работают на многих установках прямой перегонки.
1.9.5.Организация и учет работы установки
С помощью регистрирующих и показывающих приборов, а также руководствуясь данными лабораторных анализов, оператор имеет возможность непрерывно следить за эксплуатацией установки, соблюдением технологического режима.
Основным документом, в котором определены [12] требования к технологическому процессу, является технологический регламент. В регламенте приводится характеристика изготавливаемой продукции, сырья и полуфабрикатов, описание технологического процесса, нормы технологического режима, описываются возможные неполадки, причины и способы их устранения. Особое место уделено аналитическому контролю производства, основным правилам безопасного ведения технологического режима и правилам аварийной остановки производства.
Технологические регламенты составляются сроком на три года, согласовываются с проектной организацией — автором проекта установки и утверждаются вышестоящей организацией. Регламенты хранятся в техническом отделе нефтеперерабатывающего завода, а на каждом рабочем месте должны быть инструкции, разработанные в соответствии с регламентом. Перечень обязательных инструкций приводится в регламенте.
Оперативный документ, находящийся на установке и содержащий основные требования по поддержанию режима технологического процесса, носит название технологической карты. Технологическая карта вывешивается на видном месте в операторной установки и служит для старшего оператора и всех работающих на установке основным руководством. Карта для каждой установки пересматривается ежегодно. Обычно в технологических картах приводятся пределы регулирования различных параметров технологического режима.
Текущую работу оператор анализирует с помощью записей о технологическом режиме, о качестве сырья и продукции. Запись режима проводится с интервалом в два часа в специальном вахтенном журнале. В этот же журнал записываются сведения о регулировке режима в связи с переходом на отбор других нефтепродуктов, о возникающих в ходе вахты нарушениях режима и неполадках в работе установки.
На основе вахтенного журнала заступающая на вахту смена знакомится с работой установки в предшествующий период. Начальник и технолог цеха ежедневно просматривают вахтенный журнал и дают письменные указания по устранению выявленных отклонений от регламента. Соблюдение норм технологического режима контролируется отделом технического контроля (ОТК) завода.
1.9.6.Предупреждение и ликвидация аварии
Аварии на установках являются в первую очередь результатом нарушения технологического режима, правил эксплуатации, правил и норм пожарной безопасности при работе с огне- и взрывоопасными веществами. Причиной аварии бывает также прекращение подачи на установку сырья, пара, топлива, воды, электроэнергии [10, 12].
При прекращении подачи сырья установку следует перевести на горячую циркуляцию. Если прекратилась подача электроэнергии, то следует немедленно произвести аварийную остановку. В этом случае последовательно выполняют следующие операции: тушат форсунки печей, перекрывают задвижки на приемных и нагнетательных линиях насосов, тщательно наблюдая за давлением в аппаратах. После включения электроэнергии установку выводят на нормальный режим согласно пусковой инструкции.
Прекращение подачи водяного пара—очень серьезная авария, так как при этом установка лишается основного средства пожаротушения. В случае, если пар отсутствует в течение длительного времени, также должна быть произведена аварийная остановка. Частой причиной аварии на установках является прогар труб в печах.
Порядок ликвидации аварий подробно излагается в производственных инструкциях и, в частности, в плане ликвидации аварий на установке, инструкциях по технике безопасности и пожарной безопасности.
2.Основные производства цеха первичной переработки нефти ОАО «Сургутнефтегаз»
2.1.Краткое описание процессов цеха первичной переработки нефти
2.1.1.Обезвоживание и обессоливание нефти
Нефть поступающая на установку содержит хлористых солей до 100 мг/л, воды до 0,5%, мехпримесей до 0,5%. Вода с растворенными в ней солями находится в виде мелких капель размером от 1,6 до 2,0 мм. На [1] поверхностях этих капель собираются естественные эмульгаторы, нефтяные кислоты, асфальтосмолистые вещества, микрокристаллы парафинов, механические примеси содержащиеся в нефти образуют прочные эмульсии. Это затрудняет слияние капель воды укрупнение и осаждение их. Наличие в нефти хлоридов и воды способствуют проявлению ряда негативных факторов:
образованию смоляной кислоты (НСl);
повышению давления в аппаратах;
снижению производительности;
образованию на стенках трубок теплообменников и печей отложений, ухудшающих теплопередачу;
снижению качества товарных нефтепродуктов.
При снижении содержания хлоридов до 5 мг/л из нефти удаляются такие металлы, как железо, кальций и магний, содержание ванадия снижается более чем в два раза. Обезвоживание и обессоливание нефти на установке производится термоэлектрохимическим способом который объединяет термический, химический и электрический способы, и позволяет довести содержание воды не менее 0,1%, солей до 5 мг/л. При этом в значительной мере удаляются и механические примеси. Процесс этот основан на деэмульгации эмульсионных частиц содержащихся в нефти их укрупнении и охлаждении. С этой целью в нефть подается промывная вода в виде дисперсии. Технический способ предусматривает подогрев нефти при повышении температуры снижается вязкость и плотность нефти, прочность внешней пленки эмульсионных частиц, облегчается слияние капель воды их укрупнение и охлаждение.
Для улучшения деэмульгации существующих частиц эмульсии в нефть вводят поверхностно активные вещества - деэмульгаторы (химический метод). Деэмульгатор обладая большой поверхностной активностью, вытесняет с поверхности естественные эмульгаторы. Образовавшийся новый слой, обволакивающий каплю воды непрочен, при столкновении легко разрушается и не препятствует слиянию капель в более крупные. Для интенсификации деэмульгирования процесс обезвоживания проводят в электрическом поле переменного тока. В электрическом поле высокого напряжения (16-36 кВ) капли воды за счет поляризации принимают вытяжную форму с противоположными зарядами на концах. Под действием электрического поля переменного тока капли приобретают хаотическое движение, сталкиваются друг с другом, сливаются образуя более крупные капли, которые осаждаются на дно аппарата. Процесс обезвоживания и обессоливание зависит от температур, расхода деэмульгатора, количества промывной воды. Однако повышение температуры процесса выше 120 С нецелесообразно из-за повышение электропроводности эмульсии, что приводит к увеличению расхода электроэнергии, а также повышению давления в аппаратах. Расход деэмульгатора зависит от его типа и в среднем составляет 20-30 грамм на тонну нефти. Количество промывной воды составляет 6-10% (масс.) от количества нефти.
2.1.2.Атмосферная и вакуумная перегонка нефти.
Разделение нефти на фракции осуществляется методом ректификации в аппаратах колонного типа при атмосферном давлении и под вакуумом. Ректификация нефти это многократное испарение и конденсация компонентов нефти на контактных тарелках колонн [1]. Таким образом фракция нефти имеющая высокую температуру кипения остается внизу, а фракция имеющая низкую температуру кипения, в виде паров, поднимается в верхнюю часть колонны. Процесс разделения, четкость разделения, зависит в основном от температуры и давления на орошение (флегмы), от конструкции и количества контактных тарелок. При повышении давления в колонне снижается относительная летучесть компонентов, ухудшается четкость ректификации, в продукции низа колонны увеличивается содержание "легких" компонентов. Повышение температуры низа и верха колонны вызывает увеличение "тяжелых" компонентов в продукции верха колонны, а снижение температуры вызывает увеличение "легких" компонентов в продукции низа колонны.
Учитывая то, что при нагреве нефти выше 380 С и мазута выше 420 С происходит их разложение более глубокое разделение нефти проводят под вакуумом. При этом испарение "тяжелых" компонентов происходит при более низком температурном режиме, чем разделение при атмосферном давлении.
Для снижения температуры низа ректификационной колонны, улучшения четкости реактификации, а также предотвращения разложения нефти и мазута в нижнюю часть колонны подают перегретый пар.
2.1.3.Окисление гудрона получение битума.
Получение битумов основано на процессе окисления гудрона кислородом воздуха [1]. Сущность процесса заключается в том, что содержащиеся в составе гудрона масла и смолы под воздействием кислорода воздуха превращаются в асфальтный остаток. Повышение температуры размягчения и вязкость битума, придают битуму твердость и прочность. Процесс окисления зависит от температуры, расхода воздуха и времени контакта. С повышением температуры скорость реакций окисления возрастает и процесс окисления ускоряется. При температуре выше 280 С преобладают реакции. Образования карбенов и карбоидов, которые ухудшают качество битума. Поэтому процесс окисления ведется в интервале температур 240-280 С. С повышением температуры окисления увеличивается температура размягчения битума, снижается растяжимость и пенетрация, повышается хрупкость, ухудшается аугезионное средство, снижается теплостойкость и интервал, пластичность. Увеличение расхода воздуха до определенного предела ведет к повышению скорости реакции окисления. Дальнейшее увеличение расхода воздуха не увеличивает скорость окисления, а присутствие неиспользованного кислорода в газе окисления повышает взрывоопасность.
Процесс окисления гудрона идет с выделением тепла, особенно в начальный период при контакте воздуха со свежим гудроном. Для регулирования температуры процесса и создания гидродинамических условий в реакторе часть битума возвращается в реактор в виде рециркулята, с которым смешивается поступающий гудрон.
2.2.Описание технологической схемы установки первичной переработки нефти и получения битума
2.2.1.Назначение установки
Установка получения битума является комбинированной и включает в себя следующие процессы:
Подготовка нефти к переработке - обезвоживание и обессоливание нефти до содержания воды не более 0,1% и солей не более 5 мг/м3. Обезвоживание и обессоливание нефти осуществляется в электродегидраторе Э-1. Для разрушения эмульсии "вода в нефти" в нефть подается деэмульгатор. Обессоливание нефти достигается вымыванием солей за счет подачи воды в нефть.
Первичная переработка нефти в атмосферно-вакуумной части установки. Основное назначение блока - отбор фракции до 350 С от нефти в атмосферной колонне с последующей разгонкой мазута в вакуумной колонне для получения гудрона - сырья для получения битума.
Окисление гудрона до битума в реакторе колонного типа или реакторах бескомпрессорного окисления.
Кроме целевого продукта - битума в процессе переработки нефти на установке получаются продукты:
Бензинования фракция н.к.-200 С. Может применяться в качестве топлива марки А-72 или как компонент бензина.
Фракция 200-320 С - дизельное топливо. Может применяться в качестве топлива дизельного зимнего по ГОСТ 305-82.
Фракция 320-360 С - атмосферный газойль. В смеси с вакуумным газойлем может применяться в качестве котельного топлива.
Фракция 360-480 С - вакуумный газойль. Представляет собой смесь тяжелых углеводородов и может применяться в качестве котельного топлива.
Углеводородный газ. Может применяться в качестве топлива внутри установки.
2.2.2.Описание технологической схемы
Нефть из трубопровода "Лянторское месторождение - ЦКПН" под давлением 3,0 - 4,0 кг/см2 поступает в сырьевую емкость Е-1, через узел учета (Рис. 28). Расход нефти на установку замеряются трубоквантом. Уровень нефти в емкости Е-1 поддерживается клапаном-регулятором уровня, расположенном на трубопроводе подачи нефти перед Е-1.
Из емкости Е-1 насосом Н-1 нефть подается паралельными потоками в трубное пространство теплообменников Т-1/3 и Т-1/4, где нагревается за счет тепла откачиваемых дизельного топлива в теплообменнике Т-1/3 и смеси атмосферного и вакуумного газойлей в теплообменнике Т-1/4. Технологической схемой предусмотрена подача нефти на прием насоса Н-1/1 через задвижку, минуя емкость Е-1.
Расход нефти в теплообменнике Т-1/3, Т-1/4 регулируется вручную с помощью задвижек по температуре охлаждения дизельного топлива и газойля в этих аппаратах, контролируемой по прибору.
В приемный трубопровод насоса Н-1 из сети производственного водоснабжения подается промывная вода, а также деэмульгатор из блока Бр-2,5. Расход воды на промывку нефти регулируется клапаном регулятором расхода. Расход смеси "нефть-вода" после насосов Н-1 регистрируется расходомером.
Предварительно нагретая нефть после теплообменника Т-1/3, Т-1/4 объединяется в общий поток и поступает в трубный пучек теплообменника Т-1/7. Нагретая до 90-120 С за счет тепла гудрона нефть из теплообменника Т-1/7 подается в междуэлектродное пространство электродегидратора Э-1. Температура нефти после теплообменника Т-1/7 регистрируется прибором.
Электродегидратор Э-1 работает под давлением нефти, в случаях снижения уровня нефти и образования "газовой подушки" срабатывает блокировка, отключающая подачу напряжения на электроды дегидратора. В зависимости от содержания воды в нефти и стойкости эмульсии напряжение на электроды может подаваться 16, 5, 22 или 36 кВ. Давление нефти в электродегидраторе регистрируется прибором. Температура нефти в электродегидраторе регистрируется прибором. Насыщенная вода - "солевой раствор" - с низа электродегидратора через клапан-регулятор уровня раздела фаз "нефть-вода" выводится в емкость Б-9.
Обессоленная нефть выходит сверху электродегидратора Э-1 и разделяется на два потока. Первый, меньший поток нефти, проходит последовательно через трубное пространство теплообменников Т-1/5, Т-1/6 и нагревается за счет тепла циркуляционного орошения колонны К-3 до 130-160 С. Температура нефти после теплообменника Т-1/6 регистрируется прибором. Схемой предусмотрены байпасные линии через задвижки, минуя теплообменники Т-1/5, Т-1/6. Второй поток нефти последовательно проходит через трубное пространство теплообменников Т-1/8, Т-1/9, где нагревается за счет тепла вакуумного газойля до 180-200 С. Расход нефти по второму потоку регулируется клапаном-регулятором расхода, расположенном на трубопроводе нефти перед Т-1/8. Температура нефти после теплообменника Т-1/9 регистрируется прибором. Схемой предусмотрены байпасные линии через задвижки, минуя теплообменники Т-1/8, Т-1/9.
После теплообменника Т-1/6, Т-1/9 оба потока обессоленной нефти объединяются в общий поток нефти, который поступает последовательно в трубное пространство теплообменников Т-1/1, Т-1/2, где нагревается за счет тепла гудрона до 190-210 С. Температура нефти после теплообменников Т-1/1,2 регистрируется прибором. Технологической схемой предусмотрены байпасные линии через задвижки, минуя теплообменники Т-1/1, Т-1/2.
Расход нефти в переработку регулируется клапаном-регулятором установленным на выкидном коллекторе насосов Н-1. Расходомер смонтирован на трубопроводе выхода обессоленной нефти после теплообменников Т-1/6,9.
После теплообменников Т-1/1,2 нефть подается в нагревательные печи П-1, П-3. Расходы нефти через змеевики печей П-1, П-3 регистрируются расходомерами. Нагрев нефти в печах осуществляется в змеевиках камер конвекции дымовыми газами и в камерах радиации за счет лучистого тепла при сжигании топливного газа. В камере радиации печи П-1 размещен также змеевик для нагрева мазута, а в камере конвекции печи П-3 расположен пароперегреватель для получения водяного пара.
Температура нефти на выходе из печи П-3 регулируется клапаном-регулятором температуры, расположенном на трубопроводе подачи топливного газа к форсункам печи. На этом же трубопроводе после клапана-регулятора температуры смонтирован отсекатель, прекращающий подачу топливного газа к форсунке при падении расхода нефти до "0".
Температура нефти на выходе из печи П-1 регулируется клапаном-регулятором расхода, расположенным на трубопроводе входа нефти в печь П-1 и регистрируется прибором.
Дополнительно температуры нагрева в печах П-1, П-3 регистрируются приборами.
Нагретая в печах до 360-375 С нефть объединяется в общий поток и направляется на 4-ю тарелку атмосферной колонны К-3. Всего в колонне имеется 23 клапанных тарелок, из них в укрепляющей части 19 и отгонной 4 тарелки.
Сверху колонны К-3 пары бензина, водяные пары и углеводородный газ с температурой до 150 С поступают в конденсаторы воздушного охлаждения ВХК-1, ВХК-2, далее доохлаждаются в водяном холодильнике Х-1 до температуры не выше 80 С и в виде газожидкостной смеси собираются в емкость Е-2.
Температура газожидкостной смеси после ВХК-1,2 регистрируется прибором, после Х-1. Технологической схемой предусмотрена байпасная линия с задвижкой для подачи конденсата, минуя холодильник Х-1.
В емкости Е-2 происходит разделение смеси на бензин, углеводородный газ и воду. Углеводородный газ сверху емкости Е-2 выводится в качестве топливного газа в печь П-1 или на дожиг в печи П-2. Давление в системе колонны К-3 не более 1,8 кг/см2 поддерживается клапаном-регулятором, расположенным на выводе газа из Е-2 в трубопровод паров из Е-13 в печи дожига П-2.
Вода с низа емкости Е-2 через клапан-регулятор уровня раздела фаз "бензин-вода" сбрасывается в емкость промстоков Б-9.
Часть бензиновой фракции из емкостей Е-2 насосом Н-4 через клапан-регулятор температуры верха колонны К-3 возвращается на 21-ю тарелку колонны в качестве острого орошения. Расход острого орошения регистрируется расходомером. Температура верха колонны К-3 дополнительно регистрируется прибором. Другая часть бензиновой фракции подается в емкость Е-11 регулирование расхода бензиновой фракции, откачиваемой в емкости Е-11, осуществляется клапаном-регулятором расхода в зависимости от уровня в емкости Е-2. Технологической схемой предусмотрена подача бензиновой фракции через диафрагменный смеситель в емкость защелачивания Е-16. В диафрагменный смеситель с насосом Н-8 из емкости Е-18 подается расчетное количество раствора щелочи. Расход раствора щелочи в смеситель контролируется прибором. Бензиновая фракция сверху емкости Е-16 поступает в отстойник Е-17, где происходит отстой воды (раствора щелочи) из состава бензиновой фракции. Бензин сверху отстойника Е-17 через турбоквант и клапан-регулятор уровня бензиновой фракции в Е-2 выводится в емкость хранения бензина Е-11. Уровень бензина в емкости Е-11 контролируется уровнемерами.
Уровень раствора щелочи в емкости Е-16 контролируется прибором, который при достижении максимального уровня Н>maх>=1650 мм и минимального уровня Н>min>=250 мм включает световой и звуковой сигнал.
Отработанный до кондиции 0,5 - 1% (масс.) раствор щелочи из Е-16, а также уловленный при уносе раствор из Е-17 периодически сбрасывается вручную в емкость промстоков Б-9, при этом раствор в Е-16 заменяется свежим, путем закачки насосом Н-8 из емкости Е-18.
5-8% раствор щелочи приготавливается в емкости Е-18 растворением водой твердой каустической соды (NaOH) или жидкой щелочи закачиваемой в автоцистерны насосом Н-8. Перемешивание раствора в Е-18 производится путем циркуляции его насосом Н-8. Уровень раствора щелочи в Е-18 контролируется уровнемером.
С 13-й тарелки атмосферной колонны К-3 отбирается дизельное топливо, которое насосом Н-3 с температурой 180 С подается в межтрубное пространство теплообменников Т-1/3, где отдает тепло сырой нефти, доохлаждается до температуры не выше 70 С в водяном холодильнике Х-3 и направляется в емкости хранения дизельного топлива Е-10. Количество выводимого дизельного топлива из К-3 регулируется клапаном- регулятором расхода расположенном на трубопроводе откачки его после Х-3 и учитывается турбоквантом. Температура дизельного топлива после холодильника Х-3 регистрируется прибором.
Уровень дизельного топлива в емкости Е-10 контролируется уровнемерами.
Качество дизельного топлива обеспечивается циркуляционным орошением. Циркуляционное орошение с 11-й тарелки колонны К-3 забирается насосом Н-12, прокачивается последовательно через теплообменники Т-1/6, где отдает тепло первому потоку обессоленной нефти, доохлаждается в воздушном холодильнике ВХК-3 и с температурой 135-145 С возвращается в колонну на 12-ю тарелку. Температура орошения на выходе из колонны К-3 регистрируется прибором. Температура на 12-ой тарелке К-3 поддерживается клапаном-регулятором расположенном на трубопроводе орошения после ВХК-3. Расход циркуляционного орошения регистрируется расходомером, расположенным на выкидном коллекторе насосов Н-12. Температура орошения на входе К-3 регистрируется прибором.
Для обеспечения требуемого качества мазута по содержанию фракции до 360 С с тарелки "4а" атмосферной колонны К-3 выводится атмосферный газойль, который поступает в отпарную колонну К-4 с температурой 285-295 С.
С низа отпарной колонны атмосферный газойль насосом Н-11 через клапан-регулятор уровня газойля в К-4 подается в теплообменник Т-1/4, где отдает тепло сырой нефти: на входе в Т-1/4 атмосферный газойль смешивается с вакуумным газойлем, далее смесь доохлаждается в водяном холодильнике Х-4 и с температурой не выше 90 С направляется в емкости хранения Е-12. Вывод атмосферного газойля в К-4 регулируется с помощью задвижки на перетоке. Количество выводимого газойля регистрируется расходометром. Температура атмосферного газойля на выходе с тарелки 4а и после холодильника Х-4 регистрируется прибором.
Для более полного извлечения дизельного топлива из атмосферного газойля и фракции до 360 С из мазута предусмотрена возможность подачи перегретого водяного пара в низ колонны К-3, К-4. Пары сверху колонны К-4 возвращаются в колонну К-3 на 13-ю тарелку. Температура верха колонны К-4 регистрируется прибором. Температура низа колонны К-3 регистрируется прибором. Давление в колонне К-3 контролируется прибором. Мазут с низа атмосферной колонны К-3 с температурой 350 С насосом Н-2 через клапан-регулятор уровня в колонне подается для нагрева в мазутный змеевик печи П-1. Температура мазута на выходе из печи П-1 регулируются клапаном-регулятором температуры расположенном на трубопроводе подачи топливного газа к форсункам печи и регистрируется дополнительно прибором.
Нагретый до 390-405 С мазут из печи П-1 поступает на вторую тарелку вакуумной колонны К-5. Вакуумная колонна оборудована 12-ю клапанными тарелками, в том числе в отгонной части две тарелки. Сверху вакуумной колонны газы разложения и пары углеводородов с температурой 190-200 С поступает в водяной конденсатор КВ-1. Сконденсировавший нефтепродукт из КВ-1 стекает в барометрическую емкость БЕ-1, а несконденсированные газы отсасываются двухступенчатым пароэжекторным насосом ПВН-1. Температура сконденсированной смеси в КВ-1 регистрируется прибором.
Конденсат из промежуточных поверхностных конденсаторов пароэжекторного насоса ПВН-1 сливается в барометрическую емкость БЕ-1,а несконденсированные газы выбрасываются в печи П-2 для дожига или в печь П-1 в качестве топливного газа. Конденсать из БЕ-1 сливается самотеком через клапан-регулятор уровня в дренажную емкость Е-13.
С 8-ой тарелки вакуумный газойль с температурой 280 С отбирается в емкость Е-3. Емкость Е-3 связана с колонной К-5 на уровне 9-й тарелки линией суфлирования. Вакуумный газойль из емкости Е-3 забирается насосом Н-6 и прокачивается последовательно через теплообменники Т-1/9 где отдает тепло второму потоку обессоленной нефти. После Т-1/8 часть вакуумного газойля температурой 160-170 С возвращается через холодильник воздушного охлаждения ВХК-4 на верхнюю тарелку колонны К-5 в качестве циркуляционного орошения, а избыток газойля через клапан-регулятор расхода поступает в теплообменник Т-1/4 совместно с атмосферным газойлем и после доохлаждения в холодильнике Х-4 выводится в емкости Е-12 через турбоквант. Температура газойля после ВХК-4 регистрируется прибором. Температура верха колонны К-5 поддерживается клапаном-регулятором температуры на трубопроводе подачи орошения в колонну после ВХК-4. Расход циркуляционного орошения в К-5 регистрируется расходомером.
Гудрон с температурой 360-400 С с низа колонны К-5 насосом Н-5 прокачивается последовательно через темплообменники Т-1/1, Т-1/7, где отдает тепло сырой нефти и с температурой 150-180 С направляется по "жесткой" схеме в окислительную колонну К-1 или емкость гудрона Е-14.
Уровень гудрона в колонне К-5 поддерживается клапаном-регулятором уровня расположенным на трубопроводе откачки гудрона после Т-1/7. Температура гудрона после Т-1/7 регистрируется прибором.
Часть гудрона после теплообменника Т-1/1 с температурой 240-255 С возвращается вниз вакуумной колонны для снижения температуры.
Температура низа К-5 регулируется клапаном-регулятором температуры на подаче гудрона вниз колонны и регистрируется дополнительно прибором.
Давление в верху вакуумной колонны и в зоне питания регистрируется приборами.
Окислительная колонна К-1 представляет собой пустотелый вертикальный аппарат. Вход гудрона в колонну осуществляется ниже рабочего уровня битума в колонне. Расход гудрона в окислительную колонну регистрируется расходомером. Вниз окислительной колонны компрессором ВК-1 через ресивер В-1 подается технический воздух. Распределение воздуха по сечению колонны осуществляется за счет маточника. Расход воздуха в колонну регистрируется клапаном-регулятором расхода расположенном на трубопроводе воздуха в колонну. После указанного клапана-регулятора смонтирован клапан-отсекатель прекращающий подачу воздуха в колонну при срабатывании блокировки по одному из параметров: повышение содержания свободного кислорода в газах окисления более 4%, повышение температуры битума внизу колонны выше 275 С, понижение уровня в колонне ниже 10%.
Газы окисления сверху окислительной колонны К-1 выводятся в газосепаратор ГС-1, где происходит отделение газовой фазы от жидкости. Из сепаратора ГС-1 газы окисления поступают на дожиг в печи П-2, а жидкая фаза -"черный соляр", через клапан-регулятор уровня в ГС-1 выводится в дренажную емкость Е-13. Давление в окислительной колонне контролируется приборами, которые при достижении давления в К-1 выше 0,4 кг/см2 подают звуковой и световой сигналы.
На трубопроводе выхода газов окисления ГС-1 установлен автоматический газоанализатор, который непрерывно определяет содержание свободного кислорода в газах окисления с регистрацией результатов и завязан в систему блокировки, описанной выше. Для предотвращения попадания унесенного "черного соляра" на печи П-2, на трубопроводе подачи газов окисления к печам смонтированы дренажные трубопроводы, с помощью которых жидкость периодически сбрасывается в дренажную емкость Е-13.
Битум с низа колонны К-1 с температурой до 260 С насосом Н-16 откачивается в емкости готового битума Е-15. Схемой предусмотрена возможность откачки битума из колонны также в емкость Е-14. Уровень битума в колонне К-1 регулируется клапаном-регулятором на выкидном коллекторе насосов Н-16. Расход битума в емкости Е-15 регистрируется расходомером. Для смягчения температурного режима часть битума после насосов Н-16 возвращается в колонну К-1 ниже ввода гудрона в качестве циркулята.
Для контроля за работой колонны предусмотрен контроль температуры и уровня с помощью термопар по всей высоте колонны показания которых регистрируются прибором. Технологической схемой предусмотрена подача гудрона в К-1 через промежуточную емкость Е-14 насосом Н-15. Уровень гудрона в емкости Е-14 контролируется приборами.
Дорожный битум из емкостей Е-15 отгружается потребителю наливом в автоцистерны.
Уровень битума в емкости Е-15 контролируется уровнемерами.
Бензин из емкостей Е-11 насосами Н-32 подается на наливную эстакаду для налива в автоцистерны. Учет отгружаемого бензина осуществляется счетчиками на трубопроводах подачи бензина на наливные стояки 1/2, 2/2. Уровень бензина в емкостях Е-11 контролируется уровнемерами.
Дизельное топливо забирается насосами Н-31 из емкостей Е-10 и подается ими к наливным стоякам, через счетчики. Уровни дизельного топлива в емкостях Е-10 контролируется уровнемерами.
Схемой предусмотрен также налив в автоцистерны смеси атмосферного и вакуумного газойля в качестве котельно-печного топлива, которое подается на наливную эстакаду насосами Н-30 из емкостей Е-12 через счетчики. Уровни газойля в Е-12 контролируется уровнемерами. При отсутствии потребителя бензин, дизельное топливо и газойль из емкостей Е-11, Е-10, Е-12 откачивается в резервуары ЦКПН "Федоровскнефть" или нефтепровод "Быстринскнефть" насосами Н-21 через турбоквант. Откачка нефтепродуктов производится поочередно по мере их накопления в емкостях.
При необходимости возможен налив указанных нефтепродуктов в автоцистерны насосами Н-21 через стояки у этих насосов. Из дренажной емкости Е-13 "черный" соляр, поступивший из сепараторов ГС-1, КС-1,2, нефтепродукт из БЕ-1, а также нефтепродукты при освобождении всех аппаратов и насосов в случаях подготовки их к ремонту (кроме заполненных битумом) периодически откачивается насосом Н-13 в нефтепровод на ЦКПН "Федоровскнефть" через турбоквант. Уровень продукта в Е-13 контролируется уровнемером. Освобождение аппарата К-1 отбор битума производится откачкой его в емкость готового битума с последующей отгрузкой потребителю.
Промышленные стоки - подтоварная вода из емкостей Е-2, БЕ-1 "солевой" раствор из электродегидратора Э-1, раствор отработанной щелочи, а также ливневые стоки и стоки от смыва площадок по мере накопления в емкости промстоков Б-9 автоматически откачиваются по уровню насосом Н-14 в систему поддержания пластового давления на Западно-Сургутский товарный парк. Уровень в емкости Б-9 контролируется уровнемером.
Деэмульгатор на установку завозится в бочках. Для дальнейшего использования его на установке применяется блок Бр-2,5 состоящий из емкости деэмульгатора, циркуляционного насоса Н-26 и дозировочного насоса Н-27. Емкость деэмульгатора снабжен электронагревателем, автоматически поддерживающим температуру нагрева и уровнемерным стеклом.
Закачка деэмульгатора в емкость из бочек осуществляется циркуляционным насосом Н-26. Для предотвращения загустения деэмульгатора этим же насосом автоматически в периодическом режиме производится циркуляция по схеме - насос - емкость. Подача деэмульгатора в нефть ведется дозировочным насосом Н-27. Расход деэмульгатора в нефть регулируется ходом плунжера указанного насоса. При повышении давления на выкиде насоса до 10 кг/см2 или падения его до "0" предусмотрена автоматическая остановка насоса.
При обеспечении содержания солей в сырой нефти до 40 мг/л и удаления их за счет избыточного деэмульгатора (подаваемого на промыслах) в условиях установки до 5 мг/л без подачи деэмульгатора, подача деэмульгатора в нефть на установке не обязательна.
Для создания затвора и снятия избыточного тепла в двойных торцевых уплотнениях насосов горячей и холодной насосной служит система уплотнения, состоящая из емкости уплотнительной жидкости Е-4, насосов подачи жидкости Н-7 фильтров для очистки жидкости от механических примесей Ф-1, Ф-2, водяного холодильника Х-2 и трубопроводов циркуляции жидкости.
В качестве уплотнительной жидкости используется дизельное топливо. Заполнение емкостей Е-4 и подпитка ее осуществляется периодически по трубопроводу с линии откачки дизельного топлива после холодильника Х-3. Уровень продукта в емкости Е-4 контролируется уровнемером.
Уплотнительная жидкость из емкости Е-4 насосом Н-7 прокачивается через фильтр Ф-1, холодильник Х-2 и подается в двойные торцевые уплотнения, откуда возвращается в емкость Е-4. Давление в системе 3-4 кг/см2 регулируется открытием задвижки на прием насосов Н-7. Схемой предусмотрено включение резервного насоса Н-7 автоматически при падении давления в системе уплотнения до 2,5 кг/см2. Давление на выкидном коллекторе Н-7 контролируется прибором.
Для охлаждения нефтепродуктов, насосов, компрессоров на установке используется система оборотного водоснабжения, включающая насосы Н-28, на градирню с бассейном и водопроводы. Вода насосом Н-28 из бассейна подается на установку для охлаждения насосов, компрессоров, в холодильники, пройдя которые возвращается на градирню, где за счет распыления и контакта с организованными потоками воздуха охлаждается и сливается в бассейн. Давление в системе оборотной воды регистрируется прибором.
Подпитка системы водой осуществляется из сети противопожарно-производственной воды, подача воды в которую из водопровода "Обский водозабор - Федоровское месторождение". Уровень воды в бассейне регулируется клапаном-регулятором на линии подпитки системы. Расход свежей воды на установку регистрируется расходомером.
Пароснабжение установки осуществляется от собственной котельной с двумя котлами ПКГМ-4. Давление пара в паропроводе установки регистрируется прибором, а в системе подачи пара на обогревы прибором. Обеспечение техническим воздухом установки производится компрессором ВК-1. Воздух от компрессора поступает через водяной холодильник ВХ-1 в воздухосборник В-1, откуда далее используется для подачи в окислительную колонну и на технические нужды. Давление технического воздуха в системе регулируется прибором. Избыток воздуха после ВК-1 по линии продувки подается в систему воздух КИП перед блоком подготовки воздуха.
Воздухом КИП установка обеспечивается компрессорами ВК-3 блочной компрессорной. Воздух компрессором ВК-3 подается на блок подготовки воздуха, пройдя который освобождается от воды и унесенного масла. Затем воздух поступает в нагревательный блок осушки, где за счет поглощения влаги селикагелем осуществляется осушка до точки росы не выше (-40 С) поступает в ресивер воздуха КИП В-2 и далее через клапаны-регуляторы давления к приборам и исполнительным механизмам. Давление воздуха в сети подачи к приборам КИПиА поддерживается 1,41,6 кг/см2.
Компрессор ВК-3 работает в автоматическом режиме по давлению на нагнетании 4,06,0 кг/см2.
При необходимости для обеспечения воздухом КИП может использоваться технический воздух после ресивера В-1, подаваемый в трубопровод воздух КИП от ВК-3 к блоку подготовки воздуха. Давление воздуха КИП после блока осушки регистрируется прибором.
2.2.3.Пуск установки
Пуск установки осуществляется в изложенной ниже последовательности и включает операции:
Прием топливного газа на установку и включение в работу печей дожига П-2/1, П-2/2.
Заполнение нефтью атмосферного блока и наладка холодной циркуляции нефти.
Заполнение мазутом вакуумного блока и наладки холодной циркуляции.
Горячая циркуляция нефти и мазута, вывод атмосферного и вакуумного блоков на режим.
Заполнение окислительной колонны К-1 гудроном и вывод на режим.
Прием топливного газа и включение в работу печей дожига хвостовых газов П-2/1, П-2/2.
Прием топливного газа на установку производится после контрольной о прессовки газопровода воздухом и в последовательном порядке - от ГПЗ до входа на установку, далее до ГРП и затем до печей дожига П-2/1, П-2/2 и печей П-1, П-3. При этом производится тщательный осмотр трассы газопровода, обмыливание соединений сальников арматуры с целью проверки плотности. Трубопроводы подачи газа к форсункам печей дожига должны быть заглушены.
После приема газа до ГРП включить в работу регулятор давления газа и убедится в работоспособности оборудования ГРП. Продуть газопровод газом на "свечу" ГРП до содержания кислорода в продувочном газе не более 1% (об.).
Принять газ к печам П-1, П-2,3 до запорной арматуры и продуть газопроводы газом до содержания кислорода в продувочном газе не более 1% (об.).
Включить воздуходувки и продуть топки печей дожига П-2/1, П-2/2 воздухом в течение 10-15 минут, после чего уменьшить подачу воздуха в топки до минимальной.
Поочередно поднести зажженный факел к горелкам печей и приоткрыть вентиль подачи газа к горелкам печей П-2/1, П-2/2. После загорания газа отрегулировать стабильное горение и со скоростью 35-40 С в час поднять температуру в топке до 400-500 С. Задвижки подачи воздуха в камеру смешения и дымовую трубу приоткрыть минимально. В случае не возгорания газа или потухания горелки, подачу газа на горелку прекратить, продуть топку воздухом 10-15 минут и возобновить розжиг как указано выше.
Заполнение нефтью атмосферного блока и наладка холодной циркуляции нефти. Заполнение нефтью системы атмосферного блока производится после достижения температуры в топках печей дожига 400 С в следующем порядке:
Собрать схему заполнения системы нефтью, все остальные задвижки по блоку должны быть закрыты:

Собрать схему вывода газов из верха колонны К-3 в печи дожига П-2.

Открыть задвижки на входе в Е-1. С появлением уровня нефти в емкости пустить в работу на минимальной производительности насос Н-1/1 (Н-1/2) на заполнение системы атмосферного блока.
После набора уровня в Е-1 до 50-60% перевести регулирование уровня нефти на автоматическое. Заполнение системы вести первоначально по байпасам клапанов регуляторов, а затем перевести на дистанционное управление.
При заполнении постоянно контролировать проходимость нефти и состояние оборудования (герметичность).
С появлением уровня в колонне К-3 собрать схему "широкой" или "узкой" циркуляции нефти (конкретизируется распоряжением руководителя пуска):
с
хема
широкой циркуляции
с
хема
"узкой циркуляции"
После достижения уровня нефти в колонне К-3 60-70% перейти на одну из схем циркуляции. Во время циркуляции отрегулировать потоки нефти через змеевики печей 4-5 м3 в час, включить регулятор расходов, уровней, контрольно-измерительные приборы давления, температуры, отладить их работу.
При использовании "широкой" схемы циркуляции и наличии давления в электродегидраторе 3-4 кг/см2 подать напряжение на электроды дегидратора, отрегулировать расход воды на промывку нефти 0,2-0,4 м/час. Включить клапан-регулятор раздела фаз в электродегидраторе.
Через 1-1,5 часа циркуляции нефти по "узкой" схеме, циркуляцию остановить и после отстоя в течении 40-60 мин. слить воду с низа колонны К-3 по линии дренажа в емкость Е-13, после чего дренаж колонны отглушить и возобновить циркуляцию.
Дать незначительное количество пара в огнеоградители печей дожига П-2/1,2.
Заполнение мазутом вакуумного блока и наладка холодной циркуляции. Заполнение системы мазутом осуществляется в следующей последовательности:
Включить обогревы емкости Е-14 и разогреть мазут. Включить обогревы трубопроводов гудрона и мазута.
Дать воду через конденсатор КВ-1, убедиться в ее проходимости. Заполнить барометрическую емкость БЕ-1 для создания гидрозатвора и установить расход воды 1 м3/час.
Дать воду в промежуточные холодильники пароэжекторных насосов ПВН-1 (ПВН-2), убедиться в ее проходимости. Принять пар в пароэжекторный насос ПВН-1 (ПВН-2) и отрегулировать его работу в "холостом" режиме на максимальный вакуум. Задвижка отсоса газов из вакуумной колонны должна быть закрыта. Выброс паров после ПВН направить в атмосферу.
Собрать схему заполнения колонны К-5:

Пустить один из насосов Н-15/1(2,3) по блоку и заполнить колонну мазутом до уровня 80-90%, после чего насос остановить, перекрыть задвижки.
С
обрать
схему и наладить циркуляцию мазута:
Отладить устойчивую циркуляцию, включить контрольно-измерительные приборы давления и температуры.
Постепенно открывая задвижку отсоса парогазовоздушной смеси (газовую задвижку), подключить пароэжекторный насос к системе.
Горячая циркуляция нефти и мазута, вывод атмосферного и вакуумного блоков на режим. Разогрев системы осуществляется только после наладки устойчивой холодной циркуляции нефти и мазута, проверки контрольно-измерительных приборов и устранения утечек и пропусков нефтепродуктов.
Розжиг форсунок печей П-1, П-3 выполняется только с письменного разрешения руководителя пуска.
Для перехода на горячую циркуляцию необходимо:
Дать пар в пароперегреватель печи П-3 со сбросом в дренаж у колонны К-3.
Снять заглушки на линиях подачи газа к форсункам печей П-1, П-3. Продуть газопроводы топливного газа, на свечу до содержания кислорода в продувочном газе не более 1% (об.).
Проверить открытие шиберов на дымовых трубах печей П-1, П-3. Продуть камеры сгорания печей паром в течение 15 минут, после появления пара из дымовых труб.
Внести зажженный факел к устью форсунки, приоткрыть задвижку подачи газов на горелку. После зажигания газа удалить факел из топки и отрегулировать горение подачей газа и воздуха таким образом, чтобы длина факела была минимальной, пламя соломенно-желтого цвета.
Со скоростью 20-30 С в час поднять температуру низов колонны К-3, К-5 до 105-110 С, после чего скорость подъема температуры снизить до 5-10 С в час. Включить в работу регулирующий клапан.
Для повышения устойчивости работы насосов Н-2 обратным ходом из линии топливного газа набрать давление к колонне К-3 0,3-0,6 кг/см2.По схеме:

При этом на время поддавливания К-3 задвижку вывода газа из Е-2 в коллектор к печам дожига закрыть.
В
случае "сбрасывания" насосов Н-2,
Н-5 подъем температуры прекратить
и сделать выдержку для удаления влаги
в течение 40-60 минут, после чего возобновить
подъем температуры со скоростью 5-10 С
в час. При отсутствии движения через
змеевик печи П-1 мазута, из-за сброса
Н-5 или при "узкой" циркуляции
нефти через печи П-1, П-3, из-за
"сброса" насоса Н-2 более 5
минут, горение форсунки соответствующей
печи (или обоих) уменьшить до минимального
и до устойчивой работы "сбросившего"
насоса периодически (через 8-10 мин.)
прокачивать змеевик по схеме:

После достижения температуры низа колонны К-3, К-5 170-180 С подъем температуры нефти и мазута на выходе из печи вести со скоростью 25-30 С/час.
Регулирование подачи газа к форсункам печей с начала розжига производится вручную открытием задвижек перед горелкой. При температуре перевалов до 300 С регулирование температуры нефти и мазута на выходе из печей П-1, П-3 перевести на дистанционное управление. При этом обязательно должны быть приоткрыты байпасные задвижки клапанов-регуляторов температуры на линии подачи газа.
По мере снижения уровня мазута в колонне К-5 и нефти при "узкой" циркуляции в колонне К-3 в процессе разогрева периодически производить их подпитку до нормальных уровней Н-5, Н-2.
П
ри
достижении температуры на 12-ой тарелке
колонны К-3 130-140 С
собрать схему и на минимальном расходе
прокачать систему циркуляционного
орошения:
При температуре циркуляционного орошения с 2-ой тарелки выше 150 С пустить вентилятор ВКХ-3.
П
ри
температуре на 12-ой тарелке колонны
К-3 150-160 С вывести
дизельное топливо с незначительным
расходом из колонны по схеме:
При температуре дизельного топлива на 12-й тарелке 175-180 С перевести регулирование расхода его на дистанционное управление с помощью клапана-регулятора.
При достижении температуры верха колонны К-3 60 С пустить в работу вентиляторы ВХК-1,2 и включить клапан-регулятор давления в Е-2 на дистанционное управление.
С
появлением уровня бензина в емкости
Е-2 слить воду из емкости, собрать
схему подачи острого орошения в колонну
и на минимальной производительности
прокачать линию орошения:
При температуре верха колонны 95-100 С подачу орошения вести непрерывно через клапан-регулятор температуры верха К-3 на дистанционном управлении. Избыток бензина после набора уровня в Е-2 55-65% направить в емкость Е-11/1,2. При этом собрать схему откачки бензина:
При узкой циркуляции откачка бензина, дизтоплива осуществляется периодически.
При температуре низа К-3 310-320 С дать на "проход" перегретый пар вниз колонны.
С разогревом верха колонны К-5 до 90-100 С перевести парогазовую смесь после пароэжекторных насосов со сброса на "свечу" на дожиг в печи П-2/1,2.
При достижении температуры верха К-5 160-180 С подать малым расходом циркуляционное орошение по схеме:
П
ри
устойчивой работе насос Н-6/1,2
циркуляцию продолжить. В случае резкого
подъема температуры верха К-5 выше
200 С и неустойчивой
работы насоса Н-6/1,2 временно дать
на орошение дизельное топливо по схеме
( по перемычке через задвижку).
После снижения температуры верха до 160-190 С перевести подачу орошения колонны от Н-6/1,2.
П
осле
разогрева низа колонны К-3 не ниже
270 С и низа К-5
30 С разомкнуть
циркуляцию по блокам, мазут после насоса
Н-2 направить в К-5.
О
ткачку
гудрона перевести по схеме:
С

о
скоростью 30-40 С в
час поднять температуры на выходах
нефти из печи П-1, П-3 до 360-365оС и
мазута на выходе из П-1 до 405-410 С.
Во время подъема температуры увеличить
одновременно отбор дизельного топлива
из колонны К-3, избыток вакуумного
газойля откачать по схеме в Е-12 или
в нефтепровод:
Увеличить подачу перегретого пара в К-3 до нормы.
При температуре низа колонны К-5 390-395 С часть гудрона после теплообменника Т-1/1 направить в нижнюю часть колонны через клапан-регулятор для снятия и поддержания температуры низа колонны.
П
ри
достижении температуры низа К-3
330-340 С вывести
незначительное количество атмосферного
газойля из колонны К-3 по схеме:

Уровень газойля в К-4 поддерживается клапаном-регулятором уровня.
Стабилизировать температуру верха колонны К-3 100-105 С температуру на 12-ой тарелке К-3 175-180 С температуру верха колонны К-5 190 С, перевести регулирование температуры, уровней и расходов на автоматическое.
Отобрать бензин, дизельное топливо и гудрон на анализ и по результатам анализов внести коррективы в технологический режим в пределах технологической карты. Поднять производительность установки по нефти до нормальной. Включить блокировки по печам П-1, П-3.
По мере накопления продуктов в емкостях Е-10,11,12 вовремя пуска периодически откачивать их насосом в нефтепровод Гудрон при удовлетворительном анализе по КИШ (не менее 18) вывести на блок получения битума.
З
аполнение
окислительной колонны К-1
гудроном и вывод ее на режим. Пуск
реакторов бескомпрессорного окисления.
Собрать схему вывода газов окисления из колонны К-1.

Включить обогревы трубопроводов на емкость битума. Направить гудрон в колонну с температурой 190-200 С по "жесткой" схеме:
П
ри
выводе гудрона в промежуточную емкость
наладить его закачку из емкости.
Для поднятия температуры гудрона до температуры 190-200 С теплообменники Т-1/1,2 байпассируются частично или полностью (байпасные задвижки).
Заполнение колонны контролируются по показаниям термопар. При достижении уровня жидкости под маточником 4 м, что соответствует показаниям температуры прибора дать воздух в колонну с расходом 100-150 м3/час. Включить газоанализатор для определения содержания свободного кислорода в газах окисления.
Заполнение колонны до уровня 30-35% по показанию уровнемера. Гудрон выводить в емкость Е-14.
П
ри
достижении температуры жидкой фазы до
220-230 С понизить
температуру поступающего в колонну
гудрона закрытием задвижек на байпасах
теплообменников Т-1/1,2. Пустить насос
Н-16/1(Н-16/2) на циркуляцию битума.
При температуре 240-245 С внизу колонны К-1 отобрать битум на анализ. При удовлетворительном анализе вывести битум в одну из емкостей Е-15:
При неудовлетворительном анализе продолжить окисление до температуры не выше 260 С с отбором промежуточных анализов битума при повышении температуры низа колонны на каждые 4-5 С.
Возобновить подачу гудрона в колонну. Расход воздуха на окисление регулировать в зависимости от температуры низа колонны, соответствующей получению качественного битума и допустимого содержания кислорода в газах окисления.
Перевести регулирование уровня на автоматическое регулирование: подачу воздуха на дистанционное управление, включить блокировку.
При достижении уровня "черного" соляра в сепараторе ГС-1 50% по прибору включить клапан-регулятор уровня на выводе соляра в Е-13.
Пуск реакторов бескомпрессорного окисления заключается в их заполнении гудроном из Е-14, колонны К-5 или дорожным битумом из колонны К-1 до уровня 60-65% и окислении кислородом воздуха при перемешивании (диспергировании). Заполнение Р-1,2 производится по одной из схем:



Включение диспергаторов осуществляется при уровне в реакторе не ниже 45%. Скорость окисления регулируется переключением скорости вращения диспергаторов 500-1000 оборотов в минуту. При достижении температуры в реакторе 240-250 С отобрать битум на анализ. При удовлетворительном анализе битум из реактора откачать одним из насосов в емкости Е-15 или КР-1 (КР-2).
При неготовности битума продолжить окисление включением диспергаторов. Повышение температуры в реакторе 250 С ЗАПРЕЩАЕТСЯ.
Газы окисления из реакторов выводятся через газосепараторы КС-1, КС-2 в печи дожига, П-2/1, П-2/2.
Уловленный "черный" соляр и вода из КС-1, КС-2 периодически по уровню сбрасываются в Е-13.
2.2.4.Возможные неполадки, устранение и их причины
Во время работы установки, как и в любом технологическом процессе могут возникнуть неполадки. Самые важные и часто встречающиеся неполадки в технологическом процессе, причины и способы их устранения на установках подобного типа представлены в табл. 17.
Возможные неполадки, причины и способы их устранения. Таблица 17
|
№ п/п |
Возможные неполадки |
Вероятная причина неполадки |
Способы устранения неполадок |
|
1. |
Прекращение поступления нефти на установку (низкий уровень нефти в Е-1 |
Изменение режима работы нефтепровода 0720 (низкое давление нефти в точке подключения к нефтепроводу). |
Совместно с НГДУ "ЛН"восстановить режим работы нефтепровода, включение резервного насоса. |
|
Снижение проходного сечения под водящего нефтепровода в результате образования парафиновых отложений на стенке трубы. |
Временно прекратить прием нефти, промыть нефтепровод бензиновой фракцией. Промыть нефтепровод 0150 горячей нефтью. |
||
|
Не герметичность подводящего нефтепровода. |
Временно прекратить прием нефти на установку, отключить дефектный участок нефтепровода и отремонтировать. |
||
|
Неисправность регулирующего клапана на линии подачи нефти в емкость Е-1. |
Прием нефти производить по байпасной линии через задвижку, отремонтировать клапан. |
||
|
2. |
Прекращение подачи газа в печи установки и в котельную. |
Наличие в подводящем газопроводе жидкостей или гидрантной пробки. |
Освободить подводящий газопровод от жидкостной или гидрантной пробки. |
|
Не герметичность подводящего газопровода. |
Прекратить прием газа на установку отключить дефектный участок газопровода и отремонтировать. |
||
|
Нарушение режима газопередачи с Сургутского ГПЗ |
Своевременно восстановить режим газопередачи с СГПЗ. |
||
|
3. |
Уровень нефти в емкости Е-1 выше нормы. |
Неисправность регулирующего клапана на линии подачи нефти в Е-1. |
Прием нефти, временно. производить по байпасной линии через задвижку, отключить и отрегулировать клапан. |
|
Неисправность контура регулирования уровня нефти в Е-1. |
Уровень нефти в Е-1 контролировать по показанию дублирующего прибора, устранить неисправность контура регулирования давления в Е-1. |
||
|
4. |
Исчезновение напряжения на электродах электродегидратора Э-1. |
Высокий уровень раздела фаз в электродегидраторе Э-1(нижняя фаза воды достает нижние электроды электродегидратора Э-1). |
Дренировать нижний, водный слой из Э-1. Отрегулировать уровень раздела фаз в Э-1. Проверить и наладить конур уровня раздела фаз в Э-1. |
|
Открыта входная дверь трансформаторной будки электродегидратора Э-1. |
Закрыть входную дверь трансформаторной будки Э-1 на замок. |
||
|
Короткое замыкание в электрической цепи питания электродов Э-1. |
Обесточить трансформатор электродегидратора Э-1, устранить неисправность в цепи питания. |
||
|
Образование газовой подушки в верхней части Э-1 из-за снижения давления нефти или неисправности уровнемера, в камере уровнемера, в камере Фишера. |
Поднять давление нефти в Э-1 до нормы, проверить и устранить неисправность. |
||
|
5. |
Содержание воды в нефти после Э-1 выше нормы. |
Низкая температура нефти в Э-1. |
Отрегулировать расход нефти через теплообменники Т-1/3, Т-1/4. |
|
Стойка эмульсия «вода-нефть» в электродегидраторе Э-1. |
Увеличит подачу деэмульгатора в поток нефти (на прием насоса Н-1). |
||
|
Увеличена подача промывочной воды в поток нефти (на прием насоса Н-1). |
Уменьшит подачу промывочной воды на прием насоса Н-1 до пределов 6-8% (масс.) нефти. |
||
|
6. |
Содержание хлоридов в нефти после Э-1 выше нормы. |
Содержание хлоридов в сырой нефти выше нормы. |
Увеличить подачу промывочной воды на прием насоса Н-1 до пределов 10-12(масс) нефти. Увеличить подачу деэмульгатора на прием насоса Н-1. |
|
Прекращение подачи промывочной воды на прием насоса Н-1. |
Выяснить причину, устранить и восстановить расход воды на промывку. |
||
|
7. |
Давления в атмосферной колонне К-3 выше нормы. |
Отключены вентиляторы конденсаторов воздушного охлаждения ВХК-1,2. |
Устранить причину и включить в работу вентиляторы ВХК-1,2. |
|
Переполнение бензином емкости Е-2. |
Увеличить откачку бензина, установить нормальный уровень бензина в Е-2. |
||
|
Неисправность контура регулирования давления газа на выходе из Е-2. |
Отвод газов производить по байпасной линии через задвижку, устранить неисправность контура регулирования. |
||
|
Попадание воды на орошение колонны К-3. |
Отрегулировать уровень раздела фаз в Е-2 до нормы. |
||
|
Увеличение расхода бензина на орошение. |
Устранить неисправность контура регулирования расхода бензина на орошение. |
||
|
Повышение температуры нефти после печей П-1, П-3. |
Увеличить расход нефти через змеевики печей П-1, П-3. Снизить температуру печей П-1, П-3 до нормы, устранить неисправность регуляторов температуры. |
||
|
Увеличение расхода перегретого пара в колонну К-3 |
Дренировать конденсат из паропровода. Установить расход пара в пределах нормы. |
||
|
8. |
Температура верха колонны К-3 выше нормы. |
Снижение или прекращение подачи орошения в колонну К-3. |
Включить резервный насос Н-4/1,2, устранить дефекты неисправного насоса |
|
Неисправность контура, регулирования температуры верха колонны К-3. |
Устранить неисправность контура регулирования температуры верха колонны К-3. |
||
|
Низкий уровень бензина в Е-2. |
Отрегулировать уровень бензина в Е-2 в пределах норм. Временно дать на орошение бензина из емкости Е-11 насосом Н-21/1,3. |
||
|
Повышение температуры нефти после печей П-1, П-3. |
См. пункт 7.6.1. - 7.6.2. |
||
|
9. |
Температура на 12-ой тарелке колонны К-3 выше нормы. |
Снижение или прекращение подачи циркуляционного орошения. |
Выяснить причину, возобновить орошение и восстановить температуру по колонне. |
|
10. |
Дизельное топливо с установки имеет темный цвет. |
Высокий уровень нефти внизу колонны К-3. |
Устранить неисправность уровнемера. |
|
Не герметичность трубного пространства теплообменника Т-1/3. |
Остановить установку аварийно, устранить неисправность |
||
|
Не герметичность трубного пространства теплообменника Т-1/5 или Т-1/6. |
Выявить неисправный теплообменник, отключить из технологической схемы, в случае необходимости снизить производительность установки. |
||
|
11. |
Вакуум в колонне К-5 ниже нормы. |
Снижение или прекращение подачи воды в конденсаторы КВ-1 и ПВН. |
Включить в работу резервный насос Н-28/1,2, отремонтировать неисправный насос. |
|
Повышение температуры охлаждающей воды выше 25С |
Увеличить подпитку системы оборотного водоснабжения, временно дать воду на конденсаторы из сети противопожарной воды. |
||
|
Понижение давления пара к эжекторным установкам. |
Устранить неисправность и наладить работу котельной, временно уменьшить расход пара на отопление. Из паропровода дренировать конденсат. |
||
|
Содержание нефти в составе жидкости подающей на орошение колонны. |
Устранить не герметичность в межтрубном пространстве теплообменников Т-1/8, Т-1/9. |
||
|
Пароэжекторный насос ПВН-2 не обеспечивает необходимого вакуума |
Включить в работу резервный пароэжекторный насос ПВН-1,2. Прочистить сопло эжекторной установки. Устранить не герметичность в соединениях пароэжекторной установки. |
||
|
Уровень воды в емкости БЕ-1 ниже нормы. |
Довести уровень воды в емкости БЕ-1 до нормы. Отрегулировать работу контура регулирование уровня воды в БЕ-1. |
||
|
Не герметичность в системе сосудов и трубопроводов работающих под вакуумом. |
Остановить систему работающую под вакуумом опрессовать и устранить не герметичность. |
||
|
12. |
Температура верха колонны К-5 выше нормы. |
Расход циркуляционного орошения К-5 ниже нормы. |
Расход циркуляционного орошения поднять до нормы. |
|
Температура циркуляционного орошения К-5 ниже нормы. |
Снизить температуру циркуляционного орошения до нормы. |
||
|
Высокая температура низа колонны К-5. |
Снизить температуру мазута после печи П-1 до нормы |
||
|
Вакуум в колонне К-5 ниже нормы. |
Смотрите пункты 11.1.1, 11.2.1., 11.2.1., 11.4.1., 11.5.1., 11.5.2., 11.5.3., 11.6.1., 11.6.2. |
||
|
13. |
Качество битума не соответствует требованиям ГОСТ. |
Качество гудрона не соответствует требованиям норм. |
Восстановить параметры работы К-5 до режимной. |
|
Не герметичность трубного пространства теплообменников Т-1/1, Т-1/2, Т-1/7 (в результате попадание нефти в гудрон). |
Устранить дефект в трубном пространстве теплообменников Т-1/1, Т-1/2, Т-1/7. |
||
|
14. |
Температура окисления в колонне К-1 выше нормы. |
Расход воздуха на окисление выше нормы. |
Отрегулировать подачу воздуха в колонну К-1 в пределах нормы. |
|
15. |
Температура перегретого пара выше нормы. |
Малый расход пара через паронагреватель П-3. |
Увеличить расход пара через П-3 до нормы. |
2.2.5.Аварийная остановка установки
Остановка установки при возникновении аварийной ситуации производится в следующем порядке:
Остановить насосы нажатием кнопки "СТОП":
Н-1/1,2 после чего закрыть выкидные задвижки;
Н-2/1,2 - закрыть выкидные задвижки;
Н-3/1,2 - закрыть выкидные задвижки;
Н-4/1,2 - закрыть выкидные задвижки;
Н-5/1,2 - закрыть выкидные задвижки;
Н-6/1,2 - закрыть выкидные задвижки;
Н-8/1,2 - закрыть выкидные задвижки;
Н-11/1,2 - закрыть выкидные задвижки;
Н-16/1,2 - закрыть выкидные задвижки.
Остановить насос Н-27 и закрыть вентиль N27.
Закрыть подачу воды задвижками на всос насоса Н-1/1,2.
Снять напряжение с электродегидратора Э-1 нажатием кнопки "Выключено" на щите N4 в операторной.
Потушить технологические печи П-1, П-3 - закрыть задвижки на клапанных сборках регуляторов температуры нагрева нефти и мазута в печах П-1, П-3.
Продуть паром змеевики печей П-1, П-3 нефтяной в атмосферную колонну К-3, мазутный в вакуумную колонну К-5 в течение 20-30 минут, при этом не допускать повышения давления в атмосферной колонне К-3 выше 1,75 кгс/см2.
Закрыть задвижки с КВ-1 на вакуумные насосы ПВН-1,2.
Закрыв пар в К-3 вывести пар с пароперегревателя в дренаж у К-4.
Пар в вакуумную колонну К-5 закрыть только после снижения вакуума в колонне.
Прекратить подачу воздуха в окислительную колонну, для этого закрыть клапан регулятор на линии подачи воздуха с операторной.
Прекратить подачу пара в свободное пространство окислительной колонны К-1, закрыть электрозадвижку.
Остановить компрессор ВК-1, ВК-2 нажатием кнопки "СТОП", после чего закрываются выходные задвижки.
Закрыть задвижки прекратить прием нефти в Е-1.
Если работа печей дожига П-2/1,2 не усложняет обстановку, печи не тушатся, а работают на дожиг газов с Е-2 вакуумных насосов ПВН-1,2, газосепаратора ГС-1.
При отключении электроэнергии, при отсутствии топливного газа, печи дожига П-2/1,2 тушатся закрытием задвижки с Е-2, ГС-1, ПВН-1,2 выводятся в атмосферу, для этого открываются задвижки.
Правила аварийной остановки применять в зависимости от конкретной аварии, предусмотренной "Планом ликвидации возможных аварий.
2.2.6.Контроль технологического процесса, система сигнализации и блокировки
В связи с непрерывностью технологического процесса на установке первичной переработки нефти и получения битума предусмотрена система контроля и сигнализации. Система сигнализации и контроля обеспечивает безопасность работы установки, следя за технологическими параметрами процесса и предупреждая об отклонении этих параметров. В табл. 18 приведены технологические параметры, аппараты и узлы, за которыми ведется непрерывный контроль, а система контроля производит срабатывание сигнализации или блокировку процесса при возникновении условий, которые также перечислены в этой таблице.
Перечень блокировок и сигнализации. Таблица 18
|
№ п/п |
Наименование параметра |
№ позиции прибора, место установки |
Единицы измерения |
Предаварийная сигнализация |
Аварийная сигнализация |
Воздействие на технологические системы |
||
|
min. |
max. |
min. |
max. |
|||||
|
1 |
2 |
3 |
4 |
5 |
6 |
7 |
8 |
9 |
|
1. |
Давление топливного газа |
ГПП |
кг/см2 |
1,0 |
-“- |
0,7 |
3,0 |
Закрытие предохранительного клапана (ПЗК), световой и звуковой сигнал. |
|
2. |
Содержание свободного кислорода в газах окисления колонны К-1. |
Трубопровод после ТС-1 |
% |
-“- |
3,8 |
-“- |
4 |
Закрытие клапана отсекателя на подаче воздуха в колонну световой и звуковой сигнализации. |
|
3. |
Температура низа колонны К-1. |
Низ колонны К-1 |
°С |
-“- |
270 |
-“- |
275 |
Закрытие клапана отсекателя на подаче воздуха в колонну К-1,световой и звуковой сигнал. |
|
4. |
Уровень битума в колонне К-1. |
% по шкале прибора |
20 |
80 |
10 |
-“- |
Закрытие клапана отсекателя на подаче воздуха в колонну К-1, световой и звуковой сигнал. |
|
|
5. |
Расход нефти через змеевик печи П-3. |
Трубопровод нефти после Э-1 |
м3/ч |
2 |
-“- |
0,5 |
-“- |
Закрытие клапана отсекателя подачи топливного газа в печь П-3. |
|
6. |
Расход мазута через змеевик печи П-1. |
Трубопровод мазута после насоса Н-2 |
м3/ч |
1 |
8 |
0,5 |
-“- |
Закрытие электрозадвижки на подаче топливного газа в печь П-1, световой звуковой сигнал. |
|
7. |
Давление уплотнительной жидкости к торцам насосов. |
Трубопровод уплотнительной жидкости после насосов Н-7 |
кг/см2 |
2,6 |
-“- |
2,5 |
-“- |
Включение резервного насоса Н-7, световой и звуковой сигнализации. |
|
8. |
Уровень нефти в электрогидраторе. |
В верхней части Э-1 камера Фишера. |
м |
Отключение напряжения на электроды Э-1, световой и звуковой сигнал. |
||||
|
9. |
Давление деэмульгатора. |
Трубопровод после насоса Н-27 |
кг/см2 |
-“- |
0,5 |
-“- |
10 |
Остановка насоса подачи деэмульгатора Н-27. |
|
10. |
Давление технического воздуха. |
Трубопровод воздуха после ВК-1,2 |
кг/см2 |
2 |
-“- |
-“- |
-“- |
Световой и звуковой сигнал. |
|
11. |
Уровень в емкости условно-чистых стоков Б-8. |
Емкость Б-8. |
% по шкале прибора |
-“- |
45 |
40 |
60 |
Включение резервного насоса откачки, световой и звуковой сигнал. |
|
12. |
Давление воздуха КИП. |
Трубопровод воздуха после ВК-3,4 |
кг/см2 |
3,6 |
-“- |
3,5 |
-“- |
Включение резервного компрессора, световой и звуковой сигнал. |
|
13. |
Давление воздуха в системе подпора в операторную ЩСУ и компрессорную. |
Воздуховод после вентиляторов П-1,2,3,4 |
мм. вод. ст. |
25 |
-“- |
20 |
-“- |
Включение резервного вентилятора, световой и звуковой сигнал. |
|
14. |
Уровень промостков. |
Емкость Б-9 |
% по шкале прибора |
-“- |
0,7 |
0,2 |
0,8 |
Включение и отключение насоса Н-14, световой и звуковой сигнал. |
|
15. |
Уровень хозбытовых стоков. |
Емкость Б-5 |
м |
4,0 |
5,0 |
3,0 |
5,2 |
Включение и отключение резервного насоса, световой и звуковой сигнал. |
|
16. |
Давление воздуха к приборам КИП. |
Трубопровод воздуха к приборам КИП |
кг/см2 |
1,2 |
-“- |
-“- |
-“- |
Световой и звуковой сигнал. |
|
17. |
Давление водяного пара в коллекторе. |
Трубопровод пара |
кг/см2 |
5,5 |
-“- |
-“- |
-“- |
Световой и звуковой сигнал. |
|
18. |
Давление мазута в трубопроводе подачи в печь П-1. |
Трубопровод мазута после насоса Н-2 |
кг/см2 |
1,5 |
-“- |
-“- |
-“- |
Световой и звуковой сигнал. |
|
19. |
Давление нефти. |
Трубопровод нефти после насоса Н-1 |
кг/см2 |
2,0 |
-“- |
-“- |
-“- |
Световой и звуковой сигнал. |
|
20. |
Уровень нефти в емкости Е-1. |
Емкость Е-1 |
% по шкале прибора |
20 |
75 |
-“- |
-“- |
Световой и звуковой сигнал. |
|
21. |
Уровень бензина в емкости Е-2. |
Емкость Е-2 |
% по шкале прибора |
40 |
80 |
-“- |
-“- |
Световой и звуковой сигнал. |
|
22. |
Уровень уплотнительной жидкости в емкости Е-4. |
Емкость Е-4 |
% по шкале прибора |
40 |
80 |
-“- |
-“- |
Световой и звуковой сигнал. |
|
23. |
Уровень атмосферного газойля в емкости Е-10/1,2,3. |
Емкость Е-10/1,2,3 |
% по шкале прибора |
-“- |
80 |
-“- |
-“- |
Световой и звуковой сигнал. |
|
24. |
Уровень бензина в емкости Е-11/1,2,3. |
Емкость Е-11/1,2,3 |
% по шкале прибора |
-“- |
80 |
-“- |
-“- |
Световой и звуковой сигнал. |
|
25. |
Уровень вакуумного газойля в емкости Е-12/1,2. |
Емкость Е-12/1,2 |
% по шкале прибора |
-“- |
80 |
-“- |
-“- |
Световой и звуковой сигнал. |
|
26. |
Уровень мазута в колонне К-3. |
Колонна К-3 |
% по шкале прибора |
20 |
80 |
-“- |
-“- |
Световой и звуковой сигнал. |
|
27. |
Уровень атмосферного газойля в колонне К-4. |
Колонна К-4 |
% по шкале прибора |
20 |
80 |
-“- |
-“- |
Световой и звуковой сигнал. |
|
28. |
Уровень гудрона в колонне К-5. |
Колонна К-5 |
% по шкале прибора |
20 |
80 |
-“- |
-“- |
Световой и звуковой сигнал. |
|
29. |
Уровень гудрона в емкости Е-14. |
Емкость Е-14 |
% по шкале прибора |
-“- |
80 |
-“- |
-“- |
Световой и звуковой сигнал. |
|
30. |
Уровень битума в емкости Е-15/1,2,3. |
Емкость Е-15/1,2,3 |
м |
-“- |
2,7 |
-“- |
-“- |
Световой и звуковой сигнал. |
|
31. |
Температура нефти на выходе из печи П-3. |
Печь П-3 |
С |
370 |
380 |
-“- |
-“- |
Световой и звуковой сигнал. |
|
32. |
Уровень нефтепродуктов в емкости Е-13. |
Емкость Е-13 |
% по шкале прибора |
-“- |
80 |
-“- |
-“- |
Световой и звуковой сигнал. |
|
33. |
Уровень «черного соляра» в газосепараторе ГС-1. |
Газосепаратор ГС-1 |
% по шкале прибора |
-“- |
60 |
-“- |
-“- |
Световой и звуковой сигнал. |
|
34. |
Давление в колонне К-1. |
Колонна К-1 |
кг/см2 |
0,3 |
0,4 |
-“- |
-“- |
Световой и звуковой сигнал. |
|
35. |
Температура нефти на выходе из печи П-1. |
Печь П-1 |
С |
375 |
380 |
-“- |
-“- |
Световой и звуковой сигнал. |
|
36. |
Температура мазута на выходе из печи П-1. |
Печь П-1 |
С |
420 |
425 |
-“- |
-“- |
Световой и звуковой сигнал. |
|
37. |
Уровень пожарной воды в резервуарах Р-1,2. |
Резервуары Р-1,2 |
м |
5 |
7 |
-“- |
-“- |
Световой и звуковой сигнал. |
|
38. |
Положение двери на входе в трансформаторную будку электродегидратора Э-1. |
Площадка трансформатора |
состояние зак./отк. |
Закрытая дверь |
-“- |
-“- |
Открытие двери |
Снятие напряжения в трансформаторе, звуковой и световой сигнал. |
|
39. |
Загазованность в помещении |
Помещения |
% НПВ |
-“- |
20 |
-“- |
40 |
Световой и звуковой сигнал. |
2.3.Узкие места производства и рекомендации
У технологических печей П-1 и П-3 в 1999 году заканчивается срок эксплуатации, к тому же П-1 претерпела уже 2 капитальных ремонта, что требует ее замены. В печи П-1 нагревается только нефти в П-3 мазут и пар, для экономии средств необходимо спроектировать печь, которая обеспечит нагрев всех трех продуктов.
Во избежании прогаров змеевиков и увеличения продолжительности их работы изготовить их из легированных сталей. Для более мягкого нагрева продуктов во избежание закокосовывания участков змеевика нагрев производить сначала в радиантной камере, а затем в конвекционной.
На установке получают бензиновую фракцию, которая частично используется при промывке нефтяных скважин. Рекомендую спроектировать установку риформинга бензиновой фракции для получения высокооктановых видов топлива, как целевого продукта.
2.4.Выводы
Для обеспечения стабильной работы установки ОАО «Сургутнефтега», необходимо:
Реконструировать технологические печи П-1 и П-3, в связи с невозможностью обеспечивать технологической процесс необходимым количеством тепла.
Необходимо спроектировать трубчатую печь с наибольшим КПД и относительно не дорогую, для нагрева нефти и мазута, а также перегрева водяного пара необходимого для технологических нужд.
Спроектировать и установить систему автоматического регулирования в окислительной колонне, т. к. процесс окисления гудрона ведется в близи точки воспламенения его паров. Необходимо установить датчики содержания свободного кислорода в воздухе, датчики содержания легких углеводородов в парах окислительной колоны.
Установить высокоэффективный сепаратор малой производительности для тонкой очистки газа, чтобы сделать возможным использование газов с колонны К-3, сжигаемых в печи П-2, в технологических печах.
3.Материальный баланс
Основой материального баланса является закон сохранения материи, согласно которому количество материала, поступающего в процесс (приходные статьи материального баланса), равняется количеству продуктов, получаемых в результате процесса
Материальный баланс. Таблица 19
|
№ п/п |
Наименование продуктов |
% масс. |
кг/час |
т/сут |
т/год |
|
Блок АТ |
|||||
|
Взято сырья: |
|||||
|
1. |
Обессоленная нефть |
100 |
15000 |
360 |
118800 |
|
Получено: |
|||||
|
1. |
Бензин (фр. нк-200С) |
12 |
1800 |
43.2 |
14256 |
|
2. |
Дизельное топливо (зимнее) |
20 |
3000 |
72 |
23760 |
|
3. |
Мазут |
60 |
9000 |
216 |
71280 |
|
4. |
Атмосферный газойль |
7.4 |
1110 |
26.64 |
8791 |
|
5. |
Потери безвозвратные |
0.6 |
90 |
2.16 |
713 |
|
Блок ВТ |
|||||
|
Поступило: |
|||||
|
1. |
Мазут |
100 |
9000 |
216 |
71280 |
|
Получено: |
|||||
|
1. |
Вакуумный газойль |
44.33 |
3990 |
95.76 |
31601 |
|
2. |
Гудрон |
55.0 |
4250 |
118.8 |
39204 |
|
3. |
Потери безвозвратные |
0.67 |
60 |
1.44 |
475 |
|
Блок окисления гудрона |
|||||
|
Поступило: |
|||||
|
1. |
Гудрон |
100 |
4950 |
118.8 |
39204 |
|
Получено: |
|||||
|
1. |
Битум |
97.0 |
4800 |
115.2 |
38016 |
|
2. |
Потери безвозвратные |
3.0 |
150 |
3.6 |
1188 |
(расходные статьи материального баланса). Материальный баланс должен составляться как для всего технологического процесса, так и для отдельных его элементов. Материальный баланс составляют за единицу времени - час, сутки, год - или за цикл работы на единицу исходного сырья или готовой продукции, т. е. за тот отрезок времени, в течение которого перерабатывается определенное количество сырья или получается определенное количество продукта.
Материальный баланс обычно составляют в виде таблиц или схем с указанием соответствующих материальных потоков и представлен в таб. 10. Материальный баланс может быть рассчитан в весовых, мольных или объемных единицах. При составлении материального баланса в объемных или мольных единицах необходимо учитывать, что в результате тех или иных химических превращений объем или число молей, поступающих в аппарат, может отличаться от объема или числа молей продуктов, получаемых в результате процесса. Кроме того, такое несоответствие возможно при смешении компонентов, не подчиняющихся закону аддитивности.
Расчетный материальный баланс по производству продукции на ЦППНиПБ УВСИНГ составлен на часовую производительность и представлен в таб.19.
Энергетический баланс отражает основное содержание закона сохранения энергии, согласно которому количество энергии, введенной в процесс (приходные статьи баланса), равно количеству энергии, получаемой в результате процесса (расходные статьи баланса).
Так же как и материальный баланс, энергетический баланс можно составлять для всего производственного процесса или для отдельных его стадий. Энергетический баланс может быть составлен для единицы времени (час, сутки), для цикла работы, а также на единицу исходного сырья или готовой продукции. При составлении теплового баланса количество тепла, содержащегося в тех или иных материальных потоках, отсчитывают от какого-либо температурного уровня, чаще всего от 0°.
Ниже составлен тепловой баланс для проектируемой печи. Для составления теплового баланса принято, что тепло содержание всех продуктов 0.
|
№ п/п |
Статьи прихода, расхода |
% |
Количество, ккал/ч |
|
1. |
Приход |
||
|
тепло вырабатываемое при сжигании газа |
100 |
2582000 |
|
|
Итого прихода: |
100 |
2582000 |
|
|
2. |
Расход |
||
|
тепло переданное нефти |
1799000 |
||
|
тепло переданное мазуту |
193500 |
||
|
тепло переданное пару |
41650 |
||
|
тепло отходящих дымовых газов и потери |
547850 |
||
|
Итого расхода: |
100 |
2582000 |
При составлении энергетического и, в частности, теплового баланса особое внимание должно быть обращено:
на возможный переход одного вида энергии в другой;
на изменение агрегатного состояния тела, которое сопровождается выделением или поглощением тепла (скрытая теплота испарения или конденсации, плавления, затвердевания, адсорбции и т. д.);
на тепловой эффект химической реакции (эндотермической или экзотермической).
Иногда необходимо учитывать потери тепла в окружающую среду. Как тепловой, так и материальный баланс удобно представлять в виде таблиц или схем с указанием всех приходных и расходных статей.
4.Расчетная часть
4.1.Выбор типа технологической печи
В

Рис. 28. Печь с прохождением газового потока через экран.

Рис. 29. Двухкамерная печь.

Рис. 30. Четырехкамерная крекинг-печь.

Рис. 31. Печь с радирующим конусом.
сесторонняя оценка различных типов печей возможна при наличии эксплуатационных показателей и данных обследований. Наиболее распространенными типами современных радиантных печей являются: печи с прохождением газового потока через потолочный и подовый экраны (рис. 28,29,31 и 39), цилиндрические печи с радирующим конусом (рис. 30), печи с наклонным сводом (рис. 35), вертикальные печи с настенным боковым экраном (рис. 32) и вертикальные печи с экранами двустороннего облучения (фиг. 33).П

Рис. 32. Вертикальная печь с боковым экраном.

Рис. 33. Печь с экраном двустороннего облучения.
ечи с прохождением газового потока через подовый экран (рис. 28) и подобные им типы печей характерны большими размерами радиантных камер, предопределяемыми конструкцией этих печей и размещением форсунок. В сочетании с высокой степенью экранирования, характерной для этих печей в связи со стремлением

Рис. 35. Двухкамерная печь с наклонным сводом.

Рис. 34. Печь высокотемпературного крекинга лигроина.
выровнять тепловые напряжения, эти печи отличаются тяжеловесностью и требуют большого расхода металла на змеевик и каркас. В печах рассматриваемого типа можно ожидать неравномерных тепловых напряжений и местных перегревов. Неудобным является расположение камеры конвекции под подом печи.
Аналогичная характеристика может быть дана печам с прохождением газового потока через потолочный экран. Высокий расход металла на эти печи (17,6 т на 1 млн. ккал час-1) делает их недостаточно экономичными.
Цилиндрические печи работают с низкими тепловыми напряжениями поверхности нагрева в результате высокой степени экранирования, присущей этим печам в силу их конструктивных особенностей. Тепловые нагрузки у них равномерны в радиальном направлении и переменны по длине труб. Высокая степень экранирования этих печей резко снижает эффективность работы поверхности нагрева, что ведет к увеличению размеров последней и габаритов печи. Оформление цилиндрической печи больших размеров сложно и требует большого расхода металла на каркас (так, печь мощностью 17 млн. ккал час-1 имеет диаметр 9 м при длине труб 14 м). Цилиндрические печи примерно на 30—50% дороже печей другой конфигурации.
Печи с наклонным сводом, применяющиеся в настоящее время, часто сочетаются с проведением горения в выносных карборундовых муфелях. Назначение наклонного свода, как указывалось выше,—выровнять тепловую нагрузку потолочного экрана. Мало вероятно, однако, чтобы устройством наклонного свода можно было выровнять тепловую нагрузку экрана, поскольку угол взаимной видимости верхних труб с кладкой, что указывает на пониженное тепловосприятие верхнего участка труб. Между тем наклонный свод усложняет конструкцию этих печей.
Вынос процесса горения за пределы камеры радиации создает мягкий режим нагрева в печи. Однако в настоящее время строятся такие же печи с размещением форсунок непосредственно в камере радиации.
Тепловые напряжения поверхности нагрева в этих печах не могут быль высокими вследствие больших размеров камеры радиации. Расход металла доходит до 12—14 т на 1 млн. ккал час-1.
Вертикальные печи с настенными боковыми экранами характерны использованием принципа настильного пламени. Явление настилания пламени известно давно и детально исследовалось В. Е. Грум-Гржимайло [14]. Оно заключается в том, что пламя, направленное на твердую поверхность, «прилипает» к ней и вытягивается. Настилание пламени вызвано тем, что трение газа в газовой среде различной плотности выше, чем на границе газ—твердое тело [14]. Вытягивание пламени и, невидимому, катализирующее действие кладки (о котором свидетельствует сравнительно небольшая длина пламени в этих печах) приводят к выравниванию температуры пламени и поверхности кладки, а следовательно, и тепловых нагрузок поверхности нагрева. Это подтверждается данными обследований.
Рассматриваемые печи могут работать с более высокими средними тепловыми напряжениями поверхностей нагрева, чем описанные ранее нагреватели. Следует отметить, что во всех печах локальные тепловые напряжения в большой мере зависят от конфигурации факела. Рассматриваемый тип печей, обладающий почти плоским факелом, должен быть благоприятен с точки зрения равномерности распределения тепловых нагрузок. Печи с настенными боковыми экранами очень компактны также благодаря использованию принципа настильного пламени, позволяющего уменьшить ширину камеры радиации до 1,5 м и менее. Соответственно удельный расход металла на эти печи меньше, чем на все рассмотренные ранее печи (9—10 т на 1 млн. ккал час-1).
Сказанное позволяет отнести вертикальные печи с настенными боковыми экранами к числу наиболее совершенных, прогрессивных типов печей.
Еще в большей мере относится сказанное к вертикальным печам с экранами двустороннего облучения, в которых одновременно используется принцип настильного пламени. Такой способ передачи тепла является очень удачным. Двустороннее облучение экрана создает равномерные тепловые и температурные напряжения по окружности трубы, что позволяет значительно повысить средние тепловые напряжения поверхности, нагрева, не создавая местных перегревов. Что касается преимуществ настильного пламени, то они отмечались выше.
В рассматриваемых печах средние тепловые напряжения поверхности нагрева могут достигать 54000 ккал м-2 час-1 при локальных тепловых напряжениях, не превышающих 60000 ккал м-2 час-1 [68].
Удельный расход металла на эти печи еще меньше, чем на вертикальные печи с настенным боковым экраном, вследствие сокращения числа труб и соединительных коллекторов, а также габаритов печи.
Вопрос о целесообразности применения экранов двустороннего облучения в сочетании с форсунками беспламенного горения требует детального изучения.
Известно, что при беспламенном горении поверхность керамики достигает очень высоких температур [45]. Излучение на поверхность экрана большого количества размещенных в кладке раскаленных керамиковых форсунок может привести к местным перегревам. Поэтому окончательную оценку данного типа печи делать еще преждевременно и к выбору его следует подходить с осторожностью.

Рис. 36. Печь глубокого крекинга.
С

Рис. 37. Печь легкого крекинга.

Рис. 38. Печь прямой перегонки.
целью более полной оценки различных типов печей и проверки приведенных теоретических предпосылок автором [] были обследованы некоторые из рассмотренных типов печей.Обследованию подверглись две вертикальные двухкамерные печи с настенным боковым экраном: печь глубокого крекинга (рис. 36) и печь легкого крекинга с общей выносной реакционной камерой (рис. 37), печь прямой перегонки с потолочным и стенными экранами (рис. 38), двухкамерная печь с прохождением газового потока через потолочный экран для высокотемпературного крекинга лигроина (рис. 39) и нагревательная двухкамерная печь с наклонным сводом (рис. 35).
С

Рис. 39. Печь высокотемпературного крекинга лигроина.
огласно статистическим данным трубы в вертикальных двухкамерных печах легкого и глубокого крекинга (рис. 36 и 37) приходилось часто менять.Данные обследования подтвердили сделанные ранее выводы. В печи прямой перегонки низкие тепловые напряжения радиантных труб и температуры газов на перевале являются результатом сочетания низкого теплового напряжения топочного пространства со сравнительно высокой степенью экранирования ( = 0,5). Такая печь неэкономична.
В вертикальных двух камерных печах для термического крекинга распределение тепловых нагрузок оказалось равномерным. Некоторые неполадки, наблюдавшиеся в работе этих печей, вызваны причинами чисто технологического характера.
Анализ работы печи глубокого крекинга и локальных тепловых напряжений в печи легкого крекинга показывает, что вертикальные печи с настенными боковыми экранами весьма благоприятны для термического крекинга. Данные обследования полностью подтверждают сделанные выше выводы о целесообразности и преимуществах применения печей этого типа по сравнению со многими другими современными печами.
В печи высокотемпературного крекинга лигроина наблюдается прогар труб бокового и потолочного экранов нагревательной секции, вызванный местными перегревами.
Нагревательная двухкамерная печь с наклонным сводом работает, как и предполагалось, с низкими тепловыми напряжениями поверхности нагрева. Данная печь оказалась недогруженной на 30%, но даже при полной нагрузке тепловое напряжение радиантных труб не превысило бы 23000 ккал м-1 час-1. Несмотря на то, что эта печь производила только нагрев нефтепродуктов до сравнительно невысоких температур, в ней наблюдались случаи коксования труб.
Как указывалось выше, в промышленности искусственных жидких топлив большое распространение получили печи конвекционного типа для нагрева сырья под высоким давлением. По мнению автора, на гидрогенизационных установках могут применяться также и печи радиантного типа.
Применение печей конвекционного типа для этих процессов связано с большим расходом металла, а также с повышенными эксплуатационными расходами на рециркуляцию газов. Достаточно мягких условий нагрева продукта можно добиться в печи радиантного типа, если подобрать один из типов печей с выровненной тепловой нагрузкой и высокой прямой отдачей топки и, следовательно, умеренными тепловыми напряжениями, а газы из камеры радиации направлять непосредственно в воздухоподогреватель. Такой тип печи в определенных условиях может оказаться более целесообразным, чем печи конвекционного типа5.
В связи с выше изложенным для проекта выберем печь с излучающими стенками топки и с беспламенными горелками. Расположение радиантной камеры и камер конвекции приняты в п. 5.8.
4.2.Исходные данные для расчета
Исходные данные по 1 нагреваемому компоненту – нефть:
массовый расход нефти G>н> = 15000 кг/час;
относительная
плотность при 20 С
=
0,8943;
температура входа в печь Т>1н> = 210 С;
температура выхода из печи Т>2н> = 370 С;
давление на выходе из змеевика печи >вн> = 17700 Па.
Исходные данные по 2 компоненту – мазут (фр. 350-выше С):
массовый расход мазута G>н> = 9000 кг/час;
относительная
плотность при 20 С
=
0,9594 кг/м3;
температура входа в печь Т>1м> = 350 С;
температура выхода из печи Т>2м> = 380 С;
давление на выходе из змеевика печи >вн> = 2300 Па.
Исходные данные по 3 компоненту – пар:
массовый расход пара G>п> = 413 кг/час;
температура входа в печь Т>1п> = 160 С;
температура выхода из печи Т>2п> = 370 С;
давление 6 ат.
Сжигаемое топливо газ с газоперерабатывающего завода:
плотность
при 20 С
= 0,760 кг/м3;
компонентный состав газа табл. 20.
Компонентный состав газа. Таблица 20
|
№ п/п |
Компонент |
Массовая доля g>i>100, (масс. %) |
Мольная (объемная) доля r>i> |
Молекулярная масса, М>i> |
M>i>r>i> |
|
1. |
N>2> |
0,46 |
0,0028 |
34 |
0,0952 |
|
2. |
CO>2> |
1,78 |
0,0083 |
44 |
0,3652 |
|
3. |
CH>4> |
64,97 |
0,8352 |
16 |
13,3632 |
|
4. |
C>2>H>6> |
7,06 |
0,0484 |
30 |
1,452 |
|
5. |
C>3>H>8> |
12,42 |
0,0581 |
44 |
2,5564 |
|
6. |
и-C>4>H>10> |
8,83 |
0,0313 |
58 |
1,8154 |
|
7. |
н-C>4>H>10> |
4,48 |
0,0159 |
58 |
0,9222 |
|
Итого: |
100 |
1 |
M>Г>20,57 |
4.3.Расчет процесса горения
Определим низшую теплоту сгорания топлива по формуле:

где СН>4>, С>2>Н>4> и т.д. – содержание компонентов в топливе в объемн. %.


Определим элементный состав топлива в массовых процентах. Содержание углерода в любом i-ом компоненте топлива находим по соотношению:

где n>i> – число атомов углерода в данном компоненте топлива.
Содержание углерода:

Содержание водорода:

где m – число атомов водорода в данном компоненте топлива.
Содержание кислорода:

где Р – число атомов кислорода.

где К – число атомов азота.
Проверка:

Определим теоретическое количество воздуха, необходимого для сжигания 1 кг газа, по формуле:

Найдем действительное количество воздуха, которое требуется для сжигания 1 кг газа.
Для печей с излучающими стенками коэффициент избытка воздуха =1,031,07. Принимаем =1,06. Тогда действительное количество воздуха:

или

где >в> = 1,293 кг/м3 – плотность воздуха при нормальных условиях (0 С и 760 мм. рт. ст.).
Определим количество продуктов сгорания, образующихся при сжигании 1 кг топлива:

Суммарное количество продуктов сгорания:

Проверка:

Содержанием влаги в воздухе пренебрегаем.
Найдем объемное количество продуктов сгорания в м3 на 1 кг топлива (при нормальных условиях):


Суммарный объем продуктов сгорания:

Плотность продуктов сгорания при 0 С и 760 мм. рт. ст.

Определим содержание продуктов сгорания при различных температура по уравнению:

где t – температура продуктов сгорания (дымовых газов), С; с – средние массовые теплоемкости компонентов дымовых газов, определяемые из таблицы [38, стр. 491]
Найдем для примера q>200>:

Результаты расчетов сведены в табл.
Таблица 21
|
t, C |
0 |
200 |
400 |
800 |
1000 |
1400 |
2000 |
|
q>t>, ккал/кг |
0 |
910 |
1820 |
3640 |
4550 |
6370 |
9100 |
Рис. 40. График зависимости
теплосодержания от температуры.
По данным этой таблицы строим график q-t (рис. 40).
4.4.КПД печи и расход топлива
. КПД (коэффициент полезного действия) печи найдем по формуле:

где
- потери тепла в окружающую среду, в
долях от низшей теплоты сгорания топлива;
- потери тепла с уходящими дымовыми
газами, в долях от низшей теплоты сгорания
топлива.
Примем, что
и что температура дымовых газов,
покидающих конвекционную камеру печи,
на 240 С выше температуры
t>1п>
пара поступающего в печь:
С
При
С
найдем по графику q-t
(см. рис. 40) потерю тепла с уходящими
дымовыми газами:

или в долях от низшей теплоты сгорания топлива:

Подставив числовые значения величин, получим, что КПД печи

Полную тепловую нагрузку печи, или теплопроизводительность газовых горелок при КПД печи равному 0,823 найдем из формулы:

где
- полезное тепло печи, ккал/ч.
Полезное тепло печи рассчитываем по формуле:


где G>н>, G>м>, G>п> – производительность печи по нефти, мазуту и пару, кг/ч; е – массовая доля отгона нефти на выходе из печи при t>2>>н> = 370 С; определяем ее по табл. она равна 0,4349; q>t> – теплосодержания паровой и жидкой фаз нагреваемых продуктов при температурах t>1> и t>2>, ккал/кг;
По таблицам теплосодержаний жидких нефтепродуктов и нефтяных паров [47, стр. 321], зная плотности нефти, отгона, остатка однократного испарения и мазута, найдем:

Тогда


Подставляя в формулу заданные и найденные величины, получим:

Часовой расход топлива:




или

4.5.Камера радиации и поверхность теплообмена
Поверхность нагрева радиантных труб определяется по формуле:

где Q>р> – количество тепла, переданного сырью в камере радиации, ккал/ч; q>р> – теплонапряженность радиантных труб.
Количество тепла, переданного сырью, в камере радиации (прямая отдача топки) будет складываться из прямой отдачи тепла нефти и мазуту. Конвекционный змеевик печи служит пароперегревателем. Поэтому тепло, сообщаемое в печи сырью, будет равно прямой отдаче топки:

Тогда из уравнения теплового баланса топки, количество тепла переданного сырью (нефть и мазут):

где
-
коэффициент эффективности (КПД) топки;
-
теплосодержание дымовых газов на выходе
из камеры радиации при температуре t>П>.
Примем t = 800 °С и определим по графику q—t (см. рис. 40):

Ранее было принято, что потери в окружающую среду равны 7%. Пусть 5 % в том числе составляют потери тепла в топке. Тогда КПД топки, без ущерба для точности расчета примем:

Тогда для нефти:

для мазута

Имея в виду, что печь предназначена для нагрева нефти и мазута, то примем средние теплонапряженности [35, стр. 359] для нефти q>рн> = 40000 ккал/(м2ч) и мазута q>рм> = 27000 ккал/(м2ч).
Таким образом, поверхность нагрева экранных труб нефти будет равна:

мазута

Определим температуру сырья (нефти) на входе в радиантные трубы.
Полагая на основе опытных и расчетных
данных, что нефть в конвекционных трубах
не испаряется, найдем теплосодержание
ее и мазута
на входе в радиантные трубы из уравнения:

Тогда для нефти найдем:

для мазута:

По таблице теплосодержаний жидких нефтепродуктов (5, стр. 321) искомые температуры t>кн> = 260 °С и t>км> = 356 °С.
Выбираем трубы диаметром 1278 мм с полезной длинной l>тр.> = 3,5 м (полная длина трубы, с учетом особенностей крепления в цилиндрических печах, равна 4 м). Число радиантных труб для нефти и мазута:




Рис. 41. Схема печи с излучающими стенками топки.
Учитывая опыт промышленности, принимаем печь беспламенного горения с двухрядным экраном двухстороннего обогрева, с горизонтальным шахматным расположением труб и двумя нижними конвективными пучками (рис. 41). По существующим нормам принимаем шаг радиантных труб S = 0,25 м. Тогда расстояние между вертикальными рядами радиантных труб:

По данным Гипронефтемаша [47, стр. 14] расстояние от излучающих стен до трубного экрана должно быть от 0,6 до 1,0 м. Принимаем это расстояние а>т> = 1 м. В каждом вертикальном ряду экрана разместим по 10 труб нефтяных и по 2 мазутных. Тогда высота радиантной камеры (топки) будет (см. рис. 41)

где N>p>—число труб в одном вертикальном ряду; l>т> = 0,25 м—расстояние от нижней и верхней труб вертикального ряда соответственно до пода и потолка печи.
Ширина радиантной камеры печи:

На потолке левой и правой частей радиантной камеры размещаем по три трубы с шагом 0,25 м. Объем камеры радиации:

Теплонапряженность топочного объема такой печи будет:

Для обеспечения равномерного обогрева каждой трубы экрана по окружности и по длине принимаем для проектируемой печи газовые горелки Гипронефтемаша типа ГБП2а-60 теплопроизводительностью q>Г> = 60000 ккал/ч каждая [47, стр. 43]. Количество горелок:

Принимаем для каждой из двух излучающих стен топки по 24 горелки: 6 горелок по длине излучающей стены и 4 горелки по высоте.
Так как размер горелки 0,50,5 м, то площадь каждой излучающей стены печи:

Средняя теплоемкость нефти в интервале температур 210370 С:
кДж/(кгК)

- температурная поправка [35, стр. 11].
Средняя теплоемкость мазута в интервале температур 350380 С:
кДж/(кгК)

- температурная поправка [35, стр. 11].
4.6.Проверка скорости сырья
Оптимальное значение скорости сырья на входе в змеевик печи с учетом хорошего теплообмена и минимальных энергетических затрат на прокачивание сырья находится в пределах 0,52,5 м/сек.
Линейная скорость сырья определяется по формуле:

где V>сек.> – секундный объем сырья, м3/сек; d>в> = 0,09 м – внутренний диаметр труб.
Секундный объем нефти при температуре входа в змеевик печи t>1н> = 210 С найдем:

Тогда линейна скорость нефти на входе в змеевик печи:
> >
Секундный объем мазута при температуре входа в змеевик печи t>1м> = 350 С найдем:
> >
Тогда линейна скорость мазута на входе в змеевик печи:
> >
Как видно, скорость сырья на входе в змеевик печи находится в допустимых пределах.
4.7.Расчет лучистого теплообмена в топке
Целью этого расчета является определение действительной температуры дымовых газов на выходе из топки при принятой теплонапряженности радиантных труб или проверка ранее выбранной температуры дымовых газов, покидающих топку.
Определим коэффициент теплоотдачи свободной конвекцией от дымовых газов к радиантным трубам по формуле:
> >
Средняя температура наружной поверхности стенки радиантной трубы определяется из уравнения:
+> >
где — средняя температура сырья в радиантных трубах, °С; >2> — коэффициент теплоотдачи от стенки трубы к нефти, ккaл/(м2чгpaд); — толщина стенки трубы, м; — коэффициент теплопроводности стенки трубы, ккал/(мчград).
Средняя температура нефти и мазута в радиантных трубах:
> >
> >
Принимаем >2н> = 900 ккaл/(м2чгpaд), =39 ккал/(мчград).
Тогда для нефти и мазута
> >
> >
> >
> >
и коэффициент теплоотдачи свободной конвекцией от дымовых газов к радиантным трубам:
> >
> >
Рассчитаем максимальную температуру горения по формуле:
> >
где t>0> — так называемая приведенная температура системы [40, стр. 88], может быть принята равной 20° С.
Для упрощения расчета второе слагаемое правой части формулы найдем по графику q—t (см. рис. 40), отложив значение > > по оси абсцисс и прочитав значение температуры ,на оси ординат t = 2687 C . Получим:
> >
Определим среднюю температуру поглощающей среды (газа в топке). Для расчета этой температуры Ц. А. Бахшияном [40, стр. 93] рекомендуется формула:
> >
где Q>р.к.> — тепло, переданное радиантным трубам свободной конвекцией газов, ккал/ч; Q>p.n.> — потери тепла радиантной камерой в окружающую среду, ккал/ч; mc>р> — средняя суммарная теплоемкость продуктов сгорания 1 кг топлива в интервале температур от t>П> до t>v>.
Имеем:
> >
> >
Тогда
> >
Отложив на графике рис. 40 величину,
> >
найдем соответствующую температуру t>v> = 1103 °С (Т>v> = 1376 °К).
Отсюда
> >
Определим температуру излучающей стенки. Согласно опытным данным Гипронефтемаша [40, стр. 93] эту температуру можно найти по формуле:
> >
Рассчитаем эквивалентную абсолютно черную поверхность. Предварительно определим все необходимые для этого величины.
Найдем угловой коэффициент для случая лучистого теплообмена между поверхностью экранных труб и излучающей стенкой, или коэффициент облученности >HR>. Этот коэффициент показывает, во сколько раз эффективная (расчетная) поверхность П>HR> взаимного излучения экрана и излучающей стенки больше поверхности радиантных труб, т. е.:
> >
Основы расчета П>HR> достаточно подробно изложены в ряде руководств [39, 8, 9 и др.]. Ниже излагается схема расчета П>HR> для нашего случая.
В любом масштабе (лучше > > или > >) вычерчиваем схему топки печи с размещенными в ней трубами. Ввиду симметричности топки на схеме (рис. 42) дана только левая половина ее. Для упрощения схемы в левом вертикальном ряду показаны верхние пять труб из десяти, а в правом вертикальном ряду — нижние пять и две трубы из четырнадцати.
Расчетная поверхность взаимного излучения > > определяется для каждой трубы отдельно. Ввиду симметричного размещения труб относительно излучающей стенки, очевидно, достаточно найти > > для половины труб левого ряда, половины труб правого ряда и труб левой половины потолочного экрана. Для получения средней расчетной поверхности > > одной трубы достаточно для нашего случая подсчитать > > для части вычерченных труб. Эти трубы на схеме рис. 42 занумерованы (1, 2, 3, 4, 5, 1', 2', 3', 4', 5', и 6, 7, 8, 9, 9').
И
Рис. 42. Схема к расчету поверхности взаимного излучения.
з точек А и В, ограничивающих высоту излучающей стенки, к каждой из занумерованных труб проводим касательные (например, к трубе 1 — касательные ВВ>1>, ВВ'>1>, АА>1>, АА'>1>; к трубе 5 — касательные АА>5'>, AA'>5>>'>, BB>5>>'>, BB'>5>>'>.Четыре касательные образуют у каждой трубы две воображаемые упругие нити, как бы натянутые на трубу,— внутреннюю и внешнюю (например, для трубы 1— нить ВВ>1>А'>5> A — внешняя и нить ВВ'>1>А'>1>В>1>А>1>А — внутренняя; аналогично для трубы 5' —нить AA>5'>B'>5'>B — внешняя и нить АА'>5>>'>В'>5'>А>5>>'>В'>5'>В — внутренняя). По методу «натянутых нитей» расчетная поверхность взаимного излучения для трубы 1 определится так:
> >
Но
> >
поэтому
> >
Аналогично, для трубы 5':
> >
Следовательно, для любой i-той трубы нашей схемы расчетная поверхность взаимного излучения определится из формулы:
> >
Для определения размеров > > и > > при расчете > > любой трубы необходимо рядом со схемой топки вычертить в масштабе 1 : 1 окружность диаметром, равным наружному диаметру трубы, т. е. d>н> = 127 мм. Проводя к этой окружности касательные, параллельные касательным к соответствующей трубе на схеме, отметим на ней четыре точки, которые ограничат две искомые дуги.
Например, на окружности с d>н> = 127 мм таким способом для трубы 1 найдены точки А, А'>1>, В>1>, В'>1>; для трубы 5' — точки А>5'>, А'>5'>, В>5'>, В'>5'>, которые ограничили нужные нам дуги: А>5'>В>5'> и А'>5'>В'>5'>. Такие построения на этой окружности сделаны для всех занумерованных труб (на рис. 42 не показаны).
Длина любой дуги легко найдется геометрически:
> >
где d>н> = 127 мм — наружный диаметр трубы; A>i>ОВ>i>° — центральный угол, соответствующий дуге A>i>B>i>.
При таком способе вычисления длины дуг окружность на рис. 42 не обязательно чертить в масштабе 1:1.
Результаты вычислений длин дуг и расчетных поверхностен взаимного излучения для всех занумерованных труб представлены в табл. 22. Все расчетные поверхности > > найдены на 1 мм длины труб.
Таблица 22
-
Номер i
трубы
A>i>ОВ>i>°
A'>i>ОВ'>i>°
A>i>В>i>, мм
A'>i>В'>i>, мм
> >
1
36
40
40
44
42,0
2
46
49
51
54
52,5
3
57
61
63
68
65,5
4
69
71
76
79
77,5
5
78
82
86
91
88,5
1'
66
64
73
71
72,0
2'
73
72
81
80
80,5
3'
72
77
80
85
82,5
4'
79
79
88
88
88,0
5'
77
78
85
86
85,5
6
13
22
14
24
19,0
7
26
33
29
37
33,0
8
33
38
37
42
39,5
Сумма
826,0
9
57
54
63
60
61,5
9'
50
47
55
52
53,5
Сумма
115,0
Средняя расчетная поверхность взаимного излучения для одной трубы экрана будет:
> >
> >
Поверхность взаимного излучения для всего экрана печи:
> >
> >на 1 мм длины труб.
Находим величину коэффициента облученности, или углового коэффициента:
> >
где > > — поверхность экрана печи, приходящаяся на 1 мм длины труб.
Тогда
> >
> >
Определим угловой коэффициент для случая лучистого теплообмена между газовым слоем и трубным экраном.
Найдем поверхность неэкранированных стен топки. Из принятой схемы компоновки экранных труб (см. рис. 42), видно, что неэкранированными поверхностями топки являются ее торцевые стены и часть фронтовых стен, не занятых газовыми горелками. Площадь этих поверхностей равна:
> >
Определим эквивалентную абсолютно черную поверхность по формуле [39, стр. 89]:
> >
где (Т) – величина, зависящая от распределения температур в топке, в среднем равна 0,85; H>Л> – эффективная лучевоспринимающая поверхность; F – поверхность излучающей кладки, м2; – характеристика излучения; >H>, >V>, >F> – степень черноты экрана, топочной среды и кладки, соответственно.
Для расчета радиантной камеры принимаем [35, стр. 398] >H> = >F> = 0,9.
Тогда формула примет следующий вид:
> >
Соотношение > > в зависимости от коэффициента избытка воздуха приблизительно можно определить по формуле:
> >
Эффективную лучевоспринимающую поверхность рассчитываем по формуле:
> >
где Н>pi> – поверхности излучающих элементов или отдельных частей экрана; >i> – коэффициент эквивалентности по данным Хоттеля берем из [35, стр. 396].
> >
Тогда
> >
Характеристику излучения найдем по формуле
> >
Числовое значение коэффициента >FH> при > > вычисляем приближенную величину:
> >
Тогда
> >
Найдем эквивалентную абсолютно черную поверхность
> >
Определим действительную температуру дымовых газов, покидающих топку. Пользуясь формулами Н. И. Белоконя [40, стр. 891, найдем некоторые величины, необходимые для решения поставленной задачи. Температурная поправка к теплопередаче в топке:
> >
где Т>макс.> – абсолютная максимальная температура горения, К; - абсолютная температура поверхности экранных труб; c>s> – постоянная излучения абсолютно черного тела, равная 4,96 ккал/(м2К4ч); mc>p> – суммарная теплоемкость дымовых газов. Определяется по формуле:
Находим величину аргумента по формуле Н. И. Белконя [35, стр. 399]:
> >
По графику [40, стр. 90] находим характеристику излучения:
> >
Определяем температуру дымовых газов на выходе из камеры радиации по формуле Н. И. Белконя:
> >
> >
Полученная расчетом температура Т>п> = 808 °С незначительно отличается от предварительно принятой Т>п> = 800 °С. Таким образом, подтверждаются ранее назначенная нами теплонапряженности радиантных труб для нефти и мазута, а рассчитанные поверхности нагрева экрана верны.
4.8.Конвекционная камера
Поверхность нагрева конвекционных труб определяется по формуле:
> >
где Q>к> — количество тепла, передаваемого сырью в конвекционных трубах, ккал/ч;К – коэффициент теплопередачи в пароперегревателе, ккал/(м2чград); t>ср> – средний температурный напор, С.
Количество тепла, передаваемого нефти, мазуту и пару в конвекционных трубах, определим так:
> >
> >
> >
Коэффициент теплопередачи в конвекционной камере вычислим по формуле:
> >
где >1> — коэффициент теплоотдачи конвекцией от дымовых газов к трубам, ккaл/(м2чгpaд); >л> — коэффициент теплоотдачи излучением от трехатомных газов к трубам, ккaл/(м2чгpaд).
Коэффициент >1> определим по формуле Д. А. Литвинова:
> >
где С — коэффициент, зависящий от шага труб; >m> — коэффициент, учитывающий расположение труб и число рядов труб; принимаем >m> =0,255; Е — коэффициент, зависящий от средней температуры дымовых газов; находим по графику [35, стр. 486] для t>ср.>= 0,5(t>П> + t>ух.>) = 0,5(800 + 400) = 600°С, Е = 21,7; и — массовая скорость дымовых газов в свободном сечении конвекционной камеры, кг/м2ceк; d>н> — наружный диаметр конвекционных труб, м; п—показатель степени, определяемый по таблице [35, стр. 404]; в нашем случае n = 0,6.
Определим коэффициент С. В камерах конвекции устанавливаются трубы с полезной длиной l>тр.> = 3,5 м, наружным диаметром d>н> = 102 мм и толщиной стенки 6 мм. В каждой камере компонуется змеевик для одного потока сырья. В одном горизонтальном ряду в каждой камере устанавливается по четыре трубы. Конвекционные трубы размещаются в шахматном порядке. Согласно размерам печных двойников принят шаг труб S = 172 мм. В зависимости от S коэффициент С найдем по формуле:
> >
Массовую скорость дымовых газов в узком (свободном) сечении каждой из двух конвекционных камер определим по формуле:
> >
где f>газ.> — площадь свободного сечения для прохода дымовых газов в пучке, м2.
Величину f>газ.> вычислим по формуле:
> >
Согласно приведенной схеме ширина каждой конвекционной камеры:
> >
где n>1> = 4 — число труб в одном горизонтальном ряду.
Следовательно:
> >
Тогда
> >
После подстановки всех величин в формулу для вычисления >1> получим:
> >
Коэффициент теплоотдачи излучением от трехатомных газов определяется по формуле:
> >
где > > и > >— коэффициенты теплоотдачи излучением от СО>2> и Н>2>О, определяемые по номограммам [40, стр. 478] в зависимости от средней температуры дымовых газов в конвекционной камере, силы поглощения трехатомных газов и температуры стенки.
Коэффициент теплоотдачи излучением газов можно определить также по формуле Нельсона [47, стр. 4791:
> >
Суммарный коэффициент теплопередачи будет равен:
> >
В конвекционной камере проектируемой печи теплопередача от дымовых газов к сырью в трубах осуществляется при смешанно-перекрестном токе с индексом противоточности [40, стр. 116], равным единице. Поэтому средний температурный напор рассчитываем по уравнению Грасгофа:
> >
где для нефти
> >
> >
> >
для мазута
> >
> >
> >
для пара
> >
> >
> >
Таким образом, поверхность нагрева конвекционных труб нефти, мазута и пара:
> >
> >
> >
Определим число труб в конвекционных камерах:
> >
> >
> >
или в одной камере:
> >
> >
> >
Примем > >, > > и > > трубы. Число рядов труб по вертикали в одной камере:
> >
Высота, занимаемая трубами в конвекционной камере, при шаге труб по глубине конвекционного пучка S>1> = 0,148 м:
> >
4.9.Гидравлический расчет змеевика печи
Целью гидравлического расчета является определение давления сырья на входе в змеевик печи. Так как давление на выходе из змеевика печи известно—в нашем случае >кн> = 1,8 кГ/см2 и >км> = 0,23 кГ/см2 то для отыскания давления на входе в змеевик необходимо рассчитать потери напора в нем. В проектируемой печи происходит частичное испарение нефти, поэтому гидравлический расчет змеевика ведем по методу Б. Д. Бакланова [40].
Давление сырья на входе в змеевик печи рассчитываем по формуле:
> >
где Р>и> — потери напора на участке испарения, кГ/см2; Р>н> — потери напора на участке нагрева радиантных труб, кГ/см2; Р>к> — потери напора в конвекционном змеевике печи (по одному потоку), кГ/см2; Р>ст.> — статический напор, необходимый для подъема нефти в змеевике от уровня ее ввода в конвекционный змеевик до уровня вывода из радиантных труб, кГ/см2.
Расчет необходимо начинать с определения потерь напора на участке испарения:
> >
где >н> — давление в начале участка испарения.
Началом участка испарения называется то сечение змеевика печи, в котором сырье закипает, т. е. достигает температуры начала однократного испарения. При этой т
Рис. 43. График для определения упругости паров.
емпературе упругость насыщенных паров сырья становится равной давлению в начале участка испарения.Давление в начале участка испарения определяется методом постепенного приближения. Для некоторого облегчения расчетов предварительно строят вспомогательную кривую зависимости температуры начала однократного испарения сырья от давления (или кривую Р = f(t>н.о.и.>) — зависимости упругости насыщенных паров сырья от температуры начала однократного испарения).
Фракционный состав отбензиненной нефти приведен в табл. 23.
Таблица 23
|
Пределы кипения фракций, °С |
180-250 |
250-300 |
300-345 |
345-437 |
437-462 |
462-500 |
Выше 500 |
|
Выход фракций, масс. % |
10,69 |
9,56 |
7,90 |
16,40 |
6,22 |
9,45 |
39,78 |
Порядок построения кривой Р = f(t>н.о.и.>) следующий:
Для каждой фракции отбензиненной нефти (см. табл. 23) находим среднюю температуру кипения (как среднеарифметическую температуру начала и конца кипения).
Рассчитываем молекулярные массы фракций по формуле Б. П. Воинова:
> >
Зная массовую долю x>i>, каждой фракции в сырье и ее молекулярную массу М>i>, находим ее мольную долю х>i> в сырье по формуле:
> >
Каждую узкую фракцию в соответствии с ее молекулярной массой приравниваем (условно) к индивидуальному углеводороду (алкану) и находим при нескольких температурах (в нашем случае при 260, 300 и 340 °С) по диаграмме Кокса для каждой фракции (приравненной к индивидуальному углеводороду) упругость P>i> насыщенных паров. Вычисляем произведения > >, выражающие парциальное давление паров каждой фракции, и по уравнению изотермы жидкой фазы находим для каждой из выбранных температур упругость паров сырья, т. е. давление, при котором сырье закипит при данной температуре.
Все эти определения и расчеты сведены в табл. 24.
По данным этой таблицы построена кривая Р = f(t>н.о.и.>) упругости паров нефти (рис. 43).
Предварительно задаемся давлением в начале участка испарения >н> = 1,9 am и по кривой (см. рис. 43) находим температуру начала однократного испарения (закипания) отбензиненной нефти, соответствующую этому давлению, t>н> = 307 °С. Эта температура выше той, с которой нефть входит в радиантные трубы ( t>кн> = 260 °С). Это значит, что испарение нефти начинается в радиантной секции.
Найдем эквивалентную (расчетную) длину радиантных труб для одного потока нефти:
> >
где > >= 4 м — полная длина трубы; N>р1> = 15 — число радиантных труб в одном потоке; = 50 — коэффициент, зависящий от вида соединения труб [39, стр. 131]; d>в> = 0,lll м — внутренний диаметр радиантных труб.
Таблица 24
|
Пределы кипения фракции, °С |
t>ср>., °С |
М>i> |
x>i>, маc.% |
> > |
> > |
260°С |
300 °С |
340 °С |
|||
|
P>i>, мм. рт. ст. |
> >, мм. рт. ст. |
P>i>, мм. рт. ст. |
> >, мм. рт. ст. |
P>i>, мм. рт. ст. |
> >, мм. рт. ст. |
||||||
|
180-250 |
215 |
171 |
10,69 |
0,063 |
0,210 |
2000,0 |
420,0 |
5000 |
1050,0 |
9000 |
1890,0 |
|
250-300 |
275 |
218 |
9,56 |
0,044 |
0,147 |
550,0 |
80,9 |
1500 |
220,5 |
3750 |
551,3 |
|
300-345 |
325 |
263 |
7,90 |
0,030 |
0,100 |
200,0 |
20,0 |
650 |
65,0 |
1700 |
170,0 |
|
345-437 |
390 |
329 |
16,4 |
0,050 |
0,167 |
30,0 |
5,0 |
125 |
20,9 |
800 |
133,6 |
|
437-462 |
440 |
386 |
6,22 |
0,016 |
0,053 |
4,5 |
0,2 |
20 |
1,1 |
175 |
9,3 |
|
462-500 |
475 |
428 |
9,45 |
0,022 |
0,073 |
0 |
0 |
7 |
0,5 |
60 |
4,4 |
|
более 500 |
550 |
528 |
39,78 |
0,075 |
0,250 |
0 |
0 |
0 |
0 |
7 |
1,8 |
|
Итого: |
100 |
0,3 |
1 |
526,10,72 ат |
1358 1,85 ат |
2760 3,76 ат |
Тогда
> >
Рассчитаем эквивалентную длину участка испарения по уравнению:
> >
где > >— теплосодержание нефти на выходе из печи; > >= 170,5 ккал/кг — теплосодержание сырья в начале участка испарения при t>н> = 307 °С; > >= 132 ккал/кг — теплосодержание сырья на входе в радиантные трубы.
> >
Тогда
> >
Определим давление в начале участка испарения по формуле Б. Д. Бакланова:
> >
где >к> = 1,8 ат = 1,8104 кГ/м2 — давление сырья на выходе иа змеевика печи или, что то же самое, в конце участка испарения; А и В—расчетные коэффициенты.
Коэффициент А находим по формуле [47, стр. 202]:
> >
где — коэффициент гидравлического сопротивления, равный для атмосферных печей 0,020—0,024, принимаем = 0,024; L>1> — секундный расход сырья по одному потоку, кг/сек; >ж> = 753 кг/м3—плотность нефти при средней температуре на участке испарения t>ср.> = 0,5(307+350)=329 °С.
Тогда
> >
Коэффициент В находим по формуле [47, стр. 203]:
> >
где е = 0,435—массовая доля отгона сырья на выходе из печи; > >— средняя плотность паров сырья при давлении 1 кГ/м2 в кг/м3 (принимается).
После подстановки числовых значений в формулу получим:
> >
Давление в начале участка испарения равно:
> >
Полученное значение >н> достаточно близко к ранее принятому, поэтому пересчета не делаем. Вычисляем потерю напора на участке испарения:
> >
Потери напора Р>н> на участке нагрева радиантных труб найдем по формуле:
> >
где = 0,031 — коэффициент гидравлического сопротивления, выбирается по таблице [35, стр. 419]; l>н> — эквивалентная длина участка нагрева радиантных труб по одному потоку, м; d>в> = 0,111 м — внутренний диаметр радиантных труб; и — массовая скорость сырья в трубах, кг/(м2сек); 9,81 — безразмерный коэффициент перевода ньютонов в килограммы; >ж> — плотность сырья при средней температуре на участке нагрева радиантных труб.
> >
> >
> >
> >
Эквивалентная длина участка нагрева радиантных труб:
> >
> >
Массовая скорость сырья в трубах (одного потока):
> >
> >
Подставляя в формулу для Р>н> числовые значения величин для нефти и мазута, получим:
> >
> >
Потери напора в конвекционном змеевике (по одному потоку) найдем по формуле:
> >
где = 0,031 (см. выше); l>к> — эквивалентная (расчетная) длина конвекционного змеевика по одному потоку, м; d>в> = 0,09 м — внутренний диаметр конвекционных труб; u>к> — массовая скорость сырья в конвекционных трубах, кг/(м2сек); >ж> — плотность сырья при средней температуре в конвекционных трубах.
> >
> >
> >
> >
Эквивалентная длина конвекционного змеевика по одному потоку:
> >
где > >— число труб в одном потоке; l>тр.> = 4 м — полная длина трубы; = 50 [см. выше].
Тогда для нефти и мазута
> >
> >
Массовая скорость:
> >
> >
Подставляя в формулу для Р>к> числовые значения величин, получаем:
> >
> >
Определяем статистический напор, необходимый для подъема отбензиненной нефти и мазута в змеевике от уровня ввода в конвекционный змеевик до уровня вывода из радиантных труб:
> >
где >ж> — удельный вес сырья при t>ср.>.
Таким образом, давление сырья на входе в змеевик печи будет:
> >
> >
4.10.Расчет потерь напора в газовом тракте печи
Общие потери напора по газовому тракту печи, или величина тяги в дымовой трубе, рассчитываются по формуле:
> >
где Р>р> — величина разрежения в камере радиации, принимаем Р>р> = 2 мм вод. ст.; Р>к> — потери напора в камере конвекции, мм вод. ст.; Р>б> — потери напора в борове, мм вод. ст.; Р>тр.> —потери напора в дымовой трубе, мм вод. ст.
Потери напора в камере конвекции Р>к> найдем по формуле:
> >
где Р>п> — потери напора в конвекционном пучке труб, мм вод. ст.; Р>ст.> — статический напор в камере конвекции при нисходящем потоке газов, мм вод. ст.
Потери напора в конвекционном пучке труб определяем по формуле В. М. Антуфьева и Л. С. Казаченко [39, стр. 1391.
> >
где > >— коэффициент, берется по таблице [35, стр. 396.], в нашем случае при > > C>1> = l,5; > > — коэффициент, берется по графику [35, стр. 396], в нашем случае при > > С>2>> >= 0,88; m = 8 — число горизонтальных рядов труб в конвекционном пучке; Re — критерий Рейнольдса; и = 0,37 кг/(м2ceк) — массовая скорость газов в узком сечении пучка (найдена ранее); >к> — плотность дымовых газов при их средней температуре в конвекционной камере, кг/м3.
Определим среднюю температуру газов в конвекционной камере:
> >
Значение критерия Рейнольдса подсчитаем по формуле:
> >
где = 9710-6 м2/сек — кинематическая вязкость дымовых газов t>ср.> = 550 °С — по таблице [35, стр. 358].
Определим величину >к> по формуле:
> >
где Т>0> = 273 К; >0> = 1,24 кг/м3 — плотность дымовых газов при 0 С и 760 мм рт. ст., рассчитанная выше; Т>cp.> = 600+273 = 873 °К — средняя абсолютная температура дымовых газов.
Тогда
Подсчитаем Р>п>:
> >
Рекомендуется найденную величину увеличить на 40 %, поэтому примем
> >
> >
Статический напор в камере конвекции при нисходящем потоке газов найдем так:
> >
где h>к> = 1,036+0,53 = 1,566 м — высота камеры конвекции (см. рис. 41); >возд.> и >к> — удельный вес воздуха при температуре окружающей среды t>возд.> = 30 °С и нормальном давлении и удельный вес дымовых газов, кГ/м3.
Определим >возд.>:
> >
Получим:
> >
Тогда
> >
Потери напора в борове P>б> найдем по формуле:
> >
где > >— потери напора на преодоление местных сопротивлений, мм вод. ст.; > >—потери напора на прямолинейном участке борова, мм вод. ст.
Предварительно проведем расчет газохода. Схема устройства газоходов печи дана на рис. 44.
Площадь поперечного сечения борова подсчитываем по следующей формуле:
> >
где G — секундное количество продуктов сгорания, кг/сек; и — массовая скорость газов в борове, кг/(м2ceк);
Секундное количество продуктов сгорания:
> >
Массовую скорость газов в борове определим так:
> >
где > >— плотность продуктов сгорания при температуре t>ух> = 400 °С, кг/м3; — линейная скорость газов в борове, м/сек.
Найдем плотность продуктов сгорания при t>ух.> = 400 °С:
> >
где >0> = 1,24 кг/м3 — плотность продуктов сгорания при нормальных условиях, рассчитанная раньше.
Тогда
> >
Принимаем линейную скорость газов в борове =8 м/сек. Тогда массовая скорость газов:
> >
Площадь поперечного сечения борова:
> >
Рис. 44. Схема устройства газоходов печи.
Принимаем высоту борова h =l,36 м, ширину b = 1 м, длину l>б> =10 м.
Потери напора от местных сопротивлений рассчитываем по формуле:
> >
где — сумма коэффициентов местных сопротивлений.
Согласно схеме борова (см. рис. 44) дымовые газы делают в нем два поворота по 90° (один—при входе в боров, другой, не показанный на схеме,—при входе в дымовую трубу), проходят шибер, открытый наполовину, и проходят три входных канала в общий коллектор.
Коэффициент местного сопротивления при повороте на 90°:
> >
где > > берется по таблице [35, стр. 414], в нашем случае при > > С = 0,9.
Поэтому для двух поворотов получим:
> >
По той же таблице коэффициент местного сопротивления наполовину открытого шибера >2> = 4 и коэффициент местного сопротивления при входе газа в коллектор >3> = 0,04.
По написанной выше формуле получим:
> >
Потери напора на прямолинейном участке борова:
> >
где — коэффициент гидравлического сопротивления; d>э> — эквивалентный диаметр борова, м.
Коэффициент гидравлического сопротивления, зависящий от величины критерия Рейнольдса, находим по формуле:
> >
где — кинематическая вязкость дымовых газов при температуре в борове t>б> t>ух.> = 400 °С.
В нашем случае:
> >
По формулам [35, стр. 15] найдем:
> >
Тогда
> >
По написанной выше формуле получим:
> >
Таким образом:
> >
Потери напора в дымовой трубе Р>тр.> найдем по формуле:
> >
где > >— потери напора при входе газов в трубу и выходе из нее, мм вод. ст.; > >— потери напора на трение при движении газов в трубе, мм вод. ст.;
Предварительно рассчитаем диаметр дымовой трубы по формуле:
> >
где и — массовая скорость газов на входе в трубу, кг/(м2ceк).
Массовую скорость газов на входе в трубу рассчитаем по формуле:
> >
где — линейная скорость газов на входе в дымовую трубу, м /сек; >вх.> — плотность газов при их температуре входа в дымовую трубу t>вх.>, кг/м3.
Примем линейную скорость газов на входе в дымовую трубу = 8 м/сек, а их температуру t>вх.> = 395 °С.
Плотность газов при этой температуре:
> >
Массовая скорость газов на входе в трубу
> >
Подставив в формулу числовые значения величин, получим:
> >
Примем D = 0,6 м.
Потери напора при входе газов в трубу и выходе из нее определим по формуле:
> >
где >вх.> и >вых.> — коэффициенты местных сопротивлений; >ср.> — линейная скорость газов при их средней температуре в трубе, м/сек; >ср.> — плотность газов при средней температуре кг/м3.
Из таблицы [35, стр. 412] найдем:
>вх.> = 0,3 и >вых.> = 1,0
Принимаем температуру газов на выходе из дымовой трубы t>вых.> = 370 С, имея в виду потери тепла поверхностью трубы в окружающую среду.
Тогда средняя температура газов в трубе будет:
> >
Плотность газов при этой температуре:
> >
Линейная скорость газов при их средней температуре в трубе:
> >
Тогда
> >
Потери напора на трение при движении газов в дымовой трубе определяем по формуле:
> >
где — коэффициент гидравлического сопротивления; Н — высота дымовой трубы, м.
Определим по формуле Якимова:
> >
в которой а — коэффициент, принимаемый по таблице [35, стр. 412].
В нашем случае:
> >
Предварительно принимая высоту дымовой трубы Н = 28 м, получим:
> >
Таким образом:
> >
Общая потеря напора по газовому тракту печи, или величина тяги в дымовой трубе:
> >
Проверим высоту дымовой трубы по формуле:
> >
где Т>в> — абсолютная температура окружающего воздуха; Т>ср.> — абсолютная средняя температура дымовых газов в трубе, равная
> >
Тогда
> >
Ввиду небольшого расхождения рассчитанной и ранее принятой величин Н перерасчета не делаем.
5.Технико-экономическое обоснование проекта
5.1.Производственная программа
Целью технико-экономической оценки является подтверждение экономической целесообразности применения исследуемого проекта на практике.
В данном случае необходимо произвести расчет величины затрат необходимых для внедрения этого проекта в производство. Оценить изменение себестоимости продукции получаемой в цехе первичной переработки нефти и получения битума.
В цехе установлено две печи: для нагрева нефти П-1 и для подогрева мазута и пара П-3, после реконструкции должна быть установлена печь, которая полностью заменит обе печи П-1 и П-3. Производительность печи по нефти 15000 кг/час, по мазуту – 9000 кг/час, по пару – 413 кг/час.
Для облегчения расчета расчет затрат и оценку себестоимости будем производить по данным отчета технико-экономичнсекого отдела за 1998 год.
В 1998 году на установку принято 67050 т нефти (загрузка на 57%). Из нее произведено: дизельного топлива – 22800 т, бензиновой фракции – 12750 т, битума дорожного – 31500 т.
5.2.Расчет затрат на реконструкцию
Амортизационные отчисления характеризуют величину износа оборудования, зданий и сооружений. Амортизационные отчисления с вводом новых ОПФ представлены в табл. 25.
Затраты на реконструкцию цеха, а конкретно замене двух печей П-1 и П-3 на проектируемую, рассчитать достаточно сложно, поэтому для приблизительной оценки себестоимости продукции величину этих расходов примем следующим образом:
КВ>1> = Ц>печи> + Ц>печи> 0,2
где Ц>печи> – стоимость спроектированной печи; Ц>печи> 0,2 – затраты на монтаж печи 20% от ее стоимости.
Цену печи примем следующим образом. Так как типы печей одинаковы, то ориентировочно можно принять цену печи по увеличению теплопроизводительности печи:
> >
где Ц>П-1> – цена установленной печи П-1 по нагреву нефти; Q>проект> – теплопроизводительность спроектированной печи; Q>П-1> – теплопроизводительность спроектированной печи.
Тогда величина затрат на реконструкцию составит:
КВ>1> = 1886250 + 18862500,2 = 2263500 руб.
Ввод новых производственных фондов повлияет только на амортизационные отчисления и следовательно на себестоимость продукции. Амортизация с вводом новых производственных фондов представлена в табл. 25.
Амортизация. Таблица 25
|
Наименование |
Сумма, руб. |
|||
|
Балансовая стоимость ОПФ на 1.01.97 г. |
38285268 |
|||
|
Средняя норма амортизации, % |
5,18 |
|||
|
Амортизационные отчисления |
1983177 |
|||
|
Балансовая стоимость ОПФ с учетом переоценки на 1.01.98 г. |
51685112 |
|||
|
Средняя норма амортизации, % |
5,16 |
|||
|
Амортизационные отчисления |
2666952 |
|||
|
Ввод основных фондов в 1998 году, в том числе: |
4582050 |
|||
|
1. Газопровод, резервный нефтепровод |
190000 |
|||
|
норма амортизации, % |
2,5 |
|||
|
амортизационные отчисления |
1583 |
|||
|
2. Два резервуара РВС 400 м3 с автоматизированной системой налива |
2128550 |
|||
|
норма амортизации, % |
5,8 |
|||
|
амортизационные отчисления |
41152 |
|||
|
3. Реконструкция битумной установки (по проекту) |
2263500 |
|||
|
норма амортизации, % |
5,14 |
|||
|
амортизационные отчисления |
116344 |
|||
|
Итого амортизация новых ОПФ |
95550 |
|||
|
Балансовая стоимость ОПФ на 01.01.99г. |
56267162 |
|||
|
Среднегодовая стоимость ОПФ за 1998 год |
53019250 |
|||
|
Амортизационные отчисления за год |
2762502 |
|||
|
в том числе по кварталам |
1 квартал |
2 квартал |
3 квартал |
4 квартал |
|
666738 |
666738 |
709473 |
719553 |
|
|
Средняя норма амортизации, % |
5,18 |
Сумма материальных и прямых энергетических затрат с учетом транспортно-заготовительных расходов представляет собой часть переменных издержек на производство продукции, она принята по 1998 году. Затраты на основные материалы, на топливо и электроэнергию с вводом реконструкции цеха не изменятся.
Ввод нового оборудования по данному проекту не требует увеличения численности персонала, поэтому фонд заработной платы останется тот же.
5.3.Определение себестоимости
Составим план сметы затрат (табл. 26) по цеху первичной переработки нефти и получения битума с учетом расходов в 1998 году.
Для расчета себестоимости одной тонны продукции составляем калькуляцию себестоимости (цена базисной нефти, поступающей на переработку, без НДС - 454 руб. за 1 тонну), в которой расчет себестоимости отдельных продуктов ведется по коэффициенту распределения затрат (табл. 28).
В табл. 27 произведен расчет цен на готовую продукцию, получаемую на ЦППНиПБ, для структурных единиц и сторонних организаций.
Чистая прибыль в 1998 году по продаже основной продукции (дорожный битум) составила:
П>1> = 133,531500 = 4205250 руб
План сметы затрат по ЦППНиПБ. Таблица 26
|
№ п/п |
Наименование затрат |
Всего |
в том числе по кварталам, руб. |
|||
|
1 квартал |
2 квартал |
3 квартал |
4 квартал |
|||
|
1. |
Основные материалы |
31505330 |
8495248 |
5412134 |
8946524 |
8651424 |
|
2. |
Вспомогательные материалы |
520000 |
110000 |
150000 |
150000 |
110000 |
|
3. |
Топливо |
987209 |
370296 |
249366 |
377802 |
74745 |
|
4. |
Электроэнергия |
1358923 |
363126 |
272851 |
359646 |
363300 |
|
5. |
Расходы на оплату труда |
2603896 |
627478 |
634166 |
681686 |
660566 |
|
6. |
Отчисления на соцнужды |
1002500 |
241579 |
244154 |
262449 |
254318 |
|
7. |
Амортизация |
2762502 |
666738 |
666738 |
709473 |
719553 |
|
8. |
Прочие расходы |
2821091 |
706121 |
686044 |
723225 |
705701 |
|
ВСЕГО |
43646451 |
11580586 |
8315453 |
12210805 |
11539607 |
|
|
Выработка продукции, т. |
67050 |
18080 |
11500 |
19060 |
18410 |
|
|
Средняя себестоимость 1 т. продукции, руб. |
651 |
641 |
723 |
641 |
627 |
Цены на нефтепродукты ЦППНиПБ на 1998 год. Таблица 27
|
№ п/п |
Наименование нефтепродуктов |
Стоимость1 т., руб. |
Коэффициент рентабельности 20% |
НДС 20% |
Налог на ГСМ 25% |
Цена реализации руб. |
|
1. |
Битум дорожный |
|||||
|
для структурных единиц |
534 |
534 |
||||
|
для сторонних организаций |
534 |
133,5 |
133,5 |
801 |
||
|
2. |
Бензиновая фракция |
|||||
|
для структурных единиц |
651 |
651 |
||||
|
для сторонних организаций |
651 |
162,75 |
162,75 |
976,5 |
||
|
3. |
Дизтопливо |
|||||
|
для структурных единиц |
813 |
813 |
||||
|
для сторонних организаций |
813 |
203,25 |
203,25 |
254 |
1473,5 |
5.4.Экономический эффект.
За счет более эффективного теплообмена в проектируемой печи снизится расход топливного газа на
Г = 293 – 246 = 47 м3/час
или в год экономия на газе составит (стоимость топливного газа соталяет 278 руб за 1 тыс. м3 сухого газа):
Г>1> = 47365240,278 = 114458 руб
Так как сократится расход газа на нагрев продуктов следователно сократяться и выбросы в атмосферу в табл. приведена калькуляция штрафоф за выбросы:
|
№ п/п |
Нименование выбросов |
Норматив платы, руб на усл. т |
Объем текущих загрязнений, усл. т |
Объем проектных загрязнений, усл. т |
Разница в плате, руб |
|
1. |
Диоксид углерода |
0,005 |
695 |
185 |
2,55 |
|
2. |
Диоксид азота |
0,42 |
607,7 |
190 |
133,14 |
|
3. |
Углеводороды |
0,010 |
69,5 |
2,6 |
0,669 |
|
4. |
Оксид серы |
0,33 |
42,8 |
22,2 |
6,798 |
|
Всего: |
1415 |
399,8 |
143,157 |
Плата за выбросы с учетом коэффициента экологической ситуации и эконмической значимости сократится на:
ПЛ>выбр> = 143,1572,495,0 = 32640 руб.
Всего экономия средств составит 114458+32640 = 147098 руб.
Калькуляция цеховой себестоимости продукции ЦППНиПБ. Таблица 28
|
Наименование статей расходов |
Кол-во, т. |
Цена, руб. за 1 т. |
Сумма, руб. |
Наименование готовой продукции |
Кол-во, т. |
Коэффициент распределения затрат |
Себестоимость |
|
|
единицы продукции, руб. |
всего выпуска, руб. |
|||||||
|
1 |
2 |
3 |
4 |
5 |
6 |
7 |
8 |
9 |
|
1.Сырье и основные материалы: |
Попутная: |
|||||||
|
Дизельное топливо |
22800 |
1, 20 от средней себестоимости готовой продукции |
813 |
18536400 |
||||
|
Нефть |
69395 |
454 |
31505330 |
|||||
|
Потери безвозвратные (исключаются) |
2345 |
- |
- |
Бензиновая фракция |
12750 |
1,0 от средней себестоимости готовой продукции |
651 |
8300250 |
|
2.Затраты по обработке |
12412144 |
Итого: |
35550 |
26836650 |
||||
|
Основная: |
||||||||
|
Битум дорожный |
31500 |
0,820 от средней себестоимости |
533 |
16809801 |
||||
|
Итого: |
31500 |
16809801 |
||||||
|
Всего: |
67050 |
43646451 |
Всего продукции: |
67050 |
651 |
43646451 |
5.5.Заключение
Для внедрения решений, рассмотренных в проекте, в производство, потребуется 2263500 руб. единовременных затрат. При этом не значительно увеличатся амортизационные отчисления на:
> >
и следовательно себестоимость продукции, выпускаемой в ЦППНиПБ увеличится на:
> >
Но при этом пректная печь за счет более эффективного теплообмена экономит топливный газ и сокращает расходы на оплату штрафов за выбросы, эконмия средств на сумму 147098 руб в год.
Если издержки покрывать за счет эконмии средств предусмотреных в проекте, то срок окупаемости проектных решений составит:
2263500 147098 = 15 лет
Амортизационный срок службы печи 20 лет, следовательно доход в случае внедрения проекта по истечении 15 лет составит
(20 - 15)147098 = 735490 руб
6.Автоматизация производства
Для стабильной работы спроектированной печи, необходимо установить измерительные приборы рис. 45, что позволит следить и управлять процессами происходящими в печи. Для этого необходимо установить термометры, ротаметры, барометры. На рис. 45 показаны места расположения всех необходимых приборов измерения.
Для печи нагрева нефти, мазута и перегрева водяного пара предусмотрены следующие приборы (по месту установки и типу) представлены в табл. .
Типы приборов и места их установки. Таблица 29
|
№ п/п |
Измерительные приборы и места их установки |
Тип, модификация прибора |
Пределы измерений |
|
|
от |
до |
|||
|
Термометры, С |
||||
|
1. |
Температура нефти на входе в печь |
ТСП-1187 |
-200 |
+500 |
|
2. |
Температура нефти на выходе из печи |
ТСП-1187 |
-200 |
+500 |
|
3. |
Температура мазута на входе в печь |
ТСП-1187 |
-200 |
+500 |
|
4. |
Температура мазута на выходе из печи |
ТСП-1187 |
-200 |
+500 |
|
5. |
Температура пара на входе в печь |
ТСП-1187 |
-200 |
+500 |
|
6. |
Температура пара на выходе из печи |
ТСП-1187 |
-200 |
+500 |
|
7. |
Температура в радиантной камере |
ЭЧП-0183 |
-260 |
+1100 |
|
8. |
Температура дымовых газов |
ТСП-0879 |
-260 |
+600 |
|
Измерители давления, Мпа |
||||
|
9. |
Давление нефти на входе в печь |
Сапфир-22ДД |
0 |
16 |
|
10. |
Давление мазута на входе в печь |
Сапфир-22ДД |
0 |
16 |
|
11. |
Давление пара |
Сапфир-22ДД |
0 |
16 |
|
12. |
Давление в радиантной камере |
Сапфир-22ДИВ |
-0,1 |
0,15 |
|
13. |
Давление газа |
Сапфир-22ДД |
0 |
0,2 |
|
Преобразователи расхода, м3/ч |
||||
|
14. |
Расход нефти |
РЭ-16ЖУЗ |
0 |
16 |
|
15. |
Расход мазута |
СМ2-10 |
0 |
10 |
|
16. |
Расход газа |
Тургас ПРГ-100 |
0 |
100 |
|
17. |
Расход воздуха |
Тургас ПРГ-50 |
0 |
50 |
Рис. 45. Схема расположения измерительных приборов в трубчатой печи.
Существующая схема контроля и автоматизации печи может быть использована для регулирования работы спроектированной.
7.Безопасность и экологичность проекта
7.1.Введение
Безопасная организация производственных процессов и труда имеет большое значение на предприятиях химической промышленности, где существует потенциальная опасность аварий, отравлений и взрывов. Предотвращение чрезвычайных ситуаций в значительной степени зависит от строгого соблюдения производственной дисциплины, требований производственного регламента и технологических инструкций.
7.2.Характеристика условий труда.
Сырьем и продукцией на установке первичной переработке нефти и получения битума является пожаровзрывоопасные вещества: углеводороды нефти, нефть, бензин, газойль, мазут, гудрон, битум, дизельное топливо. В технологическом процессе нефтепродукты нагреваются в печах с огневым подогревом выше температуры самовоспламенения. Нефтяной газ, пары нефтепродуктов оказывают вредное действие на организм человека.
Для безопасного ведения технологического процесса необходимо обеспечить: герметичность технологического и другого вспомогательного оборудования, контроль за состоянием воздушной среды в производственных помещениях и зонах, вентиляционных производственных помещений, строго соблюдать нормы технологического режима.
Наиболее опасными местами на установке являются:
помещения насосной для холодной и горячих нефтепродуктов;
площадка колонн К-3, К-5;
площадка окислительной колонны К-1;
площадка реакторов Р-1, Р-2;
площадка технологических печей;
площадка печей дожига;
эстакада налива битума и светлых нефтепродуктов;
площадка электродегидратора;
площадка емкостей готовой продукции.
Характеристика пожароопасных и токсичных продуктов применяемых на объекте представлена в табл. 30.
Таблица 30
|
№ п/п |
Наименование продукта |
ПДК, мг/м3 [66] |
Температура, С |
Пределы взрываемости [65] |
Действие на организм человека |
|||
|
Вспышки |
Воспламенения |
Самовоспламенения |
Нижний |
Верхний |
||||
|
1. |
Углеводородный газ (топливный газ) |
300 |
1,3 |
1,5 |
Наркотическое и удушающее. |
|||
|
2. |
Нефть |
300 |
<0 |
>500 |
Пары и газы оказывают наркотическое действие. Вызывает кожные заболевания. |
|||
|
3. |
Бензиновая фракция |
100 |
-27-39 |
-8-39 |
255-370 |
1,0 |
6,0 |
Пары действуют наркотически вызывают кожные заболевания. |
|
4. |
Атмосферный газойль |
300 |
50-65 |
340-400 |
1,4 |
6,0 |
Низкая испаряемость, пары действуют наркотически. Действие слабее чем убензина. |
|
|
5. |
Вакуумный газоойль |
300 |
>150 |
230-260 |
340-380 |
- |
- |
Воздействует аналогично атмосферному газойлю. |
|
6. |
Мазут |
300 |
>150 |
340-380 |
- |
- |
-- |
|
|
7. |
Гудрон |
300 |
200-230 |
250-300 |
- |
- |
-- |
|
|
8. |
Битум |
300 |
>220 |
>368 |
- |
- |
-- |
|
|
9. |
Дизельное топливо марки – Л |
300 |
>40 |
69-119 |
300 |
2 |
3 |
Пары действуют наркотически. ДТ раздражает слизистую оболочку и кожу. |
|
10. |
марки – З |
300 |
>30 |
62-105 |
310 |
2 |
3 |
|
|
11. |
марки – А |
300 |
>30 |
57-100 |
330 |
2 |
3 |
Для автоматического непрерывного контроля воздушной среды в помещениях: насосной горячих нефтепродуктов, насосной холодных нефтепродуктов, ГПР, дренажной емкости Е-13, насосной промстоков Б-9, насосной условно-чистых стоков Б-8, насосной эстакады налива, дренажной емкости Е-7, эстакады налива установлены сигнализаторы взрывных концентраций типа СВК. При достижении концентрации взрывного вещества в воздухе помещения 20% от нижнего предела взрываемости сигнализатор срабатывает при этом: загорается лампа над входом в соответствующее помещение и включается звуковой сигнал по месту:
дублируется звуковой и световой сигнал на щите в операторной с показанием результатов анализа на шкале соответствующего прибора;
автоматически включается аварийно-вытяжной вентилятор соответствующего помещения;
насосной горячих нефтепродуктов вентилятор В-3а;
насосной холодных нефтепродуктов вентилятор В-4а;
автоматически включается вытяжной вентилятор соответствующег
помещения;
дренажной емкости Е-15;
насосной - промстоков;
насосной условно-чистых стоков Б-8;
насосной эстакады налива;
дренажной емкости Е-7.
При возникновении каких-либо нарушений в цепи СВК, нарушений расхода воздуха автоматически подаются звуковые и световые сигналы по месту и на щите в операторной с высвечиванием табло о неисправности.
Показатели условий труда в рабочей зонеТаблица 31
|
Наименование профессии |
Аппаратчик налива |
Оператор установки |
|
|
Категория тяжести работы |
Средней тяжести II-б |
Средней тяжести II-б |
|
|
Параметры микроклимата |
Температура, ОС |
15 – 17 |
21 – 23 |
|
Относительная влажность, % |
60 |
50 |
|
|
Скорость воздуха, м/с |
0,1 |
0,1 |
|
|
Освещенность, лк |
50 |
30 |
|
|
Наименование вредного вещества на рабочем месте (ПДК, мг/м3) |
Керосин(300) |
Пары нефти(300), бензина(100) |
|
|
Площадь, приходящаяся на одного рабочего, м2 |
10/4,5 |
50/4,5 |
|
|
Объем помещения, приходящийся на одного рабочего, м2 |
57,6/15 |
192/15 |
В пожарно-взрывных помещениях и зонах электрооборудование и электрические контрольно-измерительные приборы применяются в соответствующем взрывозащищенном исполнении.
В производственных помещениях предусмотрены приточно-вытяжная, принудительная, механическая и естественная вентиляция, которая должна обеспечить кратность воздухообмена:
маслохозяйства – 4;
горячая насосная – 12;
холодная насосная – 8;
компрессорная -6;
операторная -5;
ЩСУ-1 - 5 ;
приточная венткамера производственного корпуса - 5;
приточная венткамера горячей и холодной насосной - 3;
насосная дренажных емкостей Е-13, Е-7 - 6.5
насосная промстоков - 6.5;
насосная эстакады налива - 8;
Кроме общеобменных горячая и холодная насосные оборудованы аварийной вентиляции, (В3а, В4а) обеспечивающие восьмикратный воздухообмен помещении.
Приточные вентиляции помещений совмещены с воздушным отоплением.
7.3.Спецодежда и предохранительные приспособления.
Спецодежда, спецобувь и защитные приспособления на установке первичной переработки нефти и получения битума выдаются по норам, установленным инструкцией «о порядке выдачи, хранения и пользования спецодеждой, спецобувью и предохранительными приспособлениями» и в соответствии с «Перечнем профессий рабочих и ИТР ОАО «Сургутнефтегаз».
С целью защиты органов дыхания при выполнении газоопасных работ на установке имеются шланговые противогазы: 3 комплекта рабочих и 3 комплекта аварийных. Для предохранения глаз от светового излучения при обслуживании нагревательных печей рабочие обеспечиваются защитными очками.
7.4.Защита от шума и вибрации
Ожидаемый уровень шума на участке технологической печи П-1 не превышает 80 дБА, в помещении операторной – 60 дБА, что удовлетворяет требованиям государственного стандарта [58], поэтому дополнительная защита от шума в проектируемом производстве не требуется.
Защита от вибрации, генерируемой вращающимися деталями обоудования, предусмотрена при его изготовлении. Вследствие этого ожидаемые параметры вибрации не превышают установленных норм [59].
7.5.Электробезопасность и защита от статического электричества
Для защиты от накопления и проявления зарядов статического электричества все оборудование и трубопроводы должны бить заземлены.
Сопротивление заземлителей на каждое присоединение должно быть не более:
10 Ом - все блочные сооружения, котельная;
50 Ом - прожекторные мачты, подземные емкости;
40 Ом - блок компрессора, КПП, электрический блок, операторная.
В соответствии с РД 39-22-113-78 для защиты от опасных проявлений зарядов статического электричества все металлическое и электропроводное неметаллическое оборудование, трубопроводы должны представлять собой на всем протяжении непрерывную электрическую цепь, которая должна быть присоединена к контуру заземления не менее, чем в двух точках [62, 63].
Для заземления общих точек системы АСУТП выполнено специальное заземление-нуль-система.
Нуль-система включает в себя заземлителя, соединенные кабели и щиты к которым подключается цепи требующие заземления.
Для защиты от электромагнитной индукции между трубопроводами, в местах из взаимного сближения на расстоянии менее 10 см через каждые 25-30 м приведены металлические перемычки вдоль всей трассы эстакады и через каждые 250-300 м присоединены к заземлителям с сопротивлением не более 50 Ом.
Скорость движения электризующихся жидкостей по трубопроводам и истечения их в аппараты, если имеется возможность образования взрывоопасных концентраций газовоздушных смесей, должна ограничиваться до такой величины, чтобы заряд вносимый в емкость с потоком жидкости на мог вызвать с ее поверхности искрового разряда с энергией, достаточной для вспламенения окружающей среды. При заполнении порожнего резервуара, жидкостью имеющей удельное объемное электрическое сопротивление более 10 см/м, скорость закачки ограничивается до 1,2 м/сек, до момента когда конец загрузочной трубы окажется ниже уровня зеркала закачиваемого продукта при диаметре трубопровода до 200 мм. Отвод зарядов статического электричества при наливе бензина и газойлей в автоцистерны достигается созданием непрерывной цепи заземления следующим образом:
резиновый наливной шланг должен быть обвит медной проволокой или медным тросиком диаметром не менее 2 мм с шагом витка не более 100 мм, концы которых присоединяются болтовым соединением к частям трубопровода от насоса и наконечнику шланга выполненого из искробезопасного материала;
секции телескопических наливных труб соединяются между собой медным тросиком;
автоцистерна заземляется медным тросиком к металлическому штырю, вбитому в грунт на глубину не менее 1м;
шланг с наконечником или телескопическая труба опускается до днища автоцистерны и налив осуществляется «под уровень».
7.6.Пожарная безопасность
Установка переработки нефти состоит из отдельных блоков. Разрыв между блоками, а также расположение аппаратов принимаются в соответствии с «Противопожарными нормами проектирование предприятий, зданий и сооружений нефтеперерабатывающей и нефтехимической промышленности» ( ВНТП - 28 - 79).
Помещение горячей и холодной насосной оборудованы стационарными системами пенотушения с непосредственным подключением передвижной пожарной техники в случае загорания [60, 64, 65].
Сведения о вреде применяемых веществ представлены в табл. 33
Группы и категории взрывоопасности применяемых продуктов по ГОСТ 12.1.011-78. Таблица 32
|
№ п/п |
Наименование веществ, образующих взрывоопасную смесь с воздухом |
Категория, группа взрывоопасности смеси |
|
1. |
Нефтяной газ (метан) |
II, A-T1 |
|
2. |
Нефть сырая |
II, A-T3 |
|
3. |
Бензиновая фракция |
II, A-T3 |
|
4. |
Дизельное топливо |
II, В-T3 |
В насосных блоках, в трубчатых печах и в колонне окисления установлена автоматическая система пажаро-тушения.
Характеристика пожаро- и взрывоопасности отделений. Таблица 33
|
Наименование установки, отделения производственного помещения |
Категория пожарной опасности процесса |
Степень огнестойкости зданий и сооружений, час |
Классификация помещений и наружных установок |
|
|
Класс помещения по ПЭУ |
Категория и группа взрывоопасных смесей по ПУЭ |
|||
|
Блок холодной и горячей насосной |
А |
2,5 |
В-1А |
ПА-ТЗ |
|
Блок электродегидратора с теплообменников |
А |
-- |
В-1Г |
ПА-ТЗ |
|
Блок печей П-1, П-3 |
А |
-- |
В-1Г |
ПА-ТЗ |
|
Блок колонн с постаментом |
А |
-- |
В-1Г |
ПА-ТЗ |
|
Площадка емкостей товарного парка Е-10,11,12 |
А |
-- |
В-1Г |
ПА-ТЗ |
|
эстакада налива светлых нефтепродуктов |
А |
-- |
В-1Г |
ПА-ТЗ |
|
Площадка реакторов бескомпрессорного окисления Р-1, Р-2 печей дожига П-2/1,2 и емкостей готового битума. |
А |
-- |
В-1Г |
ПА-ТЗ |
|
Блок получения битума в окислительной колонне К-1 |
В |
-- |
П-Щ |
|
|
Блок защелачивания бензина |
А |
-- |
ПА-ТЗ |
|
|
Площадка емкостей товарного битума Е-15/1, Е-15/2, Е-15/3 |
В |
-- |
В-1Г |
ПА-ТЗ |
|
Помещение насосной дренажной емкости Е-13 |
А |
0,75 |
П-Щ |
|
|
Помещение насосной промстоков Б-9 |
А |
0,75 |
В-1а |
ПА-ТЗ |
|
Помещение ГРП |
А |
0,75 |
В-1а |
ПА-ТЗ |
|
Помещение насосной условно чистых стоков Б-8 |
А |
0,75 |
В-1а |
ПА-ТЗ |
|
Помещение насосной эстакады налива |
А |
0,75 |
В-1а |
ПА-ТЗ |
|
Помещение дренажной емкости Е-7 |
А |
0,75 |
В-1а |
ПА-ТЗ |
Помещения оборудованы приточно-вытяжной и аварийной вентиляциями. В случае простоя основной рабочей вентиляции автоматически включается аварийная, установленная из расчета удаления всего воздуха из помещения за 10 минут.
Организована пожарная охрана объекта. Все перечисленные в табл. 33 роизводственные помещения оснащены средствами пожаротушения – водой, песком, углекислотными огнетушителями.
7.7.Чрезвычайные ситуации.
Возникновение чрезвычайных ситуаций (взрыв, пожар) возможно при несоблюдении требований технологического регламента, техники безопасности.
В случае возникновении пожара или взрыва принимаются следующие меры (см. рис. 46):
вызов пожарной охраны;
оповещение путем включения аварийной сигнализации;
эвакуация работающих на лестничные клетки и выходом наружу.
П
Рис. 46. Дерево отказов.
А - пожар (венчающее событие); Б – возгорание нефти; В - возгорание мазута; Г – утечка нефти; Д – утечка мазута; Е – взрыв газа; 1 – прогар змеевиков; 2 – не герметичность соединения труб; 3 – прогар змеевиков; 4 - невнимательность работающего при выжиге закоксованности участков змеевика; 5 – нарушение технологических параметров топливного газа.
осле ликвидации пожара создается комиссия для определения причин возникновения чрезвычайной ситуации, степени повреждения строительных конструкций и оборудования и оценки нанесенного ущерба; составляется смета на ремонт зданий и замену оборудования; проводится ремонт.
их.
7.8.Экологичность проекта
Твердые отходы образуются при зачистке оборудования установки перед производством ремонтных работ. твердые отходы утилизируются в полигоне нефтешламов. Жидкие отходы образуются в процессе производства «черный соляр». При отсутствии потребителей, жидкими отходами являются бензиновая фракция, атмосферный и вакуумные газойли. Жидкие отходы утилизируются закачкой в нефтесборную сеть НГДУ «Сургутнефтегаз».
7.9.Выбросы в атмосферу
Источниками выбросов в атмосферу являются дымовые трубы технологических печей П-1, П-3, печей дожига П-2/1,2, котельной, не плотности оборудования. Загрязняющими веществами являются продукты сгорания топливного газа в печах П-1, П-3, котельной, «хвостовых» газов в печах дожига П-2/1,2, углеводородный газ, СО, NO, SO. Количество и состав вредных веществ выбрасываемых в атмосферу приведены в табл. 33 [59].
Количество жидких пpомотходов. Таблица 34
|
№ п/п |
Наименование жидких отходов |
Промежуточный склад |
Периодичность образования |
Условие захоронения |
Удельная норма, % (масс.) |
Количество т/год |
|
1. |
Черный соляр |
Е-13 |
непрерывно |
в нефтепровод |
0,3 |
356 |
|
2. |
Атмосферный газойль |
Е-12 |
непрерывно |
в нефтепровод |
5,4 |
6415 |
|
3. |
Вакуумный газойль |
Е-11 |
непрерывно |
в нефтепровод |
26,6 |
31600 |
|
4. |
Бензиновая фракция |
Е-10 |
непрерывно при отсутствии потребителя |
в нефтепровод |
5,8 |
5800 |
Количество вредных веществ выбрасываемых в атмосферу. Таблица 35
|
№ п/п |
Наименование источника выброса |
Вещества |
Количество выбросов, кг/м3 |
Улавливающее оборудование |
|
1. |
Дымовая труба П-2 |
СН>4> |
1,0653 |
отсутствует |
|
NO>2> |
8,8424 |
отсутствует |
||
|
CO>2> |
10,6531 |
отсутствует |
||
|
SO |
1,5648 |
отсутствует |
||
|
2. |
Дымовая труба П-1 |
СН>4> |
0,2641 |
отсутствует |
|
NO>2> |
3,8 |
отсутствует |
||
|
CO>2> |
2,641 |
отсутствует |
||
|
3. |
Дымовая труба П-3 |
СН>4> |
0,3946 |
отсутствует |
|
NO>2> |
1,9624 |
отсутствует |
||
|
CO>2> |
3,9514 |
отсутствует |
||
|
SO |
0,4064 |
отсутствует |
||
|
4. |
Дымовая труба проектной печи П-1 |
СН>4> |
0,025 |
отсутствует |
|
NO>2> |
1,8 |
отсутствует |
||
|
CO>2> |
1,76 |
отсутствует |
||
|
SO |
0,2105 |
отсутствует |
||
|
5. |
Дымовая труба котельной |
NO>2> |
7,8125 |
отсутствует |
|
CO>2> |
24,2920 |
отсутствует |
||
|
6. |
Технологическое оборудование (не плотности) |
СН>4> |
63,0969 |
отсутствует |
Вода на установку первичной переработки нефти и получения битума по трубопроводу поступает из водопровода «Обской водозабор - Федоpовское месторождение».
Вода потребляется для производственных нужд:
для обессоливания нефти;
для охлаждения нефтепродуктов;
для охлаждения насосов;
для охлаждения воздуха после компрессора;
для работы пароэжекторной установки;
для подпитки котельной с котлами ПКГМ-4 и выработки пара;
для нужд лаборатории физико-химического анализа;
для подпитки системы пожаpотушения;
для огнеогpадителей печей дожига.
Расчет потребности воды и утилизации сточных вод приведен в табл. 36 [59].
Потребность воды и утилизации сточных вод. Таблица 36
|
№ п/п |
Статья расхода |
Норма расхода на ед. оборудования |
Количество оборудования |
Потребность воды, м3/год |
Количество стоков, м3/год |
Источник водоснабжения |
|
Хозяйственно бытовые нужды |
||||||
|
1. |
Питьевой режим |
25 л/чел |
105 чел |
956,3 |
956,3 |
|
|
2. |
Душевые |
500 л/сетка |
4 |
730 |
730 |
|
|
3. |
Столовая |
1868 |
1868 |
|||
|
Хозяйственно бытовые нужды |
||||||
|
1. |
Лаборатория |
1 м3/час |
8760 |
8760 |
Обской водозабор |
|
|
2. |
Потпика системы пожаротушения |
1,5 м3/час |
547,5 |
547,5 |
Обской водозабор |
|
|
3. |
Охлаждение воздуха в блоке подготовки |
1 м3/час |
2 |
16080 |
16080 |
Обской водозабор |
|
4. |
Обессоливание нефти |
1,5 м3/час |
12060 |
12060 |
||
|
5. |
Выработка пара |
4 т/час |
2 |
80400 |
64000 (80%) |
|
|
6. |
Для нужд котельной |
10 м3/реген. |
4 реген. в сутки |
13400 |
13400 |
|
|
7. |
Подпитка системы оборотного водоснабжения |
40000 |
40000 |
|||
|
8. |
Огнеоградители печей П-1, П-3 |
20 кг/час |
20 кг/час |
322 |
||
|
Всего: |
176497 |
159775 |
7.10.Выводы.
Благодаря введению предложенного мероприятия по реконструкции печей П-1 и П-3 на более совершенную конструкцию печи, уменьшается вероятность отказов печи, что с снижает вероятность возникновения чрезвычайных ситуаций по техническим причинам.
Во время работы печей обеспечить систематический визуальный контроль за состоянием труб змеевика, подвесок и за горением топлива.
Предложенный проект обеспечивает безопасные условия труда работающ.
При проектировании печи температура дымовых газов, была снижена с 600 С до 400 С, следовательно снижено тепловое воздействие на окружающую среду. За счет наиболее эффективного использования тепла, снижен расход топливного газа, следовательно и выбросы в атмосферу.
Предложенный проект удовлетворяет требованиям об охране окружающей среды.
Заключение
В проекте произведена реконструкция цеха первичной переработки нефти и получения битума на ОАО «Сургутнефтегаз». Спроектирована печь, которая обеспечит технологический процесс необходимым количеством тепла, для нагрева нефти, мазута и пара. Эта печь заменит две печи П-1 и П-3. Печь спроектирована таким образом, что не потребует дополнительных материальных затрат.
За счет использования эффективных панельных горелок повысился КПД печи на 5%. В следствии улучшения теплообмена в проектируемой печи понижена температура дымовых газов до 400 С, т. е. повышено использование вырабатываемого тепла. За счет более глубокого теплообмена сократился объем сжигаемого топлива, следовательно и количество дымовых выбросов, что благоприятно сказывается на экологии окружающей среды.
Выполнен подбор измерительных средств для контроля тепловых процессов в технологической печи. При проведении реконструкции на месте целесообразно использовать уже установленные автоматические системы управления на печах П-1, П-3.
Предлагаемая реконструкция цеха экономически обоснована и внедрение ее в производство целесообразно.
Список сокращений
|
БР – блок подготовки и закачки реагента. |
|
|
БРХ – блок реагентного хозяйства. |
|
|
ДНС – дожимнонапорная станция. |
|
|
ЕП – емкость подземная. |
|
|
КИПиА – контрольно-измерительные приборы и автоматика. |
|
|
НГДУ – нефтегазодобывающее управление. |
|
|
НГДУ – нефте-газо-добывающее управление. |
|
|
НД – насос дозировочный. |
|
|
ОАО – открытое акционерное общество. |
|
|
РВС – резервуар вертикальный стальной. |
|
|
УВСИНГ – управление внутрипромыслового сбора и использования нефтиянного газа. |
|
|
УПН – установка подготовки нефти. |
|
|
УПСВ – установка предварительного сброса воды. |
|
|
ЦДНГ – цех добычи нефти и газа. |
|
|
ЦКПН – цех контрольной проверки нефти. |
|
|
ЦППН – цех первичной подготовки нефти. |
|
|
ЦППНиПБ – цех первичной переработки и получения битума. |
|
|
ЭГ – электродегидратор. |
|
|
ЭЛОУ – электрообессоливающая установка. |
Список использованных источников
Регламент работы установки первичной переработки нефти и получения битума. Изд. ОАО «Сургутнефтегаз», 348 с.
Голомшток И. С., Овсянников Д. В., Самсонов Н. А. Проектирование и принципы сооружения нефтезаводов. М.:Гостоптехиздат, 1960.
Добрянский А. Ф. Химия нефти. М.:Гостоптехиздат, 1961.
Иванова Л. В., Корнеев М. И., Юзбашев В. Н. Технология переработки нефти и газа. М.: «Химия», 1966.
Пархоменко В. Е. Технология переработки нефти и газа. М.: Гостоптехиздат, 1959.
Правила эксплуатации нефтегазоперерабатывающих заводов. ЦНИИТЭНефтехим, 1966.
Проблемы переработки высокосернистых нефтей. ЦНИИТЭНефтехим, 1966.
Смидович Е. В. Технология переработки нефти и газа. ч. 2, М.:«Химия», 1968.
Соколов В. А. Нефть. М.:«Недра», 1970.
Фарамазов С. А. Эксплуатация оборудования нефтеперерабатывающих заводов. М.:«Химия», 1969.
Черножуков Н. И. Технология переработки нефти и газа. ч. 3, М.: «Химия», 1967.
Эрих В. Н., Расина М. Г., Рудин М. Г. Химия и технология нефти и газа. М.:«Химия», 1972.
Краткий справочник физико-химических величин. М.:Госхимиздат, 1957.
Справочник химика. т. 1-3, М.:Госхимиздат, 1951-1952.
Обрядчиков С. Н. Технология нефти. ч. 2, М.:Гостоптехиздат, 1948.
Горшко В. Д., Розенбаум Р. Б., Тодес О. М. Изв. вузов. Нефть и газ. №1, 1958.
Дезникович К. А., Тодес О. М. Изв. вузов. Нефть и газ. №8, 1959.
Скобло А. И., Трегубова А. И., Егров Н. Н. Процессы и аппараты нефтеперерабатывающей и нефтехимической промышленности. М.: Гостоптехиздат, 1962.
Фазовые равновесия легких углеводородов. (сборник переводов статей из иностранных журналов). М.: Гостоптехиздат, 1958.
Кафаров В. В. Основы массопередачи. М.: Изд. «Высшая школа», 1962.
Кузнецов А. А., Судаков Е. Н. Известия МВО СССР, серия «Нефть и газ». № 4 (1964).
Дубовкин Н. Ф. Справочник по углеводородным топливам и их продуктам сгорания. М.:Госэнергоиздат, 1962.
Хамди А. М., Скобло А. И., Молоканов Ю. К. Химическая и технология топлив и масел. № 2, 1963.
Александров И. А. и др. Химическая и технология топлив и масел. № 7, 1961.
Григорьев В. А., Калач Т. А., Соколовскии В. С., Темкин Р. М. Краткий справочник по теплообменным аппаратам. М.:Госэнергоиздат, 1962.
Эмирджанов Р. Т. Примеры расчетов нефтезаводских процессов и аппаратов. Л.:Азнефтеиздат, 1957.
Михеев М. А. Основы теплопередачи. М.:Госэнергоиздат, 1956.
Хоблер Т. Теплопередача и теплообменники. М.:Госхимиздат, 1961.
Гребер Г., Эрк С., Григулль У. Основы учения о теплообмене. М.:Издатинлит, 1958.
Кутателадзе С. С., Боришанский В. М. Справочник по теплопередаче. М.:Госэнергоиздат, 1959.
Реферативный журнал «Химия». Сводный том, № 17, реф. 17Н55 1963.
Антуфьев В. М., Белецкий Г. С. Теплопередача и аэродинамическое сопротивление трубчатых поверхностей в поперечном потоке. Пермь: Машгиз, 1948.
Новое нефтяное оборудование. М.:Гостоптехиздат, 1961.
Теплофизические свойства веществ. Справочник. М.:Госэнергоиздат, 1956.
Рабинович Г. Г. Расчет нефтеперегонной аппаратуры. М.:Гостоптехиздат, 1941.
Егиазаров Н. В. Методы расчета аппаратуры и оборудования нефтеперегонных заводов. М.:Азнефтеиздат, 1935.
Михеев М. А., Михеева И. М. Краткий курс теплопередачи. 1960.
Ястржембский А. С. Техническая термодинамика. Госэнергоиздат, 1960.
Бахшиян Ц. А. Трубчатые печи с излучающими стенами топки. М.:ГОСИНТИ, 1960.
Адельсон С. В. Технологический расчет и конструктивное оформление нефтезаводских печей. М.:Гостоптехиздат, 1952.
Блох А. Г. Основы теплообмена излучением. М.:Госэнергоиздат, 1962.
Чиркин В. С. Теплофизические свойства материалов, М.:Физматгиз, 1959.
Ярослав Котишек, Владимир Род Трубчатые печи в химической промышленности. М.:Гостоптехиздат, 1963.
Введенскии А. А. Термодинамические расчеты нефтехимических процессов. М.:Гостоптехиздат, 1960.
Экспресс-информация. Химия и переработка нефти и газа. № 26, реф. 246 1963.
Рабинович Г. Г., Адельсон С. В. Процессы и аппараты нефтеперерабатывающей промышленности. М.:Гостоптехиздат, 1949.
Казьмин Г. И., Гвоздецкий Л. А., Касаткин В. А., Семенов Б. С. Нефтепеперерабатывающие заводы США. М.:Гостоптехиздат, 1962.
Экспресс-информация. Процессы и аппараты химических производств. № 7, реф. 54, 1963.
Америк Б. К. и др. Технология переработки нефти и газа. Нефтехимия, Труды ГрозНИИ, вып. XII, М.:Гостоптехиздат, 1963.
Экспресс-информация. Процессы и аппараты химических производств. № 5, реф. 40, 1963.
Краснощеков Е. А., Сукомёл А. С. Задачник по теплопередаче. М.:Госэнергоиздат, 1963.
Павлов К. Ф., Романков П. Г., Носков А. А. Примеры и задачи по курсу процессов и аппаратов химической технологии. М.:Госхимиздат, 1961.
Новейшие достижения нефтехимии и нефтепереработки, т. Н, под ред. К. А. Кобе и Дж. Дж. Мак-Кета, М.:Гостоптехиздат, 1960.
Обрядчиков С. Н. Технология нефти. ч. II. М.:Гостоптехиздат, 1952.
Гоихрах И. М., Пинягин Н. Б. Химия и технология искусственного жидкого топлива. М.:Гостоптехиздат, 1960.
Реферативный сборник. серия «Химия и переработка нефти». вып. 45, 1947.
Вукалович М. П. Термодинамические свойства воды и водяного пара. М.:Машгиз, 1958.
ГОСТ 12.1.005-88 ССБТ. Общие санитарно-гигиенические требования к воздуху рабочей зоны.
ГОСТ 12.2.033-78 ССБТ. Рабочее место при выполнении работ стоя. Общие эргономические требования.
Лазарев Н. В., Левина Э.И. Вредные вещества в промышленности. «Химия», М.:1976, т.1-592с., т.2-600с., т.3-608с.
ГОСТ 12.4.021-75 ССБТ. Системы вентиляционные. Общие требования.
СНиП 23-05-95. Строительные нормы и правила. Нормы проектирования. Естественное и искус к термическому воздействию.
2 В числителе величина октанового числа, а в знаменателе сортность — показатель детонационной стойкости на богатых смесях.
3 Тетраэтилсвинец.
4 Буквами А, Б, В, Г, Д и Е обозначены типы двигателей, для которых предназначены эти масла; А—для бензиновых четырехтактных двигателей; Б—для форсированных бензиновых четырехтактных двигателей или дизелей, работающих на топливе с содержанием серы до 0,5%; В—для V-образных бензиновых четырехтактных двигателей и форсированных дизелей, работающих на топливе с содержанием серы до 1,0%; Г—для высокофорсированных дизелей, работающих на топливе с содержанием серы до 1,0%; Д — то же, но с малым расходом масла; Е—для тихоходных высокофорсированных дизелей с лубрикаторной системой смазки и работающих на топливе с содержанием серы до 3%.
5 Вертикальные конвекционные печи высокого давления, с ребристыми трубами, применяемые на комбинатах искусственного жидкого топлива, весьма компактны, безопасны в эксплуатации и наряду с этим достаточно эффективны. Ребра, приваренные к трубам, при тщательном их изготовлении служат одновременно бандажами и, следовательно, повышают прочность труб. Для гидрогенизационных установок высокого давления (200 атм. и выше), обслуживаемых портальными кранами, предпочтительно применение компактных вертикальных конвекционных печей. Для систем среднего и низкого давлении типа установок ДНД применение экранных печей становится достаточно перспективным. Ред.