Промышленное здание с ЖБ каркасом
Содержание:
Исходные данные
Генплан
Объемно-планировочные решения
Архитектурно-конструктивные решения
4.1. Фундамент
4.2. Фундаментная балка
4.3. Колонны
4.4. Покрытие
4.5. Теплотехнический расчет стеновых ограждений
4.6. Наружные стеновые панели
4.7. Кровля
4.8. Окна
4.9. Ворота
4.10. Полы
Расчет административно-бытового корпуса (АБК)
Список литературы
1. Исходные данные
В данной курсовой работе выполнен проект одноэтажного промышленного здания «Цех формовки и термообработки железобетонных конструкций».
Район строительства |
г. Саратов. |
|
Пролеты L>1>, м |
18 |
|
Пролеты L>2>, м |
18 |
|
Длина l, м |
72 |
|
Высота H>1>, м |
10,8 |
|
Высота H>2>, м |
12,6 |
|
Грузоподъемность Кранов Q>1,> Q>2,> т |
12,5 |
|
10 |
|
|
Работающих: всего , в наиболее загруженную смену, % женщин |
160 120 30 |
|
Сан. группа производственного процесса |
1б |
|
Расчетная внутренняя температура |
+16 0С |
|
Относительная влажность воздуха |
80% |
Температура наиболее холодной пятидневки: -27°С;
средняя температура холодного периода: -4,3°С;
продолжительность холодного периода: 196 сут.
Краткая характеристика технологического процесса: Арматура и материал для форм поступают на грузовых автомобилях на участок заготовки арматуры и на участок подготовки форм. Затем арматурные каркасы и формы поступают на участок формовки изделий, откуда формованные изделия отправляют на тепловлажностную обработку. По завершении термообработки готовые элементы попадают на участок контроля и маркировки, где их отгружают на автотранспорт. Транспортировка внутри цеха осуществляется кранами и железнодорожной тележкой.
1- заготовка арматуры
2- подготовка форм
3- формовка изделий
4- тепловлажностная обработка
2. Генплан
Взаимное расположение зданий и сооружений на генеральном плане предприятия, ширина разрывов между ними, трассировка транспортных сетей и т.п. находятся в неразрывной связи с технологической схемой всего предприятия.
Расположение зданий и сооружений на генеральном плане принято в соответствии с технологической схемой, а также с учетом необходимости блокирования зданий и зонирования территории. Также предусмотрено благоустройство (озеленение, стоянка для автомашин, дороги).
В соответствии с требованиями блокирования отдельные сооружения объединены в единый производственный блок, что позволяет четко разбить территорию предприятия прямолинейными проездами и создает предпосылки для улучшения архитектурной композиции застройки.
Зонирование застройки внутри производственной зоны предприятия осуществляется по функционально-технологическому признаку. Также при разработке генерального плана соблюдалась изоляция грузовых и людских потоков.
По противопожарным требованиям минимальные расстояния между зданиями и сооружениями назначены в соответствии со степенью огнестойкости их конструкций и категорий производства по указаниям СНиП 2-89-80 «Генеральные планы промышленных предприятий».
Схема генерального плана показана на рис. 2.1.
Рис.
2.1. Схема генплана
3. Объемно-планировочные решения
Данный цех представляет собой одноэтажное двухпролетное бесфонарное здание с перепадом высот по пролетам 1,8 м , имеющего простую прямоугольную форму в плане (см. рис. 3.1).
По типу подъемно-транспортного оборудования данное промышленное здание относится к крановому (с мостовыми кранами 10т и 12,5т).
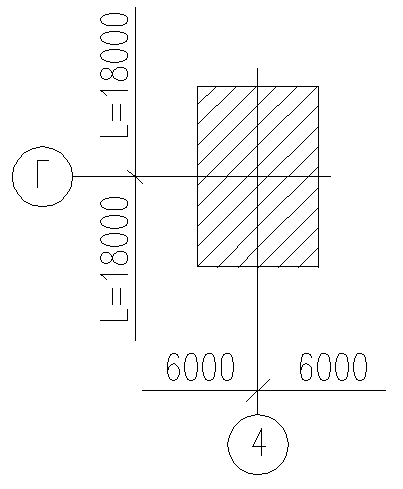
Размеры здания в плане 36,572 м. По объемно-планировочному решению здание представляет собой схему ячейкового (здание с объемно-планировочными элементами или пространственной ячейкой) типа с двумя параллельными пролетами по L>1>=L>2>=18. Шаг колонн по наружным и внутренним осям B=6.000 м. Высота от чистого пола до низа несущих стропильных конструкций первого пролета H>1>=10,8 м, второго - H>2>=12,6 м.
Внутрицеховой транспорт – мостовые электрические краны, по два крана в пролете. В первом продольном пролете грузоподъемность кранов составляет Q>1>=12,5 т; во втором продольном пролете грузоподъемность кранов Q>2>=10 т.
Для передачи из пролета в пролет и из одного отделения в другое в проекте предусмотрены передаточные тележки.
В площадь здания 2628 м2 входят следующие помещения:
Заготовка арматуры - 788,4 м2;
Подготовка форм - 131,4 м2;
Формовка изделий - 525,6 м2;
Тепловлажностная обработка - 1051,2 м2;
Контроль, маркировка - 131,4 м2;
В здании предусмотрено трое ворот для эвакуации людей и въезда автомобильного транспорта.
Здание отапливаемое, с естественным освещением. Установлены санитарные узлы. Максимальное расстояние от самой удаленной точки цеха до санузлов составляет не более 75 м, что отвечает санитарно-гигиеническим требованиям.

Рис. 3.1. План здания
Привязка колонн к продольным разбивочным осям (рис.3.2):
К продольным осям колонны имеют нулевую привязку (наружная грань колонны совпадает с разбивочной осью). Размер вставки между осями при продольном деформационном шве 500 мм.

Рис. 3.2. Привязка колонн к продольным разбивочным осям
Привязка колонн к крайним поперечным осям (рис. 3.3):
К крайним поперечным осям, колонны имеют привязку 500 мм - оси 1, 13 т.е. геометрические оси сечения колонн смещены внутрь от разбивочной оси на 500 мм.

Рис. 3.3. Привязка колонн к поперечным разбивочным осям
Привязка колонн к средним разбивочным осям (рис. 3.4):
К средним осям колонны имеют центральную привязку (оси проходят через геометрический центр тяжести нижней части колонны).

Рис. 3.4. Привязка колонн к средним разбивочным осям
4. Архитектурно-конструктивные решения
Данное промышленное здание выполняется по каркасной схеме (рис.4.1). В качестве материала для каркаса принят железобетон. Несущим остовом одноэтажного каркасного промышленного здания служат поперечные рамы и связывающие их продольные элементы.
Статическая работа каркаса рамно-связевая.

Рис. 4.1. Каркасная рамно-связевая конструктивная схема
Поперечная рама каркаса состоит из стоек (колонн), жестко заделанных в фундамент, и плит-оболочек, опертых на ЖБ продольные балки. Соединение колонн с покрытием шарнирное.
В продольном направлении жесткость обеспечивается постановкой вертикальных портальных связей в осях 7-8, и жестким диском покрытия.
Железобетонный каркас состоит из следующих элементов:
фундамент
фундаментные балки
колонны
продольные балки
плиты-оболочки
стеновые панели
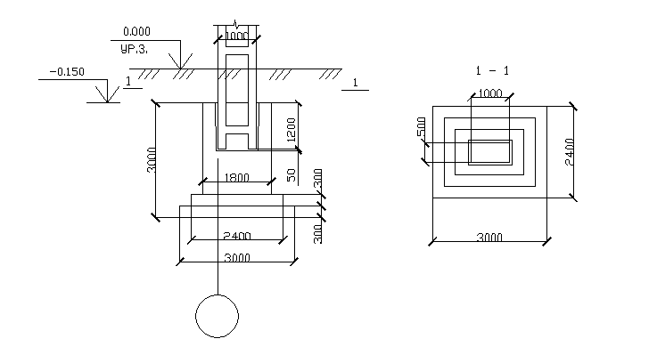
4.1. Фундаменты
Монолитные железобетонные фундаменты со ступенчатой плитной частью (серия 1.412) под колонны серии КЭ-01-52.
Обрез фундамента располагается на отметке – 0,150 м под железобетонные колонны.
Колонна площадью сечения 1,0 x 0,4 и 0,5 м, подколонник площадью сечения 1,8 x 1,2 м, глубина стакана 0,95 м. Фундамент ФГ 31-35(см. рис. 4.1.1.). Площадь сечения подошв: первой – 3,3 x 2,4 x 0,3 м, второй - 2,4 x 1,8 x 0,3. Высота фундамента 3,0 м. Объем бетона 7,97 м3.
Фундаменты армируются типовыми арматурными сетками (горизонтальный элемент) и плоскими каркасами (вертикальный элемент), изготовленные из арматуры периодического профиля.

Рис. 4.1.1. Схема фундамента: ФГ 31-35
4.2. Фундаментная балка
Фундаментная железобетонная балка для шага колонн 6м (серия КЭ-01-23).
Самонесущие стены промышленного здания устанавливают на фундаментные балки. Сечение балки трапецеидальное, размеры сечения показаны на (рис. 4.2.1.), посредством которых нагрузку передают на фундаменты колонн каркаса. Фундаментные балки укладывают на специально заготовленные бетонные столбики, устанавливаемые на обрез фундаментов (– 0,150 м). Это так называемые приливы площадью сечения 0,3 x 0,6 м с обрезом на отметке – 0,45 м (при высоте балок 0,4 м, для шага колонн 6 м).
При замерзании под действием увеличивающихся в объеме пучинистых грунтов в фундаментных балках могут возникнуть деформации, а также промерзание пола вдоль стен, от этого избавляются путем засыпки балки с боков и снизу шлаком. Поверх фундаментных балок укладывают гидроизоляцию из цементно-песчаного раствора или из двух слоев рулонного материала на мастике. На поверхности земли вдоль фундаментных балок устраивают отмостку или тротуар. После установки сборных фундаментных балок зазоры между ними и колоннами заполняют бетоном. Под воротами фундаментные балки не устраиваются.

Рис. 4.2.1. Фундаментная балка
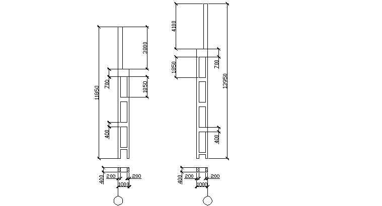
4.3. Колонны
Железобетонные колонны прямоугольного сечения для зданий высотой 10,8м и 12,6м с кранами грузоподъемностью 10-15 т. (серия КЭ-01-52)
Для параллельных пролетов в осях АБВГ 18 м, шагов колонн 6 м проектом предусмотрены железобетонные колонны прямоугольного сечения серии КЭ-01-52. Размеры колонны показаны на рис. 4.3.1.

Рис. 4.3.1. Колонны
Колонны фахверка.
Для крепления торцевых стеновых панелей предусмотрены колонны торцевого фахверка из сварного широкополочного двутавра (рис.4.3.2). Шаг колонн фахверка 6 м. Привязка фахверковых колонн к крайним поперечным осям нулевая. Для навешивания поперечных перегородок устанавливаются фахверковые колонны из двух швеллеров №20 (рис.4.3.3) с шагом 6 м.
Основные колонны у торца, смещенные на 500 мм, дополнены по всей высоте до плоскости стены приколонными фахверковыми стойками.

Рис. 4.3.2 Рис. 4.3.3
Подкрановые балки
Подкрановые балки серия КЭ-01-57.
В промышленном здании предусмотрены стальные подкрановые балки, работающие по разрезной схеме. Сечением является сварной двутавр с развитым верхним поясом. Для пролета 18 м, шага колонн 6 м и кранов грузоподъемностью 10-15 т высота вертикала составляет 740 мм (см. рис. Рис. 4.3.4). Для обеспечения устойчивости вертикал укреплен поперечными ребрами жесткости, установленными через 1200 мм.

Рис. 4.3.4. Подкрановая балка
Крановые пути прокладываются из железнодорожных рельсов широкой колеи Р-38. Крепление рельсов выполняется на крюках. В пределах температурного блока рельсы свариваются в одну плеть.
Для предупреждения аварий при работе крана у торцов здания крановые пути ограничиваются концевыми упорами типа железнодорожных тупиков, привариваемыми к подкрановой балке.
4.4. Перекрытие
Сегментная плита-оболочка П-образного сечения 3х18 м.
Плита-оболочка представляет собой короткий цилиндрический свод-оболочку с двумя боковыми ребрами-диафрагмами сегментного очертания. Высота плиты на опоре 140 мм, в шелыге свода 1000 мм. Толщина оболочки в пролете 30 мм. Толщина стенки бокового ребра 40 мм. Наружная грань усилена ребрами жесткости с интервалом до 1,6 м. Железобетонная плита-оболочка представлена на рис. 4.4.1.
Основная арматура плиты-оболочки состоит из двух преднапряженных стержней, расположенных в нижней зоне ребер и образующих затяжки свода, торцовой арматуры ребер и сварной сетки в оболочке.
Плита опирается на нижележащие конструкции четырьмя стальными пятами, расположенными в ее углах и обеспечивающими заанкеривание затяжек.
В оболочке могут быть предусмотрены отверстия: для светоаэрационных либо аэрационных фонарей и для водоприемника.
Применение плит-оболочек значительно сокращает количество марок и монтажных элементов покрытия, уменьшает его конструктивную высоту, а, следовательно, и площадь обстраивающих его стен.
Рис.
4.4.1. Плита-оболочка 3х16 м.
4.5. Теплотехнический расчет стеновых ограждений
Исходные данные для расчета: район строительства – г. Саратов;
-
Температура внутреннего воздуха t>вн>
16°С
Зона влажности территории (прил. 1 [1])
3 (сухая)
Влажность φ
80 %
Влажностный режим
мокрый
Условия эксплуатации конструкций
В (мокрый)
Коэффициент положения конструкции n (табл. 3 [1])
1
Коэффициент тепловосприятия α>в>
8,7 Вт/м2°С
Коэффициент теплоотдачи α>н>
23 Вт/м2°С
Нормируемый температурный перепад Δtн
7°С
Температура наружного воздуха t>н>
–27°С
Температура отапливаемого периода t>оп>
–4,3°С
Продолжительность отапливаемого периода Z>оп>
196 сут.
Требуемое сопротивление теплопередаче
(м2°С/Вт).
ГСОП=(t>в> – t>оп>)*Z>оп>=(16–(-4,3))*196=3979
Приведенное сопротивление теплопередаче
R>пр>=2,1856 (м2°С/Вт).
Для необходимой теплоизоляции принята трехслойная навесная стеновая панель общей толщиной 250 мм, состоящая из двух слоев железобетона, толщиной 70 мм и 50 мм (λ=1,92 Вт/м°С), и внутреннего слоя из пенополистирола толщиной 130 мм плотностью γ=150 кг/м3 (λ=0,052 Вт/м°С), являющегося эффективным утеплителем.
-
№ слоя
Материал слоя
Плотность γ, кг/м3
Толщина слоя δ, м
Коэф. теплопров. λ, Вт/м°С
Термич. сопротивл. слоя R= δ/ λ, м2°С/Вт
1
Железобетон
2500
0,12
1,92
0,0625
2
Пенополистирол
150
0,13
0,052
2,5
(м2°С/Вт).
R>0>≥R>0>тр=0,71 м2°С/Вт; R>0>≥R>0>пр=2,1856 м2°С/Вт.
Конструкция удовлетворяет требованиям СНиП и может быть использована в проекте.
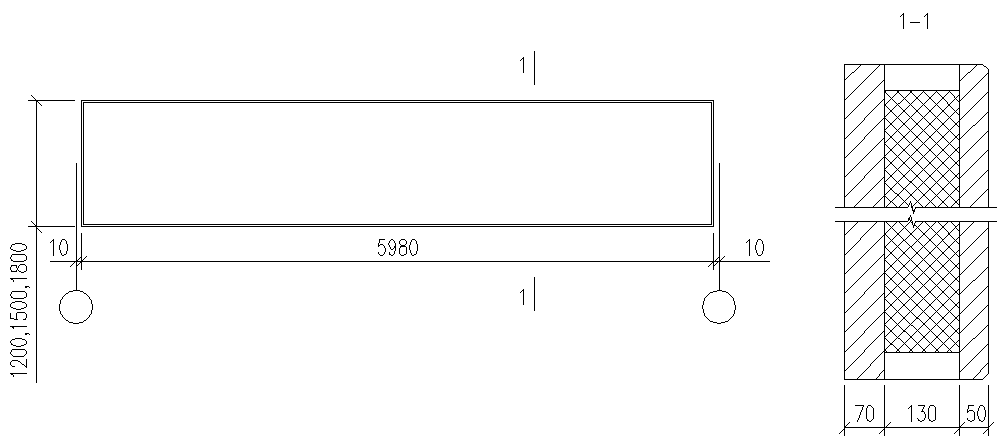
4.6. Наружные стеновые панели
В качестве ограждающих конструкций проектом предусмотрены навесные стеновые панели серии 1.432-5. Они воспринимают нагрузки от собственной массы и ветровые нагрузки а пределах одного шага. В проекте приняты трехслойные стеновые панели толщиной 250 мм, состоящие из внутреннего и наружного слоев железобетона, толщиной 70 мм и 50 мм и внутреннего слоя из пенополистирола толщиной 130 мм, являющегося эффективным утеплителем (рис. 4.7.1). Длина рядовых панелей 5980 мм. В торце панели ставится антисептированный брус.

Рис. 4.7.1. Рядовая стеновая панель
Для заделки углов здания и закрытия стен в местах вставок между разбивочными осями предусмотрены удлиненные стеновые панели (рис. 4.7.2). Угловые панели (для укладки в торцовых стенах) имеют длину 6280 мм.

Рис. 4.7.2. Удлиненные стеновые панели для заделки углов
Нижние стеновые панели опираются на фундаментные балки по слою гидроизоляции из цементно-песчаного раствора. Крепление панелей к каркасу осуществляется с помощью крепежного элемента. (узел 3, рис. 4.7.3). Стеновые панели над оконными проемами устанавливаются на стальные опорные столики, привариваемые к колоннам.
4.7. Кровля
СБС модифицированный рулонный кровельный игидроизоляционный материал «Техноэласт» (ТУ 5774-003-00287852-99).
Конструкция покрытия: гравий, втопленный в битумную мастику; слой рулонного материала «Техноэласт»; выравнивающая стяжка; плитный утеплитель 100; обмахзочная пароизоляция; железобетонная плита-оболчка.
(рис. 4.8.1).

Рис. 4.8.1. Состав кровли
Сопряжение кровли со стеной решается в виде парапета с выступающими над кровлей парапетными стеновыми панелями ( узел 1, рис. 4.8.1). В местах установки водосточных воронок основной гидроизоляционный ковер усиливается наклеиваемыми поверх него двумя слоями рубероида и слоем стеклоткани размером 0,50,5 м и зажимается между прижимным кольцом и воронкой по периметру отверстия. (рис. 4.8.1).
В качестве гидроизоляционного ковра применяется эффективный материал «Техноэласт»: предназначен для использования в системахгидроизоляции с повышенными требованиями к надежности. Характеристики материала обеспечиваются в качестве модификатора битума искусственного каучука – Стирол-Бутадиен-Стирола (СБС). Теплостойкость в течение 2 часов на вертикальной поверхности не ниже +1000С, разрывная нагрузка 780 Н, водонепроницаемость при давлении 0,2 МПа в течение 2 часов – абсолютная.
4.8. Окна
Для проектируемого здания приняты стальные оконные панели (серия ПР-05-50/71). Устанавливается три яруса окон шириной 4,5 м и высотой 3,6 м и 1,8 м. Остекление двойное, оконные переплеты выполнены из металлических профилей.
4.9. Ворота
В проекте предусмотрены распашные двупольные ворота (серия ПР-05-36). Для автомашин 2,5-5 т устанавливаются наружные ворота 44,2 м.
Воротный проем обрамляется сборной железобетонной рамой.
Полотна ворот навешиваются на петли. Стальной каркас полотен заполняется дощатыми филенками и остекленными переплетами. Ворота оборудуются механическим приводом, комплектом приборов для ручного открывания и тепловой завесой.
4.10. Полы
Выбор конструкции пола определяется видом и интенсивностью силовых и не силовых воздействий, которым он подвергается в период эксплуатации здания, а также спецификой предъявляемых к нему требований, обусловленных протекающими в помещении теплотехническими процессами. В проекте предусмотрен пол, состоящий из подстилающего слоя (100 мм бетона марки 100) и покрытия (цементно-песчаный раствор 20 мм), что соответствует слабым и умеренным механическим воздействиям. Место примыкания поло к стене накрывается растворным плинтусом.
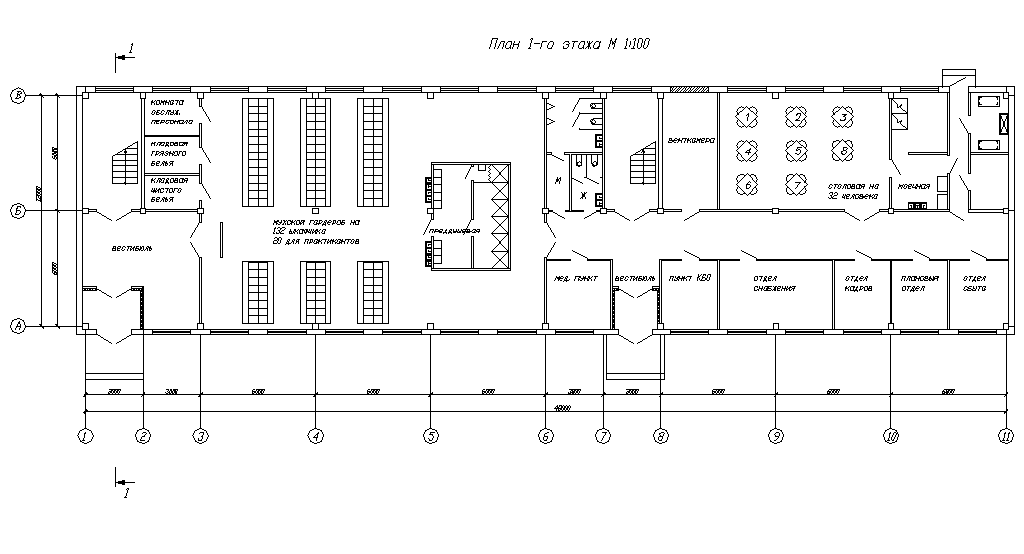
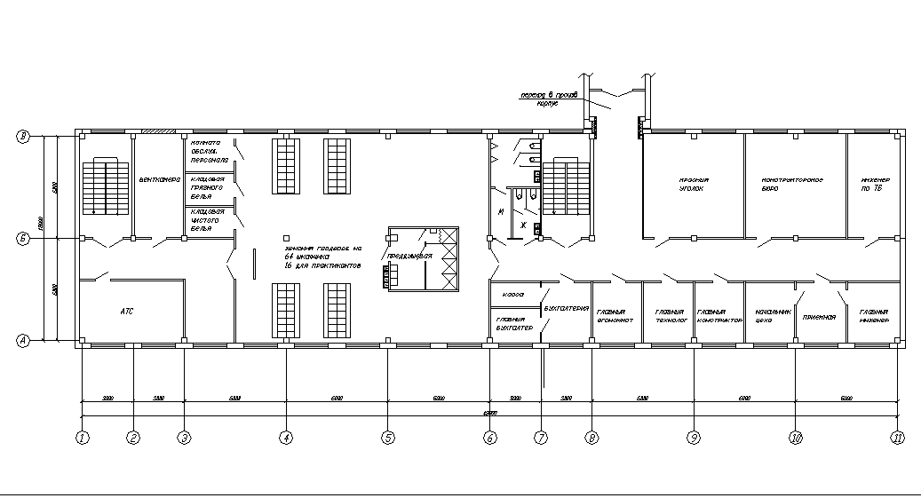
5. Расчет административно-бытового корпуса (АБК)
При проектировании промышленного здания для создания благоприятных условий санитарно-бытового и административно-культурного обслуживания рабочих и служащих, запроектирован административно-бытовой корпус.
Административно-бытовой корпус размещается в отдельно стоящем здании. С промышленным зданием АБК соединяется отапливаемым переходом. Длина перехода 20 м.
Административно-бытовой корпус в плане представляет собой прямоугольник. Сетка УТС – (6+6)6 м. Длина АБК – 48 м. Количество этажей корпуса – 2. Высота этажа 3,3 м.
Расчет основных параметров АБК:
Расчет основных помещений административно-бытового комплекса ведется согласно СНиП 2.09.04-87 "Административные и бытовые здания". Расчет ведется для следующего состава персонала:
Всего – 160чел.
Сотрудников в наиболее загруженную смену – 120 чел.
Женщин – 30 %.
Группа производственного процесса 1б
Площадь вестибюля рассчитывается из условия 0,15 м2 на 1 чел в многочисленной смене, но не менее 18 м2. В проекте приняты два вестибюля площадью 21 м2.
Гардеробно-душевой блок является планировочным ядром АБК. ГДБ состоит из гардеробов для одежды и душевых помещений.
Согласно санитарной группе производственного процесса предусмотрен совместный гардероб домашней и рабочей одежды.
Для хранения рабочей и домашней одежды предусмотрены индивидуальные шкафчики совмещенного типа размерами 0,50,4 м, высотой 1,65 м. Шкафчики оборудованы стационарной скамеечкой шириной 0,3 м.
Количество шкафчиков определяется, исходя из полного списочного состава рабочих.
На первом этаже предусмотрена раздевалка на 132 мужчин. На втором этаже предусмотрена раздевалка на 64 женщин.
Количество душевых кабин для санитарной группы производства 1б, согласно СНиП 2.09.04-87 "Административные и бытовые здания", табл. 6, рассчитывается из условия 15 человек на одну душевую сетку для наиболее загруженной смены. Для мужчин (84 чел.)84/15=6 душевых кабин. Для женщин (36 чел.) 36/15=3 душевых кабин. Душевые кабины выполняются не сквозными, размером 0,90,9 м. Преддушевые из расчета 0,6 м2 на 1 душевую сетку. Также предусмотрены закрытые душевые кабины для людей с физическими недостатками ( 20% от общего числа душевых кабин).
Кроме того при ГДБ для мужчин предусмотрены следующие помещения:
кладовая чистого белья (6 м2)
кладовая грязного белья (6 м2)
комната для обслуживающего персонала (6 м2)
При ГДБ для женщин:
кладовая чистого белья (6 м2)
кладовая грязного белья (6 м2)
комната для обслуживающего персонала (6 м2)
Умывальники считаются по многочисленной смене из расчета 20 чел. на 1 кран. Число умывальников
для мужчин 84/12=7 шт.
для женщин 36/12=3 шт.
Уборные размещаются в цехе, в «мертвой зоне» крана. Количество уборных определяется из расчета на 18 чел. для мужчин и на 12 чел. для женщин:
для мужчин 60/18=3 уб.
для женщин 60/12=5 уб.
Размеры кабинок в плане 1,20,8 м, высота 3 м. Уборные оборудованы умывальниками.
Помещения здравоохранения. Для списочной численности рабочих 216 чел. предусматривается медицинский пункт площадью 18 м2.
Помещения общественного питания. Согласно СНиП 2.09.04-87 "Административные и бытовые здания", для количества рабочих менее 200 человек предусматривается раздаточная столовая (буфет), состоящая из следующих помещений:
отделение мойки посуды (6 м2)
кладовая (6 м2)
доготовочная (6 м2)
раздаточная (6 м2)
обеденный зал (54 м2)
Число столов рассчитывается из условия 4 человека на одно посадочное место (120/4=35 посадочных мест; 30/4=8 столов). Проектом предусмотрено 8 столов на 4 человека каждый.
При буфете предусмотрен красный уголок площадью 36 м2 (для списочного состава рабочих до 200чел.). Также предусмотрены уборные.
Прочие помещения на 1 этаже:
коридоры
венткамера (18 м2)
медпункт (18 м2)
отдел сбыта (18 м2)
пункт КБО (18 м2)
отдел снабжения (18 м2)
отдел кадров (18 м2)
плановый отдел (18 м2)
Прочие помещения на 2 этаже:
венткамера (18 м2)
АТС (18 м2)
каб. начальника цеха (18 м2)
каб. главного инженера (18 м2)
приемная (18 м2)
касса (2,9 м2)
красный уголок
бухгалтерия (18 м2)
каб. главного бухгалтера (15,1 м2)
каб. главного экономиста (18 м2)
каб. главного механика (18 м2)
конструкторское бюро (54 м2)
каб. главного технолога (18 м2)
инженер по ТБ (18 м2)
каб. главного конструктора (18 м2)
На втором этаже предусмотрен отапливаемый переход в производственный корпус. Ширина перехода 3 м, длина 20 м.


6. Список литературы
СНиП II-3-79**. Строительная теплотехника. Нормы проектирования. – М.: Стройиздат, 1986. – 31 с.
СНиП 2.09.04-87. Административные и бытовые здания. – М.: Стройиздат, 1988. – 28 с.
СНиП 2.09.02-85*. Производственные здания здания. – М.: ЦИТП Госстроя СССР, 1991. – 16 с.
ГОСТ 3.306 – 68 ЕСКД. Графические обозначения материалов в сечениях.– М.: Изд-во стандартов, 1982.
ГОСТ 21.107-78*. Условные изображения элементов зданий, сооружений и конструкций. – М.: Изд-во стандартов, 1979. – 17 с.
Трепененков Р.И. Альбом чертежей конструкций и деталей промышленных зданий: Учеб. Пособие для вузов. – 3-е изд., перераб. И доп. – М.: Стройиздат, 1980. – 284 с., ил.
Шубин Л.Ф. Архитектура гражданских и промышленных зданий. В 5 т. Учеб. Для вузов. Т. 5. Промышленные здания / Л. Ф. Шубин. – 3-е изд., перераб. И доп. – М.: Стройиздат, 1986. – 335 с., ил.
Дятков С.В. Архитектура промышленных зданий: Учебн. пособие для строит. вузов. – 2-е изд., перераб. – М.: высш. шк., 1984. – 415 с., ил.
Шерешевский И.А. Конструирование промышленных зданий и сооружений.
Промышленные здания: Методические указания / Сост. Морина Л.Н.; СибГИУ, 1999. – 24 с., ил.
Вспомогательные здания и помещения: Методические указания / Сост.
Морина Л.Н.; СибГИУ, 1985. – 14 с., ил.