Расчет и проектирование в тонкопленочном исполнении усилителя мощности
ВПУ-313.
Предмет: Проектирование РЭА.
Группа: РА-6.
КУРСОВОЙ ПРОЕКТ.
На тему: Расчет и проектирование в тонкопленочном
исполнении схемы усилителя мощности.
Учащегося: Короткова Е. В.
Преподаватель:
Даниелян В.С.
Дата выдачи задания:
Дата окончания проектирования:
Москва 1997г.
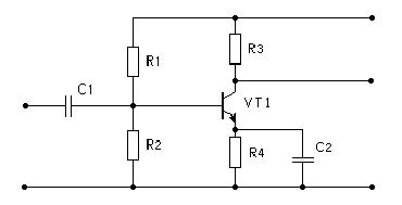
Схема усилителя мощности.

Эта схема представляет собой усилитель мощности на биполярном транзисторе, включенном по схеме с ОЭ. Переходной конденсатор C1 пропускает во входную цепь переменную составляющую напряжения источника сигнала и не пропускает постоянную составляющую. Блокирующий конденсатор C2 шунтирует резистор R4 по переменному току, исключая тем самым отрицательную обратную связь по переменным составляющим. Отсутствие конденсатора C2 привело бы к уменьшению усиления каскада. В области низших частот на работу усилителя оказывают влияние переходной и блокирующий конденсаторы, в области высших частот – частотная зависимость коэффициента тока базы, коллекторная емкость и емкость нагрузки.
Описание элементов.
Резисторы:
|
R1 = 2200 Ом R2 = 480 Ом R3 = 4500 Ом R4 = 120 Ом h = 100 мкм bтехн = 100 мкм |
l = 100 мкм b = 100 мкм R1 = 10% R2 = 0,9% R3 = 7,2% R4 = 0,9% |
s = 0,4% sопт = 300 Ом / P1 = 50 мВт P2 = 25 мВт P3 = 7 мВт P4 = 25 мВт |
Конденсаторы:
|
С1 = 80 пф С2 = 2200 пф Uраб = 10 в Со = 20 пф/мм*мм |
= 5,2 tg = 0,002 Кз = 3 |
Tmax = 60 C c = 3% l = 25 мкм |
Выбор метода изготовления тонкопленочной ГИМС.
Исходя из данных видно, что погрешность изготовления резисторов и конденсаторов не более 10%. Для изготовления схемы усилителя мощности выбираем метод фотолитографии, т. к. этот метод дает более высокую точность изготовления ГИМС и более высокий процент выхода годных изделий при серийном и крупносерийном производстве.
Расчет конденсаторов.
Выбор материала диэлектрика.
Выбор материала диэлектрика производят по таблице 3, исходя из
исходных данных.
Для C1 – электровакуумное стекло C 41 - 1.
Для C2 – электровакуумное стекло C 41 - 1.
Материалом обкладок для этих конденсаторов будет Al.
Определение уточненной толщины диэлектрика.
d=0,0885*/Co
d=0,02301 мм
Определение площади перекрытия обкладок конденсаторов.
S=C/Co*Кз
SС1=20 мм*мм
SС2=550 мм*мм
Определение размеров обкладок конденсаторов.
Размеры верхних обкладок конденсаторов будут равны:
__
lв.о.= bв.о.= S
lв.о.С1= bв.о.С1=4,472 мм
lв.о.С2= bв.о.С2=23,452 мм
Размеры нижних обкладок конденсаторов, с учетом допусков на
перекрытие, будут равны:
lн.о.=bн.о.= lв.о.+2(l+g)
lн.о.С1=bн.о.С1=4,922 мм
lн.о.С2=bн.о.С2=23,902 мм
Определение размеров межслойного диэлектрика.
lд/э= bд/э =lн.о.+ 2(l+f)
lд/э С1=bд/э С1=5,372 мм
lд/э С2=bд/э С2=24,352 мм
Определение площади, занимаемой конденсаторами, по размерам диэлектрика.
S = lд/э* bд/э
SС1 = 28,858 мм*мм
SС2 = 593.0199 мм*мм
Расчет резисторов.
Выбор материала резистивной пленки.
Для R1 - нихром X20H80.
Для R2 - нихром X20H80.
Для R3 - нихром X20H80.
Для R2 - нихром X20H80.
Проверим, правильно ли выбран материал резистивного слоя.
ф = R/R*100 - s/s*100;
ф1 = 0,3212
ф2 = 0,0542
ф3 = 0,0267
ф4 = 0,6167
Резистивный материал выбран верно т.к. ф1; ф 2; ф 3; ф 4 > 0
Вкачестве материала контактных площадок используем Cu.
Определение коэффициента формы резисторов.
Коэффициент формы
определяется по формуле: Kф=
;
Кф1 = 7,3
Кф2 = 1,6
Кф3 = 15
Кф4 = 0,4
Определение конструкции резисторов по величине коэффициента формы.
Для R1 - Форма прямоугольная, т.к. 1 Кф 10
Для R2 - Форма прямоугольная, т.к. 1 Кф 10
Для R3 - Форма составной меандр, т.к. 10 Кф 50
Для R4 - Форма прямоугольная, т.к. Кф < 1, но получается, что
ширина > длины
Определение ширины резисторов.
Рассчёт точной ширины резисторов производится по формуле:
bточн= (l/Кф+b)/ф;
Рассчёт ширины резисторов с учетом их мощности:
bр=
;
Для R1 - bр = 0,58 мм
Для R2 - bр = 0,88 мм
Для R3 - bр = 0,15 мм
Для R4 - bр = 1,76 мм
Для R1 - bточн = 0,8849 мм
Для R2 - bточн = 4,9 мм
Для R3 - bточн = 9,9875 мм
Для R4 - bточн = 1,4188 мм
Выбираем из всех значений ширины сопротивления максимальное
значение:
R1 max [ bтехн=0.1мм bточн=0,88 мм bp=0,58 мм] b1=0,88 мм
R2 max [ bтехн=0.1мм bточн=4,9 мм bp=0,88 мм] b2=4,9 мм
R3 max [ bтехн=0.1мм bточн=9,98 мм bp=0,15 мм] b3=9,98 мм
R4 max [ bтехн=0.1мм bточн=1,41 мм bp=1,76 мм] b4=1,76 мм
Расчет длины резисторов.
Расчетная длина резистора определяется как: Lрасч = b*Kф;
Полная длина резистора определяется как: Lполн = Lрасч +2h;
Lрасч R1 = 6,424 мм
Lрасч R2 = 7,84 мм
Lрасч R3 = 149,7 мм
Lрасч R4 = 0,704 мм
Lполн R1 = 6,624 мм
Lполн R2 = 8,04 мм
Lполн R3 = 149,9 мм
Lполн R4 = 0,904 мм
Расчет площади резисторов.
S = Lполн * b
SR1 = 5,829 мм*мм
SR2 = 39,396 мм*мм
SR3 = 1496 мм*мм
SR4 = 1,59 мм*мм
Все полученные значения резисторов приведены в таблице:
Резистор |
Номинал |
Материал Резистора |
Размеры b, мм |
Размеры l, мм |
Размеры S, мм*мм |
Коэф. формы |
R1 |
2,2 кОм |
X20H80 |
0,88 |
6,624 |
5,83 |
7,3 |
|
R2 |
480 Ом |
X20H80 |
4,9 |
8,04 |
39,39 |
1,6 |
|
R3 |
4,5 кОм |
X20H80 |
9,98 |
149,9 |
1496 |
15 |
R4 |
120 Ом |
X20H80 |
1,76 |
0,904 |
1,59 |
0,4 |
Расчет площади поверхности.
Площадь подложки расчитывается по формуле:
Sподл.=
KS
;
SR = R1+R2+R3+R4
SR = 1542,81 мм*мм
SC = C1+C2
SC = 621,87 мм*мм
SКП = 48 мм*мм
SН.Э.= 120 мм*мм
При KS = 2 получается:
Sподл.= 2332,68 мм*мм
Sфакт.подл.= 45 * 52 = 2340 мм*мм