Расчет редуктора (работа 6)
1 Загальна частина
Опис редуктора
Привод складається з електродвигуна, муфти, відкритої прямозубої передачі, одноступінчатого горизонтального циліндричного шевронного редуктора.
Редуктор – це механізм, який служить для зниження кутових швидкостей і збільшення передаваємих обертових моментів.
Переваги шевронного редуктора:
висока міцність зубців;
плавність ходу;
безшумність роботи;
здатність передавати великі потужності при високих
кутових швидкостях.
Недоліки:
складність і дорожнеча виготовлення.
Застосовують шевронні зачеплення у середньоходових
та швидкоходових передачах для передачі великих обертових моментів: скіповий підйомник, підіймально – транспортні машини, верстати.

1 – електродвигун;
2 – муфта;
3 – одноступеневий горизонтальний циліндричний шевронний редуктор;
4 – відкрита прямозуба передача.
Рисунок 1 – Кінематична схема привода
2 Розрахункова частина
2.1 Вибір електродвигуна, кінематичний і силовий розрахунок привода
Визначаємо загальний коефіцієнт корисної дії привода за формулою:
,
(1)
де
-
ккд редуктора,
,
[
1 ],
с. 5;
-
ккд відкритої прямозубої
передачі,
,
[1],
с. 5;
-
ккд
підшипникових
вузлів,
,
[ 1 ],
с.
5.

Визначаємо загальне передаточне число привода:
(2)
де
- частота обертів вихідного вала;
-
частота обертів вхідного вала.
.
Загальне передаточне число привода розподіляємо по елементах привода:
(3)
де
-
передаточне число редуктора,
,
[1],
с.36;
-
передаточне число відкритої прямозубої
передачі,
,
[1],
с.36.
По
вихідним даним
,
привода підбираємо електродвигун
4А160S6 з
,
,
,
[1],
с. 390.
Визначаємо частоту обертів кожного вала привода:

,
(4)
,
(5)
,
,
(6)
.
Визначаємо кутову швидкість на кожному валу привода:
,
(7)
,
,
(8)
,
,
(9)
.
Визначаємо обертаючі моменти на кожному валу привода:
,
(10)
,
,
(11)
,
(12)
.
2.2 Вибір матеріалів зубчастих колес
Так як в завданні немає особливих вимог стосовно габаритів передачі, вибираємо матеріали з середніми механічними характеристиками:
- для шестірні Сталь 45, термічна обробка – покращання, твердість HВ 230 ;
- для колеса, Сталь 45, термічна обробка – покращання, але твердість на 30 одиниць нижче HВ 200.
Визначаємо допустиму контактну напругу:
,
(13)
де
- межа контактної витривалості при
базовому
числі циклів;
– коефіцієнт
довговічності при числі циклів напруги
більше базового, що має міцне при довготривалій
експлуатації
редуктора, приймають,
;
-
коефіцієнт безпеки, [Sн]
= 1,10.
Для вуглецевих сталей з твердістю поверхонь зубців менше НВ 350 і термічною обробкою покращанням:
(14)
Для шевронних колес розрахункова допустима контактна напруга
;
(15)
для шестірні:
,
(16)
;
для колеса:
,
(17)
.
Тоді розрахункова допустима контактна напруга:

Так
як
потрібну умову виконано.
2.3 Розрахунок зубчатої передачі
Визначаємо міжосьову відстань з умови контактної витривалості активних поверхонь зубців:
,
(18)
де
- коефіцієнт, враховуючий нерівномірність
розподі-
лення
навантаження по ширині вінця,
,
[1], с. 32;
-
коефіцієнт ширини вінця по міжосьовій
відста-
ні,


Вибираємо
найближче значення міжосьової відстані
зі стандартного ряду
,
[1],
с. 36
Визначаємо нормальний модуль зачеплення:
,
(19)
.
Приймаємо
стандартне значення модуля
,
[1],
с. 36
Попередньо
приймаємо кут нахилу зубців

Визначаємо число зубців шестірні і колеса:
,
(20)

Приймаємо
,
тоді:
,
(21)
.
Приймаємо
.
Уточняємо значення кута нахилу зубців:
,
(22)
.
Кут
нахилу зубців
.
Основні розміри шестерні і колеса
діаметри поділювані:
,
(23)
,
,
(24)

,
перевірка:
,
(25)
,
діаметри вершин зубців:
,
(26)
,
,
(27)
,
ширина колеса:
,
(28)
,
приймаємо

ширина шестерні:
,
(29)
.
Визначаємо коефіцієнт ширини шестірні по діаметру:
,
(30)
.
Окружна швидкість колес:
,
(31)
.
При такій швидкості для шевронних коліс треба прийняти 8 ступінь точності, [1], c.32.
Розраховуємо коефіцієнт навантаження:
,
(32)
Приймаємо
коефіцієнти
,
[1], c.39,
,
[1],
c.40.
.
Перевіряємо контактну напругу за формулою:
,
(33)
.
Так
як
,
умови міцності виконано.
Сили, які діють в зачепленні:
окружна:
,
(34)
,
радіальна:
,
(35)
,
Перевіряємо зубці на витривалість за напругою:
,
(36)
де
- коефіцієнт нагрузки;
-
коефіцієнт, що враховує форми зубців і
залежить
від еквівалентного числа зубців.
Визначаємо коефіцієнт нагрузки:
,
(37)
Приймаємо
,
[1],
c.
43,
,
[1],
c.
43.

Визначаємо еквівалентне число зубців:
у шестерні:
,
(38)
,
у колеса:
,
(39)
.
Вираховуємо допустиму напругу при розрахунку на витривалість шестірні й колеса:
(40)
Для
сталі 45 покращенної до
:
,
[1],
с. 44.
(41)
для шестірні:
,
для колеса:
.
Визначаємо коефіцієнт безпеки:
(42)
Приймаємо
,
[1],
с. 48

Допустима напруга при розрахунку на витривалість шестірні й колеса:
,
.
Знаходимо
відношення
.
(43)
Приймаємо
,
,
[1],
с.42
для шестірні:
,
для колеса:
.
Подальший розрахунок ведемо для зубців колеса, так як для нього знайдено менше значення.
Визначаємо
коефіцієнт
,
який враховує розподіл навантаження
між зубцями:
,
(44)
.
Розраховуємо
коефіцієнт
для 8 ступені точності, який враховує
розподіл навантаження між зубцями:
,
(45)
де
- коефіцієнт торцевого перекриття,
,
[1],
c.47;
п – ступінь точності коліс, п = 8

Перевіряємо міцність зубців колеса за формулою:

Так
як
,
умови міцності виконано.
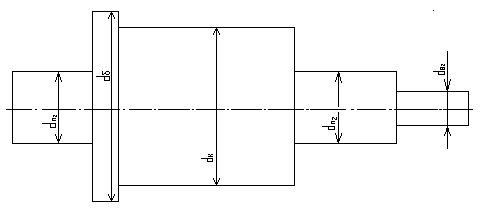
2. 4 Проектний розрахунок валів редуктора.

Рисунок 2 - Ведучий вал
Визначаємо діаметр вихідного кінця вала:
,
(46)
.
Так як даний вал збирається з валом електродвигуна за допомогою муфти, то приймаємо
(47)
,
приймаємо
.
Визначаємо діаметр ступеня вала під підшипник:
,
(48)
.

Рисунок 3 - Ведений вал
Визначаємо діаметр вихідного кінця вала:
,
(49)
.
Приймаємо стандартне значення із ряду:
,
[1],
c.162
Визначаємо діаметр ступеня під підшипник:
,
(50)
,
приймаємо стандартне значення

Визначаємо діаметр вала під колесо:
,
(51)
.
Визначаємо діаметр буртика для упора колеса:
,
(52)
.
Шестірню виконуємо за одне ціле з валом, її розміри визначенні вище.
2.5 Конструювання зубчатих колес
Колесо
коване
;
;
.
Діаметр маточини:

,
(53)
.
Довжина маточини:
,
(54)
.
Приймаємо
довжину маточини, що дорівнює


Товщина обода:
,
(55)
.
Приймаємо
.
Товщина диска:
,
(56)
,
приймаємо
.
Визначаємо діаметр знаходження центрів отворів:
,
(57)
.
Визначаємо діаметр отворів:
,
(58)
.
2.6 Конструктивні розміри корпусу редуктора
Товщина стінок корпуса й кришки:
,
(59)
.
Приймаємо
.
Товщина фланців поясів корпуса й кришки:
верхнього пояса корпуса і пояса кришки:
,
(60)
,
,
(61)
,
нижнього пояса корпуса:
,
(62)
.
Приймаємо
.
Діаметр болтів:
фундаментних:
,
(63)
.
Приймаємо болти з різьбою М18;
ті, що кріплять кришку до корпуса у підшипників:
,
(64)
.
Приймаємо болти з різьбою М14;
ті, що з’єднують кришку з корпусом:
,
(65)
.
Приймаємо болти з різьбою М10.
2.7 Ескізне компонування
Спочатку вибираємо підшипники для ведучого й відомого вала.
Для
ведучого вала вибираємо радіальні з
короткими циліндричними роликами –
тип 32209А,
;
;
;
;
;
-
легка
вузька серія.
Для
веденого вала вибираємо радіальні з
короткими циліндричними роликами –
тип 32211A,
;
;
;
;
;
- легка
вузька серія.
При окружній швидкості змазування може здійснюватися масляним туманом. В цьому випадку відступивши від лінії внутрішньої стінки корпуса зображуємо внутрішній діаметр підшипника.
У випадку установки мазеутримуючих кілець вибираємо розмір, що дорівнює 8 мм.
Послідовно виконуємо ескізне компонування:
- спрощено викреслюємо вали редуктора;
- спрощено викреслюємо зубчасте зачеплення;
- відкреслюємо внутрішній корпус, відстань між буртиком і корпусом, колесами і внутрішніми поверхнями корпуса приймаємо 10-15 мм; ;
-
вимірюванням знаходимо відстань
від точок прикладення опорних реакцій
підшипників;
- визначаємо відстань від точок прикладення консольних навантажень до найближчих опор:
,
(66)
,
приймаємо
,
,
(67)
,
приймаємо
;
визначаємо довжину вихідного кінця вала:
,
(68)
,
,
(69)
.
2.8 Підбір підшипників і перевірка їх за динамічною вантажопідйомністю
Визначаємо консольні навантаження
,



Розраховуємо ведучий вал.
Визначаємо реакції опор:
1)

,
(70)
.
2)

,
(71)
,
(72)
3) Перевірка:
(73)


Визначаємо еквівалентне навантаження:
,
(74)

Визначаємо еквівалентне навантаження:
(75)
Потім знаходимо розрахункову довговічність підшипників у мільйонах обертів:
,
(76)

Потім визначаємо розрахункову довговічність в годинах:
,
(77)

Так як умова довговічності підшипників не виконано, замінюємо підшипники легкої вузької серії на підшипники середньої вузької серії та розраховуємо їх на довговічність


Розраховуємо ведений вал.
Визначаємо реакції опор:
1)

,
,
(78)
.
2)

,
,
(79)
.
3)

,
,
(80)
.
4)

,
,
(81)
.
5) Перевірка:
,
(82)
,
,
6) Перевірка
,
(83)
,
.
Визначаємо еквівалентне навантаження:
,
(84)
Н,
,
(85)
Н.
Подальший розрахунок робимо на більш навантаженій опорі.
Визначаємо еквівалентне навантаження:
,
.
Потім знаходимо розрахункову довговічність підшипників у мільйонах обертів:
,

Потім визначаємо розрахункову довговічність в годинах:
,

Так
як розрахункова довговічність
в годинах більша
і менше
,
умову довговічності виконано.
2.9 Перевірка міцності шпоночних з`єднань
Перевіряємо шпонку під муфтою, колесом і відкритої ремінної передачі. Шпонку вибираємо в залежності від діаметра установочного вала.
Вибираємо
розміри
,
,
,
за стандартом, враховуючи моменти Т на
даному валу.
Розраховуємо шпонку за напрямом зминання. Сталь 45:
,
(86)
під відкритою передачею:
,
,
,
;
під муфтою:

,
,
;
під колесом:

,
,
.
Умови міцності виконано.
2.10 Уточнений розрахунок валів
Перевіряємо
на міцність січення вала А-А. Діаметр
вала в цьому січенні
.
Концентрація напруг обумовлена наявністю
шпоночної канавки. Приймаємо коефіцієнти
концентрації напруг:
,
[1],
с. 165. Визначаємо масштабні фактори
,
[1],
с. 166.
Згинаючий момент у січені (при х = 60):
,
(87)
.
Момент
протистояння січення при
:
,
(88)
.
Амплітуда нормальних напруг згинання:
,
(89)
.
Момент протистояння крученій січеній нетто:
,
(90)
.
Амплітуда та середня напруга цикла косательних напруг:
,
(91)
.
Коефіцієнт запасу міцності:
,
(92)
,
(93)
.
.
Результативний коефіцієнт запасу міцності січення:
,
(94)
.
Результативний коефіцієнт запасу:
,
(95)
.
2.11 Вибір посадок основних з‘єднань
Зубчасті
колеса на вали при важких ударних
навантаженнях з`єднують по
.
Розпірні втулки установлюють по
,
кришки підшипників у корпус по
.
Муфти по
;
.
Внутрішні кільця підшипників на вали
k6. Зовнішні кільця підшипників в корпус
по Н7. Розпірні кільця, ущільнювальні
манжети
.
2.12 Вибір і розрахунок муфт
За вихідними даними підбираємо муфту пружну втулочно пальцеву. Муфту підбираємо за діаметрами з`єднаних валів.
Матеріал
полумуфт cталь
35, пальці виготовленні з нормалізованої
cталі
45, втулки з спеціальної гуми з допустимою
напругою зминання
.
Втулки перевіряють на зминання поверхні, які прилипають до пальців.
,
(96)
де
- довжина втулки,
;
-
діаметр пальця,
;
-
число пальців,
;
-
діаметр окружності, на якій установлені
пальці;
Т – розрахунковий момент.
Визначаємо розрахунковий момент:
,
(97)
де
- коефіцієнт, який враховує режим роботи,
,
[1],
с. 291;
-
номінальний момент,
.

Визначаємо діаметр окружності по який встановлені пальці:
,
(98)
де
Д – діаметр муфти,
.
,
приймаємо
.
.
Пальці перевіряємо на вигин:
,
(99)
.
Визначаємо допустиму напругу на вигин:
,
(100)
де
- поточність для сталі 35.

Так
як
умова міцності виконана.
2.13 Вибір змазки
Вибираємо
мастило
для змазування зачеплення в редукторі.
При виборі змазування враховуємо
швидкість роботи редуктора і контактні
напруги, за ними вибирають в`язкість
мастила. Для одержаних значень
та
вибираємо в`язкість мастила
,
[1],
с.
253. За в`язкістю вибираємо сорт мастила:
при в`язкості
вибираємо індустріальне мастило
,
[1], с. 253. Змазування проводимо масляним
туманом.
Визначаємо об`єм масляної ванни:
,
(101)
.
Приймаємо
.
Визначаємо допустимі рівні занурення зубчатих коліс:
,
(102)
.
Підшипники змазуємо пластичним мастильним матеріалом, закладаючи його в підшипникові камери при монтажу. Вибираємо солідол марки УС-2, [1], с. 203.
2.14 Збірка редуктора
Перед збиранням внутрішню порожнечу корпуса редуктора старанно очищають і покривають маслостійкою фарбою.
Збирання проводять відповідно до креслень збирання редуктора, починаючи з вузлів валів:
- на ведучий вал насаджують мазеутримуючі кільця і шарикопідшипники, попередньо нагріти в маслі до 80 0 – 100 0 С;
- у відомий вал закладають шпонку 18х11х70 і напресовують зубчате колесо до упора в бурти вала;
- потім надівають розпірну втулку, мазеутримуючі кільця і установлюють шарикопідшипники, попередньо нагріті в маслі.
Зібрані вали укладають в основу корпуса редуктора і надівають кришку корпуса, попередньо покриваючи поверхню стінку кришки і корпусу спиртовим лаком.
Для центрівки установлюють кришку на корпус за допомогою двох конічних штифтів, затягають болти, якими кріпиться кришка до корпусу.
Після цього на відомий вал надівають розпірне кільце, в підшипникові камери закладають пластичне мастило, ставлять кришку підшипників з комплектом металевих прокладок для регулювання.
Перед постановкою наскрізних кришок в проточки закладають повстяні ущільнення, просяклі гарячим маслом. Перевіряють прокручуванням валів відсутність заклинювання підшипників (вали повинні прокручуватися від руки) і закріплюють кришки гвинтами.
Далі на кінець відомого вала в шпоночну канавку закладають шпонку, уставляють зірочку і закріплюють її торцевим закріпленням: гвинт торцевого закріплення стопорять спеціальною планкою.
Потім укручують пробку масло спускного отвору з прокладкою і жезловий масло покажчик.
Заливають в корпус масло і закривають оглядовий отвір кришкою з прокладкою з технічного картону; закріпляють кришку болтами.
Зібраний редуктор обкочують і піддають випробуванню на стенді за програмою, установленою технічними умовами.
3 Техніка безпеки і охорона оточуючого середовища
Редуктор повинен надійно закріплятися на фундаменті, небезпеку становлять частини якого-небудь обладнання, що обертаються (передачі, вали). Відкриті елементи привода повинне відгороджуватися, огородження повинне бути довговічним, міцним і стійким, зберігаючи механізм від різноманітних пошкоджень.
Корозійно і вогнестійким, не утруднювати робочі операції, огородження не повинно мати ріжучих кришок.
Відпрацьовані масла з розчину не повинні зливатися в землю, а в спеціальні резервуари для масла.
Список використаних джерел
1. С. А. Чернавський, А. Б. Боков, Курсове проектування деталей машин, М.,”Машинобудування”, 1988, с.415
2. У. І. Мархель, Деталі машин, М.,”Машинобудування”, 1980, с.450
3. А. Ю. Шейнбліт, Курсове проектування деталей машин, М.,”Вища школа”, 1991, с.432
Зміст
1 Загальна частина
2 Розрахункова частина
2.1 Вибір електродвигуна, кінематичний і
силовий розрахунок привода
2.2 Вибір матеріалів зубчастих колес
2.3 Розрахунок зубчастих передач
2.4 Проектний розрахунок валів
2.5 Конструювання зубчастих колес
2.6 Конструктивні розміри корпусу редуктора
2.7 Ескізне компонування
2.8 Підбір підшипників і перевірка Їх за
динамічною вантажопідйомністю
2.9 Перевірка міцності шпоночних з’єднань
2.10 Уточнений розрахунок валів
2.11 Вибір посадок основних з’єднань
2.12 Вибір і розрахунок муфт
2.13 Вибір змазки
2.14 Збірка редуктора
3 Техніка безпеки та охорона навколишнього
середовища
Список використаних джерел
Додаток А. Завдання на курсовий проект
Додаток Б. Ескізне компонування
Додаток В. Ескіз вала
Додаток Г. Ескіз колеса