Расчет редуктора (работа 7)
М

инистерство
образования Украины
N-й государственный университет
Кафедра основ проектирования машин
Пояснительная записка
к курсовому проекту на тему :
Привод с цилиндрическим двухступенчатым редуктором
с раздвоенной быстроходной ступенью
Студент Нехилый В.В.
Группа ХМ 61
Преподаватель Мудак В.П.
Сумы 1999
Задание №N
Спроектировать привод с цилиндрическим двухступенчатым редуктором с раздвоеной быстроходной ступенью.

Вариант N
Р>т>=4,0 кВт
n>т>=70 с-1
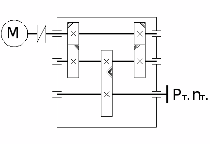
Тип конструкции редуктора [2. рис. 4а]
Ресурс редуктора - 24000 часов.
Режим работы - средний нормальный.
Соединительная муфта - упругая.
Содержание стр.
Введение
1 Кинематический расчет привода
2 Расчет зубчатой передачи
2.1 Быстроходная ступень
2.2 Тихоходная ступень
3 Предварительный расчет валов
4 Компоновка редуктора
5 Уточненный расчет валов
6 Проверка долговечности подшипников
7 Выбор смазки редуктора
8 Проверка прочности шпоночного соединения
9 Подбор муфты
10 Список используемой литературы
Введение
Технический уровень всех отраслей народного хозяйства в значительной мере определяется уровнем развития машиностроения. На основе развития машиностроения осуществляется комплексная механизация и автоматизация производственных процессов в промышленности ,строительстве ,сельском хозяйстве, на транспорте.
Государством перед машиностроением поставлена задача значительного повышения эксплуатационных и качественных показателей при непрерывном росте объема ее выпуска.
Одним из направлений решения этой задачи является совершенствование
конструкторской подготовки студентов высших учебных заведений.
Выполнением курсового проекта по «Деталям машин» завершается общетехнический цикл подготовки студентов .При выполнении моей работы активно используется знания из ряда пройденных предметов : механики, сопротивления материалов ,технологий металлов и др.
Объектом курсового проекта является привод с цилиндрическим двухступенчатым редуктором с раздвоенной быстроходной ступенью, использующие большинство деталей и узлов общего назначения.
1 Кинематический расчет
1.1 Находим момент на тихоходной ступени:
Р>ВЫХ> = Т;


1.2 Определим общий КПД привода :
>привода >= 3>зуб> 3>подш> >муфты>,
где: >зуб> – КПД зубчатой передачи ;
>подш> – КПД подшипников;
>муфты> – КПД муфты.
>муфты> = 0,98 ; >зуб> = 0,97; >подш> = 0,99;
>привода >= 0,973 0,993 0,98 = 0,867.
1.3 Определим мощность двигателя:

1.4 Определим частоту вращения вала электродвигателя:
n>вх> = n>вых> u,
где: u = u>быстр> u>тих>;
Из таблицы 1.2 [1] выбираем передаточные отношения тихоходной и быстроходной передачи:
u>тих> = (2,5…5); u>быстр> = (3,15…5);
n>вх> = n>вых> u = 70 (2,5…5) (3,15…5) 551,25…1750 об/мин.
Исходя
из мощности ориентировочных значений
частот вращения, используя
т.2.4.8 [1]
выбираем электродвигатель закрытый
обдуваемый единой серии 4А
80B/720. Мощность Р>ДВ> = 5,5 кВт; синхронная частота равна 720 об/мин.
1.5
Определим общие передаточные числа
привода и разобъем его между
ступенями
:
Определим действительное фактическое передаточное число:

Разбиваем передаточное число по ступеням U>д> = U>ред> = 10,28.
Используя таблицу 1.3 [1] стр.7 имеем :
u>быстр>
= u>ред>/u>тих>;
u>тих>
= 0,88
u>ред>;
Cледовательно:
u>тих>
= 0,88
10,28
= 2,82; Принимаем U>тих>=3
u>быстр> = 10,28 / 3 = 3,42; Принимаем U>быстр>=3,55
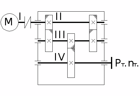
1.6 Определяем кинематические и силовые параметры отдельных валов привода:

I вал частота вращения : n>1>= n>дв> = 720 об/мин;
окружная
скорость: >1>
= >дв>
= n/30
= 3,14720/30
=75,36 рад/с
;
мощность: Р>1>
= Р>дв>
= 5,5 кВт;
вращающий момент: Т>1> = Т>дв> = Р>дв>/>дв> = 5500/75,36 = 72,98 Нм;
II вал частота вращения : n>2>= n>1> = n>дв> = 720 об/мин;
окружная
скорость: >2>=>1>=75,36
рад/с ;
мощность:
Р>2>=Р>1>
>муфты>
>подш>
= 5,5
0,98
0,99 = 5,3361 кВт;
вращающий
момент: Т>2>=Т>1>
>муфты>
u>муфты>
= 72,98
0,98
1 =
= 71,5204 Нм;
III вал частота вращения : n>3>= n>2>/u>быстр> = 202,8 об/мин;
окружная скорость: >1> = n>3>/30 = 3,14202,8/30 = 21,2 рад/с ;
мощность: Р>3> = Р>2> 2>зуб> >подш> = 5,3361 0,972 0,99 = 4,97 кВт;
вращающий момент: Т>3>=Т>2>
>зуб>
u>быстр>
= 71,52
0,97
3,55 =
=246,3
Нм;
IV вал частота вращения : n>4>= n>3>/u>тих> = 202,8/3 = 67,6 об/мин;
окружная скорость: >4>
= n>4>/30
= 3,1467,6/30
= 7,7 рад/с ;
мощность:
Р>4>
= Р>3>
>зуб>
>подш>
= 4,97
0,97
0,99 = 4,77 кВт;
вращающий
момент: Т>4 >=Т>3>
>зуб>
u>тих>
= 246,3
0,97
3 =
= 716,7
Нм;
Все полученные данные сводим в таблицу.
Таблица 1.
Номер вала |
Частота вращения, об/мин |
Угловая частота вращения, рад/с |
Мощность, Вт |
Момент, Нм |
I |
720 |
75,36 |
5500 |
72,98 |
II |
720 |
75,36 |
5336 |
71,52 |
III |
202,8 |
21,2 |
4970 |
246,3 |
IV |
67,6 |
7,7 |
4770 |
716,7 |
3 Предварительный расчет валов
Крутящий момент в поперечных сечениях валов
Ведущего T>II>= 71,52103 Hмм
Промежуточного T>III>= 246,3103 Hмм
Ведомого T>IV>= 716,7103 Hмм
Диаметр выходного конца ведущего вала при []>k>=25H/>мм>2

диаметр шеек под подшипники принимаем d>n2>=25 мм; под ведущей шестерней d>k2>=32 мм
У промежуточного вала расчетом на кручение определяем диаметр опасного сечения (под шестерней) по пониженным допускаемым напряжениям.
[>k>] = 15H/>мм>2

принимаем диаметр под шестерней dк3=45 мм, найдем диаметр под колесом:

принимаем диаметр под подшипники d>n3>=35 мм.
Ведомый вал.
Рассчитываем при []>k> =25H/>мм>2 диаметр выходного конца вала

Принимаем диаметр подшипниками d>n4> =55 мм, под колесом d>k4> =60 мм, d>l4>=60мм.
5 Уточненный расчет вала
Уточненный расчет проведем для промежуточного вала. Составим расчетную схему. Все размеры возьмем из компановки: а=50мм; b=35мм.
Р
>радС>=1,208103Н
Р>осС>=894Н
Р>окрС>=3212,7Н
Р>радВ,Д>=505,8Н
Р>осВ,Д>=382,1Н
Р>окрВ,Д>=1,336103Н
Построем по эпюру крутящих моментов:

Определим реакции в опорах:
В плоскости YOZ:
M>3>=0;
M>3>=-PрадВа+
+Р>радС>(а+b)-
-P>радД>(2b+a)+Y3
(a+b+b+a)=0

Истинное значение силы Y>4> направленно в противоположную сторону, от выбранного на схеме.
М>4>=0;
М>4>=-Р>радД>а+Р>радС>(а+b)-Р>радВ>(а+b+b)+Y>3>(a+b+b+a)=0;

Истинное значение силы Y>3> направлено в противоположную сторону
от ранее выбранного направления.
Проверка:
F>y>=0;

Строим эпюру изгибающих моментов в плоскости YOZ.

В плоскости XOZ:


Проверка
:
2942.3+1.336∙103+3212.7+1.336∙103-2942.3=0;
M>Y3>=0; M>Y4>=0; M>YB>=-X>3>∙a=-147.1(H∙м)
M>YC>=-X>3>∙(a+b)-Pокрb∙b=-203.3 (H∙м)
M>Y>>Д>=-Х>4>∙а=-147,1(H∙м)

M>∑>>И>>3>=0; M>∑>>И>>4>=0;



Опасным сечением является сечение С:

Из условия прочности:

получим:

Принимаем d=45(мм)
6 Проверка долговечности подшипников
6.1 Ведущий вал.
Роликоподшипники радиальные с короткими цилиндрическими роликами, однорядные. Тип 7305, ГОСТ 333-79, средняя серия d = 25, D = 62, B = 17, c = 2, D>1>=67, Т =18.25, грузоподъемность = 2960, ролики D>T >= 9.5, z = 13;
6.2 Промежуточный вал.
Роликоподшипники радиальные с короткими цилиндрическими роликами, однорядные. Тип7307, ГОСТ 333-79, средняя серия d = 35, D = 80, B = 21, c=2.5, D>1>=85, Т =22.75, грузоподъемность = 6100, ролики D>T >= 11.7, z = 12;
6.3 Ведомый вал.
Роликоподшипники
радиальные с короткими цилиндрическими
роликами, однорядные. Тип
7311, ГОСТ 333-79, средняя серия d = 55, D
= 120, B = 27,
c= 3,
D>1>=127, Т =31.5, грузоподъемность
= 10200, ролики D>T >= 16.7, z
= 13;

Силы, действующие в зацеплении: P>окр> = 1336 H, Р>рад> = 506 H и Р>ос> = 382 H.
Первый этап компоновки дал a = 50 мм, b = 35 мм
Определим реакции опор:
В плоскости yz
Y>2> (2a + 2b) = Р>окр>a + Р>окр> (a + 2b) = Р>окр>(2a + 2b)
Y>2> = Р>окр> = 1336 H.
Y>1> (2a + 2b) = Р>окр >a + Р>окр> (a + 2b) = Р>окр> (2a + 2b)
Y>1> = Р>окр> = 1336 H.
В плоскости yz
X>2> (2a + 2b) = Р>рад >a + Р>рад> (a + 2b) = Р>рад> (2a + 2b)
X>2> = Р>рад> = 506 H.
X>1> (2a + 2b) = Р>рад >a + Р>рад> (a + 2b) = Р>рад> (2a + 2b)
X>1> = Р>рад> = 1336 H.
Суммарные реакции
H
H
Находим осевые составляющие радиальных реакций конических подшипников по формуле:
S=0,83eR
S>2 >= 0,83eR>2 >= 0,830,361429 = 427 H;
S>1>=0,83eR>1 >= 0,830,361429 = 427 H;
здесь для подшипников 7305 параметр осевого нагружения е = 0,36, С = 33 кН.
Осевые силы подшипников. В нашем случае S>1> = S>2>; Р>ос> > 0;тогда F>oc1> = S>1 >= 1429 H; F>oc2> = S>1> + Р>ос> = 1811 H.
Так как реакции, действующие на подшипники равны, то рассмотрим один из подшипников. Рассмотрим левый подшипник.
Отношение
,
поэтому следует учитывать осевую
нагрузку.
Эквивалентная нагрузка по формуле:
P>э2 >= (XVR>2> + YF>oc2>) K>б> K>т>;
для
заданных условий V
= K>б>
= K>т>
= 1; для
конических подшипников при
коэффициент X =
0,4 и
коэффициент Y =
1,67 (табл.9.18
и П7 Чернавский).
Эквивалентная нагрузка
P>э2 >= (0,4 1429 + 1,67 1811) = 3024 H = 3,024 kH
Расчетная долговечность
млн. об.
Расчетная долговечность
ч
где n = 720 об/мин – частота вращения ведущего вала.
Найденная долговечность приемлема.
7 Выбор смазки редуктора
Для уменьшения потерь мощности на трение и снижения интенсивности износа трущихся поверхностей, а также для предохранения их от заедания, задиров, коррозии и лучшего отвода теплоты трущиеся поверхности деталей должны иметь надежную смазку.
В настоящее время в машиностроении для смазывания передач широко применяют картерную систему. В корпус редуктора или- коробки передач
заливают масло так, чтобы венцы колес были в него погружены. При их вращении масло увлекается зубьями, разбрызгивается, попадает на внутренние стенки корпуса, откуда стекает в нижнюю его часть. Внутри корпуса образуется взвесь частиц масла в воздухе, которая покрывает поверхность расположенных внутри корпуса деталей.
Картерную смазку применяют при окружной скорости зубчатых колес и червяков от 0,3 до 12,5 м/с. При более высоких скоростях масло сбрасывается с зубьев центробежной силой и зацепление работает при недостаточной смазке. Кроме того, заметно увеличиваются потери мощности на перемешивание масла и повышается его температура.
Выбор смазочного материала основан на опыте эксплуатации машин. Принцип назначения сорта масла следующий: чем выше окружная скорость колеса, тем меньше должна быть вязкость масла, чем выше контактные давления в зубьях, тем большей вязкостью должно обладать масло. Поэтому требуемую вязкость масла определяют в зависимости от контактного напряжения и окружной скорости колес. Предварительно определяют окружную скорость, затем по скорости и контактным напряжениям находят требуемую кинематическую вязкость и марку масла.
В настоящее время широко применяют пластичные смазочные материалы ЦИАТИМ-201 и ЛИТОЛ-24, которые допускают температуру нагрева до 130°С.
Предельно
допустимые уровни погружения колес
цилиндрического редуктора в масляную
ванну
, наименьшую глубину принято считать
равной модулю зацепления. Наибольшая
допустимая глубина погружения зависит
от окружной скорости вращения колеса.
Чем медленнее вращается колесо, тем на
большую глубину оно может быть погружено.
В соосных редукторах при расположении валов в горизонтальной плоскости в масло погружают колеса быстроходной и тихоходной ступеней. При расположении валов в вертикальной плоскости погружают в масло шестерню и колесо, расположенные в нижней части корпуса. Если глубина погружения колеса окажется чрезмерной, то снижают уровень масла и устанавливают специальное смазочное колесо.
В конических или коническо-цилиндрических редукторах в масляную ванну должны быть полностью погружены зубья конического колеса или шестерни.
8 Проверка прочности шпоночного соединения
Все шпонки редуктора призматические со скругленными торцами, размеры длины, ширины ,высоты ,соответствуют ГОСТ23360-80. Материал шпонок – сталь 45 нормализованная. Все шпонки проверяются на смятие из условия прочности по формуле:

Допускаемое напряжение смятия [>см>]=200МПа
Ведущий вал: 72,98·103 Н·мм;
Выходной конец вала =Ø20мм; t>1>=3.5мм; b·h·l =6·6·30;

Промежуточный вал: 252,5·103 Н·мм;
Под колесом: Ø40мм; t>1>=5мм; b·h·l =12·8·30;

Ведомый вал: 690,6·103 Н·мм;
Под колесом: Ø58мм; t>1>=6мм; b·h·l =16·10·50;

Выходной конец: Ø50мм; t>1>=5,5мм; b·h·l =14·9·70;

9 Подбор муфты
Муфта упругая втулочно-пальцевая по ГОСТ 21424–75.
Отличается
простотой конструкции и удобством
монтажа и демонтажа. Обычно применяется
в передачах от электродвигателя с
малыми крутящими моментами.
Упругими элементами здесь служат
гофрированные резиновые втулки.
Из-за сравнительно небольшой толщины
втулок муфты обладают малой податливостью
и применяются в основном для компенсации
несоосносги валов в небольших пределах
(
1...5
мм;
0.3…0,6 мм;
до 1 ).
Материал полумуфт – чугун СЧ20.
Материал пальцев – сталь 45.
Для проверки прочности рассчитывают пальцы на изгиб, а резину – по напряжениям смятия на поверхности соприкасания втулок с пальцами. При этом полагают, что все пальцы нагружены одинаково, а напряжения смятия распределены равномерно по длине втулки:

где
z
– число пальцев,
z = 6. Рекомендуют
принимать
= 1,8...2 МПа.
Тогда

(Иванов с.362)
Список используемой литературы
М.Н. Иванов. Детали машин. М.: «Машиностроение», 1991.
П.Ф.
Дунаев, О.П.Леликов – Конструирование
узлов и деталей машин.
М.:
«Высшая школа», 1985.
В.И.
Анурьев – Справочник коструктора
–машиностроителя, т.1.
М.:
«Машиностроение», 1980.
В.И.
Анурьев – Справочник коструктора
–машиностроителя, т.2.
М.:
«Машиностроение», 1980.
В.И.
Анурьев – Справочник коструктора
–машиностроителя, т.3.
М.:
«Машиностроение», 1980.
С.А.
Чернавский и др. Курсовое проектирование
деталей машин.
М.:
«Машиностроение», 1987.
Д.Н. Решетов – Детали машин. Атлас конструкций. М.: «Машиностроение», 1970.
М.И. Анфимов – Редукторы. Конструкции и расчет. М.: «Машиностроение», 1972.