Резервирование с применением мажоритарного элемента
Санкт-Петербургский государственный технический университет
РЕФЕРАТ
по предмету "Теория надежности"
тема: Резервирование с применением мажоритарного элемента.
Выполнил: Карцев А. А.
Санкт-Петербург
2000 г.
Мажоритарный элемент позволяет обеспечить режим одновременного штатного функционирования основного и резервных элементов РЭУ и исключает применение специальных коммутационных узлов, устраняющих взаимное влияние основного и резервных элементов друг на друга. При этом отказ основного или резервного элементов не влияет на работу оставшихся исправных элементов. В настоящее время нашло весьма широкое применение структурное резервирование с мажоритарным элементом, оно используется для повышения надежности цифровых электронных устройств и цифровых систем.
Мажоритарный элемент — это логическое устройство с нечетным числом входов m=2k+1 (где k = 1, 2 ,3…) и одним выходом. Чаще всего используются элементы с m = 3, реже с m = 5 и совсем редко с m = 7. Условное обозначение мажоритарных элементов показано на рис. 1.

Мажоритарный элемент может быть выполнен в виде отдельной микросхемы или собран из нескольких логических микросхем. В дальнейшем для краткости будем называть резервирование с применением мажоритарного элемента просто мажоритарным резервированием.
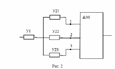
П
ринцип
мажоритарного резервирования поясним
на примере с помощью рис. 2, отображающего
часть некоторой цифровой схемы.
С выхода цифрового устройства У1 цифровые сигналы в виде последовательности символов «0» и «1» поступают на входы трех работающих одновременно одинаковых равно надежных устройств У21, У22, У23, образующих резервированный узел. Цифровые сигналы с выхода каждого из устройств У21, У22, У23 поступают на соответствующий вход мажоритарного элемента (в данном случае трехвходового).
Если каждое из устройств У21, У22, У23 исправно, то в данный момент времени на их выходах будет один и тот же двоичный символ (0 или 1), а значит и на входах мажоритарного элемента. Тогда и на выходе мажоритарного элемента будет такой же двоичный сигнал. Если какое-либо из устройств У21, У22, У23 отказало, то только на двух входах мажоритарного элемента в данный момент времени двоичные символы будут одинаковые. На выходе же мажоритарного элемента будет двоичный символ, совпадающий с символом на выходе двух исправных устройств. То есть мажоритарный элемент выполняет логическую операцию принятия решения «по большинству» (операция «голосования»). Теперь становится понятным, почему количество входов у мажоритарного элемента должно быть нечетным и больше единицы.
На рис. 3 изображена структурная схема трехвходового мажоритарного элемента, из которой становится понятной логика его работы, отвечающая логической функции Z=(x1 /\ x2) \/ (x2/|x3)\/(x1/|x3).

Н
айдем
зависимость вероятности безотказной
работы узла с мажоритарным резервированием
P>рм>(t)
от вероятности безотказной
работы резервируемого и резервных
элементов P(t).
Начнем с частного случая, отвечающего
трехвходовому мажоритарному элементу.
Предполагаем при этом, что сам мажоритарный
элемент абсолютно надежен.
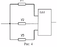
Узел на рис. 4 будет работоспособным, если он находиться в следующих двух состояниях.
Состояние 1. Работоспособны и У1, и У2, и У3. Вероятность нахождения узла в таком состоянии:

Состояние 2. Работоспосбны любые два устройства из У1, У2, У3. Вероятность такого состояния:

Во всех прочих состояниях узел на рис. 4 будет в отказе.
Таким образом, вероятность безотказной работы узла определяется суммой:

Рассуждая аналогично, можно найти P>рм>(t) при m=5, m=7 и т.д. В общем случае зависимость P>рм> (t) от P(t) имеет вид


где — число сочетаний из m по i.
На рисунке 5 показано семейство функций P>рм> (t) при t=const и различных m. Анализ поведения этих функций позволяет сделать важный вывод, что мажоритарное резервирование дает положительный эффект, пока P>0.5, в противном случае надежность устройства понижается.

Устройства с мажоритарным резервированием, как и с любым другим, являются стареющими с точки зрения надежности, то есть интенсивность отказов таких устройств со временем растет.
С
реднюю
наработку T>ом>
узла с мажоритарным резервированием в
общем случае с помощью формулы определить
затруднительно.
Н
айдем
T>ом>
для часто встречающегося случая при
Воспользуемся при нахождении P>рм>(t) общей формулой или ее частным случаем:
Т

огда
и
ли
Из этого следует, что T>ом> < T>0> и на первый взгляд это неожиданно.
Уменьшает ли резервирование среднюю наработку? Ответ следует искать в "особенности старения" узла с мажоритарным резервированием.
Н
а
практике нельзя считать мажоритарный
элемент абсолютно надежным. Он обладает
известной вероятностью безотказной
работы P>м>(t).
При расчете надежности
это обстоятельство учитывается включением
мажоритарного элемента последовательно
за резервируемым узлом. Тогда общая
формула с учетом надежности самого
мажоритарного элемента трансформируется
в иную:
Сопоставим по надежности мажоритарное резервирование с обычным постоянным. При сопоставлении в качестве показателей надежности используем вероятности отказа узлов с резервированием Q>рм>(t) и Q>р>(t). Сопоставление осуществим для случая, когда

Найдем вероятность безотказной работы узлов:

Принимая во внимание, что при t << 1
п

олучаем
О
т
сюда следует, что
и
то есть Q>рм>(t) >> Q>р>(t).
Таким образом, мажоритарное резервирование достаточно просто конструктивно реализуется в цифровых устройствах и системах, но значительно уступает по повышению надежности резервированию без мажоритарного элемента. Это объясняется тем, что при обычном резервировании узел остается работоспособным до тех пор, пока не откажут все резервные элементы. При мажоритарном резервировании отказ узла происходит уже в том случаа, если отказали только (m+1)/2 элементов из m, а остальные еще работоспособны (например, из 5 элементов 2 будут еще работоспособны). То есть в смысле использования возможности резерва мажоритарное резервирование далеко от оптимального.
Литература
Оценка показателей надежности радиоэлектронных устройств и систем при проектировании. А.А. Сорокин, А.М. Воробьев.
Основы теории надежности. Под редакцией Н.А. Шишонка.