Электроснабжение механического цеха
Курсовой проект
электроснабжение
механического цеха
ТМТ 019.100.000
Альбом документов
студент группы 3816
Нестеров Николай Николаевич
1999г.
ТУЛЬСКИЙ МЕХАНИЧЕСКИЙ ТЕХНИКУМ
им. С.И. МОСИНА
З А Д А Н И Е № _______
на выполнение курсового проекта
уч. ______________________________________________________
специальности _______________ группы ____________________
ТЕМА ПРОЕКТА
______________________________________________________________________________________________________________________________________________________________________________________________________________________________________________________________________________________________________________________________________________________
“ ____ “ ___________________ 199 ___ года.
/ дата выдачи задания /
“ ____ “ ___________________ 199 ___ года.
/ срок сдачи курсового проекта /
Преподаватель __________________________
Председатель цикловой
комиссии __________________________
С О Д Е Р Ж А Н И Е.
1. Общая часть курсового проекта.
Введение.
1.2. Обозначение величин входящих в расчетные формулы.
2. Расчетная часть курсового проекта.
2.1.Расчет электрических нагрузок.
Основные параметры для расчета электрических нагрузок.
Расчета электрических нагрузок методом упорядоченных диаграмм.
Определение суммарных и предельных нагрузок по каждой группе электроприемников.
Выбор компенсирующих устройств и выбор мощности трансформатора.
Расчет заземления.
Расчет токов КЗ от источника питания с неограниченной энергией.
Расчет освещения
2.8.1. Расчет и выбор сечений питающей и распределительной сети освещения.
2.9.Выбор распределительной сети
2.9.1.Расчет шинопроводов.
2.10.Выбор и проверка шинопроводов, кабелей и изоляторов.
Общая часть курсового проекта.
Введение
Энергетика нашей страны обеспечивает электроснабжение народного хозяйства и бытовые нужды различных потребителей электрической энергии. Основными потребителями являются промышленные предприятия, сельское хозяйство, коммунальные нужды. 70% всей электроэнергии расходуется на технологические процессы предприятий. Для передачи электроэнергии в необходимом количестве и соответствующего качества существуют следующие энергосистемы: Цеховая - обеспечивающая энергоснабжение потребителей, Заводская - служат для электроснабжения основных цехов и вспомогательных объектов, Городские или Районные - служат для электроснабжение предприятий, сельского хозяйства, коммунальных объектов. При проектировании электроснабжения необходимо учитывать технико-экономические аспекты. При выборе напряжений питающих линий, сети и чисел трансформаторных подстанций , систем управления, защиты - должны учитывать усовершенствования технологического процесса, роста мощностей при номинальном напряжении. Для других электрических приемниках активная номинальная мощность Pн[кВт] или полная мощность S[кВ×А] ,потребляемая из сети при номинальном напряжении. Номинальная мощность электро приемника обозначается на заводской таблице или в паспорте. Паспортная мощность электрического приемника повторно кратковременного режима в расчетах приводится номинально - длительной мощности при ПВ=1 по формуле:
Pн =Pпасп ÖПВ% ;
Sн =Sпасп ÖПВ% ;
где ПВ - паспортное продолжительность включения, в долях единицы.
Групповая номинальная активная мощность Pн - это сумма номинальных(паспортных) , активных мощностей отдельных рабочих приемников , приведенных к ПВ=1 , кроме резервных
n
Pн =åPн ;
1
По полученным результатам осуществляется выбор количества и мощности трансформатора .
Определение расчетных нагрузок промышленных предприятий базируются на следующих положениях:
а) большинство механизмов работают с переменной нагрузкой и электрические двигатели этих механизмов , выбранные по наиболее тяжелым режимам, значительную часть времени оказываются незагруженными .
б) не все электрические приемники включены одновременно и постоянно. Время их работы и остановки зависит от технологического режима производства.
в) в отдельные моменты времени нагрузка может превышать среднею величину мощности за счет изменения технологического процесса .Возникает необходимость определения максимального возможного значения потребляемой мощности в течении какого-то периода времени. Эту мощность называют максимальной.
г) При включении крупных осветительных приемников, так же при запуске асинхронных двигателей с коротко замкнутым ротором, происходят увеличение потребления мощности над среднем и минимальным значениями.
Значения мощности длительностью в несколько секунд называют типовыми.
При расчете электрических установок, не всегда есть график нагрузок и поэтому прибегают к расчетным коэффициентам. С их помощью можно определить основные параметры графика нагрузки.
Такие расчетные коэффициенты вычислены не экспериментальным работам по изучению характера нагрузок на предприятиях.
1.2.Обозначения величин, входящих в расчетные формулы
Все величины и коэффициенты, относящиеся к одному и тому же приемнику обозначаются строчными буквами. Групповые величины и коэффициенты - прописными.
Номинальная активная мощность Pн - это мощность, развиваемая двигателем на валу отдельным потребителем электро энергии, выражаемая а [кВт].При выборе аппаратуры управления, трансформаторных подстанций, необходимо пользоваться современными и изделиями. Так же надо находить оптимальные варианты при выборе схем электро снабжения, способов управления электро оборудованием и т.д.
2.Расчетная часть курсового проекта.
2.1.Расчет электрических нагрузок
Расчет электрических нагрузок необходим при выборе количества и мощностей трансформаторов на трансформаторных подстанциях. Проверка токоведущих частей по нагреву и потери напряжения для расчета колебаний напряжений, для правильного выбора защитных устройств и компенсирующих устройств. Для вычисления расчетных нагрузок в узлах электрической сети до 1000 В необходимо определить следующие величины :
а) суммарные, номинальные активные и реактивные мощности силовых электро приемников по отдельным группам
б) групповые коэффициенты использования и суммарные средние силовые нагрузки (активные и реактивные) за наиболее загруженную смену
в) эффективное число электро приемников nэ, коэффициет максимума Кm, максимальную активную мощность Рм, реактивную Qn и полную Sn мощности по отдельным группам
г) расчетную мошность осветительных нагрузок
д) максимальные значения Pм, реактивной Qм, полной Sм мощности по всей подстанции, где n - число электрических приемников.
Групповая номинальная реактивная мощность Qн - сумма номинальных реактивных мощностей, группы электрических приемников, приведенных к ПВ=1.
n
Qн=å qн
1
При определении электрических нагрузок групп электрических приемников расчетной величиной является средняя мощность наиболее нагруженной смены.
Средняя активная или реактивная мощность за наиболее загруженную смену определяется по расходу электрической энергии. Согласно ПУЭ за расчетную активную мощность принята мощность получаемого минимума, который является расчетной величиной для выбора всех элементов электро снабжения по нагреву проводников, трансформаторов и аппаратуры. Расчетная активная мощность Рр соответствует такой длительной неизменной нагрузки током Iр, которая эквивалентна ожидаемой изменяемой нагрузки по наиболее тяжелому тепловому действию, максимальной температуре или тепловому износу кабеля , либо трансформатора.
2.2. Основные параметры для расчета эл. нагрузок
Основной параметр для расчета нагрузок при проектировании новых установок - коэффициент использования, величина которого зависит от режима эксплуатации всей установки. Коэффициентом использования за наиболее загруженную смену одного электро приемника Ки или группы электрических приемников - называется отношении средней активной мощности одного электрического приемника (или группы) к номинальной
Ки= Рср / Рном
n n
Ки=å Ки Рном / å Рном
1 1
где n - число подгрупп электро приемников, входящих в одну группу
Рср - средняя мощность подгруппы за наиболее нагруженную смену в кВт
Коэффициент максимума активной мощности (Км) - это отношение расчетного максимума активной мощности к её среднему значению за наиболее загруженную смену
Км= Рм / Рср
Коэффициентом спроса по активной мощности (Кс) называется отношение расчетной активной мощности группы электро приемников к номинальной мощности этой группы
Кс= Рм / Рном = Ки Км
2.3. Расчет электрических нагрузок методом упорядоченных диаграмм
Указания по проектированию электро снабжения промышленных предприятий рекомендует определение нагрузок для расчета цеховых цепей и выборе трансформатора методом коэффициента использования и максимума. Расчетные коэффициенты Ки и Км получены в результате упорядочения диаграмм нагрузки по данным обследования ряда отраслей промышленности. Расчетные нагрузки (получасовые максимумы активной нагрузки) на всех ступенях распределительных и питающих сетей, включая трансформаторы и преобразователи определяются по формуле :
Рм= Км Рср = Км Ки Рном
где Рср - средняя мощность электро приемников за наиболее загруженную смену
Рном - суммарная номинальная активная мощность рабочих приемников в [кВТ]
Ки - групповой коэффициент использования активной мощности
Км - определяется по таблице [ 2.13. ] , в зависимости от величины группового коэффициента использования и эффективного числа группы электро приемников.
Эффективным числом группы электро приемников nэ называют число, однородное по режиму работы электро приемников одинаковой мощности, которая обуславливает ту же величину расчетного максимума нагрузки, что и группы различные по мощности и режиму работы электро приемников
n
nэ= 2 åРном / Рном макс
1
В группе из пяти и более электро приемников эффективное число допускается считать равным тактическому значению m , при величине отношения
m= Рном макс / Рном мин £ 3
где Рном макс и Рном мин - номинальные активные мощности наибольшего и наименьшего электро приемников в группе
В группе с m>3 и Ки³0.2 nэ рекомендуется определять по формуле
n
nэ= 2åРном / Рном макс
1
где åРном - суммарная номинальная мощность всех электро приемников в группе [кВт]
Рном макс - наибольший по мощности электро приемник данной группы[кВт]
2.4.Определение суммарных и предельных нагрузокпо каждой группе электро приемников
Разделим электро приемники с постоянным и переменным графиком нагрузки.
С переменным графиком нагрузки
Мостовой кран
Рном9= РпаспÖПВ
где Рпасп - активная паспортная мощность
ПВ - паспортная продолжительность включения
Рном9= 42.6Ö0.25 =21.3 [кВТ]
Рном9= 21.3 [Квт]
Рном9 - номинальная активная мощность электро приемника
Ки - паспортный коэффициент использования
Рср9=Ки(n Рном9)
Рср9=0.2 (1× 21.3)= 4.26 [кВт]
Рср9=4.26 [кВт]
Qср9= Рср9 × tgj
где Рср9 - средняя активная мощность мостового крана
Qср9= 4.26 × 1.07= 4.56 [квар]
Qср9= 4.56 [квар]
Сварочный трансформатор
Рном11= РпаспÖПВ= Sпасп × cosj × n × ÖПВ
Рном11=36×0.4×2×Ö40= 182.14 [кВт]
Рном11= 182.14 [кВт]
Рср11= Ки × (n × Рном11)
Рср11= 0.2 × 182.14 = 36.43 [кВт]
Рср11=36.43 [кВт]
Qср11=Рср11×tgj
Qср11=36.43 × 2.2= 80.1 [квар]
Qср11=80.1 [квар]
Подсчитаем итоговые данные по приемникам с переменным графиком нагрузки
n=1+2=3
n
åРном= Рном9+Рном11
1
Рном - номинальная активная мощность подгрупп электро приемников входящих в данную группу
n
åРном= 21.3 + 182.14=203.44 [кВт]
1
n
åРср= Рср9+Рср11
1
где Рср - средняя активная мощность подгруппы электро приемников входящих в данную группу
n
åРср= 4.26 + 36.43=4069 [кВт]
1
n
åQср= Qср9+Qср11
1
где Qср - средняя реактивная мощность подгрупп электро приемников
n
åQср= 4.56 + 80.1=84.66 [квар]
1
Ки.с.= åРср / åРном
Ки.с.= 40.69 / 203.44 = 0.2
Определим отношение Рном наибольшего электро приемника к Рном наименьшему электро приемнику
m= Рном макс / Рном мин
m=42.6 / 9.1= 4.68
m=4.68
В соответствии с практикой проектировании установлено, что при m>3 и Ки³0.2 эффективное число приемников принято считать по формуле
n
nэ= 2åРном / Рном макс
1
nэ= 2×112.37 / 91.07
nэ= 9.5
По графику 2.15.[1] находим коэффициенты максимальной активной мощности: Кмax=1.84
Максимальная активная нагрузка
n
Рмах= Кмах × åРср
1
Рмах= 1.84×40.69=74.86 [кВт]
Рмах=74.86 [кВт]
Максимальная реактивная нагрузка определяется в соответствии со следующими параметрами , при nэ £10
n
Qмах= åQср
1
где Qср - средняя реактивная мощность электро приемников входящих в данную группу
Qмах=84.66 [квар]
С постоянным графиком нагрузки
Для них Рном=Рпасп
Токарные станки
Рном1= n × Рпасп
где n - количество станков
Рном1= 20×5.2= 104 [кВт]
Рном1=104[кВт]
Рср1= Ки×Рном1
Рср1= 0.2×104=20.8 [кВт]
Qср1=Рср1×tgj
Qср1=20.8×1.15= 23.92 [квар]
Qср1=23.92[квар]
Фрезерные станки
Рном2= n×Рпасп
Рном2=12×7.2=86.4 [кВт]
Рном2=86.4 [кВт]
Рср2=Ки×Рном2
Рср2=0.2 × 86.4= 17.28 [кВт]
Рср2=17.28 [кВт]
Qср2=Рср2 × tgj
Qср2=17.28 × 1.15= 19.872 [квар]
Qср2=19/872 [квар]
Станки плоскошлифовальные
Рном3= n × Рпасп
Рном3= 3 × 8.3 = 24.9 [кВт]
Рном3= 24.9 [кВт]
Рср3= Ки × Рном3
Рср3= 0.14 × 24.9 = 3.486 [кВт]
Рср3= 3.486 [кВт]
Qср3=Рср3 × tgj
Qср3=3.486 × 1.15= 4.009 [квар]
Qср3=4.009 [квар]
Кругло шлифовальные станки
Рном4= n × Рпасп
Рном4=2 × 12.2 =24.4 [кВт]
Рном4=24.4 [кВт]
Рср4= Ки × Рном4
Рср4=0.14 × 24.4 =3.416 [кВт]
Рср4=3.416 [кВт]
Qср4= Рср4 × tgj
Qср4=3.416 × 1.15 = 3.93 [квар]
Qср4=3.93 [квар]
Станки сверлильные
Рном5= n × Рпасп
Рном5=2 × 2.2 =4.4 [кВт]
Рном5=4.4 [кВт]
Рср5= Ки × Рном5
Рср5=0.12 × 4.4 = 0.528 [кВт]
Рср5=0.528 [кВт]
Qср5= Рср5 × tgj
Qср5=0.528 × 1.15 = 0.607 [квар]
Qср5=0.607 [квар]
Станки заточные
Рном6= n × Рпасп
Рном6=1 × 1.3 = 1.3 [кВт]
Рном6=1.3 [кВт]
Рср6= Ки × Рном6
Рср6=0.12 × 1.3 = 0.156 [кВт]
Рср6=0.156 [кВт]
Qср6= Рср6 × tgj
Qср6=0.156 × 1.15 = 0.179 [квар]
Qср6=0.179 [квар]
Насосы
Рном7= n × Рпасп
Рном7=4 × 35 = 140 [кВт]
Рном7=140 [кВт]
Рср7= Ки × Рном7
Рср7=0.7 × 140 = 98 [кВт]
Рср7=98 [кВт]
Qср7= Рср7 × tgj
Qср7=98 × 0.75 = 73.5 [квар]
Qср7=73.5 [квар]
Вентиляторы
Рном8= n × Рпасп
Рном8=3 × 25 = 75 [кВт]
Рном8=75 [кВт]
Рср8= Ки × Рном8
Рср8=0.8 × 75 = 60 [кВт]
Рср8=60 [кВт]
Qср8= Рср8 × tgj
Qср8=60 × 0.75 = 45 [квар]
Qср8=45 [квар]
Электропечи
Рном10= n × Рпасп
Рном10=2 × 40 = 80 [кВт]
Рном10=80 [кВт]
Рср10= Ки × Рном10
Рср10=0.7 × 80 = 56 [кВт]
Рср10=56 [кВт]
Qср10= Рср10 × tgj
Qср10=56 × 0 = 0 [квар]
Qср10=0 [квар]
Итоговые данные по электро приемникам с постоянным графиком нагрузки
n
åРном = Рном1 + … Рном8+ Рном10
1
n
åРном=104+86.4+24.9+24.4+4.4+1.3+140+75+80=540.4 [кВт]
1
n
åРср= Рср1+…+Рср8+Рср10
1
åРср=20.8+17.28+3.486+3.416+0.528+0.156+98+60+56=218.06 [кВт]
n
åQcр= Qср1+…+Qср8+Qср10
1
åQcр=23.92+19.872+4.009+3.93+0.607+0.179+73.5+45+0=171.01 [квар]
для приемников с постоянным графиком нагрузки
n
Кмакс=1 - Рмакс=åРср=218.06 [кВт]
1
n
Qмакс=åQср=171.01 [квар]
1
2.5. Выбор компенсирующих устройств и выбор мощности трансформатора
Средняя мощность все потребителей
n
Рср=åРср = Рср1+Рср2+…+Рср11
1
n
Рср=åРср = 218.06+40.69 = 258.75 [кВт]
1
Рср= 258.75 [кВт]
n
Qср=åQср = Qср1+Qср2+…+Qср11
1
n
Qср=åQср=171.01+84.66 = 255.67 [квар]
1
Qср= 255.67[квар]
2 2
S=ÖРср + Qср
где Рср и Qср - средняя активная и реактивная мощности для всех потребителей
2 2
Sср=Ö 258.75 + 255.67 = 363.75[кВА]
Sср=363.75 [кВА]
Определяем максимальные мощности всех электро потребителей
Рмакс=Рмакс1 + Рмакс2
где Рмакс1 и Рмакс2 - активные мощности потребителей с постоянным и переменным графиком нагрузки
Рмакс=218.06 + 74.86 = 292.92 [кВт]
Рмакс= 292.92[кВт]
Qмакс=Qмакс1 + Qмакс2
где Qмакс1 и Qмакс2 - реактивная мощность потребителей с постоянным и переменным графиком нагрузки
Qмакс=171.01 + 84.66 = 255.67 [квар]
Qмакс= 255.67 [квар]
2 2
Sмакс= ÖРмакс + Qмакс
Sмакс= Ö 85790.4+65367.1=388.7
Sмакс= 388.7 [кВА]
Определяем cosj по формуле
cosj = Рмакс / Sмакс
где Рмакс - активная максимальная мощность всех потребителей
Sмакс - полная максимальная мощность
cosj = 292.92 / 388.7 = 0.753
Так как cosj слишком мал , то требуется компенсация с помощью батарей статических конденсаторов мощностью Qс= 220 [квар]
Определяем максимальную реактивную мощность с учётом статических конденсаторов
Q'макс = Qмакс - Qс
где Qс - мощность статических конденсаторов
Q'макс = 255.67 - 220 = 35.67[квар]
Q'макс = 35.67[квар]
Уточним значение S'макс
2 2
S'макс=Ö Рмакс + Q'макс
2 2
S'макс=Ö292.9 + 35.67 = 295.06[кВА]
S'макс= 302.872 [кВА]
Подсчитаем значение cosj с учетом применения компенсирующий устройств
соsj = Рмакс / S'макс
где Рмакс - активная максимальная мощность всех потребителей
S'макс - полная максимальная мощность всех потребителей с учетом статических конденсаторов.
cosj = 292.9 / 295.06= 0.99
cosj = 0.99
Cхема подключения батарей конденсаторов
~ 380 В





Р




П


















где П - предохранитель ,
Р - трех фазный рубильник
Выбираем мощность трансформатора (приложение 12)
Sтр ³ S'макс
Sтр = 295.06 [кВА]
Sном.тр. = Sмакс / b
Sном.тр. = 295.06 / 0.75 = 393.41 [кВА]
Sном.тр. = 393.41 [кВА]
Возьмем один трансформатор типа ТС3-400
80х50 ; ШРА4-630-32 IУ3
2.6. Расчет заземления
Определяем число электродов заземления подстанции 604 [кВ] на стороне с напряжением 6 [кВ]
Нейтраль изолирована на стороне 0.4 [кВ] , наглухо заземлена .Заземление общей протяженностью воздушной линии lвл=0 км , кабельной линии lкаб=5 км
4
y2 = 1.5 , Ãизм.= 0.6 × 10 [Ом]
Решение :
Ток однофазного заземления на землю в сети 6 [кВт]
Iз = U ( 35 lкаб + lв) / 350
где U - напряжение питающей сети
lкаб - длина кабеля
lв - длина воздушной линии
Сопротивление заземляющего устройства для сети 6 [кВт]
R = Uз / Iз
где Uз - заземляющее напряжение
Iз - ток однофазного заземления на землю
Rз = 125 /3 = 41.7 [Ом]
Rз = 41.7 [Ом]
Сопротивление заземления для сети 0.4 [кВт] с глухо заземленной нейтралью должно быть не более 4 [Ом]
Расчетное удельное сопротивление группы равняется
гр = y2 × Ãизм.
4 3
Ãгр = 1.5 × 0.6 × 10 = 9 × 10 [Ом × м]
3
Ãгр = 9 × 10 [Ом × м]
Выбираем в качестве заземлителей прутковое заземление длиной l = 5м
Сопротивление одиночного пруткового электрода равно
Rо.пр. = 0.00227 × 9000 = 20.43 [Ом]
Rо.пр. = 20.43 [Ом]
Применяемые заземлители размещаются в ряд с расстоянием между ними а=6м
Коэффициент экранирования h=0.8 при а>1 , R=4 [Ом]
n = Rо.пр. / hRэ
где Rо.пр. - сопротивление одиночного пруткового электрода
Rэ - сопротивление взятое из правил установки электро оборудования
n = 20.43 / 0.8 × 4 = 6.38 , округляем в большую сторону
n = 7 [шт]
Заземление включает в себя семь прутков.
2.7. Расчет токов короткого замыкания от источников питания с неограниченной энергии
При расчете токов короткого замыкания важно правильно составить расчетную схему , т.е. определить что находиться между точкой короткого замыкания и источником питающим место короткого замыкания , а для этого необходимо рассчитать токи короткого замыкания . Предположим , что подстанция подключена к энергосистеме мощностью S = ¥ , питающее режимное сопротивление системы Хо = 0
Uн=10 кВт

К1 К2




энергосистема








кабель ТС3-400

























l=5
км l=0.4
км

АСБ(3х15)
ААБ(3х70) Uк=5.5%
Sc=¥ ; Хс=0 шины ГРП
подстанция потребителя
Для удобства расчета используются системы относительных и базисных величин. Sб - базисная мощность , величина которой принимается за 1.
Для базисной мощности целесообразно принимать значения 100 , 1000 [кВт]
или номинальную мощность одного из источников питания.
Uб - базисное напряжение , принимается равным номинальным (250,115,15,3,0.525,0.4,0.25)
Сопротивление в относительных единицах при номинальных условиях:
2
реактивное - Х* = Ö3 × Iном×Х/Uном = Х ( Sном /Uном )
где Iном - номинальный ток питающей сети
Х - реактивное сопротивление сети
Uном - номинальное напряжение сети
Sном - номинальная мощность
2
активное - R* = Ö3 × Iном× R/Uном = R ( Sном /Uном )
где R - активное сопротивление сети
2 2
полное - Z* = ÖR* +Х*
где R* и Х* - активное и реактивное сопротивление сети в относительных единицах
Все эти сопротивления приводятся к базисным условиям( ставится буква б )
Изобразим электрическую схему заземления

К1 К2






Х1*б R1*б Х2*б R2*б








l=5 км l=0.4 км
шины ГРП
Х1*б и R1*б - активное и реактивное сопротивления кабельной линии , от электро системы до ГРП завода
Х2*б и R2*б - активное и реактивное сопротивления , от ГРП завода до цеховой подстанции
Х3*б - реактивное сопротивление трансформатора
R3*б - принимаем равным нулю из-за его малости
Принимаем S = 100
U = 0.3 [кВ]
Xо = 0
Sо = ¥
Приводим сопротивления к базисным величинам
2
Х1*б = Хо × l × Sб / U1б
где Хо - реактивное сопротивление на 1км кабельной линии
l - длина кабеля от энергосистемы до ГРП завода
Sб - базисная мощность источника питания
U1б - базисное напряжение кабельной линии
Х3 - реактивное сопротивление сети
Х1*б = 0.08×5×100 / 100 =0.4
Х1*б = 0.4
3 2
R1*б = 10 × l × Sб / g × S × U1 б 2
где g - удельная проводимость , равна 32[м/ом × мм ]
R1*б = 1000×5×100 / 32×150×100 = 1.04
R1*б =1.04
Хо - реактивное сопротивление на 1км кабельной линии
Х=0.08
Х2*б=0.08×0.4×100/100 = 0.03
Х2*б=0.03
3 2
R2*б=10 × 0.4 × 100/32 × 70 × 10
R2*б= 0.18
Х3*б= Uк × Sб/100 × Sном.тр.
Х3*б= 4.5×100 / 100×0.4 = 11.25
Х3*б= 11.25
Определяем суммарные сопротивления до точки К1
n
åХ*бК1 = Х1*б = 0.4
1
n
åR*бК1 = R1*б = 1.04
1
Разделим первое на второе
n n
åХ*бК1 / åR*бК2 = 0.4 / 1.04 = 0.38 > 3 , т.е. R необходимо учесть
1 1
где Х*бК1 - суммарное реактивное сопротивление
R*бК2 - суммарное активное сопротивление
Полное сопротивление до точки К1
n 2 n 2
Z*бК1 = Ö åR*бК1 + åХ*бК1
1 1
2 2
Z*бК1 = Ö 0.4 + 1.04 = 1.1
Z*бК1 = 1.1
Определим суммарное сопротивление до точки К1
n
åR*бК2 = R1*б + R2*б
1
где R1*б и R2*б - базисные реактивные сопротивления для К1 и К2
n
åR*бК2 = 1.04 + 0.18 = 1.22
1
n
åХ*бК2=Х1*б+Х2*б+Х3*б
1
n
åХ*бК2 = 0.4+0.03+11.25= 11.68
1
n
åХ*бК2 = 11.68
1
Разделим первое на второе
n n
åХ*бК2 / åR*бК2 = 11.68 / 1.22 = 9.6 >0.3
1 1
Определяем полное сопротивление до точки К2
n 2 n 2
Z*бК2 = Ö åR*бК2 +åХ*бК2
1 1
Z*бК2 = Ö 1.48 + 139.4 = 11.74
Z*бК2 =11.74
Определяем базисные токи
I1б = Sб / Ö3 × U1б
I1б = 100 / (Ö3 × 10) = 5.8 [кА]
I1б = 5.8 [кА]
I2б = Sб / Ö3 × Uб2
I2б = 100 / (Ö3 × 0.4) = 144.5 [кА]
I2б = 144.5 [кА]
Определим сверх переходной ток в точке К1
I``К1 = I1б / Z*бК1
I``К1 = 5.8 / 1.1 = 5.3[кА]
I``К1 = 5.3[кА]
Так как расчет производиться с учетом активного сопротивления , то при подсчете нельзя брать рекомендованные значение ударных токов Iуд , Iуд = 1.3 ¸ 1.8 , их нужно вычислить.
Определим постоянную времени затухания
n n
Tа1 = åХ*бК1 / 314 åR*бК1
1 1
Tа1 = 0.4 / 314 × 1.04= 0.0012 [сек]
Tа1 = 0.0012 [сек]
Т.к. ударный ток необходимо определить для времени срабатывании защиты t=0.01сек , то
- t/Tа1
Куд1 = 1 + е
- 0.01/0.12
Куд1 = 1 + 2.72 = 1.0003
Куд1 = 1.0003
В этом случае Куд можно принять до 1.3 , тогда значение удельного тока
iуд1 = I``К1 × Куд1 × Ö2
где Куд - ударный коэффициент
I``К1 - сверх периодный ток
iуд1 = 5.3 × 1.3 ×Ö2 = 9.7 [кА]
iуд1 = 9.7 [кА]
Действующее значение ударного тока
2
Iуд1 = iуд1 Ö 1+2 (Куд1-1)
где iуд - мгновенное значение ударного тока
2
Iуд1 = 9.7Ö 1+2 (1.3-1) = 10.5[кА]
Iуд1 = 10.5 [кА]
Определяем токи короткого замыкания в точке К2
I``К2 = I1б / Z*бК2
I``К2 = 9.164 / 2.705 = 3.388 [кА]
I``К2 = 3.388 [кА]
n n
Та2 =åХ*бК2 / 314 × åR*бК2
1 1
Та2 = 11.68 / 314 × 1.22 = 0.03 [сек]
Та2 = 0.03 [сек]
Определяем ударный коэффициент для точки К2
- t/Tа2
Куд2 = 1 + е
- 0.01/0.03
Куд2 = 1 + 2.72 = 1.51
Куд2 = 1.51
iуд2 = I``К2 × Ку2 × Ö2
iуд2 = 3.388 × 2.133 × Ö2 = 10.22 [кА]
iуд2 = 10.22 [кА]
Определим сверх переходной ток в точке К2
Iуд2 = Iб2 / Z*бК2
Iу2 = 144.5 / 11.74 = 12.3 [кА]
Iу2 = 12.3 [кА]
Находим ударный ток в точке К2
iуд2 = I``К2 × Куд2 × Ö2
iуд2 = 12.3 × 1.51 × Ö2 = 26.3[кА]
iуд2 =26.3[кА]
Действующее значение ударного тока
2
Iуд2 = iуд2 Ö 1+2 (Куд2-1)
2
Iуд2 =26.3Ö1+2 (1.51-1) = 32.4 [кА]
Iуд2 =32.4 [кА]
Определяем мощности короткого замыкания в точках К1 и К2
SК1 = Sб / Z*бК1
SК1 = 100 / 1.1 = 90.9 [мВА]
SК1 = 90.9 [мВА]
SК2 = Sб / Z*бК2
SК2 = 100 / 11.74 = 8.5 [мВА]
SК2 =8.5 [мВА]
2.8. Расчет освещения
Существуют различные нормы освещенности , например производственные участки - 200 лк , кабинеты - 100 лк , коридоры - 50 лк
Производственный участок
2
Размер производственного участка А=40м , В=15м , S=600м
Выбираем светильники ПСО-0.2 с двумя луминисцентными лампами ПБ-40.
Светильники устанавливаются на высоте Нр=5.4м . Коэффициент отражения равен rн=70% , rс=50% , rр=100%
При Е=100Лк
2
Руд=4.5 [Вт / м ]
При Е=200Лк
2
Руд=4.5 × 2 = 9 [Вт / м ]
Ру.ст = Руд × S
Ру.ст = 9 × 600 = 5400 [Вт]
Ру.ст = 5400 [Вт]
n = Ру.ст / Рсв
n = 5400 / 80 » 67.5 - 68[шт]
n = 68 [шт]
Кабинет энергетика
Примем
2
А=5м , В=4м , S=20м , высота Нр=2.2м
При Е=100Лк
2
Руд=4.5[Вт / м ]
Ру.ст = Руд × S
Ру.ст = 4.5 × 20 = 90 [Вт]
Ру.ст = 90 [Вт]
n = Ру.ст / Рсв
n = 90 / 80 » 1.125 -1[шт]
n = 1 [шт]
Кабинет начальника цеха
Примем
2
А=4м , В=4м , S=16м , высота Нр=2.2м
При Е=100Лк
2
Руд=4.5 [Вт / м ]
Ру.ст = Руд × S
Ру.ст = 4.5 × 16 = 72 [Вт]
Ру.ст = 72 [Вт]
n = Ру.ст / Рсв
n = 72 / 80 » 0.9 - 1[шт]
n = 1[шт]
Т.к. ОТК , а так же кабинет начальника цеха и кладовая равны по площади , то ставим в них по 1 люминисцентному светильнику .
Сан узел
Для его освещения берем лампы накаливания
Примем
А=5м , В=4м , Н=3м , Нр=2.4м
Енорм по таблице П13[2] =50Лм
Определяем индекс помещения
i = А × В / Нр (А + В)
i = 5 × 4 / 2.4 ( 5+4 ) = 0.925
i = 0.925
По таблице 21.2[2] для светильника ПУН-60 при i = 0.925 коэффициент использования равен 0.13
Кзам = 1.3
z = 1.15
Фл.расч. = Енорм × S × Кзам × z / n×Ки
Фл.расч. = 50 × 20 × 1.3 × 1.15 / 4 × 0.13 = 1495
Фл.расч. = 1495
Расчет трансформаторной подстанции
Примем
2
А=5м , В=5м , S=25м , Нр=5.4м
Определяем индекс помещения
i = А × В / Нр (А + В)
i = 5× 5 / 5.4 (5+5) = 0.46
i = 0.46
Индекс помещения равен i = 0.46 , коэффициент использования равен 0.13 , z = 1.15
Расчет и выбор сечений питающей и распределительной сети освещения и проверка на потерю напряжения.
Сеть , падающая электро энергию от трансформатора понижающей подстанции к светильникам состоит из питающей и распределительной линий. К расчету предъявляются следующие требования :
а) Выборное сечение провода и кабеля должно обеспечивать требуемое напряжение у источников света
б) Токовые нагрузки по проводам не должны превышать допустиые значения
в) Питание шины не должно иметь большой потери мощности
Для того чтобы выбрать ШОС надо найти номинальной ток одной группы ламп
Iн = Pу / n × U
Iн = 9700 / 4 × 220 = 11 [А]
Iн = 11 [А]
По приложению выбираем тип осветительного шино провода : ШОС 80-93 . Допустимый длительный ток 16 А . Для защиты осветительных шино проводов от к.з. используем автоматические выключатели АЕ2000-25-12.5 .
Расчет и выбор распределительной сети цеха и ее защиты
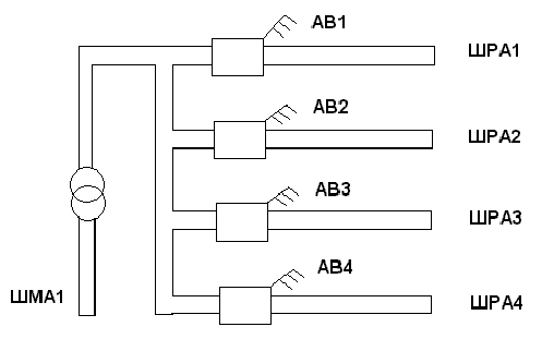
Учитывая методы современного электро снабжения выбираем магистральную схему с шино проводом ШМА.

Типа ШМА4-630-32-Iуз и распределительную систему с шино проводами типа ШРА1-250-32-Iуз , ШРА2-400-32-Iуз , ШРА3-250-32-Iуз , ШРА4-250-32-Iуз .
Находим номинальные токи электро оборудования
Iн = Рн / ( Ö3 × Uн × соsj )
Iн1 = 5.2 /(Ö3 × 0.4 × 0.65) =11.55 [А]
Iн2 = 7.2 /(Ö3 × 0.4 × 0.65) =15.99 [А]
Iн3 = 8.3 /(Ö3 × 0.4 × 0.65) =18.43 [А]
Iн4 = 12.2 /(Ö3 × 0.4 × 0.65) =27.09 [А]
Iн5 = 2.2 /(Ö3 × 0.4 × 0.65) =4.88 [А]
Iн6 = 1.3 /(Ö3 × 0.4 × 0.65) =2.89 [А]
Iн7 = 35 /(Ö3 × 0.4 × 0.8) =63.15 [А]
Iн8 = 25 /(Ö3 × 0.4 × 0.8) =45.11 [А]
Iн9 = 42.6 /(Ö3 × 0.4 × 0.7) =87.84 [А]
Iн10 = 40 /(Ö3 × 0.4 × 1) =57.74 [А]
Iн11 = 36 /(Ö3 × 0.4 × 0.4) =129.9 [А]
Iн12 = 15 /(Ö3 × 0.23 × 1) =37.65 [А]
Максимальные токи у электро оборудования , имеющего пусковых токов , равны номинальным токам . Для остального оборудования в основе которого работают асинхронные двигатели , максимальный ток равен пусковому .
Iмакс = 1.5 × Iн
Iмакс1 = 1.5 ×11.55=17.325 [А]
Iмакс2 = 1.5 ×15.99=23.985 [А]
Iмакс3 = 1.5 ×18.43=27.645 [А]
Iмакс4 = 1.5 ×27.09=40.635 [А]
Iмакс5 = 1.5 ×4.88=7.32 [А]
Iмакс6 = 1.5 ×2.89=4.335 [А]
Iмакс7 = 1.5 ×63.15=94.725 [А]
Iмакс8 = 1.5 ×45.11=67.665 [А]
Iмакс9 = 1.5 ×87.84=131.76 [А]
Iмакс10 = 1.5 ×57.74=86.61 [А]
Iмакс11 = 1.5 ×129.9=194.85 [А]
Iмакс12 = 1.5 ×37.65= 56.475 [А]
Для электро оборудования , не имеющего пусковых токов , ток плавкой вставки предохранителя
Iпл.вст = 1.2 Iмакс
При наличии асинхронного двигателя в электро оборудовании
Iпл.вст = Iмакс / 2.5
Iпл.вст1 =17.325 / 2.5=6.93 [А]
Iпл.вст2 =23.985 / 2.5=9.594 [А]
Iпл.вст3 =27.645 / 2.5=11.058 [А]
Iпл.вст4 =40.635 / 2.5=16.254 [А]
Iпл.вст5 =7.32 / 2.5=2.928 [А]
Iпл.вст6 =4.335 / 2.5=1.734 [А]
Iпл.вст7 =94.725 / 2.5=37.89 [А]
Iпл.вст8 =67.665 / 2.5=27.066 [А]
Iпл.вст9 =131.76 / 2.5=57.704 [А]
Iпл.вст10 =86.61 × 1.2=103.932 [А]
Iпл.вст11 =194.85 × 1.2=233.82 [А]
Iпл.вст12 =56.475 × 1.2=67.77 [А]
Пользуясь таблицей 5[1] находим сечение проводов
2
Iн1 = 11.55 [А] S1 =1 мм
2
Iн2 = 15.99 [А] S2 =2.5 мм
2
Iн3 = 18.43 [А] S3 =2.5 мм
2
Iн4 = 27.09 [А] S4 =4 мм
2
Iн5 = 4.88 [А] S5 =0.75 мм
2
Iн6 = 2.89 [А] S6 =0.5 мм
2
Iн7 = 63.15 [А] S7 =14 мм
2
Iн8 = 45.11 [А] S8 =10 мм
2
Iн9 = 87.84 [А] S9 =35 мм
2
Iн10 = 57.74 [А] S10 =14 мм
2
Iн11 = 129.9 [А] S11 =35 мм
2
Iн12 = 37.65 [А] S12 =10 мм
2.9.1. Расчет шино проводов
Рассмотрим шино провод ШРА1.
От него питаются : 5 токарных , 5 фрезерных , 2 насоса , 2 сверлильных.
Токарный станок
Рном1= n × Рпасп
Рном1= 5 × 5.2= 26 [кВт]
Рном1= 26 [кВт]
Рср1 = Ки × Рном1
Рср1 = 0.2 × 26 = 5.2 [кВт]
Рср1 = 5.2 [кВт]
Qср1 = Рср1 × tgj
Qср1 = 5.2 × 1.15 = 5.98 [квар]
Qср1 = 5.98 [квар]
Фрезерный станок
Рном2= n × Рпасп
Рном2= 5 × 7.2 = 36 [кВт]
Рном2= 36 [кВт]
Рср2 = Ки × Рном1
Рср2 =0.2 × 36 = 7.2 [кВт]
Рср2 =7.2 [кВт]
Qср2 = Рср2 × tgj
Qср1 = 7.2 × 1.15 = 8.28 [квар]
Qср1 = 8.28 [квар]
Насосы
Рном7= n × Рпасп
Рном7= 2 × 35 = 70 [кВт]
Рном7= 70 [кВт]
Рср7 = Ки × Рном1
Рср7 =0.7 × 70 = 24.5 [кВт]
Рср7 = 24.5 [кВт]
Qср7 = Рср2 × tgj
Qср7 =24.5 × 0.75 = 18.37 [квар]
Qср7 = 18.37 [квар]
Сверлильный станок
Рном5 = n × Рпасп
Рном5 =2 × 2.2 = 4.4 [кВт]
Рном5 = 4.4 [кВт]
Рср5 = Ки × Рном1
Рср5 = 0.12 × 4.4 = 0.52 [кВт]
Рср5 = 0.52 [кВт]
Qср5 = Рср2 × tgj
Qср5 = 0.52 × 1.15 = 0.6 [квар]
Qср5 = 0.6 [квар]
Определяем суммарные мощности на ШРА1
n
åРном = Рном1 + Рном2 + Рном5 + Рном7
1
n
åРном = 26+36+70+4.4=136.4 [кВт]
1
n
åРном = 136.4 [кВт]
1
n
åРср = Рср1 + Рср2 + Рср5 + Рср7
1
n
åРср = 5.2+7.2+24.5+0.52=37.42 [кВт]
1
n
åQср = Qср1+Qср2+Qср5+Qср7
1
n
åQср = 5.98+8.28+18.37+0.6=33.23 [квар]
1
Ки.с. = åРср / åРном
Ки.с. = 37.42 / 136.4
Ки.с. = 0.27
n = 14
m = Рном макс / Рном мин
m = 35 / 2.2 = 15.9
m = 15.9 , т.к. m > 3 , то
nэ = 2×åРном / Рном макс
nэ = 2×136.4 / 35 = 7.7
nэ = 7.7
Выбираем коэффициент максимума из таблице 2.13
Кмакс = f(nэ ; Ки.с.)
Кмакс = 1.72
Определим максимальные мощности и ток
Рмакс = Кмакс × åРср
Рмакс = 1.72 × 37.42 = 64.36 [кВт]
Рмакс = 0.46 [кВт]
т.к. nэ<10 , то
Qмакс = åQср = 33.23 [квар]
2 2
Sмакс = ÖPмакс + Qмакс
Sмакс = Ö1104.23 + 2666.64 = 72.43[кВА]
Sмакс =72.43[кВА]
Iмакс = Sмакс / Ö3 × 0.4
Iмакс = 72.43 / Ö3 × 0.4 = 104.6 [А]
Iмакс = 104.6 [А]
Выбираем тип шино провода по приложению 5[2]
сечение 35х5 ; ШРА4-250-32 IУ3
Рассмотрим шино провод ШРА2.
От него питаются : 5 токарных , 5 фрезерных , 2 плоскошлифовальных , 2 электро печи.
Токарный станок
Рном1= n × Рпасп
Рном1= 5 × 5.2 = 26 [кВт]
Рном1= 26 [кВт]
Рср1 = Ки × Рном1
Рср1 = 0.2 × 26 = 5.2 [кВт]
Рср1 = 5.2 [кВт]
Qср1 = Рср1 × tgj
Qср1 = 5.2 × 1.15 = 5.98 [квар]
Qср1 = 5.98 [квар]
Фрезерный станок
Рном2= n × Рпасп
Рном2= 5 × 7.2 = 36 [кВт]
Рном2= 36 [кВт]
Рср2 = Ки × Рном1
Рср2 =0.2 × 36 = 7.2 [кВт]
Рср2 =7.2 [кВт]
Qср2 = Рср2 × tgj
Qср1 = 7.2 × 1.15 = 8.28 [квар]
Qср1 = 8.28 [квар]
Плоскошлифовальный станок
Рном3= n × Рпасп
Рном3= 2 × 8.3 = 16.6 [кВт]
Рном3= 16.6 [кВт]
Рср3 = Ки × Рном1
Рср3 =0.14 × 16.6= 2.32 [кВт]
Рср3 = 2.32 [кВт]
Qср3 = Рср2 × tgj
Qср3 =2.32 × 1.15 = 2.67 [квар]
Qср3 = 2.67 [квар]
Печи
Рном10 = n × Рпасп
Рном10 =2 × 40 = 80 [кВт]
Рном10 = 80 [кВт]
Рср10 = Ки × Рном1
Рср10 = 0.7 × 80 = 56 [кВт]
Рср10 = 56 [кВт]
Qср10 = Рср2 × tgj
Qср10 = 56 × 2.2 = 123.2 [квар]
Qср10 = 123.2 [квар]
Определяем суммарные мощности на ШРА2
n
åРном = Рном1 + Рном2 + Рном3 + Рном10
1
n
åРном = 26+36+80+16.6=158.6 [кВт]
1
n
åРср = Рср1 + Рср2 + Рср3 + Рср10
1
n
åРср = 5.2+7.2+2.32+56=70.72 [кВт]
1
n
åQср = Qср1+Qср2+Qср3+Qср10
1
n
åQср = 5.98+8.28+2.67+123.2=140.13 [квар]
1
Ки.с. = åРср / åРном
Ки.с. = 70.72 / 158.6 = 0.44
Ки.с. = 0.44
n = 14
m = Рном макс / Рном мин
m = 40 / 5.2 = 7.69
m = 7.69 , т.к. m > 3 , то
nэ = 2×åРном / Рном макс
nэ = 2× 158.6 / 40 = 7.93
nэ = 7.93
Выбираем коэффициент максимума из таблице 2.13
Кмакс = f(nэ ; Ки.с.)
Кмакс = 1.52
Определим максимальные мощности и ток
Рмакс = Кмакс × åРср
Рмакс = 1.52 × 70.72 = 107.4 [кВт]
Рмакс = 107.4 [кВт]
т.к. nэ<10 , то
Qмакс = åQср = 140.13 [квар]
2 2
Sмакс = ÖPмакс + Qмакс
Sмакс = Ö11534.7 + 19636.4 = 176.61 [кВА]
Sмакс = 176.61 [кВА]
Iмакс = Sмакс / Ö3 × 0.4
Iмакс = 176.61 / Ö3 × 0.4 = 255.2 [А]
Iмакс = 255.2 [А]
Выбираем тип шино провода по приложению 5[2]
сечение 50х5 ; ШРА4-400-32 IУ3
Рассмотрим шино провод ШРА3.
От него питаются : 10 токарных , 1 плоскошлифовальный , 2 насоса.
Токарный станок
Рном1= n × Рпасп
Рном1= 10 × 5.2 = 52 [кВт]
Рном1= 52 [кВт]
Рср1 = Ки × Рном1
Рср1 = 0.2 × 52 = 10.4 [кВт]
Рср1 = 10.4 [кВт]
Qср1 = Рср1 × tgj
Qср1 = 10.4 × 1.15 =11.96 [квар]
Qср1 = 11.96 [квар]
Плоскошлифовальный станок
Рном3= n × Рпасп
Рном3= 1 × 8.3 = 8.3 [кВт]
Рном3= 8.3 [кВт]
Рср3 = Ки × Рном1
Рср3 =0.14 × 8.3= 1.16 [кВт]
Рср3 = 1.16 [кВт]
Qср3 = Рср2 × tgj
Qср3 =1.16 × 1.15 = 1.33 [квар]
Qср3 = 1.33 [квар]
Насосы
Рном7= n × Рпасп
Рном7= 2 × 35 = 70 [кВт]
Рном7= 70 [кВт]
Рср7 = Ки × Рном1
Рср7 =0.7 × 70 = 24.5 [кВт]
Рср7 = 24.5 [кВт]
Qср7 = Рср2 × tgj
Qср7 =24.5 × 0.75 = 18.37 [квар]
Qср7 = 18.37 [квар]
Определяем суммарные мощности на ШРА3
n
åРном = Рном1 + Рном3 + Рном7
1
n
åРном = 52+8.3+70=130.3 [кВт]
1
n
åРср = Рср1 + Рср3 + Рср7
1
n
åРср = 10.4+1.16+24.5=36.06 [кВт]
1
n
åQср = Qср1 + Qср3 + Qср7
1
n
åQср = 11.96+1.33+18.37=31.66 [квар]
1
Ки.с. = åРср / åРном
Ки.с. = 36.06 / 130.3 = 0.27
Ки.с. = 0.27
n = 13
m = Рном макс / Рном мин
m = 35 / 5.2 = 6.7
m = 6.7 , т.к. m > 3 , то
nэ = 2×åРном / Рном макс
nэ = 2× 130.3 / 35 = 7.4
nэ = 7.4
Выбираем коэффициент максимума из таблице 2.13
Кмакс = f(nэ ; Ки.с.)
Кмакс = 1.8
Определим максимальные мощности и ток
Рмакс = Кмакс × åРср
Рмакс = 1.8 × 36.06 = 64.9 [кВт]
Рмакс = 64.9 [кВт]
т.к. nэ<10 , то
Qмакс = åQср = 31.66 [квар]
2 2
Sмакс = ÖPмакс + Qмакс
Sмакс = Ö4212.01 + 1002.35 = 72.2 [кВА]
Sмакс = 72.2 [кВА]
Iмакс = Sмакс / Ö3 × 0.4
Iмакс = 72.2 / Ö3 × 0.4 = 104.6 [А]
Iмакс = 104.6 [А]
Выбираем тип шино провода по приложению 5[2]
сечение 30х5 ; ШРА4-250-32 IУ3
Рассмотрим шино провод ШРА4.
От него питаются : 2 фрезерных , 2 кругло шлифовальный , 1 заточной , 2 сварочных , 1 мостовой , 3 вентилятора .
Фрезерный станок
Рном2= n × Рпасп
Рном2= 2 × 7.2 = 14.4 [кВт]
Рном2= 14.4 [кВт]
Рср2 = Ки × Рном1
Рср2 = 0.2 × 14.4 = 2.88 [кВт]
Рср2 = 2.88 [кВт]
Qср2 = Рср1 × tgj
Qср2 = 2.88 × 1.15 =3.31 [квар]
Qср2 = 3.31 [квар]
Кругло шлифовальный станок
Рном4= n × Рпасп
Рном4= 2 × 12.2 = 24.4 [кВт]
Рном4= 24.4 [кВт]
Рср4 = Ки × Рном1
Рср4 =0.14 × 24.4 = 3.41 [кВт]
Рср4 = 3.41 [кВт]
Qср4 = Рср2 × tgj
Qср4 = 3.41 × 1.15 = 3.92 [квар]
Qср4 = 3.92 [квар]
Заточной станок
Рном6= n × Рпасп
Рном6= 1 × 1.3 = 1.3 [кВт]
Рном6= 1.3 [кВт]
Рср6 = Ки × Рном1
Рср6 = 0.12 × 1.3 = 0.156 [кВт]
Рср6 = 0.156 [кВт]
Qср6 = Рср2 × tgj
Qср6 = 0.156 × 0.15 = 0.17 [квар]
Qср6 = 0.17 [квар]
Сварочный трансформатор
Рном11= n × Рпасп × cosj ÖПВ
Рном11= 2 × 36 × 0.4 × Ö0.4 = 18.2 [кВт]
Рном11= 18.2 [кВт]
Рср11 = Ки × Рном1
Рср11 = 0.2 × 18.2 = 3.64[кВт]
Рср11 = 3.64 [кВт]
Qср11 = Рср2 × tgj
Qср11 = 3.64 × 2.2 = 8 [квар]
Qср11 = 8 [квар]
Мостовой кран
Рном9= n × Рпасп × ÖПВ
Рном9= 1 × 42.6 × Ö0.25 = 26.94 [кВт]
Рном9= 26.94 [кВт]
Рср9 = Ки × Рном1
Рср9 = 0.2 × 26.94 = 5.3[кВт]
Рср9 = 5.3 [кВт]
Qср9 = Рср2 × tgj
Qср9 = 5.3 × 0 = 0 [квар]
Qср9 = 0 [квар]
Вентиляторы
Рном8= n × Рпасп
Рном8= 3 × 25 = 75 [кВт]
Рном8= 75 [кВт]
Рср8 = Ки × Рном1
Рср8 = 0.8 × 75 = 60 [кВт]
Рср8 = 60 [кВт]
Qср8 = Рср2 × tgj
Qср8 = 60× 1.07 = 64.2 [квар]
Qср8 = 64.2 [квар]
Определяем суммарные мощности на ШРА4
n
åРном = Рном2 + Рном4 + Рном6 + Рном8 + Рном9+ Рном11
1
n
åРном = 14.4+24.4+1.3+75+26.94+18.2=159.84 [кВт]
1
n
åРср = Рср2 + Рср4 + Рср6+ Рср8 + Рср9 + Рср11
1
n
åРср = 2.88+3.41+0.156+60+5.3+3.64=75.38 [кВт]
1
n
åQср = Qср2 + Qср4 + Qср6+ Qср8 + Qср9 + Qср11
1
n
åQср = 3.31+3.92+0.17+64.2+0+8=79.6 [квар]
1
Ки.с. = åРср / åРном
Ки.с. = 75.38 / 159.84 = 0.47
Ки.с. = 0.47
n = 11
m = Рном макс / Рном мин
m = 42.6 / 1.3 = 32.7
m = 32.77 , т.к. m > 3 , то
nэ = 2×åРном / Рном макс
nэ = 2× 159.84 / 42.6 = 7.5
nэ = 7.5
Выбираем коэффициент максимума из таблице 2.13
Кмакс = f(nэ ; Ки.с.)
Кмакс = 1.4
Определим максимальные мощности и ток
Рмакс = Кмакс × åРср
Рмакс = 1.4 × 75.38 = 105.5 [кВт]
Рмакс = 105.5 [кВт]
т.к. nэ<10 , то
Qмакс = åQср = 79.6 [квар]
2 2
Sмакс = ÖPмакс + Qмакс
Sмакс = Ö11130.25 + 6336.16 = 132.1 [кВА]
Sмакс = 132.1 [кВА]
Iмакс = Sмакс / Ö3 × 0.4
Iмакс = 132.1 / Ö3 × 0.4 = 191.4 [А]
Iмакс = 191.4 [А]
Выбираем тип шино провода по приложению 5[2]
сечение 35х5 ; ШРА4-250-32 IУ3
2.10. Выбор и проверка шино проводов , кабелей и изоляторов
Шины распределительного устройства выбирают по номинальным параметрам
Пример.
2
Имеется шина 15х3 . S=45мм , Iр=210А
Проверяем шину на динамическую устойчивость при Iном=120А , iуд1=9.7кА , а=350мм , l=1300мм
Момент динамического сопротивления шин
плошмя
2
W = bh / 6
на ребре
2
W = hb / 6
h = 15мм , b = 3мм
Наибольшее механическое напряжения в металле при изгибе
d = М / W [мПа]
где М - момент сопротивления
(3)
М = F l / 10
(3)
где F - сила при трех фазном к.з.
(3) 2 -7
F = Ö3 × l/a × iуд × 10 [Н]
где Ö3/2 - коэффициент , учитывающий несовпадение мгновенных значений Iкз
2 3
W = hb / 6 = 0.3 × 1.5 / 6 = 0.11 см
3
W =0.11 см
2 -7
d = М / W = ( Ö3 × l/a × iуд1 × 10 ) / 0.11 = 44.5 [мПа]
Наибольшее допустимое напряжение при изгибе
Медное МГМ - 140 при t=300С
Алюминиевое - 75 при t=200С
Стальное - 180 при t=400С
Расчетная нагрузка на опорные изоляторы
-2 2
Fр = 1.76 × 10 × (l/a) × iуд1
-2
Fр = 1.76 × 10 × ( 1300/5.6) × 9.7 = 0.42
Подвод питания на ГРП завода осуществляется кабелем АСБ - 3х150.
Найдем минимальное сечение кабеля Sмин на термическую устойчивость при трех фазном к.з.
Sмин = I / e Öt
где e - тепловой коэффициент (для алюминия 88)
t - время срабатывания тепловой защиты
2
Sмин = 8300 / 88Ö0.6 = 75 мм
2
Сечение кабеля 150мм - значит он выдержит токи короткого замыкания.
Л И Т Е Р А Т У Р А .
Липкин Б.Ю. "Электроснабжение промышленных предприятий" ВШ.1979.
Цигельман И.Е. "Электроснабжение гражданских зданий и коммунальных предприятий" М.1977.
Справочная книга для проектирования электроосвещения; Кнорринга Г.М.1976.