Ремонт и регулировка мониторов для компьютеров
Зміст
ВСТУП
1. ТИПИ ВІДЕОМОНІТОРІВ ДЛЯ КОМП'ЮТЕРІВ
2. ОСНОВНІ ПРИНЦИПИ ПОБУДОВИ СУЧАСНИХ ВМ
3. ХАРАКТЕРИСТИКИ Й ОПИС ОКРЕМИХ ВУЗЛІВ
3.1. ДЖЕРЕЛО ХАРЧУВАННЯ
Методика ремонту ИП
3.2. вузол керування ВМ.
Рекомендації з ремонту УУ
3.3. ВХІДНІ ПРИСТРОЇ ВМ
Схеми підключення ЭЛТ
Перевірка і ремонт вузла обробки відеосигналів
3.4. ВУЗОЛ КАДРОВОГО РОЗГОРНЕННЯ
Ремонт вузла КР
3.5. ВУЗОЛ РЯДКОВОГО РОЗГОРНЕННЯ ВМ
Діагностика і ремонт вузла СР
4. ПРИЧИНИ ВИНИКНЕННЯ НЕСПРАВНОСТЕЙ У ВМ
4.1. неякісне виготовлення.
4.2. порушення правил експлуатації ВМ
4.3. природне старіння електронних компонентів
4.4. ремонт некваліфікованим персоналом
5. ЗАГАЛЬНІ ПРИНЦИПИ РЕМОНТУ ВМ
5.2. рекомендації з роботи
5.2.1. порядок зняття задньої кришки
5.2.2. чищення ВМ
5.2.3. прийоми пайки
5.2.4. пошук “мерехтливих” несправностей
6. НЕОБХІДНИЙ ІНСТРУМЕНТ І УСТАТКУВАННЯ
6.1. інструмент
6.2. устаткування
7. ЗАХОДИ ЩОДО ОХОРОНИ ПРАЦІ, ТЕХНІКИ БЕЗПЕКИ
ТА ОРГАНІЗАЦІЇ РОБОЧОГО МІСЦЯ
обережності при проведенні ремонтних робіт
література
ВСТУП
Предмет дипломної роботи — відеомонітори для комп'ютерів і їхній ремонт.
Історія створення відеомоніторів бере свій початок у 30 — 40-х роках з розвитком радіолокації. Це була перша, важлива задача — здійснити візуальне уявлення в просторі поширення луча чи предмета, від якого промінь відбився, з одержанням координат предмета.
Перші відеомонітори використовували інші принципи, зовсім несхожі на сьогоднішні пристрої. Радіолокаційні монітори відображали координатну сітку в полярних координатах, що було зручно для швидкого співвіднесення напрямку у визначенні дальності до предмета.
Надалі, у 40-х роках, зі створенням перших телевізорів, що використовують растровий спосіб розгорнення і трубки з електромагнітним відхиленням луча, починалися спроби представлення інформації різними способами, наприклад, у векторному виді.
З появою і бурхливим розвитком ЕОМ, а також швидким удосконалюванням телевізійної техніки мониторобудування пішло інтенсивно по шляху використання ЭЛТ з електромагнітним відхиленням луча.
Принцип растрового представлення інформації від комп'ютера заснований на наявності в блоці сполучення комп'ютера з відеомонітором пам'яті, у якій кожному осередку відповідає крапка на екрані ЭЛТ. При послідовному скануванні комірок пам'яті їхній уміст перетвориться у відеосигнал, виходить рядок, з рядків складається повний кадр відеозображення.
Прагнення пристосувати звичайний (відповідно дешевий) телевізійний приймач чи його низькочастотну частину для відображення інформації від комп'ютера привело до установки в комп'ютер модулятора (пристрою, що виробляє повний телевізійний сигнал) для прямого підключення до серійного телевізора через антенний чи вхід по НЧ. Однак якість відображення звичайного телевізора виявилося достатнім лише для відеоігрових чи домашніх комп'ютерів, тому подальше удосконалювання відеомоніторів пішло трохи уперед віщального телебачення. Необхідно було підвищити здатність екрана, що дозволяє, його стабільність і чіткість.
Це спричинило за собою підвищення рядкової, кадрової частоти, використання кольорових ЭЛТ із більш дрібною сіткою маски. Вимога по сумісності нових відеомоніторів з більш ранніми комп'ютерами і вищевказані вимоги обумовили підвищену їхню складність щодо телевізорів. У даній дипломній роботі будуть освітлені пристрої, схемотехника, принцип роботи окремих вузлів і прийоми ремонту моніторів. Особлива увага буде приділена спеціальним прийомам експлуатації відеомоніторів.
1. Типи відеомоніторів для комп'ютерів
Переважна більшість обчислювальних систем, що знаходяться сьогодні в користуванні, відноситься до сімейства персональних комп'ютерів типу IBM PC, тому основним предметом даної дипломної роботи є питання пристрою і ремонт відеомоніторів цього сімейства.
Основна відмінна риса ВМ для систем IBM PC — це розмаїтість їхніх типів. Кожен такий комп'ютер має окрему відеокарту, що містить пам'ять (відеобуфер), схеми, що перетворять її вміст у відеосигнал, а також схеми що виробляють, необхідні для роботи ВМ синхросигналы.
У перших комп'ютерах цієї серії (PC XT) була закладена можливість використання різних типів ВМ (CGA — кольоровий і MDA — монохромний, підвищеного дозволу), мінялася лише відеокарта.
Згодом для подальшого підвищення дозволу на екрані і кращій передачі кольору був прийнятий новий, більш універсальний стандарт для відеосистем комп'ютерів (VGA і SVGA), у якому відеокарта виробляла аналогові відеосигнали для ВМ, що давало можливість підвищити якість передачі кольору чи одержати монохромне зображення, що перевершує по якості телевізійне. Даний стандарт зберіг передачу імпульсів синхронізації у ВМ сигналами з рівнями TTL і можливість кодування деяких режимів їхньою полярністю.
Додаткові вимоги до сумісності знову створюваних відеосистем стосовно попереднього (включаючи вимоги програмної сумісності), а також достаток можливих режимів їхньої роботи наклали специфічний відбиток на конструкцію ВМ у виді сильного ускладнення їх схемотехники.
Нижче, у таблиці 1, приводяться параметри режимів відеосистем типу VGA і SVGA, з якої стають зрозумілими вимоги до таким ВМ. Зміст таблиці 1 не вичерпує всіх можливих режимів роботи відеосистем цього стандарту, приведені дані відносяться тільки до окремо обраної відеокарти.

2. Основні принципи побудови сучасних ВМ
Сучасні растрові ВМ для комп'ютерів використовують принципи побудови подібні з застосовуваними в телевізійній техніці, але відрізняються від останніх відсутністю радиотракта і схем для обробки відеосигналів (блоку кольоровості), а також специфічним набором органів керування, необхідним тільки для корекції кондиції зображення на екрані, тому що основні режими роботи встановлюються програмно через комп'ютер. Нижче на мал. 1 приводиться узагальнена блок-схема ВМ, на якій показані всі необхідні для забезпечення його роботи функціональні вузли й елементи керування. На мал. 1 показані основні з'єднання між вузлами, деякі, потребуючі пояснення підписані додатково. Елемент, чи вузол з'єднання, відзначене пунктиром, може отсутствовать у монохромних чи інших моделях ВМ.Головним елементом ВМ є ЭЛТ із системою, що відхиляє, (кадровими катушками, що відхиляють — КК і рядковими — СК). Всі інші елементи, показані на блок-схемі, служать для забезпечення режиму роботи ЭЛТ і узгодження сигналів від комп'ютера.Тому що в кольорових ВМ повинне бути передбачене періодичне розмагнічування маски ЭЛТ для підтримки "чистоти кольору", вони обладнаються петлею розмагнічування, що працює автоматично кожн раз при включенні ВМ. У високоякісних ВМ передбачається додаткова можливість уникнути розмагнічування в будь-який момент роботи, для чого на передню панель установлюється кнопка "DEGAUSS".
Як і в звичайному телевізорі для одержання растра на екрані ВМ необхідні вузли рядкового і кадрового розгорнень. Генератори, що задають, для цих вузлів, як правило, сильно зв'язані з блоком керування, тому на блок-схемі вони показані разом.Інформація від комп'ютера надходить на вхідне рознімання ВМ і далі на вузол обробки відеосигналів для перетворення в сигнали з рівнями напруг керування модуляторами ЭЛТ. До складу вузла обробки відеосигналів входить також плата ЭЛТ, що служить для підключення безпосередньо до цоколя ЭЛТ. Кінцеві, відеопідсилювачі, як правило, розташовуються на цій платі, а інші схеми вузла обробки відеосигналів можуть знаходитися на ній чи на основній платі ВМ.
Блок харчування ВМ виробляє всі необхідні напруги для харчування вузлів показаних на блок-схемі, крім напруги, що прискорює, HV для ЭЛТ, що для забезпечення більшої стабільності традиційно виробляється у високовольтному блоці вузла рядкового розгорнення. У блоці харчування кольорового ВМ звичайно інтегруються і схеми харчування петлі розмагнічування.
Вузол керування служить для контролю вхідних сигналів від комп'ютера (синхроімпульсів) і установки режимів роботи вузлів розгорнень, обробки відеосигналів, блоку харчування для підтримки і корекції встановленого режиму зображення. Тому що інформація про відеорежими від комп'ютера надходить у ВМ у виді комбінації полярностей синхроімпульсів (для простих режимів) і їхніх частот (режими SVGA), вузол керування виконує досить складну задачу по визначенню параметрів розгорнень і керуванню іншими вузлами. У функції вузла керування входить також забезпечення захисту ЭЛТ від аварійних ситуацій і забезпечення чергового режиму для економії потужності (режим GREEN) коли ВМ не використовується оператором. У сучасних моделях ВМ у вузлі керування всі частіше застосовують мікропроцесори з набором спеціалізованих мікросхем, що забезпечують збереження всіх установок і простої керування для користувача.
3. Характеристики й опис окремих вузлів
3.1. Джерело харчування
Джерела харчування (надалі скорочено — ДХ) у переважній більшості моделей ВМ використовуються імпульсні схеми через їх високі енергетичні показники і стабільність. Вимоги до ДХ ВМ пред'являються, як правило, такі ж, як і для застосування в інших пристроях, а саме: високий ККД, мала вага, висока стабільність вихідних напруг і їхня мала пульсація, відсутність випромінювання радіоперешкод, а також висока надійність. Наслідком цих вимог є застосування спеціальне розроблених для використання в імпульсних ДХ елементів і технологій. У ДХ для ВМ використовуються схеми імпульсних трансформаторних конвертерів з "прямим" включенням діодів на виході. Така схема ДХ приведена на мал.2 ліворуч, а праворуч показана форма струмів і напруг на її елементах.
Принцип роботи цього ДХ наступний: коли транзистор ТК знаходиться в режимі насичення, енергія від випрямителя напруги мережі надходить через трансформатор Т и діод D у навантаження, одночасно заряджається конденсатор З, а коли транзистор закритий, конденсатор віддає в навантаження накопичену енергію. Напруга на виході такого джерела не залежить від струму навантаження і частоти переключення транзистора, але визначається коефіцієнтом трансформації обмоток і коефіцієнтом заповнення імпульсів t/T, тобто регулювання вихідної чи напруги його стабілізація може здійснюватися за рахунок широтно-імпульсної модуляції шляхом керування тривалістю відкритого стану ключового транзистора. Робоча частота ДХ складає 15 — 80 кгц, вона може бути також синхронизована з частотою рядкового розгорнення ВМ для виключення утворення продуктів "биття частот", що приводять до перекручувань растра і появі на екрані чи брижів інших небажаних ефектів.
У ВМ ранніх випусків (типу CGA і EGA) використовувалися схеми ДХ на біполярних транзисторах, а в більш пізніх (типу VGA і SVGA) частіше стали застосовуватися схеми з польовими транзисторами як ключовий елемент. Польові транзистори, розроблені для застосування в блоках харчування, забезпечують кращі тимчасові параметри, допускають роботу ДХ на найвищих частотах і витримують більш високу робочу температуру. Це приводить, до зменшення розмірів ДХ, що дозволяє розмістити його на єдиній з основною схемою платі і спростити загальну конструкцію ВМ. Висока робоча частота ДХ припускає також використання спеціальних випрямних діодів (діодів Шоттки), що мають мале спадання напруги в прямому напрямку, і електролітичних конденсаторів з малими втратами на цих частотах, що допускають роботу при підвищених температурах. Трансформатори в ДХ виконуються на сердечнику з феррита з зазором для зменшення його намагніченості, а обмотки намотані таким чином, щоб забезпечити максимальний зв'язок між ними.

При всій розмаїтості існуючих моделей ВМ, схемотехника їх ДХ зводиться до єдиної блок-схеми. Нижче на мал.3 приводиться типова блок-схема ДХ.
Перемінна напруга живильної мережі надходить через запобіжник ПР і мережний фільтр на вимикач ВК, установлений звичайно на передній панелі ВМ. З вимикача сіткова напруга підводиться через термістор до петлі розмагнічування ЭЛТ і випрямителю, на виході якого підключений електролітичний конденсатор С. На цьому конденсаторі виходить (при напрузі живильної мережі 220 В) постійна напруга величиною до 340 В.
Для зменшення стартового струму заряду цього конденсатора в ланцюг на вході випрямного моста іноді включають термістор, що у момент включення має опір десятки Ом, а після його нагрівання опір падає до декількох Ом. Постійна напруга від випрямителя надходить на послідовно з'єднані первинну обмотку силового трансформатора і ключовий транзистор для створення імпульсів струму в цьому ланцюзі. Схема керування ключем забезпечує завдання частоти проходження імпульсів і їхньої тривалості (ШИМ) для регулювання вихідних напруг ДХ. Сигнал про величину вихідної напруги ДХ може надходити на схему керування від вторинної чи обмотки від одного з вихідних випрямителей У через елемент гальванічної розв'язки, у якості якого може використовуватися оптрон чи імпульсний трансформатор. На схему керування ключем можуть надходити також сигнали для синхронізації робочої частоти ДХ з частотою рядкового розгорнення, схем захисту по аварійних перевантаженнях і схем відключення ДХ при відсутності на вході імпульсів синхронізації від комп'ютера. Вихідні випрямители, підключені до вторинних обмоток силового трансформатора, забезпечують одержання необхідних постійних живлячих напруга для усіх вузлів ВМ.
Як правило ДХ у ВМ виробляє наступні напруги:
• 6.3 В — для розжарення ЭЛТ,
• 12 — 15В — для харчування схем керування,
• 24 — 60 В — для харчування кадрового розгорнення,
• 70 — 170 В — для блоку рядкового розгорнення.
Усі ці напруги визначаються співвідношенням витків в обмотках трансформатора, тому вони жорстко зв'язані між собою. При настроюванні ДХ установлюється величина одного з них, а інші можуть незначно відрізнятися від номіналів, зазначених у схемі.Останнім часом усі частіше застосовуються схеми з використанням спеціалізованих мікросхем, таких як TDA4600, AN5900, UC3842 часто включають у себе і ключовий транзистор. Найбільше поширення має мікросхема UC3842. Вона призначена для керування польовим транзистором у якості силового ключа, має внутрішнє джерело опорної напруги, убудований генератор ШИМ і забезпечує захист по струму ключового транзистора. Призначення висновків мікросхеми UC3842 представлене в табл. 3, а її властивості будуть розглянуті нижче в ході опису роботи базової схеми включення, показаної на мал. 4.

|
Висновок |
Оригінальне про- |
Призначення висновку |
|
1 |
COMP |
Компенсація частотної характеристики |
|
2 |
FB |
Зворотний зв'язок (керування ШИМ) |
|
3 |
CURRSENS |
Сигнал від резистора обмеження струму |
|
4 |
RC |
Підключення RC-ланцюга для установки частоти |
|
5 |
GND |
Загальний висновок |
|
6 |
OUT |
Вихід на керування ключовим транзистором |
|
7 |
Vcc |
Вхід харчування мікросхеми |
|
8 |
VREF |
Вихід внутрішнього джерела опорного напр. |
Таблиця 2. Призначення висновків мікросхеми UC3842
ИС U1 забезпечує роботу тільки n-канального МОП транзистора з ізольованим затвором, тому що керуючий сигнал на її висновку 6 (OUT) має амплітуду, близьку до її напруги харчування (Vcc) на висновку 7. З появою на вході схеми напруги в 300 В, на 7-й висновок ИС U1 через резистори R10, R11 і R12 надходить напругу, обмежена стабілітроном ZD1 (близько 30 В), і відбувається включення внутрішніх схем у ИС. Внутрішній генератор починає виробляти імпульси з частотою, обумовленою ланцюжком Rl, C1, підключеної до висновку 4 (RC). З висновку 6 мікросхеми (OUT) імпульси через обмежувальний резистор R8 надходять на затвор ключового транзистора 01, забезпечуючи імпульсний струм у первинній обмотці W1 силового трансформатора Т1. Це, у свою чергу, приводить до появи напруги в обмотці W2 трансформатори, що після випрямлення діодом Din згладжування на ємності З2 надходить на висновок 7 ИС, забезпечуючи її роботу в робочому режимі. Слід зазначити одна важлива властивість даної ИС: вона може включитися (стартувати) тільки при напрузі на висновку Vcc не менш 17 В, але може продовжувати працювати при напрузі більш 12В, при цьому в робочому стані її споживання струму зростає в кілька разів. Ця обставина дозволяє додатково захистити ДХ від коротких замикань у вторинних ланцюгах трансформатора Т1, наприклад, при виході з ладу одного з випрямних діодів, пробою електролітичних чи конденсаторів при несправності в одному з блоків ВМ. Відбувається це в такий спосіб. Для включенні ИС, унаслідок її малого споживання струму, досить напруги, одержуваного від випрямителя 300 В через резистори RIO, R11,R12.B робітнику режимі струм споживання ИС зростає,але напруга харчування (звичайно 13-15 В) надходить уже від выпрямителя напруги з обмотки W2, що забезпечує необхідний струм. У випадку коротких замикань на виході ИП напруги від обмотки W2 не вистачає для роботи ИС (менш 12В) і вона виключається до моменту, коли електролітичний конденсатор З2 зарядиться через резистори R10, R11, R12 до напруги її включення (більш 17 В). Далі ИС знову включається і негайно виключається. Інтервал включення залежить від ємності конденсатора З2 і величини резисторів R10-R12, і звичайно він складає величину від часток секунди до декількох секунд, при цьому чутні слабкі щиглики від трансформатора ДХ Такий режим ДХ у випадку різних несправностей забезпечує разом зі швидкодіючим захистом по струму силового ключа через сигнал CURR SEN від резистора R6 практично 100%-ую його захист. Регулювання і стабілізація вихідних напруг ДХ виробляються по напрузі від выпрямителя з обмотки W2, що надходить на дільник R3, VR1, R4 і з його – на висновок 2 (FB) ИС U1. Напруга на цьому висновку порівнюється усередині мікросхеми з опорною напругою, у результаті відбувається керування (ШИМ) тривалістю стану відкритого ключа.
Методика ремонту ДХ
До початку робіт перевіряють шнур харчування і наявності живильного напруги в електромережі. У знеструмленому стані роблять огляд деталей на друкованій платі ВМ у районі вузла ДХ і визначають його базову схему по типі застосованих мікросхем і транзисторів. Далі перевіряють плавкий запобіжник на вході ДХ У випадку його перегоряння обов'язковій перевірці підлягають діоди випрямного моста, термістор у його вхідному ланцюзі, конденсатори вхідного фільтра, ключовий транзистор. Корисно перевірити відсутність коротких замикань на виходах выпрямителей у вторинних обмотках силового трансформатора, для чого омметром контролюють опір на електролітичних конденсаторах вихідних выпрямителей. Необхідно також перевірити відсутність замикання в ланцюзі харчування вихідного каскаду рядкового розгорнення безпосередньо в точці підключення ТДКС. У випадку виявлення такої несправності у вузлі рядкового розгорнення, варто розірвати ланцюг харчування В+ у крапці виходу його з ДХ і продовжити ремонт цього вузла після закінчення ремонту і перевірки ДХ.
На наступному етапі виробляється підбор, контроль і заміна відповідних деталей. Якщо Ви не знайшли потрібні деталі відповідні принциповій схемі, то необхідно коректно провести підбор аналогів по довідковій літературі.
При підборі ключового транзистора для ДХ найважливішими параметрами є:
• максимальна напруга коллектор-эмиттер (для польових транзисторів — стік-джерело),
• максимальний імпульсний струм колектора (стоку),
• залишкова напруга на колекторі (опір переходу),
• час включенням вимикання.
Перші два параметри безпосередньо забезпечують надійність ДХ а останні — побічно, тому що вони визначають втрати в транзисторі при переключенні і, відповідно, його робочу температуру, що впливає на пробивну напругу транзистора. Немаловажне значення має також коефіцієнт передачі по струму транзистора. При виборі транзистора варто звернути увагу на конструкцію корпуса, щоб на виникло проблем з установкою його на радіатор. Треба пам'ятати, що робоча частота ДХ звичайно складає десятки кілогерців і необхідно використовувати відповідні типи діодів і електролітичних конденсаторів. Після комплектації необхідними деталями виробляється заміна всіх несправних елементів ДХ на друкованій платі. Особлива увага варто приділити установці ключового транзистора на радіатор у випадку, коли корпус транзистора, звичайно з'єднаний з висновком колектора, повинний бути ізольований від радіатора. При найменшій підозрі, що прокладка з чи слюди спеціальної гуми ушкоджена, вона повинна бути замінена на нову, а після установки і запаювання транзистора обов'язково треба переконатися у відсутності контакту між корпусом транзистора і радіатором. При використанні слюдяної прокладки на її поверхні повинна бути нанесена тонким шаром теплопроводящая паста. Прокладка з теплопроводящей гуми застосовується без пасти.
ёПісля заміни всіх несправних елементів і виправлення дефектів на друкованій платі, що виникли в момент чи поломки в ході ремонтних робіт, можна приступати до перевірки роботи ДХ
Імпульсні ДХ не можуть працювати без навантаження, тому перед першим включенням варто переконатися, що підключено рознімання до ДХ Якщо була необхідність у відключенні якого-небудь навантаження від виходів ИП, то треба мати на увазі, що розжарення ЭЛТ і схеми керування не завжди створюють достатнє навантаження для ДХ і необхідно його додатково довантажувати підключенням резисторів. Для ВМ типу GREEN перед включенням необхідно виключити можливість блокування роботи ДХ від схем керування.Перше включення ВМ після ремонту ДХ завжди є напруженим моментом, тому необхідно дотримувати запобіжного заходу і забезпечити мінімальний контроль працездатності ДХ Для цього до одному з виходів ДХ, наприклад, У+, підключають вольтметр, а на колектор ключового транзистора щупом з дільником на вході — осциллограф. Земляний кінець щупа підключають до мінуса електролітичного конденсатора вхідного выпрямителя. Осциллограф повинний мати гальванічну розв'язку від живильної мережі щоб уникнути виникнення короткого замикання. Далі необхідно переконатися, що вимикач харчування ВМ знаходиться у виключеному стані і подати живлячу напругу на ВМ, підключивши його мережний шнур. Переконавши в правильності підключення вимірювальних приладів до ДХ, включають вимикач харчування ВМ. Перше включення виробляється на час, необхідне для одержання отсчетов на вимірювальних приладах, що чи підтверджують не підтверджують принципову працездатність ДХ, але не більше ніж на 10 секунд.
Якщо ДХ не виробляє напруг і на осциллографе немає сигналу про імпульсну напругу на силовому трансформаторі, тоді знову перевіряють запобіжник і, у випадку, якщо він згорів, перевіряють ключовий транзистор. Якщо він ушкоджений, тоді повертаються до початкових дій з метою більш ретельної перевірки всіх елементів.
Якщо ключовий транзистор і запобіжник цілі, тоді повторно включають ВМ і тестером послідовно перевіряють проходження перемінної напруги через вхідний фільтр до випрямного моста, постійна напруга на електролітичному конденсаторі выпрямителя (300 — 350В) і далі — на первинній обмотці силового трансформатора. Можливими несправностями можуть бути обриви і тріщини на провідниках друкованої плати, погана пайка висновків деталей і т.д.
У випадку нормального надходження напруги на колектор ключового транзистора через обмотку силового трансформатора перевіряють наявність сигналу керування для транзистора від схеми керування.
На етапі остаточної перевірки ДХ вимірюють усі його вихідні напруги, при необхідності встановлюють їх підрядковим резистором і перевіряють осциллографом пульсації напруги на електролітичних конденсаторах вихідних выпрямителей. У випадку великої величини пульсації необхідно поміняти відповідний електролітичний конденсатор. На закінчення ремонтних робіт треба проконтролювати температуру ключового транзистора протягом однієї години, щоб переконатися у відсутності його перегріву, а також повторно проконтролювати вихідні напруги, щоб переконатися в стабільності роботи ДХ Висновок про повну працездатність ДХ може бути зроблений тільки після повної перевірки всіх режимів роботи ВМ у цілому, і, можливо, прийдеться ще не раз заглядати у вузол ДХ, тому що з ним зв'язані багато характеристик ВМ.
3.2. Вузол керування ВМ
Вузол керування ВМ (надалі УУ) виконує наступні задачі:
• Аналіз синхроімпульсів від комп'ютера і визначення необхідного режиму роботи,
• Установку робочих частот генераторів кадрової і, що задають, рядкової розгорнень і прив'язку їх до синхроімпульсів,
• Одержання сигналів для корекції параметрів растра відповідно до встановленого режиму,
• Обробку сигналів від інших вузлів для захисту ЭЛТ і ДХ при аварійних ситуаціях,
• Забезпечення оператору доступу до набору підстроювань на передній панелі ВМ.
Основними інформаційними сигналами для УУ є синхроімпульси з рівнями TTL, що надходять від комп'ютера через вхідні ланцюги. Для ВМ типу CGA, MDA, HGC і EGA інформація про режим роботи надходить з відеокарти комп'ютера у виді полярності синхроімпульсів, кожної їхньої комбінації відповідає визначена частота рядкового розгорнення. Для ВМ типу VGA і SVGA набір режимів роботи відеосистем багато ширше, і інформації з полярності синхроімпульсів уже недостатньо для детектирования встановленого режиму.
Як приклад побудови В У для ВМ типу CG A/EGA на мал.5 показаний фрагмент схеми ВМ (TVM MD-7), у якій виробляється сигнал переключення режимів CGA/EGA, а на мал. 6 приведена схема його генератора рядкового розгорнення, що задає.
Принцип роботи першої схеми заснований на логічних властивостях елементів ИС Q202 типу SN74LS86N (исключающее ЧИ), що відбиті в таблиці істинності на мал. 5 праворуч. Вхідний сигнал VSYNC, що змінює свою полярність у залежності від режиму роботи відеокарти, надходить на вхід 12 ИС Q202-4. Цей елемент виявляється що інвертує, тому що на іншому висновку (вивши. 13) цього елемента присутній високий рівень. Конденсатор З203 великої ємності утримує вихідну напругу, що є присутнім на виході елемента (вивши.11) велику частину часу від періоду проходження синхроімпульсів. Отриманий сигнал має перемінну складову через неповне згладжування на конденсаторі, але після подачі його на вхід наступного елемента Q202-1, що має поріг логічного рівня 2.4 У, і проходження через нього на висновку 3 виділяється сигнал MODE. Цей сигнал використовується для нормалізації кадрового синхроімпульсу, тобто для одержання синхроімпульсу однієї полярності незалежно від його полярності на вході ВМ, — такий імпульс (VSYNC) необхідний для роботи кадрового розгорнення. Чи інвертування пряма передача сигналу VSYNC виробляється на елементі Q202-3 під керуванням инвертированного

на Q202-2 сигналу MODE. Сигнал MODE має TTL-рівні і використовується у вузлі обробки відеосигналів для переключення режимів (CGA/EGA), для чого він подається на один з адресних висновків ИС ПЗУ декодера квітів. Сигнал MODE' виходить на колекторі транзистора 0204, він використовується для керування аналоговими комутаторами в інших фрагментах вузла керування.
Іншим важливим фрагментом УУ є схеми, у яких виробляються необхідні частоти розгорнень. Найбільше часто як задающих генератори у ВМ використовуються наступні ИС: МС1391, TDA1180, TDA9108, що містять тільки схеми генераторів рядкової частоти, що задають, і НА11235, LA7850, TDA4852, TDA2593, TDA9102, що включають у себе і генератори для кадрового розгорнення. Звичайно частоти задаються резисторами і конденсаторами, у деяких ИС мається також можливість керування постійною напругою, подаваним на окремий висновок ИС.
Як аналогові комутатори в багатьох схемах використовуються мікросхеми типу HEF4053, виконані по Кмоп-технологии і включають у себе 4 перемикачі з двох входів на один з окремим для кожного перемикача керуючим входом. Такие- ИС являють собою аналогові ключі виконані на польових транзисторах і з'єднані в схему перемикача. Головні властивості цих перемикачів — опір, внесене в ланцюг, що переключається, (воно складає десятки Ом) і діапазон напруг, що переключаються, у межах від ПРО У до напруги харчування ИС, тому вони добре підходять для переключення резисторів у схемах і передачі слабкострумових сигналів.
Так само в УУ з застосуванням МП виробляються аналогові і цифрові керуючі сигнали для інших вузлів. Їхні значення і послідовність залежать від вхідних сигналів, дій оператора й описуються програмою в ПЗУ МП, а для запам'ятовування і збереження даних для кожного режиму звичайно використовується зовнішня ИС пам'яті, уміст якої зберігається при вимиканні харчування. Часто разом із МП застосовуються спеціалізовані ИС, що доповнюють його функції і розширюють набір керуючих сигналів, наприклад, для одержання аналогових чи напруг підмішування текстової відеоінформації у відеосигнал з метою утворення на екрані ВМ зображення "меню". Такі ИС мають обмежена кількість висновків для зв'язку з МП, тому вони використовують при обміні інформацією послідовний. На жаль, інформація про детальні властивості МП і периферійних ИС, як і самі мікросхеми, не завжди доступна.
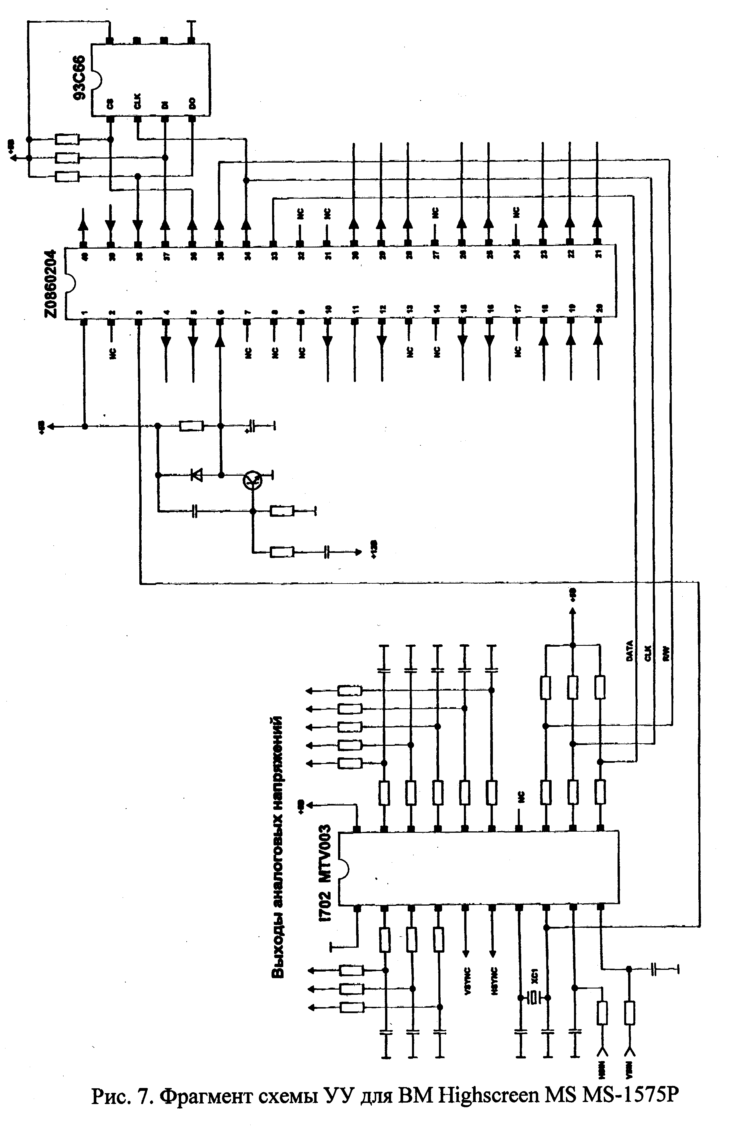
Для пояснення принципу застосування МП на мал. 7 приведений фрагмент схеми УУ для ВМ типу "HIGHSCREEN MS-1575P".
У цьому ВМ використовується МП типу Z0860204 у стандартному DIP-корпусі що має 40 висновків. Як зовнішню пам'ять МП використовує ИС типу 93С66, підключену через шину I2C, утворену трьома лініями від МП. Для одержання аналогових напруг керування вузлами у ВМ застосована ИС типу MTV003, підключена також через шину I2C, утворену лініями від інших висновків МП. Перелік вироблюваних цієї ИС аналогових напруг приводиться в таблиці 3.

Аналогові напруги виходять у результаті інтегрування імпульсів від висновків ИС на ланцюжках RC, установка їхніх значень виробляється зміною коефіцієнта заповнення імпульсів (аналогічно принципу ШИМ). Ця ИС виконує також функції нормалізації синхроімпульсів від комп'ютера і визначення робочого режиму з передачею необхідної інформації в МП по тій же шині. Тактова частота, вироблювана генератором даної ИС із зовнішнім резонатором ХС1, необхідна не тільки для її роботи, але використовується також верб МП, для чого вона надходить на його висновок 3.
Керування зображенням виробляється трьома кнопками на передній панелі ВМ — одна призначена для вибору регульованого параметра, а дві інші служать для чи зменшення збільшення його значення. Кнопки забезпечують замикання висновків 18 — 20 МП на землю, тобто низький логічний рівень сигналу на вході. Індикація обраного для регулювання параметра здійснюється за допомогою светодиодов, установлених на передній панелі — вони одержують харчування від висновків 4, 10, 29, 40 МП. Установка яскравості і контрастності зображення в даній моделі ВМ виробляється звичайними шляхом за допомогою потенціометрів на передній панелі, тому МП ці функції не обробляє.
|
Вивши. ИС |
Призначення керуючого напруги |
|
2 |
Керування розміром растра по горизонталі |
|
3 |
Установка частоти рядків |
|
4 |
Установка частоти кадрів |
|
15 |
Корекція перекручувань типу "трапеція" |
|
16 |
Корекція перекручувань типу "подушка" |
|
17 |
Зсув растра по вертикалі |
|
18 |
Розмір по вертикалі |
|
19 |
Зсув по горизонталі |
Таблиця 3. Аналогові напруги, вироблювані ИС MTV003
Рекомендації з ремонту УУ
На першому етапі перевірки роботи УУ контролюють надходження живлячих напруга на мікросхеми даного вузла і при їхній наявності і кондиції переконуються в наявності растра на екрані ЭЛТ. Якщо світіння отсутствует, перевіряють стояння захисних сигналів, що можуть блокувати роботу задающего генератора рядкового розгорнення, виключати промінь замикаючим напругою G1 чи переводити ВМ у черговий режим. За результатами цих перевірок роблять необхідні виправлення в УУ чи інших вузлів. У деяких виняткових випадках можна примусово розблокувати окремі захисні сигнали на | час ремонту. До них відносяться сигнал блокування ИП при переході в черговий режим і сигнал вимикання лучачи. Звичайне відключення блокування виробляється замиканням переходу Б-Э виконавчого транзистора. З особою обережністю роблять відключення блокування генератора рядкового розгорнення, що задає, тому що при неправильній роботі УУ це може привести до додаткових ушкоджень у вихідному каскаді рядкового розгорнення аж до виходу з ладу ТДКС. Для діагностики працездатності генераторів розгорнень, що задають, в УУ досить проконтролювати пилкоподібна напруга на конденсаторах, що задають частоту, осциллографом, при цьому попутно можна оцінити їхньої частоти. Як правило, мікросхеми генераторів, що задають, після виключення блокувань працюють досить незалежно від інших схем, тому їхня перевірка не викликає труднощів.
При наявності растра на екрані ЭЛТ оцінюють роботу ВМ по виконанню тестових програм на комп'ютері, задаючи по черзі всі можливі для даного ВМ робочі режими. Головна увага при цьому приділяють геометричним характеристикам растра і роботі регулювальних органів на передній панелі ВМ. При найменших відхиленнях від норми перевіряють стан керуючих сигналів і при необхідності просліджують їхнє проходження за допомогою осциллографа (для точних вимірів постійних напруг використовують цифровий мультиметр). Якщо керуючі сигнали змінюють свій стан потрібним образом, а реакція на растрі отсутствует, аналогічним образом перевіряють відповідні виконавчі елементи і роблять необхідні виправлення.
Дуже часто ознаки, що проявилися при перевірках за тестовим програмам, прямо вказують на несправність УУ. До характерних ознак таких дефектів УУ відносяться:
• Відсутність синхронізації зображення у всіх режимах. Це можливо при ушкодженнях схем нормалізації синхроімпульсів, особливо коли входи використовуваних ИС підключені безпосередньо до вхідного рознімання,
• Розміри растра набудовуються регуляторами на передній панелі, але змінюються при переході в режим з іншими частотами розгорнень. Це говорить про неправильну установку подстроечных чи резисторів несправності схеми визначення режиму,
• Наявність перекручувань типу "подушка", що не виправляються за допомогою подстроечного чи резистора настроювання на передній панелі. Незважаючи на видиму простоту цього дефекту може відняти багато часу при пошуку дефектного елемента, особливо, при відсутності принципової схеми,
• Невідповідність набору квітів на екрані режиму і вхідній інформації. Це характерно для ВМ типу EGA (дефекти ПЗУ чи в ланцюзі керуючих сигналів).
Діагностика УУ з застосуванням МП проводиться прийомами, прийнятими в мікропроцесорній техніці, а саме, виміром логічних рівнів сигналів за допомогою осциллографа і спостереженням очікуваної реакції на зміну керуючих сигналів. На першому етапі перевіряють живлячу напругу (у більшості випадків +5 В) і наявність тактової частоти, а також її відповідність частоті кварцового резонатора. Контроль тактової частоти проводять осциллографом на одному з висновків резонатора, при цьому генерація може зриватися, тоді намагаються спостерігати сигнал на іншому чи висновку включають у ланцюг щупа конденсатор ємністю 20 — 100 пф. Частота визначається виміром періоду сигналу на екрані осциллографа і наступним її обчисленням (F=1/T), великої точності при цьому не потрібно, але необхідно переконатися, що вона близька до частоти резонатора. Невідповідність чи частоти відсутність генерації говорить про можливий дефект резонатора (це перевіряється його заміною) чи самого МП. Потім, щоб переконатися у відсутності причин, що заважають роботі МП, перевіряють стан сигналу RESET. Звичайно активний рівень цього сигналу — низький, для його формування використовують просту схему з RC-ланцюжка, іноді транзистор, як показано на мал. 7. Наявність високого рівня на висновку говорить про робочий стан МП.
Далі, якщо мається принципова схема ВМ, контролюють найбільш важливі для його роботи сигнали на висновках МП: вхідні (від кнопок керування, синхросигналы, сигнали захисту) і керуючі ( щойдуть до виконавчих елементів в інших вузлах). Тому що більшість застосовуваних МП виконана по Кмоп-технологии і має напругу харчування +5 В, напруга високого рівня близько до нього і складає 4.5 — 5В. Проміжні рівні сигналів, що спостерігаються, на якому або висновку свідчать про дефект МП чи в ланцюгах, підключених до нього. Такий прийом, у випадку відсутності схеми ВМ, може виявитися єдиним засобом діагностики працездатності МП і часто допомагає знайти несправність у його оточенні.
Після вищеописаних перевірок і усунення знайдених при цьому несправностей можна проконтролювати роботу МП при виконанні записаної в його ПЗУ програми початкової ініціалізації. Для цього короткочасно замикають висновок RESET МП на землю і спостерігають сигнали на інших його висновках осциллографом. Найбільш придатними для контролю є висновки, що використовуються для підключення ИС пам'яті (лінії шини 12С), тому що при початковій установці з її обов'язково вибираються дані для включення режиму роботи ВМ. На цих висновках повинні спостерігатися серії імпульсів, що говорять про процес обміну інформацією між МП і іншими ИС і, відповідно, про його функціональну працездатність. Аналогічним образом можна перевірити реакцію на інші сигнали, наприклад, натискаючи кнопки керування не передньої панелі ВМ.
У випадку подальших утруднень, тобто, якщо після проведених перевірок не удалося відшукати причину дефекту, а ВМ не може повноцінно працювати, можна рекомендувати заміну МП. При відсутності необхідних для заміни мікросхем ремонт ВМ завершується, але іноді, при часткових ушкодженнях МП, удається настроїти ВМ таким чином, щоб він нормально працював в одному з режимів.
3.3. Вхідні пристрої ВМ
Вхідні пристрої забезпечують з'єднання ВМ із комп'ютером і проходження відеосигналів до оконечным відеопідсилювачів.
Основними вимогами, яким повинні задовольняти вхідні ланцюги і вузли обробки відеосигналів, є: передача відеосигналів і сигналів синхронізації від комп'ютера до вузлів ВМ без перекручувань, а також їхня стабільність у часі, щоб зображення на екрані мали максимальну чіткість, стабільність растра і зберігало свої яркостные параметри. Ці вимоги повинні бути погоджені з класом ВМ, режимами його роботи і граничних параметрів ЭЛТ.
Першою важливою деталлю вхідних ланцюгів є сполучний кабель. У простих моделях ВМ кабель має з однієї сторони рознімання для підключення до комп'ютера, а на іншій стороні він жорстко закріплений на конструкції ВМ і підключений безпосередньо до схеми відеопідсилювачів. У деяких моделях ВМ установлюється вхідне рознімання, а кабель підключення застосовується як окремий виріб — це дозволяє використовувати кабелі різної довжини.
У більш зроблених стандартах MCGA, VGA і SVGA, у яких передача колірної і яркостной інформації від комп'ютера у ВМ виробляється аналоговими сигналами з амплітудою 0 — 1В, вимоги до сполучного кабелю підвищуються як по частотних властивостях, так і по відсутності взаємного впливу між окремими сигналами. Для ВМ типу SVGA можуть застосовуватися коаксіальні кабелі з хвильовим опором 75 Ом, що укладені в загальний екран, з'єднаний з корпусом, для зменшення випромінювання радіоперешкод. Екрани коаксіальних кабелів кожного сигналу виводяться на окремі контакти рознімання підключення, це дає можливість узгодження для кожної лінії окремо.
У відповідності зі стандартами на ВМ типу MCGA. VGA і SVGA дли підключення застосовується 15 контактне рознімання, що не дозволяє підключити їх до відеоадаптера ВМ старих моделей (CGA, EGA). Призначення висновків рознімання ВМ типу VGA приводиться в таблиці 4.
|
N контакту |
Призначення висновку |
Рівні сигналу |
|
1 |
Відео R |
аналоговий |
|
2 |
Відео G |
аналоговий |
|
3 |
Відео В |
аналоговий |
|
4 |
ГО2 |
TTL |
|
5 |
ОВ |
ОВ |
|
6 |
Екран R |
ОВ |
|
7 |
Екран G |
ОВ |
|
8 |
Екран У |
0В |
|
9 |
Ключ (контакт отсутствует) |
|
|
10 |
Екран SYNC |
0В |
|
11 |
ГОО |
TTL |
|
12 |
ГО1 |
TTL |
|
13 |
HSYNC (синхросигнал строчн. разв.) |
TTL |
|
14 |
VSYNC (синхросигнал кадр, разв.) |
TTL |
|
15 |
Не використовується |
Таблиця 4. Призначення висновків вхідного рознімання ВМ типу VGA.
Сигнали IDO — ID2 використовуються для впізнання типу ВМ у комп'ютерах серії IBM для коректної установки припустимих режимів роботи відеосистеми.
Вузли обробки відеосигналів ВМ типу VGA і SVGA мало відрізняються друг від друга, тому що вони обробляють відеосигнали одного виду. Як правило, вони виконані на спеціалізованих мікросхемах, що погоджують вхідні відеосигнали зі схемами оконечных видеусилителей на транзисторах. Ці мікросхеми виконують також функції регулювання контрастності, гасіння зворотного ходу, а також вони мають входи для підключення регулювальних резисторів установки режимів оконечных видеусилителей. Найпоширенішими мікросхемами цього типу є LM1203 і М51387, у більш складних моделях ВМ із мікропроцесорним керуванням застосовуються LM1205, LM1207 і ін.
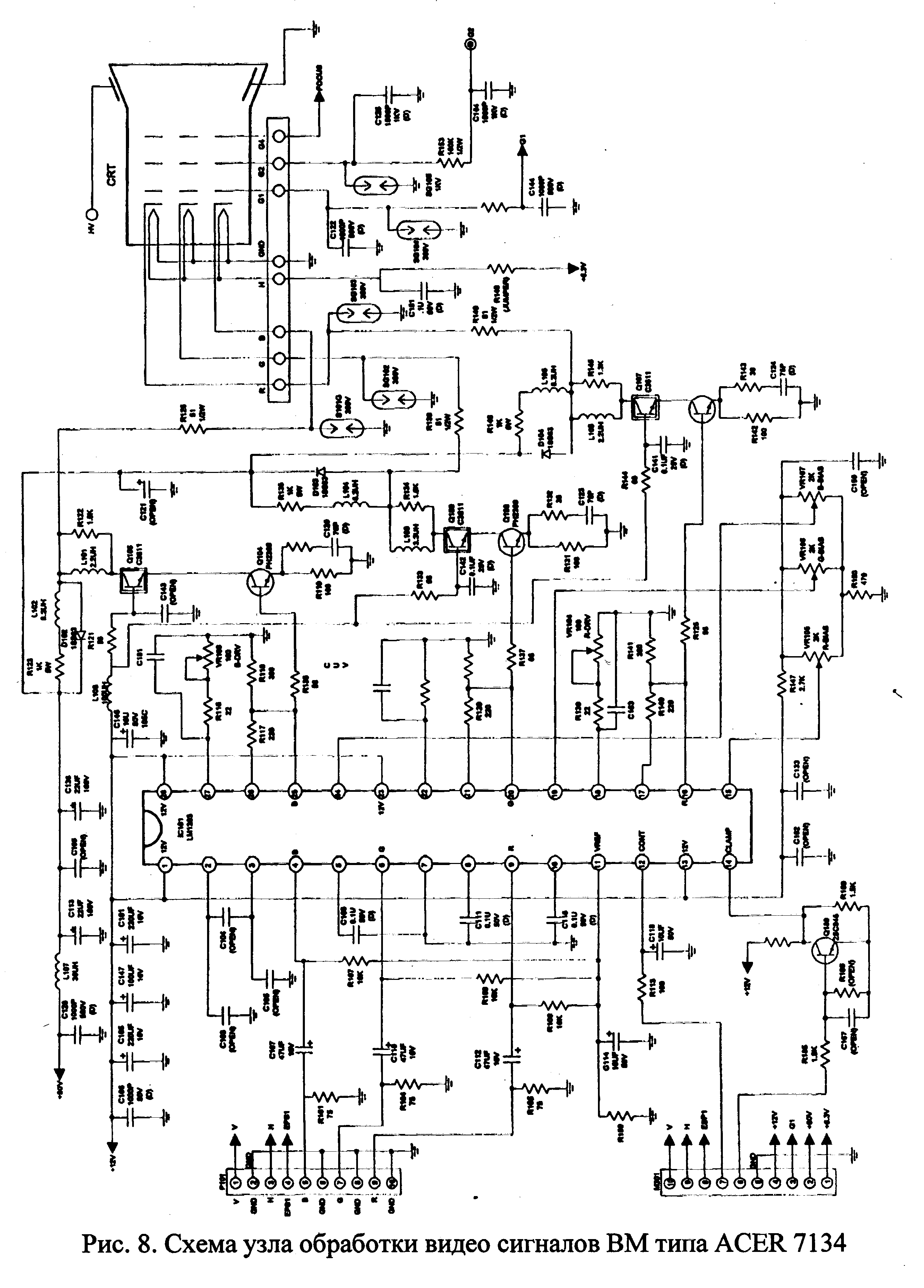
На мал.8 показана схема вузла обробки відеосигналів ВМ ACER VIE V 7134Т, виконана на мікросхемі LM1203. Схема працює в такий спосіб: відеосигнали зі сполучного кабелю надходять на рознімання Р101 вузла обробки відеосигналів, розташованого на одній платі з оконечными відеопідсилювачами. Сама плата конструктивно виконана разом з панелькою для ЭЛТ і встановлюється безпосередньо на її цоколь для досягнення найкращих параметрів при обробці відеосигналів і подачі їх на катоди ЭЛТ. Екрани сигнальних ліній (R, G, У) вхідного кабелю підключаються до землі саме цієї плати, тому що споживачами відеосигналів є входи мікросхеми LM1203, установленої на ній. Самі лінії відеосигналів (R, G, У) навантажуються на резистори 75 Ом для узгодження з хвильовим опором коаксіальних кабелів і подаються через конденсатори, що розв'язують, З107, З110, З112 на входи диференціальних підсилювачів у 1C 101. Резистори R107 — R109 підключені до джерела опорної напруги в 1C 101, вони забезпечують початковий зсув на входах підсилювачів. Підсилювач кожного каналу має входи для керування початковим зсувом (BIAS) і коефіцієнтом підсилення (DRIV).
ИС типу LM1203 має також висновок для керування коефіцієнтом підсилення усіх відеопідсилювачів одночасно (регулювання контрастності зображення — вивши. 12 ИС) і висновок для подачі сигналу гасіння променів під час обратного

ходу рядкового розгорнення (вивши. 14 ИС). Ці сигнали надходять з інших вузлів ВМ через рознімання Р102, у ланцюзі сигналу гасіння використовується транзистор Q180, що комутирує вивши. 14 ИС на землю в момент зворотного ходу луча.
Схеми підключення ЭЛТ
У конструкціях ВМ для комп'ютерів застосовуються багато типів кольорових і монохромних ЭЛТ, що можуть бути як широко розповсюджені (звичайні телевізійні), так і спеціальні. Для старих типів ВМ (CGA, EGA і MDA) характерне застосування кольорових ЭЛТ із триадной чи навіть щілинною маскою, з-| тимчасові ВМ використовують винятково триадную маску з отворами меншого розміру для одержання мінімальних розмірів плями на екрані (0.22 — 0.28 мм). Конструкція системи, що відхиляє, виконана разом із системою зведення променів і передбачає заводське настроювання всіх основних геометричних параметрів растра і зведення променів. У таблиці 5 приведене призначення висновків ЭЛТ із розміром екрана 14" і орієнтовані значення напруг на них для ВМ типу EGA (TVM MD7). Зазначені значення можуть коливатися в залежності від марки ЭЛТ, але, як правило, ці відмінності попадають в область можливого настроювання схем оконечных відеопідсилювачів подстроечными резисторами і настроювань на ТДКС.
|
N висновку |
Призначення висновку |
Напруга |
|
1 |
Фокусирующее напруга |
4— бкВ |
|
2 |
Отсутствует |
|
|
3,4 |
Не підключені |
|
|
5 |
Напруга, що прискорює, G1 |
-10 — +10В |
|
6 |
Катод G (зеленої гармати) |
90В |
|
7 |
Напруга, що прискорює, G2 |
390В |
|
8 |
Катод R (червоної гармати) |
90В |
|
9 |
Розжарення 1 |
|
|
10 |
Розжарення 2 |
6.3У |
|
11 |
Катод У (синьої пушки) |
90В |
|
12 |
Не використовується |
Таблиця 5. Призначення висновків кольоровий ЭЛТ 14" Hitachi М34ГОШОХ66
Напруга, що прискорює, подається на окремий контакт анода на балоні ЭЛТ спеціальним високовольтним проводом. Його надмірна величина приводить до збільшення рентгенівського випромінювання при ударі електронів об маску, а занижена величина погіршує умови фокусування лучачи, тому воно повиннео бути досить точно установлено. Для кольорових ЭЛТ із розміром екрана 14" напруга не повинна перевищувати 25 кв (звичайно встановлюється близько 24.5 кв), для монохромних— 14— 16 кв. У кольорових ЭЛТ великого розміру (19 —20") воно може досягати 27 кв, його точне значення береться із сервісних інструкцій.
Перевірка і ремонт вузла обробки відеосигналів
Пошук і усунення несправностей у вузлі обробки відеосигналів виробляється після відновлення блоку харчування і вузлів розгорнень, щоб була можливість засвітити екран, тобто щоб усі напруги на ЭЛТ минулому близькими до робітників. Перше включення для перевірок може вироблятися без підключення сигналу від комп'ютера. Повертають ручки установки яскравості і контрастності на передній панелі в максимальне положення і включають харчування ВМ. У випадку відсутності світного растра на екрані перевіряють наявність усіх необхідних напруг на ЭЛТ, включаючи високу напругу на аноді, і світіння червоного кольору від нитки розжарення в області цоколя. Якщо воно отсутствует, знімають панельку з ЭЛТ і вимірюють омметром опір нитки розжарення безпосередньо на висновках — воно повинно бути менш 3 Ом. Розрив у цьому чи ланцюзі великий опір говорить про дефект і необхідність заміни ЭЛТ. Якщо розжарення є і всі напруги в нормі, варто спробувати зміною положення настроювання G1 (звичайно нижня ручка, SCREEN) на ТДКС домогтися помірного світіння растра і далі перевірити дію настроювання фокуса (верхня ручка FO-KUS), оцінюючи результат по різкості країв чи растра спостерігаючи окремі рядки. У ході цих перевірок з'ясовуються можливі несправності ЭЛТ, ними можуть виявитися: внутрішні обриви висновків від електродів і короткі замикання між ними.
На наступному етапі ВМ підключають до комп'ютера і перевіряють по текстовому чи зображенню графічним тестам роботу вузла обробки відеосигналів. При цьому можуть виявитися додаткові несправності як ЭЛТ, так і в інших вузлах, однак, дефекти найчастіше виявляються в електронних схемах, чим у самої ЭЛТ. Типовими ознаками несправностей вузла обробки відеосигналів є:
• Повна відсутність зображення на растрі — варто перевірити сполучний кабель, контакти в розніманнях, харчування ИС, схеми гасіння зворотного ходу.
• Підвищена яскравість растра, низька некерована контрастність зображення говорять про ушкодження транзисторів оконечных відеопідсилювачів, несправностях системи ABL чи схем захисту по перевищенню високої напруги.
• Не діють регулювання яскравості і контрастності — це може бути обумовлено дефектом перемінних чи резисторів вузла рядкового розгорнення.
Перераховані вище несправності можна назвати глобальними, тобто, поки вони не усунуті, неможливо оцінити роботу вузла в цілому. Після подолання глобальних несправностей можна в повному обсязі скористатися всіма регулюваннями для одержання зображення, достатнього для оцінки його якості. Контроль якості зображення виробляється по картинках, одержуваним при запуску тестових програм. У випадку іспиту відеовузлів програма в комп'ютері повинна забезпечувати тестові зображення для наступних перевірок і регулювань:
• Фокусування й оцінки розмірів плями від променя, чіткості.
• Установки яскравості і контрастності.
• Оцінки і настроювання балансу білого кольору і передачі кольору.
• Перевірки чистоти кольору по полю екрана.
• Оцінки перехідної характеристики відеопідсилювачів в області низьких частот.
• Оцінки роботи системи зведення променів.
При перевірках за тестовими зображеннями можуть бути виявлені наступні несправності:
• Неможливість одержання достатньої яскравості окремого променя — це може бути викликано старінням катода ЭЛТ, дефектом ИС чи транзисторів, для ВМ типу EGA можливі несправності у вузлі обробки відеосигналів (ПЗУ й ін.).
• Погана чистота кольору — виявляється як чи розводи нерівномірне світіння по полю екрана, це є наслідком магнітних перешкод, джерелом яких може бути петля розмагнічування (якщо вона чи не працює працює, але не виключається), можливі і дефекти ЭЛТ (її котушок, що відхиляють,).
• Перекручування границь переходів від яскравого краю зображення до чорного, котрі виявляються у виді "тягучок" чи повторів, як правило, це спостерігається через несправні електролітичні конденсатори, що погодять резисторів, кабелю.
• Нестабільність фокусування, яскравості, кольоровості — вона звичайно спостерігаються через нестабільні напруги, одержуваних від джерел в інших вузлах, чи дефектів пайки і поганого контакту в підбудованих резисторах.
• Несправності у вузлах рядкового розгорнення і керування, що приводять до змін живлячих чи напруга включенню схем захисту (ABL, перевищення високої напруги).
Після одержання стабільного зображення в одному з основних робочих режимів ВМ, повторюють перевірку характеристик по тестах як цього режиму, так і всіх можливих інших для даного ВМ.
3.4. Вузол кадрового розгорнення
Вузол кадрового розгорнення (КР) ВМ служить для харчування кадрових котушок системи, що відхиляє, ЭЛТ пилкоподібним струмом. Незважаючи на підвищені в порівнянні зі звичайними телевізорами вимоги до стабільності і лінійності, схеми вузла КР виконуються на традиційних телевізійних мікросхемах. У ранніх моделях ВМ зустрічаються схеми з використанням транзисторів у вихідному каскаді, але в сучасних моделях застосовуються винятково спеціалізовані ИС.
Вузол КР не є енергетично напруженим пристроєм — у ньому немає високих напруг і могутніх імпульсних струмів, з цієї причини несправності в ньому виникають рідко і звичайно через старіння чи елементів необережності при ремонті.
Приклад застосування окремої ИС вихідного підсилювача КР показаний на мал.9 (ACERVIEW 7134T). Генератор кадрової частоти, що задає, виконаний на ИС 1С251 типу TDA4852. Частота пилкоподібної напруги визначається ємністю конденсатора З264, момент завершення поточного і початок нового періоду розгорнення — синхроімпульсом V, а амплітуда вихідного сигналу на висновках 5, 6 ИС регулюється напругою на її висновку 13. Отримане в ИС 1С251 пилкоподібна напруга з урахуванням корекції розміру по вертикалі надходить на висновки 1, 2 ИС IC250 вихідні підсилювачі. Коефіцієнт підсилення вихідного підсилювача встановлюється за допомогою ланцюга негативного зворотного зв'язку по струму в кадрових котушках, що відхиляють, для чого напруга з резистора R277, включеного послідовно з котушками і струму, що є датчиком,, через резистор R290 надходить на висновок 9 ИС. Ланцюжок з R278 і З262 служить для запобігання високочастотного самозбудження у вихідному підсилювачі. Імпульс зворотного ходу від висновку 8 ИС підсилюється транзистором Q250 і надходить через розділовий конденсатор З250 на ЭЛТ для гасіння лучачи. Центрування растра по вертикалі здійснюється подачею напруги зсуву на один із входів диференціального підсилювача (висновок 2 ИС IC250). Ця напруга виходить від дільника з резисторів R257 і VR261 (EXT V-CENTER), до нього підмішується також напруга корекції зсуву растра від вузла керування (сигнал V-CENTER) у залежності від включеного режиму.
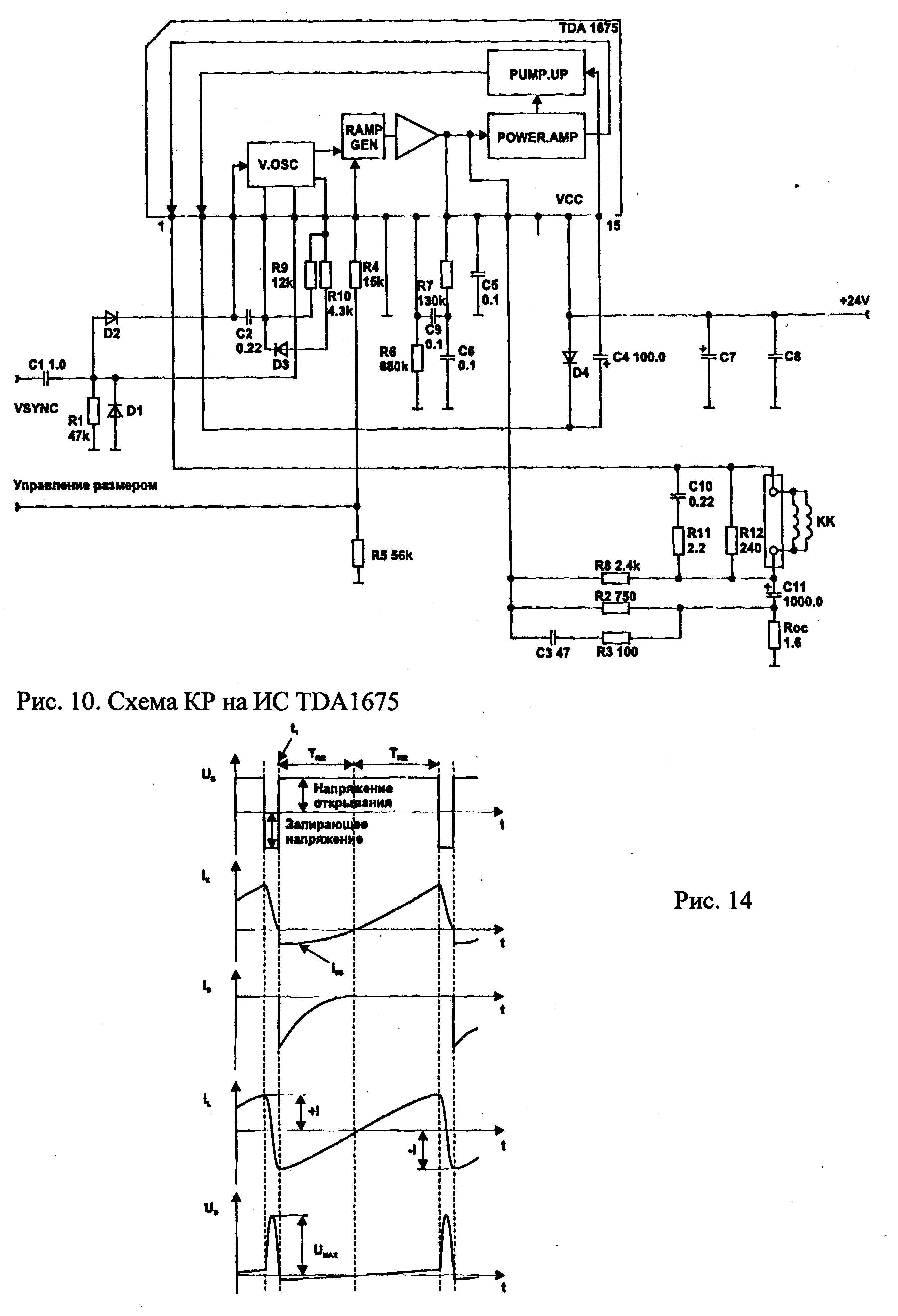
Як приклад використання у вузлі КР мікросхем, що включають у себе генератор, що задає, і вихідний підсилювач, на мал. 10 приведена типова схема включення ИС типу TDA1675, що дуже часто застосовується в сучасних кольорових ВМ. Ця схема принципово мало відрізняється від вищеописаної — вона містить генератор, що задає, частота якого визначається ємністю конденсатора З2, регульований напругою підсилювач пилки й оконечный підсилювач. Вихідний струм надходить на кадрові котушки, що відхиляють, і замикається через конденсатор З11 і резистор Ріс, що є датчиком струму, на землю. Напруга негативного зворотного зв'язку з резистора Roc надходить через ланцюжок R2, R3, СЗ, що визначає коефіцієнт підсилення вихідного каскаду, на його вхід. ИС містить додатково підсилювач імпульсу зворотного ходу, що заряджає конденсатор З4 і підключає його до ланцюгів харчування вихідного каскаду, забезпечуючи майже дворазове підвищення напруги на початку прямого ходу розгорнення і, відповідно, високу лінійність.

Ремонт вузла КР
Дефекти у вузлі КР, як правило, діагностуються по зображенню на растрі і мають наступні ознаки:
• Спостерігається яскрава тонка горизонтальна смуга на екрані, що говорить про відсутність розгорнення.
• Растр цілком заповнює екран, але отсутствует синхронізація.
• На стійкому растрі при роботі тестових програм спостерігаються перекручування лінійності по вертикалі.
• Не працюють регулятори розміру і положення по чи вертикалі не відповідають включеному режиму.
Перебування несправностей у вузлі КР починають з перевірки живлячих напруга і, якщо вони в нормі, контролюють температуру корпуса мікросхем і вихідних транзисторів. Робоча температура ИС, що включають у себе вихідний підсилювач (TDA1175, TDA1675, TDA4866), може бути досить високої, але не повинна перевищувати 70°С.
У випадку повної відсутності розгорнення на растрі, перевіряють роботу генератора, що задає, контролюючи осциллографом сигнал на времязадающем конденсаторі і на вході вихідного підсилювача. Якщо ці сигнали присутні, то перевіряють проходження сигналу пилки через вихідний підсилювач до рознімання підключення системи, що відхиляє. Можливі обриви в розділовому чи конденсаторі резисторі зворотного зв'язку по струму, а також несправність вихідного підсилювача в ИС чи транзисторах.
При відсутності синхронізації перевіряють проходження синхроімпульсу до входу в ИС генератора, що задає, можливо, мається несправність у вузлі керування.
Перекручування лінійності по вертикалі оцінюють по зображенню при запуску тестових програм, для чого використовують зображення сітки. Велика частина таких перекручувань з'являється через дефекти електролітичних конденсаторів у ланцюгах вольтодобавки чи в генераторі, що задає — конденсатори утрачають свою номінальну чи ємність з'являється струм витоку.
Інші несправності, зв'язані з відсутністю дії регулювань на передній панелі при спробі зміни розміру растра по чи вертикалі його зсуви можуть бути викликані дефектами власне чи потенціометрів несправностями у вузлі керування. У цьому випадку перевіряють відповідну ланцюг за допомогою омметра, контролюють напруги чи вольтметром осциллографом і визначають несправний елемент.
Після виправлення всіх несправностей, що проявилися у вузлі КР, установлюють усі необхідні параметри растра за допомогою подстроечных елементів, але не слід забувати, що розміри растра залежать також від величини високої напруги на ЭЛТ, тому остаточне настроювання варто робити тільки після повного ремонту ВМ.
3.5. Вузол рядкового розгорнення ВМ
Вузол рядкового розгорнення (СР) у ВМ служить, у першу чергу, для одержання пилкоподібного струму в рядкових котушках, що відхиляють, ЭЛТ, необхідного для відхилення електронного променя по горизонталі. Другою, важливою функцією вузла є забезпечення харчування ЭЛТ напругами, що важко одержати в первинному джерелі харчування ВМ, наприклад високе що прискорює (до 27 кв) чи іншими, бажано стабілізованими разом із що прискорює.
Існує два способи побудови вузла СР для ВМ. На мал. 11 показана блок схема вузла СР, у якому об'єднані функції одержання пилкоподібного струму, що відхиляє, у рядкових котушках і вторинних напругах для ЭЛТ, включаючи високе для її анода (сполучена схема).
Призначення елементів блок-схеми наступне:
• Буферний каскад підсилює імпульс, що надходить від генератора рядкової частоти, що задає, в УУ, до величини, необхідної для надійного відкривання ключового транзистора у вихідному каскаді СР.
• Трансформатор Тр забезпечує узгодження між буферним і вихідним каскадом, його вторинна низкоомная обмотка також замикає перехід Б-Э ключового транзистора по постійному струмі, що сприяє більш надійній його роботі.
• Вихідний каскад містить транзистор і демпферний діод, що складають симетричний ключ, ланцюги корекції лінійності й елементи керування (реле, транзисторні ключі), що переключають режими роботи каскаду і забезпечують регулювання розміру рядків.
• Рядкові котушки, що відхиляють, є основним навантаженням для вихідного каскаду,
• ТДКС служить для подачі харчування на симетричний ключ, одержання високої постійної напруги для анода ЭЛТ і інших вторинних напруг.
• Допоміжний стабілізатор напруги забезпечує необхідну величину напруги харчування вихідного каскаду В+, що відповідає встановленій частоті рядків.
• Схема захисту детектирует поява аварійних ознак у роботі рядкового розгорнення, таких як надмірне підвищення високої чи напруги збільшення струму променів, і видає відповідний сигнал для УУ.
Другий спосіб побудови вузла СР відрізняється застосуванням окремого каналу для одержання високої напруги, що відповідає йому блок-схема представлен на мал.12. Використання такого прийому викликано вимогами стабілізації високої напруги незалежно від режиму роботи схеми формування струму в котушках, що відхиляють, у широкому діапазоні рядкових частот.
На блок-схемі представлені два канали, кожний з який складається з вихідного каскаду зі своїм допоміжним стабілізатором напруги В+. Канал формування струму в рядкових котушках, що відхиляють, не відрізняється від приведеної на мал. 11 блок-схеми, за винятком застосування дроселя L


замість ТДКС, а в каналі одержання високої напруги використана схема в який індуктивність ТДКС включена послідовно з джерелом харчування В+. Наявність струму підмагнічування в цьому випадку не істотно, тому що воно не робить впливи на зображення.
Як сигнал зворотного зв'язку для стабілізації високої напруги можна використовувати напруга, одержувана після випрямлення імпульсу зворотного ходу з колектора ключового чи транзистора від однієї з вторинних обмоток ТДКС. Аналогічним образом стабілізується і розмір рядків в іншому каналі.
Така побудова вузла СР має наступні переваги:
• Велика сумарна потужність, необхідна для відхилення лучачи і забезпечення струмів променів у ЭЛТ за рахунок високого напруги анода, що прискорює, виробляється в окремих каналах, що мають свій ключ, транзистор якого може бути меншої потужності.
• Стабілізація високої напруги і розміру рядків виробляється в різних каналах незалежно, що забезпечує їхнє оптимальне регулювання.
• Використання роздільного харчування каналів дає можливість вибору оптимальної напруги для кожного каналу.
Ця схема частіше застосовується у високоякісних ВМ із великим розміром екрана де розподіл потужності по двох каналах приводить також до підвищення надійності.
Як приклад сполученої схеми побудови вузла СР на мал.13 показаний фрагмент принципової схеми монохромного ВМ типу VGA NTT VM-340.
Сигнал HDRV від генератора рядкової частоти, що задає, в УУ надходить на базу транзистора Q251 буферного каскаду. Колекторним навантаженням для транзистора служить первинна обмотка трансформатора, що погодить, Е251, ланцюжок з резистора R252 і конденсатора З252 служить для придушення викидів напруги в момент переключення при роботі на індуктивне навантаження. Харчування транзистор Q251 одержує від джерела В+ через резистор R253, що обмежує напругу на його колекторі, воно фільтрується за допомогою конденсатора З253. Прямокутний імпульс струму від вторинної обмотки через резистор R256, що виконує роль обмеження і стабілізації струму, надходить у базу ключового транзистора Q252 і забезпечує його надійне відкривання. Діод D252 використовується як демпфер. Тривалість імпульсу зворотного ходу визначається ємністю конденсатора З255.
Харчування вихідного каскаду СР виробляється напругою В+ через первинну обмотку ТДКС Е252 (висновки 6 і 9). Величина цієї напруги може приймати два значення, перше з який (нижнє) визначається напругою выпрямителя на діоді D1 (+30 В), а друге — напругою з діода D2 (+36 В), що підключений до обмотки імпульсного трансформатора в ИП з більш високою напругою. Включення другої напруги виробляється транзисторним

ключем Q121, базовий струм якого задається транзистором Q202. Керування переключенням виробляється сигналом B+CONTL від УУ ВМ, що надходить через обмежувальний резистор R216 на базу транзистора Q202.
Катушки ОС підключені до колектора ключового транзистора, струм, що протікає через них, замикається на землю через розділовий конденсатор З256 і послідовно включені котушки регулятора розміру рядків і корекції лінійності.
Особливістю приведеної схеми є наявність фрагмента для динамічного фокусування, тому що в даній моделі ВМ використана ЭЛТ із плоским екраном.
Для одержання фокусирующего напруги G4 використовують напруга G2 від выпрямителя, що складається з D256, З263. До постійної напруги, величина якого встановлюється потенціометром V251, додається перемінна напруга від вторинної обмотки підвищувального трансформатора Е256. Первинна обмотка одержує напругу параболічної форми з розділового конденсатора З258, а конденсатор З260 перешкоджає влученню перемінної напруги в джерело G2.
У схемі отсутствует елементи центрування растра так, як ця процедура для монохромних ЭЛТ виробляється за допомогою магнітних кілець, розташованих на її горловині.
Установка розміру рядків виробляється за допомогою перемінної індуктивності L251 "WIDTH", що підбудовується за допомогою ферритового сердечника.
Як опорний сигнал HREF для регулювання фази в генераторі рядкового розгорнення, що задає, використовується імпульсна напруга з колектора транзистора Q252.
Діагностика і ремонт вузла СР
Діагностику вузла СР корисно провести до першого включення ВМ. Після очищення від пилу деталей вузла й у першу чергу ТДКС роблять огляд друкованої плати в зоні силових елементів і попутно визначають відповідність типу блок-схеми, спосіб включення ключового транзистора і демпферного діода, а також з'ясовують, яким образом подається харчування в схему.
Далі контролюють стан ключового транзистора омметром безпосередньо на його висновках — перехід К-Э не повинний бути ушкодженим. При цьому необхідно враховувати, що паралельно ключовому транзисторові підключений демпферний діод (чи схема диодного модулятора з двох діодів), він також може бути ушкоджений, тому щоб переконатися, що несправно саме транзистор, можна діоди випаяти. Якщо опір переходу відрізняється від нормального, то транзистор заміняють.
Аналогічним образом перевіряють демпферний діод і ключовий транзистор у каналі високовольтної частини, якщо вузол СР виконаний по двухканальной схемі.
Після заміни дефектних деталей додатково перевіряють відсутність к.з. між ланцюгами харчування первинної обмотки і 0В омметром безпосередньо на
висновках ТДКС. Наявність опору менш 0.5 кому говорить про ушкодження в ТДКС чи схеми додаткового джерела напруги В+, можливий також дефект електролітичного конденсатора фільтра.
На наступному етапі перевіряють вихідні выпрямители вторинних напруг від ТДКС, для чого контролюють омметром опір діодів, підключених до обмоток трансформатора і відповідних електролітичних конденсаторів, щоб переконатися у відсутності короткого замикання в цих ланцюгах.
У ході проведені перевірок немає способу переконатися в справності ТДКС без включення ВМ у робочому режимі. Можливими несправностями можуть бути межвитковые замикання в одній з чи обмоток вихід з ладу високовольтних випрямних діодів. Якщо немає повної впевненості у відсутності несправностей у ТДКС, а таке побоювання може виникнути якщо був ушкоджений транзистор і конструкція ИП не має гарного захисту від перевантажень, при цьому можна припустити що відбувався тривалий вплив великого струму на первинну обмотку, у результаті чого вона могла бути перегріта і виникли короткозамкнутые витки, то бажано провести додаткову перевірку працездатності ТДКС.
Перевірити ТДКС можна безпосередньо в схемі користаючись наступним прийомом, заснованим на тім, що всі струми і напруги в схемі пропорційні живлячій напрузі В+, тобто принципове функціонування вузла буде можливо навіть при зниженні його в кілька разів.
Практично таку перевірку здійснюють у такий спосіб. Відключають висновок харчування ТДКС У+ від схем харчування на друкованій платі, розірвавши відповідну перемичку в цьому ланцюзі, чи випаявши, звичайно наявний у ланцюзі харчування вихідного каскаду дросель фільтра, потім підключають його до джерела харчування з напругою 12 — 24 В. Цим досягається ефект зниження в багато разів потужності, що розсіюється на транзисторі, — вона буде нижче припустимої навіть при роботі на ТДКС із короткозамкнутыми витками. Потім включають харчування й осциллографом контролюють форму сигналу на колекторі ключового транзистора — вона повинна бути схожої на зображену на мал. 14 праворуч, тобто, повинні бути присутнім імпульси зворотного ходу у виді вузьких позитивних напівхвиль синусоїди.
Якщо на розглянутій картині в проміжках між імпульсами зворотного ходу присутні інші сигнали, що нагадують коливання, це свідчить про наявність короткозамкнутых витків в одній з обмоток ТДКС чи недостатнім насиченні струму в базі ключового транзистора.
Незважаючи на сильні в цьому випадку перекручування сигналів можна, вимірюючи їхню амплітуду і полярність на всіх обмотках осциллографом, відновити коефіцієнти трансформації в обмотках, що допоможе надалі при підборі аналога для заміни ТДКС.
Заміна ТДКС при наявності запасного не представляє складності, але необхідно пам'ятати, що після заміни варто зробити контрольний вимір високої напруги, щоб переконатися у відсутності його перевищення.
Підбір аналогів при заміні ТДКС представляє велику складність у випадку ремонту ВМ типу VGA, SVGA, тому що їхні параметри, такі як коефіцієнт трансформації обмотки високої напруги, величина власної ємності обмоток, а також можливість роботи на підвищених частотах, не дозволяють знайти навіть схожий варіант із серії телевізійних. У випадку ремонту ВМ типу CGA і EGA такий підбор у більшості випадків можливий.
При ушкодженні ключового транзистора і наступній його заміні, якщо отсутствует оригінальний, варто виявляти обережність, особливо у випадку ВМ, що працюють на підвищених частотах рядкового розгорнення. Підбор аналога при заміні роблять з обліком максимальної імпульсної напруги на колекторі, максимального струму колектора і часу включення /вимикання (граничної робочої частоти), а також максимальної потужності, що розсіюється.
Після заміни перевіряють інтенсивність розігріву радіатора ключового транзистора і, якщо протягом 10 хв після включення в робочому режимі температура буде вище нормальною (40 — 60 °С), те заміняють транзистор на іншій, більш придатний. Природно, це відноситься до випадку справності всіх деталей вузла СР.
Якщо Ви не упевнені у відсутності інших, що ще не проявилися несправностей у вузлі СР і інших, наприклад БП, УУ, можна трохи полегшити режим роботи вихідного каскаду зниженням амплітуди імпульсу зворотного ходу на колекторі ключового транзистора, підпаявши додатковий конденсатор ємністю 2000 — 6000 пф і високою робочою напругою, у залежності від типу ВМ, між його колектором і эмиттером.
Після забезпечення можливості принципової роботи вузла СР виробляється перевірка інших частин схем у всіх припустимих для даної моделі ВМ режимах разом з комп'ютером. При цьому перевіряють роботу схем захистів, можливість переключення режимів роботи і дія транзисторних ключів у схемах корекції лінійності, а також проходження сигналів і елементи схем регулювання розміру рядків.
Знайдені при цьому несправності усувають заміною відповідних елементів, після чого роблять відновлення схеми, тобто знімають установлені під час перевірки конденсатори, установлюють випаяні перемички і т.д. На остаточному етапі роблять перевірку дії всіх органів керування на передній панелі ВМ і регулювання необхідних подстроечных елементів на платі. Необхідним етапом перевірки вузла СР є контроль теплового режиму ключового транзистора, бажано протягом однієї години.
4. Причини виникнення несправностей у ВМ
Несправності у ВМ виникають по наступним причинах:
4.1. Неякісне виготовлення
Наслідком неякісного виготовлення є, як правило, порушення технології пайки, зборки, недоробки на стадії проектування, застосування неякісних чи елементів некоректна заміна елементів на аналоги (у процесі комплектації). Несправності з цих причин виявляються звичайно в перші місяці експлуатації. Частка таких ВМ із усіх поступивших у ремонт досить велика і досягає 30%.
4.2. Порушення правил експлуатації ВМ
Необхідно також дотримувати правила підключення ВМ до ланцюгів харчування. Усі приєднання сигнальних кабелів і рознімання харчування повинні вироблятися при відключеному харчуванні і положеннях вимикачів на ВМ і комп'ютері "ВЫКЛ". Бажано мати сполучні кабелі з проводом "земля", що через розетки електромережі з'єднують землі ВМ і комп'ютера. Відхилення від цих правил також може бути причиною несправності ВМ.
Часто причиною несправності ВМ буває підключення до неякісної мережі електроживлення тобто використання розеток з поганим контактом, тому що багато ХТО ВМ не витримують послідовного провалля і появи знову напруги харчування в мережі з інтервалом 0.5 — 1 сек. До цієї категорії можна також віднести несправності через механічні ушкодження з вини користувача.
4.3. Природне старіння електронних компонентів
Ця причина є загальної для усіх виробів електронної техніки, що працюють в умовах, що відповідають проектним (зазначених у технічній специфікації). Старінню піддаються друковані плати і припой, особливо в місцях підвищеної температури. Кожен використовуваний елемент має свою визначену надійність (чи середній час наробітку на відмовлення). Для ВМ у цілому також мається такий параметр, однак, він не завжди приводиться в специфікації.
Як правило, час наробітку на відмовлення для ВМ складає більш 10000 годин, що відповідає 3-5 рокам роботи.
4.4. Ремонт некваліфікованим персоналом
Мається ще одна причина виникнення несправностей у ВМ — це неграмотно виконаний ремонт, коли в процесі ремонту некваліфікованим персоналом виробляється заміна елементів шляхом підбора чи аналогів уводяться зміни в принципову схему. Некоректно виконана робота може привести надалі до додаткових несправностей у ВМ, що сильно утруднить його остаточний ремонт.
5. Загальні принципи ремонту ВМ
Для досягнення позитивного результату в ремонті варто дотримувати наступного порядку роботи:
1. До початку робіт необхідно, у першу чергу, переконатися, що саме ВМ має дефект, а не відеоплата в комп'ютері. Це легко зробити, підключивши ВМ до свідомо працюючого комп'ютера. Корисно з'ясувати історію ВМ, тобто чи були до даного відмовлення порушення в нормальній роботі ВМ і їхній характер, чи мається технічна документація, включаючи принципові схеми. Це надалі полегшить роботу, аналіз несправностей і допоможе у встановленні причини відмовлення.
2. Розкриття ВМ і оцінка його стану допомагають з'ясувати зразковий термін служби ВМ, правильність умов експлуатації. У випадку сильного внутрішнього забруднення необхідно провести чищення від пилу всіх плат і частин конструкції. При огляді особлива увага треба звернути на силові і високовольтні елементи, до яких відносяться: ТДКС, трансформатор блоку харчування, діоди, могутні транзистори, електролітичні конденсатори і конденсатори у вузлі рядкового розгорнення. Огляд зворотної сторони друкованої плати дозволяє оцінити якість пайки, при цьому також можливо швидке виявлення дефекту.
У першу чергу, варто звернути увагу на пайку в точках підключення масивних деталей, таких як трансформатори, транзистори на радіаторах, діоди. Характерною ознакою дефекту пайки є поява чи тріщин сірого ободка навколо висновку, добре помітного на тлі блискучого припоя. Такі крапки підлягають обов'язкової пропайке, у процесі якої може виявитися дефект від поганого залуживания висновків деталі, що виявляється в набряканні припоя з висновку. При огляді зворотної сторони плати також добре помітні зони розташування деталей, що працюють при підвищеній температурі. Ці зони відрізняються помітним потемнінням матеріалу плати.
3. Привести ВМ у такий стан, щоб його можна було включити, а при необхідності і відремонтувати внутрішній блок харчування. При цьому варто перевірити, немає чи короткого замикання на виходах джерела і виключити перешкоди в його роботі. На цьому етапі корисно зробити контрольний вимір вихідних напруг блоку харчування, у першу чергу, напруги розжарення ЭЛТ, щоб не зашкодити її.
4. Визначення несправного вузла.
Коли ВМ включається, але маються порушення в його роботі, з'являється можливість провести первинну діагностику. Метою даного етапу є визначення вузлів ВМ, у яких можливі несправності, за умови, що блок харчування перевірений і вузол рядкового розгорнення в цілому працює. Тоді залишаються неперевіреними наступні вузли:
• Кадрове розгорнення.
• Вузли обробки відеосигналів.
• Схеми керування режимами.
• Схеми захисту.
5. Діагностика несправних вузлів.
На даному етапі виникає необхідність у принципових схемах і інформації з окремих компонентів. Їхня наявність дає можливість швидко простежити проходження сигналів і представити їхні орієнтовані рівні на висновках мікросхем і транзисторів. Якщо в принциповій схемі і Вашому ВМ маються розбіжності, варто намалювати необхідний фрагмент схеми вузла з друкованої плати. Далі, користаючись усією наявною інформацією, осциллографом контролюють сигнали (звичайно на висновках мікросхем і транзисторів) і роблять висновок про можливі несправні елементи. Одночасно з описаними діями корисно ще раз уважно оглянути друкований монтаж у районі підозрілого вузла для виявлення можливих дефектів, пропущених при огляді раніше.
6. Заміна дефектних деталей.
Робити заміну деталей бажано на відповідній схемі, однак, не завжди це представляється можливим. У цьому випадку необхідно, користаючись довідковою літературою, коректно підібрати аналоги. Найчастіше складності виникають з підбором транзисторів, особливо середньої і великої потужності. У більшості випадків у підборі досить керуватися їхніми граничними параметрами. Більш обережно треба відноситися до підбора польових транзисторів і транзисторів для вихідних каскадів рядкового розгорнення, тому що для них важ-ны також тимчасові параметри, що не завжди вказуються навіть у довідковій літературі. Далі виробляється заміна деталі, після чого контролюється I якість пайки і відсутність короткого замикання між крапками пайки. У слу-чае заміни мікросхем може знадобитися видалення залишків флюсу, що j заважають огляду місця пайки. Після заміни дефектних деталей варто повторити пункт 5, щоб переконатися в працездатності вузла, що піддавався ремонту, а також у відсутності інших несправностей.
7. Аналіз можливих причин несправностей виробляється після завершення основних ремонтних робіт на підставі всієї інформації, отриманої під час роботи. Ціль аналізу — виявити основну причину відмовлення і зробити висновок про можливі відмовлення ВМ при подальшому його використанні.
8. Остаточна діагностика, настроювання і тестування виробляються в комплексі з комп'ютером. Сталий режим настає лише через годину після включення. У цей час контролюють вихідні напруги блоку харчування, величину імпульсної напруги на колекторі транзистора вихідного каскаду рядкового розгорнення, висока напруга на ЭЛТ. Після закінчення 1 години роботи ВМ можна приступати до настроювань. На комп'ютері вибирають сервісну програму, що, дозволяє переключати режими роботи ВМ. Вибирають базовий режим (для ВМ типу SVGA це текстовий режим з дозволом 640 X 480 крапок) і перевіряють яскравість світіння екрана і якість фокусування. Далі вибирають графічний режим і виводять на екран колірну таблицю. Далі перевіряють роботу регулятора яскравості на передній панелі, при цьому не повинно бути помітно ліній зворотного ходу рядків, а при установці на максимум не повинна бути помітна расфокусировка. По завершенні настроювання фокусування і яскравості роблять регулювання оконечных відеопідсилювачів, контролюючи правильність передачі кольору по колірній таблиці.
Наступним кроком є перевірка коректного переключення режимів ВМ, для чого з комп'ютера вибирають послідовно режими й у кожнім контролюють розміри растра, його положення на екрані, геометрію і синхронізацію частоти рядків. Детектирование режимів виробляється у вузлі керування ВМ, де виробляються сигнали, що керують вузлами кадрового і рядкового розгорнення.
9. Як остаточну перевірку ВМ після ремонту рекомендується провести так називаний "тепловий прогін", для чого цілком підготовлений до роботи з закріпленою задньою кришкою і встановлений на підставку ВМ включається разом з комп'ютером на досить тривалий час (не менш 2-х годин). Протягом цього часу температура всіх компонентів досягає сталого значення, тобто моделюються реальні умови роботи ВМ.
5.2. Рекомендації з роботи
5.2.1. Порядок зняття, що рекомендується, задньої кришки
Перед розкриттям ВМ варто провести зовнішній огляд корпуса, чи маються на ньому тріщини, є сліди ударів і т.д. Далі варто оглянути місця кріплення задньої кришки і визначити спосіб її кріплення. Звичайно задня кришка монітора має кріплення для підставки, що знімається разом із кришкою, але зустрічається і кріплення підставки на основну конструкцію, що несе плату електроніки і ЭЛТ. Другий варіант менш зручний для подальшого ремонту, тому що підставка закриває доступ до елементів плати. Кріплення задньої кришки, як правило, виробляється за допомогою 4-х винтов-саморезов, але зустрічаються випадки з застосуванням додаткових гвинтів і засувок, сформованих при литті кришки. Для зняття кришки монітор повертається з всіма обережностями екраном вниз і ставиться в такім положенні з використанням підставки для виключення торкання екрана об стіл. Далі відкручуються основні гвинти і кришка знімається. При цьому через отвори витягаються з обережністю, щоб кришка не зірвалася з рук і не зашкодила горловину ЭЛТ. Якщо кришка все-таки не звільняється, необхідно, погойдуючи її, визначити місця, де маються перешкоди (додаткові чи гвинти засувки) і послідовно звільнити всі кріплення.
5.2.2. Чищення ВМ
Повне чищення ВМ можна провести тільки при знятті основної плати, блоку харчування і т.д., тому вона виробляється тільки у випадку дуже сильного забруднення ВМ. Часткове чищення містить у собі видалення пилу з електронних плат, очищення радіаторів, високовольтних проводів і відмивання пластикових поверхонь. Видалення пилу виробляється за допомогою м'якої кисті придатного розміру з довгим ворсом. Вітделившийся від деталей і плати пил збирається пилососом, наконечник шланга якого підводиться близько до кисті. Очищення радіаторів після видалення пилу проводиться за допомогою шматка сухої м'якої тканини, пінцета і тонкої викрутки. Високовольтні проводи і захисний гумовий ковпак контакту підключення до ЭЛТ протираються вологою тканиною. Пластикові деталі в процесі тривалої експлуатації ВМ звичайно сильно накопичують бруд не тільки з зовнішньої сторони корпуса, але і внутрішньої. Цей бруд представляє суміш дуже дрібних часточок пилу й інших компонентів, що є присутнім у навколишньому ВМ просторі. Під дією електростатичних полів, що є присутнім навколо ЭЛТ, ці частки "в'їдаються" у поверхню пластику і створюють трудноудалимую плівку. Звичайно для виготовлення корпуса ВМ використовується світлий пластик, тому бруд сильно псує зовнішній вигляд ВМ. При очищенні пластикових поверхонь не можна застосовувати органічні розчинники, наприклад, ацетон, етиловий спирт і ін., тому що вони можуть розчиняти поверхневий шар пластику і порушувати його полірування, що надалі приведе до втрати зовнішнього вигляду ВМ. Для очищення пластикових деталей найкраще застосовувати чи мило пральний порошок. Деталі, що легко відокремлюються від конструкції ВМ, просто миються чи губкою ганчіркою мильним розчином, промиваються чистою водою і витираються сухою ганчіркою. Для відмивання деталей навколо екрана ЭЛТ варто застосовувати намилену і добре віджату ганчірку, щоб уникнути протікання залишків води усередину корпуса. Після цього вологою ганчіркою видаляють залишки мила і поверхню протирають насухо.
5.2.3. Прийоми пайки
Пайка це важливий процес у ході ремонтних робіт, її якість багато в чому визначає і результат ремонту, тому варто приділити особливу увагу застосовуваному інструменту і матеріалам. Якість пайки забезпечується досить високою температурою, створюваної жалом паяльника в крапці пайки, типом застосовуваного припоя і флюсу. Для пайки в електронних пристроях застосовується, як правило, свинцево-олов'яні припои з температурою плавлення 230 — 280°С, тому температура жала паяльника повинна бути більш 300°С. Однак, температура нагрівання контактної площадки в місці пайки не повинна бути надмірної, щоб виключити перегрів електронних деталей і не допустити відшаровування фольги від матеріалу плати. По досвіду роботи рекомендується застосовувати паяльники з постійної (термостатированной) температурою жала 360 — 380°С. Потужність паяльника не грає істотної ролі крім випадків пайки масивних елементів, коли починає позначатися теплоємність жала, звичайно вона
составляє 40 — 60 Ут. Як додаткові вимоги до паяльника слід зазначити гарантовану ізоляцію жала від живильної мережі і наявність контакту, для підключення корпуса паяльника до заземлення. Це забезпечує безпеку застосування паяльника при пайку елементів, чуттєвих до статичної електрики. Усім цим вимогам задовольняють паяльники виробництва фірм "ERSA" і "WELLER". У якості припоя рекомендується застосовувати дріт діаметром 1 мм із каналом, заповненим каніфольним флюсом, переважно іноземного виробництва, тому що імпортні припои мають більш складний склад, що забезпечує найкращу якість пайки. Застосування активних флюсів припустимо тільки у виняткових випадках з обов'язковим видаленням його залишків з місця пайки.
5.2.4. Пошук "мерехтливих" несправностей
ДО "мерехтливого" несправностям можна віднести такі, котрі виявляються відносно рідко, тобто ВМ працює у всіх режимах нормально, але 2 — 3 рази в день спостерігається або мимовільне його вимикання, або провалля чи растра порушення синхронізації.
Складність діагностики в цих випадках полягає в тім, що неможливо шукати несправність звичайним шляхом, тобто контрольними вимірами в схемі через те, що не фіксується цей стан. У більшості випадків причинами виникнення таких несправностей є дефекти пайки, особливо в місцях запаювання проводів, контакти в розніманнях, порушення провідників друкованої плати (мікротріщини).
Пошук таких дефектів виробляється шляхом впливу на підозрілі елементи механічним способом, наприклад, ворушінням проводів і рознімань, деформацією друкованої чи плати тепловим способом. Такі прийоми проводяться при включеному ВМ і безупинному контролі реакції на дію по картинці на екрані, тому треба бути дуже уважним і обережної.
Тепловий спосіб ефективний при виявленні і локалізації місць дефекти друкованої плати, що має, а також може визначити несправні мікросхеми і транзистори. Для цих цілей застосовуються аерозольні балончики з охолодним засобом (COMPONENT COOLER, COLD SPRAY). Наконечник балончика забезпечується тонкою трубкою, що дозволяє направити струмінь охолодного газу безпосередньо на чи деталь ділянку друкованої плати. Швидке охолодження приведе до теплових деформацій і негайного прояву дефекту. Таким чином, можна визначити ділянка друкованої плати, що містить мікротріщину, розміром 2x2 див.
6. Необхідний інструмент і устаткування
6.1. Інструмент
Процес ремонту ВМ припускає використання мінімального набору інструмента для розбирання, заміни електронних компонентів, усунення дефектів друкованої плати. У такий набір входять різні викрутки, гайкові ключі, бокорезы, плоскогубцы, приналежності для пайки.
Сучасні ВМ мають конструкцію, що містить мінімальна кількість кріпильних деталей. Як правило, для розбирання і зборки ВМ досить однієї викрутки з хрестовим наконечником, але для операцій, настроювання, заміни транзисторів і т.д. можуть знадобитися й інші інструменти.
У набір викруток, що рекомендується, повинні входити дві (хрестова і прямі) довжиною 350 — 400 мм і діаметром 5 мм, дві — довжини 150 мм і діаметром 3 мм, а також маленькі (діаметром 2 — 2.5 мм) для настроювання мініатюрних под-строечных резисторів. Для виключення випадкових замикань на платі викрутки для настроювання бажано ізолювати трубкою, залишивши незакритим тільки самий кінець. Усі викрутки, особливо силові, повинні мати гарне заточення, щоб не псувати шліци на гвинтах. Корисно мати набір торцевых ключів з подовжувачами, це може особливо допомогти при ремонті ВМ старих чи конструкцій вітчизняних. Для обрізки і формування висновків деталей необхідно використовувати бокорезы і малі плоскогубцы (длинногубцы) із прямими і вигнутими кінцями.
Приналежності для пайки в основному минулому описані вище, але випливає в комплект інструмента включити також вакуумний отсос для видалення залишків припоя при випаюванні транзисторів і мікросхем із плати. У необхідний для ремонту ВМ комплект рекомендується включити ще захисні окуляри, які необхідно використовувати при перших включеннях ВМ після ремонту, коли немає впевненості в нормальних режимах роботи окремих деталей. Наприклад, при пробої ключового транзистора блоку харчування може тріснути його пластиковий корпус і осколки потрапити в очі.
Варто передбачити також засобу для детального перегляду друкованої плати і деталей, такі як лупи різного збільшення і, можливо, невеликий мікроскоп зі збільшенням 20 — 40 разів.
6.2. Устаткування
У якості основних контрольно-вимірювальних приладів при проведенні ремонтних робіт необхідно використовувати тестер і осциллограф. Тестер (мультиметр) повинний забезпечувати виміру постійної напруги в межах до 1000 В, перемінної напруги до 750 В, постійного струму до 1 А, а також вимір опорів від 1 Ом до 1000 кому. Точність вимірів не повинна бути гірше 2 — 3%, а вхідний опір приладу — не менш 1 Мом. Таким вимогам задовольняють цифрові мультиметры як вітчизняного виробництва, наприклад "Електроніка ММЦ-01", так і багато імпортні.
У комплекті мультиметра необхідно мати високовольтний щуп для виміру напруг до 30 кв, тому що контроль напруги, що прискорює, ЭЛТ у процесі ремонту обов'язковий щоб уникнути підвищеного рентгенівського випромінювання від ЭЛТ при напрузі більш 25 кв. Високовольтний щуп не слід намагатися зробити самому, тому що він повинний бути виконаний зі спеціальних резисторів з розподіленим по довжині опором, забезпечувати високу точність і безпеку вимірів. Осциллограф у процесі ремонту ВМ використовується для спостереження і контролю сигналів у вузлах рядкового, кадрового розгорнення, а також у блоці харчування.
Вимоги до осциллографу невисокого: смуга частот — до 10 Мгц, часи розгорнення — від 100 не/справ до 0.1 з/справ, чутливість для виміру напруг від 10 мв до 100 В. Добре зарекомендував себе в роботі цифровій запам'ятовуючий осциллограф типу З8-19, що має компактне виконання через застосування жидкокристаллического екрана. Крім того, наявність пам'яті дозволяє аналізувати форму сигналів на екрані після вимикання ВМ.
У комплекті з осциллографом необхідно мати кабелі зі зручними наконечниками для підключення до схеми і дільник напруги 1:10. Осциллограф З8-19 має вхідний перемикач чутливості до 50 В/справ, що з зовнішнім дільником 1:10 дозволяє контролювати сигнали розмахом до 2 кв і перевіряти імпульсну напругу на колекторі рядкового транзистора.
7. Заходу щодо охорони праці, техніці безпеки і
організації робочого місця.
Обережності при проведенні ремонтних робіт.
Ремонт відеомоніторів (надалі ВМ) являє собою досить складний процес, що має свої специфічні особливості, але при його проведенні, як і при будь-якій іншій роботі, варто обов'язково дотримувати правил техніки безпеки. Загальні положення техніки безпеки по роботі з електроустановками докладно описані в багатьох виданнях, тому ми зупинимося тільки на моментах, що відносяться до нашого предмета — ВМ.
ВМ — це виріб, у конструкції якого є присутнім делікатна деталь великого розміру зі скла — ЭЛТ. Ця обставина жадає від працюючого підвищеної обережності на всіх етапах ремонту і транспортування ВМ. Варто уникати різких ударів як в області горловини ЭЛТ, так і по її екрані. Саме чуттєве місце ЭЛТ — це горловина, де встановлюється звичайно панель з відеопідсилювачами. Необережне зняття цієї чи панелі бічний удар по ній може привести до утрати вакууму в ЭЛТ. Це не небезпечно для працюючого, але приводить до необхідності заміни ЭЛТ. Ушкодження екрана при ударі може привести до утворення безлічі дрібних осколків скла, що становлять небезпеку для працюючого. Крім того, варто оберігати поверхня екрана від подряпин, що виникають від її контакту з твердими чи предметами, наприклад, піщиною при неправильному транспортуванні і проведенні робіт, і такі подряпини будуть сильно заважати користувачу ВМ, а їхнє усунення практично неможливе, тому що не удається відновити антибликовое покриття поверхні екрана.
Особлива увага варто звернути на наявність у ВМ високих напруг, що становлять небезпеку для працюючого, природно, треба уникати з ними контакту. З цими напругами Ви можете зштовхнутися в блоці харчування ВМ, де їхня величина складає 220 В перемінної напруги, 350 В постійного і до 600 В імпульсного, а також у блоці рядкового розгорнення і на ЭЛТ — 6 кв і 25 кв. Унаслідок відносно великої ємності електрода, що прискорює, ЭЛТ і дуже високої напруги на ньому енергія заряду виявляється значної і довго зберігається.
При впливі високої напруги, як правило, через металевий інструмент на руки працюючого, відбуваються мимовільні скорочення м'язів, що приводить до різких рухів рук. Наслідком цього можуть бути замикання на платі ВМ чи механічні т ушкодження, а для працюючого наслідку можуть бути більш серйозні, аж до електричного шоку. Слід зазначити, що зштовхнутися з високими напругами працюючий може і при відключеному харчуванні ВМ. Це порозумівається втриманням напруги на електролітичних конденсаторах великої ємності і збереженням заряду на ЭЛТ. Звичайно конденсатори в блоці харчування розряджаються протягом декількох секунд, конденсатори в ланцюзі харчування рядкового розгорнення у вимагають примусового розряду, що здійснюється шляхом підключення до них резистора 500 - 1000 Ом. Заряд високої напруги на ЭЛТ може зберігатися годинник, тому перед зняттям високовольтного чи проводу друкованої плати з ЭЛТ необхідно неї розрядити. Це виконується за допомогою тонкої довгої викрутки з добре ізольованою ручкою і проводом із двома "крокодилами" на кінцях. Один "крокодил" підключається до металевого дроту, натягнутої на зворотній стороні ЭЛТ і з'єднаної з 0В, іншої -до викрутки. Вістря викрутки підводиться до я захисному ковпачку високовольтного проводу, підводиться під нього і вдвигается до утворення з контакту з висновком. При цьому чутний щиглик розряду. Контакт треба утримувати кілька секунд до повного розряду, а через хвилину необхідно цю операцію повторити для впевненості в повному розряді.
Вищесказане передбачає виконання ще одного положення правил техніки безпеки - робоче місце повинне бути організоване належним образом, а саме: стіл повинний бути просторим для можливо зручного розташування ВМ, вимірювальних приладів і інструмента. Повинні бути передбачені підставки для фіксації ВМ у різних положеннях, що забезпечують зручний доступ для контролю і заміни деталей.
Такі міри допоможуть уникнути можливих механічних ушкоджень ЭЛТ і плат ВМ у ході ремонтних робіт.
ЛІТЕРАТУРА
1.Родин А.В., Тюнин Н.А., Воронов М.А. "Ремонт мониторов",
"Сомон", Москва, 1998.
2.CHIP - компьютерный журнал "Мониторы и TFT-дисплеи",
№ 1/1999.
3.Справочное руководство, в 3-х томах. Под ред. Г.Хелмса,
Москва, "Мир", 1986.
1