Расчет переходных процессов в линейных цепях с сосредоточенными параметрами
Министерство транспорта Российской Федерации
Федеральное Государственное Образовательное Учреждение
Государственная Морская Академия имени адмирала С.О. Макарова
Кафедра ТОЭ
Курсовая работа №6
“ Расчет переходных процессов в линейных цепях с сосредоточенными параметрами”.
Вариант № 21
Выполнил: к-т гр. Э-232
Попаденко Н.С.
Проверил: доцент, к.т.н
Попов Ю.В.
Санкт-Петербург
2005
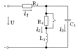
Задана электрическая цепь, изображенная на рисунке 1:

Требуется:
1) Определить выражения для всех токов в цепи в переходном режиме, решив задачу классическим и операторным методами.
2) Определить выражения для напряжений на емкости и индуктивности, решив задачу классическим и операторным методами.
3) Построить кривые напряжения токов во всех ветвях и напряжений на емкости и индуктивности в функции времени.
Заданные параметры цепи:
|
|
|
|
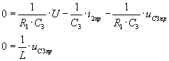
1) Для t≥0 получим систему уравнений метода переменных состояния. Используя законы Кирхгофа, составим систему уравнений:
|
|
|
В
качестве переменных состояния рассмотрим
и
,
подставим уравнения (2,3,4) в систему (1),
сведя ее к системе из двух уравнений:
|
|
Приведем систему уравнений (5) к нормальной форме. |

(6)
2)
При
определим принужденные составляющие.
Учтем, что в установившемся режиме
(В/с);
(А/с).
Т
огда
система (6) примет вид:

|
|
(В) |
|
||
|
(А); |
||||
3)
Корни характеристического уравнения можно найти из выражения входного комплексного сопротивления схемы переменному синусоидальному току, т.е для t≥0
;
заменяем на р и выражение приравниваем
к нулю:



(1/с);
(рад/с).
4)
С помощью законов коммутации находим начальные условия переходного процесса:
(А);
(В).
Подставляя эти значения в систему (6) при t=0, получаем:
(В/с)
(А/с)
5)
О
пределим
постоянные интегрирования, для этого
составим систему уравнений. Первое
уравнение системы – это уравнение
искомой величины. Оно записывается в
виде суммы принужденной и свободной
составляющих. Принужденная составляющая
найдена выше. Свободная составляющая
записывается в соответствии с видом
корней характеристического уравнения.
При двух комплексных сопряженных корнях
свободная составляющая представляет
собой затухающую синусоиду, которая
содержит две постоянных интегрирования
А и
.
Для их определения необходимо второе
уравнение. Его получают дифференцированием
первого:


При t=0 система сведется к виду:


Решение
системы дает:
;
А= 37,79 (В);
Искомое
решение для напряжения на емкости
принимает вид:
(В).
Аналогичным образом находим решение для тока второй ветви:


При t=0:

0.075=
0.0857+
50=


Искомое выражение для тока второй ветви:
(А);
Определение
:
Согласно
уравнению (3)
,
(В);
Из
системы (1):





II. Операторный метод расчета
1)
Составляется операторная схема замещения
исходной электрической цепи (Рис.1) для
времени
.
При этом все известные и неизвестные
функции заменяются изображениями. Для
нахождения параметров дополнительных
источников операторной схемы замещения
с помощью законов коммутации определяются
независимые начальные условия (НУ):

(А);
(В).
2) Находится изображение искомого тока. Операторная схема замещения содержит 3 источника в разных ветвях: основной и два дополнительных. Поэтому для нахождения изображения тока второй ветви воспользуемся законами Кирхгофа в операторной форме:

(7)
Подставим
выражения для начальных условий в
систему (7). Первое уравнение системы
подставим во второе, выразим ток
и подставим его в третье уравнение
системы, в результате получили одно
уравнение с одним неизвестным
.



3)
По
найденному изображению определяется
оригинал. Для нахождения корней
приравнивается к нулю выражение
:
;
;
;
(1/с);
(рад/с).

;
;
;
где

;
(А).
Искомое
выражение для тока
:
(А).
4)
Аналогично найдем ток в первой
из системы уравнений (7).
Подставим
выражения для начальных условий в
систему (7). Найденное выражение для
тока
в пункте (3) подставим во второе уравнение
системы (7):
;

;
;
;
(1/с);
(рад/с).


;
;
где
;


;
Искомое
выражение для тока
:
5)
Найдем
напряжения
:

;

;
;
;
(1/с);
(рад/с).



;
;
где
;


Искомое выражение:
(В);
6)
Найдем
ток третьей ветви
:

;
;
;
;
(1/с);
(рад/с).


;
;
где



Искомое выражение для тока:

;
В методе переменных состояния было получено выражение для тока:

Покажем, что это одно и тоже значение:


7) В случае колебательного процесса рассчитать логарифмический декремент затухания.





(А).







(Ом);
(Ом);
(Гн);
(мкФ)
(1)
(2)
(4)
(5)
