Расчет усилителя низкой частоты с блоком питания
Техническое задание.
Рассчитать схему усилителя низкой частоты с блоком питания. Исходные данные:
коэффициент усиления по напряжению - 80;
верхняя граничная частота - 10 кГц;
нижняя граничная частота - 300 Гц;
параметры нагрузки : - сопротивление - 200 Ом, емкость - 6800 ....... ;
коэффициент пульсаций на выходе блока питания - не более 0.15 .
Расчетная часть.
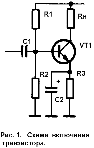
В качестве схемы усилителя выберем стандартную схему включения транзистора с общим эмиттером (рис. 1) . Разделительный конденсатор С1 служит для передачи на вход транзистора VT1 усиливаемого переменного напряжения, а также исключает попадание на вход транзистора постоянного напряжения. Резисторы R1 и R2 образуют делитель для получения необходимого напряжения смещения на базе транзистора. Резистор R1 и конденсатор C2 обеспечивают температурную стабилизацию работы усилителя. В данной схеме резистор R>Н> является нагрузкой.

В качестве транзистора VT1 выберем широко распространенный КТ 315 Д со следующими параметрами:
максимальный ток коллектора I >К >>MAX> = 100 м А ;
максимальное напряжение коллектор - эмиттер U> КЭ >>MAX> = 40 В ;
максимальная рассеиваемая мощность транзистора P >МАХ> = 150 м Вт ;
статический
коэффициент передачи h>
21>
50 .
Напряжение питания U> П > примем равным 9 В , тогда для определения рабочего режима выберем две крайние точки : (U >КЭ> = U >П> , I >K> = 0) и (U >КЭ> = 0, I >K> ), где U >КЭ> - напряжение коллектор - эмиттер , I >K>> > - максимальный ток в нагрузке:
I
>K>>
>=
=
= 45 (м А).
Для нормальной работы транзистора выберем рабочую точку :
I
>K>>0>
=
=
23 (м А),
U>
КЭ0 >=
=
= 4.5 (В).
Тогда мощность, выделяющаяся в транзисторе :
P> K0> = I >K0> * U> >>КЭ>>0> = 23 * 4.5 = 103.5 ( м Вт),
что не превышает максимальную рассеиваемую мощность транзистора P >МАХ> = 150 м Вт.
Мощность, потребляемая усилителем от источника питания :
P> 0> = I >K>>0> * U> П> = 23 * 9 = 207 ( м Вт).
Для схемы с общим эмиттером коэффициент усиления по току k >i> примерно равен статическому коэффициенту передачи h> 21> . Базовый ток транзистора :
I
>Б0> =
=
= 0.46 (м А).
Теперь определим номиналы резисторов :
R1
, R2
, R3
, где
I
>Д > - ток
через делитель, I
>Д
>
4* I
>Б0> .
R1
>
>
3.9 (к Ом) ,
R2
>
>
560 (Ом) ,
R3
>
>
1 (к Ом) .
Коэффициент
усиления по напряжению определяется
как : k>
u> =
.
Отсюда входное сопротивление транзистора :
R>
ВХ> =
=
= 125 (Ом).
Емкость конденсатора С1 рассчитывается исходя из того, что его сопротивление по переменному току на самой низкой частоте должно быть во много раз меньше входного сопротивления :
С1
= 42.46 (мкФ).
Выбираем ближайший - 50 мкФ.
Для заданной полосы частот емкость конденсатора С2 должна быть равна десяткам микрофарад, возьмем 20 мкФ.
Теперь рассчитаем стабилизатор напряжения с требуемыми параметрами. Входные цепи блока питания состоят из понижающего сетевого трансформатора и мостового выпрямителя. Схема стабилизатора напряжения показана на рис. 2.

Так как потребляемая схемой мощность небольшая, в качестве стабилизатора DA1 возьмем специально предназначенную микросхему К142ЕН8А, обеспечивающую выходное напряжение + 9 В и ток в нагрузке до 1 А. Данная микросхема обеспечивает коэффициент пульсаций на выходе примерно 0.03, что удовлетворяет заданию. Для нормальной работы напряжение на входе микросхемы должно быть не менее 12 Вольт, поэтому конденсаторы С1 и С2 выбираем на рабочее напряжение 25 В и емкостью 500 мкФ.
Литература.
Жеребцов И. П. Основы электроники. - Л.: Энергоатомиздат, 1989.
Транзисторы: Справочник . - М.: Радио и связь, 1990.
Цифровые и аналоговые интегральные микросхемы: Справочник. - М.: Радио и связь, 1990.
1