Теория электрических цепей (работа 4)
1.введение.
в процессе данной работы необходимо спроектировать широко распространенное в аппаратуре связи устройство, вырабатывающее так называемую “сетку частот”, то есть несколько гармонических колебаний. Подобное устройство содержит автогенератор, вырабатывающий исходное (задающее) колебание; нелинейный преобразователь, искажающий форму сигнала; набор активных фильтров, выделяющих требуемые гармоники, и масштабирующие усилители предназначенные для согласования входных и выходных сопротивлений устройств, а так же для поддержания необходимого уровня формируемого сигнала.
В качестве задающего автогенератора в работе используются схемы на биполярных транзисторах с пассивной лестничной RC-цепью обратной связи. При расчете автогенератора необходимо рассчитать: значения всех элементов схемы, амплитуду стационарного колебания на выходе генератора.
Нелинейный преобразователь строится на основе биполярных, полевых транзисторов или полупроводниковых диодах. Анализ схемы нелинейного преобразователя включает в себя аппроксимацию ВАХ нелинейного элемента и расчет спектрального состава выходного тока и напряжения.
В качестве активных фильтров используются активные полосовые RC-фильтры на основе операционных усилителях с полиномиальной аппроксимацией частотной характеристики полиномами Чебышева. Развязывающие (усилительные) устройства представляют собой масштабирующие усилители на интегральных микросхемах.
2.Расчет автогенератора.
2.1 Рекомендации по расчету автогенератора. В качестве задающего генератора в работе используются схемы на биполярном транзисторе с пассивной RC-цепью обратной связи Рис.1.

Автогенератор собран на составном транзисторе VT1-VT2 для увеличения входного сопротивления транзистора по цепи базы.
При расчете RC-генератора необходимо руководствоваться следующими практическими соображениями. Сопротивление нагрузки выбирается так, чтобы выполнялось условие: R>к><<R (по крайней мере на порядок, то есть в 10 раз). Поскольку это сопротивление задано, то при выполнении расчетов нужно следить за тем, чтобы вычисленные значения сопротивлений R в цепи обратной связи удовлетворяли бы указанным условиям.
Существуют рекомендации и по выбору сопротивления базы R>б>: R>б>>>R. Подобный выбор удобнее делать после расчета значений сопротивлений R.
Емкости конденсаторов С цепи обратной связи обычно выбирают в пределах 100пФ÷1мкФ, а величину емкости разделительного конденсатора С>р >- из условия: С>р>>>С.
2.2 Расчет автогенератора. RC-генератор выполнен по схеме изображенной на Рис.1, с использованием биполярного транзистора КТ301. Частота генерации fг = 100 кГц. Напряжение питания Uпит авт = 12В.
(1)
Сопротивление нагрузки в коллекторной цепи R>к >=2 кОм.
В
стационарном режиме работы автогенератора
на частоте генерации ωг=2πfг
должна выполняться условия
баланса фаз и баланса амплитуд:
где Н>ус>(ω>г>),Н>ос>(ω>г>)
– модули передаточных функций
Н>ус>(jω),Н>ос>(jω);
φ>ус>(ω>г>),φ>ос>(ω>г>) – аргументы передаточных функций φ>ус>(jω),φ>ос>(jω).
(2)
Д
ля заданной схемы:
(3)
И
з этой формулы видно, что φ>ус>(ω>г>)=π, значит для выполнения условия баланса фаз необходимо, чтобы цепь обратной связи вносила сдвиг фаз, равный π. Это будет выполняться при равенстве нулю мнимой части знаменателя выражения Н>ос>(jω):
т
о
есть:
Отсюда получаем выражение для частоты генерации:

(4)
(5)
Теперь можно записать что:
(6)

Найдем значения сопротивлений R и R>н>, входящих в формулы для расчета ω>г> и Н>ос>(ω>г>). Входное сопротивление R>н> составного транзистора:
(7)

где β – коэффициент усиления транзистора по току (для VT1);
R>бэ2> – входное сопротивление транзистора VT2.
Для определения β и R>бэ2> нужно выбрать рабочую точку транзистора.

Для этого вначале необходимо построить проходную характеристику транзистора i>к>=F(u>бэ>) – зависимость действующего значения тока в выходной цепи от входного значения напряжения. В свою очередь, исходными для построения проходной характеристики являются входная характеристика транзистора i>б>=F(u>бэ>) (Рис.2) и выходные характеристики транзистора i>к>=F(u>кэ>) (Рис.3).

На семействе выходных характеристик транзистора КТ301 проводится нагрузочная прямая через точки с координатами (0,6) и (12,0). По точкам пересечения нагрузочной прямой с выходными характеристиками строится промежуточная характеристика i>к>=F(i>б>) (Рис.4). Для этих целей удобно составить Таблицу 1.
Таблица 1
-
i>б>,мкА
25
50
75
100
125
i>к>,мА
1,1
2,1
3,2
4,2
4,9
Таблица 2
Затем используя полученную зависимость i>к>=F(i>б>) (Рис.4) и входную характеристику i>б>=F(u>бэ>) (Рис.2), определяем требуемую зависимость i>к>=F(u>бэ>) (Рис.5). Все данные, необходимые для построения характеристики сведем в Таблицу 2.|
u>бэ> |
0,4 |
0,5 |
0,6 |
0,7 |
|
i>б> |
0,02 |
0,05 |
0,1 |
0,18 |
|
i>к> |
0,8 |
2,1 |
4,2 |
5 |

По проходной характеристике определим положение рабочей точки, зададимся значением U>бэ0>=0,525В – это середина линейного участка проходной вольт амперной характеристики (Рис.5).

(8)
Т
огда по входной ВАХ (Рис.2) транзистора определяем значение R>бэ2 >в рабочей точке:
(9)
К

оэффициент усиления транзистора по току:
З
ная
R>бэ2> и β, можно
рассчитать R>н >
составного транзистора по формуле (7):
Из условия R>>R>к> следует выбрать значение R≥10кОм. Но эту величину необходимо уточнить при дальнейшем расчете.
(10)
Определим теперь амплитуду стационарного колебания на выходе генератора. Для этого построим колебательную характеристику S>ср>=F (U>бэ>). Значение средней крутизны для различных значений U>бэ> можно определить по методу трех ординат, формула (10):
У
добно
оформить все расчеты в виде таблицы
(Таблица3).
-
U>1(бэ)> В
0,125
0,25
0,375
0,5
0,625
I>к>>max>мА
4,7
5
5
5
5
I>к>>min>мА
1,1
0,3
0,07
0,02
0
S>ср> мА/В
14,4
9,4
6,57
4,98
4
На основании этой таблицы строим колебательную характеристику S>ср>=F(U>бэ>) (Рис.6).

Для того чтобы по колебательной характеристике определить стационарное действующее значение U>бэ> необходимо рассчитать значение средней крутизны в стационарном режиме S*>ср>.
И
звестно
что Н>ус>(ω>г>)=S*>ср>R>к>.
С другой стороны, из баланса амплитуд
получается, что Н>ус>(ω>г>)=1/Н>ос>(ω>г>).
Исходя из этого:
(11)
О
пределим значение Н>ос>(ω>г>) для рассчитанных R>н> и R по формуле (6) , для этого возьмем R=6 кОм:
Для этого расчетного значения Н>ос>(ω>г>) средняя стационарная крутизна S*>ср>=14,2 мА/В (обозначена на Рис.6).
(12)
Используя колебательную характеристику и зная значение средней крутизны в стационарном режиме, легко найти стационарное действующее значение напряжения U>бэ>=U>вх>=0,125В. Тогда напряжение на выходе генератора стационарном режиме можно найти из соотношения:
(12)
О
пределим значение емкости в цепи обратной связи, из выражения для частоты ω>г,>, формула (5):
Е
мкость
С>р> разделительного конденсатора
выбирается из условия С>р>>>С
или 1/ω>г>С>р>≤0,01R.
Возьмем С>р>=0,2 мкФ.
(13)
(14)
О
сталось определить только значение сопротивления R>б>, задающего рабочую точку U>бэ0>, I>бэ0>. Рассчитаем его по формуле:
Выбираем резистор с номиналом R>б>=7,5кОм.
Расчет RC
– генератора на этом можно считать
законченным, ниже приведена схема RC
– генератора с найденными значениями
элементов (Рис.7).
3.РАСЧЕТ СПЕКТРА ЧАСТОТ НА ВЫХОДЕ НЕЛИНЕЙНОГО ПРЕОБРАЗОВАТЕЛЯ.
3.1 Рекомендации по расчету спектра частот. Чтобы получить гармоники колебания, вырабатываемого RC - генератором, это колебание следует подать на нелинейный преобразователь. Таким образом, каскадно с генератором включается нелинейный преобразователь. Его цель – исказить гармонический сигнал так, чтобы в составе его спектра появились гармоники с достаточно большими амплитудами.
Анализ работы нелинейного преобразователя обычно проводится во временной и частотной областях. При анализе во временной области графически строится зависимость тока i>вых>(t) и напряжения u>вых>(t) на выходе нелинейного преобразователя от напряжения u>вх>(t) на входе, используя проходную ВАХ нелинейной цепи. Для этого выполняется аппроксимация характеристики нелинейного элемента; определяются амплитуды спектральных составляющих тока и напряжения, строится спектр амплитуд тока |i>вых>|=F>1>(ω) и напряжения |u>вых>|=F>2>(>ω>).
В схемах транзисторных нелинейных преобразователей конденсаторы С>р1> и С>р2> (емкостью в несколько десятков микрофарад) служат для разделения по постоянному току автогенератора, нелинейного преобразователя и фильтров.
В нелинейном преобразователе с полевым транзистором напряжение смещения подается на затвор транзистора от отдельного источника напряжения U>0> через сопротивление R>1>.
При подключении нелинейного преобразователя к автогенератору необходимо обеспечить развязку этих устройств. Это означает, что входное сопротивление нелинейного преобразователя должно быть намного больше выходного сопротивления автогенератора. Такому условию удовлетворяет схема на полевом транзисторе (входное сопротивление такой схемы порядка 106…109 Ом).
Однако может случиться так, что амплитуда напряжения на выходе генератора не совпадает с заданной амплитудой напряжения на входе нелинейного преобразователя. Тогда между ним и автогенератором следует включить масштабный усилитель, усиление которого выбирается из условия согласования указанных напряжений.
3.2 Расчет спектра частот. При расчете нелинейного преобразователя необходимо провести аппроксимацию ВАХ нелинейного элемента и рассчитать спектр сигнала на его выходе до третьей гармоники включительно.
Исходные данные для расчета нелинейного преобразователя: транзистор П27; U>п нел>=12В – напряжение питания нелинейного элемента; U>0>=-1,0В – напряжение смещения нелинейного элемента; U>м>=1,2В – амплитуда напряжения на входе нелинейного преобразователя; схема нелинейного преобразователя – Рис.8; тип нелинейного элемента – транзистор П27; R>к>=300 Ом.


Амплитуда напряжения на выходе автогенератора больше амплитуды напряжения, которое следует подать на вход нелинейного преобразователя, поэтому сигнал генератора нужно ослабить. Для этого используем схему усилителя Рис.9:
(15)
П
ередаточная функция схемы, изображенной на рис.9 имеет вид:
В
ыбирая
соответствующие значения R>1> и R>2>,
добиваются получения нужной амплитуды
колебания. Достоинство данной схемы в
том, что она выполнена на операционном
усилителе и обеспечивает хорошую
развязку генератора и преобразователя.
Поскольку U>вых>(jω)=U>m>=1,2В, а U>вх>(jω)=U>выхген>=7,055В, то:
З
адавая
R>1>=10кОм, получаем:
Н

апряжение,
подаваемое на вход нелинейного
преобразователя, имеет вид:
Используя сток - затворную характеристику транзистора, графически определяем вид тока на выходе нелинейного преобразователя (Рис10)
Д
ля
расчета спектра тока и напряжения на
выходе нелинейного преобразователя
необходимо сделать аппроксимацию
характеристики транзистора. Так как
амплитуда входного сигнала достаточно
велика, выбираем кусочно-линейную
аппроксимацию:

По
характеристике определяем U>отс>=0,125В.
(16)
Для расчета крутизны S выбираем точку А на рис.10 U>бэ>=0,2В, I>к>=3мА, тогда крутизна:
(17)
Р
ассчитаем угол отсечки θ:

(18)
Рассчитаем значение функций Берга γ>к>(θ):
(19)
(20)

(21)
Постоянная составляющая и амплитуды гармоник спектра тока рассчитываются:
(22)
Н

апряжение на выходе нелинейного преобразователя при наличии разделительного конденсатора рассчитывается:
г
де
R>к> – сопротивление
нагрузки, R>к>=300Ом.
Спектры амплитуд тока и напряжения приведены на Рис.11.

4. РАСЧЕТ ЭЛЕКТРИЧЕСКИХ ФИЛЬТРОВ.
Для выделения колебаний заданных частот необходимо рассчитать полосовые фильтры, у частотных характеристик которых центры эффективного пропускания совпадали бы с этими частотами.
В качестве полосовых фильтров используются полиномиальные фильтры Чебышева. Каждый фильтр выделяет свою гармонику. Поскольку гармоники сигнала на выходе нелинейного преобразователя достаточно далеко разнесены по частоте, порядок фильтра получается невысоким. Частоты соседних гармоник должны попадать в полосу непропускания фильтра. Характеристика ослабления фильтра должна обладать геометрической симметрией относительно выделяемой гармоники.
Расчет полосового фильтра обычно сводят к расчету НЧ-прототипа.
Технические требования к фильтру: N=2 – номер выделяемой гармоники, U>m>> вых>=8В – выходное напряжения фильтра, ΔА=1дБ – неравномерность ослабления в полосе пропускания (ослабление полезных гармоник), А>min>=20дБ – ослабление в полосе непропускания (степень подавления мешающих гармоник), U>пит ф>=12В – напряжение питания операционного усилителя. Частота второй гармоники при частоте генерируемых колебаний 100кГц ровна 200кГц, следовательно, f>0>=200кГц.
Для определения нормированной частоты НЧ-прототипа - Ω>3>, соответствующей границе полосы эффективного непропускания (в дальнейшем ПЭН), необходимо воспользоваться зависимостями D=F(А>min>), графики которых изображены на Рис 2.12 [1]. При этом вначале по заданным значениям ΔА и А>min> определяем вспомогательную функцию D=25, а затем, задаваясь приемлемым значением порядка фильтра-прототипа n=3, для полученного значения D по Рис.2.13[1], определяем Ω>3>=1,4.
(23)
Р
ассчитаем граничные частоты полосы эффективного пропускания (в дальнейшем ПЭП) и ПЭН.
(24)
Зная соотношение для ω>0>:
Т

о,
задавшись одним из четырех неизвестных
частот, например, примем что f>3>=300
кГц, то есть ω>3>=2πf>3>=1884000
рад/с, найдем
ω′>3>:
Учитывая соотношение:
(25)
(26)
(27)
(28)

Н
айдем
ширину полосы эффективного пропускания
– Δω:
П
олучаем
систему уравнений:
Решая данную систему, получаем:
ω>2>=937464,6 рад/с
ω′>2>=1684476 рад/с
Таким образом, граничные частоты ПЭП и ПЭН принимают значения:
f>2>=ω>2>/2π=150 кГц (ω>2>=937464,6 рад/c );
f′>2>=ω′>2>/2π=268 кГц (ω′>2>=1684476 рад/с);
f>3>=ω>3>/2π=300 кГц (ω>3>=1884000 рад/с);
f′>3>=ω′>3>/2π=133,5 кГц (ω′>3>=838183рад/с).
Пользуясь таблицей 3.5 [1], по заданному ΔА и выбранному порядку находим полюсы передаточной функции НЧ-прототипа: S>1,2>=-0,494171 и S>3,4>=-0,247085±j0,965999.
Д
енормирование
и конструирование передаточной функции
искомого ПФ осуществляется в два этапа.
На первом этапе находим полюсы передаточной
функции полосового фильтра по известным
полюсам НЧ-прототипа. Для этого
воспользуемся соотношением:
где Δω/2=373506 рад/с;
ω>0>2=157,9∙1010(рад/с)2;
σ>i>+jΩ>i> – i-ый полюс передаточной функции НЧ-прототипа.
Учитывая, что одной паре комплексно-сопряженных полюсов передаточной функции НЧ-прототипа соответствует две пары комплексно-сопряженных полюсов передаточной функции полосового фильтра, рассчитаем полюса передаточной функции, воспользовавшись формулой (28):



Таблица 4
Результаты расчетов полюсов передаточной функции сведем в таблицу 4:-
Номер полюса
Полюсы Н(р) полосового фильтра
-α∙105
±jω∙105
1,2
1,84
12,43
3,4
0,89
16,65
5,6
1,18
9,43
(33)
Н
а втором этапе передаточная функция полосового фильтра может быть представлена в виде произведения четырех сомножителей второго порядка:
К
аждый
сомножитель соответствует одной паре
комплексно сопряженных полюсов.
Коэффициенты числителя и знаменателя
определяются из следующих соотношений:
Г
де
- коэффициент неравномерности ослабления
в полосе пропускания.

где α>i> и ω>i> – действительная и мнимая части i-го полюса передаточной функции полосового фильтра.

Рассчитанные коэффициенты передаточной функции запишем в таблицу 5:
-
Номер
сомножителя
Значения коэффициентов
b>i>
a>i>
a>0i>
1
607327
3,68∙105
169,4∙1010
2
607327
1,78∙105
280,4∙1010
3
607327
2,36∙105
94,5∙1010
(39)
П
ередаточная функция искомого ПФ:
К
аждый
сомножитель передаточной функции
реализуется в виде ARC-цепи
второго порядка, соответствующие звенья
соединяются каскадно в порядке возрастания
их добротностей. Для реализации полученной
функции необходимо выбрать тип звеньев,
для чего рассчитываются добротности
полюсов соответствующих сомножителей,
используя соотношение:

Из таблицы 3.6[1] по значениям Q выбираем схему 3. Передаточная функция, которой выглядит следующим образом:
(37)
Д
ля
расчета элементов звена, соответствующего
первому сомножителю Н(р), составим
систему уравнений:

(40)
З
ададимся C>6>=C>7>=C=10нФ, тогда R>1>=R>2>=1/ω>п>С, где ω>п> – частота полюса, которая определяется по формуле:
(41)
(42)
(43)
(44)
Решая систему относительно R>5>,R>3>,R>4> получим: R>5>=3кОм; R>3>=961Ом; R>4>=610Ом.
Д

ля
расчета элементов второго звена ПФ
составим систему уравнений:
Частота полюса и сопротивления R′>1> и R′>2> определяются так:
Решая систему относительно R′>5>, R′>3>, R′>4> получим: R′>5>=5,6кОм; R′>3>=249Ом; R′>4>=1,4кОм.
Для расчета элементов третьего звена ПФ составим систему уравнений:
(45)
(46)
(47)
Ч
астота
полюса и сопротивления R′′>1>
и R′′>2>
определяются так:
Р
ешая
систему относительно R′′>5>,
R′′>3>,
R′′>4>
получим: R′′>5>=4,2кОм;
R′′>3>=666
Ом; R′′>4>=1,6
кОм.
Таблица 6
Рассчитанные значения элементов звеньев ПФ запишем в таблицу 6:-
R>1>
Ом
R>2>
Ом
R>3>
Ом
R>4>
Ом
R>5>
кОм
C>6>
нФ
C>7>
нФ
1ое звено
769
769
961
610
3,0
10
10
2ое звено (′)
598
598
249
1400
5,6
10
10
3е звено (′′)
1000
1000
666
1600
4,2
10
10
Р
асчет
АЧХ и ослабления (А) производится на
основе полученной при аппроксимации
рабочей передаточной функции Н(р), путем
замены р=јω:

(51)
О
слабление фильтра связано с АЧХ выражением:
Найдем частоты ПЭП, при которых ослабление (А) и АЧХ принимают минимальные и максимальные значения. Для нахождения соответствующих частот характеристики ПФ используется формула:
г
де
Δω=747012 рад/с
– ширина ПЭП;
ω>0>=1256637,04 рад/с.
Из таблицы 3.8[1] для характеристик НЧ-прототипа выбираем Ω>к> для n=3: Ω>1>>max>=0,5; Ω>1>>min>=0; Ω>2>>max>=1; Ω>2>>min>=0,866.

Таблица 7
Используя формулы рассчитаем значения Н(јω) и А для всех выше рассчитанных частот, результаты расчета запишем в таблицу7:|
ω |
ω′>3> |
ω′>2> |
ω>min>>1> |
ω>max>>1> |
ω>0> |
ω>max>>2> |
ω>min>>2> |
ω>2> |
ω>3> |
|
ω (рад/с) |
838183 |
937464,6 |
974142 |
1083685 |
1256637 |
1457191 |
1621054 |
1684476 |
1884000 |
|
f(кГц) |
134 |
150 |
155 |
172,5 |
200 |
232 |
258 |
268 |
300 |
|
H(jω)>1> |
0,32 |
0,82 |
0,8 |
1,5 |
2,0 |
1,35 |
0,72 |
0,84 |
0,33 |
|
H(jω)>2> |
0,24 |
0,49 |
0,5 |
0,52 |
0,63 |
1,2 |
1,9 |
1,7 |
0,23 |
|
H(jω)>3> |
1,3 |
2,26 |
2,5 |
1,12 |
0,79 |
0,55 |
0,7 |
0,63 |
1,29 |
|
A>1> |
9,9 |
1,7 |
1,9 |
-3,5 |
-6,0 |
-2,6 |
2,6 |
1,5 |
9,6 |
|
A>2> |
12,4 |
6,2 |
6,0 |
5,6 |
4,0 |
-1,6 |
-5,6 |
-4,6 |
12,7 |
|
A>3> |
-2,3 |
-7,0 |
-7,9 |
-1,1 |
2,0 |
5,1 |
3,0 |
4,0 |
-2,2 |
|
H(jω)>пф> |
0,09 |
0,9 |
1 |
0,9 |
1 |
0,9 |
1 |
0,9 |
0,09 |
|
(53) A |
20 |
1 |
0 |
1 |
0 |
1 |
0 |
1 |
20 |
По результатам Таблицы 7 построим графики Рис.12 и Рис.13.


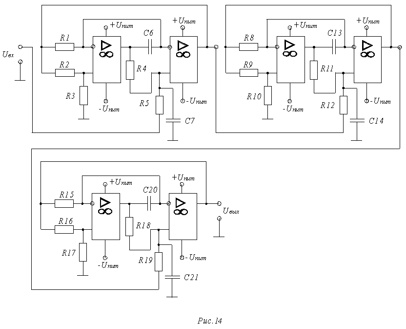
На этом расчет фильтра можно считать законченным на Рис.14 изображена схема рассчитанного фильтра.

5.РАСЧЕТ ВЫХОДНОГО КАСКАДА.
(53)
(54)
(55)
Т
ребуемое выходное напряжение устройства выделения второй гармоники U>m>>вых>=1В (амплитудное значение). Из предыдущих расчетов известно, что амплитуда напряжения второй гармоники U>2>=0,13В. Тогда амплитуда на выходе фильтра будет:
Требуемый коэффициент усиления:
В
ыбираем
схему выходного усилителя 1 из таблицы
3.7[1]:

Передаточная функция схемы изображенной на Рис.15:
Зададимся значением R>1>=3кОм, тогда:

6.ЗАКЛЮЧЕНИЕ.
В ходе данной работы было разработано устройство, вырабатывающее сетку частот схема которого приведена на странице 28. Был произведен расчет всех элементов разработанной схемы.
В ходе выполнения данной работы мною были приобретены навыки по расчету и разработке устройств связи.
7.СПИСОК ЛИТЕРАТУРЫ
1. Б. И. Крук, О. Б. Журавлева, М. И. Сметанина. Расчет элементов и узлов аппаратуры связи: Методические указания к курсовой работе. Новосибирск, 1997.
2. В. П. Бокалов, А. А. Игнатов, Б. И. Крук. Основы теории электрических цепей и электроники: Учебник для высших учебных заведений. – М.: Радио и связь, 1989.