Архитектура сотовых сетей связи и сети абонентского доступа
Санкт-Петербургский
Государственный Университет
Телекоммуникаций
им. проф. М.А.
Бонч-Бруевича
Кафедра РпдУ и СПС
KУРСОВОЙ ПРОЕКТ
на тему:
"Архитектура сотовых сетей связи и сети абонентского доступа"
Выполнил:
Студенты группы Р-88
Ковтун Алексей Николаевич
Ненашев Игорь Валентинович Преподаватель:
Бабков Валерий Юрьевич
Дата: 09.12.2002 г.
г. Санкт-Петербург
2002 г.
Содержание работы:
Введение …………………………………………………… .. 3
Основные сведения о стандарте DECT.……………………. 4
Система RLL………………….. …………………………….. 11
Система WLL ………………………………………………... 13
Структура DECT-систем…………………………………..… 14
Организация пикосотовой сети……………………………... 15
Профили приложений DECT……………………….. ……… 17
Особенности сопряжения систем DECT с внешними сетями ……………………………………………. 20
Преимущества выбора DECT …………………………...…... 21
Основные сведения о стандарте GSM-900……….. ……….. 23
Интерфейсы стандарта GSM-900…………………………… 32
Структура служб и передача данных в стандарте GSM-900……………………………………………………….. 34
Телеслужбы стандарта GSM-900……………………………. 35
Структура TDMA кадров.…………………………………….. 37
Принципы построения макросотовых систем……………... 42
Стандарт GSM-1800…………………………………………... 48
Широкополосные сети абонентского доступа…………….…………………………………………. 50
Эволюция сетей проводного абонентского доступа………. 52
От аналогового модема к ADSL……………………………. 54
Миграция к ADSL при наличии в сети доступа ЦСПАЛ…. 59
От IDSN к ADSL……………………………………………… 60
От HDSL к ADSL……………………………………………... 61
От IDSL к ADSL………………………………………………. 61
Возможности собственной эволюции ADSL от доступа к Интернет к предоставлению полного набора сетевых услуг……………………………………………………………. 63
От ADSL к VDSL……………………………………………… 65
Подключение абонентов с помощью оптоволокна………….. 66
Список использованной литературы…………………………. 68
Введение.
В данном курсовом проекте необходимо рассмотреть вопросы планирования и взаимодействия сетей сотовой связи. Это будет проиллюстрировано на примерах: построение сетей пикосотовой архитектуры будет рассмотрено на примере стандарта DECT; построение сетей микросотвой архитектуры будет рассмотрено на примере стандарта GSM-1800; построение сетей макросотовой архитектуры будет рассмотрено на примере стандарта GSM-900.
Также будут рассмотрены сети широкополосного абонентского доступа.
Основные сведения о стандарте DECT.
Стандарт DECT (Digital European Cordless Telecommunications) был опубликован Европейским институтом стандартизации электросвязи (European Telecommunications Standards Institute і ETSI) в 1992 г., а первые коммерческие продукты, соответст-вующие этому стандарту, появились в 1993 г. Первоначально они представляли собой в основном средства для построения беспроводных учрежденческих автоматических телефонных станций (УАТС), пользователи которых могли связываться между собой в пределах учреждения с помощью переносных телефонов, а также обычные домашние бесшнуровые телефонные аппараты. Некоторые производители создали оборудование для беспроводных ЛВС, поддерживающее DECT.
Позднее появились другие приложения DECT, которые начали разрабатываться еще в процессе определения стандарта. В их состав вошли: средства RLL; системы, обеспечивающие беспроводный доступ к ресурсам сетей общего пользования для абонентов с ограниченной мобильностью (Cordless Terminal Mobility - CTM); средства, позволяющие аппаратуре DECT работать с сотовыми сетями (например, GSM). Эти приложения открыли широкие возможности перед операторами как проводных, так и беспроводных сетей связи.
Таблица 1. Технические характеристики DECT
|
Рабочий спектр |
1880..1900 MГц |
|
Количество частот |
10 |
|
Разнос частот |
1,728 MГц |
|
Метод доступа |
MC/TDMA/TDD |
|
Число каналов на одну частоту |
24 (12 дуплексных каналов) |
|
Длительность фрейма |
10 ms |
|
Скорость передачи |
1,152 Mbps |
|
Метод модуляции |
GMSK (BT = 0,5) |
|
Сжатие голоса |
ADPСM (G.721) |
|
Выходная мощность |
10 мВт (средняя) |
DECT является стандартом радиодоступа, поддерживающим широкий набор экономичных средств предоставления коммуникационных услуг. Данный стандарт разрабатывался в соответствии с семиуровневой моделью взаимодействия открытых систем (OSI/ISO) и состоит из девяти частей, описывающих его обязательные и факультативные элементы. Обязательные элементы стандарта гарантируют возможность "сосуществования" систем связи на одной территории при отсутствии координации их работы и позволяют избежать планирования частот, что необходимо в обычных сотовых сетях.
По своему желанию производители могут поддерживать отдельные факультативные элементы стандарта DECT для построения систем голосовой телефонии, доступа к сети ISDN и передачи данных. В целях обеспечения взаимодействия различных приложений DECT институтом ETSI стандартизуется ряд совокупностей параметров, так называемых профилей (profiles). Одним из подобных профилей является унифицированный профиль доступа (Generic Access Profile - GAP), определяющий функционирование портативных телефонных аппаратов и базовых станций DECT для всех приложений голосовой связи. Другой профиль: профиль интерфейса GSM (GSM Interface Profile - GIP) определяет взаимодействие аппаратуры DECT и сетей GSM. По существу, GIP - это профиль GAP с небольшими дополнениями по взаимодействию с GSM.
Стандарт DECT разрабатывался для удовлетворения потребностей сложной системы радиосвязи - беспроводной УАТС. Среда беспроводной УАТС характеризуется высокой плотностью трафика и строгими требованиями пользователей к качеству и конфиденциальности (для чего необходимо шифрование радиосигнала) связи. Беспроводные телефонные системы DECT осуществляют кодирование речи методом адаптивной дифференциальной импульсно-кодовой модуляции (Adaptive Differential Pulse Code Modulation - ADPCM), позволяющим передавать оцифрованную речь на скорости 32 Кбит/с. Это значительно большая частота следования битов, чем, например, аналогичная частота, предусмотренная в любом из мировых стандартов цифровой сотовой связи. Она обеспечивает качество передачи речи такое же, как у обычного телефона. Системы DECT реализуют незаметное (автоматическое) переключение абонента на ближайшую базовую станцию при его перемещении из зоны обслуживания одной базовой станции в зону обслуживания другой, что позволяет избежать разрывов связи.
Разрабатывавшийся для беспроводных УАТС, DECT оказался подходящим и для домашних, а также местных локальных телефонных систем. Стандарт поддерживает также различные службы передачи данных и обеспечивает взаимодействие с сетью связи фактически любого другого типа.
Системы DECT работают в частотном диапазоне 1880-1900 МГц, который разбит на десять частотных каналов, и, следовательно, являются мультичастотными (МС). В каждом частотном канале данные передаются в 24 циклически повторяющихся временных интервалах или тайм-слотах (множественный доступ с разделением времени - TDMA). В первой половине этих тайм-слотов осуществляется передача информации от базовой станции к портативным устройствам, а во второй половине, в обратном направлении (дуплекс с разделением времени - TDD)(рис.1). Система DECT, таким образом, может быть определена как MC/TDMA/TDD. Каждый из речевых каналов использует пару тайм-слотов, что означает возможность применения 120 (10 несущих частот x 12 тайм-слотов) речевых каналов .
Рис.1
Разнесение частот и каналов в стандарте
DECT.
Механизм выбора каналов, известный как непрерывный динамический выбор канала (Continuous Dynamic Channel Selection - CDCS), позволяет системам функционировать "бок о бок" при отсутствии координирования их работы. Суть этого механизма заключается в том, что каналы выбираются динамически из всего набора каналов по таким показателям, как качество прохождения сигнала и уровень помех. Причем канал не закрепляется за соединением на все время, он может меняться по мере необходимости. Происходит это следующим образом:
Каждая БС непрерывно сканирует приемные таймслоты всех 120 каналов, измеряет уровень принятого сигнала (RSSI — Received Signal Strength Indicator) и выбирает канал с минимальным уровнем (свободный канал без помех). В этом канале БС излучает служебную информацию, которая, в числе прочих, содержит данные:
для синхронизации АС;
об идентификаторе системы;
о возможностях системы;
о свободных каналах;
пейджинговую.
Анализируя эту информацию, АС находит свою БС и прописывается к ней. При выходе из зоны действия одной БС происходит поиск следующей. Таким образом, АС всегда прописан к той или иной БС своей или дружественной системы. Далее АС синхронно с БС начинает непрерывно сканировать все 120 приемных таймслотов и измерять силу сигнала в каждом из них. Номера каналов с наименьшими RSSI заносятся в память. Одновременно в памяти находятся не менее двух таких каналов.
При необходимости организации исходящей связи АС направляет запрос БС, в которой она в данный момент прописана, предлагая установить связь в одном из свободных, с точки зрения АС, каналов. Если этот канал отвергается БС, то АС предлагает следующий из списка свободных. После согласия БС на установление соединения по одному из предложенных каналов происходит обмен сигнализационной и другой служебной информацией, а затем установление соединения и разговор.
Организация входящей связи осуществляется аналогичным образом. АС непрерывно анализирует "пейджинговое" сообщение на наличие «своего» входящего вызова. После распознавания входящего вызова АС посылает запрос на установление связи в одном из свободных каналов. Таким образом, выбор канала для установления соединения происходит динамически и только по инициативе и под управлением АС.
Любое из портативных устройств стандарта DECT в принципе имеет доступ к любому каналу (как к частотному, так и к временному). Когда необходимо установить соединение, портативное устройство связи DECT выбирает канал, обеспечивающий наиболее качественную связь. После того как соединение установлено, данное устройство продолжает анализировать диапазон, и если обнаруживается канал, гарантирующий лучшее качество связи, то переключает соединение на него.
Если в процессе соединения новый канал запрашивается у той же БС, то переход называется "intercell handover", а если у другой БС — то "intracell handover". Этот механизм называется непрерывным динамическим распределением каналов (CDCA).
Хендовер в DECT системе происходит мягким способом. Это значит, что во время хендовсра между АС и системой одновременно работают два канала: «старый» и «новый». В какой-то момент времени информация между АС и системой передается одновременно по обоим каналам. Только после успешного перехода на «новый» канал происходит деактивация «старого». Надо отметить, что хендовер происходит не только при ухудшении качества связи или при разрыве соединения, но и в том случае, когда АС находит лучший с его точки зрения канал. Таким образом, для соединения всегда используется лучший свободный канал
Благодаря применению CDCS в системах DECT не требуется планирования частот: решение этой проблемы, фактически, перекладывается на портативное устройство связи. Данное обстоятельство делает инсталляцию систем простой процедурой, а также позволяет увеличивать общее число каналов путем простого добавления, где это необходимо, новых базовых станций.
Хэндовер в DECT – это механизм ухода от каналов, подверженных воздействию помех, или каналов с низким уровнем сигнала. Однако хэндовер происходит недостаточно быстро, чтобы противодействовать ситуациям быстрого замирания. Для борьбы с быстрыми интерференционными замираниям (БИЗ) стандартом DECT предусматривается механизм пространственного разнесенного приема. БИЗ возникают в результате интерференции нескольких лучей в точку приема, которая перемещается относительно БС. В результате чего меняется разность хода между этими лучами и, как следствие этого, уровень суммарного сигнала претерпевает колебания, которые могут достигать 30 и более дБ. При использовании двух пространственно разнесенных антенн разность хода лучей от каждой из них в точке приема будет различной. В офисных и WLL системах к каждой БС подключаются две коммутируемые пространственно разнесенные в горизонтальной плоскости антенны, причем разнос антенн в офисных системах приблизительно равен (длине волны), а в WLL системах – 10 . Поэтому эффективность этого метода в офисных системах сказывается при малых удалениях. В системах WLL АС стационарны и причина замираний заключается в воздействии эффекта рефракции на разность хода прямого и отраженного лучей. Из теории известно, что при разносе антенн на 10 и более суммарные сигналы, принимаемые каждой из антенн практически не коррелированны. Переключение антенн и выбор рабочего канала происходит под управлением АС.
Стандарт DECT предусматривает ряд функций защиты, включая шифрование радиосигнала и аутентификацию портативных устройств связи. Система идентификации устройств DECT позволяет одному и тому же устройству связи осуществлять доступ к нескольким различным системам (например, к базовой станции обычного домашнего телефона, УАТС и к системе общего доступа), а также одной базовой станции обеспечивать доступ к различным системам связи. При подобной организации несколько служб могут совместно использовать одну и ту же инфраструктуру связи, что весьма привлекательно с экономической точки зрения.
Перечень штатных услуг и процедур по обеспечению безопасности в системах стандарта DECT включает в себя:
прописку АС;
аутентификацию АС;
аутентификацию БС;
взаимную аутентификацию АС и БС;
аутентификацию пользователя;
шифрование данных
Прописка – это процесс, благодаря которому система допускает конкретный АС к обслуживанию. Оператор сети или сервис-провайдер обеспечивает пользователя АС секретным ключом прописки (PIN-кодом), который должен быть введен как в БС, так и в АС до начала процедуры прописки. До того, как трубка инициирует процедуру фактической прописки, она должна также знать идентификатор БС, в которую она должна прописаться (из соображений защищенности процедура прописки может быть организована даже для системы с одной БС). Время проведения процедуры обычно ограничено, и ключ прописки может быть применен только один раз, это делается специально для того, чтобы минимизировать риск несанкционированного использования.
Прописка в DECT может осуществляться “по эфиру”, после установления радиосвязи с двух сторон происходит верификация того, что используется один и тот же ключ прописки. Происходит обмен идентификационной информацией, и обе стороны просчитывают секретный аутентификационный ключ, который используется для аутентификации при каждом установлении связи. Секретный ключ аутентификации не передается по эфиру. АС может быть прописан на нескольких базовых станциях. При каждом сеансе прописки, АС просчитывает новый ключ аутентификации, привязанный к сети, в которую он прописывается. Новые ключи и новая информация идентификации сети добавляются к списку, хранящемуся в АС, который используется в процессе соединения. Трубки могут подключиться только к той сети, в которую у них есть права доступа (информация идентификации сети содержится в списке).
В процессе аутентификации любого уровня используется криптографическая процедура ''запрос-ответ'', позволяющая выяснить, известен ли проверяемой стороне аутентификационный ключ.
Аутентификация АС - позволяет предотвратить её неправомочное использование (например, с целью избежать оплаты услуг) или исключить возможность подключения похищенной или незарегистрированной АС.
Аутентификация происходит по инициативе БС при каждой попытке установления соединения (входящего и исходящего), а также во время сеанса связи. Сначала БС формирует и передает запрос, содержащий некоторый постоянный или сравнительно редко меняющийся параметр (64 бита), и случайное число (64 бита), сгенерированное для данной сессии.
Затем в БС и АС по одинаковым алгоритмам с использованием аутентификационного ключа К вычисляется так называемый аутентификационный ответ (32 бита). Этот вычисленный (ожидаемый) ответ в БС сравнивается с принятым от АС, и при совпадении результатов считается, что аутентификация АС прошла успешно.
Аутентификация БС - исключает возможность неправомочного использования станции. С помощью этой процедуры обеспечивается защита служебной информации (например, данных о пользователе), хранящейся в АС и обновляемой по команде с БС. Кроме того, блокируется угроза перенаправления вызовов абонентов и пользовательских данных с целью их перехвата. Алгоритм аутентификации БС аналогичен последовательности действий при аутентификации АС.
Взаимная аутентификация может осуществляться двумя способами:
При прямом методе последовательно проводятся две процедуры аутентификации АС и БС;
Косвенный метод в одном случае подразумевает комбинацию двух процедур - аутентификации АС и шифрования данных (поскольку для шифрования информации необходимо знание аутентификационного ключа К), а в другом - шифрование данных с использованием статического ключа SCK (Static Cipher Key), известного обеим станциям.
Аутентификация пользователя - позволяет выяснить, знает ли пользователь АС свой персональный идентификатор. Процедура инициируется БС в начале вызова и может быть активизирована во время сеанса связи. После того, как пользователь вручную наберет свой персональный идентификатор UPI (User Personal Identity), и в АС с его помощью будет вычислен аутентификационный ключ К, происходит процедура, аналогичная последовательности действий при аутентификации АС.
Аутентификационный ключ - во всех описанных процедурах аутентификационный ответ вычисляется по аутентификационному запросу и ключу аутентификации К в соответствии со стандартным алгоритмом (DSAA-DECT Standard Authentication Algorithm) или любым другим алгоритмом, отвечающим требованиям безопасности связи. Алгоритм DSAA является конфиденциальной информацией и поставляется по контракту с ETSI. Использование другого алгоритма будет ограничивать возможности абонентских станций, так как возникнут трудности при роуминге в сетях общего пользования DECT.
Аутентификационный ключ К является производной от одной из двух величин или их комбинаций, приведенных ниже.
Абонентский аутентификационный ключ UAK (User Authentication Key) длиной до 128 бит. UAK является уникальной величиной, содержащейся в регистрационных данных пользователя. Он хранится в ПЗУ абонентской станции или в карточке DAM (DECT Authentication Module).
Аутентификационный код АС (Authentication Code) длиной 16-32 бита. Он может храниться в ПЗУ абонентской станции или вводиться вручную, когда это требуется для проведения процедуры аутентификации.
Необходимо отметить, что нет принципиальной разницы между параметрами UAK и АС. Последний обычно используется в тех случаях, когда требуется довольно частая смена аутентификационного ключа.
Персональный идентификатор пользователя UPI (User Personal Identity) длиной 16-32 бита. UPI не записывается в устройства памяти абонентской станции, а вводится вручную, когда это требуется для проведения процедуры аутентификации. Идентификатор UPI всегда используется вместе с ключом UAK.
Шифрование данных - обеспечивает криптографическую защиту пользовательских данных и управляющей информации, передаваемых по радиоканалам между БС и АС.
В АС и БС используется общий ключ шифрования СК (Cipher Key), на основе которого формируется шифрующая последовательность KSS (Key Stream Segments), накладываемая на поток данных на передающей стороне и снимаемая на приемной. KSS вычисляется в соответствии со стандартным алгоритмом шифрования DCS (DECT Standard Cipher) или любым другим алгоритмом, отвечающим требованиям криптографической стойкости. Алгоритм DSC является конфиденциальной информацией и поставляется по контракту с ETSI.
В зависимости от условий применения систем DECT могут использоваться ключи шифрования двух типов: вычисляемый – DCK (Derivation Cipher Key) - и статический – SCK (Static Cipher Key). Статические ключи SCK вводятся вручную абонентом, а вычисляемые DCK обновляются в начале каждой процедуры аутентификации и являются производной от аутентификационного ключа К. В ПЗУ абонентской станции может храниться до 8 ключей.
Статический ключ обычно используется в домашних системах связи. В этом случае SCK является уникальным для каждой пары ''абонентская /базовая станция'', формирующей домашнюю систему связи. Рекомендуется менять SCK один раз в 31 день (период повторения номеров кадров), иначе риск раскрытия информации существенно возрастает.
В Европе DECT является обязательным стандартом, частотный диапазон DECT во всех странах-участницах Европейской конференции администраций почт и электросвязи (CEPT) зарезервирован исключительно для систем поддерживающих этот стандарт.
Емкость (показатель, учитывающий напряженность абонентского трафика, ширину используемого частотного диапазона и площадь покрытия, в Эрланг/МГц/км2) систем DECT выше, чем у других цифровых систем мобильной связи и составляет 500 Эрланг/МГц/км2 (этот показатель для систем на базе стандартов GSM и DCS-1800 равен соответственно 10 и 100), другими словами, такая пропускная способность позволяет одновременно вести 10 000 разговоров на 1 квадратном километре .
Система RLL.
Использование радио в качестве альтернативы медному кабелю для доступа к сети обретает все большую популярность. Первые системы, основанные на сотовой технологии, начали эксплуатироваться в начале 90-х годов. Сегодня всем очевидны преимущества этого вида связи в отношении быстроты подключения абонентов, а также низкой стоимости установки и функционирования соответствующих систем. Похоже, в ближайшее время системы местной радиосвязи (Radio in the local loop - RLL) получат широкое распространение.
Системы RLL привлекательны как для относительно давно действующих операторов кабельных сетей, так и для новых конкурирующих с ними компаний, которые предоставляют услуги сетей связи.
Там, где кабельные сети не получили большого распространения, системы RLL могут быть использованы для подключения к глобальным сетям большого числа новых абонентов за значительно более короткое время по сравнению со временем, необходимым для развертывания кабельной сети. Но в то же время местная радиосвязь может играть значительную роль и в местах с развитой кабельной инфраструктурой связи. Давно действующие операторы кабельных сетей могут использовать системы RLL для предоставления своим абонентам дополнительных линий передачи данных, например для факсимильной или модемной связи, без наращивания кабельной системы связи.
Конкурирующие с ними новые поставщики услуг сетей связи также могли бы использовать технологию RLL для подключения абонентов. Основное преимущество здесь в том, что оператору нет необходимости знать, где будут находиться его клиенты. Недавно появившийся оператор может ожидать, что, скажем, 10-15% абонентов телефонных сетей, находящихся на данной территории, перейдут на новое обслуживание, однако точно определить их он не в состоянии. Используя технологию RLL, оператор способен минимизировать предварительные затраты на обеспечение обслуживания потенциальных абонентов. Весомая часть сетевой инфраструктуры может быть установлена (и оплачена) при подключении абонента к сети. В этой ситуации система RLL - наиболее экономичное средство, обеспечивающее обслуживание абонентов.
Системы RLL, соответствующие стандарту DECT, оптимизированы для городских и пригородных территорий, где плотность абонентов довольно высока. При использовании направленных антенн (на обоих концах радиоканала) эффективная дальность действия базовой станции увеличивается до 5 км. Узел доступа DECT (базовая станция RLL) содержит некоторое число направленных антенн обычно расположенных таким образом, чтобы охватить все направления (в горизонтальной плоскости). Вместо бесшнуровых телефонов абоненты системы RLL применяют стационарные устройства доступа, которые оснащены направленными антеннами, наведенными на ближайший узел доступа DECT. К стационарному устройству доступа могут быть подключены телефоны, факсимильные аппараты, модемы и другие средства.
Недавно ETSI были определены дополнения к стандарту DECT, включающие увеличенную преамбулу и улучшенный механизм синхронизации, благодаря которым повысится стабильность параметров сигналов DECT при их распространении на большие расстояния и при отражениях. Эти дополнения призваны сделать стандарт DECT более подходящим для систем связи, работающих вне помещений, включая средства RLL.
В условиях средней и большой плотности абонентов системы RLL, соответствующие стандарту DECT, становятся более экономически выгодными, чем сотовые. "Критической" точкой здесь является плотность 20 абонентов на 1 кв. км. Одна из причин этого кроется в формате TDMA, использованном в DECT, который позволяет одному радиопередатчику поддерживать одновременно до 12 соединений. Такого не предусматривает ни одна другая цифровая сотовая или бесшнуровая технология связи.
В целом можно сказать, что системы RLL, соответствующие стандарту DECT, лучше других подходят для работы в условиях средней или высокой плотности абонентов - либо в городах, либо в сельской местности, где число абонентов может быть и невелико, однако плотность их размещения довольно высока. Эти системы подойдут также абонентам, которые сейчас или в будущем захотят использовать линии связи для передачи данных или для работы с сетью ISDN.
Система WLL.
Для операторов, предоставляющих услуги связи особый интерес представляет использование DECT в беспроводных местных сетях связи (Wireless Local Loop - WLL). Речь идет об организации «последней мили» подключения абонентов к телекоммуникационным сетям общего пользования. Такое решение может быть использовано как в городских условиях, так и поселках и деревнях. При этом, для полноценного использования возможностей DECT, желательно наличие мест с достаточно высокой плотностью абонентов. Для WLL-систем не всегда удобно подключать устройства доступа в проводном варианте.
Важным свойством WLL-cистем является малое время развертывания. Это, в частности, связано с тем, что отпадает необходимость в рытье траншей, укладывании кабеля, а также внутренней разводке телефонных проводов в здании.
Структура DECT – систем.
Типовая архитектура простейшей DECT-системы приведена на рис. 2.

Рис. 2 Архитектура простейшей DECT-системы.
Контроллер предназначен для сопряжения системы DECT с внешними сетями, например, городской и/или учрежденческой АТС. При этом ЦКС, как правило, обеспечивает преобразование протоколов сигнализации между АТС и системой DECT. В некоторых случаях для этих целей используются специальные устройства – конвертеры протоколов. Кроме того, в ЦКС осуществляется преобразование речевой информации ADPCM PCM при сопряжении по цифровым интерфейсам и ADPCM аналоговый сигнал при сопряжении по аналоговым интерфейсам.
БС – Базовая станция (в иностранной литературе они называются – Radio Fixed Part) обеспечивают требуемое радиопокрытие. БС подключается к контроллеру по одной или двум парам проводов. Базовая станция представляет собой приемопередатчик, обеспечивающий одновременную работу по 4 – 12 каналам, работающий на две пространственно разнесенные антенны. БС выполняются в двух вариантах – для внутреннего и наружного размещения.
УД – Устройства доступа представляют собой мобильную трубку или стационарный абонентский терминал, который иногда именуется «радиорозеткой».
Для увеличения зоны покрытия базовой станции может также применятся ретранслятор (репитер).
Организация
пикосотовой сети.
Как было сказано, в DECT отсутствует частотное планирование, но есть территориальное. Это значит, что необходимо рассчитать зону уверенного приёма сигналов БС и АС в зависимости от состояния и рельефа местности. DECT относится к пикосотовым системам, следовательно, радиусы сот в городе, как правило не превышают 300-500 м, а сами соты ограничены окружающими зданиями. Внутри зданий зона действия БС ещё меньше и обычно составляет несколько десятков метров (длина коридора). В сельской местности, где препятствий на пути распространения радиоволн меньше, дальность связи может возрасти до нескольких километров.
При
развёртывании системы определяют
необходимое число БС и места их размещения
на местности. Количество БС влияет на
общую стоимость системы, на качество
радиопокрытия обслуживаемой территории
и способность системы обеспечить
требуемый трафик. Анализ двух последних
параметров помогает определить
оптимальное число БС, причём в одном
случае главным параметром может оказаться
зона охвата радителефонной связью, в
другом – обеспечение
трафика.
Структура пикосотовой
сети включает в себя компоненты: базовые
станции, управляющие работой всей
системы в целом, абонентские терминалы
(мобильные телефоны или стационарные
аппараты). Базовые станции (БС) через
соответствующий интерфейс подключаются
к учрежденческой мини - АТС. При этом
используется цифровой канал связи
стандарта DECT. Учрежденческая АТС в свою
очередь подключается к городской
телефонной сети. При этом используется
аналоговая абонентская линия либо
цифровой канал связи. Для организации
пикосотовой сети на определенной
территории базовые станции устанавливаются
с таким расчетом, чтобы они могли
обеспечить радиосвязью всю территорию.
Базовые станции устанавливаются
последовательно на расстоянии от 100 до
600 метров друг от друга (в помещениях
дальность действия базовой станции
обычно около 50 метров). Такое расположение
базовых станций позволяет абонентам
сети всегда и в любом месте через
ближайшую БС иметь доступ к радиосвязи.
Во время связи абонент может перемещаться
из зоны действия одной БС в зону действия
другой БС, при этом связь не разрывается
и трубка будет сама выбирать наименее
зашумленный свободный канал. Развитие
сети может планироваться произвольно:
частотное планирование отсутствует,
сеть расширяется путем включения новых
базовых станций и трубок. Сеть DECT может
охватывать территорию от квартиры до
большого города. Аппаратура DECT наименее
безопасна для здоровья. Максимальная
излучаемая мощность-10мВт (для сравнения:
в GSM мощность достигает 2Вт). В качестве
примера на рисунке 3 показана карта зоны
обслуживания города Тольятти.
Телефонная
компания "Аист" смонтировала и
запустила в эксплуатацию сеть технологии
DECT на 3000 абонентов. Для этого смонтировано
7 базовых станций на территории города
Тольятти. До конца года будет смонтировано
еще 10 базовых станций и количество
абонентов будет доведено до 9000. Всего
планируется установить 64 базовых станций
на 32 000 абонентов.

Рис.3 Зона обслуживания обеспеченная стандартом DECT в городе Тольятти.
Профили приложений DECT.
В профилях приложений содержатся дополнительные спецификации, определяющие как эфирный интерфейс DECT должен быть использован в конкретных приложениях. Стандартные сообщения и суб-протоколы были созданы из набора средств базового стандарта и подстроены под конкретные приложения с целью обеспечения максимальной совместимости оборудования DECT от разных производителей. Помимо самих профилей ETSI также разработал спецификации тестов на соответствие профилю, позволяющие проводить всестороннее тестирование оборудования DECT, претендующее на удовлетворение требованиям профиля.
Профили приложений определяют дополнительную спецификацию протокольного стека DECT для конкретных приложений. Хотя базовый стандарт DECT, определенный в ETS 300 175, обеспечивает возможность реализации широкого спектра услуг, основная цель профилей приложения — обеспечить совместимость оборудования разных производителей. Существуют следующие основные профили DECT, определенные ETSI:
GAP (Generic Access Profile);
CAP (CTM Access Profile);
IAP и IIP (DECT/ISDN Interworking profiles);
GIP (DECT/GSM Interworking Profile);
DSP (Data Service Profile);
RAP (Radio Local Loop Access Profile);
DMAP (DECT Multimedia Access Profile);
DPRS (DECT Packet Radio Services).
GAP как основной профиль доступа был разработан для таких приложений DECT как домашние и офисные системы. GAP является главным профилем доступа DECT, предназначенным для использования в системах, поддерживающих телефонные услуги независимо от типа присоединенной сети. Он определяет минимум необходимых требований к АС и БС, обеспечивающих их совместимость. В GAP определены процедуры для установления и разрушения входящих и исходящих соединений, для поддержания мобильности, включая роуминг.
Хотя стандарт DЕCT определяет технологию радиодоступа, обеспечивающую мобильность, в нем не рассмотрены сетевые аспекты системы. Поэтому технология DECT может быть использована для доступа в любые сети. GIP описывает способ подключения сетей DECT к сети GSM. Такой доступ обеспечивается интерфейсом А сети GSM (к МSС). При этом сеть GSM воспринимает DECT как систему базовых станций (ВSС).
Использование этого профиля обеспечивает два преимущества. Во-первых, появилась возможность строительства мобильных сетей DECT на основе наземной инфраструктуры сетей GSM. При этом существенно снижаются затраты на создание инфраструктуры сете DECT поскольку сети GSM имеют практически глобальное распространение и постоянно увеличивают охват территорий. Во - вторых, для операторов сетей GSM появилась возможность использования дуальных мобильных терминалов GSM/DECT для увеличения трафика, так как сети DECT поддерживают очень высокую плотность трафика. Сети, построенные на основе DECT и GSM, обладают такими качествами, как высокая плотность трафика для малоподвижных абонентов в местах наибольшего скопления абонентов за счет подсистемы базовых станций DЕCT, большая площадь радиопокрытия и высокая мобильность за счет подсистемы базовых станций GSM.
В настоящее время рассматривается другой способ взаимодействия сетей GSM и DEСТ через ISDN сети. Этот подход основан на протоколе DSS1+, являющимся расширением протокола DSS1.
При разработке протоколов стандарта DECT был учтен богатый опыт, накопленный при создании протоколов для сетей ISDN. Поэтому предполагается тесное взаимодействие ISDN и DECT. Такое взаимодействие определяется профилями IАР и IIP. Оба профиля поддерживают одинаковый набор услуг. Основное отличие между ними заключается в способе соединения.
Первый из них ориентирован на доступ к услугам сети ISDN посредством стандартного терминала DECT. При этом со стороны сети ISDN терминал DECT виден как обычный терминал ISDN с соответствующими возможностями. Преимущества данного профиля заключаются в том, что для получения услуг ISDN используется только один трафиковый канал DECT. Информационный канал ISDN (В канал) шириной 64 кБит/с передается в канал «данных пользователя» DECT путем преобразования кодирования РСМ в ADРCM. Очевидно, что этот профиль может обслуживать только речевые терминалы.
Второй профиль (IIP) называется профилем промежуточной системы и используется для подключения стандартного терминала ISDN к сети ISDN посредством радиоинтерфейса DECT. При этом появляется возможность подключения и терминалов передачи данных на скорости до 64 кбит/с. Недостатком этого профиля является неэффективное использование радиоспектра. Для организации информационного канала используются два трафиковых канала DECT. Кроме того, для отображения канала сигнализации (D канала ISDN) выделяется еще один канал. Таким образом, для одного соединения используются 3 трафиковых канала DECT.
В рамках этого профиля возможна организация стандартной канальной структуры 2B+D базового доступа ISDN путем выделения 5 трафиковых каналов DECT. При этом DECT обеспечивает стандартное сетевое окончание ISDN с интерфейсом SO. Преимуществом данного профиля является возможность использования любого стандартного терминала ISDN, в том числе и терминалов передачи данных.
Для систем абонентского радиодоступа (WLL) на основе технологии DECT разработан профиль RAP. RAP определяет протоколы и методы предоставления услуг сетей общего пользования конечным пользователям с использованием технологии DECT. RAP определяет два типа сервиса:
базовые телефонные услуги, включая передачу данных с помощью модемов на скоростях вплоть до V.34;
широкополосные услуги, включая ISDN и передачу данных с коммутацией пакетов.
Услуги предоставляются через стандартную АС DECT, аналогично ISDN.
В связи с тем, что WLL на основе DECT пользуются большой популярностью в мире, в ETSI рассматривается вопрос о расширении возможностей стандарта DECT по поддержке удаленных терминалов (более 5 км). На данный момент предлагается механизм "усовершенствованной схемы синхронизации", обеспечивающий связь на расстояниях до 16 км. Достоинство этого предложения заключается в сохранении совместимости с существующими системами. Таким образом, DECT является очень привлекательной технологией для создания систем WLL с точки зрения экономической эффективности, простоты планирования, монтажа и эксплуатации.
Для построения сетей доступа на основе технологии DECT определен профиль доступа в сети мобильных терминалов (СТМ). СТМ обеспечивает роуминг терминалов между сетями доступа DECT. В местах, где обеспечивается радиопокрытие DECT системой (домашней, офисной или общего пользования), беспроводный телефон может обслуживать как входящие, так и исходящие вызовы. При этом мобильный терминал регистрируется только в одной системе с одним телефонным номером. Таким образом, обеспечивается связь в любом месте, где присутствует DECT система. Причем для терминала во всех сетях сохраняется один и тот же сетевой номер, поэтому входящие звонки не теряются.
Основное отличие CAP от GIP заключается в том, что СТМ обеспечивает мобильность не только в пределах сети GSM, но может взаимодействовать с любой сетью, поддерживающей мобильность. Примерами таких сетей являются сети ISDN с расширением поддержки мобильности (протокол DSSI+) и сети ОКС-7 (INAP и MAP).
Надо отметить, что CAP является надмножеством GAP, что обеспечивает совместимость с GAP терминалами, т.е. сохраняется преемственность между GAP и CAP.
Интеграция DECT систем с сетями передачи данных (СПД) обеспечивает пользователям СПД новое качество — мобильность. Taк как существует большое разнообразие СПД, то ETSI определил ряд профилей передачи данных DSP, которые отличаются по предоставляемым услугам и степени мобильности. По степени мобильности профили подразделяются на два класса:
без поддержки мобильности в пределах одной БС;
с поддержкой мобильности в частных сетях и сетях общего пользования.
По предоставляемым услугам профили передачи данных делятся на 6 типов:
низкоскоростная передача данных с frame relay (до 24,6 кБит/с);
высокоскоростная передача данных с frame relay (до 552 кБит/с, в будущем - до 2 МБит/с);
передача данных на основе коммутации пакетов;
прозрачная передача данных;
передача коротких сообщений с/без подтверждения;
услуги телесервиса (например, FAX).
DMAP разработан в первую очередь для организации беспроводного доступа в сети Internet через ISDN сети и поддержания речевых терминалов и терминалов передачи данных DECT. Поэтому базируется DMAP на протоколах ISDN, GAP и DSP.
Этот профиль тесно связан с компьютерной технологией, в частности ноутбуками. Потому для обеспечения совместимости и упрощения доступа в терминале эмулируется клиент САРI (v. 1.1/2.0), а в базовой станции — сервер САРI.
DPRS создает основу для сопряжения всех услуг беспроводной пакетной передачи данных, которые предоставляются через интерфейс DECT, независимо от того, в каком приложении (домашний сектор, домашний офис, малый офис, корпоративный сектор, системы общего пользования) используется этот продукт, и, следовательно, значительно подтолкнет развитие рынка DECT-продуктов передачи данных.
Особенности сопряжения систем DECT с внешними сетями.
Как уже неоднократно отмечалось выше, стандарт DECT – это одно из последних достижений в области цифровой связи. Наиболее эффективно системы DECT работают при сопряжении именно с цифровыми сетями. Однако, на данный момент достаточно типичной является ситуация, когда оборудование DECT необходимо подключать по аналоговым абонентским линиям. Особенно это характерно для домашних радиотелефонов и офисных систем небольшой емкости. Следует отметить, что и для систем WLL в России в настоящий момент следует ориентироваться на аналоговые АЛ. Структура коммутационного оборудования ГАТС в целом по России такова, что только около 32 % АТС цифровые, а 50 % - координатные и 18 % еще декадно – шаговые. Кроме того, большое многообразие типов СЛ отечественных АТС и вполне определенные, характерные для импортного оборудования, протоколы сопряжения систем DECT с внешними сетями (R2, V5.1, V5.2, EDSS-1 и для отдельных систем 2-х проводные АЛ) вызывают необходимость использования конвертеров и протоколов.
Правильный выбор комплекса оборудования: конвертер протоколов и система DECT, позволяет оптимизировать показатель цена – качество. Практика развертывания различного рода систем показала, что из большого числа имеющихся на рынке конвертеров протоколов наиболее перспективными являются решения на базе коммутатора «Гранит – К».
Преимущества выбора DECT.
Качество проводной линии связи - 32k ADPCM
Самая высокая скорость передачи данных среди всех TDMA-стандартов
Возможность создания различных систем на основе DECT:
- домашние бесшнуровые многотрубочные системы, которые также подходят для малого офиса,
- микросотовые беспроводные корпоративные системы (офисные и учрежденческие АТС с радиодоступом),
- микросотовые системы общего пользования (СТМ),
- системы фиксированного радиодоступа (WLL) и др.
Сосуществование различных некоординируемых DECT-систем в общем частотном диапазоне без необходимости частотного планирования Совместимость оборудования разных производителей (при наличии GAP)
Обеспечение перехода из соты в соту без разрыва соединения (хэндовер)
Возможность обслуживания одной трубки в разных сетях (частных и общего пользования)
Обеспечение большого трафика - до 10,000 Эрл/ км2.
Совместимость с другими радиосистемами Отсутствие канала управления - устойчивость к радиопомехам
Низкий уровень излучения - безопасность для здоровья
Основные сведения о стандарте GSM-900.
Общие характеристики стандарта GSM
В соответствии с
рекомендацией СЕРТ 1980 г., касающейся
использования спектра частот подвижной
связи в диапазоне частот 862-960 МГц,
стандарт GSM на цифровую общеевропейскую
(глобальную) сотовую систему наземной
подвижной связи предусматривает работу
передатчиков в двух диапазонах частот:
890-915 МГц (для передатчиков подвижных
станций - MS), 935-960 МГц (для передатчиков
базовых станций – BTS).
В стандарте GSM
используется узкополосный многостанционный
доступ с временным разделением каналов
(NB ТDМА). В структуре ТDМА кадра содержится
8 временных позиций на каждой из 124
несущих.
Для защиты от ошибок в
радиоканалах при передаче информационных
сообщений применяется блочное и
сверточное кодирование с перемежением.
Повышение эффективности кодирования
и перемежения при малой скорости
перемещения подвижных станций достигается
медленным переключением рабочих частот
(SFH) в процессе сеанса связи со скоростью
217 скачков в секунду.
Для борьбы с
интерференционными замираниями
принимаемых сигналов, вызванными
многолучевым распространением радиоволн
в условиях города, в аппаратуре связи
используются эквалайзеры, обеспечивающие
выравнивание импульсных сигналов со
среднеквадратическим отклонением
времени задержки до 16 мкс.
Cистема синхронизации рассчитана
на компенсацию абсолютного времени
задержки сигналов до 233 мкс, что
соответствует максимальной дальности
связи или максимальному радиусу ячейки
(соты) 35 км.
В стандарте GSM выбрана
Гауссовская частотная манипуляция с
минимальным частотным сдвигом (GMSK).
Обработка речи осуществляется в рамках
принятой системы прерывистой передачи
речи (DTX), которая обеспечивает включение
передатчика только при наличии речевого
сигнала и отключение передатчика в
паузах и в конце разговора. В качестве
речепреобразующего устройства выбран
речевой кодек с регулярным импульсным
возбуждением, долговременным предсказанием
и линейным предикативным кодированием
с предсказанием (RPE/LTR-LTP-кодек). Общая
скорость преобразования речевого
сигнала - 13 кбит/с.
В стандарте GSM
достигается высокая степень безопасности
передачи сообщений осуществляется
шифрованием сообщений по алгоритму
шифрования с открытым ключом (RSA).
В целом система связи, действующая в стандарте GSM, рассчитана на ее использование в различных сферах. Она предоставляет пользователям широкий диапазон услуг и возможность применять разнообразное оборудование для передачи речевых сообщений и данных, вызывных и аварийных сигналов; подключаться к телефонным сетям общего пользования (PSTN), сетям передачи данных (PDN) и цифровым сетям с интеграцией служб (ISDN).
Основные характеристики стандарта GSM:
|
Частоты передачи подвижной станциии приема базовой станции, МГц |
890-915 |
|
Частоты приема подвижной станции и передачи базовой станции, МГц |
935-960 |
|
Дуплексный разнос частот приема и передачи, МГц |
45 |
|
Скорость передачи сообщений в радиоканале, кбит/с |
270, 833 |
|
Скорость преобразования речевого кодека, кбит/с |
13 |
|
Ширина полосы канала связи, кГц |
200 |
|
Максимальное количество каналов связи |
124 |
|
Максимальное количество каналов, организуемых в базовой станции |
16-20 |
|
Вид модуляции |
GMSK |
|
Индекс модуляции |
ВТ 0,3 |
|
Ширина полосы предмодуляционного гауссовского фильтра, кГц |
81,2 |
|
Количество скачков по частоте в секунду |
217 |
|
Временное разнесение в интервалах ТDМА кадра (передача/прием) для подвижной станции |
2 |
|
Вид речевого кодека |
RPE/LTP |
|
Максимальный радиус соты, км |
до 35 |
|
Схема организации каналов комбинированная TDMA/FDMA |
Структурная
схема и состав оборудования сетей
связи
Рис.4
Функциональное построение и интерфейсы
в стандарте GSM
Функциональное
построение и интерфейсы, принятые в
стандарте GSM,
иллюстрируются структурной схемой
рис.4, на которой MSC
(Mobile
Switching
Centre)
- центр коммутации подвижной связи; BSS
(Base
Station
System)
- оборудование базовой станции; ОМС
(Operations
and
Maintenance
Centre)
- центр управления и обслуживания; MS
(Mobile
Stations)
- подвижные станции.
Функциональное сопряжение элементов системы осуществляется рядом интерфейсов. Все сетевые функциональные компоненты в стандарте GSM взаимодействуют в соответствии с системой сигнализации МККТТ SS N 7 (CCITT SS. N 7).
Центр коммутации подвижной связи обслуживает группу сот и обеспечивает все виды соединений, в которых нуждается в процессе работы подвижная станция. MSC аналогичен ISDN коммутационной станции и представляет собой интерфейс между фиксированными сетями (PSTN, PDN, ISDN и т.д.) и сетью подвижной связи. Он обеспечивает маршрутизацию вызовов и функции управления вызовами. Кроме выполнения функций обычной ISDN коммутационной станции, на MSC возлагаются функции коммутации радиоканалов. К ним относятся "эстафетная передача", в процессе которой достигается непрерывность связи при перемещении подвижной станции из соты в соту, и переключение рабочих каналов в соте при появлении помех или неисправностях.
Каждый MSC обеспечивает обслуживание подвижных абонентов, расположенных в пределах определенной географической зоны (например, Москва и область). MSC управляет процедурами установления вызова и маршрутизации. Для телефонной сети общего пользования (PSTN) MSC обеспечивает функции сигнализации по протоколу SS N 7, передачи вызова или другие виды интерфейсов в соответствии с требованиями конкретного проекта. MSC формирует данные, необходимые для выписки счетов за предоставленные сетью услуги связи, накапливает данные по состоявшимся разговорам и передает их в центр расчетов (биллинг-центр). MSC составляет также статистические данные, необходимые для контроля работы и оптимизации сети. MSC поддерживает также процедуры безопасности, применяемые для управления доступами к радиоканалам.
MSC не только участвует в управлении вызовами, но также управляет процедурами регистрации местоположения и передачи управления, кроме передачи управления в подсистеме базовых станций (BSS). Регистрация местоположения подвижных станций необходима для обеспечения доставки вызова перемещающимся подвижным абонентам от абонентов телефонной сети общего пользования или других подвижных абонентов. Процедура передачи вызова позволяет сохранять соединения и обеспечивать ведение разговора, когда подвижная станция перемещается из одной зоны обслуживания в другую. Передача вызовов в сотах, управляемых одним контроллером базовых станций (BSC), осуществляется этим BSC. Когда передача вызовов осуществляется между двумя сетями, управляемыми разными BSC, то первичное управление осуществляется в MSC. В стандарте GSM также предусмотрены процедуры передачи вызова между сетями (контроллерами), относящимися к разным MSC. Центр коммутации осуществляет постоянное слежение за подвижными станциями, используя регистры положения (HLR) и перемещения (VLR). В HLR хранится та часть информации о местоположении какой-либо подвижной станции, которая позволяет центру коммутации доставить вызов станции. Регистр HLR содержит международный идентификационный номер подвижного абонента (IMSI). Он используется для опознавания подвижной станции в центре аутентификации (AUC).
Практически HLR представляет собой справочную базу данных о постоянно прописанных в сети абонентах. В ней содержатся опознавательные номера и адреса, а также параметры подлинности абонентов, состав услуг связи, специальная информация о маршрутизации. Ведется регистрация данных о роуминге (блуждании) абонента, включая данные о временном идентификационном номере подвижного абонента (TMSI) и соответствующем VLR.
К данным, содержащимся в HLR, имеют дистанционный доступ все MSC и VLR сети и, если в сети имеются несколько HLR, в базе данных содержится только одна запись об абоненте, поэтому каждый HLR представляет собой определенную часть общей базы данных сети об абонентах. Доступ к базе данных об абонентах осуществляется по номеру IMSI или MSISDN (номеру подвижного абонента в сети ISDN). К базе данных могут получить доступ MSC или VLR, относящиеся к другим сетям, в рамках обеспечения межсетевого роуминга абонентов.
Второе основное устройство, обеспечивающее контроль за передвижением подвижной станции из зоны в зону, - регистр перемещения VLR. С его помощью достигается функционирование подвижной станции за пределами зоны, контролируемой HLR. Когда в процессе перемещения подвижная станция переходит из зоны действия одного контроллера базовой станции BSC, объединяющего группу базовых станций, в зону действия другого BSC, она регистрируется новым BSC, и в VLR заносится информация о номере области связи, которая обеспечит доставку вызовов.
Для сохранности данных, находящихся в HLR и VLR, в случае сбоев предусмотрена защита устройств памяти этих регистров.VLR содержит такие же данные, как и HLR, однако эти данные содержатся в VLR только до тех пор, пока абонент находится в зоне, контролируемой VLR.
Состав временных данных, хранящихся в HLR и VLR.
|
HLR |
VLR |
|
. Параметры аутентификации и шифрования 2. Временный номер движущейся подвижной станции, который назначается VLR 3. Адреса регистров перемещения VLR 4. Зоны перемещения подвижной станции 5. Номер соты при эстафетной передаче 6. Регистрационный статус 7. Таймер отсутствия ответа (отключения соединения) 8. Активность связи 9. Состав используемых в данный момент паролей |
1. TMSI-временный международный идентификационный номер пользователя 2. Идентификаторы зоны расположения 3. Указания по использованию основных служб 4. Номер соты при эстафетной передаче 5. Параметры аутентификации и шифрования
|
В сети подвижной
связи GSM соты группируются в географические
зоны (LA), которым присваивается свой
идентификационный номер (LAC). Каждый VLR
содержит данные об абонентах в нескольких
LA. Когда подвижный абонент перемещается
из одной LA в другую, данные о его
местоположении автоматически обновляются
в VLR. Если старая и новая LA находятся под
управлением различных VLR, то данные на
старом VLR стираются после их копирования
в новый VLR. Текущий адрес VLR абонента,
содержащийся в HLR, также обновляется.
VLR
обеспечивает также присвоение номера
"блуждающей" подвижной станции
(MSRN). Когда подвижная станция принимает
входящий вызов, VLR выбирает его MSRN и
передает его на MSC, который осуществляет
маршрутизацию этого вызова к базовым
станциям, находящимся рядом с подвижным
абонентом.
VLR также распределяет номера передачи управления при передаче соединений от одного MSC к другому. Кроме того, VLR управляет распределением новых TMSI и передает их в HLR. Он также управляет процедурами установления подлинности во время обработки вызова. По решению оператора TMSI может периодически изменяться для усложнения процедуры идентификации абонентов. Доступ к базе данных VLR может обеспечиваться через IMSI, TMSI или MSRN. В целом VLR представляет собой локальную базу данных о подвижном абоненте для той зоны, где находится абонент, что позволяет исключить постоянные запросы в HLR и сократить время на обслуживание вызовов.
Для исключения несанкционированного использования ресурсов системы связи вводятся механизмы аутентификации - удостоверения подлинности абонента. Центр аутентификации состоит из нескольких блоков и формирует ключи и алгоритмы аутентификации. С его помощью проверяются полномочия абонента и осуществляется его доступ к сети связи. AUC принимает решения о параметрах процесса аутентификации и определяет ключи шифрования абонентских станций на основе базы данных, сосредоточенной в регистре идентификации оборудования (EIR - Equipment Identification Register).
Каждый подвижный
абонент на время пользования системой
связи получает стандартный модуль
подлинности абонента (SIM), который
содержит: международный идентификационный
номер (IMSI), свой индивидуальный ключ
аутентификации (Ki), алгоритм аутентификации
(A3).
С помощью записанной в SIM информации
в результате взаимного обмена данными
между подвижной станцией и сетью
осуществляется полный цикл аутентификации
и разрешается доступ абонента к сети.
Процедура проверки сетью подлинности абонента реализуется следующим образом. Сеть передает случайный номер (RAND) на подвижную станцию. На ней с помощью Ki и алгоритма аутентификации A3 определяется значение отклика (SRES), т.е. SRES = Ki * [ RAND]. Подвижная станция посылает вычисленное значение SRES в сеть, которая сверяет значение принятого SRES со значением SRES, вычисленным сетью. Если оба значения совпадают, подвижная станция приступает к передаче сообщений. В противном случае связь прерывается, и индикатор подвижной станции показывает, что опознавание не состоялось. Для обеспечения секретности вычисление SRES происходит в рамках SIM. Несекретная информация (например, Ki) не подвергается обработке в модуле SIM.
EIR - регистр идентификации оборудования, содержит централизованную базу данных для подтверждения подлинности международного идентификационного номера оборудования подвижной станции (IМЕI). Эта база данных относится исключительно к оборудованию подвижной станции.
База данных EIR состоит из списков номеров IMEI, организованных следующим образом:
БЕЛЫЙ СПИСОК - содержит номера IMEI, о которых есть сведения, что они закреплены за санкционированными подвижными станциями.
ЧЕРНЫЙ СПИСОК - содержит номера IMEI подвижных станций, которые украдены или которым отказано в обслуживании по другой причине.
СЕРЫЙ
СПИСОК - содержит номера
IMEI подвижных станций, у которых существуют
проблемы, выявленные по данным программного
обеспечения, что не является основанием
для внесения в "черный список".
К
базе данных EIR получают дистанционный
доступ MSC данной сети, а также MSC других
подвижных сетей.
Как и в случае с HLR, сеть может иметь более одного EIR, при этом каждый EIR управляет определенными группами IMEI. В состав MSC входит транслятор, который при получении номера IMEI возвращает адрес EIR, управляющий соответствующей частью базы данных об оборудовании.
IWF - межсетевой функциональный стык, является одной из составных частей MSC. Он обеспечивает абонентам доступ к средствам преобразования протокола и скорости передачи данных так, чтобы можно было передавать их между его терминальным оборудованием (DIE) сети GSM и обычным терминальным оборудованием фиксированной сети. Межсетевой функциональный стык также "выделяет" модем из своего банка оборудования для сопряжения с соответствующим модемом фиксированной сети. IWF также обеспечивает интерфейсы типа прямого соединения для оборудования, поставляемого клиентам, например, для пакетной передачи данных PAD по протоколу Х.25.
ЕС - эхоподавитель, используется в MSC со стороны PSTN для всех телефонных каналов (независимо от их протяженности) из-за физических задержек в трактах распространения, включая радиоканал, сетей GSM. Типовой эхоподавитель может обеспечивать подавление в интервале 68 миллисекунд на участке между выходом ЕС и телефоном фиксированной телефонной сети. Общая задержка в канале GSM при распространении в прямом и обратном направлениях, вызванная обработкой сигнала, кодированием/декодированием речи, канальным кодированием и т.д., составляет около 180 мс. Эта задержка была бы незаметна подвижному абоненту, если бы в телефонный канал не был включен гибридный трансформатор с преобразованием тракта с двухпроводного на четырехпроводный режим, установка которого необходима в MSC, так как стандартное соединение с PSTN является двухпроводным. При соединении двух абонентов фиксированной сети эхо-сигналы отсутствуют. Без включения ЕС задержка от распространения сигналов в тракте GSM будет вызывать раздражение у абонентов, прерывать речь и отвлекать внимание.
ОМС - центр эксплуатации и технического обслуживания, является центральным элементом сети GSM, который обеспечивает контроль и управление другими компонентами сети и контроль качества ее работы. ОМС соединяется с другими компонентами сети GSM по каналам пакетной передачи протокола Х.25. ОМС обеспечивает функции обработки аварийных сигналов, предназначенных для оповещения обслуживающего персонала, и регистрирует сведения об аварийных ситуациях в других компонентах сети. В зависимости от характера неисправности ОМС позволяет обеспечить ее устранение автоматически или при активном вмешательстве персонала. ОМС может обеспечить проверку состояния оборудования сети и прохождения вызова подвижной станции. ОМС позволяет производить управление нагрузкой в сети. Функция эффективного управления включает сбор статистических данных о нагрузке от компонентов сети GSM, записи их в дисковые файлы и вывод на дисплей для визуального анализа. ОМС обеспечивает управление изменениями программного обеспечения и базами данных о конфигурации элементов сети. Загрузка программного обеспечения в память может производиться из ОМС в другие элементы сети или из них в ОМС.
NMC - центр управления сетью, позволяет обеспечивать рациональное иерархическое управление сетью GSM. Он обеспечивает эксплуатацию и техническое обслуживание на уровне всей сети, поддерживаемой центрами ОМС, которые отвечают за управление региональными сетями. NMC обеспечивает управление трафиком во всей сети и обеспечивает диспетчерское управление сетью при сложных аварийных ситуациях, как например, выход из строя или перегрузка узлов. Кроме того, он контролирует состояние устройств автоматического управления, задействованных в оборудовании сети, и отражает на дисплее состояние сети для операторов NMC. Это позволяет операторам контролировать региональные проблемы и, при необходимости, оказывать помощь ОМС, ответственному за конкретный регион. Таким образом, персонал NMC знает состояние всей сети и может дать указание персоналу ОМС изменить стратегию решения региональной проблемы.
NMC концентрирует
внимание на маршрутах сигнализации и
соединениях между узлами с тем, чтобы
не допускать условий для возникновения
перегрузки в сети. Контролируются также
маршруты
соединений между сетью GSM
и PSTN во избежание распространения
условий перегрузки между сетями. При
этом персонал NMC координирует вопросы
управления сетью с персоналом других
NMC. NMC обеспечивает также возможность
управления трафиком для сетевого
оборудования подсистемы базовых станций
(BSS). Операторы NMC в экстремальных ситуациях
могут задействовать такие процедуры
управления, как "приоритетный доступ",
когда только абоненты с высоким
приоритетом (экстренные службы) могут
получить доступ к системе.
NMC может
брать на себя ответственность в каком-либо
регионе, когда местный ОМС является
необслуживаемым, при этом ОМС действует
в качестве транзитного пункта между
NMC и оборудованием сети. NMC обеспечивает
операторов функциями, аналогичными
функциям ОМС.
NMC является также важным
инструментом планирования сети, так
как NMC контролирует сеть и ее работу на
сетевом уровне, а, следовательно,
обеспечивает планировщиков сети данными,
определяющими ее оптимальное развитие.
BSS - оборудование базовой станции, состоит из контроллера базовой станции (BSC) и приемо-передающих базовых станций (BTS). Контроллер базовой станции может управлять несколькими приемо-передающими блоками. BSS управляет распределением радиоканалов, контролирует соединения, регулирует их очередность, обеспечивает режим работы с прыгающей частотой, модуляцию и демодуляцию сигналов, кодирование и декодирование сообщений, кодирование речи, адаптацию скорости передачи для речи, данных и вызова, определяет очередность передачи сообщений персонального вызова.
BSS совместно с MSC, HLR, VLR выполняет некоторые функции, например: освобождение канала, главным образом, под контролем MSC, но MSC может запросить базовую станцию обеспечить освобождение канала, если вызов не проходит из-за радиопомех. BSS и MSC совместно осуществляют приоритетную передачу информации для некоторых категорий подвижных станций.
ТСЕ-
транскодер, обеспечивает преобразование
выходных сигналов канала передачи речи
и данных MSC (64 кбит/с ИКМ) к виду,
соответствующему рекомендациям GSM по
радиоинтерфейсу (Рек. GSM 04.08). В соответствии
с этими требованиями скорость передачи
речи, представленной в цифровой форме,
составляет 13 кбит/с. Этот канал передачи
цифровых речевых сигналов называется
"полноскоростным". Стандартом
предусматривается в перспективе
использование полускоростного речевого
канала (скорость передачи 6,5 кбит/с).
Снижение
скорости передачи обеспечивается
применением специального речепреобразующего
устройства, использующего линейное
предикативное кодирование (LPC),
долговременное предсказание (LTP),
остаточное импульсное возбуждение (RPE
- иногда называется RELP).
Транскодер
обычно располагается вместе с MSC, тогда
передача цифровых сообщений в направлении
к контроллеру базовых станций - BSC ведется
с добавлением к потоку со скоростью
передачи 13 кбит/с, дополнительных битов
(стафингование) до скорости передачи
данных 16 кбит/с. Затем осуществляется
уплотнение с кратностью 4 в стандартный
канал 64 кбит/с. Так формируется определенная
Рекомендациями GSM ЗО-канальная ИКМ
линия, обеспечивающая передачу 120 речевых
каналов. Шестнадцатый канал (64 кбит/с),
"временное окно" выделяется отдельно
для передачи информации сигнализации
и часто содержит трафик SS N7 или LAPD. В
другом канале (64 кбит/с) могут передаваться
также пакеты данных, согласующиеся с
протоколом X.25 МККТТ. Таким образом,
результирующая скорость передачи по
указанному интерфейсу составляет 30х64
кбит/с + 64 кбит/с + 64 кбит/с = 2048 кбит/с.
MS - подвижная станция,
состоит из оборудования, которое служит
для организации доступа абонентов сетей
GSM к существующим фиксированным сетям
электросвязи. В рамках стандарта GSM
приняты пять классов подвижных станций
от модели 1-го класса с выходной мощностью
20 Вт, устанавливаемой на транспортном
средстве, до портативной модели 5-го
класса, максимальной мощностью 0,8 Вт
(табл. 1). При передаче сообщений
предусматривается адаптивная регулировка
мощности передатчика, обеспечивающая
требуемое качество связи.
Подвижный
абонент и станция независимы друг от
друга. Как уже отмечалось, каждый абонент
имеет свой международный идентификационный
номер (IMSI), записанный на его интеллектуальную
карточку. Такой подход позволяет
устанавливать радиотелефоны, например,
в такси и автомобилях, сдаваемых на
прокат. Каждой подвижной станции также
присваивается свой международный
идентификационный номер (IMEI). Этот номер
используется для предотвращения доступа
к сетям GSM похищенной станции или станции
без полномочий.
Таблица 2. Классификация классов мощности подвижных станций
|
Класс мощности |
Максимальный уровень мощности передатчика |
Допустимые отклонения |
|
1 |
20 Вт |
1,5 дБ |
|
2 |
<8 Вт |
1,5 дБ |
|
3 |
5 Вт |
1,5 дБ |
|
4 |
Вт |
1,5 дБ |
|
5 |
0,8 Вт |
1,5 дБ |
Сетевые
и радиоинтерфейсы.
При
проектировании цифровых сотовых систем
подвижной связи стандарта GSM рассматриваются
интерфейсы трех видов: для соединения
с внешними сетями; между различным
оборудованием сетей GSM; между сетью GSM
и внешним оборудованием. Все существующие
внутренние интерфейсы сетей GSM показаны
на структурной схеме рис.4. Они полностью
соответствуют требованиям Рекомендаций
ETSI/GSM 03.02.
Интерфейсы
с внешними сетями
Соединение с PSTN
Соединение с телефонной сетью общего пользования осуществляется MSC по линии связи 2 Мбит/с в соответствии с системой сигнализации SS N 7. Электрические характеристики 2 Мбит/с интерфейса соответствуют Рекомендациям МККТТ G.732.
Соединение с ISDN
Для соединения с создаваемыми сетями ISDN предусматриваются четыре линии связи 2 Мбит/с, поддерживаемые системой сигнализации SS N 7 и отвечающие Рекомендациям Голубой книги МККТТ Q.701-Q.710, Q.711-Q.714, Q.716, Q.781, 0.782, 0.791, 0.795, 0.761-0.764, 0.766.
Соединение с существующей сетью NMT-450
Центр коммутации подвижной связи соединяется с сетью NMT-450 через четыре стандартные линии связи 2 Мбит/с и системы сигнализации SS N7. При этом должны обеспечиваться требования Рекомендаций МККТТ по подсистеме пользователей телефонной сетью (TUP - Telephone User Part) и подсистеме передачи сообщений (МТР - Message Transfer Part) Желтой книги. Электрические характеристики линии 2 Мбит/с соответствуют Рекомендациям МККТТ G.732.
Соединения с международными сетями GSM
В настоящее время обеспечивается подключение сети GSM в Москве к общеевропейским сетям GSM. Эти соединения осуществляются на основе протоколов систем сигнализации (SCCP) и межсетевой коммутации подвижной связи (GMSC).
Внутренние GSM – интерфейсы.
Интерфейс между MSC и BSS (А-интерфейс) обеспечивает передачу сообщений для управления BSS, передачи вызова, управления передвижением. А-интерфейс объединяет каналы связи и линии сигнализации. Последние используют протокол SS N7 МККТТ. Полная спецификация А-ин-терфейса соответствует требованиям серии 08 Рекомендаций ETSI/GSM.
Интерфейс между MSC и HLR совмещен с VLR (В-интерфейс). Когда MSC необходимо определить местоположение подвижной станции, он обращается к VLR. Если подвижная станция инициирует процедуру местоопределения с MSC, он информирует свой VLR, который заносит всю изменяющуюся информацию в свои регистры. Эта процедура происходит всегда, когда MS переходит из одной области местоопределения в другую. В случае, если абонент запрашивает специальные дополнительные услуги или изменяет некоторые свои данные, MSC также информирует VLR, который регистрирует изменения и при необходимости сообщает о них HLR.
Интерфейс между MSC и HLR(С-интерфейс) используется для обеспечения взаимодействия между MSC и HLR. MSC может послать указание (сообщение) HLR в конце сеанса связи для того, чтобы абонент мог оплатить разговор. Когда сеть фиксированной телефонной связи не способна исполнить процедуру установления вызова подвижного абонента, MSC может запросить HLR с целью определения местоположения абонента для того, чтобы послать вызов MS.
Интерфейс между HLR и VLR (D-интерфейс) используется для расширения обмена данными о положении подвижной станции, управления процессом связи. Основные услуги, предоставляемые подвижному абоненту, заключаются в возможности передавать или принимать сообщения независимо от местоположения. Для этого HLR должен пополнять свои данные. VLR сообщает HLR о положении MS, управляя ею и переприсваивая ей номера в процессе блуждания, посылает все необходимые данные для обеспечения обслуживания подвижной станции.
Интерфейс между MSC (Е-интерфейс) обеспечивает взаимодействие между разными MSC при осуществлении процедуры HANDOVER - "передачи" абонента из зоны в зону при его движении в процессе сеанса связи без ее перерыва.
Интерфейс между BSC и BTS(A-bis интерфейс) служит для связи BSC с BTS и определен Рекомендациями ETSI/GSM для процессов установления соединений и управления оборудованием, передача осуществляется цифровыми потоками со скоростью 2,048 Мбит/с. Возможно использование физического интерфейса 64 кбит/с.
Интерфейс между BSC и ОМС (О-интерфейс) предназначен для связи BSC с ОМС, используется в сетях с пакетной коммутацией МККТТ Х.25.
Внутренний BSC-интерфейс контроллера базовой станции обеспечивает связь между различным оборудованием BSC и оборудованием транскодирования (ТСЕ); использует стандарт ИКМ-пе-редачи 2,048 Мбит/с и позволяет организовать из четырех каналов со скоростью 16 кбит/с один канал на скорости 64 кбит/с.
Интерфейс между MS и BTS (Um-радиоинтерфейс) определен в сериях 04 и 05 Рекомендаций ETSI/GSM.
Сетевой
интерфейс между ОМС и сетью, так называемый
управляющий интерфейс между ОМС и
элементами сети, определен
ETSI/GSM.
Рекомендациями
12.01 и является аналогом интерфейса Q.3,
который определен в многоуровневой
модели открытых сетей ISO OSI. Соединение
сети с ОМС могут обеспечиваться системой
сигнализации МККТТ SS N7 или сетевым
протоколом Х.25. Сеть Х.25 может соединяться
с объединенными сетями или с PSDN в открытом
или замкнутом режимах.
GSM - протокол управления сетью и обслуживанием также должен удовлетворять требованиям Q.3 интерфейса, который определен в ETSI/GSM Рекомендациях 12.01.Интерфейсы между сетью GSM и внешним оборудованием. Интерфейс между MSC и сервис-центром (SC) необходим для реализации службы коротких сообщений. Он определен в ETSI/GSM Рекомендациях 03.40. Интерфейс к другим ОМС. Каждый центр управления и обслуживания сети должен соединяться с другими ОМС, управляющими сетями в других регионах или другими сетями. Эти соединения обеспечиваются Х-интерфейсами в соответствии с Рекомендациями МККТТ М.ЗО. Для взаимодействия ОМС с сетями высших уровней используется О.З-интерфейс.
Структура
служб и передача данных в стандарте
GSM.
Стандарт GSM содержит два класса служб: основные службы и телеслужбы. Основные службы обеспечивают: передачу данных (асинхронно) в дуплексном режиме со скоростями 300, 600, 1200, 2400, 4800 и 9600 бит/с через телефонные сети общего пользования; передачу данных (синхронно) в дуплексном режиме со скоростями 1200, 2400, 4800 и 9600 бит/с через телефонные сети общего пользования, коммутируемые сети передачи данных общего пользования (CSPDN) и ISDN; доступ с помощью адаптера к пакетной асинхронной передаче данных со стандартными скоростями 300-9600 бит/с через коммутируемые сети пакетной передачи данных общего пользования (PSPDN), например, Datex-P; синхронный дуплексный доступ к сети пакетной передачи данных со стандартными скоростями 2400-9600 бит/с.
При
передаче данных со скоростью 9,6 кбит/с
всегда используется канал связи с полной
скоростью передачи. В случае передачи
на скоростях ниже 9,6 кбит/с могут
использоваться полускоростные каналы
связи.
Перечисленные функции каналов
передачи данных предусмотрены для
терминального оборудования, в котором
используются интерфейсы МККТТ со
спецификациями V.24 или Х.21 серий. Эти
спецификации определяют вопросы передачи
данных по обычным каналам телефонной
связи.
Телеслужбы
предоставляют следующие услуги:
1)
телефонная связь (совмещается со службой
сигнализации: охрана квартир, сигналы
бедствия и пр.);
2) передача коротких сообщений;
3) доступ к службам "Видеотекс", "Телетекс".
4) служба "Телефакс".
Дополнительно
стандартизован широкий спектр особых
услуг (передача вызова, оповещения о
тарифных расходах, включение в закрытую
группу пользователей). Так как ожидается,
что большинство абонентов будет
использовать услуги GSM в деловых целях,
особое внимание уделяется аспектам
безопасности и качеству предоставляемых
услуг.
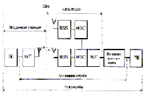
Структурная схема служб связи
в GSM PLMN показана на рис. 5 (GSM PLMN - GSM Public
Land Mobile Network - сеть связи с наземными
подвижными объектами; ТЕ (Terminal Equipment)
-терминальное оборудование, МТ (Mobile
Terminal) - подвижный терминал, IWF (Interworking
Function) - межсетевой функциональный стык).
К передаче данных относится и новый вид
службы, используемый в GSM, - передача
коротких сообщений (передача служебных
буквенно-цифровых сообщений для
отдельных групп пользователей).

Рис.5
Структурная схема служб стандарта GSM.
При
передаче коротких сообщений используется
пропускная способность каналов
сигнализации. Сообщения могут передаваться
и приниматься подвижной станцией. Для
передачи коротких сообщений могут
использоваться общие
каналы управления. Объем сообщений
ограничен 160-ю
символами, которые могут приниматься
в течение текущего вызова либо в нерабочем
цикле. В управление радиоканалами,
защиту от ошибок в радиоканале,
кодирование-декодирование речи, текущий
контроль и распределение данных
пользователя и вызовов, адаптацию по
скорости передачи между радиоканалом
и данными, обеспечение параллельной
работы нагрузок (терминалов), обеспечение
непрерывной работы в процессе
движения.Используется три типа оконечного
оборудования подвижной станции: МТО
(Mobile Termination 0) - многофункциональная
подвижная станция, в состав которой
входит терминал данных с возможностью
передачи и приема данных и речи: МТ1
(Mobile Termination 1) - подвижная станция с
возможностью связи через терминал с
ISDN; МТ2 (Mobile Termination 2) - подвижная станция
с возможностью подключения терминала
для связи по протоколу МККТТ V или Х
серий. Терминальное оборудование может
состоять из оборудования одного или
нескольких типов, такого как телефонная
трубка с номеронабирателем, аппаратуры
передачи данных (DTE), телекс и т.д. Различают
следующие типы терминалов:
ТЕ1 (Terminal
Equipment 1) - терминальное оборудование,
обеспечивающее связь с ISDN; ТЕ2 (Terminal
Equipment 2) - терминальное
оборудование,обеспечивающее связь с
любым оборудованием через протоколы
МККТТ V или Х серий (связь с ISDN не
обеспечивает). Терминал ТЕ2 может быть
подключен как нагрузка к МТ1 (подвижной
станции с возможностью связи с ISDN) через
адаптер ТА. Система характеристик
стандарта GSM, принятая функциональная
схема сетей связи и совокупность
интерфейсов обеспечивают высокие
параметры передачи сообщений, совместимость
с существующими и перспективными
информационными сетями, предоставляют
абонентам широкий спектр услуг цифровой
связи.
Структура
ТDМА кадров и формирование сигналов в
стандарте GSM.
В результате анализа различных вариантов построения цифровых сотовых систем подвижной связи (ССПС) в стандарте GSM принят многостанционный доступ с временным разделением каналов (TDMA). Общая структура временных кадров показана на рис. 6 . Длина периода последовательности в этой структуре, которая называется гиперкадром, равна Тг = 3 ч 28 мин 53 с 760 мс (12533,76 с). Гиперкадр делится на 2048 суперкадров, каждый из которых имеет длительность Те = 12533,76/2048 = 6,12 с.


Суперкадр состоит из мультикадров. Для организации различных каналов связи и управления в стандарте GSM используются два вида мультикадров: 1) 26-позиционные TDMA кадры мультикадра; 2) 51-позиционные TDMA кадры мультикадра. Суперкадр может содержать в себе 51 мультикадр первого типа или 26 миультикадров второго типа. Длительности мультикадров соответственно: 1) Тм= 6120/51 = 120 мс; 2) Тм = 6120/26 = 235,385мс (3060/13 мс). Длительность каждого TDMA кадра Тк = 120/26 = 235,385/51 = 4,615 мс (60/13 мс). Тк = 120/26 = 235,385/51 = 4,615 мс (60/13 мс). Таким образом, гиперкадр состоит из 2715647 TDMA кадров. Необходимость такого большого периода гиперкадра объясняется требованиями применяемого процесса криптографической защиты, в котором номер кадра NF используется как входной параметр. TDMA кадр делится на восемь временных позиций с периодом То = 60/13:8 = 576,9 мкс (15/26 мс) Каждая временная позиция обозначается TN с номером от 0 до 7. Физический смысл временных позиций, которые иначе называются окнами, - время, в течение которого осуществляется модуляция несущей цифровым информационным потоком, соответствующим речевому сообщению или данным. Цифровой информационный поток представляет собой последовательность пакетов, размещаемых в этих временных интервалах (окнах). Пакеты формируются немного короче, чем интервалы, их длительность составляет 0,546 мс, что необходимо для приема сообщения при наличии временной дисперсии в канале распространения. Информационное сообщение передается по радиоканалу со скоростью 270,833 кбит/с.
Это означает, что временной интервал TDMA кадра содержит 156,25 бит. Длительность одного информационного бита 576,9 мкс/156,25 = 3,69 мкс Каждый временной интервал, соответствующий длительности бита, обозначается BN с номером от 0 до 155; последнему интервалу длительностью 1/4 бита присвоен номер 156. Для передачи информации по каналам связи и управления, подстройки несущих частот, обеспечения временной синхронизации и доступа к каналу связи в структуре TDMA кадра используются пять видов временных интервалов (окон): NB используется для передачи информации по каналам связи и управления, за исключением канала доступа RACH. Он состоит из 114 бит зашифрованного сообщения и включает защитный интервал (GP) в 8,25 бит длительностью 30,46 мкс. Информационный блок 114 бит разбит на два самостоятельных блока по 57 бит, разделенных между собой обучающей последовательностью в 26 бит, которая используется для установки эквалайзера в приемнике в соответствии с характеристиками канала связи в данный момент времени. В состав NB включены два контрольных бита (Steeling Flag), которые служат признаком того, содержит ли передаваемая группа речевую информацию или информацию сигнализации. В последнем случае информационный канал (Traffic Channel) "украден" для обеспечения сигнализации. Между двумя группами зашифрованных бит в составе NB находится обучающая последовательность из 26 бит, известная в приемнике. С помощью этой последовательности обеспечивается: - оценка частоты появления ошибок в двоичных разрядах по результатам сравнения принятой и эталонной последовательностей. В процессе сравнения вычисляется параметр RXQUAL, принятый для оценки качества связи. Конечно, речь идет только об оценке связи, а не о точных измерениях, так как проверяется только часть передаваемой информации. Параметр RXQUAL используется при вхождении в связь, при выполнении процедуры "эстафетной передачи" (Handover) и при оценке зоны покрытия радиосвязью; - оценка импульсной характеристики радиоканала на интервале передачи NB для последующей коррекции тракта приема сигнала за счет использования адаптивного эквалайзера в тракте приема; -определение задержек распространения сигнала между базовой и подвижной станциями для оценки дальности связи. Эта информация необходима для того, чтобы пакеты данных от разных подвижных станций не накладывались при приеме на базовой станции. Поэтому удаленные на большее расстояние подвижные станции должны передавать свои пакеты раньше станций, находящихся в непосредственной близости от базовой станции. FB предназначен для синхронизации по частоте подвижной станции. Все 142 бита в этом временном интервале - нулевые, что соответствует немодулированной несущей со сдвигом 1625/24 кГц выше номинального значения частоты несущей. Это необходимо для проверки работы своего передатчика и приемника при небольшом частотном разносе каналов (200 кГц), что составляет около 0,022% от номинального значения полосы частот 900 МГц. FB содержит защитный интервал 8,25 бит так же, как и нормальный временной интервал. Повторяющиеся временные интервалы подстройки частоты (FB) образуют канал установки частоты (FCCH). SB используется для синхронизации по времени базовой и подвижной станций. Он состоит из синхропоследовательности длительностью 64 бита, несет информацию о номере ТОМА кадра и идентификационный код базовой станции. Этот интервал передается вместе с интервалом установки частоты. Повторяющиеся интервалы синхронизации образуют так называемый канал синхронизации (SCH). DB обеспечивает установление и тестирование канала связи. По своей структуре DB совпадает с NB (рис. 1.6) и содержит установочную последовательность длиной 26 бит. В DB отсутствуют контрольные биты и не передается никакой информации. DB лишь информирует о том, что передатчик функционирует. АВ обеспечивает разрешение доступа подвижной станции к новой базовой станции. АВ передается подвижной станцией при запросе канала сигнализации. Это первый передаваемый подвижной станцией пакет, следовательно, время прохождения сигнала еще не измерено. Поэтому пакет имеет специфическую структуру. Сначала передается концевая комбинация 8 бит, затем - последовательность синхронизации для базовой станции (41 бит), что позволяет базовой станции обеспечить правильный прием последующих 36 зашифрованных бит. Интервал содержит большой защитный интервал (68,25 бит, длительностью 252 мкс), что обеспечивает (независимо от времени прохождения сигнала) достаточное временное разнесение от пакетов других подвижных станций, Этот защитный интервал соответствует двойному значению наибольшей возможной задержки сигнала в рамках одной соты и тем самым устанавливает максимально допустимые размеры соты. Особенность стандарта GSM - возможность обеспечения связью подвижных абонентов в сотах с радиусом около 35 км. Время распространения радиосигнала в прямом и обратном направлениях составляет при этом 233,3 мкс. В структуре GSM строго определены временные характеристики огибающей сигнала, излучаемого пакетами на канальном временном интервале TDMA кадра, и спектральная характеристика сигнала.
Одна из особенностей формирования сигналов в стандарте GSM - использование медленных скачков по частоте в процессе сеанса связи. Главное назначение таких скачков (SFH - Slow Frequency Hopping) - обеспечение частотного разнесения в радиоканалах, функционирующих в условиях многолучевого распространения радиоволн. SFH используется во всех подвижных сетях, что повышает эффективность кодирования и перемежения при медленном движении абонентских станций. Принцип формирования медленных скачков по частоте состоит в том, что сообщение, передаваемое в выделенном абоненту временном интервале TDMA кадра (577 мкс), в каждом последующем кадре передается (принимается) на новой фиксированной частоте. В соответствии со структурой кадров время для перестройки частоты составляет около 1 мс. В процессе скачков по частоте постоянно сохраняется дуплексный разнос 45 МГц между каналами приема и передачи. Всем активным абонентам, находящимся в одной соте, ставятся в соответствие ортогональные формирующие последовательности, что исключает взаимные помехи при приеме сообщений абонентами в соте. Параметры последовательности переключения частот (частотно-временная матрица и начальная частота) назначаются каждой подвижной станции в процессе установления канала. Ортогональность последовательностей переключения частот в соте обеспечивается начальным частотным сдвигом одной и той же (по алгоритму формирования) последовательности. В смежных сотах используются различные формирующие последовательности. Комбинированная TDMA/FDMA схема организации каналов в стандарте GSM и принцип использования медленных скачков по частоте при передаче сообщений во временных кадрах показаны на рис. 7,8

Рис.7 Принцип использования медленных скачков по частоте

Рис. 8 Схема организации каналов
Для
сравнения можно отметить, что по
результатам экспериментальных
исследований, проведенных на действующих
сетях GSM, пространственное разнесение
приемных антенн на базовой станции дает
выигрыш 3-4 дБ. Принятая структура ТDМА
кадров и принципы формирования сигналов
в стандарте GSM в совокупности с методами
капельного кодирования позволили
снизить требуемое для приема отношение
сигнал/помеха до 9 дБ, тогда как в
стандартах аналоговых сотовых сетей
связи оно составляет 17-18 дБ.
Принципы построения макросотовых систем.
Разделить обслуживаемую территорию на макро-зоны можно двумя способами: статистическим, основанным на измерении статистических параметров распространения сигналов в системах связи, или детерминированным, основанным на измерении или расчете параметров распространения сигнала для конкретного района.
При статистическом способе вся обслуживаемая территория разделяется на одинаковые по форме зоны и с помощью статистических законов распространения радиоволн определяются их допустимые размеры и расстояния до других зон, в приделах которых выполняются условия допустимого взаимного влияния.
Чтобы оптимально разделить территорию на макро-зоны, т. е. без перекрытия или пропусков участков, могут быть использованы только три геометрические фигуры - треугольник, квадрат и шестиугольник. Наиболее подходящей фигурой является шестиугольник, так как если антенну устанавливать в его центре, то круговая форма диаграммы направленности будет покрывать почти всю его площадь.
Абоненты подвижной связи (ПС), находящиеся в макро-зонах, могут связаться БС, находящейся в центре этой зоны. Все макро-зоны связаны соединительными линиями с главной БС. В качестве соединительных линий могут использоваться кабели, радиорелейные линии. Главная БС (ЦС) соединяется с телефонной сетью. Таким образом, при связи абонента АТС с абонентом ПС сигнал вызова из телефонной сети попадает на ЦС, от нее по соединительным линиям к одной из макро-зоновых ЦС (МЗЦС) и затем по радиоканалу к абоненту ПС.
Передатчик МЗЦС имеет сравнительно небольшую мощность, необходимую для связи с абонентами ПС в макро-зоне, поэтому уровень создаваемых им помех значительно ниже. Это дает возможность использовать те же частоты и в других ячейках. Расстояние до этих ячеек, в которых могут быть использованы одни и те же рабочие частоты, зависят от условий распространения радиоволн, допустимого уровня помех и числа радиостанций, расположенных вокруг данной ячейки. Считается допустимым, чтобы в сотовой шестиугольной структуре частоты повторялись через две ячейки. Это означает, что, используя 7 рабочих каналов, можно перекрыть всю зону обслуживания. Если интенсивность нагрузки по всей зоне одинакова, то и размеры всех ячеек выбирают одинаковыми.
Обычно распределение абонентов ПС по всей обслуживаемой территории неравномерно (уменьшается от центра к периферии), поэтому целесообразно так изменять ячейки, чтобы их размеры увеличивались к периферии. Это позволяет уменьшить стоимость ССсПО в целом за счет уменьшения необходимого числа БС. Однако в этом случае мощности передатчиков центральных и подвижных радиостанций будут зависеть от размеров ячеек, поэтому целесообразно использовать автоматически регулируемую по сигналу корреспондента мощность передатчика. Кроме того, для территорий с зонами разного размера надо более тщательно определять те из них, в которых можно повторно использовать рабочие каналы. При статическом способе в большинстве случаев получаемый интервал между зонами, в которых используются одинаковые рабочие каналы, получается больше необходимого с точки зрения поддержания взаимных помех на допустимом уровне.
Более оптимален детерминированный способ разделения на зоны. При нем тщательно измеряют или рассчитывают параметры системы для определения минимального числа центральных станций, обеспечивающих удовлетворительное обслуживание абонентов по всей территории, учитывается рельеф местности для определения оптимального места расположения ЦС, имеется возможность использовать направленные антенны, пассивные ретрансляторы и смежные центральные станции в момент пиковой нагрузки и т.д. Однако этот способ сложен и требует в ряде случаев моделирования с использованием ЭВМ. В сотовых системах необходимо определить, какую ЦС подключить для связи с абонентом ПС, т. е. определить местоположение абонента ПС на территории обслуживания. При этом не требуется высокая точность определения местоположения подвижного объекта. Достаточно определить только зону в которой он находится. При входящей связи, т. е. от ЦС к абоненту ПС, сигнал вызова может передаваться либо по специальным вызывным, либо по свободным каналам, на которые радиостанции ПС настраиваются автоматически. Местоположение определяется по уровню сигнала, поступающего от радиостанции абонента ПС на ближайшую БС. которая и включается для ведения переговоров с абонентами ПС. При переезде в зону действия другой БС радиостанция ПС автоматически переходит на канал новой БС. При этом постоянно должен обеспечиваться контроль за радиостанцией ПС, для чего в процессе ведения разговора с абонентом ПС на БС и далее в ЦС совместно с речью передаются контрольные сигналы.
Существуют различные методы определения координат: наиболее распространенный из них трехсторонний дальномерный метод для оценки дальности импульсными или фазометрическими системами, а также триангуляционный метод для измерения азимута абонента ПС по отношению к базовым станциям, принимающим его сигнал. Есть также предложения по использованию метода электронного оповещения, при котором на границах зон устанавливаются электронные посты оповещения, предназначенные для передачи абоненту ПС информации о пересекаемой области. Эта информация запоминается радиостанцией абонента ПС и может быть затем передана на ЦС, принимающую заявку на обслуживание абонентов ПС. Однако такая система требует дополнительной аппаратуры, устанавливаемой на всей территории обслуживания. Следует отметить, что методы определения координат абонента ПС и алгоритмов выделения ЦС еще требуют дополнительных исследований. После выделения одной из нескольких ЦС для связи с абонентом ПС необходимо выделить рабочий канал. В простейших сотовых системах с относительно равномерной средней нагрузкой используется фиксированное распределение каналов, при котором за каждой зоной закрепляется один канал, а радиостанция абонента ПС может переключаться на каналы всех зон автоматически по мере перехода из одной зоны в другую. В более сложных системах за каждой зоной может быть закреплена группа каналов (стволов); радиостанция абонента ПС при работе в данной зоне автоматически выбирает канал, свободный в данный момент от связи. При переходе в другую зону она автоматически переключается на другую группу каналов и на поиск свободного канала в новой зоне.
Существенным является вопрос о частном планировании в СССПО. В соответствии с принятыми принципами каждой БС выделяется определенный набор частотных каналов, который может повторяться. Как уже упоминалось, БС, на которых допускается повторное использование выделенного набора частот, разделяются между собой защитным интервалом D. Именно возможность повторного использования одних и тех же частот определяет высокую эффективность применения частотного спектра в СССПО. Смежные БС, использующие различные наборы частотных каналов, образуют группу из С станций. Если каждой БС выделяется набор из каналов с шириной полосы Fк, то общая ширина полосы, занимаемая СССПО, будет Fc = Fк m C, где m - число каналов. Таким образом, величина С определяет минимально возможное число каналов в системе, поэтому ее часто называют "частотным параметром" системы (в некоторых источниках - "коэффициентом повторения частот").
Тогда эффективность использования спектра частот определяется выражением: из которого следует, что величина эффективности не зависит от числа каналов в наборе и увеличивается по мере уменьшения радиуса ячейки. Таким образом, использование меньших радиусов ячеек дает возможность увеличить повторяемость частот. Кроме того, видно, что целесообразно выбирать малые значения С.
Применение шестиугольной формы ячеек позволяет минимизировать необходимый частотный диапазон, поскольку обеспечивает оптимальное соотношение между величиной С и защитным интервалом. Кроме того, шестиугольная форма наилучшим образом вписывается в круговую диаграмму направленности БС, установленной в центре ячейки.
Остановимся более подробно на вопросе о выборе размеров ячеек (радиусе R). Эти размеры определяют защитный интервал D между ячейками, в которых одни и те же частоты могут быть использованы повторно. Заметим, что величина интервала зависит также от допустимого уровня помех и условий распространения радиоволн. В предположении, что интенсивность нагрузки в пределах всей зоны одинакова, ячейки выбираются одинаковых размеров. При заданном размере зоны обслуживания (радиус R0) радиус ячейки R определяет также число абонентов N, способных одновременно вести переговоры на всей территории обслуживания. Из этого соотношения также видно, что уменьшение радиуса ячейки позволяет не только повысить частотную эффективность и увеличить пропускную способность системы, но и уменьшить мощность передатчиков и чувствительность приемников БС и АС. Это улучшает условия электромагнитной совместимости СССПО с другими радиоэлектронными средствами и системами и снижает ее стоимость.
С другой стороны, чрезмерное уменьшение радиуса ячеек приводит к значительному увеличению числа пересечений абонентом ПС границ ячеек, что может вызвать перегрузку устройств управления и коммутации системы. Кроме того, возможно увеличение числа случаев возникновения взаимных помех. И, наконец, при малых значениях R в реальных условиях даже незначительное отклонение положения антенны относительно геометрического центра ячейки может вызвать ощутимое уменьшение отношения сигнал/помеха в системе. В связи с этим в реальных условиях при выборе величины R приходится принимать компромиссное решение. Типовые значения радиусов выбираются на основе расчетов и опыта эксплуатации и составляют величину 0,5 - 2,5 км (в Лондоне и Стокгольме). В перспективе в особенности для районов с плотным трафиком эта величина, как полагают, будет уменьшаться.
Исключительно важным вопросом, определяющим в значительной степени основные характеристики ССПР, является распределение частотных каналов между БС. Оно позволяет обеспечить низкий уровень межканальных помех, оказывающих значительное влияние на помехоустойчивость системы. Существуют три способа распределения частотных каналов: фиксированное, динамическое и гибридное.
При фиксированном распределении каждой БС выделяется определенный набор каналов. АС подвижных абонентов при нахождении их в определенной ячейке с помощью ЦС назначается свободный в данный момент времени канал из набора. При перемещении АС в другую ячейку с помощью процедуры эстафетной передачи осуществляется переключение данной АС на соответствующий свободный канал этой ячейки. Недостатком способа является неэффективное использование частотного спектра, поскольку в реальных условиях центральные ячейки города могут быть перегружены, а периферийные иметь свободные каналы.
При динамическом способе любой из частотных каналов может быть использован любой БС. При этом тем БС, на которых все каналы заняты, предоставляются на время сеанса связи каналы из других ячеек. Это осуществляется с помощью ЭВМ, в памяти которой хранится информация о состоянии каждого канала в зоне обслуживания и всех его изменениях в процессе работы системы, а также о местонахождении абонента ПС. Таким образом, динамическое распределение каналов позволяет увеличить загруженность каналов и тем самым повысить эффективность их использования и снизить вероятность блокировки вызова в случае, когда все каналы данной ячейки заняты. Однако нагрузки на устройства управления системой связи в этом случае возрастают.
При гибридном способе распределения каждой БС выделяется фиксированный набор каналов, а также определенное их число для распределения динамическим способом. Гибридный способ при больших нагрузках позволяет предъявлять менее жесткие требования к управляющим устройствам по сравнению с динамическим, а в области малых значений нагрузки имеет преимущество перед фиксированным, состоящее в более низкой вероятности блокировки вызова. Следует отметить, что наиболее существенное достоинство динамического и гибридного распределений заключается в том, что они обеспечивают выравнивание нагрузки на канал. При фиксированном распределении это осуществляется путем увеличения числа каналов, предоставляемых БС в местах с плотным трафиком, а также уменьшением радиуса ячеек.
Необходимость многофункционального управления в ССсПО имеет первостепенное значение для реализации возможности наиболее эффективного использования выделенной полосы радиочастот. Многократное использование частот затрудняется из-за сильного изменения уровня сигнала по мере движения АС в пределах зоны обслуживания, обусловленного многолучевым распространением сигнала, а также экранирующим и поглощающим воздействием местных объектов. Управление необходимо осуществлять таким образом, чтобы в сильно меняющихся условиях прохождения радиосигналов непрерывно осуществлялась надежная связь. Как отмечалось выше, с этой целью ЦС осуществляет функции управления эстафетной передачей АС по мере пересечения абонентом ПС границ ячеек и снижения качества сигнала ниже установленного заранее порогового уровня. Для оценки качества сигнала по разговорному каналу постоянно передается пилот-сигнал и измеряется соотношение сигнал/шум по мощности или сигнал/помеха с помощью специальных измерительных приемников. При уменьшении величины до значений ниже порогового уровня, что может обусловливаться выходом АС из зоны действия БС, замираниями сигнала, а также рядом других причин, ЦС выбирает зону с максимальной величиной и переключает АС на новый канал (осуществляет эстафетную передачу).
Для реализации процедуры управления и обмена служебной информацией между БС и АС на группу разговорных каналов выделяется специальный канал управления. В свободном режиме АС постоянно настроена на частоту этого канала. Обмен соответствующей информацией в звене БС-ЦС производится по специальному проводному каналу, также выделенному на группу разговорных каналов.
Характерной особенностью процесса коммутации, осуществляемой в ССсПО, является то, что абонент находится в движении и может оказаться в зоне обслуживания любой БС. В связи с этим для установления соединения с находящейся в движении АС необходимо иметь информацию о местонахождении абонента. При этом согласно рекомендациям МККТТ координаты АС должны определяться с точностью до зоны или группы зон. Эта процедура должна осуществляться таким образом, чтобы обеспечивалось своевременное обновление данных о местоположении АС и был максимально облегчен поиск АС при изменении зоны обслуживания. Результаты регистрации местоположения АС хранятся в специальном регистре для записи местоположения. При анализе и расчете зон действия БС и решении ряда других задач существенную роль играет учет особенностей распространения радиоволн УКВ- и СВЧ-диапазонов в городских и пригородных условиях. К ним относятся, прежде всего, многолучевое распространение, вызываемое случайными и многократными отражениями от зданий и других объектов городской застройки, а также рассеиванием радиоволн этими объектами. В результате суммирования различных лучей на приемной стороне радиолинии возникают случайные амплитудные и фазовые флуктуации, вызывающие явления замирания сигнала. Распределение огибающей такого сигнала подчиняется закону Рэлея, а величина замираний относительно среднего уровня составляет 40 дБ. Одним из основных путей борьбы с замиранием является использование методов разнесенного приема. Эти методы предполагают наличие нескольких разделенных трактов передачи с независимыми замираниями, по которым передается одно и то же сообщение. Средние уровни сигналов, передаваемых по каждому тракту, должны быть также примерно одинаковы. При соответствующем комбинировании сигналов, поступающих из трактов передачи, формируется результирующий сигнал, имеющий гораздо меньшую глубину замирания и обеспечивающий соответственно большую надежность передачи.
В последнее время в этих же целях начинает применяться медленная псевдошумовая перестройка рабочей частоты.
GSM-1800 (DCS-1800)
Модификация стандарта GSM-900 , сравнительно молодой и ещё не получил широкого развития в мире.Цифровой стандарт, диапазон частот 1710 — 1880 МГц.
Отличия GSM-1800 от GSM-900.
Фактически - только рабочими частотами. Предоставляемый сервис зависит больше от оператора, чем от диапазона. Однако тут есть ряд интересных моментов:
из-за более высокой частоты уменьшается максимально возможный радиус соты, а точнее - максимальное удаление абонента от базовой станции. Для GSM-900 это расстояние равно 35 км. Для GSM-1800 - около 10 км.
на частотах 1800-2000 МГц радиоволны имеют несколько иные проникающие свойства.
резкий плюс - куда больший частотный ресурс, так как этот частотный диапазон не успели в свое время захватить "компетентные" органы. Кроме этого в диапазонах 1800 и 1900 частотное планирование выполняется гибче в силу большего числа каналов и меньшего радиуса сот.
Особенности
Максимальная излучаемая мощность мобильных телефонов стандарта GSM-1800 - 1Вт, для сравнения у GSM-900 - 2Вт. Большее время непрерывной работы без подзарядки аккумулятора и снижение уровня радиоизлучения, хотя если учесть тот факт, что это самая высокая частота , то можно предположить увеличение "эффекта микроволновой печи на ваш организм .
Высокая защита от подслушивания и нелегального использования номера.
Высокая емкость сети, что важно для крупных городов.
Возможность использования телефонных аппаратов, работающих в стандартах GSM-900 и GSM-1800 одновременно.
Такой аппарат функционирует в сети GSM-900, но, попадая в зону GSM-1800, переключается - вручную или автоматически. Это позволяет оператору рациональнее использовать частотный ресурс, а клиентам - экономить деньги за счет низких тарифов. В обеих сетях абонент пользуется одним номером. Но использование аппарата в двух сетях возможно только в тех случаях, когда эти сети принадлежат одной компании, или между компаниями, работающими в разных диапазонах, заключено соглашение о роуминге.
Проблема состоит ещё в том, что зона охвата для каждой базовой станции значительно меньше, чем в стандартах GSM-900, AMPS/DAMPS-800, NMT-450. Необходимо большее число базовых станций. Чем выше диапазон частот, тем больше проникающая спобность радиоволн и тем меньше способность отражаться и огибать преграды. Что вносит некоторые новые моменты в вопросы планирования и взаимодействия с сетями других стандартов, однако это не отражается на самих принципах планирования, они остаются такими же как и для стандарта GSM-900. А вопросы взаимодействия больше зависят от оператора применяющего данный стандарт для построения своей сети.
Широкополосные сети абонентского доступа.
В настоящее время для организации цифрового доступа на абонентском участке чаще всего используются медные телефонные линии. Именно поэтому на первый план выходят технологии xDSL, позволяющие не думать пока о создании новой инфраструктуры, а вполне успешно использовать старую. Существует достаточно большое количество технологий высокоскоростной передачи данных, объединенных общим названием xDSL (Digital sub>scriber Line или цифровая абонентская линия, где x - символ обозначающий конкретный тип технологий высокоскоростных цифровых абонентских линий DSL). Предоставление голосового трафика, подключение удаленных компьютеров, объединение ЛВС, организация соединения с провайдером, услуга "видео-по-запросу" или "платное ТВ", дистанционное обучение и т.п. - все это можно легко сделать, используя одну из DSL технологий. DSL позволяет перейти на новый технологический уровень использования медных линий, который обеспечивает достаточную пропускную способность для любого из предлагаемых пользователю приложений. При этом может быть организована не только выделенная линия с двумя модемами (например, при использовании технологии HDSL), но и цифровая абонентская линия, соединяющая станционное оборудование с модемом пользователя (ADSL или VDSL). В последнем случае сохраняется возможность использования абонентской линии для обычной аналоговой телефонной связи.
Как это не парадоксально, но использование одних и тех же линий различными технологиями во многих странах решается законодательно. Например, в США в ноябре 1999 года вышло постановление Федеральной комиссии связи США (FCC), в соответствии с которым операторы местной связи должны допустить к своим линиям операторов сетей передачи данных и других сетей. Так как передача сигналов голоса при традиционной телефонной связи осуществляется в очень узкой полосе низких частот, в высокочастотном спектре по той же самой линии может осуществляться передача данных. То есть обе эти технологии могут спокойно сосуществовать в пределах одной линии. Это позволяет исключить необходимость прокладывания отдельного кабеля для организации передачи данных. Проведенное тестирование подтвердило, что высокоскоростная передача данных по технологии DSL совершенно не влияет на обычную телефонную связь, осуществляемую по той же самой абонентской линии. Конечно же, при таком совместном использовании линий возникают определенные организационные сложности (например, связанные с выполнением заявок абонетов или поддержанием состояния линий в надлежащем виде), но в любом случае совместное использование линий позволит значительно снизить не только затраты на абонентскую линию, но и сократить время предоставления услуги. Кроме того, это позволяет увеличить конкуренцию на рынке линий DSL для жилых домов. Таким образом, уже сейчас российские операторы телефонных сетей, которые в отличие от американских свободны не предоставлять своим конкурентам собственную медную инфраструктуру, могли бы начать повсеместное внедрение DSL технологий для предоставления абонентам новых услуг. К тому же эти технологии как нельзя лучше подходят к российским условиям - для подключения абонентов используется медный кабель, идущий от самого узла, поэтому получить скоростной канал связи можно простой установкой DSL-модемов по концам линии.
Еще 10-15 лет назад пользователю услуги приходилось пользоваться разнородными по своему содержанию сетями - будь-то телефонная, телевизионная сети или сеть передачи данных.
Для получения требуемой информации пользователю приходится пользоваться разнородными по своему содержанию сетями.
У каждой из сетей была своя кабельная инфраструктура, которая использовалась строго по назначению. Исключение составляла лишь сеть передачи данных, для подключения к которой использовались арендованные линии или каналы или коммутируемые линии телефонных компаний. Повальная компьютеризация породила огромное число домашних пользователей, а снятие запрета на совместное использование сетей способствовало расширению услуг той или иной сети. Можно полагать, что нынешняя ориентация на нужды рынка малых/домашних офисов превалирует над остальными сегментами рынка и вряд ли изменится в ближайшем будущем. Действительно, вероятность появления большого числа крупных корпоративных клиентов гораздо ниже вероятности появления большого числа компаний малого и среднего бизнеса, да и просто числа домашних пользователей. Очевидно, что стоимость пакета услуг была бы существенно ниже, если бы в роли поставщика выступал единый оператор. В связи с этим, логичным выглядит и желание операторов построить сеть с полным набором услуг, до которой конечно же еще далеко, но к которой в идеале необходимо стремиться. Кто владеет информацией, владеет миром, а кто владеет информационным каналом, управляет им. Современные телекоммуникационные компании стремяться расширить набор предоставляемых услуг и овладеть информационным каналом между пользователем и внешним миром. Стремление к этому идеалу находит отражение в телефонных сетях и сетях кабельного телевидения, которые уже сегодня насчитывают наибольшее число пользователей и предоставляют помимо стандартного набора услуг и доступ к сетям передачи данных и Интернет
Российский рынок телекоммуникацуионных услуг еще достаточно молодой и его бурный рост сдерживается двумя факторами. С одной стороны низкой платежеспособностью потребителя, с другой высокой стоимость услуги оператора. Как результат, нет массовости. Очевидно, услуга тем дешевле, чем больше пользователей на нее. Для создания этой самой массовости требуется привлечь на рынок миллионную армию домашних пользователей. Однако без серьезного снижения стоимости это вряд ли произойдет. Важнейшую роль в этом процессе играет выбор среды распространения сигнала именно для организации "последней мили" или линий, по которым и происходит подключение пользователей к точкам доступа оператора. При построении сети, рассчитанной на массового потребителя, выбор той или иной технологии для решения проблемы "последней мили" играет решающую роль при установлении тарифов. Расходы на построение транспортной сети зависят только от числа узловых точек и связей между ними и напрямую не зависят от числа пользователей. Расходы же на организацию "последней мили" пропорциональны числу пользователей и в наибольшей степени влияют на стоимость услуг.
Так можно выделить следующие наиболее реальные направления развития широкополосных сетей:
построение беспроводной широкополосный сети доступа на основе спутниковой связи,
построение гибридной кабельной (оптоволокно плюс коаксиал) или чисто кабельной инфраструктуры (только коаксиал) с использованием кабельных модемов,
использование существующей инфраструктуры телефонных кабелей за счет применения новых технологий, например, xDSL, и устройств на их основе.
Эволюция сетей проводного абонентского доступа.
Одной из важнейших проблем телекоммуникационных сетей продолжает оставаться проблема абонентского доступа к сетевым услугам. Актуальность этой проблемы определяется в первую очередь бурным развитием сети Интернет, доступ к которой требует резкого увеличения пропускной способности сетей абонентского доступа. Основным средством сети доступа, несмотря на появление новых самых современных беспроводных способов абонентского доступа, остаются традиционные медные абонентские пары. Причиной этого является естественное стремление операторов сети защитить сделанные инвестиции. Поэтому в настоящее время и в обозримом будущем стратегическим направлением увеличения пропускной способности сетей абонентского доступа будет оставаться технология асимметричной цифровой абонентской линии ADSL, использующей в качестве среды передачи традиционную медную абонентскую пару и одновременно сохраняющей уже предоставляемые услуги в виде аналогового телефона или основного доступа к ISDN. Реализация этого стратегического направления эволюции сетей абонентского доступа зависит от конкретных условий существующей сети абонентского доступа каждой страны и определяется каждым оператором связи с учётом этих конкретных условий. Понятно, что разнообразие местных условий определяет большое число возможных способов миграции существующей сети абонентского доступа к технологии ADSL.
Телекоммуникационные технологии непрерывно совершенствуются, быстро адаптируясь к новым требованиям и условиям. Ещё совсем недавно основным и единственным средством абонентского доступа к услугам сети - и в первую очередь к услугам сети Интернет был аналоговый модем. Однако самые совершенные аналоговые модемы - модем, удовлетворяющий требованиям рекомендации ITU-T V.34, c потенциальной скоростью передачи до 33,6 Кбит/с, а также модем последующего поколения удовлетворяющий требованиям рекомендации V.90 ITU-T, с потенциальной скоростью передачи 56 Кбит/с практически не могут обеспечить эффективной работы пользователя в сети Интернет.
Таким образом, резкое увеличение скорости доступа к сетевым услугам, и в первую очередь к услугам Интернет является критически важным. Одним из методов решения этой задачи является применение семейства технологий высокоскоростной абонентской линии xDSL. Эти технологии обеспечивают высокую пропускную способность сети абонентского доступа, основным элементом которой является скрученная медная пара местной абонентской телефонной сети. Хотя каждая из технологий xDSL занимает свою нишу в телекоммуникационной сети, тем не менее неоспоримо, что технологии асимметричной цифровой высокоскоростной абонентской линии ADSL и сверхвысокоскоростной цифровой абонентской линии VDSL представляют наибольший интерес и для провайдеров телекоммуникационных услуг, и для производителей оборудования, и для пользователей. И это не случайно - технология ADSL появилась как способ предоставления пользователю широкого набора телекоммуникационных услуг, включая в первую очередь высокоскоростной доступ к сети Интернет. В свою очередь, технология VDSL способна предоставить пользователю столь широкую пропускную способность, которая позволяет ему получить доступ практически к любой широкополосной сетевой услуге как в ближайшем, так и в отдалённом будущем, но уже не в чисто медной, а в смешанной, медно-оптической сети доступа. Тем самым обе эти технологии обеспечат эволюционный путь внедрения оптического волокна в сеть абонентского доступа, защитив самым эффективным образом прошлые инвестиции операторов местных сетей. Таким образом, ADSL можно рассматривать как самый многообещающий член семейства технологий xDSL, преемником которого будет технология VDSL.
Хотя ключевой идеей миграции способов предоставления сетевых услуг с помощью технологий xDSL, является переход от аналоговой телефонной сети общего пользования сначала к ADSL ( а затем, по мере необходимости, к VDSL), однако это не исключает применения для той же цели в качестве промежуточных этапов и других типов технологий xDSL. Например, для увеличения пропускной способности абонентской линии могут использоваться технологии IDSL и HDSL.
От аналогового модема к ADSL.
Наиболее распространённым сценарием миграции для доступа к услугам сети Интернет безусловно является переход от исходной сети доступа с помощью аналоговых модемов ТфОП к целевой сети доступа с помощью модемов ADSL.
ADSL (Asymmetric Digital sub>scriber Line - асимметричная цифровая абонентская линия). Данная технология является асимметричной Такая асимметрия, в сочетании с состоянием "постоянно установленного соединения" (когда исключается необходимость каждый раз набирать телефонный номер и ждать установки соединения), делает технологию ADSL идеальной для организации доступа в сеть Интернет, доступа к локальным сетям (ЛВС) и т.п. При организации таких соединений пользователи обычно получают гораздо больший объем информации, чем передают. Технология ADSL обеспечивает скорость "нисходящего" потока данных в пределах от 1,5 Мбит/с до 8 Мбит/с и скорость "восходящего" потока данных от 640 Кбит/с до 1,5 Мбит/с. ADSL технология позволяет без существенных затрат сохранить традиционный сервис и предоставить дополнительные услуги, среди которых:
сохранение традиционного телефонного сервиса,
высокоскоростная передача данных со скоростью до 8 Мбит/ к пользователю услуги и до 1,5 Мбит/с - от него,
высокоскоростной доступ в Интернет,
передача одного телевизионного канала с высоким качеством, видео-по-запросу,
дистанционное обучение.
По сравнению с альтернативными кабельными модемами и волоконно-оптических линиями главное преимущество ADSL состоит в том, что для нее используется уже существующий телефонный кабель. На окончаниях действующей телефонной линии устанавливаются частотные разделители (некоторые используют кальку с английского сплиттер) - один на АТС и один у абонента. К абонентскому разделителю подключаются обычный аналоговый телефон и ADSL модем, который в зависимости от исполнения может выполнять функции маршрутизатора или моста между локальной сетью абонента и пограничным маршрутизатором провайдера. При этом работа модема абсолютно не мешает использованию обычной телефонной связи, которая существует независимо от того функционирует или нет ADSL линия.
В настоящее время имеются две модификации технологии ADSL: так называемая полномасштабная ADSL, которую называют просто ADSL, и так называемая "лёгкая" версия ADSL, которую называют "ADSL G. Lite". Обе версии ADSL в настоящее время регламентированы рекомендациями МСЭ-Т G.992.1 и G.992.2 соответственно.
Концепция полномасштабной ADSL первоначально родилась как попытка конкурентного ответа операторов местных телефонных сетей операторам кабельного телевизионного вещания (КТВ). С момента появления технологии ADSL прошло уже почти 7 лет, однако до сих пор она не получила массового практического применения. Уже в процессе разработки полномасштабной ADSL и первого опыта её внедрения выяснился целый ряд факторов, которые требовали коррекции первоначальной концепции.
Основными из этих факторов являются следующие.
• Изменение основного целевого применения ADSL: в настоящее время основным видом широкополосного абонентского доступа является уже не предоставление услуг КТВ, а организация широкополосного доступа к Интернет. Для решения этой новой задачи вполне достаточно 20% максимальной пропускной способности полномасштабной ADSL, которой соответствует скорость нисходящего потока (от сети к абоненту) 8,192 Мбит/с и скорости восходящего потока (от абонента к сети) 768 Кбит/с.
• Неготовность сети Интернет для предоставления услуг полномасштабной ADSL. Дело в том, что сама система ADSL является лишь частью сети широкополосного доступа к сетевым услугам. Уже первые опыты внедрения ADSL в реальные сети доступа показали, что сегодняшняя инфраструктура сети Интернет не может поддерживать скорости передачи выше 300...400 Кбит/с. Хотя магистральный участок сети доступа к Интернет обычно выполняется на оптическом кабеле, однако не эта сеть, а другие элементы сети доступа к Интернет- такие, как маршрутизаторы, серверы и РС, включая и особенности трафика Интернет, определяют реальную пропускную способность этой сети. Поэтому применение полномасштабной ADSL на существующей сети практически не решает проблемы широкополосного абонентского доступа, а просто перемещает её с абонентского участка сети в магистральную сеть, обостряя проблемы инфраструктуры сети. Поэтому внедрение полномасштабной ADSL потребует значительного увеличения пропускной способности магистрального участка сети Интернет, и, следовательно, существенных дополнительных затрат.
• Высокая стоимость оборудования и услуг: для широкого развёртывания технологии необходимо, чтобы стоимость абонентской линии ADSL была не более 500 $; существующие цены существенно превышают эту величину. Поэтому реально используются другие продукты xDSL и в первую очередь модификации HDSL (типа многоскоростной MSDSL) с пропускной способностью 2 Мбит/с по одной медной паре.
• Необходимость модернизации инфраструктуры существующей сети доступа: концепция полномасштабной ADSL требует применения специальных разделительных фильтров - так называемых сплиттеров (splitter's), разделяющих низкочастотные сигналы аналогового телефона или основного доступа BRI ISDN и высокочастотные сигналы широкополосного доступа как в помещении АТС, так и в помещении пользователя. Эта операция требует значительных трудозатрат, особенно в кроссе АТС, где заканчиваются тысячи абонентских линий.
• Проблема электромагнитной совместимости, заключающаяся в недостаточной изученности влияния полномасштабной ADSL на другие высокоскоростные цифровые системы передачи ( в том числе и типа xDSL), работающие параллельно в том же кабеле.
• Большая потребляемая мощность и занимаемая площадь: существующие модемы ADSL кроме высокой стоимости, требуют ещё много места и расходуют значительную мощность (до 8 Вт на модем ADSL в активном состоянии). Чтобы технология ADSL оказалась приемлемой для размещения на коммутационной станции, необходимо снижение потребляемой мощности и увеличение плотности портов.
• Асимметричный режим работы полномасштабной ADSL: при постоянной пропускной способности линии ADSL он является препятствием для некоторых приложений, требующих симметричного режима передачи - например, видеоконференций, а также для организации работы некоторых пользователей, имеющих собственные серверы Интернет. Поэтому необходима адаптивная ADSL, способная работать как в асимметричном, так и в симметричном режиме.
• Аппаратное и программное обеспечение помещения пользователя, как показали испытания, являются также узким местом систем ADSL.,Проведенное тестирование показало, например, что популярные программы - браузеры Web и платформы аппаратного обеспечения PC могут ограничивать пропускную способность PC величиной 600 Кбит/с. Таким образом, для полного использования высокоскоростных соединений ADSL необходимы улучшения клиентского аппаратного и программного обеспечения пользователя.
Перечисленные проблемы полномасштабной ADSL инициировали появление её "лёгкого" варианта, которым является уже упоминавшаяся ADSL G.Lite.Приведём наиболее существенные особенности этой технологии.
• Основное назначение G.Lite - быстрый доступ в Интернет.
• Возможность работы как в асимметричном, так и симметричном режимах: в асимметричном режиме при скорости передачи до 1536 Кбит/с в нисходящем направлении (от сети к абоненту) и до 512 Кбит/с в восходящем направлении (от абонента к сети); в симметричном режиме - до 256 Кбит/с в каждом направлении передачи. В обоих режимах благодаря использованию кода DMT обеспечивается автоматическая подстройка скорости передачи ступенями по 32 Кбит/с в зависимости от длины линии и мощности помех.
• Упрощение процесса установки и настройки модемов ADSL G.Lite путём отказа от использования разделительных фильтров (сплиттеров) в помещении пользователя, что позволяет выполнять эти процедуры самому пользователю. При этом не требуется замены внутренней проводки в помещении пользователя. Однако, как показывают результаты испытаний, это можно сделать не всегда. Эффективной мерой защиты широкополосного канала передачи данных от сигналов импульсного набора номера и вызывных сигналов является установка специальных микрофильтров прямо в телефонной розетке.
• Реализуемые длины линий ADSL G.Lite позволяют обеспечить высокоскоростным доступом к Интернет подавляющее большинство пользователей домашнего сектора.
Следует отметить, что многими производителями оборудования ADSL выбрана концепция оборудования ADSL, поддерживающего как режим работы полноскоростной ADSL, так и режим ADSL G.Lite.
Предполагается, что появление оборудования ADSL G.Lite резко активизирует рынок устройств широкополосного доступа к услугам Интернет. Велика вероятность того, что он займёт нишу широкополосного доступа к сетевым услугам пользователей домашнего сектора.
Появление промежуточной ступени ADSL в виде ADSL G.Lite создаёт возможность плавного перехода от существующих аналоговых модемов к широкополосному доступу - сначала к Интернет с помощью G.Lite, а затем к мультимедийным услугам с помощью полномасштабной ADSL.
Миграция от аналогового модема к любой из модификаций ADSL выгодна провайдеру услуг, поскольку вызовы повышенной продолжительности, какими являются обращения пользователя в сеть Интернет, направляются в обход коммутируемой телефонной сети общего пользования. Если провайдером услуг является традиционный оператор местной сети, то этот сценарий даёт ему ещё одно дополнительное (но не менее важное) преимущество, поскольку отпадает необходимость дорогостоящей модернизации коммутатора существующей телефонной сети в коммутатор ISDN, который понадобился бы для увеличения скорости доступа к услугам сети Интернет при варианте миграции от услуг телефонной сети общего пользования к услугам сети ISDN. Столь значительные дополнительные инвестиции при переходе от аналоговой ТфОП к ISDN объясняются тем, что последняя является сетевой концепцией с собственным очень мощным многоуровневым стеком протоколов. Поэтому для указанной модернизации требуются существенные изменения аппаратного и программного обеспечения цифровой коммутационной станции ТфОП. В то же время модем ADSL представляет собой просто высокоскоростной модем, для поддержки которого используются стандартные протоколы сети передачи данных, базирующейся на передаче пакетов или ячеек АТМ. Это существенно сокращает сложность доступа к сети Интернет и, следовательно, необходимые инвестиции.
Кроме того, с точки зрения пользователей Интернет, операторов сети и провайдеров услуг Интернет имеет больший смысл прямой переход от модема ТфОП не к модему ISDN, а прямо к модему ADSL. При максимальной пропускной способности узкополосной ISDN, равной 128 Кбит/с (которая соответствует объединению двух В - каналов основного доступа ISDN), переход к ISDN даёт увеличение скорости доступа по сравнению с сетью ТфОП потенциально немногим более, чем в 4 раза и требует к тому же значительных инвестиций. Поэтому промежуточный этап перехода от ТфОП к ISDN в качестве эффективного средства доступа к Интернет практически теряет смысл. Разумеется, это не относится к тем регионам, где уже имеет место широкое внедрение ISDN. Здесь, естественно, определяющим фактором является защита сделанных инвестиций.
Таким образом, основными стимулами рассматриваемого способа миграции сети доступа являются:
• Огромное увеличение скорости доступа к услугам сети Интернет
• Сохранение аналогового телефона или основного доступа к ISDN (BRI ISDN)
• Перемещение трафика Интернет из сети ТфОП в сеть IP или АТМ
• Отсутствие необходимости модернизации коммутатора ТфОП в коммутатор ISDN
Если основным стимулом миграции от аналогового модема к модему ADSL является высокоскоростной доступ к сети Интернет, то наиболее целесообразным способом реализации этой услуги следует считать выполнение удалённого терминала ADSL, называемого ATU-R, в виде платы персонального компьютера (ПК). Это уменьшает общую сложность модема и устраняет проблемы внутренней проводки (от модема до ПК) в помещении пользователя. Однако операторы телефонной сети обычно не желают сдавать в аренду модем ADSL, если он является внутренней платой ПК, поскольку не хотят быть ответственными за возможное повреждение ПК. Поэтому большее распространение пока получили удалённые терминалы ATU-R в виде отдельного блока, называемого внешним модемом ADSL. Внешний модем ADSL подключается к порту ЛВС (10BaseT) или к последовательному порту (универсальной последовательной шине USB) компьютера. Эта конструкция является более сложной, поскольку она требует дополнительного места и отдельного питания. Но такой модем ADSL может быть куплен абонентом местной телефонной сети и запущен в работу пользователем ПК самостоятельно. Кроме того, внешний модем может подключаться не к ПК, а к концентратору или маршрутизатору ЛВС в тех случаях, когда пользователь имеет несколько компьютеров.
А такая ситуация является типичной для организаций, бизнес центров и жилых комплексов.
Миграция к ADSL при наличии в сети доступа ЦСПАЛ.
Предыдущий сценарий миграции требует наличия непрерывной физической медной пары между помещением местной АТС и помещением пользователя. Такая ситуация более типична для развивающихся стран со сравнительно слаборазвитой телекоммуникационной сетью, к которым относится и Россия. В странах с развитой телекоммуникационной сетью на абонентской телефонной сети для увеличения перекрываемых расстояний широко применяются цифровые абонентские системы передачи (ЦСПАЛ) в основном с использованием аппаратуры первичных цифровых систем передачи плезиохронной иерархий (Е1). Например, в США в начале 90-х годов примерно 15% всех абонентских линий обслуживалось с помощью ЦСПАЛ (в США они называются Digital Local Carrier - DLC), в дальнейшем предполагается увеличение их суммарной ёмкости до 45% от общего числа абонентских линий. В настоящее время строятся очень надёжные сети абонентского доступа, в которых используется комбинированная медно-оптическая среда передачи и защищённые кольцевые структуры с применением аппаратуры синхронной цифровой иерархии SDH.
Современные ЦСПАЛ не только мультиплексируют сигналы некоторого числа абонентов в цифровой поток, передаваемый по двум симметричным парам, но и могут выполнять также функции концентрации нагрузки (2:1 или более), что позволяет снизить нагрузку на коммутационные станции. При этом один оконечный терминал ЦСПАЛ размещается в помещении АТС, а другой - в промежуточном пункте между АТС и помещением пользователя. Поэтому индивидуальная физическая абонентская линия существует только между помещением пользователя и удалённым терминалом ЦСПАЛ. Поэтому мультиплексор доступа ADSL (DSLAM - DSL access multiplexor) и его составная часть - станционный терминал ADSL ATU-С должны размещаться не на АТС, а в месте установки удалённого терминала (RDT). При этом для организации систем ADSL используются следующие технические решения:
• Удалённый DSLAM, который размещается в отдельном контейнере вблизи контейнера c RDT и рассчитан на обслуживание большого числа пользователей (обычно от 60 до 100 линий ADSL). В этом случае не требуется специальной системы управления и обслуживания, поскольку используется система управления настройкой и контролем состояния линий ADSL типового DSLAM, устанавливаемого в помещении АТС. Такой DSLAM может работать практически с любым оборудованием ЦСПАЛ, поскольку является совершенно автономным оборудованием; DSLAM просто отделяет трафик ТфОП от трафика собственно линии ADSL и передаёт его в оборудование ЦСПАЛ в аналоговой форме. Вместе с тем, такое решение является весьма дорогостоящим: поскольку оборудование DSLAM автономно, то необходимы серьёзные установочные и монтажные работы, организация электропитания оборудования и многое другое; поэтому это решение целесообразно только при большом числе пользователей ЦСПАЛ.
• Линейные платы ADSL, встроенные в аппаратуру ЦСПАЛ. При этом используются свободные места в платах оборудования ЦСПАЛ, размещаемом в контейнере RDT, причём возможны два варианта:
а) оборудование ЦСПАЛ используется только для размещения и механической защиты плат ADSL, а все соединения выполняются с помощью кабелей, что типично для традиционных ЦСП;
б) линейная плата ADSL является частью аппаратуры ЦСПАЛ и просто интегрирована в последнюю. Этот второй способ обычно используется в новом поколении аппаратуры ЦСПАЛ и позволяет исключить необходимость проведения каких-либо монтажных работ в блоке ЦСПАЛ.
• Удалённый мультиплексор доступа (RAM - remote access multiplexor), который выполняет те же функции, что и DSLAM. Отличается от DSLAM тем, что интегрирован в существующую инфраструктуру ЦСПАЛ и не требует связанной со значительными затратами модернизации существующей инфрастуктуры сети абонентского доступа. Применение RAM является универсальным, поскольку обеспечивает возможность совместной работы с любым типом аппаратуры ЦСПАЛ. Обычно блоки RAM имеют малые габариты и могут размещаться в существующих контейнерах c оборудованием RDT. Основной проблемой известных в настоящее время RAM является их недостаточная масштабируемость.
От ISDN к ADSL.
В 90-е годы в качестве способа более быстрого доступа к Интернет там, где это было возможно, стали широко использоваться линии ISDN. Со временем, когда пропускная способность ISDN окажется недостаточной, естественным решением будет "дополнение" абонентской линии ISDN высокоскоростным каналом ADSL. Так же как и в случае с обычными аналоговыми линиями, такой способ, называемый "ISDN ниже ADSL" ("ISDN under ADSL"), предусматривает использование фильтров для разделение сигналов ADSL и ISDN.
Такое решение особенно привлекательно тем, что оно практически не вызывает никаких проблем с выполнением стандартов узкополосной ISDN и, следовательно, с реализацией способа перехода от ISDN к ADSL. Поэтому данный способ эволюции будет особенно популярен в странах, где широко внедрилась узкополосная ISDN, причём вероятнее всего будет преобладать переход от ISDN к полномасштабной ADSL.
От HDSL к ADSL.
Технология симметричной цифровой абонентской линии HDSL (High Bit-Rate Digital sub>scriber Line - высокоскоростная цифровая абонентская линия) безусловно является самой зрелой и самой дешёвой из технологий xDSL. Она возникла как эффективная альтернатива устаревшей аппаратуре первичных ЦСП Е1 для использования на соединительных линиях местных сетей, а также в качестве первичного доступа к ISDN (PRA ISDN). Благодаря широкому использованию HDSL в самых различных регионах мира хорошо отработаны процедуры развёртывания таких систем, их эксплуатационного обслуживания и тестирования; хорошо известны также высокое качество параметров и высокая надёжность систем HDSL. Поэтому операторы связи и провайдеры сетевых услуг охотно используют оборудование HDSL для высокоскоростного доступа к Интернет. Однако чаще всего применение HDSL в сети абонентского доступа требует применения по крайней мере двух медных пар, что практически не всегда возможно. Использование же для организации линии HDSL только одной пары существенно сокращает перекрываемые расстояния. Кроме того, в оборудовании HDSL не предусмотрена возможность организации аналогового телефона, что требует использования для этой цели дополнительной абонентской пары. Таким образом, имеются существенные факторы, стимулирующие целесообразность перехода от HDSL к ADSL. При такой миграции резко увеличивается пропускная способность сети доступа в нисходящем направлении (т.е. от сети к абоненту), достаточно всего одной пары и появляется возможность организации аналогового телефона. Однако, при таком сценарии миграции могут возникнуть проблемы. Так, пропускная способность сети доступа ADSL в восходящем направлении (т.е. от абонента к сети), как правило, меньше, чем соответствующая пропускная способность пропускная способность HDSL.
От IDSL к ADSL.
Одной из модификаций технологий xDSL является так называемая технология IDSL, имеющая более полную аббревиатуру "ISDN DSL".
IDSL (ISDN Digital sub>scriber Line - цифровая абонентская линия IDSN).
Эта технология появилась как адекватный ответ производителей оборудования и провайдеров сети Интернет на проблемы, связанные с перегрузкой коммутируемой сети ISDN трафиком пользователей Интернет и недостаточной для многих пользователей скоростью доступа к сети Интернет с помощью аналоговых модемов. Технология IDSL предполагает просто формирование цифрового тракта "точка-точка" с пропускной способностью 128 Кбит/с на основе формата основного доступа BRI ISDN путём объединения двух основных B-каналов по 64 Кбит/с каждый; при этом предусмотренный в формате BRI ISDN вспомогательный D-канал не используется, т.е., тракт IDSL имеет структуру типа "128+0" Кбит/с. IDSL использует стандартные микросхемы цифровой абонентской линии ISDN (так называемый U-интерфейс). Однако, в отличие от U-интерфейса ISDN, оборудование IDSL подключается к сети Интернет не через коммутатор ТфОП или ISDN, а через маршрутизатор. Поэтому технология IDSL используется только для передачи данных и не может предоставлять речевые услуги коммутируемых ТфОП или ISDN. Наиболее привлекательными свойствами IDSL являются зрелость технологии ISDN, дешевизна микросхем U-интерфейса ISDN, простота инсталляции и технического обслуживания по сравнению с инсталляцией и техническим обслуживанием стандартной ISDN (поскольку IDSL работает в обход коммутационной станции ISDN), а также возможность использования стандартного измерительного оборудования ISDN. Кроме того, операторы связи и провайдеры услуг Интернет, развёртывающие ISDN, как правило, прекрасно знакомы с последней; поэтому нет проблем, связанных с планированием и техническим обслуживанием линий IDSL. Основным побудительным стимулом миграции от IDSL к ADSL является обеспечение более быстрого доступа к Интернет по сравнению с аналоговым модемом. Следует однако иметь ввиду, что при использовании IDSL для доступа к Интернет необходима вторая абонентская линия для доступа к ТфОП. Переход к технологии ADSL, сохраняющей возможность абонентского доступа к коммутируемой телефонной сети (а при необходимости и к сети Интернет), позволяет пользователю ограничиться только одной абонентской линией, что выгодно не только последнему, но и оператору связи.
SDSL (Symmetric Digital sub>scriber Line - симметричная цифровая абонентская линия). Также как и технология HDSL, технология SDSL обеспечивает симметричную передачу данных со скоростями, соответствующими скоростям линии Т1/Е1, но при этом технология SDSL имеет два важных отличия. Во-первых, используется только одна витая пара проводов, а во-вторых, максимальное расстояние передачи ограничено 3 км. Технология обеспечивает необходимые для представителей бизнеса преимущества: высокоскоростной доступ в сеть Интернет, организация многоканальной телефонной связи (технология VoDSL) и т.п. К этому же подсемейству следует отнести и MSDSL (Multi-speed SDSL) технологию, которая позволяет изменять скорость передачи для достижения оптимальной дальности и наоборот.
SDSL можно охарактеризовать также как и HDSL. Правда она позволяет пройти меньшее расстояние, чем HDSL, зато можно сэкономить на второй паре. Очень часто офис пользователя оказывается на расстоянии не более 3-х км от точки присутствия оператора и тогда эта технология имеет явное преимущество по сранению с HDSL по соотношению цена/качество услуги для ее пользователя. Вариант MSDSL позволяет, в случае не очень хорошего состояния кабеля, пройти тоже расстояние, но с меньшей скоростью, к тому же полные 2 Мбит/с необходимы не всем клиентам и очень часто достаточно 256 или даже 128 кбит/с.
В качестве ещё одной модификации SDSL используется оборудование HDSL2, которое представляет собой усовершенствованый вариант HDSL с применением более эффективного линейного кода передачи
Возможности собственной эволюции ADSL от доступа к Интернет к предоставлению полного набора сетевых услуг.
Рассмотренные способы миграции широкополосного доступа касаются нижнего, физического уровня многоуровневой телекоммуникационной модели, поскольку сами технологии xDSL являются по существу технологиями именно физического уровня. Не менее интересны и пути собственной эволюции ADSL от доступа к сети Интернет к предоставлению полного набора сетевых услуг. Под полным набором сетевых услуг будем понимать в первую очередь услуги мультимедиа и интерактивное видео.
В настоящее время примерно 85% общего объёма широкополосных услуг составляет доступ к Интернет и только 15% доступ к услугам мультимедиа и интерактивному телевидению. Поэтому первым этапом широкополосного доступа будет в подавляющем большинстве случаев доступ к сети Интернет.
Стратегия предоставления широкополосных услуг в настоящее время достаточно полно представлена развитой МСЭ-Т концепцией широкополосной сети с интеграцией услуг ISDN, кратко называемой B-ISDN. В качестве ключевого элемента сети B-ISDN выбран метод асинхронной передачи (АТМ), в основе которого лежит концепция оптимального использования полосы пропускания канала для передачи разнородного трафика (речи, изображений и данных). Поэтому технология АТМ претендует на роль универсального и гибкого транспорта, являющегося основой для построения других сетей.
АТМ, как всякая революционная технология, создавалась без учёта того, что в существующие технологии сделаны большие инвестиции и никто не будет отказываться от старого добротно работающего оборудования, даже если появилось новое более совершенное. Поэтому метод АТМ в первую очередь появился на территориальных сетях, где стоимость коммутаторов АТМ по сравнению со стоимостью самой транспортной сети сравнительно невелика. Для ЛВС же замена коммутаторов и сетевых адаптеров практически равносильна полной замене оборудования сети и переход на АТМ может быть вызван только очень серьёзными причинами. Очевидно, что гораздо привлекательной (а, пожалуй, и более реальной) выглядит концепция постепенного внедрения АТМ в существующую сеть пользователя. Принципиально АТМ позволяет непосредственно переносить сообщения протоколов прикладного уровня, но чаще используется как транспорт для протоколов канального и сетевого уровней сетей, не являющихся сетями АТМ (Ethernet, IP, Frame Relay и др.).
Технология АТМ рекомендована в настоящее время как Форумом ADSL, так и ITU-T и для оборудования самой линии ADSL (т.е., модема узла доступа ATU-C и удалённого модема в помещении пользователя ATU-R). Это объясняется в первую очередь тем, что именно АТМ является стандартом сети широкополосного доступа B-ISDN.
В то же время подавляющая часть серверов и пользовательского оборудования сети Интернет поддерживают протоколы TCP/IP и Ethernet. Поэтому при переходе к технологии АТМ необходимо максимально использовать стек уже существующих протоколов TCP/IP в качестве основного инструмента широкополосного доступа к сети Интернет. Это касается не только транспортного и сетевого уровня TCP/IP, но и канального уровня. Сказанное в первую очередь относится к протоколу (а точнее, к стеку протоколов) РРР ("Point to point protocol"), который является протоколом канального уровня стека протоколов TCP/IP и регламентирует процедуры передачи кадров информации по последовательным каналам связи.
Протокол РРР в настоящее время широко используется сетевыми провайдерами для доступа к услугам Интернет с помощью аналоговых модемов и обеспечивает возможность управления так называемыми ААА-функциями - Authentication (аутентификации, т.е., процесса идентификации пользователя); Authorization (авторизации, т.е., права доступа к конкретным услугам); Accounting (учёта ресурсов, включая и тарификацию услуг). При выполнении всех указанных функций протокол гарантирует также необходимую защиту информации. Столь же важным для провайдера Интернет является возможность динамического распределения ограниченного числа IP-адресов среди его клиентов. Эта функция также поддерживается протоколом РРР. Таким образом, и для провайдера Интернет, и для пользователя очень важно сохранение протокола РРР при широкополосном доступе к Интернет через линию ADSL с использованием метода АТМ.
Кроме рассмотренного метода работы сети ADSL с использованием технологии ATM, который кратко называют "РРР поверх АТМ", существует и ряд других: "Классический IP поверх АТМ" ("Classical IP and ARP over ATM" или IPOA), разработанная Форумом АТМ спецификация "Эмуляция локальных сетей" (LAN emulation или LANE), новая спецификация Форума АТМ "Multiprotocol Over ATM" (или MPOA).
Хотя стандарт АТМ признан в качестве самого перспективного универсального стандарта передачи разнородной информации (речи, видео и данных), однако и он не лишён недостатков, основным из которых пока является сложный и долгий процесс настройки постоянного виртуального канала PVC.
В настоящее время самым популярным протоколом передачи данных, и в первую очередь для приложений Интернет, является стек протоколов TCP/IP. В связи с появлением технологии АТМ возникает вопрос: "Не отказаться ли полностью от TCP/IP и не взять ли на вооружение только АТМ?" Жизнь показала, что правильнее всего - объединить достоинства этих двух технологий.
Поэтому в качестве инструмента миграции технологии ADSL от доступа к сети Интернет к предоставлению полного набора сетевых услуг Форумом ADSL рассматривается не только метод АТМ, но и стандарт TCP/IP. Это вполне логично и соответствует интересам как операторов связи, так и пользователей с учётом большого разнообразия местных условий сетей доступа.
От ADSL к VDSL.
По мере роста потребностей пользователя в увеличении пропускной способности чисто медные сети абонентского доступа будут всё более мигрировать к комбинированным медно-оптическим сетям, известным под общим названием FITL (Fiber In The Loop). По мере приближения оптического волокна в этой комбинированной сети к помещению пользователя на её медном участке может оказаться востребованной технология VDSL, которая придёт на смену ADSL.
VDSL (Very High Bit-Rate Digital sub>scriber Line - сверхвысокоскоростная цифровая абонентская линия). Технология VDSL является наиболее высокоскоростной технологией xDSL. В ассиметричном варианте она обеспечивает скорость передачи данных "нисходящего" потока в пределах от 13 до 52 Мбит/с, а скорость передачи данных "восходящего" потока в пределах от 1,6 до 6,4 Мбит/с, а в симметричном варианте в пределах от 13 до 26 Мбит/с, причем по одной витой паре телефонных проводов. Технология VDSL может рассматриваться как экономически эффективная альтернатива прокладыванию волоконно-оптического кабеля до конечного пользователя. Однако, максимальное расстояние передачи данных для этой технологии составляет от 300 м при скорости в 52 Мбит/с и до 1,5 км при скорости до 13 Мбит/с. Технология VDSL может использоваться с теми же целями, что и ADSL; кроме того, она может использоваться для передачи сигналов телевидения высокой четкости (HDTV), видео-по-запросу и т.п.
Наше отставание в развитии сетей передачи данных сыграло положительную роль - операторы не успели вложить существенные средства в оборудование коммутируемых сетей узкополосной ISDN, а также в развитие абонентских участков сетей передачи данных на основе оборудования HDSL и IDSL.
Из вышеизложенного ясно, что в российских условиях наибольшее распространение получит сценарий эволюции сетей проводного абонентского доступа от аналогового модема к ADSL. Уже сегодня спрос на услуги высокоскоростного доступа в Интернет вырос настолько, что имеет смысл по крайней мере начать проработку экономических и технических вопросов развертывания сетей абонентского доступа на основе xDSL технологий.
Таким образом, каждая технология из семейства xDSL технологий с успехом решает ту задачу, для решения которой она разрабатывалась, ну а две из них - ADSL и VDSL - позволяют операторам телефонной связи предоставлять новые виды сервиса, а существующая телефонная сеть имеет реальные перспективы стать сетью с полным набором услуг. Что же касается самих операторов, то скорее всего со временем останутся лишь те, которые смогут предоставить пользователю максимальный набор услуг.
Подключение абонентов с помощью оптоволокна.
Аппаратура для подключения абонентов с использованием оптического кабеля получила широкое распространение в странах Европы и США. Преимущества такого решения очевидны: высокие надежность, качество передачи, а также пропускная способность, следовательно, практически нелимитированная скорость по интерфейсу пользователя. К сожалению, данное решение имеет и недостатки. Во-первых, время, необходимое для прокладки кабеля и получения всех необходимых разрешений может быть довольно значительным, что снижает темпы окупаемости капиталовложений. Во-вторых, применение оптоволокна может быть экономически оправданно лишь при подключении большого числа сконцентрированных в одном месте, например в районах массовой застройки или в офисных зданиях, абонентов. В районах, где плотность абонентов невысока, ресурсы оптического кабеля используются лишь на 5 —10%, поэтому экономически выгоднее уплотнить существующую кабельную сеть или использовать радиодоступ.
Сейчас оптоволокно широко применяется вместо многожильных телефонных кабелей на участке между телефонным коммутатором (АТС) и удаленным концентратором, к которому подключаются, например, телефоны, установленные в квартирах многоэтажного дома или нескольких домов. Аппаратура, реализующая мультиплексирование/демультиплексирование линий индивидуального подключения абонентов, получила название Digital Loop Carrier (DLC), что можно перевести как «цифровая система концентрации телефонных линий». Производят такие системы в США, Западной Европе, Азии (AFC, SAT, Siemens и др). Несколько предприятий готовятся к выпуску DLC и в России.
По своей архитектуре оборудование DLC представляет собой мультиплексор на базе временного разделения каналов с различными пользовательскими интерфейсами и линейным интерфейсом для непосредственного подключения к оптоволокну. Таким образом, обеспечивается объединение множества абонентских линий в один высокоскоростной цифровой поток, поступающий на АТС (узел сети) по оптическому кабелю.
Набор пользовательских интерфейсов как правило включает в себя аналоговый абонентский двухпроводной интерфейс (обычный телефонный), аналоговый интерфейс с сигнализацией Е&М, цифровой интерфейс (V.24 или V.35), интерфейс ISDN.
Станционные интерфейсы предусматривают подключение к аналоговым АТС (по абонентскому двухпроводному стыку или интерфейсу Е&М), цифровым АТС (по стыку Е1 с сигнализацией V.51 или стыку ЕЗ с сигнализацией V.52). Естественно, предусматривается и подключение по интерфейсу ISDN и цифровому интерфейсу V.24/V.35 (для подключения к сети передачи данных).
Линейные интерфейсы современной аппаратуры DLC можно разбить на несколько групп.
Оптический интерфейс необходим для непосредственного подключения к оптическим волокном (линейная скорость обычно в пределах от 34 до 155 Мбит/с). Например, в системе NATEKS 1100Е скорость составляет 49,152 Мбит/с, прием и передача ведутся раздельно по двум волокнам, длина волны лазерного излучателя 1310 нм.
Электрический интерфейс — от Е1 (2 Мбит/с) до ЕЗ (34 Мбит/с) -позволяет подключаться к высокоскоростным сетям, обеспечивающим прозрачную передачу цифровых потоков (например, к сети SDH). Электрический интерфейс также позволяет подключать аппаратуру через тракты HDSL или радиорелейные линии, а на небольших расстояниях (до 1 км по Е1) соединять элементы системы непосредственно.
Список использованной литературы.
1.
M.Mouly, M.B.Pautet. The GSM System for Mobile Communications. 1992.
2. Ю.А. Громаков. Сотовые системы подвижной радиосвязи. Технологии электронных коммуникаций. Том 48. "Эко-Трендз". Москва. 1994.
3. A. Mehrotra. Cellular Radio: Analog and Digital Systems. Artech House, Boston-London. 1994.
4. Ю.А. Громаков. Структура TDMA кадров и формирование сигналов в стандарте GSM. "Электросвязь". N 10. 1993. с. 9-12.
5. W. Heger. GSM vs. CDMA. GSM Global System for Mobile Communications. Proceedings of the GSM Promotion Seminar 1994 GSM MoU Group in Cooperation with ETSI GSM Members. 15 December 1994.
Материалы сайтов:
www.sotovik.com
www.xdsl.ru
www.cidforum.ru