Управление тюнером спутникового телевидения
Аннотация.
В данном дипломном проекте проведена разработка управления тюнером спутникового телевидения.
В расчетно-теоретическом разделе рассмотрены вопросы, касающиеся обоснования структурной схемы, принципиальной электрической схемы, произведен расчет элементов схемы.
В конструкторско-технологическом разделе произведены выбор конструкции блока, разработка технологического процесса сборки печатного узла и блока в целом. Произведен расчет качества и других технологических показателей.
В технико-экономическом разделе обосновывается целесообразность данной разработки с точки зрения годового экономического эффекта.
В разделе охрана труда и окружающей среды проведена разработка мероприятий по уменьшению ОВПФ при техпроцессе сборки.
Введение.
Спутниковое телевидение – область техники связи, занимающаяся вопросами передачи телевизионных программ от передающих земных станций к приемным с использованием искусственных спутников земли (ИСЗ) в качестве активных ретрансляторов. Спутниковое вещание является сегодня самым экономичным, быстрым и надежным способом передачи ТВ сигнала высокого качества в любую точку обширной территории. К преимуществам СТВ относятся также возможность использования сигнала неограниченным числом приемных установок, высокая надежность ИСЗ, небольшие затраты и их независимость от расстояния между источником и потребителем.
Важной проблемой в приемных установках СТВ является возможность автоматического управления ими. Решить эту проблему можно с помощью микропроцессорных устройств.
Использование микроэлектронных средств в изделиях производственного и культурно-бытового назначения не только приводит к повышению технико-экономических показателей изделий (стоимости, надежности, потребляемой мощности, габаритных размеров) и позволяет многократно сократить сроки разработки, отодвинуть сроки «морального старения» изделий, но и придает им принципиально новые потребительские качества (расширенные функциональные возможности).
Использование микропроцессоров в системах управления обеспечивает достижение высоких показателей эффективности при столь низкой стоимости, что микропроцессорам, видимо, нет разумной альтернативной элементарной базы для построения управляющих и/или регулирующих систем.
Разработке устройства управления тюнером на основе микропроцессора посвящена данная работа.
Техническое задание.
Разработать устройство управления тюнером, обладающее следующими характеристиками:
Формирует 3 аналоговых сигнала управления в блоки настройки видео, звука, поляризации со следующими параметрами соответственно:
а) Величина изменения напряжения на выходе от 0 до 9 В, шаг изменения в пределах от U>min>=8 мВ до U>max>=10 мВ;
б) шкала изменения напряжения на выходе от 0 до 9 В, шаг изменения должен находиться в пределах от U>min>=60 мВ до U>max>=80 мВ;
в) шкала изменения напряжения на выходе от 0 до 4,4 В, шаг изменения напряжения должен находиться в пределах от U>min>=20 мВ до U>max>=25 мВ;
Выдает сигналы дискретного управления (8 сигналов).
Принимает сигналы управления и состояния блоков тюнера.
Выдает дискретные сигналы в блок индикации для визуального контроля номера канала от «00» до «99».
Обеспечивает организацию часов реального времени с выдачей показаний на экран по запросу пользователя.
Обеспечивает выдачу сигналов в блок экранной графики.
Должно обеспечивать сохранность информации в ОЗУ и информации о реальном времени при пропадании напряжения сети.
Устройство должно обеспечивать прием и обработку сигналов от передатчика системы дистанционного управления, построенного по типовой схеме включения микросхемы КР1506ХЛ1.
Оглавление.
Введение. ……………………………………………………………….7
Техническое задание. ………………………………………………… 8
1. Расчетно-теоретический раздел. ……………………………… 9
1.1. Структурная схема устройства управления. …………………10
1.2. Описание принципиальной электрической схемы. ………….15
1.2.1. Микропроцессор 1821ВМ85. ………………………………….15
1.2.2. Адресная шина МП 1821ВМ85. ……………………………….19
1.2.3. Шина данных МП 1821ВМ85. ………………………………...21
1.2.4. Генератор тактовых импульсов для МП 1821ВМ85. ………..22
1.2.5. Установка начального состояния МП 1821ВМ85. …………...22
1.2.6. Запоминающие устройства. ……………………………………23
1.2.7. Оперативное запоминающее устройство. …………………….24
1.2.8. Постоянное запоминающее устройство. ……………………...28
1.2.9. Таймер. ………………………………………………………….31
1.2.10.Устройство ввода/вывода. …………………………………….38
1.2.11.Фиксирующая схема. ………………………………………….43
1.2.12.Согласующая схема. …………………………………………..44
1.2.13.Схема дешифрации. …………………………………………...45
1.2.14.Цифро-аналоговый преобразователь. ………………………..48
1.2.15.Дополнительные пояснения к схеме управления. …………..49
1.3. Расчеты параметров и элементов принципиальной схемы. …52
1.3.1. Расчет адресной шины и шины данных МП 1821ВМ85. ……52
1.3.2. Расчет ЦАП. …………………………………………………….54
1.3.3. Расчет параметров КТ3102Б. …………………………………..55
1.3.4. Цепь резонатора МС 512ВИ1. …………………………………57
1.3.5. Расчет RC-цепи МС 1533АГ3. ………………………………...57
1.3.6. Расчет элементов цепи опорного напряжения. ………………57
1.4. Справочные данные. …………………………………………...58
2. Конструкторско – технологический раздел. ………………….67
2.1. Патентный поиск. ………………………………………………68
2.2. Разработка конструкции блока. ……………………………….70
2.3. Выбор и обоснование типа платы, её технологии изготовления, класса точности, габаритных размеров, материала, толщины шага координатной сетки. …………………………………71
2.4. Конструкторский расчет элементов печатной платы. ……….72
2.5. Расчет параметров проводящего рисунка с учетом технологических погрешностей получения защитного рисунка. ….74
2.6. Расчет проводников по постоянному току. …………………..76
2.7. Расчет проводников по переменному току. …………………..77
2.8. Оценка вибропрочности и ударопрочности. …………………79
2.9. Расчет теплового режима. ……………………………………..81
Расчет качества. ………………………………………………...84
2.11. Расчет надежности. …………………………………………….85
3. Технико-экономический раздел. ………………………………87
3.1. Предисловие. …………………………………………………...88
3.2. Расчет себестоимости устройства управления. ………………89
3.3. Расчет оптовой цены изделия и сопоставительный анализ с базовым изделием. …………………………………………………….96
3.4. Расчет годовых эксплуатационных расходов.………………...97
3.5. Расчет годового экономического эффекта от внедрения спроектированного изделия. ………………………………………….99
4. Раздел охраны труда. …………………………………………101
4.1. Обеспечение охраны труда на операциях сборки. ………….102
4.2. Расчет местной вытяжной вентиляции. ……………………..105
4.3. Обеспечение производства печатного узла в чрезвычайных условиях. Обеспечение устойчивости производства изделия при нарушении поставок комплектующих элементов и материалов. ...107
Список литературы. ………………………………………………….112
РАСЧЕТНО-ТЕОРЕТИЧЕСКИЙ
РАЗДЕЛ
1.1. Блок-схема устройства управления.
Принцип функционирования схемы.
Процессор
ОЗУ
ДУ
Таймер
ПЗУ

Фиксиру-ющая схема
Устройство



БИ

А

ЦАП 1
Схема согласования
В
ЦАП 2

С
ЦАП 3

ввода/вывода
Блок экранной графики

БИ – блок индикации
ОЗУ – оперативное запоминающее устройство
ПЗУ – постоянное запоминающее устройство
ДУ – дистанционное управление
Схема дистанционного управления (ДУ) генерирует последовательность коротких импульсов ИК излучения, в соответствии с нажатой кнопкой на панели ДУ. Каждая последовательность состоит из 14 импульсов, из которых 11 импульсов информационных, а также предварительный, запускающий и останавливающий импульсы. С помощью 11 информационных импульсов, мы передаем сигнал ДУ, который представляет собой десятибитовое слово. Его четыре первых бита отведены для передачи адреса, а остальные для передачи команды. Таким образом можно сформировать 16 групп адресов по 64 команды в каждой (в нашем случае будем использовать 16 команд с одним строго определенным адресом).
Двоичная информация каждого бита определяется длительностью интервалов между импульсами. Логическому «0» соответствует основной интервал времени Т, логической «1» – 2Т.
Временной интервал между предварительным и запускающим импульсами – 3 Т, между запускающим и первым информационным – Т, между последним информационным и останавливающим – 3Т.
Предвари- Запуска- Биты Биты Останав-
тельный ющий адреса команды ливающий

импульс импульс
-
3Т
2Т
3Т
Т
Данная информация поступает в процессор, функции которого:
Принять сигналы ДУ;
Выделить биты команды;
Определить какой кнопке ДУ соответствует данная команда;
Обеспечить выполнение данной команды, управляя и синхронизируя деятельностью всего устройства управления.
Как известно процессор выполняет все действия согласно программе, которая хранится в ПЗУ. Вопросы записи программы в ПЗУ в данном случае рассматриваться не будут. Значит для функционирования процессору необходимо считывать информацию (программу), которая хранится в ПЗУ. Для этого процессор соединен с ПЗУ тремя шинами:
Шиной адреса;
шиной данных;
шиной управления.
Для считывания информации из ПЗУ необходимо выполнить следующие действия:
обеспечить стабильность уровней сигналов на адресной шине;
подготовить шину данных для приема данных в микропроцессор;
после шагов 1 и 2 активировать шину управления чтением из памяти.
Значит микропроцессор обрабатывает сигналы ДУ, согласно программе, которая хранится в ПЗУ.
Так как в процессе выполнения программы будут формироваться данные, которые понадобятся для дальнейшего функционирования схемы устройства управления, то нужно предусмотреть дополнительную область памяти, где эти данные будут храниться и откуда при необходимости будут считываться. Для этого в данной схеме используется ОЗУ.
Отличительной особенностью ОЗУ от ПЗУ является то, что данные из ОЗУ могут не только считываться, но и записываться в ОЗУ.
Для сопряжения микропроцессора и ОЗУ используются те же 3 шины:
шина адреса;
шина данных;
шина управления.
Считывание данных из ОЗУ аналогично считыванию данных из ПЗУ, а для записи необходимо выполнить следующие действия:
на адресной шине должен быть активирован адрес памяти (т.е. адрес ячейки, куда записываются данные);
на шину данных должны поступить данные из микропроцессора;
после осуществления действий 1 и 2 на линию записи в память шины управления должен поступить импульс разрешения записи.
Вывод: Микропроцессор обрабатывает сигналы ДУ и «принимает» решения согласно программе, хранящейся в ПЗУ. Данные, которые появляются в процессе выполнения программы, хранятся в ОЗУ.
Таким образом, на уровне блок-схемы рассмотрены 4 блока устройства управления, их функции и сопряжения между собой.
Более подробное описание организации соединения ДУ и микропроцессора, микропроцессора и ОЗУ, микропроцессора и ПЗУ будет рассмотрено ниже, когда будут выбраны конкретные интегральные схемы микропроцессора, ОЗУ и ПЗУ. Там же будут рассмотрены принципы организации шины адреса, данных и управления.
Для лучшего понимания функционального назначения остальных блоков устройства управления сначала познакомимся с классификацией сигналов, поступающих с ДУ:
сигналы ДУ, в соответствии с которыми происходит включение необходимого канала с последующей настройкой на нужную частоту видео, звука и настройкой на соответствующую поляризацию. Если на нужном канале уже произведена настройка на нужную частоту видео и звука и настройка на соответствующую поляризацию, эти данные хранятся в ОЗУ и считываются при включении соответствующего канал.
сигналы ДУ, которыми можно управлять часами реального времени с будильником и календарем.
сигнал ДУ, которым можно выключить систему в целом.
Значит необходимо, чтобы устройство управления, анализируя сигналы с ДУ согласно программе, хранящейся с ПЗУ, выполняло следующие функции:
выдавало аналоговые сигналы в блоке настройки видео, звука и поляризации.
Для этого необходимо обеспечить сопряжение периферийных устройств с шиной данных устройства управления и преобразовать цифровые сигналы в аналоговые. В качестве устройства, выполняющего данные функции, будем использовать программное устройство В/В параллельной информации (содержит 3 выходных канала) и 3 цифро-аналоговых преобразователя. Таким образом, на выходе ЦАП будем иметь аналоговый сигнал пропорциональный коду на входе соответствующего канала. В последствии этот сигнал можно использовать в блоках настройки видео, звука, поляризации.
выдавало сигналы в блок индикации для визуального контроля.
Для этого в данном устройстве управления необходимо предусмотреть блок, который будет фиксировать сигналы, поступающие по шине данных в соответствующие моменты времени.
обеспечивало организацию часов реального времени с будильником и календарем с последующей подачей сигналов в блок экранной графики и процессор.
Для этого необходимо в устройстве управления использовать таймер, выполняющий данные функции.
обеспечить выдачу и прием сигналов в остальные блоки тюнера.
Для этого необходимо предусмотреть блок, согласующий внутреннюю шину данных устройства управления с внешними блоками тюнера в соответствующие моменты времени.
1.2. Описание электрической принципиальной схемы.
1.2.1. Микропроцессор 1821ВМ85.
Изобилие различных типов МП может создать для конструктора настоящую проблему. В этой главе сосредоточено внимание на широко известном МП 182ВМ85 (Intel 8085), который является улучшенным вариантом известного процессора 580ВМ (Intel 8080). Он имеет такую же систему команд, но имеет ряд аппаратурных усовершенствований, упрощающих его применение в конкретных устройствах. Например, для работы МП 580ВМ80 требуется три напряжения питания и два поступающих извне тактовых сигнала с уровнем 12 В и точно выдержанной задержкой между ними. В результате этого появляются большие неудобства при использовании МП 580ВМ80. Хотя более современные МП уже оставили позади МП 1821ВМ85, он пригоден для решения большинства задач и остается популярным из-за своей низкой стоимости и широко распространенного знакомства пользователей с системой команд оригинального МП 580ВМ80.
На рисунке 1 показана структурная схема ЦП 1821ВМ85.
ЦП организован вокруг своей внутренней шины данных, с которой соединены накопитель, арифметико-логическое устройство, регистр кода операций и содержащий 8-битовые и 16-битовые регистры массив регистров.
Хотя ЦП 1821ВМ85 это 8-битовая ЭВМ, 16-битовые регистры нужны для адресации памяти (можно адресовать 65536 ячеек).Микропроцессор содержит устройство управления и синхронизации, которые дирижируют движением сигналов во внутренней шине данных и по внешним линиям управления в соответствии с выходными сигналами дешифратора кода операций. Для него требуется источник питания с напряжением 5 В.
Микропроцессор имеет 18 8-разрядных регистров. Регистры МП имеют следующее назначение:
Обозначение |
Регистр |
Содержимое |
|
А |
аккумулятор |
8 разрядов |
|
РС |
счетчик команд |
16-разрядный адрес |
|
ВС, DЕ, HL |
Регистры общего назначения, HL-указатель данных |
6 8-разрядных, 3 16-разрядных |
|
SP |
указатель стека |
16-разрядный адрес |
|
F |
регистр флажков |
5 флажков (8 разрядов) |





Управление последовательным В/В
Управление прерываниями




8-битовая ШД (внутр.)








Времен-ной регистр(8)
Накопи-тель
(8)
Регистр флажков
(5)
Регистр кода операции
В(8) С(8)
D(8) Е(8)
Н(8) L(8)
Указатель стека(16)
Програм.счетчик (16)
Устройство приращения/уменьшения
Адресный ключ








Дешифратор кода операции и формирователь машинных циклов
АЛУ (8)











И
Адресный буфер
сточник
Буфер
адресов/ данных
питания



+5В


земля


Х
Устройство управления и
синхронизации
Тактовый Прямой
генератор доступ
Управление Состояние к Сброс
памяти
1
A>8
>А>15
>
AD>0
>AD>7>
Х2













Вход Выход
Выход Готовность S>0> S>1> IO/M сброса сброса
такт.имп. адресный Захват
ключ открыт Подтверждение
захвата
Рисунок 1.
В МП использована мультиплексная шина данных. Адрес передается по двум шинам: старший байт адреса – по шине адреса, а младший байт адреса – по шине данных. В начале каждого машинного цикла младший байт адреса поступает на ШД. Этот младший байт может быть зафиксирован в любом 8-разрядном фиксаторе посредством подачи сигнала отпирания фиксатора адреса (ALE). В остальное время машинного цикла шина данных используется для передачи данных между ЦП и памятью или устройствами ввода/вывода.
ЦП
вырабатывает для шины управления сигналы
,
,
S>0>,
S>1>
и IO/М.
Кроме того, он же выдает сигнал
подтверждения прерываний INTA.
Сигнал HOLD
и все прерывания синхронизируются с
помощью внутреннего генератора тактовых
импульсов. Для обеспечения простого
последовательного интерфейса в МП
предусмотрены линия последовательного
ввода данных (SOD).
МП имеет всего 5 входов для подачи
сигналов прерываний: INTR,
RST5.5, RST6.5, RST7.5. и TRAP.
Сигнал INTR
имеет такое же назначение, как и сигнал
INT
в МП 580ВМ80. Каждый из входов RST5.5,
RST6.5, RST7.5. может программно
маскироваться. Прерывания по входу TRAP
не может быть маскировано. Если маска
прерываний не установлена, то на указанные
маскируемые прерывания МП будет
реагировать, помещая при этом содержимое
счетчика команд в стек и переходя к
выполнению программы, адрес которой
определяется вектором реестра.
|
Вход прерывания |
Адрес памяти |
|
5.5 |
2 С>16> |
|
6.5 |
3 L>16> |
|
7.5 |
3 C>16> |
|
TRAP |
2 L>16> |
Так как прерывания TRAP не может, быть маскировано, при появлении запроса прерывания на этом входе микропроцессор будет всегда переходить к выполнению программы, указанной вектором реестра.
Входы сигналов прерываний RST5.5, RST6.5 чувствительны к уровню сигнала, вход RST7.5 чувствителен к переднему фронту сигнала. Значит по входу RST7.5 достаточно подать импульс, чтобы генерировать запрос на прерывания. Каждому прерыванию записан некоторый постоянный приоритет: сигнал TRAP имеет наивысший приоритет, затем идут сигналы RST7.5, RST6.5, RST5.5, сигнал INTR имеет низший приоритет.
Прямой доступ к памяти в МП 1821ВМ85 обеспечивается следующим образом:
на вход HOLD нужно подать уровень логической «1».
Когда МП подтверждает получение сигнала HOLD, выходная линия HLDA МП переводится в состояние логической «1». Перевод этой линии в состояние логической «1»означает, что МП прекратил управление АШ, ШД и шиной управления.
Для реализации режима ожидания необходимо на вход READY МП 1821ВМ85 подать уровень логического «0». Это необходимо, когда время реакции памяти или устройства ввода/вывода больше, чем время цикла команды.
Каждая команда МП состоит из одного, двух или трех байтов, причем первый байт это КОП команды. КОП определяет природу команды, по КОПу ЦП определяет, нужны ли дополнительные байты и если да, ЦП их получит в последующих циклах. Поскольку байт КОПа состоит из 8 бит, может существовать 256 разных КОПов, из числа которых МП 1821ВМ85 использует 244.
Основная последовательность действий при выполнении любой команды такова:
Микропроцессор выдает в память адрес, по которому хранится код операции команды.
Код операции читается из памяти и вводится в микропроцессор.
Команда дешифруется процессором.
Микропроцессор настраивается на выполнение одной из основных функций в соответствии с результатами дешифрации считанного кода операции.
Фундаментальной и отличительной особенностью использования МП при проектировании устройств заключается в следующем: синхронизация всех сигналов в системе осуществляется схемами, входящими в состав кристалла микропроцессора.
Скорость выполнения команд зависит от тактовой частоты. Рекомендуемая тактовая частота равна 3.072 МГц. В этом случае длительность одного машинного такта приблизительно равна 325 мс, а требуемое время доступа к памяти - около 525 мс, что соответствует облегченному режиму для МОП памяти.
1.2.2. Адресная шина микропроцессора 1821ВМ85.
В
МП 1821МВ85 используется принцип «временного
мультиплексирования» функций выводов,
когда одни и те же выводы в разные моменты
времени представляют разные функции.
Это позволяет реализовать ряд
дополнительных функций при тех же 40
выводах в корпусе МП. Восемь
мультиплексированных выводов играют
роль шины данных, либо младших разрядов
адресной шины. Необходимо «фиксировать»
логические состояния выводов AD>0
>AD>7>
МП в моменты, когда они
функционально представляют адресные
разряды А>0>>
>А>7>.
Для этого необходимо точно знать, когда
на этих выводах отображается адресная
информация. В корпусе МП существует
специальный вывод N
30, обозначенный ALE
– открытие фиксатора адреса, сигнал на
котором в нормальном состоянии
соответствует логическому «0». Если
информация на выводах AD>0
>AD>7
>(N 12>
>19),
является адресной А>0>>
>А>7>,
то ALE переводится в
состояние логической «1». При перехода
ALE из
состояния логической «1» в состояние
логического «0» информация на AD>0
>AD>7
>должна быть зафиксирована.
Отметим что для стробирования адресной
информации от МП может быть использован
любой фиксатор. Единственная
предосторожность, которую необходимо
соблюдать при использовании фиксаторов,
заключается в согласовании нагрузки
по току для выводов AD>0
>AD>7>
МП 1821ВМ85 и входов фиксатора
во избежание их
перегрузки, т.е. необходимо убедиться,
что ток на входе используемого фиксатора
не является слишком большим для МП. В
качестве фиксатора будем использовать
регистр, тактируемый сигналом ALE
от микропроцессора. Регистр – это
линейка из нескольких триггеров. Можно
предусмотреть логическую схему
параллельного отображения на выходах
состояния каждого триггера. Тогда после
заполнения регистра от параллельных
выводов, по команде разрешения выхода,
накопленное цифровое слово можно
отобразить поразрядно сразу на всех
параллельных выходах.
Для удобства поочередной выдачи данных от таких регистров (буферных накопителей) в шину данных процессора параллельные выходы регистров снабжаются выходными буферными усилителями, имеющими третье, разомкнутое Z состояние.
Из
множества регистров различных серий
свой выбор я остановил на регистре серии
1533, т.к. по сравнению с серией 555 они имеют
большее быстродействие и меньшее (в
1.5>
>2
раза) энергопотребление.
В свою очередь регистры серии 555 имеют
быстродействие аналогичное быстродействию
серии 155, но меньшее энергопотребление.
Микросхема 1533UR22 – восьмиразрядный регистр – защелка отображения данных, выходные буферные усилители которого имеют третье Z –состояние. Пока напряжение на входе №11 высокого уровня, данные от параллельных входов отображаются на выходах. Подачей на вход № 11 напряжения низкого уровня, разрешается запись в триггеры нового восьмибитового байта. Если на вход № 1 подать напряжение высокого уровня, выходы микросхемы переходят в 3-е Z состояние.
Таким образом, с помощью микросхемы 1533 UR22 мы фиксируем адресную информацию, поступающую от МП.
Схема включения 1533 UR22.
|
ALE |
|
ОЕ |
|||
|
|
РЕ |
Q>1> |
2 U>п>=5В |
||
|
|
|
D>1> |
Q>2> |
5 № 10 – ЗЕМЛЯ |
|
|
D>2> |
Q>3> |
6 № 20 - U>п> |
||
|
D>3> |
Q>4> |
9 |
||
КAD0 |
|
D>4> |
Q>5> |
12 |
|
AD7 |
|
D>5> |
Q>6> |
15 |
|
|
D>6> |
Q>7> |
16 |
||
|
D>7> |
Q>8> |
19 |
||
|
D>8> |
Таблица истинности.
|
Выход триг-гера |
Выход |
||||
|
Разрешение и считывание из регистра |
Н Н |
PE В В |
D>n> Н В |
Н В |
Q>0> Н В |
|
Защелкивание и считывание из регистра |
Н Н |
Н Н |
«Н» «В» |
Н В |
Н В |
|
Защелкивание в регистр разрыв выходов |
В В |
Н Н |
«Н» «В» |
Н В |
Z Z |
1.2.3. Шина данных микропроцессора 1821ВМ85.
Шина данных в отличие от шины адреса является двунаправленной. Значит необходимо предусмотреть буфер, который по соответствующим сигналам управления от МП будет пропускать данные как к МП так и от него. В качестве двунаправленного буфера будем использовать микросхему 1533 АП6.
Микросхема
1533 АП6 содержит 8 ДНШУ с тремя состояниями
выводов, два входа разрешения Е>АВ>
- №1 (переключение направления каналов)
и
- №19 (перевод выхода канала в состояние
Z).
Таблица истинности.
-

Е>АВ>
А>п>
В>п>
Н
Н
А
ВВход
Н
В
Вход
В
АВ
х
Z
Z
В
качестве управляющих сигналов будем
использовать сигналы
;
EN.
Если сигнал
подать на вход №1 микросхемы
1533 АП6, то при
=
«0» направление передачи информации
В
А
=
«1» направление передачи информации
А
В
Подача сигнала EN на вход № 19 микросхемы 1533 АП6, при котором выводы переходят в третье Z состояние, будет рассмотрена ниже.
|
|
АО |
|
|||
|
|
А1 |
В0 |
18 U>п>=5В |
||
|
А2 |
В1 |
17 № 20 – Uп |
||
|
А3 |
В2 |
16 № 10 - ЗЕМЛЯ |
||
|
А4 |
В3 |
15 |
||
|
А5 |
В4 |
14 |
||
|
А6 |
В5 |
13 |
||
|
А7 |
В6 |
12 |
||
|
Е>АВ> |
В7 |
11 |
||
|
|
1.2.4. Генератор тактовых импульсов
для микропроцессора 1821 ВМ85.
Схема генератора тактовых импульсов микропроцессора 1821ВМ85 содержится в самом микропроцессоре. Достаточно подключить кварцевый резонатор к выводам № 1 и № 2 МП. Кварцевый резонатор может иметь любую частоту колебаний в диапазоне от 1 до 6 МГц. Эта частота делится пополам, и соответствующие импульсы используются в МП. На рисунке 2 показана схема подключения кварцевого резонатора, в результате чего обеспечивается синхронизация МП 1821ВМ85.
40
1
1821ВМ85
2
+5 В1
МГц
Рисунок 2.
1.2.5. Установка начального состояния
микропроцессора 1821ВМ85.
После включения питания ЦП должен начинать выполнение программы каждый раз с команды, расположенной в ячейке с определенным адресом, а не с какой-либо произвольной ячейке. Для этого нужно выполнить начальную установку МП. Такая начальная установка осуществляется при первом включении МП, а также в любое время, когда потребуется вернуть МП к началу выполнения системной программы, всегда с одной и той же определенной ячейки памяти.
Чтобы
выполнить функции начальной установки
МП, к входу
(№ 36) МП подключаются элементы, соединенные
в соответствии со схемой, показанной
на рисунке 3.
При подаче питания конденсатор заряжается до напряжения +5 В через R1. Когда напряжение достигает некоторого определенного значения (min 2.4 В), выполнение команды «сброс» завершится и система начнет выполнение программы с адреса 0000. После отключения питания произойдет разрядка конденсатора С1 и микропроцессор будет находиться в исходном состоянии до тех пор, пока напряжение на конденсаторе С1 не достигнет требуемого значения.
+5В
1821ВМ85
36

V

D1 R1

C1
Рисунок 3.
1.2.6. Запоминающие устройства.
Постоянная тенденция к усложнению задач, решаемых с помощью микропроцессорной техники, требует увеличение объёма и ускорение процесса вычислений. Однако скорость решения любой задачи на ЭВМ ограничена временем ограничения к памяти, т.е. к ОЗУ. В таблице сравниваются характеристики ОЗУ, выполненной на разной элементно-технологической основе.
|
Приме-няемые элементы |
Время выборки,мс |
Информа-ционная ёмкость |
Плотность размещ. информац., бит/см3 |
Энергопо- требление при хранении информац. |
|
БП VT МОП структуры Ферритовые сердечники |
50 250 350 |
103 103 106 |
До 200 200 10 |
Есть Есть Нет |
Полупроводниковые ЗУ по режиму занесения информации делятся на оперативные и постоянные, по режиму работы – статистические и динамические, по принципу выборки информации – на устройства с произвольной и последовательной выборкой, по технологии изготовления – на биполярные и униполярные.
1.2.7. Оперативные запоминающие устройства.
ОЗУ предназначены для записи, хранения и считывания двоичной информации. Структурная схема представлена на рисунке 4.
НК
DCX

А
>0
>А>n>
/
УЗ
RDD



>I>
DCY
УС
D>0>С


S
S
УУ
EX
S

EY
НК – накопитель; DCX, DCY – дешифраторы строк и столбцов; УЗ – устройство записи, УС – устройство считывания, УУ – устройство управления.
Как уже отмечалось, ОЗУ можно разделить на 2 типа: статические и динамические. В накопителях статических ОЗУ применяются триггерные элементы памяти. В ОЗУ динамического типа запоминающим элементом служит конденсатор. Динамические ОЗУ имеют ряд преимуществ по сравнению со статистическими ОЗУ. Основные характеристики динамических ОЗУ:
|
I |
II |
III |
IV |
|
|
Наибольшая ёмкость, бит/кристалл |
4К |
16К |
64К |
256К |
|
Время выборки считывания, мс |
200 |
200 |
100 |
150 |
|
Р>потр>, мВт/бит |
0,1 |
0,04 |
4
10-3 |
3
10-3 |
Преимуществом статистических ОЗУ перед динамическими является отсутствие схемы регенерации информации, что значительно упрощает статические ЗУ, как правило, имеют один номинал питающего напряжения.
Типовые характеристики СЗУ:
|
ЭСЛ |
ТТЛ |
ТТЛШ |
U2Л |
пМОП |
кМОП |
|
|
Ёмкость, бит/кристалл |
256 |
256 |
1К |
4К |
4К |
4К |
|
Время выборки считывания, мс |
10 |
50 |
50 |
150 |
45 |
150 |
|
Р>потр> , мВт/бит |
2 |
15 |
0,5 |
0,1 |
0,24 |
0,02 |
Наибольшим
быстродействием обладают биполярные
ОЗУ, построенные на основе элементов
ЭСЛ, ТТЛШ. Перспективными являются ОЗУ,
построенные на транзисторных структурах
U2Л, позволяющих
уменьшить площадь ЗЭ до 2000
100мкм2
и снизить мощность потребления до
нескольких микроватт на бит, при
t>вкл>=50
150
мс.
Статические ОЗУ на МОП транзисторах, несмотря на среднее быстродействие, получили широкое распространение, что объясняется существенно большей плотностью размещения ячеек на кристалле, чем у БП ОЗУ.
Для рМОП удалось уменьшить геометрические размеры ЗЭ и снизить напряжение питания до 15 В.
Для ОЗУ пМОП удалось ещё больше уменьшить геометрические размеры, получить в 2,5 раза большую скорость переключения. Единое напряжение питания +5В обеспечивает непосредственную совместимость таких ОЗУ по логическим уровням с микросхемами ТТЛ.
Элементы ОЗУ на кМОП VT используются для построения статических ОЗУ только при необходимости достижения min Р>потр.> Также при переходе к режиму хранения Р>потр> уменьшается на порядок.
Для
статических ОЗУ достигнута ёмкость 64
Кбит при организации 16 разрядов и времени
выборки до 6 мс. I>потр>
статических БП ОЗУ 100
200
мА. Широко применяются схемы на кМОП-VT,
среди которых наибольшее распространение
получила серия 537;
I>потр
>60
мА (режим обращения) и I>потр>=0,001
5
мА (хранение). В большинстве схем
предусмотрен режим хранения с пониженным
U>пит>=2
В. Это позволяет наиболее просто
реализовать работу ОЗУ от резервных
батарей.
Динамические
ОЗУ представлены в основном серией
КР565 с max
ёмкостью 256х1 разряд и min
времени выборки 150 мс. Но необходимо
постоянное восстановление информации
– регенерации, период которой составляет
1
8
мс. Для регенерации нужны дополнительные
схемы, что усложняет схему в целом.
Дальнейшее рассмотрение будем вести на примере статического ОЗУ 2Кх8 с общим входом и выходом типа 537РУ10.\
t>выб
>220
мс.
Р>потр>: хранение U>п>=5В – 5,25 мВт
U>п>=2В – 0,6 мВт
обращение - 370 мВт
3) I>потр>: хранение – 3 10-4 мА
обращение – 70 мА
4) Диапазон рабочих
температур - 10
+
С.
Усиление
вх-вых сигналов до уровней ТТЛ
осуществляется с помощью вых.
формирователей. Т.к. ОЗУ организовано
как 2Кх8, значит необходимо использовать
АО
А10
адресных линий и DO
D7
линий шины данных.
Для управления функционированием схемы используется 3 вывода:
/RE
- № 21
CE - № 18
OE - № 20
Микросхема 537РУ10 функционирует в 3 режимах:
режим хранения данных
режим считывания данных
режим записи данных
Таблица истинности:
-
/RE

DO
D7Хранение
X
1
X
Z
Запись
O
O
X
«0» или «1»
Считывание 1
1
O
O
«0» или «1»
Считывание 2
1
O
1
Z
Запись и
считывание производится по 8 бит. При
считывании можно запретить вывод
информации (
=1).
В качестве управляющих сигналов можно
использовать сигналы WR, RD,
CSO (организация сигнала CSO
будет рассмотрена ниже).
|
|
АО |
RAM |
К шине данных |
||
|
|
А1 |
D0 |
9 |
|||
|
А2 |
D1 |
10 |
|||
|
А3 |
D2 |
11 |
|||
|
А4 |
D3 |
13 |
|||
|
А5 |
D4 |
14 |
|||
|
А6 |
D5 |
15 |
|||
|
А7 |
D6 |
16 |
|||
|
А8 |
D7 |
17 |
|||
|
А9 |
|||||
19 |
А10 |
|||||
WR |
21 |
WE/RE |
U>п> |
24 |
||
|
20 |
OE |
GND |
12 |
||
|
18 |
CE |
1.2.8. Постоянное запоминающее устройство.
Структурная схема ПЗУ аналогична структурной схеме ОЗУ, только отсутствует устройство записи, т.к. после программирования ПЗУ, информация из него только считывается.
Основные характеристики восьми типов ПЗУ приведены ниже:
|
Параметр |
ЭСЛ |
ТТЛ |
ттлш |
рмоп |
пмоп |
кмоп |
лиз моп |
|
Ёмкость, бит/ кристалл |
256 |
1К |
1К |
4К |
8К |
64К |
256 К |
|
Р>потр>, мВт/бит |
0,8 |
0,01 |
0,01 |
0,1 |
0,01 |
5 10-3 |
2 10-3 |
|
t>счит>, мс |
20 |
50 |
45 |
500 |
30 |
50 |
200 |
Для потребителей выбор типа ПЗУ во многом определяется не только электрическими параметрами этой большой ИС, но и способами её программирования. ПЗУ могут программироваться, как у потребителя, так и на предприятии –изготовителе. Существуют ПЗУ однократного и многократного программирования.
Наиболее универсальными являются перепрограммирования ПЗУ, которые изготовляются на основе МОП-структур и ЛИЗМОП. Ёмкость таких РПЗУ достигает 256 кбит с организацией 32х2. Информация стирается с помощью УФ-облучения кристалла. В накопителях РПЗУ используются специальные типы VT-структур, которые изменяют свои характеристики при программировании РПЗУ. Это изменение характеристик и служит признаком хранящейся информации. Время выборки считывания таких РПЗУ широкое распространение получила серия 573.
Свой выбор я остановил на РПЗУ 8к х 8 типа 573РФ4:
t>хр> не менее 25000 ч.
число циклов не менее 25.
перепрограммирования (Т=
С).
U>п> – 5 В
U>прогр> – 5 В (считывание)
21,5 В (программирование).
Р>потр > – не более 420 мВт.
t>выб.адреса >
– не более 300
450
мс.
t>выб.разр. >
– не более 120
150
мс.
Выход - 3 состояния.
Совместимость – с ТТЛ схемами по входу и выходу.
Так как ПЗУ
организована как 8к х 8, значит необходимо
использовать А0
А12
адресных линий и D0
D7
линий шины данных.
Для управления функционирования схемы используются 2 вывода:
CS - №20.
ОЕ - №22.
Микросхема 573РФ4 функционирует в 2-х режимах:
режим хранения
режим считывания
Считывание информации производится по 8 бит. В качестве сигналов управления будем использовать сигнал RD и сигнал, который будет поступать по старшей адресной линии.
Таблица истинности:
|
|
|
PR |
U>PR> |
|
|
Хранение |
1 |
х |
Х |
U>п> |
|
Считывание |
0 |
0 |
1 |
U>п> |
|
Отключение выходов |
0 |
1 |
1 |
U>п> |
|
Программирование |
0 |
1 |
0 |
21,5 |
|
Запрет программирования |
0 |
1 |
1 |
21,5 |
|
Запрет программирования |
1 |
1 |
0 |
21,5 |
|
|
АО |
ROM |
№ 28 – свободный |
||
|
|
А1 |
D0 |
11 |
|||
|
А2 |
D1 |
12 |
К шине данных |
||
|
А3 |
D2 |
13 |
|||
|
А4 |
D3 |
15 |
|||
|
А5 |
D4 |
16 |
|||
|
А6 |
D5 |
17 |
|||
|
А7 |
D6 |
18 |
|||
|
А8 |
D7 |
19 |
|||
|
А9 |
|||||
21 |
А10 |
|||||
|
|
23 |
A11 |
PR |
27 |
||
|
|
2 |
A12 |
U>п> |
28 |
||
|
20 |
CS |
U>пр> |
1 |
||
|
18 |
OE |
GND |
14 |
1.2.9. Таймер.
Одно из наиболее необходимых эксплуатационных удобств – наличие встроенных часов, показания которых постоянно или по запросу оператора выводятся на экран. Можно также обеспечить выдачу команд на включение или выключение внешних устройств в заданное время. Часы могут быть реализованы как программно, так и аппаратно.
Программная реализация требует решения многих проблем. При аппаратной реализации основная задача – передать показания электронных часов на шину данных. Желательно также иметь возможность по командам блока управления корректировать показания часов, устанавливать время срабатывания будильника.
К сожалению, большинство БИС, предназначенных для электронных часов, нельзя непосредственно связать с блоком управления. Для этого необходимо разработать довольно сложную схему сопряжения. Но, в настоящее время промышленностью выпускается микросхема 512 ВШ, специально предназначенная для работы в составе микропроцессорных устройств в качестве часов реального времени с будильником, календарем, а также ОЗУ общего назначения ёмкостью 50 байт.
Микросхема выполнена по КМОП технологий, питается от одного источника питания от 3 до 8 В. Потребляемая мощность очень мала, что позволяет питать микросхему от автономного источника (батареи), сохраняя при этом, при отключении основного источника питания микропроцессорной системы, правильный ход часов и информацию, занесенную во внутреннее ОЗУ.
|
Время цикла записи или считывания информации |
U>п> |
|
1 мкс до 5 мкс |
5 В 3 В |
Микросхема совместима по логическим уровням с микросхемами ТТЛ. Все выводы допускают нагрузку током до 10 мА.
Условное обозначение и основная схема включения:

+5
В










R2
+4+6В
RESET U>00>
PS U>55>
AD0
AD1
AD2
AD3
IRQ
AD4
AD5
AD6
AD7
AS
SQ>W>
DS
R/W
CKOUT
CE
CKFS
OSCI OSC2
C1 R1
VD2
18 VD1

C2 22

4
5
6
7
8
9
10
11
14
17
15
13
20
2


К шине 19
AD0
AD7
микропроцессора
к
мик-

ропро-

23
цессор
К шине ной
Управления 21 сис-


теме
С3







3

R4


С4 R3
Можно использовать резонаторы, имеющие резонансную частоту:
32768 Гц
1048576 Гц
4194304 Гц
Ток потребления зависит от f>r>.
f=32768
Гц I>n
>мкА
при
f
I>потр>
может доходить до 4 мА.
Сигнал тактового генератора можно снять с выхода CKOUT для использования в других устройствах системы. Он поступает на этот вход непосредственно (CKFS=1) или после деления частоты на четыре (CKFS=0). Микросхема имеет выход ещё одного сигнала (SQ>W>), получаемого делением частоты тактового генератора. Коэффициент деления задается командами, поступающими от процессора. Включается и выключается этот сигнал также командами процессора.
Распределение памяти микросхемы 512ВИ1:
|
Адрес |
Данные |
|
00Н 01 02 03 04 05 06 07 09 0А 0В 0С 0D OE-3 FH |
Секунды Секунды (будильник) Минуты Минуты (будильник) Часы Часы (будильник) День недели День месяца Месяц Год Регистр А Регистр В Регистр С Регистр D ОЗУ общего назначения |
Микросхема
связана с микропроцессором через
двунаправленную мультиплексированную
шину адреса – данных (AD0
AD7).
Для управления записью и считыванием
информации служат входы
(выбор микросхемы), AS
(строб, адреса), DS
(строб данных) и R/
(чтение – запись).
- «1» шина AD,
входы DS
и R/
отключены от шин процессора
и снижается мощность потребления.
- «0» должен сохраняться неизменным во
время всего цикла записи и чтения.
Сигнал
AS
подается в виде положительного импульса
во время наличия информации об адресе
на шине AD0
AD7.
Адреса записываются во внутренний буфер
микросхемы по срезу этого импульса.
В этот
же момент анализируется логический
уровень сигнала на входе DS
и в зависимости от него устанавливается
дальнейший режим работы входов DS
и R/
.
В нашем случае на вход AS
подаем сигнал ALE,
который генерируется процессором для
фиксации адреса.
Если
при AS
– «1»-
«0» DS
– «0», то
запись
производится при DS
– «1», R/
-«0»,
а чтение
производится при DS
– «1», R/
-«1».
Если
во время среза импульса AS
(AS – «1»
«0») DS – «1»,
то для считывания необходимо DS-«0»
R/
-«1»,
а для
записи DS-«1»
R/
-«0».
Такая
сложная логика используется для
подключения к микропроцессорам различных
типов. На вход R/
будем подавать сигнал WR,
а на вход DS-RD,
которые генерируются процессором.
Выход
(запрос прерывания) предназначен для
сигнализации процессору о том, что
внутри микросхемы произошло событие,
требующее программной обработки.
Прерывания бывают 3-х типов:
после окончания обновления информации
по будильнику
периодические (с периодом SQ>W>)
Вход
предназначен
для установки в исходное состояние
узлов микросхемы, ответственных за
связь с микропроцессорной системой.
- «0» – никакое вмешательство со стороны
процессора невозможно. На ход часов,
календарь и содержание ячеек ОЗУ этот
вход не влияет.
Вход PS (датчик питания) – контроль непрерывности подачи питающего напряжения. Он подключается таким образом, чтобы напряжение на нем падало до 0 при любом, даже кратковременном отключения питания микросхемы.
Для управления работой микросхемы и анализа её состояния предназначены регистры А…D.
Формат управляющих регистров:
|
Адрес |
D7 |
D6 |
D5 |
D4 |
D3 |
D2 |
D1 |
D0 |
|
OAH OBH OCH ODH |
UIP* SETIRQF* VRT* |
DV2 PIE PF* O* |
DV1 AIE AF* O* |
DV0 VIE VF* O* |
RS3 SQWE O* O* |
RS2 DM O* O* |
RS1 24/12 O* O* |
RS0 DSE O* O* |
* - можно только считывать информацию.
Регистр А.
UIP
– единица в этом разряде означает, что
происходит или начнется менее чем через
244 мкс обновление информации о времени.
На UIP
не действует сигнал
.
Записав единицу в разряд SET
регистра В, можно запретить обновление
и тем самым сбросить UIP.
DVO…DV2 – устанавливает режим работы внутреннего делителя частоты в соответствии с используемой опорной частотой.
Установка опорной частоты:
|
DV2 |
DV1 |
DV0 |
Частота |
|
0 0 0 1 |
0 0 1 1 |
0 1 0 0 |
4194304 Гц 1048576 Гц 32768 Гц сброс делителя |
RS0…RS3 – устанавливает частоту сигнала на входе SQ>W> и период повторения периодических колебаний.
|
RS3 |
RS2 |
RS1 |
RS0 |
f, Гц |
Т (4194304 1048576) |
f |
T (32768) |
|
0 0 0 0 0 0 0 0 1 1 1 1 1 1 1 1 |
0 0 0 0 1 1 1 1 0 0 0 0 1 1 1 1 |
0 0 1 1 0 0 1 1 0 0 1 1 0 0 1 1 |
0 1 0 1 0 1 0 1 0 1 0 1 0 1 0 1 |
- 32768 16384 8192 4096 2048 1024 512 256 128 64 32 16 8 4 2 |
- 30,517 мкс 61,035 мкс 122,07 мкс 244,14 мкс 488,28 мкс 976,56 мкс 1,95312 мс 3,90625 мс 7,8125 мс 15,625 мс 31,25 мс 62,5 мс 125 мс 250 мс 500 мс |
- 256 128 8192 4096 2048 1024 512 256 128 64 32 16 8 4 2 |
- 3,90625 мс 7,8125 мс 122,07 мкс 244,14 мкс 488,28 мкс 976,56 мкс 1,95312 мс 3,90625 мс 7,8125 мс 15,625 мс 31,25 мс 62,5 мс 125 мс 250 мс 500 мс |
Регистр В.
SET – если в этом разряде записан “0”, то каждую секунду выполняется цикл обновления информации о текущем времени и сравнение текущего времени с заданным. Единица в этом разряде запрещает обновление, позволяя записать в регистры начального значения времени, календаря, будильника.
PIE
– разрешение прерываний
с периодом, задаваемым PS0
PS3.
ALE – разрешение прерываний от будильника.
VIE – разрешение прерываний по окончанию цикла обновления.
SQWE – разрешает выдачу сигнала на вход SQ>W>.
PIE,
AIE, VIE, SQWE могут быть
сброшены сигналом
.
DM – «1» данные в двоичном коде
- «0» данные в двоично-десятичном коде.
Значения разряда нельзя изменить без повторной записи начальных значений в ячейки времени и календаря.
24/12 – устанавливает 24 часовой («1») и 12 часовой («0») режим счета времени. В 12 часовом режиме времени после полудня отмечается единицей в старшем разряде часов (адрес О4Н).
DSE – разрешение автономного перехода на летнее время («1»).
Регистр С.
IRQF – флаг запроса прерываний. Устанавливается в единицу при выполнении условия:
PF x PIE + AF x AIE + VF x VIE=1
Одновременно
с установкой IRQF=1
на контакте
устанавливается низкий уровень. PF
– устанавливается в «1» фронтом сигнала
на выходе внутреннего делителя частоты,
выбранного в соответствии с разрядами
RS0
RS3.
AF – устанавливается в «1» при совпадении текущего времени м времени «будильника».
VF – устанавливается в единицу после окончания каждого цикла обновления.
Флаги
сбрасываются после чтения регистра С
или сигналом
.
Регистр D.
VRT – в этом разряде устанавливается «0» при низком уровне на входе PS. Единица устанавливается только считыванием регистра D.
Подключение микросхемы 512ВИ1 к микропроцессору серии 1821ВМ85, имеющему мультиплексированную шину адреса/данных не вызывает затруднений. На вход PS; U>п>; RES подаем высокий уровень (подключим к аккумулятору через RS-цепь). Так как нет необходимости в использовании частоты кварцевого резонатора в блоке управления, то вывод №20 (CKFS) подсоединим к корпусу.
Сигнал
с выхода
через инвертор (PD9)
подадим в микропроцессор на вход RST
6,5 (№8).
Выводы
AD0
AD7
(№№4
11)
таймера непосредственно подключаются
к выводам AD0
AD7
(№№12
19)
микропроцессора.
Подача сигнала CS2 на вход «выбор микросхемы» (№13) будет рассмотрена ниже.
1.2.10. Устройство ввода-вывода.
Процессор 1821ВМ85 является улучшенной модификацией процессора 580ВМ80, а для данного МП специально разработана БИС для ввода-вывода параллельной информации КР580ВВ55А. Вот почему свой выбор и остановил именно на этой микросхеме.
КР580ВВ55 0 программное устройство ввода-вывода параллельной информации, применяется в качестве элемента ввода-вывода общего назначения, сопрягающего различные типы периферийных устройств с магистралью данных систем обработки информации.
Канал данных
Канал А
D0
D7
BA0



BA7
Канал С
BC4

BC7
Канал С
Устройство управления
A0 BC



A1
BC3
Канал В

SR BBO

BB7
Обмен информацией между магистралью данных систем и микросхемой 580ВВ85 осуществляется через 8 разрядный двунаправленный трехстабильный канал данных. Для связи с периферийными устройствами используется 24 линии В/В, сгруппированные в три 8 разрядных канала ВА, ВВ, ВС, направление передачи информации и режимы работы которых определяются программным способом.
1-4;
37-40 – ВА3 – ВА0; ВА7
ВА4
– входы/выходы – информационный канал
А.
10
17
– ВС7
ВС0
– входы/выходы – информационный
канал С.
18
25
– ВВ0
ВВ7
– входы/выходы – информационный
канал В.
5 -
- вход – чтение.
6 -
- вход – выбор кристалла.
7 – GND - - - общий.
8,9 – А0, А1 – вход – младший разряд адреса
26 – U>сс> – питание.
35 – SR – вход – установка исходного состояния.
36 -
- вход – запись.
Микросхема может функционировать в 3-х основных режимах.
В режиме 0 обеспечивается возможность синхронной программно управляемой передачи данных через 2 независимых 8 разрядных канала ВА, ВВ и два 4 разрядных канала ВС.
В режиме 1 обеспечивается возможность ввода или вывода информации в/или из периферийного устройства через 2 независимых 8 разрядных канала ВА, ВВ по сигналам квитирования.
При этом линии канала С используются для приема и выдачи сигналов управления обменом.
В режиме 2 обеспечивается возможность обмена информацией с периферийными устройствами через двунаправленную 8 разрядную шину ВА по сигналам квитирования. Для передачи и приема сигналов управления обменом используются 5 линий канала ВС.
Выбор
соответствующего канала и направление
передачи информации через канал
определяется сигналами А0, А1 и сигналами
,
,
.
Режим работы каждого из каналов ВА, ВВ,
ВС определяется содержимым регистра
управляющего слова (РУС). Производя
запись управляющего слова в РУС можно
перевести микросхему в один из 3-х режимов
работы: режим 0-простой ввод/вывод; режим
1-стробируемый ввод/вывод; режим
2-двунапрвленный канал. При подаче
сигнала SR
РУС устанавливается в состояние, при
котором все каналы настраиваются на
работу в режиме 0 для ввода информации.
Режим работы каналов можно изменить
как в начале, так и в процессе выполнения
работающей программы, что позволяет
обслуживать различные периферийные
устройства в определенном порядке одной
микросхемой. При изменении режима работы
любого канала все входные и выходные
регистры каналов и триггеры состояния
сбрасываются. Графическое представление
режимов работы каналов показано на
рисунке 5, а формат управляющего слова,
определяющего режимы работы каналов,
приведены на рисунке 6.
|
А0 |
А1 |
|
|
|
Направление передачи информации |
|
чтение |
ВА ВВ ВС |
||||
|
0 0 1 |
0 1 0 |
0 0 0 |
1 1 1 |
0 0 0 |
|
|
запись |
Канал
данных Канал
данных Канал
данных Канал
данных |
||||
|
0 0 1 1 |
0 1 0 1 |
1 1 1 1 |
0 0 0 0 |
0 0 0 0 |
|
|
блокировка |
Канал
данных Запрещенная комбинация |
||||
|
Х 1 |
Х 1 |
Х 0 |
Х 1 |
1 0 |
Рисунок 5.
D7 D6 D5 D4 D3 D2 D1 D0
Разряды
0
3
канала ВС








1
- ввод
1 0 - вывод
р
ежим канал
ВВ
работы ВА и 4-7 ВС 1-ввод
00-режим 0 0-вывод
01-режим 1
1
х-режим
2 режим работы
ВВ и разрядов
к
анал
ВА 0
3
ВС
0-режим 0
1-ввод 1-режим 1
0
-вывод
Разряды 4
7
канала ВС
1-ввод; 0-вывод
Рисунок 6.
В дополнение к основным режимам работы микросхема обеспечивает возможность программно независимой установки в «1» и сброса в «0» любого из разрядов регистра канала ВС.
Формат управляющего слова уст./сброса разрядов регистра канала ВС показан на рисунке 7.
D7 D6 D5 D4 D3 D2 D1 D0






1
– установить в «1»
«0» 0 – установить в «0»
неопределенность
код разряд
000 0
001 1
010 2
011 3
100 4
101 5
110 6
110 7
Рисунок 7.
Если микросхема запрограммирована
для работы в режиме 1 или 2, то через
выводы ВС0
ВС3
канала ВС выдаются сигналы, которые
могут использоваться как сигналы
запросов прерываний для МП. Эта особенность
микросхемы позволяет программно
реализовать разрешения или запрет в
обслуживании любого внешнего устройства
ввода/вывода без анализа запроса
прерывания в схеме прерывания системы.
В нашем случае необходимо запрограммировать микросхему 580ВВ55 на вывод информации в режиме 0. Вот почему далее будет рассмотрен только этот режим.
При работе микросхемы в режиме 0 обеспечивается простой ввод/вывод информации через любой из 3-х каналов и сигналов управления обменом информацией с периферийными устройствами не требуется. В этом режиме микросхема представляет собой совокупность 2-х 8 разрядных и 2-х 4 разрядных каналов ввода или вывода. В режиме 0 возможны 16 различных комбинаций схем ввода/вывода каналов ВА, ВВ, ВС. Это определяется комбинациями в разрядах D4; D3; D1; D0 регистра управляющего слова.
Для нашего случая код должен иметь следующее указание:
-
D4
D3
D1
D0
ВА;ВВ;ВС
0
0
0
0
вывод
В режиме 0 входная информация не запоминается, а выходная хранится в выходных регистрах до записи новой информации в канал или до записи нового режима.
Графическое представление режима 0 показано на рисунке 8.
Канал
адреса



Канал
управления




Канал
данных
D7
D0
RD
WR SR CS A1 A0
BC
BB BA

I/0 I/0
BC7
BC0
BA7
BA0
BB7
BB0
Рисунок 8.
Для электрического соединения микросхемы 580ВВ55 и схемы управления необходимо:
шину данных D0
D7
схемы управления соединить с выводами
D0
D7
микросхемы 580ВВ55.
Два младших разряда адресной
шины соединить с выводами A0
A1
микросхемы 580ВВ55.
Выводы
,
микропроцессора 1821ВМ85 соединить с
выводами
,
микросхемы 580ВВ55 соответственно.
На вход SR «Установка в исходное состояние» микросхемы 580ВВ55 подать низкий уровень (подключить к корпусу).
1.2.11. Фиксирующая схема.
Как уже отмечалось выше необходимо подавать сигналы в блок индикации № канала (2 индикатора) в строго определенные моменты времени. Для этого необходимо предусмотреть устройство, которое по сигналам от процессора, будет пропускать информацию на один из индикаторов блока индикации. В качестве элементов фиксирующей схемы будем использовать 2 регистра типа 1533UP23.
Регистр, аналогичный UP22, нос 8 тактируемыми триггерами. Регистр принимает и отображает информацию синхронно с положительным перепадом на тактовом входе.
|
EO |
C |
D>n> |
Выход |
|
|
Загрузка регистра и разрыв выходов |
Н В |
«Н», «В» «Н», «В» |
«Н», «В» соответственно |
Таким образом, подавая тактирующие сигналы на вход С (№11) регистра 1533UP23, мы разрешаем прохождение сигналов на соответствующий индикатор в строго определенные моменты времени.
1
11
3
4
7
8
13
14
17
18
ЕО RG
С Q1
D1 Q2
D2 Q3
D3 Q4
D4 Q5
D5 Q6
D6 Q7
D7 Q8
D8
2
5
6
9
12
15
16
19



U>n>
- № 20
Земля
- № 10
1.2.12. Согласующая схема.
Для организации вывода информации в остальные блоки тюнера будем использовать регистр 1533UP23, тактируемый сигналами от микропроцессора.
Принцип включения и управления регистра 1533UP23 рассмотрен в предыдущей главе.
Для приема информации в устройство управления будем использовать шинный формирователь 1533АП6. Как известно шинный формирователь обеспечивает передачу информации в обоих направлениях. Для обеспечения только ввода данных вывод №1 соединим с корпусом. Если появится необходимость в выводе большего количества информации из устройства управления, то с помощью микросхемы 1533АП6 можно будет решить данную проблему.
Более подробная информация о микросхеме 1533АП6 приведена в главе «Шина данных микропроцессора 1821ВМ85».
1.2.13. Схема дешифрации.
В
предыдущих главах были рассмотрены
основные блоки схемы управления и было
отмечено, что МП в строго определенные
моменты времени должен взаимодействовать
с определенными микросхемами. Поэтому
в данной схеме необходимо предусмотреть
устройство, которое по сигналам от
процессора, будет подключать к его шинам
адреса или данных ту или иную микросхему
или группу микросхем. Из этого можно
заключить, что в схеме системы должен
протекать некоторый процесс однозначного
выбора и он организуется подачей на
линии адреса А11
А15
определенного кода выбора или сигнала
разрешения доступа к отдельному блоку
или блокам. К счастью, эта проблема
является классической и она имеет
простое решение. В частности можно
использовать дешифратор, выполненный
в виде ТТЛ устройства среднего уровня
интеграции, предназначенного для
преобразования двоичного кода в
напряжение логического уровня, которое
появляется в том выходном проводе,
десятичный номер которого соответствует
двоичному коду. В последствии выходной
провод дешифратора подключают к входу
«Выбор микросхемы» нужной микросхемы
(например вывод №18 (CS)
микросхемы 537РУ10).
В качестве дешифратора будем использовать микросхему 1533ИД7. Выбор данного дешифратора обусловлен количеством выходных линий и нагрузочной способностью.
Микросхема
1533ИД7 – высокоскоростной дешифратор,
преобразующий трехразрядный код А0
А2
(№1
3)
в напряжение низкого логического уровня,
появляющегося на одном из восьми выходов
0
7.
Дешифратор имеет трехвходовый логический
элемент разрешения.
В
таблице показано, что дешифрация
происходит, когда на входах
(№4)
и
(№5),
напряжение низкого уровня, а на входе
Е3(№6) высокого. При других логических
уровнях на входах разрешения, на всех
выходах имеются напряжения высокого
уровня.
|
|
|
Е3 |
А2 |
А1 |
А0 |
0 |
1 |
2 |
3 |
4 |
5 |
6 |
7 |
|
ВВВХ Х Н Н Н Н Н Н Н Н |
Х В Х Н Н Н Н Н Н Н Н |
Х Х Н В В В В В В В В |
Х Х Х Н Н Н Н В В В В |
Х Х Х Н Н В В Н Н В В |
Х Х Х Н В Н В Н В Н В |
В В В Н |
В В В Н |
В В В Н |
В В В Н |
В В В Н |
В В В Н |
В В В Н |
В В В Н |
В
качестве информационных сигналов будем
использовать сигналы, поступающие по
адресным линиям А11
А13;
сигналов разрешения, сигналы, поступающие
по адресным линиям А14
А15
(вход №4 подсоединим к корпусу).
Более
подробно рассмотрим подачу сигналов
на входы CS и
организацию сигналов REG1
REG3;
BVF.
ПЗУ:
Сигнал на вход «Выбор микросхемы» (№20) будем подавать на адресной линии А15. Если в старшем разряде адресной шины (А15) уровень логического «0», то такой же уровень на входе №6 дешифратора. При этом ПЗУ переходит из режима «Хранение» и готово к считыванию информации, а дешифратор на всех выходных линиях имеет уровень логической «1» и все остальные элементы схемы, кроме микросхемы DDS, недоступны для микропроцессора.
- Если в адресных линиях:
А11
А15
код 00001, то
CS0 – «0»
CS1
CS7
– «1»
EN=
=
«0»
И данные через двунаправленный буфер DDS будут записываться или считываться из ОЗУ (DD13)
-
A11
A15
код
01001, то CS0= «1» CS1=
«1»
CS3
CS7=
«1»
CS2=
«0» EN=
=
«1».
и микросхема DD20 готова к считыванию или записи информации
- А11
А15
код 11001, то
CS0
CS2=
«1», CS4
CS7=
«1»
CS3=
«0» EN=
=
«0»
и данные через двунаправленный буфер DDS будут записываться в устройство В/В DD12.
- А11
А15
код 00101, то
CS0
CS3=
«1»; CS5
CS7=
«1»
CS4=
«0» EN=
=
«0»
тогда
на входе №1 DD6 CS4=
«0» и при
на входе №11 DD10
REG1
и данные через двунаправленный буфер
DDS
проходят на выход DD10
и фиксируются.
Аналогично
формирование сигналов
REG2 и REG3
для DD11
и DD15
при кодах на А11
А15
10101 и 01101 соответственно.
- А11
А15
код 01101, то
CS0
CS5=
«1»; СS7= «1»
CS6=
«0» EN=
=
«0»
Когда
на входе №10 DD6 CS6=
«0» и при

=
«0» на входе №19
DD16
BVF= «0»
и данные через DD16
вводятся в систему управления.
1.2.14. Цифро-аналоговый преобразователь.
Для преобразования цифровой информации в аналоговую необходимо использовать ЦАП.
Основной характеристикой ЦАП является разрешающая способность, определяемая числом разрядов N. Теоретически ЦАП, преобразующий N-разрядные двоичные коды, должен обеспечивать 2N различных значений выходного сигнала с разрешающей способностью (2N-1)-1.
Из динамических параметров основными являются:
время установки выходного сигнала;
f>max> преобразования.
В нашем случае необходимо организовать формирование 3-х аналоговых сигналов ANL1, ANL2 и ANL3, которые будут пропорциональны цифровым сигналам на выходах канала А, В, С микросхемы 580ВВ55 соответственно. Значит необходимо предусмотреть 3 цифро-аналоговых преобразователя. Свой выбор я остановил на 10 разрядном ЦАП прецизионного типа 572ПА1. Для построения полной схемы преобразователя к микросхеме 572ПА1 необходимо подключить операционный усилитель. В качестве операционного усилителя будем использовать К140УД8, имеющего схему внутренней коррекции.

15
U>0n>
+U>пит>
572ПА1
4 14U
К1409D8
>вх> 1 3 7 U>вых> 
2 4

13
1.2.15. Дополнительные пояснения к схеме управления.
Во избежание записи или считывания «ложной» информации во время включения или выключения напряжения питания в схеме устройства управления предусмотрена микросхема DD8 – четырехканальный коммутатор цифровых и аналоговых сигналов. Каждый ключ имеет свой вход и выход сигнала, а также вход разрешения прохождения сигнала EI. Канал проводимости двунаправленный. Коммутатор К561КТ3 имеет сопротивление канала 80 Ом, сопротивление входа управления 1012Ом. Открывающее напряжение на входе EI – 3В. Канал пропустит цифровые уровни с амплитудой до U>ип>. Время задержки распространения сигнала 10…25 мс.
Структурная схема.
S
Вход
Выход

EI включено
Входы: №1, 4, 8, 11.
Выходы: №2, 3, 9, 10.
EI: №13, 5, 6, 12.
Если
микросхема 537РУ10 «питается» от аккумулятора
(4,5 В) на входах
,
,
- напряжение высокого уровня и ОЗУ
находится в режиме хранения. Считывание
или запись информации невозможно.
После подачи напряженияUID и достижения им уровня +5 В, отключается питание от аккумулятора и происходит подача напряжения высокого уровня на входы EI микросхемы DD8. В результате этого ключ замыкается и теперь возможно прохождение сигналов управления от микропроцессора и дешифратора.
Напряжение UID подается через транзистор VT1 (КТ3102), Включенный по схеме с общим коллектором, в эммитерной цепи которого напряжение стабилизируется диодом VD6 (КС139А), для обеспечения стабильного уровня на входах EI.
В схеме управления используется микросхема DD6: логический элемент ИЛИ с двумя выходами. Эти функции реализуются с помощью микросхемы 1533ЛЛ1. Также используется микросхема DD9: логический элемент ИЛИ-НЕ с одним входом (инвертор). Эти функции реализуются с помощью микросхемы 1533ЛН1.
При входном импульсном сигнале с пологими фронтом и срезом импульс на входе формирующего логического элемента также не будет прямоугольным, поскольку некоторое время ключевая схема будет находиться в усилительном режиме. Кроме того, на фронте и срезе выходного импульса будут присутствовать усиленные помехи, поступившие в «усилитель» из провода питания. Импульс с зашумленными и несформированными фронтом и срезом непригоден для переключения тактовых входов триггеров, регистров и счетчиков.
Повышения К>U> формирователя до 103 раз и более за счет последовательного включения нескольких буферных элементов не дает точной привязки момента переключения к определенному пороговому входного импульса. В таких случаях используют так называемую схему триггера Шмидта, состоящую из двухкаскадного усилителя, охваченного слабой положительной обратной связью. Триггеры Шмидта оказались незаменимыми и в интегральной схемотехнике, как в аналоговой, так и цифровой. Передаточная характеристика триггера Шмидта имеет значительный гистерезис. Выходной сигнал логического элемента Шмидта имеет крутые импульсные перепады, длительность которых не зависит от скорости нарастания или спада входного сигнала. Импульсные перепады по времени соответствуют моментам, когда входной сигнал превышает напряжение срабатывания U>СРБ> и становится меньше, чем напряжение отпускания U>отп>.
2,4 U>вых, >В






2 U>г>=0,8
В

1
U>отп>=0,9
В U>срб>=1,7
В
0,3





0,4 0,8 1,2 1,6 U>вх>,В
В данной схеме устройства управления триггер Шмидта – в виде микросхемы 1533ТЛ2 (DD2).
Прежде
чем последовательность коротких
импульсов подавать на вход SID
микропроцессора, необходимо обеспечить
хорошую стабильность длительности
данных импульсов, т.к. на входе элемента
Шмидта все они будут иметь разную
длительность. В составе серий ТТЛ
имеется несколько аналого-импульсных
схем – ждущих мультивибраторов. Они
позволяют расширить длительность
коротких импульсов, сформировать
импульсы нужной длительности с хорошей
стабильностью по длительности. Свой
выбор я остановил на микросхеме 1533АГ3
– два ждущих мультивибратора с
возможностью перезапуска. Каждый
мультивибратор имеет выходы Q
и
,
вход сброс, 2 входа разрешения запуска:
В-прямой,
-инверсный.
Длительность выходного импульса
определяется времязадающими элементами
С>
>и
R>
>;
>вых>=0,45
R>
>С>
>.
Таблица
истинности:
|
Сброс |
Вход |
Выход |
||
|
|
|
В |
Q |
|
|
Х Х В В
|
Х В Х Н
Н |
Х Х Н
В В |
Н Н Н |
В В В |
Если согласно этим условиям
мультивибратор запущен, выходной импульс
можно продолжить, подав на вход
напряжение низкого уровня (или на вход
В-высокого). С момента этой дополнительной
операции до окончания импульса пройдет
время
>вых>.
Схема включения:
G1 Q

В
R
5
9

12
10

16 5B



6 R>
>


C>
>



11
7
8
1.3. Расчеты параметров и элементов принципиальной схемы.
1.3.1. Расчет адресной шины и шины данных
микропроцессора 1821ВМ85.
При проектировании адресной шины и шины данных необходимо оценить величину токовой нагрузки, т.к. они связаны со множеством устройств, подключенных параллельно. Если для адресной шины и шины данных характерен ток, по величине превосходящий допустимое значение на выходе МП, то такую линию необходимо буферировать.
Расчет адресной шины:
Для микропроцессора максимально допустимая нагрузка на адресной линии составляет:
U>вых>> L>=0,45 В I>вых >>L>=2 мА
U>вых >>H>=2,4 В I>вых>> H>=400 мкА
для регистра 1533 UP22:
I>вх Н>=20
мкА I>вх>>
H
>=8
20=160
мкА
400
мкА
I>вх >>L>=0,1
мА I>вх>>L
>=8
0,1=0,8
мА
2
мА
Таким образом входной ток микросхемы 1533ИР22 не является большим для МП 1821ВМ85.
Теперь проверим, обеспечивается ли нагрузочная способность для элементов схемы, которые являются адресной информации.
А11
А15
МП
DC
+5В А0
А15
А0
А7


А8
А10
А8
А12,А15
1533ИР22 А0
А1

ОЗУ
ПЗУ
Устройство В/В
I>вх>> L>=I>вх Н>=20 мкА – для ОЗУ
I>вх>> L>=I>вх Н>=10 мкА – для ПЗУ
I>вх>> L>=I>вх Н>=14 мкА – для устройства в/в.
I>вх>>
L
>=I>вх
Н
>=8
20+8
10+2
14=268
мкА
2,6
мА
I>вх>> L>=24 мА для 1533ИР22
I>вх Н>=2,6 мА
Адресные линии А8
А15
буферировать не надо, т.к.
I>вх Н
>=3
20+6
10+5
20=220
мкА
400
мкА
I>вх
>>L
>=3
20+6
10+5
0,1
мА=620 мкА
2
мА
Расчет шины данных.
Для микропроцессора максимально допустимая нагрузка на шине данных составляет:
I>вых>>L>=2 мА U>вых >>L>=0,45 В
I>вых>> H>=400 мкА U>вых>>H>=2,4 В
для DНШУ 1533 АП6:
I>вх>>
L>=0,1 мА I>вх
>>L
>=8
0,1=0,8
мА
I>вх
Н>=20 мкА I>вх Н>>
>=8
20=160
мкА
Выходной ток МП является большим, чем входной ток микросхемы 1533АП6, а значит обеспечивается нагрузочная способность по току
Проверим, обеспечивается ли микросхемой 1533АП6 нагрузочная информация для элементов схемы, которые являются «потребителями» информации о данных.
При записи информации в качестве нагрузки выступают следующие элементы схемы: РЗУ, 3 регистра 1533ИР23, Устройство В/В КР580ВВ55.
I>вх
>>L
>=20
мкА
8+0,2
мА
24+14мкА
8=5,072
мА
I>вх
Н>>
>=20
мкА
8+20мкА
24+14
мкА
=752
мкА
Для микросхемы 1533 АП6
I>вых>>L>=24
мА
5,072
мА
I>вых>>
H>=3 мА
752
мкА
Общий нагрузочный ток не является большим для ДНШУ 1533АП6.
При считывании информации из ОЗУ, ПЗУ или поступления информации от микросхемы 1533 АП6 (DD16) возникать проблем с перегрузкой не должно, т.к.:
I>вых>>L>=2,1 мА для ПЗУ 573РФ4
I>вых>> H>=0,1 мА
I>вых>>L>=4 мА для ОЗУ 537РУ10
I>вых>> H>=2 мА
I>вых>>L>=24 мА для 1533 АП6
I>вых>> H>=3 мА
Информация поступает в МП через ДНШУ 1533АП6 (DD5), для которого:
I>вх L>=0,1
мА I>вх L
>=0,8
мА
I>вх Н>=20
мкА I>вх Н
>=160
мкА
Расчет шины AD0
AD7
таймера 512ВИ1
I>вх L>=
I>вх Н>=1 мкА I>вх
>=8
1
мкА=8 мкА
Очевидно, что
информация в таймер (как адресная, так
и информация о данных ) может поступать
непосредственно с выходов AD0
AD7
микропроцессора, т.к. для него:
I>вых>>L>=2 мА U>вых >>L>=0,45 В
I>вых>> H>=400 мкА U>вых>>H>=2,4 В
1.3.2. Расчет ЦАП.
На выходе ОУ U>вых>> >~коду на входе 572ПА1. Т.к. разрядность ЦАП N=10, значит возможно 2N=1024 различных значений U>вых>.
Шкала изменений выходного
напряжения
0
U>on>
U>on>=-9 В для каналов видео и звука.
U>on>=-6 В для канала поляризации.
Следовательно дискрет напряжения на входе составляет:
Для видео:
U=
=8,8
мВ
Пример: код U>вых>,В
0000000000 0
0000000010 17,6 мВ
1111111111 9
Для звука:
U=
=70,86
мВ
Пример: код U>вых>,В
0000000000 0
0000001000 70,86 мВ
0000010000 141,72 мВ
1111111000 9
Для поляризации:
U=
=23,53
мВ
Пример: код U>вых>,В
0000000000 0
0000000100 23,53 мВ
1011111100 4,41
Вывод:
Для канала видео напряжение на выходе меняется от 0 до 9 В с шагом 8,8 мВ.
Для канала звука напряжение на выходе меняется от 0 до 9 В с шагом 70,86 мВ.
Для канала поляризации напряжение на выходе меняется от 0 до 4,41 В с шагом 23,53 мВ.
1.3.3. Расчет параметров КТ 3102 Б.
+5B
Н
VT
еобходимо обеспечить подачу U
3
В на вход разрешения 561 КТ3.
В качестве стабилитрона будем использовать КС139А на U>ст>=3,9 В
при I>ст>=1,8 мА
I>>>0><<I>ст>
R1=
=
=620
Ом
Е>2>=I>э>R>н>+U>КЭ>
I>э>=0 Е>2>=U>кэ>
I>э>, мА
U>кэ>=0 I>э>=
пусть R>H>=1
кОм
5 I>б>=0,1 мА
4

3
2
1
5 10 15 20 U>кэ>, В
Из
графика следует, что I>э
>3,1
мА
I>б>=0,1 мА
I>б>,мА
0
,3
U>кэ>=5 В
0
,2 U>бэ>=0,6
В
0


,1
0,1 0,2 0,3 0,4 0,5 0,6 0,7 U>бэ>, В
U>бэ>=0,6 В U>бэ>+U>RN>=3,1+0,6=3,7 В
Т.к. U>ст>=3,9 В, значит необходимо в базу транзистора включить R2
U>ст>=U>R2>+U>бэ>+U>RN>
U>R2>=0,2 В
R2=
=
=2
кОм.
1.3.4. Цепь резонатора микросхемы 512 ВИ1.
Данные на резонансную цепь приводятся как справочный материал (радиоежегодник 1989 г.).
Если используется резонатор на 32768 Гц, то
R16=470 кОм
R7=22 мОм
С24=10 пФ
С25=20 пФ
С26=100 пФ.
1.3.5. Расчет RC-цепи микросхемы 1533АГ3.
Из справочного материала известно, что для микросхемы 1533АГ3
>вых>=0,45
R>
>C>
>
Нам
необходимо обеспечить
>вых>
порядка 45 мкс
Пусть
R>
>=10
кОм, тогда С>
>=10
нФ.
1.3.6. Расчет элементов цепи опорного напряжения.
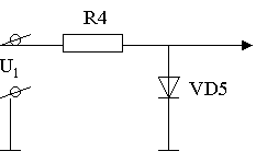
а)
VD5 – КС191Ж
U>ст>=9,1 В
I>ст >>min>=0,5 мА
I>cn max>=14 мА
U>1>=-12 В
Пусть R4=390 Ом;
I=
=7,4
мА
Вывод: при данном сопротивлении полученное расчетное значение тока стабилизации равное 7,4 мА попадает в диапазон допустимых значений тока стабилизации для данного стабилитрона.
В
R5
) VD3
– КС162
U>ст>=6,2 В, U>2>=-12 В
U>2>
I>ст >>min>=3 мА
VD3
I>ст>> max>=22 мАПусть R5=1,2 кОм;
I=
=4,8
мА
Вывод: при данном сопротивлении полученное расчетное значение тока стабилизации равное 4,8 мА попадает в диапазон допустимых значений тока стабилизации для данного стабилитрона.
1.4. Справочные данные.
1821ВМ85
Допустимые предельные значения:
Температура
окружающей среды - -10
С.
Направление на всех выводах по отношению к корпусу –
-0,5
7
В.
Мощность рассеивания – 1,5 Вт.
Статические
параметры в диапазоне температур -10
С.
|
Параметр |
Значение |
Условия |
|
|
U>вх>> L>, В U>вх>> H>, В U>вых>> L>, В U>вых Н>, В I>пит>, мА I>утеч вх>, мкА I>утеч вых>, мкА U>L> на вх RESET,В U>H> на вх RESET, В |
min |
max |
I>вых>> L>=2 мА I>вых>> H>=- 400 мкА U>вх>=U>n> 0,45U>n |
|
- 0,5 2,0 - 2,4 - 0,5 2,4 |
0,8 Un+0,5 0,45 170
0,8 Un+0,5 |
576 РФ4
Статические
параметры в диапазоне температур -
10
С.
|
Параметр |
Норма |
|
|
U>вх>> L>, В U>вх>> H>, В U>вых>> L>, В U>вых Н>, В I>вых >>L>, мА I>вых Н>, мА I>потр>, мА I>потр> по вх. U>PR,>, мА |
min |
Max |
|
0 2,4 - 2,4 - - - - |
0,4 5,25 0,45 - 2,1 0,1 70 10 |
Эксплуатационные параметры:
Время хранения информации: при наличии питания – не менее 25000 ч; при отсутствии – не менее 105 часов.
U>n> – 5 В
U>PR> – 5 В (считывание)
21,5 В (программирование)
P>потр> – не более 420 мВт.
t>выб.адр.>
– не более 300
450
мс.
t>выб.разр.>
– не более 120
150
мс.
Число циклов перепрограммирования – не менее 25.
Выход – 3 состояния.
Совместимость по вх. и вых. С ТТЛ схемами.
Ёмкость – 65536.
Организация – 8к х 8.
537 РУ10.
Статистические
параметры в диапазоне температур -10
С.
|
Параметр |
Норма |
|
|
U>вх>> L>, В U>вх>> H>, В U>вых>> L>, В U>вых Н>, В I>вых >>L>, мА I>вых Н>, мА I>потр>, U>n>=5 В Обращение, мА Хранение, мА Un=2 В Хранение, мА |
min |
max |
|
- 2,4 - 2,4 - - - - - |
0,4 - 0,4 - 4 2 70 0,3 0,1 |
Эксплуатационные параметры:
t>выб> – не более 220 мс.
Р>потр>: хранение U>n>=5B – 5,25 мВт
U>n>=2B – 0,6 мВт
обращение - 370 мВт
Выход – 3 состояния.
Совместимость по входу и выходу – с ТТЛ схемами.
Ёмкость – 16384.
Организация – 2к х 8.
1533 АГ3.
Предельные значения параметров
U>n>=7 В
U>вх>=7 В
Диапазон
температур -10
С.
Рекомендуемое
значение U>n>=4,5
5,5 В.
Статистические параметры в
диапазоне температур -10
С.
|
Параметр |
Норма |
Условие |
|
|
U>вх>> Н>, В U>вх>> L>, В U>вых>> H>, В U>вых L>, В I>вх >>H>, мА I>вх L>, мА I>вых>, мА I>вх пр>, мА I>потр>, мА |
Не менее |
Не более |
Порог. напр. Н уровня Порог. напр. L уровня U>n>=4,5; U>вх Н>=2,0 U>вх >>L>=0,8; I>вых>>H>=-0,4 U>n>=4,5; U>вх>> H>=2,0 U>вх
>>L>=0,8;
I>вых>>L>=4 U>n>=5,5; U>вх Н>=2,7 U>n>=5,5; U>вх >>L>=0,4 U>n>=5,5; U>вых >=2,25 U>n>=5,5; U>вх >=7 U>n>=5,5; U>вх Н>=4,5 U>вх >>L>=0 |
|
2,0 2,5 -30 |
0,8 0,4 20 -0,1 -112 0,1 18 |
Динамические параметры:
Время задержки распространения

не более 39 мс

не более 48 мс

не более 23 мс
512 ВИ1
U>n>=5
В
10%.
I>потр>, мА.
статический режим 0,1
динамический режим при
f>max> тактовых импульсов 4
f>min> 0,1
Выходной
ток высокого (низкого) уровня при U>вых
Н>=4,1 В, (U>вых>>L>=0,4
В), мА
– 1,0
1,6.
Входной ток, мкА 1.
1533ИР23.
Предельные значения параметров
Un=7 В
U>вх>=7 В
Диапазон
температур -

Рекомендуемое
значение U>n>=4,5
5,5
В
Статистические параметры в
диапазоне температур -
.
|
Параметр |
Норма |
Условия |
|
|
U>вх Н>, В U>вх >>L>, В U>вых Н>, В U>вых >>L>, В I>вх Н>, мкА I>вх>> L>, мА I>вх пр>, мА I>вых>, мА I>вых Н>, мкА выкл I>вых >>L>, мкА выкл. |
не менее |
не более |
Порог. напр. Н-уровня Порог напр. L-уровня U>n>=5,5 I>вых
Н>=-0,5 U>n>=4,5 I>вых
>>L>=12 U>n>=5,5 U>вх
Н> =2,7 U>вх >>L>=0,4 U>n>=5,5 U>вх Н> =4,5 U>n>=5,5 U>вых > =2,25 U>n>=4,5 U>n>=4,5 U>вых >>L>=0,4 |
|
2,0 2 -30 |
0,8 0,4 20 -0,2 0,1 -112 20 -20 |
1533 ИР22
Предельные значения параметров
U>n>=7 В U>вх>=7 В
Диапазон
температур -

Рекомендуемое
значение U>n>=4,5
5,5
В
Динамические параметры:
Время задержки распространения
1. при вкл.
По D не более 16 мс
По С не более 23 мс
2. при выкл.
По D не более 23 мс
По C не более 22 мс.
Статистические параметры в
диапазоне температур -
.
|
Параметр |
Норма |
Условия |
|
|
U>вх Н>, В U>вх >>L>, В U>вых Н>, В U>вых >>L>, В I>вх Н>, мкА I>вх>> L>, мА I>вх пр>, мА I>вых>, мА I>потр>, мА U>вых Н> U>вых >>L> выкл I>вых Н>, мкА выкл I>вых >>L>, мкА выкл. |
не менее |
не более |
Пороговый Н-уровень Пороговый. L-уровень U>n>=4,5
В; I>вых Н>=-0,4 U>n>=4,5
В; I>вых >>L>=12 U>n>=5,5
U>вх Н>=2,7 U>n>=5,5;
U>вх
>>L>=0 U>n>=5,5;
U>вх
Н>=4,5 Un=5,5 Uвых> > =2,5 U>n>=5,5 U>вх >>L>=0 U>вх Н> =4,5 U>n>=5,5 U>вхН > =2,0 U>вых >>Н>=2,7 U>n>=5,5 U>вх L>=0,8 U>вых >>L>=0,4 |
|
2,0 2,4 -30 |
0,8 0,4 20 -0,1 0,1 -112 16 25 27 20 -20 |
1533 АП6
Предельные значения параметров
U>n>=7 В U>вх>=7 В
Диапазон
температур -

Рекомендуемое
значение U>n>=4,5
5,5
В
Статистические параметры в
диапазоне температур -
.
|
Параметр |
Норма |
Условия |
|
|
U>вх Н>, В U>вх >>L>, В U>вых Н>, В U>вых >>L>, В I>вх Н>, мкА I>вх>> L>, мА I>вх пр>, мА I>вых>, мА I>потр>, мА U>вых Н> U>вых >>L> выкл I>вых Н>, мкА выкл I>вых >>L>, мкА выкл. |
не менее |
не более |
Порог. напр. Н-уровня Порог. напр. L-уровня U>n>=4,5 U>n>=4,5 U>n>=5,5
U>вх Н>=2,7 U>n>=5,5;
U>вх
>>L>=0 U>n>=5,5;
U>вх
Н>=5,5 Un=5,5 Uвых> > =2,5 U>n>=5,5 U>вх >>L>=0 U>вх Н> =4,5 U>n>=5,5
U>вхН
> =2 U>n>=5,5 U>вх L>=0 U>вых >>L>=0,4 |
|
2,0 2,4 -30 |
0,8 0,4 20 -0,1 0,1 -112 45 55 58 20 0,2 |
Динамические параметры:
Время задержки распространения сигнала не более 10 мс.
1533 ИД7
Предельные значения параметров
U>n>=7 В U>вх>=7 В
Диапазон
температур -

Рекомендуемое
значение U>n>=4,5
5,5
В
Статистические параметры в
диапазоне температур -
.
|
Параметр |
Норма |
Условия |
|
|
U>вх Н>, В U>вх >>L>, В U>вых Н>, В U>вых >>L>, В I>вх Н>, мкА I>вх>> L>, мА I>вх пр>, мА I>вых>, мА I>потр>, мА U>вых Н> U>вых >>L> |
не менее |
не более |
Порог. напр. Н-уровня Порог. напр. L-уровня U>n>=4,5;I>вхН>=7,5 I>вых >>L>=0,4 U>n>=4,5; U>вх >>L>=0,8 U>вх
Н>=2 I>вых
>>L>=4 U>n>=5,5; U>вх >>Н>=2,7 U>n>=5,5; U>вх >>L>=0,4 Un=5,5 UвхН> > =7 U>n>=5,5 U>вых>=2,25 U>n>=5,5 U>вхН > =4,5 U>n>=5,5 U>вх L>=0 |
|
2,0 2,5 -10 |
0,8 0,4 20 -0,1 0,1 -112 10 10 |
Динамические параметры:
Время
задержки распространения сигнала 17
22
мс.
1533ЛН1; 6 инверторов
Предельные значения параметров
U>n>=7 В U>вх>=7 В
Диапазон
температур -

Рекомендуемое
значение U>n>=4,5
5,5
В
Динамические параметры:
Время
задержки распространения сигнала 8
11
мс.
Статистические параметры в
диапазоне температур -
.
|
Параметр |
Норма |
Условия |
|
|
U>вх Н>, В U>вх >>L>, В U>вых Н>, В U>вых >>L>, В I>вх Н>, мкА I>вх>> L>, мА I>вх пр>, мА I>вых>, мА I>потр>, мА U>вых Н> U>вых >>L> |
не менее |
не более |
Порог. напр. Н-уровня Порог. напр. L-уровня U>n>=4,5; I>вых Н>=-0,4 U>вх
Н>=4,5 I>вых
>>L>=4 U>n>=5,5; U>вх >>Н>=2,7 U>n>=5,5; U>вх >>L>=0,4 Un=5,5 UвхН> > =7 U>вых>=2,25 U>n>=5,5 U>вх>>L> =0 U>n>=5,5 U>вх H>=4,5 |
|
2,0 2,5 -15 |
0,8 0,4 20 -0,1 0,1 -70 1,1 4,2 |
1533ЛЛ1; элемент 4 или (два входа)
Предельные значения параметров
U>n>=7 В U>вх>=7 В
Диапазон
температур -

Рекомендуемое
значение U>n>=4,5
5,5
В
Статистические параметры в
диапазоне температур -
.
|
Параметр |
Норма |
Условия |
|
|
U>вх Н>, В U>вх >>L>, В U>вых Н>, В U>вых >>L>, В I>вх Н>, мкА I>вх>> L>, мА I>вх пр>, мА I>вых>, мА I>потр>, мА U>вых Н> U>вых >>L> |
не менее |
не более |
Порог. напр. Н-уровня Порог. напр. L-уровня U>n>=4,5; U>вх>> L>=0,8 U>вх Н>=2,0 I>вых >>L>=-0,4 U>n>=4,5; U>вх >>L>=0,8 U>вхН>=2,0;
I>вых
>>L>=4 Un=5,5 UвхН> > =2,7 Un=5,5 UвхL> > =0,4 Un=5,5 UвхН> > =7 Un=5,5 Uвых> > =2,25 U>n>=5,5 U>вх>>Н> =4,5 U>n>=5,5 U>вх L>=0 |
|
2,0 2,5 -10 |
0,8 0,4 20 -0,1 0,1 -112 4 4,9 |
Динамические параметры:
Время
задержки распространения сигнала 12
14
мс.
1533ТЛ2; 6 триггеров Шмидта -инверторов
Предельные значения параметров
U>n>=7 В U>вх>=7 В
Диапазон
температур -

Рекомендуемое
значение U>n>=4,5
5,5
В
Статистические параметры в
диапазоне температур -
.
|
Параметр |
Норма |
Условия |
|
|
U>вх Н>, В U>вх >>L>, В U>вых Н>, В U>вых >>L>, В I>вх Н>, мкА I>вх>> L>, мА I>вх пр>, мА I>вых>, мА I>потр>, мА U>вых Н> U>вых >>L> |
не менее |
не более |
Порог. напр. Н-уровня Порог. напр. L-уровня U>n>=4,5; U>вх>> L>=0,5 U>вх Н>=2,0 I>вых >>L>=-0,4 U>n>=4,5; U>вх Н>=2 U>вх>>L>=0,5;
I>вых
>>L>=4 Un=5,5 UвхН> > =2,7 Un=5,5 UвхL> > =0,4 Un=5,5 UвхН> > =7 Uвых> > =2,25 U>n>=5,5 U>вх>>Н> =4,5 U>n>=5,5 U>вх L>=0 |
|
2,0 2,5 -30 |
0,8 0,4 20 -0,2 0,1 -112 13 17 |
Динамические параметры:
Время задержки распространения сигнала не более 22 мс.
572ПА1.
|
Разрядность |
t>устан.>, мкс |
|
Р>потр>, Вт |
|
10 |
5 |
0,1 |
0,1 |
К140УД8
|
К>ц> |
U>ст>, мВ |
|
I>вх>, мА |
|
|
50 103 |
20 |
50 |
0,2 |
0,15 |
|
U>вх>, В |
I>вых>, мА |
I>потр>, мА |
U>n>, В |
f>max>, мГц |
|
10 |
20 |
5 |
|
1 |
580 ВВ55.
Статистические параметры в
диапазоне температур -
.
|
Параметр |
Значение |
|
|
U>вх Н>, В U>вх >>L>, В U>вых Н>, В U>вых >>L>, В I>вых Н>, мкА I>вых>> L>, мА I>вых>, мА I>потр>, мА |
min |
max |
|
2,0 - 2,4 - - - - - |
- 0,8 - 0,45 0,1 1,6 14 120 |
КОНСТРУКТОРСКО-
ТЕХНОЛОГИЧЕСКИЙ
РАЗДЕЛ
2.1. Патентный поиск.
В настоящее время широкое применение получили микропроцессорные средства, применяемые в устройствах управления бытовой аппаратурой. Патентов на данный вид схем мной обнаружено не было. Поэтому в качестве базовой модели возьмем устройство управления, применяемое в тюнере спутникового ТВ «Садко» 3В.025.006 ТУ, выпущенного ПО «Квант».
Характеристика тюнера в ТВ «Садко».
Технические параметры:
U>пит>=220
В (187
242
В) 50 Гц.
Диапазон
рабочих частот: 0,95
1,75
ГГц.
Р>пот>=50 Вт.
Избирательность по соседнему каналу при расстройке 25 МГц20 db. Избирательность по зеркальному каналу при расстройке +960 МГц относительно нижней частоты 950 МГц 20 db.
Отношение сигнал / шум в канале изображения при U>ном> на входе (-70 db Вт) при U>вых видео> (10,1) 56 db.
f
>зв>=950
1750
МГц.
U>вых >зв5 мВ.
f
перестройки частоты звукового
сопровождения 5
8,5
МГц.
Непрерывная работа при сокращении параметров ТУ – не менее 8 часов.
Предельные климатические условия:
влажность 93 % при Т=25С.
Т=-40С.
Параметры при воздействии однократных ударов
а=15
д при t>U>=2
мс
15
ис.
Наработка на отказ: не менее 5103 часов.
Масса – 6,5 кг.
В данном тюнере спутникового телевидения применяется сенсорное управление с ручной настройкой на соответствующем канале. Перестройка производится с помощью подстроечных резисторов. Все это приводит к ограничению количества запоминаемых программ до восьми. Подача сигналов управления в остальные блоки тюнера осуществляется нажатием соответствующих кнопок на передней панели тюнера. Устройство управления выполнено по аналоговой элементной базе.
Все это приводит к ряду неудобств при технической эксплуатации тюнера данной модели. Большинства недостатков можно избежать при использовании в качестве основного элемента устройства управления процессора, который будет управлять деятельностью всей схемы управления.
Применение процессора в качестве основного элемента управляющей схемы приведет:
К увлечению количества принимаемых каналов с 8 до 99 и их запоминанию.
К увеличению быстродействия перестройки частоты от f>min> до f>max>. Скорость перестройки зависит от f>такт> процессора.
К увеличению точности настройки со строго определенным шагом.
К увеличению количества принимаемых сигналов звукового сопровождения.
К дополнительным удобствам при эксплуатации тюнера – наличие дистанционного управления, вывод сведений на экран о реальном времени, программирование времени включения тюнера.
К уменьшению масса - габаритных размеров.
2.2 Разработка конструкции блока.
Блок является основным элементом при проектировании РЭА. Он объединяет печатные узлы и другие элементы. Разработку конструкции блока можно производить исходя из базовых несущих конструкций. Но в некоторых случаях, например при проектировании бытовой аппаратуры, целесообразно разрабатывать оригинальную несущую конструкцию. Это позволяет повысить коэффициент заполнения объема, уменьшить массу и габаритные размеры изделия.
Каркас блока выполнен из алюминия АД-1 толщиной 1 мм. Кожух блока, из-за требований, предъявляемых к прочностным характеристикам конструкции, выполнен из стального листа марки СТ10 толщиной 1 мм. Передняя панель выполнена также из стального листа марки СТ10 толщиной 1 мм.
Так как стальной кожух не стоек к коррозии, применено покрытие из анилинового красителя черного цвета, что обеспечивает необходимую антикоррозийную стойкость при эксплуатации и хранении.
Для пайки применяют припой ПОС – 61.
Габаритные размеры блока в длину и ширину соответственно: 505 мм и 300 мм.
Данные размеры определяются суммарными габаритными размерами плат и зазорами между ними. Высота определяется высотой трансформатора и шириной платы индикации и составляет 55 мм.
2.3. Выбор и определение типа платы, ее технологии изготовления, класса точности, габаритных размеров, материала, толщины, шага координатной сетки.
По конструкции печатные платы с жестким и гибким основанием делятся на типы:
односторонние
двусторонние
многослойные
Для данного изделия необходимо использовать двустороннюю печатную плату с металлизированными монтажными и переходными отверстиями. Несмотря на высокую стоимость, ДПП с металлизированными отверстиями характеризуются высокими коммутационными свойствами, повышенной прочностью соединения вывода навесного элемента с проводящим рисунком платы и позволяет уменьшить габаритные размеры платы за счет плотного монтажа навесных элементов.
Для изготовления печатной платы в соответствии с ОСТ 4.010.022 и исходя из особенностей производства выбираем комбинированный позитивный метод.
В соответствии с ГОСТ 2.3751-86 для данного изделия необходимо выбрать четвертый класс точности печатной платы.
Габаритные размеры печатных плат должны соответствовать ГОСТ 10317-79. Для ДПП максимальные размеры могут быть 400 х 400 мм. Габаритные размеры данной печатной платы удовлетворяют требованиям данного ГОСТа.
В соответствии с требованиями ОСТ 4.077.000 выбираем материал для платы на основании стеклоткани – стеклотекстолит СФ-2-50-1,5 ГОСТ 10316-78. Толщина 1,5 мм.
В соответствии с ГОСТ 2.414078 и исходя из особенностей схемы, выбираем шаг координатной сетки 1,25 мм.
Способ получения рисунка – фотохимический.
2.4. Конструкторский расчет элементов печатной платы.
Шаг координатной сетки – 1,25 мм.
Определяем минимальную ширину печатного проводника по постоянному току:
в>min1>=
,
где
I>max>=30 мА t=0,02 мм j>доп>=75 А/мм2
Определяем минимальную ширину проводника исходя из допустимого падения напряжения на нем:
в>min2>=
,
где
U>доп
>12
В0,05=0,6 В l=0,5
м =0,0175
в>min2>=
=0,022
мм.
Номинальное значение диаметров монтажных отверстий:
d=d>э>+bd>но>+Г, d>но>=0,1 мм, Г=0,3 мм.
а) для микросхем
d>э>=0,5 мм d=0,9 мм
б) для резисторов
d>э>=0,5 мм d=0,9 мм
в) для диодов и стабилитронов
d>э>=0,5 мм d=0,9 мм
г) для транзисторов
d>э>=0,5 мм d=0,9 мм
д) для конденсаторов
d>э>=0,5 мм d=0,9 мм
е) для разъема
d>э>=1 мм d=1,4 мм
Рассчитанные значения сводятся к предпочтительному ряду размеров монтажных отверстий:
0,7; 0,9; 1,1; 1,3; 1,5 мм.
Номинальное значение диаметров монтажных отверстий для разъема: d=1,5 мм.
Минимальное значение диаметра металлизированного отверстия:
d>min
>H>пл>,
где Н>пл>=1,5 мм – толщина платы;
=0,25
d>min
>1,50,25=0,5
мм
Диаметр контактной площадки:
D=d+d>во>+2в>m>+в>во>+(2>d>+2>p>+в2>но>)1/2
d>во>=0,5 мм; в>m>=0,025 мм в>во>=в>но>=0,05 мм
>р>=0,05 мм; >d>=0,05 мм
d>во>+2 в>m>+в>во>+(2>d>+2>p>+в2>но>)1/2=0,05+0,05+0,05+(32510-4)1/2=0,24
d=0,7 мм D=0,95 мм
d=0,9 мм D=1,15 мм
d=1,5 мм D=1,75 мм
Определение номинальной ширины проводника:
в=в>MD>+в>НО>, где
в>MD>=0,15 мм; в>НО>=0,05 мм
в=0,15+0,05=0,2 мм
Расчет зазора между проводниками:
S=S>MD>+в>В>>О>, где
в>ВО>=0,05 мм; S>MD>=0,15 мм
S=0,15+0,05=0,2 мм
Расчет минимального расстояния для прокладки 2-х проводников между отверстиями с контактными площадками диаметрами D1 и D2.
l=
+в>n>+S(n+1)+>l>
, где
n=2; >l>=0,03 мм
l=1,05+0,4+0,6+0,03=2,1 мм.
2.5. Расчет параметров проводящего рисунка с учетом технологических погрешностей получения защитного рисунка.
Минимальный диаметр контактной площадки:
D>min>=D>1min>+1,5hф+0,03
D>1min>=2(в>м>+
+>d>+>p>)
d>max1>=0,9 мм
D>1min>=2(0,025+0,45+0,05+0,05)=1,15 мм
D>min1>=1,15+0,6=1,21
d>max2>=1,5 мм
D>min2>=1,81 мм
Максимальный диаметр контактной площадки:
D>max>=D>min>+(0,02…0,06)
D>max1>=1,21+0,02=1,23 мм
D>max2>=1,81+0,02=1,83 мм
Минимальная ширина проводника:
в>min>=в>1min>+1,5hф+0,03, где
в>1min>=0,15 мм
в>min>=0,15+0,6=0,21
Максимальная ширина проводника:
в>max>= в>min>+(0,02…0,06)
в>max>=0,23 мм
Минимальная ширина линии на фотошаблоне:
в>м>>min>= в>min>-(0,02…0,06)
в>м>>min>=0,21-0,02=0,19 мм
Максимальная ширина линии на фотошаблоне:
в>м>>max>= в>min>+(0,02…0,06)
в>м>>max>=0,21+0,06=0,27 мм
Минимальное расстояние между проводником и контактной площадкой:
S>1min>=L>0>-[D>max>/2+>p>+ в>max>/2+>l>]
L>0>=1,25 мм
S>1min>=1,25-0,615-0,05-0.115-0,03=0,44 мм
Минимальное расстояние между двумя контактными площадками:
S>2min>=L>0>-(D>max>+2>p>)
L>0>=1,25 мм+0,3 мм=1,55 мм
S>2min>=1,25-1,23-20,05+0,03=0,20 мм
Минимальное расстояние между проводником и контактной площадкой на фотоблоке:
S>3min>=L>0>-(B>max>+2>l>)
L>0>=1,25 мм
S>3min>=1,25-0,575-0,05-0,135-0,03=0,46 мм
Минимальное расстояние между проводником и контактной площадкой на фотоблоке:
S>4min>=L>0>-(D>м>>max>/2+>p>+в>м>>max>/2+>l>)
L>0>=1,25 мм
S>4min>=1,25-0,575-0,05-0,135-0,03=0,46 мм
Минимальное расстояние между двумя контактными площадками на фотоблоке:
S>5min>=L>0>-(D>м>>max>+2>p>)
L>0>=1,55 мм
S>5min>=1,55-1,25-0,1=0,2 мм
Минимальное расстояние между двумя проводниками на фотоблоке:
S>6min>=L>0>-(в>м>>max>+2>l>)
L>0>=1,25 мм
S>6min>=1,25-0,27-0,06=0,92 мм
2.6. Расчет проводников по постоянному току.
Наиболее важными электрическими свойствами печатных плат по постоянному току является нагрузочная способность проводников по току и сопротивление изоляции.
Практически сечение проводника рассчитывается по допустимому падению напряжения U>п> на проводнике:
U>п>=
в>п>=0,23
мм h>ф>=0,02 мм
l=0,5
м =0,0175
I=30
мА
U>п>=
=57
мВ
U>п><U>зпу>=0,40,5 В
Расчет сечения печатного проводника сигнальной цепи:
S>c
>
=
=6,610-4
мм
Расчет сечения печатного проводника шины питания и земли:
S>пз>
=
=21,8810-4
мм2
Поверхностное сопротивление изоляции:
R>S>=
l>3>=0,96
мм l=0,5
м
>S>=51010 Ом
R>S>=
=9,6107
Ом
Объемное сопротивление изоляции:
R>V>=
>V>=5109
Омм
S>п>=в>п>2=4,4110-2 мм2 h>пп>=1,5 мм
R>V>=
=1,71014
Ом
Сопротивление изоляции:
R>U>=
=
=9,6107
Ом
R>U>>103R>вх>,
где R>вх>=
=10
кОм.
2.7. Расчет проводников по переменному току.
Падение импульсного напряжения на длине проводника в l cм.
U>L>=L>по
> L>по>=1,8
;
I=6 мА;
t>U>=5
нс
U>L>=1,8
=2,16
Максимальная длина проводника:
l>max><
=
=185
cм
Задержка сигнала при передаче по линии связи:
t>з>
=
=
=5;
=1; >0>=0,33
нс/м
l=0,5 м
t>з>=0,50,33
=0,37
нс
Взаимная индуктивность и емкость двух проводников:


l>з >в>пр>


C>1>1=0,09(1+)lg(1+2в>пр>/l>з>+в>пр>2/l>з>2)=
0,09(1+5)lg(1+2
+(
)2)=0,1пФ/см
С>1>=С>1>1l=0,350=5 пФ
М>1>1=2(ln
-1)=2(ln
-1)=6,86
мГн/см
М>1>=М>1>1l=6,860,5=3,43 мГн



C>2>1=
=
;
f()=2arctg
+
ln(42+1)
=
=13,04 f()=5,13
C>2>1=
=0,047
пФ/см
С>2>=С1>2>l=2,35 пФ
М>2>1=2
=10,44
мГн/см
М>2>=М>2>1l=5,22 мГн

С>3>1=0,17
С>3>1=0,175
=0,72
пФ/см
С>3>=С>3>1l=36 пФ


С>4>1=0,2
С>4>1=1+
=1,31
пФ/см
С>4>=С>4>1l=68 пФ
Между рядом расположенными проводниками существует электрическая связь через сопротивление изоляции R>U>, взаимную емкость С и индуктивность М, которая приводит к появлению на пассивной линии связи напряжения перекрестной помехи от активной линии. Надежная работа цифровых электронных схем будет обеспечена, если напряжение помехи не превысит помехоустойчивости логических схем
U=U>RU>+U>C>+U>L><U>ЗПУ>
В состоянии лог. «1» помеха слабо влияет на срабатывание логического элемента, поэтому рассмотрим случай, когда на входе микросхемы лог. «0». При этом:
U>вх0>=0,4 В U>вых0>=0,4 В f=5105Гц
I>вх0>=0,1 мА I>вых0>4 мА Е>0>=2 В
R>вх0>=4 кОм R>вых0>=100 Ом
U=
=
=
=
=0,4910-36,2-j269,3=0,13 В<0,4 В
2.8. Оценка вибропрочности и ударопрочности.
Оценка собственных частот колебаний платы:
f>0>=

М=М>п>+m>рэ>=авh+m>рэ>=2151201,510-6+0,28=0,4 кг
К>>=К(+
)1/2
К=22,37 =1 ==0 К>>=22,37
D=
f>0>=
Гц
Оценка коэффициента передачи по ускорению:
(х,
у)=
а(х, у) и а>о> – величины виброускорений в точке (х, у) и опорной соответственно:
(х,
у)=
=
=
=6,3710-3
=
=
=0,42 K>1>(x)=K>1>(y)=1,35
из графика
(х, у)=1,39
а(х, у)=а>0>(х, у)=8g1,39=11,13g
Оценка амплитуды виброперемещения.
S>B>(x,y)=>0>(x,y)
>0>=
=
мм
S>B>=1,211,39=1,68 мм
Определим максимальный прогиб печатной платы:
>В>=S>B>(x,y)->0>=0,47 мм
Вывод: а>доп>=15g>a(x,y)=11,13g
0,003в=0,54 мм>>B>=0,47 мм
Расчет ударопрочности.
Частота ударного импульса:
=
=10-3
c =3140
Коэффициент передачи при ударе:
К>у>=2sin
=2sin
=0,45
=6,95
– коэффициент расстройки
Ударное ускорение:
а>у>=Н>у>К>у>=15g0,45=6,72g
Ударное перемещение:
мм
Вывод: а>доп>=35g>a>y>=6,72g
0,003в=0,54 мм>Z>max>=0,15 мм
Частным случаем ударного воздействия является удар при падении прибора. Относительная скорость соударения:
V>0>=V>y>+V>0T>
V>y>=
H=0,1
м
V>0T>=V>y>K>CB>=1,410,68=20,97 м/с
V>0>=1,41+0,97=2.38 м/с
Действующее на прибор ускорение:
а>п>=2V>0>f>0>=6,282,3871,9=109g
a>доп>=150g>a>п>=109g
2.9. Расчет теплового режима.
Размеры нагретой зоны:
l>31>=180 мм; l>32>=215 мм; l>33>=15 мм
Размеры блока:
l>>>1>=220 мм; l>>>2>=255 мм; l>>>3>=55 мм
Площадь блока.
S>>=2(l>>>1> l>>>2>+( l>>>1>+ l>>>2>) l>>>3>)=2(0,220,255+(0,22+0,255)0,055)=0,16 м2
Поверхность нагретой зоны:
S>H3>=2(l>31> l>32>+( l>31>+ l>32>) l>33>)=2(0,180,215+(0,18+0,215)0,015)=0,09 м2
Удельная мощность, рассеиваемая блоком:
q>>=
=93,75
Вт/м2
Удельная мощность, рассеиваемая зоной:
q>H3>=
Вт/м2
Перегрев блока и нагретой зоны относительно окружающей среды:
Т,С
20
15
10
5

Т>1>=10С
- q>>
T>2>=15C
- q>НЗ>
50 100 150 200 250 q>>,q>НЗ> Вт/м2
Площадь вентиляции:
S>BO>=S>>0,2=0,160,2=0,032 м2
Коэффициент перфорации:
К>ПФ>=
Коэффициент, учитывающий перегрев при наличии вентиляционных отверстий:
К>m>=У(К>ПФ>)
K
0,9
0,8
0,7
0,6
0,5
>m>
K>m>=0,5
0,1 0,2 0,3 0,4 0,5 К>ПФ>
Перегрев поверхности блока с учетом перфорации:
Т>>=0,93К>m>Т>1>=0,930,510=4,65С
Перегрев нагретой зоны с учетом перфорации:
Т>НЗ>=К>m>Т>2>=0,515=7,5С
Перегрев воздуха в блоке:
Т>СП>=0,6Т>НЗ>=0,67,5=4,5С
Удельная мощность, рассеиваемая компонентом:
q>K>=
=
=2555,4
Вт/м2
Перегрев поверхности компонента:
Т>К>=Т>НЗ>(0,75+0,25
)=7,5(0,75+0,25
)=34,4С
Перегрев воздуха над компонентом:
Т>СК>=Т>СП>(0,75+0,25
)=20,61С
Температура блока:
Т>>=Т>ОС>+Т>>=25+4,65=29,65С
Температура нагретой зоны:
Т>НЗ>= Т>ОС>+Т>НЗ>=25+7,5=32,5С
Температура воздуха в нагретой зоне:
Т>СП>= Т>ОС>+Т>СП>=25+4,5=29,5С
Температура компонента:
Т>К>= Т>ОС>+Т>К>=25+34,4=59,4С
Температура окружающей компонент среды:
Т>СК>= Т>ОС>+Т>СК>=25+20,61=45,61С
Т>доп>=70С>Т>К>=59,4С
В данном блоке не нужна принудительная вентиляция, т.к. естественные условия допускают температурный режим.
2.10. Расчет качества.
Расчет качества будем производить по следующим показателям:
Назначения.
Надежности.
Технологичности.
Эргономико-эстетическим.
1)
|
Назначение |
Б |
Д |
g>i> |
m>i> |
g>i >m>i> |
|
Масса, кг Объем, дм3 Мощность, Вт Уровень миниатюризации |
6,5 15,7 50 2 |
5,4 8,3 40 1 |
1,2 1,9 1,25 2 |
0,3 0,3 0,2 0,2 |
0,36 0,57 0,25 0,4 |
Q=
=1,58,
Q>2>=q>i>m>i>
2) Основным показателем надежности является среднее время наработки на отказ:
Т>срБ>=20103ч Т>срД>=29103 ч
q>i>=
1,8
m>2>=1
3)
|
Технологичность |
Б |
Д |
g>i> |
m>i> |
g>i >m>i> |
|
Коэффициент автоматизации и механизации монтажа Коэффициент подготовки ЭРЭ к монтажу Коэффициент повторяемости ЭРЭ Коэффициент применяемости |
0,81 0,35 0,49 0,9 |
0,92 0,55 0,56 0,86 |
1,13 1,57 1,14 1,04 |
0,3 0,3 0,2 0,2 |
0,34 0,47 0,23 0,21 |
Q=1,25
4) Эргономико-эстетические.
Оценку будем вести по пятибальной шкале.
-
Б
Д
g
m
Gm
3
5
1,67
1
1,67
В данном случае учитывается более оригинальный вид, удобства в эксплуатации, увеличение количества принимаемых каналов.
Оценим комплексный показатель качества:
Q>компл>=1,580,3+1,80,2+1,250,2+1,670,3=0,474+0,36+0,25+0,501=
=1,587
2.11 Расчет надежности.
Интенсивность отказов элементов в зависимости от условий эксплуатации изделия
>2>=>02>K>1>K>2>K>3 >К>4>Q>2>(T,K>H>)
>02> – номинальная интенсивность отказов
K>1 >и K>2> – поправочные коэффициенты в зависимости от воздействия механических факторов. Для стационарной аппаратуры K>1 >=1,04; K>2>=1,03.
К>3> – поправочный коэффициент в зависимости от воздействия влажности и температуры. Для влажности 6070 % т Т=2040С К>3>=1.
К>4> – поправочный коэффициент в зависимости от давления воздуха К>4>=1,14.
K>1>K>2>K>3 >К>4>=1,22
Q>2>(К>Н>,Т) – поправочный коэффициент в зависимости от температуры поверхности элемента и коэффициента нагрузки. Определяется по графикам: Парфенов “Проектирование конструкций РЭА” стр. 176.
Микросхемы: К>>Q>2>=1,220,5=0,61
Резисторы: К>>Q>2>=1,220,53=0,65
Конденсаторы: К>>Q>2>=1,220,2=0.24
Диоды: К>>Q>2>=1,220,5=0,61
Транзисторы: К>>Q>2>=1,220.48=0,59
Резонаторы: К>>Q>2>=1,220.1=0,122
>МС>=0,01310-60,61=7,910-9 1/ч
>R>=0,04310-60,65=2,7810-8 1/ч
>C>=0,07510-60,24=1,8310-8 1/ч
>C>>Э>=0,03510-60,24=8,510-9 1/ч
>КВ>=0,110-30,122=1210-6 1/ч
>VD>=0,210-60,61=12,210-8 1/ч
>VT>=0,8410-60,59=4,910-7 1/ч
>пайки>=0,0110-61,22=1210-9 1/ч
>платы>=0,710-61,22=0,8510-6 1/ч
>МС>=7,910-923=1.810-7 1/ч
>R>=2,8710-836=10-6 1/ч
>C>=1,8310-823=4,210-7 1/ч
>C>>Э>=8,510-94=3410-9 1/ч
>VD>=1,2210-76=7,310-7 1/ч
>VT>=4,910-7 1/ч
>КВ>=1210-62=2410-6 1/ч
>ПЛ>=0,8510-6 1/ч
>пайки>=6010-7 1/ч
Интенсивность отказов узла:
1=
=1,810-7+10-6+4,210-7+3,410-8+2410-6+0,8510-6+
+610-6+7,310-7+4,910-7=33,70410-6
1/ч
Вероятность безотказной работы для системы без резервирования равна:
Р(tp)=exp(-1tp)=exp(-33,7310-3)=0,91
Зададим tp=3000ч
Среднее время наработки до отказа:
Т=
=29670,1ч
ТЕХНИКО-
ЭКОНОМИЧЕСКИЙ
РАЗДЕЛ
3.1. Предисловие.
Любое техническое решение может быть признано эффективным и принято к внедрению лишь после того, как будет доказана его техническая прогрессивность и экономическая целесообразность. Поэтому экономическое обоснование технических решений является обязательной составной частью дипломного проекта.
В дипломных проектах конструкторского направления должны быть отражены следующие технико-экономические вопросы:
Технико-экономическое обоснование темы проекта.
Выбор изделия прототипа.
Технико-экономический анализ схемных и конструкторских решений.
Расчет себестоимости и цены проектируемого изделия.
Расчет эксплуатационных расходов.
Общие выводы об экономической эффективности спроектируемого изделия.
В дальнейшем будем пользоваться методикой Р.Л. Корчагиной, которая изложена в учебном пособии по дипломному проектированию. «Технико-экономические обоснования при разработке радиоэлектронных приборов и устройств».
3.2. Расчет себестоимости устройства управления.
Расчет себестоимости устройства можно осуществить с помощью расчетно-аналитического метода. Его сущность сводится к тому, что прямые затраты на единицу продукции определяются путем нормативного расчета себестоимости проектируемого устройства по статьям калькуляции. По существующей классификации затрат принят следующий состав статей калькуляции:
Сырье и материалы.
Возвратные отходы.
Покупные комплектующие изделия.
Основная заработная плата производственных рабочих.
Дополнительная заработная плата производственных рабочих.
Отчисления на социальные нужды с заработной платы производственных рабочих.
Расходы на подготовку и освоение производства.
Износ инструментов и приспособлений целевого назначения и социальные расходы.
Расходы на содержание и эксплуатацию оборудования.
Цеховые расходы.
Общезаводские расходы.
Прочие производственные расходы.
Внепроизводственные расходы.
Примечание: в таблицах будут использованы оптовые закупочные цены и тарифные ставки на 1.1.88 г., измененные с учетом коэффициентов: для материалов коэффициент увеличения 10000 раз, для комплектующих изделий К=5000; тарифные ставки – К=3000.
Сырье и материалы.
Эта статья включает в себя затраты на основные материалы, расходуемые в нашем случае на изготовление печатного узла.
Таблица расхода материалов в расчете на 1 печатную плату:
|
Наименование материалов |
Марка или типоразмер ГОСТ, ТУ |
ед. изм |
Норма расх. на 1 изд. |
Цена на ед. измер. |
Стоимость материалов, руб. |
№ прейскуранта |
|
Стеклотекстолит Припой Флюс Лак Спирт Хлористое железо |
СФ-2-50 ГОСТ 10316-78 ПОС-61 ГОСТ 21930-76 ФКС Н0064-63 УР-231 ТУ-6-10-863-76 Марки А ГОСТ 19299-71 ГОСТ 9640-75 |
кг кг кг кг кг кг |
0,15 0,06 0,005 0,015 0,025 0,05 |
42000 137100 32400 11700 3540 900 |
6300 8226 162 175 90 45 |
15-10 02-07 05-01 05-04 05-06 05-01 |
Итого: 15000
В калькуляцию включается стоимость материалов с учетом транспортно-заготовительных расходов.
Получаем 150000,03=450 рублей.
Итого 15000+450=15450 рублей.
Возвратные отходы.
Считаем, что они составляют 1% от стоимости материалов.
154500,01=155 рублей.
Покупные комплектующие изделия, полуфабрикаты и услуги кооперирующихся предприятий.
Эта статья включает в себя затраты на приобретенные готовые изделия и полуфабрикаты.
Составим таблицу для расчета стоимости покупных комплектующих изделий.
|
Наименование |
Обозначение |
Норма расхо-да на издел. |
Цена за единицу, руб. |
Сумма на изделие, руб. |
Номер прейску-ранта |
|
Микросхема Микросхема Микросхема Микросхема Микросхема Микросхема Микросхема Микросхема Микросхема Микросхема Микросхема Микросхема Микросхема Микросхема Микросхема Микросхема Генератор Генератор Конденсатор Конденсатор Резистор Транзистор Стабилитрон Стабилитрон Стабилитрон Диод Розетка Розетка |
КР14ОУД8 КР1821ВМ85 КР1533ТЛ2 КР1533АГ3 КР1533ИР22 КР1533АП6 КР1533ЛЛ1 КР1533ЛН1 КР573РФ4 КР561КТ3 КР1533ИР23 КР580ВВ55 КР537РУ10 КР1533ИД7 КР572ПА1 КР512ВИ1 ГК-12-1МГц ГК-16-32кГц КМ-6 К50-35 МЛТ-0,125 КТ3102Б КС162 КС191Ж КС139А КД522В РС-24-75 ГРПМ1-61 |
3 1 1 1 1 2 1 1 1 1 3 1 1 1 3 1 1 1 23 4 36 1 1 1 1 3 1 1 |
2750 50000 2000 2500 10000 3750 4500 2250 23000 3250 10000 15000 12000 25500 4500 47500 8750 7500 600 750 500 950 600 650 500 700 1000 21000 |
8250 50000 2000 2500 10000 7500 4500 2250 23000 3250 30000 15000 12000 25500 13500 47500 8750 7500 13800 3000 18000 950 600 650 500 2100 1000 21000 |
36-01 36-01 36-01 36-01 36-01 36-01 36-01 36-01 36-01 36-01 36-01 36-01 36-01 36-01 36-01 36-01 36-04 36-04 36-05 36-05 36-05 36-05 36-05 36-05 36-05 36-05 36-06 36-06 |
Итого: 335100 рублей
Транспортно-заготовительные расходы составляют 5% от общей стоимости комплектующих изделий:
3351000,05=16755 рублей
Итого: 335100+16755=351855 рублей
Основная заработная плата производственных рабочих.
Эта статья включает в себя основную заработную плату как производственных рабочих, так и ИТР, и других категорий работников за работу, непосредственно связанную с изготовлением продукции.
Основная заработная плата определяется прямым путем по формуле:
З>0>=З>т>+З>п>, где
З>т> – заработная плата по тарифу
З>п> – доплаты по сдельно- и повременно-премиальным системам (20%).
З>т>=
,
где
t>2> – трудоемкость по 2- му виду работ
Т>2> – тарифная ставка по 2-му виду работ
n – количество видов работ (операций)
Определим трудоемкость сборочно-монтажных работ.
|
Вид операции |
Название ЭРЭ |
Кол-во |
Сечение выводовмм2 |
Кол-во выво-дов |
t>шт> на 1 ЭРЭ полное время |
|
Монтаж ЭРЭ на плате |
Резисторы МЛТ-0,125 Диоды КД-522В Стабилитроны КС162, КС191Ж, КС139А Конденсаторы КМ6, К50-35 Микросхемы КР1821ВМ85 КР580ВВ55А КР573РФ4 КР512ВИ1 КР537РУ10 КР1533ИР22 КР1533ИР23 КР1533АП6 КР572ПА1 КР1533ИД7 КР1533АГ3 КР1533ЛЛ1 КР1533ЛН1 КР1533ТЛ2 КР561КТ3 КР140УД8 Генераторы кварцевые Транзистор КТ3102Б Розетка соединения |
36 3 3 27 2 1 2 6 5 4 3 2 1 1 |
До 0,5 До 0,5 До 0,5 До 0,5 До 0,5 До 0,5 До 0,5 До 0,5 До 0,5 До 0,5 До 0,5 До 1,0 До 0,5 До 0,5 |
2 2 2 2 40 28 24 20 16 14 8 2 3 28 |
0,56/20,16 0,56/1,68 0,56/1,68 0,56/5,12 9,2/18,4 6,44/6,44 5,52/11,04 4,6/27/6 3,68/18,4 3,22/12,88 1,97/5,91 0,81/3,24 0,81/0,81 6,44/6,44 |
Итого: 149,8 мин
Покрытие лаком в 1 слой – 7,5 мин
Установка и крепление скоб
(4 ист.) на плате – 0,54=2 мин
Сборка разъемов – 16 мин
Итого общее время сборочно-монтажных работ:
149,8+7,5+2+16=173,3 мин=2ч 53 мин3 часа
Укрупненный расчет трудоемкости по видам работ:
|
Виды работ |
Процентное соотношение |
Трудоемкость по нормативам, норма-ч |
Трудоемкость, расчитанная по % соотношению н-ч |
|
Штамповочная Сверлильная Фотохимическая Сборочно-монтажная Регулировочная |
5 5 2 65 23 |
3 |
0,23 0,23 0,092 3,00 1,06 |
|
Итого: |
100 |
4,61 |
Расчет основной заработной платы производственных рабочих:
|
Виды работ |
Трудоёмкость в н-ч |
Средний разряд работ |
Тарифная ставка за 1 час, руб |
Заработная плата, руб |
|
Штамповочная Сверлильная Фотохимическая Сборочно-монтажная Регулировочная |
0,23 0,23 0,092 3,00 1,06 |
3 3 3 5 5 |
2475 2673 2376 3201 3201 |
570 630 220 9600 3390 |
Итого зарплата по тарифу 14410 руб
доплаты 2880 руб
Итого основная заработная плата - 17290 руб
Дополнительная заработная плата производственных рабочих включает в себя выплаты, предусмотренные законодательством о труде или коллективным договором.
Дополнительная заработная плата устанавливается в пределах 810% от основной и составляет:
172900,1=1729 руб
Отчисления на социальные нужды составляют 39 % от суммы основной и дополнительной заработной платы.
(17290+1729)0,39=7420 руб
Расходы на подготовку и освоение производства рассчитываются в процентах от основной заработной платы производственных рабочих 4060 %.
172900,5=8645 руб
Расходы на износ инструмента и приспособлений целевого назначения и специальные расходы.
Для серийного производства, специализированного на выпуске данной продукции, эти расходы составляют 26 % от основной заработной платы производственных рабочих.
172900,26=4495 руб
Расходы на содержание и эксплуатацию оборудования составляют 40 % от основной заработной платы производственных рабочих:
172900,40=6915 руб
Цеховые расходы для производства телевизионной техники: =110 %.
172901,1=18935 руб
Общезаводские расходы - =50 % от основной заработной платы производственных рабочих.
172900,5=8645 руб
Прочие производственные расходы составляют 38 % от ОЗП производственных рабочих.
172900,38=6570 руб
Внепроизводственные расходы =3 % от ОЗП производственных рабочих.
4551020,03=13653 руб
Все расчеты сведем в таблицу:
|
№ Наименование статей калькуляции |
Затраты |
|
|
руб |
% к итогу 100 % |
|
|
Сырье и материалы Возвратные отходы Покупные изделия Основная заработная плата Дополнительная заработная плата Отчисления на социальные нужды Расходы на подготовку и освоение производства Износ инструментов Расходы на содержание и эксплуатацию оборудования Цеховые расходы Общезаводские расходы Прочие производственные расходы Итого производственная себестоимость: 13.Внепроизводственные расходы |
15450 155 351855 17290 1729 7420 8645 4495 6915 18935 8645 6570 455102 13653 |
0,034 0,0003 0,77 0,038 0,037 0,016 0,019 0,01 0,015 0,057 0,019 0,014 0,998 0,002 |
Итого полная себестоимость: 455620 руб
3.3. Расчет оптовой цены изделия и сопоставительный анализ с базовым изделием.
В качестве базового варианта выбрано устройство управления тюнером предыдущей модели, который выпущен в продажу ПО «Квант». Оптовая цена данного тюнера равна 1750000 рублей.
Для определения себестоимости тюнера новой модели будем использовать метод коэффициентов приведения. При расчете необходимо учитывать, что корпус поступает на участок сборки в уже собранном виде.
С>U>=K>0
>,
где
С>> - себестоимость базового блока (печатного узла)
К>пр>>i> – коэффициент приведения по i-му блоку
n – количество блоков в изделии
К>0> – коэффициент, учитывающий затраты на общую сборку, компоновку, регулировку. К>0>=1,1
n=4 К>пр1>=1 К>пр2>=1 К>пр3>=1,5 К>пр4>=0,5
С>>=455600 рублей
С>корп>=0,2 С>>
С>u>=1,14,2С>>=2104872 руб
Оптовая цена с учетом рентабельности, равной 0,5
Ц>оп>=С>u>(1+0,5)=3157000 рублей
Для сравнения базовой модели с разрабатываемой необходимо их привести к сопоставимому виду.
Для выполнения аналогичных функций необходимо использовать как минимум 4 тюнера старой модели, значит
Ц>оп>>>=17500004=7000000 рублей.
3.4. Расчет годовых эксплуатационных расходов.
По проектируемому варианту эксплуатационные расходы – расходы, связанные с эксплуатацией изделия.
а) Заработная плата обслуживающего персонала:
ИТР: С>з>=4К>з>F>п>Т>и>(1+K>п>)(1+К>с>)
4 – численность инженерно-технических работников по нормам обслуживания
К>з> – коэффициент занятости персонала обслуживанием данного прибора
К>з>=0,1 прибор составляет 0,1 часть от всей аппаратуры комплекса
F>п> – планируемый годовой фонд работы устройства F>п>=1840 часов
Т>и> – часовая заработная плата инженера
Т>и> =
=1700
рублей
К>с> – коэффициент, учитывающий отчисления на социальные нужды
К>с>=0,39
К>п> – коэффициент, учитывающий размер премии К>п>=0,2
С>з>=10,11840 1700(1+0,2)(1+0,39)=522000 руб
б) Расчет годовой суммы затрат на капитальный ремонт:
С>к>=
Ф>>
- балансовая стоимость прибора, руб
Ф>>=Ц>0>(1+К>дм>) К>дм>=0,1
Ф>>=3157000(1+0,1)=3472700 рублей
Н>р> – норма затрат на капитальный ремонт, % Н>р>=1,8
С>к>=
=62500
рублей
в) Затраты на текущий ремонт – составляют 35 % от балансовой стоимости прибора.
С>р>= Ф>>0,05=173635 руб
г) Расходы на электроэнергию:
С>э>=МF>п>С>квт-ч> М – мощность прибора, кВт
F>п>=1840 ч М=4010-3 кВт
С>кВт-ч> – стоимость 1 кВт ч энергии С>кВт-ч>=500 руб
С>э>=4010-31840500=36800 рублей
По проектируемому изделию эксплуатационные расходы составляют:
Ц>1>=522000+62500+173635+36800=795000 рублей
По базовому варианту.
а) заработная плата обслуживающего персонала С>3>=522000 руб
б) расчет годовой суммы затрат на капитальный ремонт:
С>к>=
Ф>>=Ц>0>(1+0,1)
Ф>>=7000000(1+0,1)=7700000 рублей
Н>р>=1,8 С>к>=138600 рублей
в) затраты на текущий ремонт
С>р>= Ф>>0,05=385000 рублей
г) расходы на электроэнергию
С>э>=МF>п>С>кВт-ч> М=5010-3кВт F>п>=1840 часов
С>э>=46000 рублей С>кВт-ч>=500 руб
По базовому изделию эксплуатационные расходы составляют:
Ц>2>=522000+138600+385000+46000=1090000 рублей
Разница между проектируемым и базовым приборами по эксплуатационным расходам составляет
Ц>2>-Ц>1>=1090000-795000=295000 рублей
3.5. Расчет годового экономического эффекта от внедрения спроектированного изделия.
Годовой экономический эффект от внедрения спроектированного изделия представляет собой суммарную экономию средств, полученную как в сфере производства, так и в сфере эксплуатации.
Величина годового экономического эффекта определяется:
Э=
З>1> и З>2> – приведенные затраты по базовому и спроектированному варианту.
Принимаются равными оптовой цене
З>1>=1750000 рублей, З>2>=3157000 рублей
- коэффициент приведения в сопоставляемый
вид по срокам службы, р>1> и р>2>
– величины, обратные срокам службы
р>1>=р>2>=
=4; Е>Н>=0,15
А>2> – годовой объём производства нового изделия
Ц>1>1 и Ц>2>1 – годовые эксплуатационные расходы потребителя при использовании базового и спроектированного изделий.
Ц>1>1-Ц>2>1=295000 рублей.
А>2>=20000
- коэффициент приведения вариантов в сопоставленный вид по производительности.
Э=(17500004-3157000+
)2000=9831454500
рублей.
Сводная таблица технико-экономических показателей базового и спроектированного изделий.
|
Показатели |
Единица измерения |
Варианты |
|
|
базовый |
проектир. |
||
|
Эксплуатационно-технические: 1)элементная база 2)кол-во принимаемых каналов 3)наличие дистанционного управления 4)потребляемая мощность 5)наработка на отказ 6)масса Экономические: 1)полная себестоимость 2)оптовая цена 3)эксплуатационные расходы 4)годовой экономический эффект (2000 шт.) |
Вт ч кг руб руб руб руб |
аналоговая 8 нет 50 5000 6,5 250 1750 1090 |
цифровая 99 есть 40 29670 5 455,62 3157 795 9831454 |
Базовое изделие выполнено на аналоговой элементной базе и приводит к ряду неудобств при технической эксплуатации – сенсорное управление, 8 запоминаемых программ. Переход к цифровой элементной базе позволяет: увеличить количество принимаемых каналов до 99, использовать дистанционное управление, уменьшить потребляемую мощность, уменьшить массу изделия. Себестоимость и оптовая цена увеличиваются, но эксплуатационные расходы уменьшаются и мы имеем большой годовой экономический эффект.
Р А З Д Е Л
О Х Р А Н Ы
Т Р У Д А
4.1. Обеспечения требований охраны труда на операциях сборки устройства управления тюнером.
Основными ОВПФ данного техпроцесса сборки устройства управления тюнером (как и любой другой бытовой радиоаппаратуры) является:
Наличие в воздухе рабочей зоны вредных веществ (расплавленный припой и пары входящего в его состав свинца, других неорганических соединений, продукты горения и пары флюса, пары технического этилового спирта и лаков).
Опасность поражения электрическим током.
Опасность возникновения пожара (вследствие применения в техпроцессе легковоспламеняющихся веществ: спирты, лаки, краски).
Недостаточная освещенность рабочих мест сборщика или радиомонтажника.
Электромонтаж в данном техпроцессе производится припоем ПОС-61, содержащим 60% свинца. Свинец и его неорганические соединения по своему воздействию на организм человека относится к I классу опасности.
Предельно допустимая концентрация свинца и его неорганических соединений равна 0,01 мг/м3. По характеру воздействия на организм человека свинец одновременно относится ко многим группам: общетоксичен, мутагенный, влияющий на репродуктивную функцию.
П




ары
и продукты горения флюса, пары этилового
спирта и лака относятся к общетоксичным,
раздражающим веществам. Предельно
допустимые концентрации этих веществ
соответственно 550, 1000 и 400 мг/м3.
Следовательно, для максимального
снижения ОВПФ необходимо применение
общей приточной вентиляции и местной
вытяжной вентиляции на рабочих местах.




Зона
дыхания
Пары








Рисунок 1.
Источником поражения электрическим током выступает электрооборудование, при прикосновении к металлическим частям которого может произойти поражение электрическим током высокого напряжения. Также поражение электрическим током может произойти при использовании инструмента и монтажных проводов с некачественной изоляцией.
Для устранения опасности электрического поражения электрооборудование имеет клеммы для заземления.
При данном техпроцессе сборки (табл.4.1.) используются легковоспламеняющиеся вещества, поэтому в соответствии с ОНТП 24-86:
Категория помещения – Б (СНиП 02.09.02 – 85)
Степень стойкости – IV (СниП 02.01.02 – 85)
Эвакуационные выходы – 2
Средства пожаротушения - углекислотный
огнетушитель огнетушитель
химический ОУ-2-3-штуки
пенный – ОХП-200-2 штуки.
Экологические показатели отражены в таблице 4.1.
Таблица 4.1.
|
№п/п |
Наименование опера ции |
Тип обору Дова ния |
ВИД ОВПФ |
Сре да заг ряз не ния |
ПДУ>pj> |
ПДК>сс> |
ПДК>мп> |
Мероприятия по нормализации |
|
|
Ра бо чей зо ны |
среда загрязне ния |
||||||||
|
1 |
Входной конт роль |
Комп лект КИП |
Электро опас ность |
АТМОСФЕРА |
Вытяжная вентиляция, заземление, спецодежда |
ФИЛЬТР |
|||
|
2 |
Формовка выводов |
Авто мат для формовки выво дов |
Электро опас ность |
||||||
|
3 |
Установка ЭРЭ и МС |
Приспособле ние для установки ЭРЭ и МС |
Электро опас ность |
||||||
|
4 |
Пайка |
Установка ПАП-300 |
Пары свинца пары флюса опас ность теплового ожога |
0,01 1000 |
0,0003 5 |
- 5 |
|||
|
5 |
Удале ние остатков флюса |
Кисть |
Пары спирта пары бензина пары флюса |
1000 100 1000 |
5 1,5 5 |
5 5 5 |
|||
|
6 |
Провер ка на функционирова ние |
Осцилограф С1-82 |
Электро опас ность |
||||||
|
7 |
Лакиро вание |
Ванна с лаком |
Пары лака опас ность теплово го ожога |
50 |
0,1 |
0,1 |
4.2. Расчет местной вытяжной вентиляции.
Местная вытяжная вентиляция должна препятствовать попаданию ОВПФ в зону дыхания работающего (см. рисунок 1).
Скорость
всасывания воздуха в рабочем объеме
отсоса в зависимости от токсичности
удаляемых веществ составляет 0,5
1,5
м/с.
Так как свинец относится к I классу опасности, принимаем скорость всасывания воздуха 1,5 м/с.
Ширина стола монтажника:
В=1,2 м
Верхний уровень паров:
h=(0,2
0.25)
В h=0,3
м
Ширина щели одностороннего отсоса:
b=
=0,12
м
Скорость воздуха в щели:
V=1,5
=1,5(20-15)=7,5
м/с.
- перепад температур
Объём воздуха, отсасываемого от стола монтажника:
Q=bhVк>1>к>2>
3600 [м3/час]
К>1> – коэффициент, учитывающий подтекание воздуха к щели;к>1>=1
К>2>
– поправочный коэффициент;к>2>=1
2,5
Q=0,3
0,12
7,5
1
2,5
3600
= 2430 м3/час
Приметим, что давление воздуха на выходе вентилятора Р=44 кг/м3.
Мощность на валу электродвигателя
N=PQ/3600
>B
n>
>B>
– КПД вентилятора
>B>=0,37
>
n>
– КПД передачи, зависящий от вида (при
непосредственной посадке на вал
электродвигателя); >
n>=1.
N=44
2430/3600
1
0,37=0,08
кВт
Установочная мощность электродвигателя:
N>у>=к>3>N
К>3> – коэффициент запаса по мощности; к>3>=1,5
N>у>=1,5
0,08=0,12
кВт
Из таблицы, приведенной в справочном пособии, выбираем электродвигатель 4АА56А4.
Характеристики вентилятора приведены в таблице 4.2.
Таблица 4.2.
|
№ |
Показатель |
Значение |
|
1 2 3 4 5 |
Частота вращения, об/мин Диаметр колеса, % от номинала Мощность электродвигателя, кВт Масса вентилятора с электродвигателем, кг Габаритные размеры, мм длина ширинавысота |
1370 100 0,12 26 480 400 570 |
4.3.Обеспечение производства печатного узла в чрезвычайных ситуациях. Обеспечение устойчивости производства изделий при нарушении поставок комплектующих элементов и материалов.
Для обеспечения бесперебойного выпуска изделия необходимо прежде всего, обеспечить бесперебойное снабжение производства всеми видами комплектующих элементов и материалов, которые могут производиться на самом предприятии или получаться от предприятий поставщиков.
В таблице 4.3. приведено распределение комплектующих элементов и материалов по месту изготовления и стандартизации. Из анализа данных, приведенных в данной таблице, можно сделать вывод о том, что производство устройства управления тюнером в значительной степени зависит от регулярности поставок комплектующих изделий поставщиками и своевременного изготовления непоставляемых изделий на самом предприятии – изготовителе.
Обеспечить бесперебойную работу производства при нарушении ритмичных поставок комплектующих элементов и материалов можно путем создания резервных запасов. Величина этих запасов должна рассчитываться таким образом, чтобы за счет созданного резерва комплектующих элементов и материалов можно было выпускать данное изделие на предприятии изготовителе в течение одного месяца при установленной программе выпуска данного изделия в год. Исходными данными для расчета являются месячная программа выпуска изделия на данном предприятии, а также норма расходов комплектующих элементов и материалов на изготовление одного изделия. Нормы запасов для обеспечения месячной программы выпуска устройства управления тюнером приведены в таблице 4.4.
При невозможности создания указанных выше запасов или при их частичной ли полной утрате, производство данного изделия на данном предприятии может быть обеспечено за счет полной или частичной замены комплектующих элементов, на их функциональные аналоги, и материалов на аналогичные, которые можно применять при изготовлении данного изделия. Возможные замены комплектующих элементов и материалов приведены в таблице 4.5. Как видно их таблицы, почти все комплектующие элементы, приведенные в ней, имеют замены, которые не приводят к нарушению существующего технологического процесса изготовления устройства управления и ухудшению параметров его работы.
Повышение устойчивости может быть достигнута за счет изменения технологического процесса, которое заключается в его упрощении и заменой оборудования. Таблица 4.6.
Таблица 4.3.
«Распределение комплектующих элементов устройства управления тюнером по месту изготовления и стандартизации».
|
Наименование комплектующих элементов |
Стандартные |
Метиловые |
Изготовленные на заводе:Плата печатная Жгут Поставляемые: Микросхемы КР140УД8 КР1821ВМ85КР1533ТП2 КР1533АГ3 КР1533ИР22 КР1533АП6 КР1533ЛЛ1 КР573РФ4 КР561КТ3 КР1533ЛН1 КР1533ИР23 КР580ВВ55А КР537РУ10 КР1533ИД7 КР572ПА1 КР512ВИ1 2.Резисторы МЛТ-0,125 3.Конденсаторы КМ-6 К50-35 4. Транзистор КТ3106Б 5.Диоды КД522В 6.Стабилитроны КС 162 КС 191Ж КС 139А 7.Генераторы кварцевые ГК-12 1 мГц ГК-16 32768 Гц 8.Разъём ГРПМ-1-61 |
+ + + + + + + + + + + + + + + + + + + + + + + + + |
+ + |
Таблица 4.4.
«Нормы расхода комплектующих элементов на одно изделие и месяц работы предприятия».
|
Наименование комплектующих элементов |
Нормы расхода, шт |
|
|
на 1 изделие |
на месяц |
|
Изготовленные на заводе:1. Плата печатная 2. Жгут Поставляемые: Микросхемы КР140УД8 КР1821ВМ85КР1533ТП2 КР1533АГ3 КР1533ИР22 КР1533АП6 КР1533ЛЛ1 КР573РФ4 КР561КТ3 КР1533ЛН1 КР1533ИР23 КР580ВВ55А КР537РУ10 КР1533ИД7 КР572ПА1 КР512ВИ1 2.Резисторы МЛТ-0,125 3.Конденсаторы КМ-6 К50-35 4. Транзистор КТ3102Б 5.Диоды КД522В 6.Стабилитроны КС 162 КС 191Ж КС 139А 7.Генераторы кварцевые ГК-12 1 мГц ГК-16 32768 Гц 8.Разъём ГРПМ-1-61 |
1 1 3 1 1 1 1 2 1 1 1 1 3 1 1 1 3 1 36 23 4 1 3 1 1 1 1 1 1 |
4 4 12 4 4 4 4 8 4 4 4 4 12 4 4 4 12 4 144 92 16 4 12 4 4 4 4 4 4 |
Таблица 4.5.
«Возможная замена комплектующих элементов и материалов».
|
Наименование комплектующих элементов и материалов |
Возможные заменители |
|
Материалы: 1.Стеклотекстолит СФ-2-50 2.Флюс ФКТ 3.Припой ПОС 61 4.Провод МГШВ – 0,12 5. Спирт этиловый 6.Лак УР – 231 Элементы: 1.Микросхемы: КР140УД8 КР1821ВМ85 КР573РФ4 КР561КТ3 КР580ВВ55А КР537РУ10 КР572ПА1 КР512ВИ1 Серия 1533 2.Резисторы МЛТ-0,125 3.Конденсаторы КМ-6 К50-35 4. Транзистор КТ3102Б 5.Диоды КД522В 6.Стабилитроны КС 162 КС 191Ж КС 139А 7.Генераторы кварцевые 8.Разъём ГРПМ1 - 61 |
Гетинакс ГФ1, ГФ – 2 ФКС, ФК-10, ФКСП Припой ПОС-40, ПОС-90 МГШВ-0,15 Бензин БР-1, А-72 Лак УР-200 КР140ОД1 КР580ВМ85, Intel 8085 КР573РФ6 К176КТ1 Не подлежит замене Не подлежит замене КР572ПА2 Не подлежит замене На серии 155, 133, 555 ОМЛТ-0,125 К53-14; К50-6 КМ-5 КТ315; любой из серии КТ3102 А, С, D… КД521Д КС405А КС492А; Д814Б КС139Д; КС439 А Замене не подлежат Любые, обеспечивающие необходимое количество контактов |
Таблица 4.6.
«Замена основного технологического оборудования при упрощении технологического процесса».
|
Операции |
Оборудование ТТП |
Простейшие замены |
|
1.Входной контроль ЭРЭ 2.Обрезка и формовка выводов 3.Сушка печатных плат 4.Установка ЭРЭ 5.Пайка волной припоя 6.Удаление остатков флюса 7.Вырубка платы 8.Травление платы 9.Сверление отверстий |
Стенд ПНХТ Автомат ТГ-16 Вытяжной шкаф ВТ-72 Укладочная головка УР-1Г Установка АП-10 Ванна ГГ17УЗ с генератором УЗГ-1022 Пресс пневма- тический П6322 Гальваническая ванна с механизированным приводом Координатно-сверлильный станок с ЧПУ |
Тестер Плоскогубцы, пинцет, бокорезы Обыкновенные печи Пинцеты Паяльник Кисть, смоченная в бензине или спирте Ручной пресс Обыкновенная ванна с травителем Вертикально-сверлильный станок D35. |
Список литературы.
Коффрон Дж. Технические средства микропроцессорных систем. – М.: Мир, 1983
Хвощ С.Т., Варлинский Н.Н., Попов Е.А. Микропроцессоры и микроЭВМ в системах автоматического управления. – Л.: Машиностроение, 1987.
Хоровиц П., Хеши У. Искусство схемотехники. –М.: Мир, 1986.
Микропроцессоры и микропроцессорные комплекты интегральных микросхем/справочник – М.: Радио и связь, 1986.
Шило В.Л. Популярные цифровые микросхемы: справочник. – Челябинск: Металлургия, 1986.
Якубовский С.В. Цифровые и аналоговые интегральные микросхемы: Справочник. – М.: Радио и связь, 1989.
Александров К.К., Кузьмина Е.Г. Электротехнические чертежи и схемы. – М.: Энергоатомиздат, 1990.
Павловский В.В., Васильев В.И., Гутман Т.Н. Проектирование технологических процессов изготовления РЭА / Пособие по курсовому проектированию для ВУЗов. – М.: Радио и связь, 1982.
Парфенов К.М. Проектирование конструкций РЭА. – М.: Радио и связь, 1989.
Егоров В.А., Лебедев К.М. и др. Конструкторско-технологическое проектирование печатных узлов / Учебное пособие. – СПб, 1995.
Корчагина Р.Л. Технико-экономические обоснования при разработке радиоэлектронных приборов и устройств. / Учебное пособие по дипломному проектированию. – Л.: Механический институт, 1988.
Безопасность жизнедеятельности: Справочное пособие по дипломному проектированию / Под редакцией Иванова Н.И. и Фадина И.М. – СПб.: БГТУ, 1995.




К
шине адреса
RD
CSO




>л>
%