Усилитель широкополосный
ФЕДЕРАЛЬНОЕ АГЕНТСТВО ПО ОБРАЗОВАНИЮ
ТОМСКИЙ ГОСУДАРСТВЕННЫЙ УНИВЕРСИТЕТ СИСТЕМ УПРАВЛЕНИЯ И РАДИОЭЛЕКТРОНИКИ (ТУСУР)
Кафедра радиоэлектроники и защиты информации
(РЗИ)
УСИЛИТЕЛЬ ШИРОКОПОЛОСНЫЙ
Пояснительная записка к курсовому проекту по дисциплине
“Схемотехника аналоговых электронных устройств"
РТФ КП.468731.001 ПЗ
Выполнил
студент гр. 142-1:
_______ Б. В. Храмцов
_______ марта 2005г.
Проверил
Доктор технических наук, профессор каф. РЗИ:
_______ А.А. Титов
_______ марта 2005г.
Томск 2005
РЕФЕРАТ
Курсовая работа 31 с., 21 рис, 1 табл., 4 источника.
УСИЛИТЕЛЬ МОЩНОСТИ, КОРРЕКТИРУЮЩАЯ ЦЕПЬ, РАБОЧАЯ ТОЧКА, ВЫБОР ТРАНЗИСТОРА, СХЕМЫ ТЕРМОСТАБИЛИЗАЦИИ, ОДНОНАПРАВЛЕННАЯ МОДЕЛЬ ТРАНЗИСТОРА, ЭКВИВАЛЕНТНАЯ СХЕМА ДЖИАКОЛЕТТО, ДРОССЕЛЬНЫЙ КАСКАД.
Объектом исследования является широкополосный усилитель мощности.
В данной курсовой работе рассматриваются условия выбора транзистора, методы расчета усилительных каскадов, корректирующих цепей, цепей термостабилизации.
Цель работы – приобрести навыки расчета транзисторных усилителей мощности.
В результате работы был рассчитан широкополосный усилитель мощности, который может использоваться в качестве усилителя мощности стандартных сигналов, а также в качестве усилителя, применяющегося для калибровки усилителей мощности телевизионных передатчиков.
Курсовая работа выполнена в текстовом редакторе Microsoft World 2003, с использованием графического редактора PAINT и представлена на дискете 3,5”.
СОДЕРЖАНИЕ1. Введение 2. Расчет структурной схемы усилителя 2.1 Определение числа каскадов 2.2 Распределение искажений по каскадам 3. Расчет оконечного каскада 3.1 Расчет требуемого режима транзистора 3.1.1 Расчет параметров резистивного каскада 3.1.2 Расчет дроссельного каскада 3.2 Выбор транзистора 3.3 Расчет и выбор схемы термостабилизации 3.3.1 Эмиттерная термостабилизация 3.3.2 Пассивная коллекторная термостабилизация 3.3.3 Активная коллекторная термостабилизация 3.4 Расчет эквивалентной схемы замещения 3.5 Переход к однонаправленной модели транзистора 4. Расчет промежуточного каскада 4.1 Расчет рабочей точки для промежуточного каскада 4.2 Выбор транзистора для промежуточного каскада 4.3 Расчет эквивалентных схем замещения 4.4 Расчет эмиттерной термостабилизации 4.5 Переход к однонаправленной модели транзистора 4.6 Расчет промежуточного каскада с эмиттерной коррекцией 5. Искажения, вносимые входной цепью 6. Расчет результирующей характеристики 7. Заключение Список использованных источников РТФ КП.468.731.001.ПЗ Схема электрическая принципиальная РТФ КП.468.731.001.ПЗ Перечень использованных элементов |
5 6 6 6 7 7 7 8 10 11 11 12 13 14 16 18 18 19 20 21 22 24 26 27 28 29 30 31 |
|||||||
|
РТФ КП 468731.001 П3 |
||||||||
|
Изм. |
Лист. |
N0 докум. |
Подп. |
Дата |
||||
|
Разраб. |
Храмцов Б.В. |
Усилитель широкополсный Пояснительная записка |
Лит. |
Лист |
Листов |
|||
|
Провер. |
Титов А.А. |
4 |
31 |
|||||
|
ТУСУР РТФ гр.142-1 |
||||||||
|
Н. контр. |
||||||||
|
Утв. |
1 Введение
Сейчас в электронной технике часто используются разнообразные усилительные устройства. В любом теле-радиоустройстве, в компьютере есть усилительные каскады.
В данном курсовом проекте решается задача проектирования усилителя напряжения на основе операционных усилителей.
Операционный усилитель (ОУ) – усилитель постоянного тока с полосой пропускания в несколько мегагерц с непосредственной связью между каскадами (т.е. без Ср), с большим коэффициентом усиления, высоким входным и малым выходным сопротивлениями, а также низким уровнем шума, при хорошей температурной стабильности, способный устойчиво работать при замкнутой цепи обратной связи (ОС).
ОУ предназначен для выполнения различных операций над аналоговыми величинами, при работе в схеме с глубокими отрицательными обратными связями (ООС). При этом под аналоговой величиной подразумевается непрерывно изменяющееся напряжение или ток
Основной целью данного курсового проекта является разработка широкополосного усилителя.
В задачу входит анализ исходных данных на предмет оптимального выбора структурной схемы и типа электронных компонентов, входящих в состав устройства, расчёт цепей усилителя.
По заданию усилитель должен усиливать сигнал в полосе частот от 4 до 40 МГц с частотными искажениями не более 2 дБ на верхних и 3дБ нижних частотах. Нелинейные искажения усилителя необходимо оценить.
2 Расчет структурной схемы усилителя
2.1 Определение числа каскадов
Чтобы обеспечить амплитуду выходного сигнала, заданную в техническом задании, нужно выбрать многокаскадный усилитель, так как одного усилительного элемента недостаточно. Поэтому определим число каскадов для обеспечения выходного сигнала.
Структурную схему многокаскадного усилителя можно представить как
Р
исунок
2.1 - Структурная схема усилителя
K - коэффициент усиления, дБ;
Ki - коэффициент усиления i-го каскада, дБ; i = 1,...,n; n - число каскадов.
Для ШУ диапазона ВЧ с временем установления порядка десятков наносекунд ориентировочно число каскадов можно определить, полагая, что все каскады с одинаковым Ki равным 10 децибел, то есть:
(2.1)
2.2 Распределение искажений по каскадам
Для многокаскадного ШУ результирующий коэффициент частотных искажений в области верхних частот (ВЧ) определяется как:
,
(2.2)
где Yв - результирующий коэффициент частотных искажений в области ВЧ, дБ.
Yвi - коэффициент частотных искажений I-го каскада, дБ.
Суммирование в формуле (2.2) производится n+1 раз из-за необходимости учета влияния входной цепи, образованной Rг, Rвх, Cвх (рисунок 2.1).
Распределять искажения можно равномерно, при этом:
Yвi = Yв/(n+1) = 2/(2+1) дБ = 0,66 дБ = 0,926119 раз (2.3)
3 Расчет оконечного каскада
Выходной каскад работает в режиме большого сигнала, поэтому расчет его ведем так, чтобы обеспечить заданную амплитуду выходного напряжения при допустимых линейных (в области верхних частот или малых времен) и нелинейных искажениях.
Расчет начнем с выбора транзистора и режима его работы.
3.1 Расчет требуемого режима транзистора
Задание определённого режима транзистора по постоянному току необходимо для обеспечения требуемых характеристик всего каскада.
Для расчета требуемого режима транзистора необходимо определиться с типом каскада, для этого рассчитаем оба: и резистивный и дроссельный каскады и сравним их.
Затем выберем наиболее оптимальный тип каскада.
3.1.1 Расчёт параметров резистивного каскада
Для
расчета используем параметры из задания:
Rн=50
Ом,
,
сопротивление коллекторной цепи возьмем
равной Rк
= Rн
= 50 Ом.
Принципиальная схема каскада приведена на рис. 3.1,а, эквивалентная схема по переменному току на рис. 3.1,б.
а) б)
Рисунок 3.1 – Принципиальная и эквивалентная схемы резистивного каскада
1) Найдем ток и напряжение в рабочей точке:
,
(3.1)
где
- напряжение рабочей точки или постоянное
напряжение на переходе коллектор
эмиттер;
- напряжение на выходе
усилителя;
- остаточное напряжение
на транзисторе.
2) Найдем сопротивление нагрузки по сигналу:
(3.2)
3) Постоянный ток коллектора:
,
(3.3)
где
- постоянная составляющая тока коллектора;
- сопротивление нагрузки
по сигналу.
4) Выходная мощность усилителя равна:
(3.4)
5) Напряжение источника питания равно:
(3.5)
6) Мощность, рассеиваемая на коллекторе транзистора равна:
(3.6)
7) Мощность, потребляемая от источника питания:
(3.7)
8)
КПД:
(3.8)
3.1.2 Расчёт дроссельного каскада
В дроссельном каскаде в цепи коллектора вместо сопротивления используется индуктивность, которая не рассеивает мощность и требует меньшее напряжение питания, поэтому у этого каскада выше КПД.
Используем
требуемые параметры задания: Rн=50
Ом,
.
П
ринципиальная
схема дроссельного каскада по переменному
току изображена на рисунке 3.2.
Рисунок 3.2-Схема дроссельного каскада по переменному току.
1) Найдем напряжение в рабочей точке:
(3.9)
2) Постоянный ток коллектора:
(3.10)
3) Выходная мощность усилителя:
(3.11)
4) Напряжение источника питания равно:
(3.12)
5) Мощность, рассеиваемая на коллекторе транзистора:
(3.13)
6) Мощность, потребляемая от источника питания:
(3.14)
7)
КПД:
(3.15)
Таблица 3.1 - Характеристики вариантов схем коллекторной цепи.
|
Е>п>,В |
I>ко>,А |
|
U>кэо>,В |
|
|
|
|
|
Резистивный каскад |
17 |
0,22 |
3,74 |
6 |
0,25 |
1,32 |
6,685 |
|
Дроссельный каскад |
11,5 |
0,11 |
1,265 |
6 |
0,25 |
0,66 |
19,763 |
Из рассмотренных вариантов схем питания усилителя видно, что лучше выбрать дроссельный каскад.
3.2 Выбор транзистора
Выбор транзистора для оконечного каскада осуществляется с учетом следующих предельных параметров:
1) Граничной частоты усиления транзистора по току в схеме с ОЭ:
,
(3.16)
где
из технического задания.
Найдем граничную частоту усиления транзистора по току в схеме с ОЭ:
(3.17)
2) Предельно допустимого напряжения коллектор-эмиттер:
(3.18)
3) Предельно допустимого тока коллектора:
(3.19)
4) Допустимая мощность, рассеиваемая на коллекторе:
(3.20)
Тип проводимости транзистора может быть любой для ШУ.
Анализируя требуемые параметры, выбираем транзистор КТ913А.
Это кремниевый эпитаксиально-планарный n-p-n генераторный сверхвысокочастотный.
Предназначенный для работы в схемах усиления мощности, генерирования, умножения частоты в диапазоне 200 – 1000 МГц в режимах с отсечкой коллекторного тока.
Выпускается в герметичном металлокерамическом корпусе с полосковыми выводами.
Основные параметры транзистора:
1) Граничная частота коэффициента передачи по току в схеме с ОЭ:
f>Г> =900 МГц;
2) Постоянная времени цепи обратной связи:
τ>с>=18пс;
3) Емкость коллекторного перехода при U>кб>=28В:
С>к>=7пФ;
4) Емкость эмиттерного перехода:
C>э>=40пФ;
5) Максимально допустимое напряжение на переходе К-Э:
Uкэ max = 55В;
6) Максимально допустимый ток коллектора:
Iк max = 0,5А;
Выберем следующие параметры рабочей точки:
Т.к.
транзистор хорошо работает только
начиная с 6В то примем
.
3.3 Расчёт и выбор схемы термостабилизации
Существует несколько вариантов схем термостабилизации. Их использование зависит от мощности каскада и от того, насколько жёсткие требования предъявляются к температурной стабильности каскада. В данной работе рассмотрены три схемы термостабилизации: эмиттерная, пассивная коллекторная, и активная коллекторная. Рассчитаем все три схемы, а затем определимся с выбором конкретной схемы стабилизации.
3.3.1 Эмиттерная термостабилизация
Эмиттерная термостабилизация широко используется в маломощных каскадах, так как потери мощности в ней при этом не значительны и её простота исполнения вполне их компенсирует, а также она хорошо стабилизирует ток коллектора в широком диапазоне температур при напряжении на эмиттере более 5В.

Рисунок 3.3-Схема каскада с эмиттерной термостабилизацией.
Рассчитаем параметры элементов данной схемы:
1) Необходимое напряжение питания:
Е>п>=U>R>>э>+U>кэ0>+I>к0*>R>к > (3.21)
Значение источника питания необходимо выбирать из стандартного ряда, поэтому выберем напряжение U>R>>э> с учетом того, что Е>п>=10В, R>к>=0Ом:
2)Напряжение на Rэ:
U>R>>э>=E>п>-U>кэ0>+I>к0*>R>к>=10В-6В=4В (3.22)
3) Сопротивление эмиттера:
(3.23)
4) Напряжение на базе транзистора:
U>б>=U>R>>э>+0,7В = 4,7В (3.24)
5) Базовый ток транзистора:
Iб=
(3.25)
6) Ток делителя:
Iд=5Iб=5,5мА, (3.26)
где Iд – ток, протекающий через сопротивления Rб1 и Rб2.
Сопротивления делителей базовой цепи:
7)
Rб1=
(3.27)
8)
Rб2=
(3.28)
Наряду с эмиттерной термостабилизацией используются пассивная и активная коллекторные термостабилизации.
3.3.2 Пассивная коллекторная термостабилизация
Данный вид термостабилизации (схема представлена на рисунке 3.4) используется на малых мощностях и менее эффективен, чем две другие, потому что напряжение отрицательной обратной связи, регулирующее ток через транзистор подаётся на базу через базовый делитель.

Рисунок 3.4 - Схема пассивной коллекторной термостабилизации
Расчет заключается в выборе U>R>>к> и дальнейшем расчете элементов схем по формулам:
Выберем URк=5В;
1) Е>п> = URк + U>кэ0>=5В+6В=11В, (3 29)
где URк - падение напряжения на Rк.
2) Сопротивление коллектора:
(3.30)
3) Сопротивление
базы: Rб=
(3.31)
4) Ток базы:
(3.32)
3.3.3 Активная коллекторная термостабилизация
Активная коллекторная термостабилизация используется в мощных каскадах и является очень эффективной, её схема представлена на рисунке 3.5.

Рисунок 3.5 - Активная коллекторная термостабилизация
Для расчета схемы термостабилизации необходимо сначала выбрать напряжение на резисторе R>к>, а затем рассчитать токи и напряжения на втором транзисторе, и следующим шагом рассчитать значения элементов схемы:
1)
(3.33)
2) U>кэ0>>vt>>2>=U>кэ0>>vt>>1>/2 = 6В/2 = 3В (3.34)
3) U>R>>б2>=U>кэ0>>vt>>2>-0,7В = 3В-0,7В = 2,3В (3.35)
4) I>к02>=I>б01>=110мА (3.36)
5) I>к01>=I>б01*>β>01>=110мА>*>100 = 11А (3.37)
6) R>б2>=U>R>>б2>/I>к02>=2,3В/110мА = 20,9Ом (3.38)
7) U>б2>=U>кэ0>>vt>>1>-0,7В=6В-0,7В = 5,3В (3.39)
8) I>дел>=10I>бо2>=110мА>*>10/100 = 11мА (3.40)
9) R>1>=U>б2>/I>дел>=5,3В/11мА = 481,818Ком (3.41)
10) R>3>= U>R>>2>/I>дел>=(1+0,7)В/11мА =1 54,545Ом (3.42)
Из рассмотренных схем видно, что наиболее эффективной будет схема с эмиттерной термостабилизацией, т.к. каскад выходной и следовательно мощный, и диапазон усиливаемых частот не очень большой, то нет необходимости в другом виде термостабилизации.
3.4 Расчёт эквивалентной схемы замещения
При использовании транзисторов до (0,2 - 0,3)f>т> возможно применение упрощенных эквивалентных моделей транзисторов, параметры элементов эквивалентных схем которых легко определяются на основе справочных данных.
Эквивалентная схема биполярного транзистора представлена на рисунке 3.6.

Рисунок 3.6 - Эквивалентная схема биполярного транзистора (схема Джиаколетто)
1) Найдем ёмкость коллекторного перехода:
(3.43)
2) Рассчитаем сопротивление базы:
Rб =τ>с>/С>к>=18пс/11,465пФ = 1,57Ом (3.44)
gб=
=0,637Cм
(3.45)
3) Рассчитаем сопротивление эмиттера:
rэ=
=
=0,618Ом,
(3.46)
где Iк0 в мА;
rэ - сопротивление эмиттера.
4) Найдем проводимость база – эмиттерного перехода:
gбэ=
=
,
(3.47)
где gбэ - проводимость база-эмиттер;
- справочное значение
статического коэффициента передачи
тока в схеме с общим эмиттером.
5) Рассчитаем емкость эмиттерного перехода:
Cэ=
=
,
(3.48)
где Cэ - ёмкость эмиттера;
fт - справочное значение граничной частоты транзистора.
6) Найдем сопротивление транзистора:
Ri
=
,
(3.49)
где Ri - выходное сопротивление транзистора;
Uкэ0(доп), Iк0(доп) - соответственно паспортные значения допустимого напряжения на коллекторе и постоянной составляющей тока коллектора.
7) Рассчитаем крутизну:
(3.50)
3.5 Переход к однонаправленной модели транзистора
Т.к
рабочие частоты усилителя заметно
больше частоты
,
то из эквивалентной схемы можно исключить
входную ёмкость, так как она не влияет
на характер входного сопротивления
транзистора. Индуктивность же выводов
транзистора напротив оказывает
существенное влияние и потому должна
быть включена в модель. Эквивалентная
высокочастотная модель представлена
на рисунке 3.7.

Рисунок 3.7- Однонаправленная модель транзистора
1)
,
(3.51)
где
- статический коэффициент передачи
по току транзистора.
2)
(3.52)
3) Постоянная времени транзистора:
(3.53)
4) Входная ёмкость каскада:
(3.54)
5) Входное сопротивление каскада:
(3.55)
6)
(3.56)
7) Коэффициент усиления транзистора по напряжению в ОСЧ:
(3.57)
8) Выходная ёмкость:
(3.58)
9) Постоянная времени в ОВЧ:
(3.59)

Рисунок 3.8- Принципиальная схема некорректированного каскада и эквивалентная схема по переменному току
Для расчета искажений в ОВЧ предварительно распределим искажения так:
-заданные искажения 2 дБ:
-на входной каскад 0,5 дБ;
-на оконечный каскад 1дБ;
-на искажения, вносимые входной цепью 0,5дБ.
При
заданном уровне частотных искажений
=1дБ,
верхняя граничная частота
полосы пропускания каскада равна:
=
=43,95МГц
(3.60)
где Y=0,8912656 уровень искажений данного каскада.
Т.к. полученная верхняя частота получилась выше требуемой (40МГц), то ВЧ коррекция не требуется.
4 Расчет промежуточного каскада
4.1 Расчет рабочей точки для промежуточного каскада
На
выходе оконечного каскада необходимо
получить напряжение равное
,
по полученным расчетам оконечный каскад
имеет

Входное
сопротивление и входную ёмкость
оконечного каскада возьмем из (3.54) и
(3.55), т.е.
,
,
следовательно, на входе оконечного
каскада и выходе предоконечного
необходимы импульсы амплитудой равной
(4.1)
Рассчитаем
рабочую точку предоконечного каскада
с учетом полученных данных(
=
):
1)
,
(4.2)
где
- напряжение рабочей точки или
постоянное напряжение на переходе
коллектор эмиттер;
- напряжение на выходе
усилителя;
- остаточное напряжение
на транзисторе.
2)
Найдем эквивалентное сопротивление
оконечного контура на граничной частоте
:
(4.3)
3)
(4.4)
4)
=1,1
=22,684332мА,
(4.5)
где
- постоянная составляющая тока коллектора;
- сопротивление нагрузки
по сигналу.
5) Мощность, рассеиваемая на коллекторе транзистора равна
(4.6)
4.2 Выбор транзистора для промежуточного каскада
Найдем необходимые предельные характеристики транзистора:
1)
(4.7)
2)
(4.8)
3)
(4.9)
4)
,
(4.10)
где
из технического задания.
Т.к. все необходимые предельные параметры, кроме граничной частоты, значительно меньше аналогичных справочных значений для маломощных транзисторов, то при выборе транзистора основным критерием будет граничная частота (f>T>).
По необходимым предельным характеристикам был выбран транзистор KT316А. Ниже перечислены характеристики транзистора:
Это кремниевый эпитаксиально - планарный n-p-n переключательный маломощный и СВЧ усилительный с ненормированным коэффициентом шума транзистор. Выпускаются в металлостеклянном корпусе с гибкими выводами.
Основные параметры транзистора:
1) Граничная частота коэффициента передачи по току в схеме с ОЭ:
f>Г> =1000 МГц;
2) Постоянная времени цепи обратной связи:
τ>с>=50пс;
3) Емкость коллекторного перехода при U>кб>=5В:
С>к>=2пФ;
4) Емкость эмиттерного перехода:
C>э>=1,2пФ;
5) Максимально допустимое напряжение на переходе К-Э:
Uкэ max=10 В;
6) Максимально допустимый ток коллектора:
Iк max = 50 мА;
7) Максимально допустимая мощность, рассеиваемая на коллекторном переходе:
Pк мах = 150 мВт .
Выберем следующие параметры рабочей точки:
Т.к.
транзистор хорошо работает только
начиная с 5В то примем
и
.
4.3 Расчёт эквивалентных схем замещения
Эквивалентная схема биполярного транзистора изображена на рисунке 4.1.
При использовании транзисторов до (0,2 - 0,3)f>т> возможно применение упрощенных эквивалентных моделей транзисторов, параметры элементов эквивалентных схем которых легко определяются на основе справочных данных.

Рисунок 4.1- Эквивалентная схема биполярного транзистора (схема Джиаколетто)
1)
(4.11)
2) Rб =τ>с>/С>к>=50пс/2пФ=25Ом; (4.12)
gб
=
= 40мCм,
(4.13)
где R>б>- сопротивление базы.
3)
rэ=
=
=2,2Ом,
(4.14)
где Iк0 в мА;
rэ - сопротивление эмиттера.
4)
gбэ=
=
,
(4.15)
где gбэ- проводимость база-эмиттер;
- справочное значение
статического коэффициента передачи
тока в схеме с общим эмиттером.
5)
Cэ=
=
,
(4.16)
где Cэ - ёмкость эмиттера;
fт - справочное значение граничной частоты транзистора.
6) Ri
=
,
(4.17)
где Ri - выходное сопротивление транзистора;
Uкэ0(доп), Iк0(доп) - соответственно паспортные значения допустимого напряжения на коллекторе и постоянной составляющей тока коллектора.
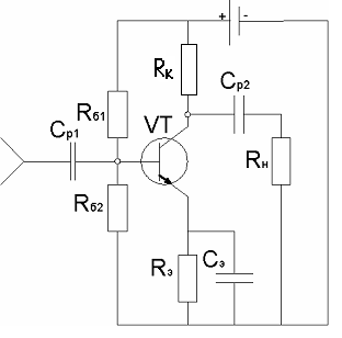
4.4 Расчёт эмиттерной термостабилизации
Т.к. режим работы транзистора малосигнальный, то применим эмиттерную термостабилизацию.
Эмиттерная термостабилизация широко используется в маломощных каскадах, так как потери мощности в ней при этом не значительны и её простота исполнения вполне их компенсирует, а также она хорошо стабилизирует ток коллектора в широком диапазоне температур при напряжении на эмиттере более 5В.

Рисунок 4.2-Схема каскада с эмиттерной термостабилизацией.
Рассчитаем параметры элементов данной схемы:
1) Необходимое напряжение питания:
Е>п>=U>R>>э>+U>кэ0>+I>к0*>R>к > (4.18)
Значение источника питания необходимо выбирать из стандартного ряда поэтому выберем напряжение U>R>>э> с учетом того, что Е>п>=10В:
2) Напряжение на резисторе Rэ:
U>R>>э >= E>п>-U>кэ0> = 10В-5В = 5В (4.19)
3) Сопротивление эмиттера:
(4.20)
4) Напряжение на базе транзистора:
U>б >= U>R>>э>+0,7В=5,7В (4.21)
5) Базовый ток транзистора:
Iб=
(4.22)
6) Ток делителя:
Iд =5Iб = 1мА, (4.23)
где Iд - ток протекающий через сопротивления Rб1 и Rб2.
Сопротивления делителей базовой цепи:
7)
Rб1 =
(4.24)
8)
Rб2 =
(4.25)
4.5 Переход к однонаправленной модели транзистора
Т.к
рабочие частоты усилителя заметно
больше частоты
,
то из эквивалентной схемы можно исключить
входную ёмкость, так как она не влияет
на характер входного сопротивления
транзистора. Индуктивность же выводов
транзистора напротив оказывает
существенное влияние и потому должна
быть включена в модель. Эквивалентная
высокочастотная модель представлена
на рисунке 4.3.

Рисунок 4.3- Однонаправленная модель транзистора
1)
,
(4.26)
где
-
статический коэффициент передачи
по току транзистора.
2)
(4.27)
3) Постоянная времени транзистора:
(4.28)
4) Входная ёмкость:
(4.29)
5) Входное сопротивление каскада:
(4.30)
6)
(4.31)
(4.32)
7) Коэффициент усиления транзистора по напряжению в ОСЧ:
(4.33)
8) Выходная ёмкость:
(4.34)
9) Постоянная времени в ОВЧ:
(4.35)

Рисунок 4.4- Принципиальная схема некорректированного каскада и эквивалентная схема по переменному току
Для расчета искажений в ОВЧ распределим искажения на входной каскад 0,5дБ;
При
заданном уровне частотных искажений
=0,5дБ,
верхняя граничная частота
полосы пропускания каскада равна:
=
=1,39МГц,
(4.36)
где Y=0,944 уровень искажений данного каскада.
Т.к. полученная верхняя частота получилась намного ниже требуемой (40МГц), следовательно, необходима ВЧ коррекция с большой глубиной. Выберем ВЧ эмиттерную коррекцию.
4.6 Расчет промежуточного каскада с эмиттерной коррекцией
Принципиальная
схема каскада с эмиттерной коррекцией
приведена на рис. 4.5,а, эквивалентная
схема по переменному току на рисунке
4.5,б, где
- элементы коррекции. При отсутствии
реактивности нагрузки эмиттерная
коррекция вводится для коррекции
искажений АЧХ вносимых транзистором,
увеличивая амплитуду сигнала на переходе
база-эмиттер, с ростом частоты усиливаемого
сигнала.

а) б)
Рисунок 4.5 Схемы корректированного каскада
Коэффициент
передачи каскада в области верхних
частот, при выборе элементов коррекции
и
соответствующими оптимальной по Брауде
форме АЧХ, описывается выражением:
1) Возьмем F=13, тогда
(4.37)
2) Т.к.
,
то
(4.38)
3) n = K>0*>R>1*>C>вх>/τ>в>=19,394∙30Ом∙819,17пФ/40,92нс=11,64735 (4.39)
4)
(4.40)
5)
(4.41)
6)
(4.42)
7)

,
(4.43)
где
.
(4.44)
Т.к. верхняя частота корректированного каскада получилась больше требуемой, то искажения, вносимые каскадом будут не более 0,5дБ.
Входное сопротивление каскада с эмиттерной коррекцией может быть аппроксимировано параллельной RC-цепью:
8)
=
(4.45)
9)
(4.46)
10)
(4.47)
5 Искажения, вносимые входной цепью
Принципиальная схема входной цепи каскада приведена на рис. 5.1,а, эквивалентная схема по переменному току на рис. 5.1,б.

а) б)
Рисунок 5.1 Входная цепь каскада
1)
Из (4.45)
,
где
–
входная
емкость каскада.
2)
Из (4.47)
,
где
–
входное
сопротивление каскада.
3)
(5.1)
4)
(5.2)
5)
(5.3)
7) Искажения вносимые входной цепью по уровню 0,5 дБ равны:
=
=437,32МГц,
(5.4)
где Y=0,944.
6 Расчет результирующей характеристики
Построение результирующей характеристики в нашем случае заключается в построении АЧХ, которая сроится на основании полученного сквозного коэффициента усиления и искажений на нижних и верхних частотах, указанных в техническом задании.
Итоговая амплитудно-частотная характеристика усилительного устройства находится как произведение коэффициентов передачи всех каскадов усилителя: Ko = K1∙K2, где K1,.K2 – коэффициенты усиления соответсвенно первого и второго каскадов.
АЧХ усилителя приведем в нормированном виде для удобства сравнения ее с различными АЧХ других усилителей.
Результирующая характеристика представлена на рисунке 6.1.

Рисунок 6.1 АЧХ усилителя
Yн = 0,707945784;
Yв = 0,794328234;
fн = 4МГц;
fв = 40МГц;
Ko = 80,12(раз).
Значению “1” соответствует значение коэффициента усиления указанного в задании - S21 = 20дБ.
7 Заключение
В ходе курсового проектирования был разработан широкополосный усилитель с характеристиками близкими к указанным в техническом задании.
Выходной каскад обеспечивает требуемое выходное напряжение
Промежуточный каскад дает необходимое усиление и искажения в пределах допустимого.
В общем можно сказать, что спроектированный мною усилитель, удовлетворяет всем требованиям указанных преподавателем в задании. Что говорит о правильности проделанной работы.
По окончании курсового проекта можно сказать о том, что проделанная работа была перевыполнена за счет того что требуемое усиление по заданию составляет 20дБ или 10(раз), а в результате работы было получено усилении 80,12(раз), из которых только 53,7 приходится на оконечный каскад.
Который также удовлетворяет искажениям(2дБ), указанных в техническом задании при этом не требуя дополнительной коррекции.
Исходя из вышесказанного можно сделать вывод о том, что дополнительный расчет промежуточного каскада был сделан для более подробного изучения поставленной передо мной задачей
Список использованных источников
1) Красько А.С. Проектирование аналоговых электронных устройств - Томск: ТУСУР, 2000. - 29с.
2) Мамонкин И.Г. Усилительные устройства. Учебное пособие для вузов - М.: Связь, 1977. - 360с.
3) Полупроводниковые приборы. Транзисторы средней и большой мощности. Справочник / А.А. Зайцев, А.И. Миркин; Под ред. А.В. Голомедова. - М.: Радио и связь, 1989. - 640с.
4) Титов А.А. Расчет элементов высокочастотной коррекции усилительных каскадов на биполярных транзисторах: Учебно-методическое пособие по курсовому проектированию для студентов радиотехнических специальностей. - Томск: Томск. ТУСУР, 2002. - 47с.
5) Цыкин Г.С. Усилительные устройства. - М.: Связь, 1971. - 367с.
6) Широкополосные радиопередающие устройства /Под ред. О.В. Алексеева. - М.: Связь. 1978. - 450с.
|
|
|||||||||
|
РТФ КП 468731.001 П3 |
|||||||||
|
Усилитель широкополосный Схема электрическая принципиальная |
Лит. |
Масса |
Масштаб |
||||||
|
Изм |
Лист |
№ докум. |
Подп. |
Дата |
|||||
|
Разраб. |
Храмцов |
||||||||
|
Пров. |
Титов А.А. |
||||||||
|
Т. контр. |
Лист 30 |
Листов 31 |
|||||||
|
ТУСУР, РТФ, гр.142-1 |
|||||||||
|
Н. контр. |
|||||||||
|
Утв. |
|||||||||
Поз.обознач. |
Наименование |
Кол. |
Примечание |
||||||
|
Конденсаторы ОЖО.460.107ТУ |
|||||||||
|
С1 |
К10 - 17а – 3пФ ± 5% |
1 |
|||||||
|
С2 |
К10 - 17а – 15пФ ± 5% |
1 |
|||||||
|
С3 |
К10-17а – 1,6нФ ± 5% |
1 |
|||||||
|
С4 |
К10 - 17а – 820пФ ± 5% |
1 |
|||||||
|
С5 |
К10 - 17а – 2,7пФ ± 5% |
1 |
|||||||
|
С6 |
К10 - 17а – 4пФ ± 5% |
1 |
|||||||
|
Резисторы ГОСТ 7113 - 77 |
|||||||||
|
R1 |
МЛТ – 0.25 – 3,6 кОм ± 5% |
1 |
|||||||
|
R2 |
МЛТ – 0.25 – 5,6 кОм ± 5% |
1 |
|||||||
|
R3, R5 |
МЛТ – 0.25 – 30 Ом ± 5% |
2 |
|||||||
|
R4 |
МЛТ – 0.25 – 240 Ом ± 5% |
1 |
|||||||
|
R6, R7 |
МЛТ – 0.25 – 820 Ом ± 5% |
2 |
|||||||
|
R8 |
МЛТ – 0.25 – 47 Ом ± 5% |
1 |
|||||||
|
R9 |
МЛТ – 0.25 – 51 Ом ± 5% |
1 |
|||||||
|
Транзисторы |
|||||||||
|
VT1 |
KT 316А СБ 0.336.030 ТУ |
1 |
|||||||
|
VT2 |
КТ 913А Я5.3.365.010 ТУ |
1 |
|||||||
|
РТФ КП 468731.001 П3 |
|||||||||
|
Изм. |
Лист |
№ Докум |
Подпись |
Дата |
|||||
|
Разраб. |
Храмцов Б.В. |
Усилитель широкополосный перечень элементов |
Лит |
Лист |
Листов |
||||
|
Пров. |
Титов А.А. |
31 |
31 |
||||||
|
ТУСУР, РТФ, гр.142-1 |
|||||||||
|
Н. Контр. |
|||||||||
|
Утв. |
,Вт
,Вт
,Вт
,%