Блок возбуждения для ВТП
2
Техническое задание к курсовому проекту.
Разработать:
Блок возбуждения для дефектоскопии плоской поверхности ферромагнитных объектов.
Устройство включает в себя :
1. Генератор дискретной (синусоидальной) частоты с параметрами:
макс. диапазон частот:1КГц-2,5МГц
(рабочий диапазон частот задает оператор в пределах максимального);
ток: 10 мА;
число дискретов в диапазоне: от 10 до 20;
коэффициент гармоник не более 1 % :
2. Нагрузкой для генератора служит катушка размещенная на объекте контроля:
число витков возбуждающей катушки: 20;
число витков измерительной катушки: задается оператором от 10 до 20;
диаметр возбуждающей катушки: от 4 до 20 мм;
диаметр измерительной катушки: задается оператором от 4 до 20 мм;
длина катушек: от 2 до 15 мм:
Свойства объектов контроля:
=1-10;
=5-10 MCм/м;
Площадь контролируемого участка S=5 см2;
Основные технические характеристики
и условия эксплуатации:
габариты: 100х50х100 (мм);
масса: не более 0,3 кг;
диапазон рабочих температур: от 5 до 45 оС;
влажность: от 30 до 90%;
давление: от 700 до 800 мм.рт.ст.;
1.Введение.
Вихретоковые методы контроля основаны на анализе взаимодействия внешнего электромагнитного поля с электромагнитным полем вихревых токов, наводимых возбуждающей катушкой в электропроводящем объекте контроля. В качестве преобразователя используют обычно индуктивные катушки. Синусоидальный ток, действующий в катушках ВТП, создает электромагнитное поле, которое возбуждает вихревые токи в электропроводящем объекте. Электромагнитное поле вихревых токов воздействует на измерительную катушку преобразователя, наводя в ней ЭДС или изменяя ее полное электрическое сопротивление. Регистрируя напряжение на зажимах катушки, получают информацию о свойствах объекта и о положении преобразователя относительно него. Особенность вихретокового преобразователя в том, что его можно проводить без контакта преобразователя и объекта. Получение первичной информации в виде электрических сигналов, бесконтактность и высокая производительность определяют широкие возможности автоматизации вихретокового контроля. Одна из особенностей ВТМ состоит в том, что на сигналы преобразователя практически не влияют влажность, давление и загрязненность газовой среды, радиоактивные излучения, загрязнение поверхности объекта контроля непроводящими веществами. Однако им свойственна малая глубина зоны контроля, определяемая глубиной проникновения электромагнитного поля в контролируемую среду. Сильное влияние на полученные результаты оказывают нелинейные искажения сигнала, подаваемого на задающую катушку. Для обеспечения универсальности, установка начальных условий, а также обработка полученной информации современных преобразователей должна осуществляться при помощи компьютеров, тогда каждый режим работы преобразователя будет обрабатываться отдельной программой. В данной работе разрабатывался генератор синусоидального сигнала для накладного вихретокового преобразователя, амплитуда тока в котором порядка 10 мА, а нелинейные искажения порядка 1%. Частота сигнала должна задаваться программным путем, с использованием микропроцессорной техники.
Ниже приводятся типы уже существующих преобразователей:
|
Тип |
Частота
тока |
Скорость |
Объект контроля |
Вид дефекта |
|
ВД 30П |
4; 16; 64; 300 |
0,5 3 |
Ферро-
и неферро-магнитные прутки |
Трещины,
раковины, |
|
ВД 23П |
130; 1000; 20000 |
0,5 5 |
Проволока 0,02-5мм |
Расслоения,
трещины |
|
Дефектомат |
0,2; 2,5; 10; 30; 90 |
1,2; 5; 15 |
Трубы
и прутки |
Трещины,
раковины, |
2. Структурная схема разрабатываемого устройства.
ЭВМ
Порты ввода/вывода
БВ
ВТП
БО
АЦП
ОК
БВ - блок возбуждения; (нужно разработать в этом семестре)
ВТП - вихретоковый преобразователь;
БО - блок обработки;
АЦП - аналого-цифровой преобразователь;
ОК- объект контроля;
3. Блок возбуждения (БВ).
Блоком возбуждения в данном устройстве является широкополосный генератор напряжения синусоидальной формы. БВ состоит из синтезатора частот (СЧ) и
формирователя сигнала (ФС) заданной формы. Рассмотрим их структурные и электрические схемы более подробно.
Блок возбуждения
СЧ
ФС
ФНЧ
ВТП

3.1. Структурная схема СЧ.
M
ОГ
:М
ФЧД
ГУН






:N
N
f>c> - частота сигнала подающегося на вход формирователя сигнала
3.1.1. Опорный генератор (ОГ).
В качестве ОГ выбираем генератор с кварцевым резонатором на 16 МГц микросхема РК374.
3.1.2. Счетчики -делители частоты M и N.
С
четчик
М служит для
задания шага изменения частоты. Счетчик
N
необходим для обеспечения
сетки частот изменяющихся с заданным
шагом f>ог>/M.
Предполагается что
счетчики управляются цифровым кодом с
ЭВМ. Выбираем счетчики серии КР1554ИЕ10
(аналог -74ALS161AN
фирмы National ,USA).
Микросхема КР1554ИЕ10 - это четырехразрядный
двоичный синхронный счетчик. Счетчик
запускается положительным перепадом
(фронтом) тактового импульса на входе
С. Сброс всех триггеров счетчика в
нулевое состояние осуществляется по
общему входу R(инв.).
Режим параллельной загрузки информации
устанавливается подачей напряжения
низкого уровня на вход разрешения
параллельной загрузки PE(инв.)
, при этом предварительно установленная
на входах D0...D3
информация по фронту
импульса на входе С записывается в
триггеры счетчика. Для синхронного
каскадирования микросхема КР1554ИЕ10
имеет вход разрешения счет ЕСТ , вход
разрешения переноса ЕСR
и выход переноса CR.
Счетчик считает тактовые импульсы ,
если на входах ECT
и ECR
подано напряжение высокого
уровня. Вход ECR
последующего счетчика соединяется со
входом CR предыдущего
счетчика.
Условно-графическое обозначение
КР1554ИЕ10
Таблица назначения выводов
|
1 2 3 4 5 6 7 8 9 10 11 12 13 14 15 16 |
R(инв.) С D0 D1 D2 D3 ECT OV PE(инв.) ECR D03 D02 D01 D00 CR Ucc |
вход установки в состояние «лог. 0» вход тактовый вход данных вход данных вход данных вход данных вход разрешения счета общий вывод вход разрешения парал. загрузки вход разрешения переноса выход данных выход данных выход данных выход данных выход переноса напряжения питания |
Предполагается что цифровые входы данных D0...D3 , а также входы R(инв.) , ECT , ECR и PE(инв.) будут управляться с ЭВМ , соответствующим программным и аппаратным обеспечением .
3.1.3. Фазово-частотный детектор (ФЧД).
Если
на схему ФЧД приходят равные частоты
f>ог>/M
и f>вых>/N
то из условия равенства
этих частот получаем
.
В качестве ФЧД выбираем ИМС
исключающее « или
» серии К155ЛП5
(Аналог 74ALS86).
3.1.4. Генератор управляемый напряжением (ГУН).
ГУН - генератор , частота которого пропорциональна управляющему напряжению. Выбираем ИМС К531ГГ1 (Аналог 74S124N).
Микросхема 531ГГ1-представляет собой два генератора. Частота каждого генератора управляется напряжением. Каждый генератор представляет собой автомультивибратор , имеющий вход управления частотой (УЧ) выводы 1 и 2 и диапазоном частоты (Д) выводы 14 и 3. К выводам 12 и 13 подсоединим кварцевый резонатор КР374 на 16МГц. 16,15 - Uп; 9,8-общий вывод. Для обеспечения заданного диапазона частоты ко входам 4-5 присоединяем конденсатор емкостью с=2 пФ (КД 1 2пФх100В).

3.1.5. Интегратор.
Для управления работой ГУН служит интегратор на операционном усилителе

Параметры R и С выбираем из условия , что постоянная времени интегрирования должна быть больше максимальной длительности сигнала в 10 раз.
т.е.
RC>10
мс.
>и>=R*C
>10*T> >>
>;
T=1/f=1/1КÃö=1мс ;
Выбираем
R=100
КОм (МЛТ-0.25-100
кОм 5%)
;
С=1
мкФ (К50 6 1мкФх6.3 В);
Таким образом постоянная времени интегратора будет >и>=R*C=100 мс;
Интегратор выполним на основе быстродействующего ОУ 544УД2:
Ku=20000;
U>см>=30 мВ;
I>вх>=0.1 нА;
f1=15 МГц
Выходное напряжение интегратора будем рассчитывать по формуле:
>
>(1)
>
>, где
(2)
Посчитаем погрешность интегрирования, связанную с дополнительным напряжением на входе ОУ из-за неидеальности его свойств.
Uвх=I>вх>R=1.10-3 В
Uвх=Uвх/Uвх=2.10-4%
Относительная ошибка интегрирования:
=tи/2C=10-5
>>>>
3.2. Формирователь сигнала (ФС).
Формирователем сигнала заданной формы является восьмиразрядный сдвиговый регистр с последовательной загрузкой и параллельной выгрузкой КР1533ИР8 (Аналог 74ALS164). Микросхема КР1533ИР8 представляет собой восьмиразрядный сдвиговый регистр с последовательной загрузкой и параллельной выгрузкой. Наличие двух входов последовательной загрузки A и B позволяет использовать один из них в качестве управляющего загрузкой данных: низкий уровень напряжения хотя бы одном из них по положительному фронту тактового импульса устанавливает первый триггер регистра в состояние низкого уровня напряжения , в то же время высокий уровень напряжения на управляющем входе позволяет по другому входу осуществлять ввод данных в последовательном коде. Частота следования импульсов по входу С - не более 50 МГц , т.е. вполне пригодно т.к. максимальная частота дискретного синусоидального сигнала будет на выходе f>вых> = 50/16 3МГц , что соответствует техническому заданию.
Таблица назначения выводов
|
A B CLК CLR QA QB QC QD QE QF QG QH Vcc GND |
вход информационный вход информационный вход тактовый вход сброса выход выход выход выход выход выход выход выход напряжение питания общий вывод |
КР1533ИР8
формирует дискретный периодический
сигнал аппроксимированный функцией
, где
- период
;
16-16 дискретов на периоде ;
n - номер текущего дискрета ;

При однополярном питании данный сигнал сдвинут относительно нулевой точки на постоянную составляющую E>п>/2.
3.2.1. Расчет номиналов резисторов.
Данная схема может обеспечить R>вых>=5КОм ;
Запишем систему уравнений для нахождения номиналов резисторов: (3)








После расчета и округления до ближайших номинальных значений получаем:
R1=R8=150КОм (МЛТ-0.25-150 кОм 5%);
R2=R7=47КОм (МЛТ-0.25-47 кОм 5%) ;
R3=R6=33КОм (МЛТ-0.25-33 кОм 5%) ;
R4=R5=27КОм (МЛТ-0.25-27 кОм 5%);
3.2.2 Анализ сигнала на выходе ФС.
Полезный
сигнал на выходе регистра аппроксимируется
ступенчато, что соответственно вносит
свои погрешности и искажения. Возьмем
сигнал для примера
>
>> >с
частотой f=1000
Гц и
числом дискретов
N=16 ;
>
>
>
>
Рассмотрим
погрешность на половине периода

Для аппроксимации данного сигнала рассмотрим функцию:
>
>, где floor(x)
- функция
, возвращающая ближайшее целое число
меньшее или равное аргументу (х
вещественный).

Относительную погрешность пронормируем по истинному значению сигнала

>
>> >>
>(4)
> >
Изобразим в процентном отношении

Рассмотрим спектр сигнала на выходе ФС. Для этого применим разложение в ряд Фурье для периодического сигнала dcos(t). Найдем коэффициенты для разложения в ряд по косинусам:
>
>b>k>=0
(5)
Так как значение напряжения на выходе ФС между отсчетами времени
постоянно , то заменим интеграл на сумму :
>
>
>
>
>
>> >>
>
>
>(6)>
>
>
>(7)
>
>(8)
Где k - номер гармоники в сигнале
Определим коэффициент гармоник в процентах :
>
>
>
>(9)
Спектр
сигнала на выходе ФС выглядит следующим
образом:
Таким образом видно , что коэффициент гармоник достаточно велик и нужно применить ФНЧ, отсекающий высшие гармоники спектра сигнала.
3.2.3. Перестраиваемый фильтр управляемый цифровым кодом.
Электрическая схема ФНЧ:

Коэффициент передачи К(f) такой схемы равен:
>
>(11)
R1=1КОм ; R2=R1 ; C=5 нФ.
ЛАЧХ фильтра

Рассчитаем подавление гармоник спектра сигнала в децибелах K>под> :
>
>где к -номер
гармоники ;

Найдем коэффициент гармоник после ФНЧ , амплитуды гармоник станут соответственно:
>
>>
>>
>> >(12)
>
>
%
(13)
что соответствует техническому задания (К>гарм> < 1 %)
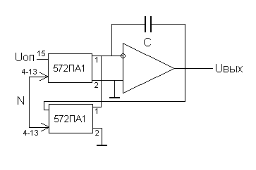
Но нам нужен перестраиваемый фильтр следовательно вместо резисторов будем использовать токовый ЦАП 572ПА1.
1 - аналоговый выход 1
2 - аналоговый выход 2
3
- общий 4
- цифровой вход 1
5 - цифровой вход 2
6 - цифровой вход 3
7 - цифровой вход 4
8 - цифровой вход 5
9 - цифровой вход 6
10- цифровой вход 7
11- цифровой вход 8
12- цифровой вход 9
13- цифровой вход 10
14- питание Uип (+)
15- опорное напряжение Uоп
16- вывод резистора обратной связи
Для реализации динамических свойств ЦАП на выходе нужно использовать быстродействующий ОУ с коэффициентом усиления по напряжению не менее 104.
В качестве ОУ выбираем быстродействующий К544УД2
|
|
|
|
|
|
|
|
|
|
|
|
Схема фильтра управляемого цифровым кодом:

>R=10 >>КОм ;>> n=10>> >>(разрядность ЦАП).>
>
>Rmin=10
КОм>
>>
>(14)
>
>
Rmax=10
МОм
(15)
Так как время установления выходного напряжения после подачи кода на
вход ЦАП >уст> равно 5 мкс, соответственно частота дискретизации f>дискр> должна быть не более 200 кГц, а с учетом того что по теореме Котельникова синусоиду можно восстановить лишь при наличии двух дискретов на период, то максимальная частота не может быть выше 100 кГц. То есть С равно:
>
> ;
С= 1нФ> >>
>(К50 6 1нФх6.3
В);>
>
Данный фильтр управляется цифровым двоичным кодом N (этот код соответствует коду из синтезатора частот) следовательно изменяя код N будет изменяться
частота сигнала f>c> , сопротивление резистивной матрицы ЦАП , постоянная времени интегратор >и > и соответственно частота среза фильтра f>ср>.
4. Вывод.
Т.о. блок возбуждения для вихретокового преобразователя обеспечивает подачу на накладной вихретоковый датчик синусоидального сигнала амплитудой 10 мА во всем диапазоне частот 1КГц-2.5 МГц , коэффициент гармоник сигнала при этом около 0.6%, что соответствует техническому задания.
5. Список используемой литературы.
1) Справочник "Цифровые и аналоговые интегральные микросхемы", Москва, "Радио и связь" 1989 г.
2) Справочник "Изделия электронной техники. Цифровые микросхемы. Микросхемы памяти. Микросхемы ЦАП и АЦП", Москва, "Радио и связь" 1994 г.
3) Справочник "Резисторы", Москва, "Радио и связь" 1991 г.
4) Справочник "Расчет индуктивностей", Ленинград, "Энергия" 1970 г.
5) Справочник "Приборы для неразрушающего контроля материалов и изделий" том 2, Москва, "Машиностроение" 1986 г.
3) В.Н. Гусев, Ю.М. Гусев "Электроника", Москва, "Высшая школа" 1991г.