Разработка для контроля и определения типа логических интегральных микросхем методом сигнатурного анализа
Содержание:
Введение ..................................................................................... 3
Постановка задачи ..................................................................... 5
Назначение системы .......................................................... 5
Анализ исходной проектной ситуации ............................ 5
Перечень основных функций, подлежащих реализации. 7
Основные технические параметры .................................. 9
Требования к персональному компьютеру и системе ... 9
Требования к интерфейсу пользователя ......................... 9
Проектирование структуры системы ...................................... 11
Описание структуры системы .......................................... 11
Выбор технических и программных средств реализации .... 18
Выбор элементной базы .................................................... 18
Выбор программных средств ........................................... 25
Описание принципиальных схем ............................................. 27
Описание состава принципиальных схем в сопоставлении с соответствующими структурными схемами узлов ........ 27
Проектирование алгоритма функционирования системы ..... 47
Метод сигнатурного анализа ............................................ 47
Описание алгоритма функционирования системы ......... 49
Распределение адресного пространства LPT-порта ....... 50
Описание подпрограмм ..................................................... 53
Описание конструкции системы ............................................... 59
Инструкция по эксплуатации .................................................... 60
Экономическая часть ................................................................. 61
Вопросы охраны труда и техники безопасности .................. 65
Заключение ............................................................................... 75
Литература ................................................................................ 76
Приложения .............................................................................. 77
Введение
Заводы и предприятия, выпускающие радиодетали (и в частности - микросхемы), после изготовления, но до отправки готовой продукции на склад, подвергают их контролю на работоспособность, а также соответствие техническим условиям и параметрам ГОСТ’а. Однако, радиодетали, даже прошедшие ОТК на заводе-изготовителе, имеют некоторый процент отказа в процессе транспортировки, монтажа или эксплуатации, что влечет за собой дополнительные затраты рабочего времени и средств для их выявления и замены (причем большую часть времени занимает именно выявление неисправных деталей).
Особенно важна 100% исправность комплектующих деталей при сборке ответственных узлов управляющих систем, когда неисправность какой-либо одной детали может повлечь за собой выход из строя других деталей, узлов, а возможно, и всего комплекса в целом.
Для обеспечения полной уверенности в работоспособности той или иной радиодетали, необходимо проверять ее на исправность непосредственно перед сборкой узла или изделия (“входной контроль” на заводах и предприятиях, занимающихся производством радиоэлектронных устройств). Если большинство радиодеталей можно проверить обычным омметром (как, например, резисторы или диоды), то для проверки интегральной микросхемы (ИМС) требуется гораздо больший ассортимент оборудования.
В этом плане хорошую помощь могло бы оказать устройство, позволяющее оперативно проверять работоспособность ИМС, с возможностью проверки как новых (подготовленных для монтажа), так и уже демонтированных из платы микросхем. Очень удобна проверка микросхем, для которых конструктивно на плате изделия предусмотрены колодки. Это позволяет производить достаточно быструю проверку радиодетали, сведя риск ее выхода из строя к минимуму, поскольку в этом случае полностью исключается ее нагрев и различные механические повреждения при монтаже/демонтаже.
Существуют некоторые методы маркировки радиодеталей, отличающиеся от стандартных (к примеру, в случае, когда их выпуск и сборка готовых изделий производится на одном и том же заводе; при этом часто используется сокращенная или цветовая маркировка). Не исключением являются и микросхемы, что сильно затрудняет определение их типа. Такая маркировка обусловлена упрощением (и, как следствие, удешевлением) технологического процесса производства радиодеталей. В этом случае определение возможно с помощью того же устройства, функции которого сведены к определению типа микросхемы методом сигнатурного анализа.
В настоящее время на заводах и предприятиях достаточно широкое распространение получили персональные IBM-совместимые компьютеры. Поскольку задача тестирования и определения типа методом сигнатурного анализа микросхем требует наличия интеллектуального устройства для выполнения алгоритма тестирования и базы данных, содержащей информацию по микросхемам, целесообразно проектировать именно приставку к компьютеру, подключаемую через внешний порт, а не отдельное самостоятельное устройство. Это обусловлено наличием в стандартном комплекте IBM-совместимого компьютера многих компонент, необходимых для решения данной задачи (микропроцессора, составляющего основу компьютера; жесткого диска, предназначенного для хранения информации; внешних портов ввода-вывода - последовательных COM1, COM2 и параллельного LPT; клавиатуры и дисплея - для ввода и вывода информации соответственно).
Постановка задачи.
Назначение системы.
Целью данной работы является разработка относительно недорогого устройства, подключаемого к IBM-совместимому компьютеру, предназначенного для тестирования и определения типа методом сигнатурного анализа микросхем ТТЛ (серии К155, К555, К531, К1531) и КМОП (серии К176, К561, К1561) логики, позволяющее производить проверку всех статических режимов работы этих ИМС.
Проверка производится следующим образом:
К порту принтера (LPT) компьютера посредством кабеля подключается устройство. В колодку, выведенную на его корпус, вставляется испытуемая микросхема. На компьютере запускается программа поддержки. Она управляет выдачей сигналов в порт, которые в свою очередь поступают на входы микросхемы. Далее программа считывает данные с выходов микросхемы, анализирует считанные данные, сверяя их с табличными, и выводит на дисплей результат тестирования. При определении типа ИМС производится перебор всех известных для тестирования комбинаций (выполняется сигнатурный анализ), после чего осуществляется анализ поступивших данных и вывод результатов на экран.
Анализ исходной проектной ситуации.
Зачастую проверка микросхем (например, в радиомастерских), в связи с отсутствием широкодоступных и недорогих устройств такого класса, осуществляется по работоспособности того или иного изделия путем пайки или вставления в панель ИМС на плату данного изделия. Этот процесс занимает достаточно длительное время и не всегда может служить показателем полной исправности микросхемы (к примеру, когда микросхема исправна лишь частично).
Как показал поиск в технической литературе, а также во всемирной компьютерной сети InterNet, в настоящее время в нашей стране не существует серийных аналогов подобного устройства, позволяющего производить проверку статических режимов работы различных логических микросхем, хотя на заводах, производящих их выпуск, применяются единичные экземпляры подобных устройств. Они имеют достаточно ограниченный спектр применения, поскольку предназначены для проверки узкого ряда радиоэлектронных приборов (обусловленного выпускаемыми типами микросхем).
Так, например, в 80-х годах выпускался испытатель цифровых интегральных схем Л2-60, предназначенный для определения работоспособности логических интегральных схем с количеством выводов до 16 путем их проверки на выполнение логической функции. Для подключения испытуемых ИМС в разных корпусах к прибору служат адаптеры и 2 соединительных устройства, смена комбинации сигналов производится переключателями, расположенными на его лицевой панели, смена типов микросхем выполняется при помощи перемычек. Основные технические данные прибора Л2-60:
Максимальное количество выводов испытуемой микросхемы - 16
Регулируемое напряжение питания тестируемой микросхемы - 1...30в
Потребляемый микросхемой ток - 0...60мА
Продолжительность непрерывной работы в рабочих условиях - 8 часов
Напряжение питания устройства - сеть ~220в, 50Гц
Потребляемая от сети мощность, не более - 20Вт
Как видно из описания и характеристик прибора, его функциональные возможности по проверке сильно ограничены выпускающимся ассортиментом микросхем 80-х годов. Длительный процесс смены типа микросхемы и выставляемые вручную комбинации сигналов делают это устройство ныне морально устаревшим.
Ассортимент выпускаемых на данный момент микросхем ТТЛ и КМОП логики настолько велик, что делать устройство для тестирования каждого элемента в отдельности нерентабельно. Потому целесообразно, создавая устройство, интегрировать в нем проверку большого множества элементов, чтобы сделать его как можно более универсальным.
Данное устройство может с успехом применяться для проверки комплектующих микросхем на заводах, производящих их выпуск и сборку готовых изделий; в организациях, производящих ремонт бытовой техники, применяющих эти микросхемы; в любительской радиоэлектронике.
Перечень основных функций, подлежащих реализации.
Проектируемое устройство должно выполнять 2 основные функции:
а) Тестирование микросхем.
Серия и тип испытуемой микросхемы известны. Микросхема считается исправной, если все ее контролируемые входные и выходные сигналы соответствуют имеющимся в базе данных (и соответствующим ТУ) для данного типа в течение некоторого промежутка времени, называемого временем тестирования.
б) Определение типа микросхем.
Тип испытуемой микросхемы заранее неизвестен, и целью анализа служит именно определение типа данной микросхемы. При этом пользователь должен указать по меньшей мере напряжение питания данной микросхемы и выводы, на которые оно подается.
При проектировании необходимо учесть несколько ограничений, возникающих в процессе разработки:
Различное номинальное напряжение питание микросхем (+5в ТТЛ и +9в КМОП);
Разнообразное назначение выводов микросхемы (вход, выход, GND, +Uпит); не должно быть конфликтов в случае определения типа (при подаче потенциалов, предназначенных для входа микросхемы, на ее выход, когда тип микросхемы заранее неизвестен);
Ограничение максимально потребляемого микросхемой тока (в случае проверки неисправной микросхемы);
Преобразование ТТЛ-уровней LPT-порта в уровни, пригодные для тестирования микросхемы (min токи входов, max токи выходов и пр.);
Недостаточная разрядность LPT-порта для тестирования отдельных микросхем логики;
Возможность подачи +9в питания на микросхему с номинальным напряжением питания +5в при определении типа ИМС.
Необходимо учитывать возможность установки в панель для тестирования неисправной микросхемы, чтобы ни при каких условиях не допустить повреждения устройства, или тем более LPT-порта компьютера. Защиту можно организовать, вводя в блок питания аппаратное отключение напряжения питания, если ток потребления превысил максимально допустимые для ИМС параметры. Значение порога отключения желательно устанавливать программно. Также необходима гальваническая развязка вторичных цепей блока питания от сети переменного тока.
Основные технические параметры.
Исходя из вышесказанного, сформулируем основные технические характеристики проектируемого устройства:
Максимальное количество выводов испытуемой микросхемы - 32
Логические уровни сигналов - КМОП, ТТЛ.
Номинальное напряжение питания микросхемы ТТЛ типа - +5в
Номинальное напряжение питания микросхемы КМОП типа - +9в
Регулируемое напряжение питания испытуемой микросхемы - +2...+9в
Шаг регулировки напряжения питания - не более 0.05в
Максимально допустимый потребляемый микросхемой ток - ~250мА
Разрядность ЦАП управления напряжением - 256
Разрядность ЦАП управления потребляемым током - 256
Точность измерения потребляемого микросхемой тока - 1мА
Время 1-го шага тестирования - ~100мкс
Напряжение питания устройства - сеть ~220в, 50Гц
Максимально потребляемый от сети ток - 0.1А
Требования к персональному компьютеру и операционной системе.
Для работы данного устройства необходим IBM-совместимый персональный компьютер на базе процессора 80286 или выше, имеющий в своем составе стандартный порт принтера (LPT). Выбор 80286 обусловлен использованием для создания подпрограмм тестирования команд 286-го процессора (которых не было в более ранних моделях на базе 8086). Для работы программы поддержки устройства необходима операционная система MS-DOS версии не ниже 3.3.
2.6. Требования к интерфейсу пользователя.
Пользовательский интерфейс - это общение между человеком и компьютером. На практическом уровне интерфейс - это набор приемов взаимодействия с компьютером. Пользователи выигрывают от того, что понадобится меньше времени, чтобы научиться использовать приложения, а потом - для выполнения работы. Грамотно построенный интерфейс сокращает число ошибок и способствует тому, что пользователь чувствует себя с системой комфортнее. От этого, в конечном итоге, зависит производительность работы.
Потому пользовательский интерфейс необходимо проектировать так, чтобы было обеспечено максимальное удобство пользователям в работе с данной программой. Т.е. в программе должны быть заложены:
подсказки, позволяющие пользователю принять решение в создавшейся ситуации;
интерактивная помощь (возможность ее вызова из любого места программы);
очевидность меню (простая формулировка, иерархическая структура, логическое соответствие пунктов и подпунктов);
возможность использования “горячих” клавиш;
экстренный выход из программы.
Более подробную информацию о проектировании пользовательского интерфейса можно найти в [8], [9].
Проектирование структуры системы.
Описание структуры системы.
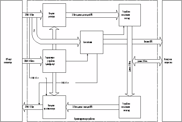
Исходя из поставленных технических условий разработаем структурную схему устройства, на основании которой можно будет вести дальнейшее проектирование системы.
Общая структурная схема приведена на рис.1.

Рис.1. Общая структурная схема.
Питание устройства осуществляется от сети переменного тока ~220в, обмен данными между устройством и компьютером осуществляется посредством порта принтера LPT. Микросхема вставляется в колодку, расположенную на корпусе проектируемого устройства.
LPT-порт компьютера в нормальном режиме представляет собой параллельный регистр, который имеет 12 линий на вывод и 5 линий на ввод [7]. Поскольку микросхемы имеют самую разнообразную структуру, то этого явно недостаточно для тестирования микросхем, имеющих, к примеру, 6 входов и 16 выходов (К155ИД3), или 21 вход и 1 выход (К155КП1).
Поэтому необходимо наращивание разрядности LPT-порта путем введения входных запоминающих регистров, выходных мультиплексоров и дешифратора, управляющего записью в регистры и чтением данных при помощи мультиплексоров соответственно. Применение в данном случае выходных мультиплексоров, а не регистров, обусловлено упрощением схемы, и возможно благодаря статическому характеру сигналов на выводах испытуемой микросхемы. Так как стандартный LPT-порт компьютера имеет на выходе ТТЛ-уровни, то целесообразно выбрать в качестве регистров и мультиплексоров именно ТТЛ-микросхемы.
Структурная схема устройства представлена на рис.2.

Рис.2. Структурная схема устройства.
Входные регистры необходимы для запоминания выставленных значений, предназначенных для подачи на вход микросхемы. Выходные мультиплексоры предназначены для чтения сигналов с выходов микросхемы. При проектировании необходимо ориентироваться на 32 разряда (поскольку максимальное число выводов микросхем ТТЛ- и КМОП-логики не превышает 32). Так как число входных и выходных линий LPT-порта ограничено, то наиболее эффективным и удобным для программирования в этом случае будет использование 8-ми выходных линий LPT-порта для записи данных в регистры и 4-х входных линий LPT-порта для чтения данных из мультиплексоров. Для записи данных понадобятся четыре 8-разрядных регистра, для чтения данных - четыре двухвходовых 4-разрядных мультиплексора.
Поскольку входные и выходные линии разделены (для ввода и вывода данных будут использоваться различные физические линии LPT-порта), то мультиплексоры можно адресовать параллельно регистрам (для адресации понадобится 4-е линии вместо 8-ми). При этом для управления выборкой входов мультиплексоров будет использоваться один бит LPT-порта на вывод (0-й бит порта 378H).
В блоке питания аналогично входным будут использованы еще три 8-разрядных регистра (2 на управление и 1 на коммутацию, речь о них пойдет ниже), которые потребуют еще 3 адресные линии.
Таким образом, для адресации 7-ми регистров понадобятся 3 дополнительные линии LPT-порта (37AH) на вывод (адресуемые при помощи дешифратора 3x8). И еще одна линия порта 37AH на вывод будет нужна для управления записью в регистры.
Так как проектируемое устройство предназначено как для тестирования микросхем ТТЛ, так и для тестирования микросхем КМОП, то после входных запоминающих регистров необходимо ввести устройство согласования по входу (для преобразования выходных ТТЛ-уровней регистров в уровни испытуемой микросхемы (КМОП или ТТЛ, в зависимости от серии). Для чтения данных с выходов испытуемой микросхемы, перед входами мультиплексоров необходимо поставить аналогичное устройство согласования по выходу (преобразование выходных КМОП или ТТЛ сигналов в ТТЛ-уровни).
При определении типа микросхемы для каждого разряда заранее неизвестно, является ли подключенный к нему вывод микросхемы входом или выходом. Потому ток, протекающий через ее вывод, должен быть выбран таким, чтобы обеспечивать максимально возможный входной ток для проверяемой серии. Нужно учесть тот факт, что ток выхода некоторых микросхем меньше этого входного тока, потому при попытке определения их типа, результаты могут быть искажены; т.к. таких микросхем очень мало, они могут быть исключены из списка определяемых. Также необходимо учитывать различие входных/выходных токов для микросхем КМОП и ТТЛ серий.

Рис.3. Структурная схема блока питания.
Блок питания устройства должен обеспечивать необходимое питание аппаратной части проектируемого устройства. Структурная схема блока питания представлена на рис.3. Величины напряжения и максимально потребляемого тока в цепи нагрузки должны устанавливаться программно. Регулировка напряжения и тока нужна для того, чтобы иметь возможность измерить минимальное напряжение питания и максимально потребляемый ток для каждого конкретного экземпляра. Учитывая все вышеизложенное, в его состав включены следующие узлы:
источник питания устройства;
8-разрядный регистр для запоминания выставленного значения напряжения питания испытуемой микросхемы;
8-разрядный ЦАП для преобразования цифрового значения напряжения в аналоговое, источник опорного напряжения для него;
регулируемый стабилизатор напряжения испытуемой микросхемы;
8-разрядный регистр для запоминания выставленного значения максимально потребляемого тока;
8-разрядный ЦАП для преобразования цифрового значения макс. тока в напряжение, источник опорного напряжения для него;
датчик и преобразователь потребляемого тока в напряжение (с усилением - для согласования со следующим звеном);
устройство сравнения (компаратор) выставленного значения тока с реально потребляемым микросхемой (при превышении последнего должна срабатывать аппаратная защита);
1-разрядный регистр для запуска регулируемого источника питания в случае срабатывания защиты;
8-разрядный регистр управления коммутацией напряжения питания ИМС;
устройство коммутации питания ИМС.
8-разрядные
регистры и ЦАП’ы
могут обеспечить ступенчатую регулировку
в 28=256
значений
напряжения. Т.е. при опорном напряжении
в 9в, шаг будет равен
,
этого вполне достаточно для регулировки
напряжения питания ИМС. Так как максимально
допустимый потребляемый микросхемой
ток выбран ~250мА,
то изменяя коэффициент усиления
преобразователя можно добиться
дискретности изменения тока в
.
Для определения реально потребляемого
тока такой точности будет вполне
достаточно.
Для чтения состояния устройства сравнения потребляемого тока необходим еще один разряд LPT-порта на ввод (3-й бит порта 379H).
Поскольку у различных микросхем питание подается на различные выводы (к примеру, у К155ЛА3 - 14 и 7 выводы, а у К155ИЕ2 - 5 и 10 выводы для подачи +5в и GND соответственно), необходимо предусмотреть все варианты подачи питания на различные выводы колодки, предназначенной для испытуемой микросхемы. Как показал анализ разновидностей питания микросхем [3,4], возможны 6 вариантов включения “+” питания и 3 варианта включения GND (микросхема вставляется со смещением в сторону 16-го контакта колодки, “ключ” микросхемы при этом должен быть направлен в сторону 1-го контакта колодки). Таким образом, устройство коммутации содержит:
регистр коммутации питания
2 дешифратора (для “+” и GND соответственно);
коммутационные ключи по «+» питания;
коммутационные ключи по GND.
Структурная схема устройства коммутации приведена на рис.4.

Рис.4. Структурная схема устройства коммутации питания ИМС.
Выбор технических и программных средств реализации.
Выбор элементной базы.
Для реализации программного управления напряжением питания и током потребления ИМС в качестве ЦАП выбран К572ПА1А, отвечающий требованиям разрядности (>=8 бит) и быстродействия (<100мкс).
Микросхема представляет собой умножающий ЦАП, выполненный по КМОП технологии. Предназначена для преобразования параллельного 10-разрядного двоичного кода на цифровых входах в ток на аналоговом выходе, который пропорционален значениям кода и (или) опорного напряжения.
Микросхема поставляется в герметичном 16-выводном металлокерамическом корпусе типа 201.16-8 с двухрядным вертикальным расположением выводов.
Электрические параметры ЦАП К572ПА1А приведены в табл.1, условное графическое обозначение на рис.5, назначение выводов - в табл.2.
Таблица 1
|
Номинальное напряжение питания |
15в |
|
Ток потребления |
3 мА |
|
Дифференциальная нелинейность |
+0.1% |
|
Погрешность коэффициента преобразования |
+3% |
|
Время установления выходного тока |
5 мкс |
|
Среднее значение входного тока по цифровым входам |
1 мкА |
|
Выходной ток при опорном напряжении 10В |
2 мА |
|
Предельные значения опорного напряжения |
+17в |
|
Предельные значения напряжения питания |
5...17в |
К572ПА1А

Рис.5. ЦАП К572ПА1А (обозначение).
Таблица 2
|
1 |
1-й аналоговый выход |
|
2 |
2-й аналоговый выход |
|
3 |
общий |
|
4 |
10-й цифровой вход (старший значащий разряд) |
|
5 |
9-й цифровой вход |
|
6 |
8-й цифровой вход |
|
7 |
7-й цифровой вход |
|
8 |
6-й цифровой вход |
|
9 |
5-й цифровой вход |
|
10 |
4-й цифровой вход |
|
11 |
3-й цифровой вход |
|
12 |
2-й цифровой вход |
|
13 |
1-й цифровой вход (младший значащий разряд) |
|
14 |
“+” питания |
|
15 |
опорное напряжение |
|
16 |
вывод резистора обратной связи |
Для запоминания выставленных значений в качестве входных регистров необходимы 8-битные параллельные регистры-защелки с суммарным числом запоминаемых битов - 32. Эти регистры должны иметь тактируемый вход записи, вход разрешения параллельной загрузки, быстродействие <100мкс, не должны иметь Z-состояния (чтобы не было неопределенных уровней сигналов). Этим требованиям соответствуют 4 регистра К555ИР27.
В качестве регистров коммутации, управления напряжением и током можно выбрать К555ИР27, поскольку они обеспечивают необходимую разрядность (8 бит), управление (запись/запоминание/хранение) и быстродействие.
Микросхема выполнена в пластмассовом корпусе 1400.20-2 с двухрядным вертикальным расположением выводов.
Электрические параметры микросхемы К555ИР27 приведены в табл.3, условное графическое обозначение на рис.6, назначение выводов - в табл.4, состояния регистра ИР27 - в табл.5.
Таблица 3
|
Uпит., ном., В |
5 |
|
U0>вых.>, не более, В |
0.5 |
|
U1>вых.>, не менее, В |
2.7 |
|
I0>вх.>, не более, мА |
-0.4 |
|
I1>вх.>, не более, мА |
0.02 |
|
I>пот.>, не более, мА |
28 |
|
t1.0>зд.р.>, не более, нс |
30 |
|
t0.1>зд.р.>, не более, нс |
30 |
К555ИР27

Рис.6. Регистр К555ИР27 (обозначение).
Таблица 4
|
1 |
Вход разрешения параллельной загрузки /PE |
|
2 |
Выход данных Q0 |
|
3 |
Вход данных Q0 |
|
4 |
Вход данных Q1 |
|
5 |
Выход данных Q1 |
|
6 |
Выход данных Q2 |
|
7 |
Вход данных Q2 |
|
8 |
Вход данных Q3 |
|
9 |
Выход данных Q3 |
|
10 |
GND |
|
11 |
Синхронный тактовый вход C |
|
12 |
Выход данных Q4 |
|
13 |
Вход данных Q4 |
|
14 |
Вход данных Q5 |
|
15 |
Выход данных Q5 |
|
16 |
Выход данных Q6 |
|
17 |
Вход данных Q6 |
|
18 |
Вход данных Q7 |
|
19 |
Выход данных Q7 |
|
20 |
“+” питания |
Таблица 5
|
Режим работы |
Вход C |
Вход /PE |
Вход Dn |
Выход Qn |
|
Загрузка “1” |
|
0 |
1 |
1 |
|
Загрузка “0” |
|
0 |
0 |
0 |
|
Хранение |
|
1 |
X |
Qn’ |
|
X |
1 |
X |
Qn’ |
В качестве управляющего устройства необходим дешифратор с количеством входов 3, количеством выходов не менее 7 и быстродействием <100мкс. Этим требованиям соответствует микросхема К555ИД7. Это двоично-десятичный дешифратор-демультиплексор, преобразующий трехразрядный код A0...A2 в напряжение низкого уровня, появляющееся на одном из восьми выходов /0.../7. Эту же микросхему можно выбрать в качестве дешифратора в устройстве коммутации питания как в цепи “+” питания, так и в цепи GND.
Микросхема выполнена в пластмассовом корпусе 238.16-2 с двухрядным вертикальным расположением выводов.
Электрические параметры микросхемы К555ИД7 приведены в табл.6, условное графическое обозначение на рис.7, назначение выводов - в табл.7, состояния регистра ИР27 - в табл.8.
Таблица 6
|
Uпит., ном., В |
5 |
|
U0>вых.>, не более, В |
0.48 |
|
U1>вых.>, не менее, В |
2.9 |
|
I0>вх.>, не более, мА |
-0.36 |
|
I1>вх.>, не более, мА |
0.02 |
|
I>пот.>, не более, мА |
10 |
|
t1.0>зд.р.>, не более, нс |
41 |
|
t0.1>зд.р.>, не более, нс |
27 |
К555ИД7

Рис.7. Дешифратор К555ИД7 (обозначение).
Таблица 7
|
1 |
Вход данных A0 |
|
2 |
Вход данных A1 |
|
3 |
Вход данных A2 |
|
4 |
Вход разрешения /E1 |
|
5 |
Вход разрешения /E2 |
|
6 |
Вход разрешения E3 |
|
7 |
Выход данных /7 |
|
8 |
GND |
|
9 |
Выход данных /6 |
|
10 |
Выход данных /5 |
|
11 |
Выход данных /4 |
|
12 |
Выход данных /3 |
|
13 |
Выход данных /2 |
|
14 |
Выход данных /1 |
|
15 |
Выход данных /0 |
|
16 |
“+” питания |
Таблица 8
|
Входы |
Выходы |
||||||||||||
|
/E1 |
/E2 |
E3 |
A0 |
A1 |
A2 |
/0 |
/1 |
/2 |
/3 |
/4 |
/5 |
/6 |
/7 |
|
1 |
X |
X |
X |
X |
X |
1 |
1 |
1 |
1 |
1 |
1 |
1 |
1 |
|
X |
1 |
X |
X |
X |
X |
1 |
1 |
1 |
1 |
1 |
1 |
1 |
1 |
|
X |
X |
0 |
X |
X |
X |
1 |
1 |
1 |
1 |
1 |
1 |
1 |
1 |
|
0 |
0 |
1 |
0 |
0 |
0 |
0 |
1 |
1 |
1 |
1 |
1 |
1 |
1 |
|
0 |
0 |
1 |
1 |
0 |
0 |
1 |
0 |
1 |
1 |
1 |
1 |
1 |
1 |
|
0 |
0 |
1 |
0 |
1 |
0 |
1 |
1 |
0 |
1 |
1 |
1 |
1 |
1 |
|
0 |
0 |
1 |
1 |
1 |
0 |
1 |
1 |
1 |
0 |
1 |
1 |
1 |
1 |
|
0 |
0 |
1 |
0 |
0 |
1 |
1 |
1 |
1 |
1 |
0 |
1 |
1 |
1 |
|
0 |
0 |
1 |
1 |
0 |
1 |
1 |
1 |
1 |
1 |
1 |
0 |
1 |
1 |
|
0 |
0 |
1 |
0 |
1 |
1 |
1 |
1 |
1 |
1 |
1 |
1 |
0 |
1 |
|
0 |
0 |
1 |
1 |
1 |
1 |
1 |
1 |
1 |
1 |
1 |
1 |
1 |
0 |
Для считывания данных с выводов испытуемой микросхемы (для перевода 4-битного кода в 8-битный) необходимы двухвходовые 4-канальные мультиплексоры без инверсии, с суммарным числом считываемых бит - 32 и быстродействием <100мкс. Этим требованиям соответствуют 4 микросхемы К555КП11.
Микросхема выполнена в пластмассовом корпусе 238.16-2 с двухрядным вертикальным расположением выводов.
Электрические параметры микросхемы К555КП11 приведены в табл.9, условное графическое обозначение на рис.8, назначение выводов - в табл.10, состояния мультиплексора КП11 - в табл.11.
Таблица 9
|
Uпит., ном., В |
5 |
|
U0>вых.>, не более, В |
0.48 |
|
U1>вых.>, не менее, В |
2.5 |
|
I0>вх.>, не более, мА |
-0.76 |
|
I1>вх.>, не более, мА |
0.02 |
|
I0>пот.>, не более, мА |
13.6 |
|
I1>пот.>, не более, мА |
9.7 |
|
t1.0>зд.р.>, не более, нс |
21 |
|
t0.1>зд.р.>, не более, нс |
18 |
К555КП11

Рис.8. Мультиплексор К555КП11 (обозначение).
Таблица 10
|
1 |
Вход адреса данных S |
|
2 |
Вход данных I 1a |
|
3 |
Вход данных I2a |
|
4 |
Выход данных Ya |
|
5 |
Вход данных I1b |
|
6 |
Вход данных I2b |
|
7 |
Выход данных Yb |
|
8 |
GND |
|
9 |
Выход данных Yc |
|
10 |
Вход данных I1c |
|
11 |
Вход данных I2c |
|
12 |
Выход данных Yd |
|
13 |
Вход данных I1d |
|
14 |
Вход данных I2d |
|
15 |
Вход разрешения трансляции данных на выходы /E0 |
|
16 |
“+” питания |
Таблица 11
|
Входы |
Выходы |
|||
|
/E0 |
S |
I1 |
I2 |
Y |
|
1 |
X |
X |
X |
Z |
|
0 |
0 |
0 |
X |
0 |
|
0 |
0 |
1 |
X |
1 |
|
0 |
1 |
X |
0 |
0 |
|
0 |
1 |
X |
1 |
1 |
Выбор программных средств.
В настоящее время существует большой выбор различных программных средств. При этом каждое из них имеет свою область применения. Например, для написания системных драйверов используются языки программирования низкого уровня (Assembler, Forth), так как работа таких программ идет в реальном времени, и для своевременной обработки данных требуется большое быстродействие драйвера-программы. Для написания удобных интерфейсов программ, а также программ, связанных с ведением баз данных, где не требуется столь высокого быстродействия, используются языки программирования высокого уровня (Clipper, Pascal, FoxPro, C++, Visual Basic). Т.е. выбор тех или иных программных средств реализации зависит конкретно от поставленной задачи и возлагаются на программиста, решающего эту задачу.
При проектировании данного устройства, для написания подпрограмм обмена информацией между проектируемым устройством и компьютером было решено использовать Assembler (процессора 80286), поскольку он обеспечивает максимальное быстродействие, минимальный объем, а также простоту и удобство в написании подпрограмм подобного класса.
При этом сохраняется возможность использования для этой цели морально устаревших в настоящее время компьютеров на базе процессоров 80286 и 80386, имеющихся в достаточном количестве на предприятиях, работающих в операционной системе MS-DOS. Также (при использовании соответствующих микропроцессоров и программных средств) этим обеспечивается максимальная транспортабельность программы при создании интерфейсов под другие операционные системы (OS/2, Windows 95, Windows NT, Unix и пр.).
Ассемблер представляет собой язык программирования низкого уровня, в котором программист пишет инструкции, управляющие работой процессора. При помощи программы-компилятора эти инструкции переводятся в машинный код, исполняемый непосредственно процессором. В число команд Ассемблера входит самый минимальный набор (команды перехода, вызова подпрограмм и возврата из них, работы с регистрами, памятью, арифметические операции, логические операции, операции сдвига, сравнения, работы с портами ввода/вывода).
Для написания интерфейса программы поддержки данного устройства возможно использование любого из языков программирования высокого уровня, позволяющего вставлять подпрограммы на Ассемблере в текст программы. Поскольку данный вопрос выходит за рамки настоящей работы, подробно он рассматриваться не будет [8,9].
5. Описание принципиальных схем.
Описание состава принципиальных схем в сопоставлении с соответствующими структурными схемами узлов.
После выяснения структуры устройства и выбора элементной базы можно приступать к проектированию принципиальной схемы.
Входные регистры (см. структурную схему на рис.2).
Данный узел представляет собой 32-разрядный запоминающий регистр с ТТЛ-уровнями, без Z-состояния, использующий 8 входных линий данных и несколько линий управления на 32 выходных линии. Принципиальная схема узла изображена на рис.9.
Работает следующим образом: на контакты 2-9 разъема LPT-порт подаются 8 бит данных. На один из контактов 1-4 разъема X1 (с дешифратора) подается логический “0” - выбор регистра, в который должна быть произведена запись. Перепадом логических уровней “0””1” на контакте 16 разъема LPT-порт происходит защелкивание данных в выбранном регистре. Запись данных в остальные регистры производится аналогичным образом.
Питание узла: микросхемы DD2-DD5: 10 вывод - GND, 20 вывод - +5в.
Максимально потребляемый ток I>1>+5в> >>потр.>= 28мА*4 = 112мА

Рис.9. Входные регистры (принципиальная схема).
Устройство согласования по входу (см. структурную схему на рис.2).
Данный узел обеспечивает согласование между ТТЛ-выходами регистров и входами испытуемой микросхемы как по напряжению (приведение уровней ТТЛ КМОП или ТТЛ), так и по току. Принципиальная схема узла изображена на рис.10.
Исходя из приложения [3] максимальные входные токи для микросхем ТТЛ логики равны: ток “0” - 2мА, ток “1” - 0.1 мА.
Напряжение +Umc - напряжение питания испытуемой микросхемы. Для ТТЛ микросхем оно равно +5в. Для КМОП микросхем - +9в. При помощи него формируется входной ток “1”.
Напряжение -Umc зависит от выбранного типа микросхемы (задается пользователем, выставляется при помощи одного бита управляющего регистра). Для ТТЛ микросхем оно равно -9.3в. Для КМОП микросхем - -1в.
Расчет резисторов R33 и R65 в цепях стоков транзисторов VT1 и VT33 соответственно:
а) Для ТТЛ типа (считаем падение напряжения на открытых полевых транзисторах близким к 0):
R33 = (|+Umc|-2.4в)/I1>вх.макс.ТТЛ> = 2.6в/0.1мА = 26К 27К
R65 = (|-Umc|-U>пад.>>VD2>)/I0>вх.макс.ТТЛ> = 9.3в-1.1в/2мА 4.3К
б) Для КМОП логики соответственно:
I1>вх.макс.КМОП> = (|+Umc|-7в)/R33 = 9в-7в/27К 0.07 мА
I0>вх.макс.КМОП> = (|-Umc|-U>пад.>>VD2>)/R65 = 0.3в/4.3К 0.07 мА
Диоды VD1 и VD2 нужны для ограничения потенциала U0>вх.> (т.е. этот потенциал не должен быть ниже потенциала общего провода, поскольку при этом возможен выход из строя микросхем КМОП логики). Значения 2.4в и 7в в формулах - это минимальные уровни логической “1” для ТТЛ и КМОП микросхем соответственно [3].
Данный узел инвертирует значение входного сигнала. Разъем X3 является панелью для вставки испытуемой микросхемы.
Узел работает следующим образом:
При подаче на вход логической “1”, напряжение на затворе транзистора VT1 будет близко к +5в, вследствие чего он находится в закрытом состоянии. Канал исток-сток этого транзистора имеет большое сопротивление, и ток через него не течет (не учитывая очень малые токи утечки). В то же время транзистор VT33 открыт, т.к. напряжение между подложкой и затвором равно около +5в. Через него, резистор R65 и диод VD2 течет ток, равный 2мА. При подключении входа испытуемой микросхемы к аноду диода VD1, часть этого тока пойдет через него, обеспечивая уровень логического “0” на входе микросхемы. Диод VD1 нужен для компенсации падения напряжения на VD2, чтобы не допустить на входе микросхемы уровня напряжения ниже уровня общего провода (что является причиной выхода из строя КМОП микросхем).
При подаче на вход уровня логического “0” наоборот, транзистор VT33 будет закрыт, транзистор VT1 - открыт. Ток потечет через переход исток-сток транзистора VT1, резистор R33 и вход испытуемой микросхемы. Максимальный входной ток для ТТЛ микросхем будет примерно U1>вх;макс.>=(|+U>мс>| - 2.4в)/R33 0.1мА.
Питание узла: +U>мс>, -U>мс>, +5в.
Максимально потребляемые токи (+U>мс>>.>>макс.>=+9в, -U>мс.макс.>=-10в):
I>2>+Uмс>потр.>= (+U>мс>>.>>макс.>/R33)*32 = (9в/27000)*32 11мА
I>2>-Uмс>потр.>= (|-U>мс.макс.>+U>VD2>|/R65)*32 = (9.3в/4300)*32 69мА
I>2>+5в>потр.>= I>затв.>>VT1>*32 0мА (I>затв.>>VT1> имеет малую величину, порядка нескольких микроампер, поэтому в расчет не принимается)
Рис.10.
Устройство согласования по входу
(принципиальная
схема).
Устройство согласования по выходу (см. структурную схему на рис.2).
Узел служит для согласования ТТЛ или КМОП уровней, считываемых с испытуемой микросхемы, в ТТЛ-уровни, для подачи на выходные мультиплексоры. Представляет собой простейшую схему включения NPN-транзистора с ОЭ. Инвертирует входной сигнал. Схема изображена на рис.11. Работает следующим образом:
При подаче на вход логической “1” в цепи базы течет ток, равный I>б>=(|+U>мс>|-U>бэ>)/R97. I>б>0.043мА для ТТЛ и I>б>0.083мА для КМОП микросхем. Ток в цепи коллектора I>к>=(5в-U>бэ>)/R129 0.43мА. Потенциал на коллекторе транзистора равен ~0.7в, что на входе мультиплексора будет воспринято как уровень логического “0” (поскольку для серии К555 напряжение U0>вх.макс.>=0.8в).
При подаче же на вход логического “0”, транзистор будет закрыт. Напряжение на коллекторе будет близко к +5в. Ток потечет через R129 и вход мультиплексора.
Питание узла: +5в.
Максимально потребляемый ток: I>3>+5в>потр.>= ((+5в-U>кэ >>VT65>)/R129)*32 = (4.3в/10000)*32 14мА

Рис.11. Устройство согласования по выходу (принципиальная схема).
Выходные мультиплексоры (см. структурную схему на рис.2).
Узел представляет собой мультиплексор-преобразователь для передачи данных с 32-х входных линий на 4 выходных линии. Уровни сигналов - ТТЛ. Принципиальная схема изображена на рис.12, в схеме используется параллельное включение выходов и раздельное управление выборкой мультиплексоров.
Узел работает следующим образом: на один из выводов 1-4 разъема X1 для выборки нужного мультиплексора подается уровень логического “0”. При помощи вывода 2 разъема LPT-порт подачей “0” или “1” производится выбор входов мультиплексора. На выходах мультиплексора появляются данные с соответствующих входов. Эти данные могут быть считаны с выводов 10-13 разъема LPT-порт. Далее 2 считанных ниббла (по 4 бита) программно собираются в 1 байт (8 бит).
Питание узла: +5в (микросхемы DD13-DD16).
Максимально потребляемый ток: I>4>+5в>потр.>= 19мА*4 = 72мА

Рис.12. Выходные мультиплексоры (принципиальная схема).
Управляющее устройство (см. структурную схему на рис.2).
Узел служит для выборки необходимых регистров и мультиплексоров при записи данных в регистры и считывании данных из мультиплексоров. Является дешифратором адреса 3x8. Схема изображена на рис.13.
Узел работает следующим образом: при подаче на выводы 1,14,16 разъема LPT-порт двоичного кода, на соответствующем выводе разъема X1 появляется уровень логического “0”. При этом производится выборка соответствующего регистра или мультиплексора.
Питание узла: +5в (DD1, 8 вывод - GND, 16 вывод - +5в).
Максимально потребляемый ток I>5>+5в>потр.>= 10мА

Рис.13. Управляющее устройство (принципиальная схема).
Блок питания (см. структурные схемы на рис.2, 3).
Принципиальная схема узла (без устройства коммутации и источника питания устройства) изображена на рис.14. Узел обеспечивает цифровую регулировку напряжения питания испытуемой микросхемы, цифровое управление ограничением потребляемого тока с малым шагом (благодаря чему возможно его измерение с достаточной точностью), защиту от к/з в цепи нагрузки.
Узел работает следующим образом:
а) Регулировка напряжения.
В регистр DD7 программно записываются 8 бит значения напряжения (числовые значения лежат в диапазоне от 0 (0H) до 255 (0FFH)). С выхода этого регистра 8 бит поступают на умножающий ЦАП (DA3), где преобразуются в аналоговое напряжение. Выбранный ЦАП имеет разрядность 10 бит. Его младшие 2 бита не используются (заземлены). Их использование в данном случае нецелесообразно, так как это потребовало бы введения дополнительных разрядов у запоминающего регистра, что сделало бы точность установки напряжения питания избыточной и усложнило устройство. С точки зрения программирования и размещения данных также намного удобнее и эффективнее работать с 8-битными величинами, нежели с 10-битными.
Опорное напряжение для DA3 поступает с VD65 и равно +9в. Резистор R161 выбран из расчета, что U>вх.>13в, I>стаб.>10мА, R161=(U>вх.>-U>стаб.>)/I>стаб.>=(13-9)/10390ом. Шаг регулировки в этом случае будет равен 9в/2560.04в. Далее напряжение с аналогового выхода DA3 поступает на вход регулируемого стабилизатора напряжения DA1, включенного по типовой схеме с внешним транзистором VT98 [2]. С эмиттера этого транзистора снимается напряжение питания устройства согласования +U>мс>, а через резистор R171 - напряжение +U>пит.мс.>, предназначенное для питания испытуемой микросхемы.
б) Регулировка потребляемого тока.
В регистр DD8 программно заносятся 8 бит значения ограничиваемого тока (0-255). Аналогично регулировке напряжения, для преобразования численного значения в напряжение используется ЦАП DA4. При опорном напряжении +9в, шаг регулировки напряжения на аналоговом выходе DA4 равен примерно 0.04в.
Как было сказано выше, в цепи питания испытуемой микросхемы стоит резистор R171. Он служит простейшим преобразователем ток-напряжение, т.к. напряжение на нем прямо пропорционально току, проходящему через данный резистор: U>R171>=I>потр.>*R171. Для развязки разности потенциалов, снимаемых с данного резистора применен дифференциальный усилитель на ОУ DA6, схема которого взята из [1]. При равенстве сопротивлений R163=R164 и R165=R166 U>вых.ОУ.>=U>R171>(R165/R163)=I>потр.>*R171*R165/R163.
Для уменьшения погрешности измерений, R171 должен быть выбран как можно меньше, чтобы падение напряжения на нем было минимальным. Чувствительность можно поднять за счет увеличения усиления (соотношения R165/R163) дифференциального усилителя. Примем R171=0.1ом. Поскольку максимальный потребляемый ток I>пит.мс.> выбран 256мА, то макс. падение напряжения на R171, соответствующее этой величине, будет 256мА*0.1ом=25.6 мВ. При напряжении питания в +9в погрешность составит 0.0256в/9в*100%=0.28%, что по величине меньше суммарной погрешности ЦАП. Напряжению 25.6мВ на входе дифференциального усилителя должно соответствовать напряжение +9в на его выходе, чтобы обеспечить сравнение сигналов, поступающих с ЦАП и с усилителя. Т.е. коэффициент усиления должен быть равен R165/R163=9в/0.0256в=351.5. Выбрав R163=1К, получим R165360К.
Сигналы с выходов дифференциального усилителя DA6 и ЦАП DA4 поступают на вход компаратора DA5. На выходе компаратора появляется сигнал сравнения, который в свою очередь подается на вход S триггера DD12. Данный триггер обеспечивает хранение состояния включен/выключен для регулируемого стабилизатора напряжения DA1. Вход R триггера DD12 используется для сброса сработавшей аппаратной защиты по току. При инициализации устройства на контакте 1 разъема X5 выставляется уровень логической “1”, который поступает на базу транзистора VT98. Этот транзистор инвертирует входной сигнал и обеспечивает согласование уровней; сигнал с его коллектора (в нормальном режиме - логический “0”) поступает на вход R триггера DD12.
Если реально потребляемый ток меньше выставленного цифрового значения в регистре DD8 (положительный потенциал на прямом входе 3 компаратора ниже потенциала на его инверсном входе 4), то на выходе компаратора DA5 напряжение близко к 0в. Оно поступает на вход S триггера. Состояние триггера остается неизменным, на выходе Q DD12 и входе +U>выкл.> DA1 присутствует уровень логического “0”; на испытуемую микросхему подается напряжение питания.
Если же реально потребляемый ток превышает выставленное в регистре DD8 цифровое значение (соответственно потенциал на входе 3 DA5 выше потенциала на входе 4), то на выходе компаратора появляется напряжение около +12в, которое подается на вход S триггера DD12. На выходе Q триггера появляется напряжение логической “1” (+12в), которое, в свою очередь подается на вход +U>выкл.> DA1, и приводит к снятию напряжения питания с нагрузки. Теперь для включения стабилизатора напряжения питания необходимо программно осуществить перепад напряжения “1””0””1” на контакте 1 разъема X5, но при этом включение будет возможно только при условии, что реальная нагрузка ниже выставленной цифровой. В противном случае на выходе Q триггера DD12 останется уровень логической “1” (поскольку на входе S будет +12в с компаратора) и стабилизатор не будет включен.
Для контроля состояния выхода компаратора DA5 используется контакт 15 разъема LPT-порт. На него данный сигнал поступает через резистор R169 и стабилитрон VD67, служащие для его преобразования к ТТЛ уровню. Присутствие логической “1” на нем показывает, что потребляемый испытуемой микросхемой ток превышает программно выставленный.
Конденсаторы C1, С2 служат для сглаживания пульсаций в цепях формирования опорного напряжения, C4 - в цепи питания испытуемой микросхемы.
Питание узла: +5в (DD7, DD8, DA3, DA4), +Uвх. (из него формируется +Uмс, +Uпит.мс, питания микросхем DD12, DA5, DA6 и опорные напряжения для микросхем DA3, DA4).
Максимально потребляемые токи:
I>6>+5в>потр.>= I>потр.>>DD7>*2 + I>потр.>>DA3>*2 = 28мА*2 + 2мА*2 = 60 мА
I>6>+Uвх.>потр.>= I>R161> + I>R162> = (U>вх.>-U>стаб.>>VD65>)/R161 + (U>вх.>-U>стаб.>>VD66>)/R162 = (13в-9в)/390ом + (13в-11в)/270ом = 10+7 мА = 17мА

Рис.14. Блок питания (принципиальная схема).
Устройство коммутации питания (см. структурную схему на рис.4).
Данный узел обеспечивает коммутацию напряжения питания, подаваемого на выводы испытуемой микросхемы. При помощи него производится также переключение -U>мс> ( -1в или -9.3в, для КМОП и ТТЛ логики соответственно, в зависимости от выбранного типа микросхемы) и включение регулируемого стабилизатора напряжения. Схема изображена на рис.15.
Работает следующим образом:
Аналогично записи во входные регистры, в регистр DD6 программно записывается 8-битное число. Путем анализа разновидностей питания ТТЛ и КМОП микросхем установлено, что необходимо коммутировать 6 выводов испытуемой микросхемы по “+” и 3 вывода по GND.
а) Коммутация “+” питания испытуемой микросхемы.
0-2 биты регистра DD6 отвечают за коммутацию “+” питания микросхемы. Эти сигналы с регистра поступают на дешифратор DD9, где шестнадцатеричное число (0-7H), преобразуется в двоичную форму. Результат появляется на выходах дешифратора в инверсном виде (на выбранном будет уровень логического “0”, на остальных выходах дешифратора - уровень логической “1”). Буферная микросхема DD11 (с ОК, без инверсии) служит для умощнения выходных сигналов дешифратора. Для примера, пусть логический “0” будет присутствовать на âûâîäå /0 дешифратора DD9. Через резистор R172 он поступит на базу транзистора VT99. Данный транзистор будет в открытом состоянии, и с его эмиттера через переход КЭ напряжение +U>пит.мс.> поступит на соответствующий вывод микросхемы. На транзисторе при этом образуется падение напряжения U>кэ>0.7в. Остальные транзисторы будут закрыты, и влиять на работу практически не будут (исключая малый ток утечки, которым можно пренебречь).
Номинал резистора R172 выбран из следующих соображений:
I>кэ >>VT99> = 256мА. К>э >>VT99> возьмем минимальным (равным 25). Тогда I>б >>VT99>> >>min> 10мА. Следовательно, взяв минимальное +U>пит.мс.>= 5в, получим R172= (+U>пит.мс>-U>кэ >>VT99>)/I>б >>VT99>> >>min> = 4.3в/0.01А 430 ом.
Резистор R181 служит для поддержания транзистора VT99 в закрытом состоянии при отсутствии сигнала “0” на входе.
б) Коммутация GND.
3-5 биты регистра DD6 отвечают за коммутацию GND питания испытуемой микросхемы. Аналогично коммутации “+” питания микросхемы (U>пит.мс.>), сигналы с соответствующих выводов регистра DD6 поступают на дешифратор DD10. На одном из его выходов появляется логический “0”. На остальных выходах остается уровень логической “1”. Этот “0” поступает на электронный ключ, собранный на 2-х транзисторах. Для примера, пусть логический “0” присутствует на выходе /0 дешифратора DD10. Тогда транзистор VT109 (необходимый для согласования по напряжению, а также умощнения выхода дешифратора) будет открыт, транзистор VT105 также будет открыт, и на коллекторе VT105 будет потенциал, равный уровню GND (поскольку напряжение -0.7в компенсируется падением напряжения U>кэ >>VT105>). Остальные же транзисторы (на других выходах дешифратора) будут закрыты, и влиять на работу практически не будут (исключая очень малый ток утечки, которым можно пренебречь).
Резистор R178 рассчитан аналогично R172 из а) и равен 430 ом. Резистор R192 служит для поддержания транзистора VT105 в закрытом состоянии, в случае, когда закрыт транзистор VT107. Резистор R189 рассчитывается исходя из К>э >>VT107>=25, I>б >>VT105> = I>к >>VT107> 10мА. I>б >>VT107 min> = I>к >>VT107>/ К>э> = 10мА/25 = 0.4мА
R189 = (+5в-U>кэ >>VT107>)/I>б >>VT>>107 >>min> = 4.3в/0.4мА 10к
в) Коммутация -U>мс>. Производится при помощи бита 6 регистра DD6. Сигнал с него через R187 поступает на базу транзистора VT108, служащего для согласования уровней напряжения. С коллектора транзистора VT108 сигнал через резистор R188 поступает на базу транзистора VT112, которым производится коммутация напряжения. В случае, если на выходе DD6 присутствует уровень логического “0”, то транзисторы VT108 и VT112 открыты, переход КЭ транзистора VT112 шунтирует стабилитрон VD68, и напряжение -U>мс>=-10в+U>кэ>>.VT112>= (-10+0.7)в = 9.3в.
Если же на выходе DD6 присутствует уровень логической “1”, то VT108 и VT112 закрыты, а напряжение -U>мс >= (-10в+U>стаб.>>VD68>) = (-10+9)в = 1в
г) Включение напряжения питания. Осуществляется при помощи 7 бита регистра DD6. Данный сигнал идет в схему блока питания, где и производится управление.
Питание узла: +5в (DD6, DD9-DD11), -10в (для формирования -U>мс.>), -0.7в (для коммутации GND), +U>пит.мс.> (для коммутации “+” питания).
Максимально потребляемые токи:
I>7>+5в>потр.>= I>потр.>>DD6> + I>потр.>>DD9>*2 + I>потр.>>DD11> + I>R188> + I>R178> = I>потр.>>DD6> + I>потр.>>DD9>*2 + I>потр.>>DD11> + (5в+10в-U>кэ.>>VT108>-U>кэ.>>VT112>)/R188 + (5в-U>кэ.>>VT109>)/R178 = 28мА + 10мА*2 + 30мА + 13.6в./10к + 4.3в/430ом = 89мА
I>7>-10в>потр.>= I>R188> = (5в+10в-U>кэ.>>VT108>-U>кэ.>>VT112>)/R188 = 1мА
I>7>-0.7в>потр.>= I>R178> = (5в-U>кэ.>>VT109>)/R178 = 10мА
I>7>+Uпит.мс.>потр.>= I>R172> = (+U>пит.мс.макс.>-U>кэ.>>VT99>)/R172 = (9в-0.7в)/430ом = 7мА

Рис.15. Устройство коммутации питания (принципиальная схема).
Источник питания устройства.
Данный узел обеспечивает питание всех остальных узлов проектируемого устройства. Перед началом проектирования схемы необходимо выяснить максимально потребляемый ток по каждому из напряжений питания (I+5в>потр.>, I-10в>потр.>, I-0.7в>потр.>, I+Uвх>потр.>). Максимально потребляемый ток I>мс.потр.макс.> = 256мА.
I+5в>потр.>= I>1>+5в>потр.>+ I>2>+5в>потр.>+ I>3>+5в>потр.>+ I>4>+5в>потр.>+ I>5>+5в>потр.>+ I>6>+5в>потр.>+ I>7>+5в>потр.>= 112мА+0мА+14мА+72мА+10мА+60мА+89мА = 357мА
I-10в>потр.>= I>2>-Uмс>потр.>+ I>7>-10в>потр.>= 69мА+1мА = 70мА
I-0.7в>потр.>= I>7>-0.7в>потр.>+ I>мс.потр.макс.> = 10мА + 256мА = 266мА
I+Uвх.>потр.>= I>2>+Uмс.>потр.>+ I>6>+Uвх.>потр.>+ I>7>+Uпит.мс.>потр.>+ I>мс.потр.макс.> = 11мА+17мА+7мА+256мА = 291мА
Таким образом, для нормального функционирования устройства необходимы следующие напряжения питания:
+5в(400мА), -10в(100мА), -0.7в(300мА), +13в(350мА).
Напряжения +13в и -10в могут быть выпрямленными, сглаженными, но нестабилизированными (т.к. в схеме блока питания из +13в далее получаются стабилизированные, а -10в служит лишь для обеспечения I0>вх.> на входах испытуемой микросхемы).
Потому необходим двуполярный источник питания с напряжениями +13в и -10в, из которых при помощи дополнительных стабилизаторов получаются напряжения +5в и -0.7в. При этом токи потребления по соответствующим напряжениям будут суммироваться. Т.е. от плеча +13в будет потребляться ток порядка 400+350=750мА, а от плеча -10в соответственно 100+300=400мА.
Для источника питания требуется трансформатор T1 с 2-мя вторичными обмотками, 2 диодных выпрямительных моста (VD69-VD76) и 2 сглаживающих конденсатора. Мощность трансформатора должна быть не менее 13в*0.75А+10в*0.4А=13.75Вт. Под эти требования подходит трансформатор ТПП-207-127/220-50.
Принципиальная схема узла изображена на рис.16,
В качестве стабилизатора +5в выбрана микросхема КР142ЕН5А по типовой схеме включения, в качестве стабилизатора -0.7в - регулируемая схема на двух транзисторах (VT113, VT114). Причем в связи со столь малым напряжением, стабилизация производится не относительно “земли” (что не удалось бы осуществить в связи с суммарным падением напряжения на переходах БЭ транзисторов порядка 1.4в), а относительно стабилизированного источника +5в.
Настройка данного узла заключается в подстройке точного значения напряжения -0.7в на выходе блока питания при помощи подстроечного резистора R198.

Рис.16. Источник питания устройства (принципиальная схема).
6. Проектирование алгоритма функционирования системы.
Метод сигнатурного анализа.
Представим микросхему в виде устройства с несколькими входами, на которые поступают двоичные входные сигналы, и несколькими выходами, с которых снимаются двоичные выходные сигналы.
Для проверки работоспособности такого устройства на его входы необходимо подать тестовую последовательность комбинаций входных сигналов и сравнить получаемые значения выходных сигналов со значениями, указанными в документации. В общем случае при проверке существенной проблемой является сжатие информации о правильных и наблюдаемых при контроле реакциях устройства на тестовые последовательности.
Для сжатия длинных двоичных последовательностей и получения кодов сигнатур используется сигнатурный анализатор, основу которого составляет сдвиговой регистр с внутренними обратными связями, замыкаемыми через сумматор по модулю 2, на вход которого также поступает последовательность бит, снимаемая с контролируемой точки.
Сигнатурный анализ основывается на следующем принципе сжатия данных: двоичная последовательность x в виде информационного полинома G(x) поступает с выхода проверяемой схемы на сдвиговой регистр и делится в виде полинома xkG(x) (где k - количество разрядов сдвигового регистра) на порождающий полином P(x) степени k. Деление не порождающий полином P(x) реализуется с помощью сдвигового регистра с обратными связями. Результатом деления является остаток R(x), получающийся в сдвиговом регистре после приема входной последовательности.
Математически процесс описывается формулой:
xkG(x)=Q(x)P(x)R(x), где
Q(x) - частное; R(x) - остаток; P(x) - порождающий полином степени k, а G(x) - информационный полином, соответствующий входной двоичной последовательности x.
При прохождении последовательности x через сдвиговый регистр R(x) изменяется до тех пор, пока не закончится вся последовательность x. Конечное выражение R(x) является сигнатурой [11].
Для проектируемого устройства алгоритм работы заключается в подаче на вход устройства входной последовательности, считывании выходной последовательности с его выхода и ее сложении по модулю 2 с контрольной последовательностью.
В случае, если результат сложения не равен логическому “0” (выходная и контрольная последовательности не равны друг другу), для ускорения выдачи результатов процесс тестирования прерывается с возвратом ошибки. Если же в результате сложения всех входных и контрольных последовательностей по модулю 2 получили логический “0” - микросхема исправна.
Описание алгоритма функционирования системы.
Общая структурная схема работы системы в целом представлена на рис.17.

Рис.17. Алгоритм функционирования системы.
Комментарии к рис.17 изложены в табл.12.
Таблица 12
|
Блок |
Наименование |
Комментарии |
|
2 |
Инициализация устройства |
Установка начальных значений регистров, снятие напряжения питания с панели для ИМС. |
|
3 |
Ввод режима работы устройства |
Выбор меню “Тестирование” или “Определение типа”. |
|
4 |
Режим работы |
В зависимости от п.3 переход на исполнение выбранной части программы. |
|
5 |
Ввод напряжения питания ИМС и выбор выводов для его подачи |
Ввод с клавиатуры напряжения питания ИМС и выбор выводов для его подачи из числа доступных в меню |
|
6 |
Вызов подпрограммы определения типа микросхемы |
Определение типа ИМС, возврат из п/п результата определения типа |
|
7 |
Ввод типа микросхемы |
Выбор в меню типа микросхемы |
|
8 |
Вызов подпрограммы тестирования микросхемы |
Тестирование микросхемы, возврат из п/п результата тестирования |
|
9 |
Вывод результатов на экран |
Вывод на экран результатов тестирования или определения типа |
|
10 |
Инициализация устройства |
См. п.2. |
|
11 |
Завершить работу с устройством ? |
В зависимости от выбора продолжить работу программы с п.3, либо завершить выполнение программы |
Распределение адресного пространства LPT-порта.
Весь обмен данными осуществляется через стандартные адреса LPT-порта (см. приложение 4). За базовый принят стандартный адрес порта LPT1 - 378H. Рассмотрим назначение портов применительно к разрабатываемому устройству:
Порт 378H. Через него осуществляется запись информации во входные регистры, регистры управления напряжением и током (биты 0-7), а также для управления считыванием данных из “половинок” выходных мультиплексоров (бит 0).
Порт 379H. Используется для чтения данных из выходных мультиплексоров (биты 4-7), а также для контроля наличия напряжения питания на испытуемой микросхеме (бит 3).
Порт 37AH. Используется для дополнительной дешифрации регистров и мультиплексоров (биты 0-2), а также для стробирования записи во входные регистры (бит 3). Дополнительная дешифрация осуществляется следующим образом (табл.13):
Таблица 13
|
2 бит |
1 бит |
0 бит |
Назначение |
|
0 |
0 |
0 |
Запись во входной регистр DD2, чтение из выходного мультиплексора DD13 |
|
0 |
0 |
1 |
Запись во входной регистр DD3, чтение из выходного мультиплексора DD14 |
|
0 |
1 |
0 |
Запись во входной регистр DD4, чтение из выходного мультиплексора DD15 |
|
0 |
1 |
1 |
Запись во входной регистр DD5, чтение из выходного мультиплексора DD16 |
|
1 |
0 |
0 |
Не используется |
|
1 |
0 |
1 |
Запись в регистр регулировки напряжения питания DD7 |
|
1 |
1 |
0 |
Запись в регистр регулировки макс. потр. тока DD8 |
|
1 |
1 |
1 |
Запись в регистр управления коммутацией питания, выбора типа МС и включения напряжения питания DD6 |
Запись 8-ми бит данных в соответствующий регистр производится из порта 378H (биты 0-7) при перепаде стробирующего сигнала 01 (бит 3, порт 37AH). Чтение 4-х бит данных из соответствующего мультиплексора производится из порта 379H (биты 0-3). Входы данного мультиплексора переключаются при помощи бита 0 порта 378H. Далее два считанных ниббла (по 4 бита) программно собираются в 1 байт (8 бит).
Значение, записываемое в регистр коммутации питания, зависит от типа микросхемы. Биты 0-2 регистра отвечают за коммутацию “+” питания микросхемы (табл.14), биты 3-5 - за коммутацию GND (табл.15), бит 6 отвечает за тип микросхемы (табл.16), бит 7 - за включение напряжения питания (табл.17):
Таблица 14
|
0 бит |
1 бит |
2 бит |
Коммутируемый вывод разъема X3 |
|
0 |
0 |
0 |
13 |
|
0 |
0 |
1 |
14 |
|
0 |
1 |
0 |
23 |
|
0 |
1 |
1 |
24 |
|
1 |
0 |
0 |
26 |
|
1 |
0 |
1 |
28 |
Таблица 15
|
3 бит |
4 бит |
5 бит |
Коммутируемый вывод разъема X3 |
|
0 |
0 |
0 |
16 |
|
0 |
0 |
1 |
19 |
|
0 |
1 |
0 |
20 |
Таблица 16
|
6 бит |
Тип микросхемы |
|
0 |
ТТЛ |
|
1 |
КМОП |
Таблица 17
|
7 бит |
Напряжение питания испытуемой микросхемы |
|
0 |
Неизменно |
|
1 |
Включено |
Описание подпрограмм.
Подпрограмма инициализации устройства.
После включения питания устройства в регистрах находится случайная информация. Для того, чтобы привести его в исходное состояние, необходимо записать начальные значения в управляющие регистры. Для этого нужно записать в порты следующие значения (значениепорт): 7FH378H, 07H37AH, 0FH37AH (запись 7FH в регистр управления коммутацией питания - отключение напряжения питания и коммутаторов), затем 0378H, 05H37AH, 0DH37AH (запись 0 в регистр регулировки напряжения), и затем 06H37AH, 0E37AH (запись 0 в регистр регулировки тока). Эти же действия необходимо будет выполнять после каждого цикла тестирования, чтобы избежать выхода из строя испытуемой микросхемы при ее смене. Блок-схема подпрограммы инициализации приведена на рис.18. Подпрограмма инициализации, написанная на языке Ассемблер, приведена в приложении 4.

Рис.18. Блок-схема подпрограммы инициализации устройства.
Подпрограмма тестирования микросхем.
Блок-схема подпрограммы тестирования представлена на рис.19.
При помощи интерфейса пользователь выбирает тип микросхемы. Программа находит в базе данных значения, соответствующие выбранной микросхеме и считывает их. Данные для каждой микросхемы представляют собой следующую структуру:
1 байт - данные по коммутации напряжения питания (значение записывается в регистр DD6, 7-й бит не используется).
1 байт - данные по максимально потребляемому микросхемой току (в мА), значение записывается в регистр DD8.
2 байта - количество 8-байтовых данных в повторяющейся последовательности записи-сверки (см. ниже). Фактически представляет собой количество циклов записи-сверки.
Далее идет периодически повторяющаяся последовательность, длина которой зависит от конкретной микросхемы:
4 байта - данные, записываемые во входные регистры (входная последовательность).
4 байта - данные, сверяемые со считанными с выходов испытуемой микросхемы (контрольная последовательность).
При программировании учтены следующие особенности:
инверсия данных, записываемых во входные регистры, в устройстве согласования по входу;
инверсия данных, считываемых из выходных мультиплексоров, в устройстве согласования по выходу;
дополнительное потребление по току в устройстве коммутации, равное 7мА.

Рис.19. Блок-схема подпрограммы тестирования.
Рассмотрим процесс тестирования на примере микросхемы К555ЛА3:
Значение, записываемое в регистр DD6. Для подачи питания на данную микросхему используются выводы 7 (GND) и 14 (+5в). Им соответствуют контакты 16 и 23 разъема X3. Для коммутации +U>пит.мс.> необходимо в разряды 0-2 регистра DD6 записать значение 010B. Для коммутации GND необходимо в разряды 3-5 регистра DD6 записать значение 000B. Поскольку тип микросхемы ТТЛ, необходимо в разряд 6 регистра DD6 записать значение 0B. Просуммировав, получим значение, которое необходимо записать в регистр DD6: 0000010B=2H.
Значение потребляемого микросхемой тока - 4.4мА. Округляем до целого в большую сторону - 5H.
Число циклов тестирования. Зависит от микросхемы. Для тестирования микросхемы К555ЛА3 (с 2-мя входами у каждого элемента) достаточно 22=4 цикла тестирования.
Периодически повторяющаяся последовательность. Представляет собой 4 записываемых байта и 4 байта, с которыми производится сверка считанных значений. Для неиспользуемых разрядов записываемое и считываемое значения должны соответствовать друг другу, для выводов “+” питания микросхемы будет считываться логическая “1”, для GND - логический “0”. Для данной выбранной микросхемы тестирование будет заключаться в переборе комбинаций по 2-м ее входам (т.е. 00, 01, 10 и 11) и сравнении выходных сигналов с заведомо верными.
Разработанная подпрограмма тестирования на языке Ассемблер для микросхемы К555ЛА3 приведена в приложении 5 (подробности работы данной подпрограммы изложены в комментариях).
Подпрограмма определения типа микросхем.
Задача определения типа микросхемы представляет собой перебор всех известных для тестирования комбинаций при заданном значении напряжения питания микросхемы. Блок схема алгоритма определения типа приведена на рис.20.

Рис.20. Блок-схема подпрограммы определения типа.
Нужно учесть, что в приведенной на рис.20 блок-схеме, внутри подпрограммы тестирования программно выставляемое напряжение питания испытуемой микросхемы меняться не должно Т.е. это необходимо учитывать при использовании алгоритма, представленного на рис.19.
Описание конструкции системы.
Устройство собрано на плате из двустороннего фольгированного стеклотекстолита размерами 260x130. Корпус устройства - алюминиевый, размеры корпуса - 310x140x60. Внутри корпуса размещен трансформатор T1 блока питания. Сетевой выключатель SA1, держатель предохранителя FU1 и индикатор HL1 находятся на лицевой панели корпуса, колодка для микросхемы X3 находится на его верхней панели. На задней панели размещены: теплоотвод размерами 100x60x36, клемма заземления, разъем “LPT-порт” для подключения стандартного интерфейсного кабеля 25М-25М. При помощи этого кабеля устройство подсоединяется к соответствующему разъему (LPT) компьютера (кабель в комплект не входит).
На теплоотвод установлены микросхемный стабилизатор DA2 и транзистор VT114. Эти элементы должны быть изолированы от теплоотвода прокладками из листовой слюды. Эскиз устройства приведен на рис.21.
Устройство питается от сети переменного тока ~220в.

Рисунок 21
Инструкция по эксплуатации.
Порядок работы с устройством:
Подсоединяем устройство к LPT-порту компьютеру при помощи интерфейсного кабеля (устройство и компьютер при этом должны быть выключены).
Включаем компьютер при помощи переключателя, расположенного на панели компьютера (обычно лицевой).
Включаем устройство при помощи переключателя SA1, расположенного на лицевой панели устройства.
Запускаем на компьютере программу поддержки (testing.exe).
Вставляем микросхему в колодку, расположенную на верхней панели устройства.
Выбираем в меню режим работы устройства (“Тестирование”/”Определение типа”).
Если выбран режим “Тестирование”, далее выбираем тип микросхемы из списка предлагаемых к тестированию (например, К555ЛА3). Если выбран режим “Определение типа”, то выбираем напряжение питания микросхемы (+2...+9в) и выводы для подачи питания в меню из числа доступных.
В зависимости от выбранного режима визуально наблюдаем на дисплее результат тестирования (“Исправна”/“Неисправна”) или определения типа (<тип микросхемы>, либо “Микросхема не опознана или неисправна”).
Вынимаем микросхемы из колодки устройства.
При необходимости повторного анализа (например, для другой микросхемы) повторяем пп.5-9.
По окончании работы выключаем устройство переключателем SA1.
Выключаем компьютер.
Отсоединяем от компьютера интерфейсный кабель.
Экономическая часть.
В настоящей главе производится расчет производственной себестоимости устройства.
Себестоимость устройства включает в себя:
Стоимость сырья и основных материалов
Стоимость покупных изделий и полуфабрикатов
Заработную плату производственных рабочих
Отчисления на социальное страхование
Накладные расходы
Расчет стоимости материалов сведен в табл.18.
Таблица 18
|
Материалы |
Кол-во |
Единица измерения |
Цена за единицу (тыс. руб./ед.) |
Сумма (тыс. руб.) |
|
Провод МГТФ |
10 |
м |
0.6 |
6 |
|
Припой ПОС-61 |
0.1 |
кг |
45 |
4.5 |
|
Канифоль |
0.005 |
кг |
50 |
0.25 |
|
Спирт технический |
0.02 |
л |
44 |
0.88 |
|
Итого: |
11.63 |
Транспортные расходы составляют 10% от стоимости материалов и равны 1.16 тыс. руб.
Таким образом, затраты на материалы составляют ~12.8 тыс. руб.
Расчет затрат на покупные изделия и полуфабрикаты сведен в табл.19.
Таблица 19
|
Наименование |
Цена/шт. (тыс. руб.) |
Кол-во (шт.) |
Цена (тыс. руб.) |
|
Микросхемы: |
|||
|
К555ИД7 |
1 |
3 |
3 |
|
К555ИР27 |
2 |
7 |
14 |
|
К155ЛП4 |
1 |
1 |
1 |
|
К561ТМ2 |
1 |
1 |
1 |
|
К555КП11 |
1 |
4 |
4 |
|
К142ЕН1А |
2.5 |
1 |
2.5 |
|
К142ЕН5А |
1.5 |
1 |
1.5 |
|
К554СА3А |
3 |
1 |
3 |
|
К140УД6 |
3 |
1 |
3 |
|
К572ПА1А |
5 |
2 |
10 |
|
Транзисторы: |
|||
|
КТ315, КТ361 |
0.3 |
39 |
11.7 |
|
КТ814, КТ815 |
0.8 |
11 |
8.8 |
|
КП301 |
2 |
32 |
64 |
|
КП303 |
2 |
32 |
64 |
|
Диоды и стабилитроны: |
|
||
|
КД522А |
0.2 |
64 |
12.8 |
|
КД202В |
1 |
8 |
8 |
|
Д814А, КС818Г, КС147А, КС168А |
0.5 |
5 |
2.5 |
|
АЛ307Б |
0.3 |
1 |
0.3 |
|
Резисторы: |
|||
|
Постоянные МЛТ-0.125 |
0.2 |
197 |
39.4 |
|
Подстроечные СП5-3ВА |
1.5 |
1 |
1.5 |
|
Прецизионные С5-16 |
3 |
1 |
3 |
|
Конденсаторы: |
|||
|
Керамические КМ-3б |
0.5 |
1 |
0.5 |
|
Электролитические K50-6, 2000мк x 16в |
4 |
2 |
8 |
|
Электролитические К50-16 10мк x 16в, 100мк x 16в |
1 |
5 |
5 |
|
Переключатели ПКН-41 |
3 |
1 |
3 |
|
Печатная плата |
20 |
1 |
20 |
|
Панель SLC-32 |
1 |
1 |
1 |
|
Разъемы DB25M |
2 |
1 |
2 |
|
Вставка плавкая 0.5А,с держателем |
2.5 |
1 |
2.5 |
|
Итого: |
301 |
Основная заработная
плата равна:

Br>i> - часовая тарифная ставка рабочего
Tн>i> - норма времени
Расходы на основную заработную плату составят 120 тыс. руб.
Дополнительная заработная плата составляет 8% от основной и равна 9.6 тыс. руб.
Отчисления на социальное страхование составляют 41% от заработной платы основных производственных рабочих, и равны 49.2 тыс. руб.
Накладные расходы составляют 300% от заработной платы основных производственных рабочих, и равны 360 тыс. руб.
Стоимость разработки равна S>раз.>= B>осн.>N(1+W>с>+W>д>), где
S>раз.> - стоимость разработки, тыс. руб.
B>осн.> - заработная плата разработчика, тыс. руб. в месяц
N - количество месяцев разработки
W>с> - отчисления на социальное страхование
W>д> - дополнительная заработная плата.
S>раз.>> >= 4002(1+0.41+0.5) = 8001.91 = 1528 тыс. руб.
Таким образом, накладные расходы, включающие затраты на разработку, равны 1888 тыс. руб.
На основании проведенных выше расчетов определим цену устройства (табл.20):
Таблица 20
|
N п/п |
Статьи расходов |
Сумма (тыс. руб.) |
|
1 |
Основные материалы |
12.8 |
|
2 |
Покупные изделия и полуфабрикаты |
301 |
|
3 |
Заработная плата производственных рабочих |
129.6 |
|
4 |
Отчисления на социальное страхование |
49.2 |
|
5 |
Накладные расходы, включая затраты на разработку |
1888 |
|
Производственная себестоимость: |
2380.6 |
|
|
6 |
Прибыль (25%) |
595.2 |
|
Цена устройства |
2975.8 |
Прибыль составляет 25% от себестоимости устройства и равна 595.2 тыс. руб.
Таким образом, цена устройства составляет 2975.8 тыс. руб.
Вопросы охраны труда и техники безопасности.
Потенциально опасные и вредные производственные факторы.
Имеющийся в настоящее время в нашей стране комплекс разработанных организационных мероприятий и технических средств защиты, накопленный передовой опыт работы ряда вычислительных центров показывает, что имеется возможность добиться значительно больших успехов в деле устранения воздействия на работающих опасных и вредных производственных факторов. Однако состояние условий труда и его безопасности в ряде ВЦ еще не удовлетворяют современным требованиям. Операторы ЭВМ, операторы подготовки данных, программисты и другие работники ВЦ еще сталкиваются с воздействием таких физически опасных и вредных производственных факторов, как повышенный уровень шума, повышенная температура внешней среды, отсутствие или недостаточная освещенность рабочей зоны, электрический ток, статическое электричество и другие.
Многие сотрудники ВЦ связаны с воздействием таких психофизических факторов, как умственное перенапряжение, перенапряжение зрительных и слуховых анализаторов, монотонность труда, эмоциональные перегрузки. Воздействие указанных неблагоприятных факторов приводит к снижению работоспособности, вызванное развивающимся утомлением. Появление и развитие утомления связано с изменениями, возникающими во время работы в центральной нервной системе, с тормозными процессами в коре головного мозга. Например сильный шум вызывает трудности с распознанием цветовых сигналов, снижает быстроту восприятия цвета, остроту зрения, зрительную адаптацию, нарушает восприятие визуальной информации, уменьшает на 5-12% производительность труда. Длительное воздействие шума с уровнем звукового давления 90 дБ снижает производительность труда на 30-60 %.
Медицинские обследования работников ВЦ показали, что помимо снижения производительности труда, высокие уровни шума приводят к ухудшению слуха. Длительное нахождение человека в зоне комбинированного воздействия различных неблагоприятных факторов может привести к профессиональному заболеванию. Анализ травматизма среди работников ВЦ показывает, что в основном несчастные случаи происходят от воздействия физически опасных производственных факторов при заправке носителя информации на вращающийся барабан при снятом кожухе, при выполнении сотрудниками несвойственных им работ. На втором месте случаи, связанные с воздействием электрического тока.
Обеспечение электробезопасности.
Электрические установки, к которым относится практически все оборудование ЭВМ, представляют для человека большую потенциальную опасность, так как в процессе эксплуатации или проведении профилактических работ человек может коснуться частей, находящихся под напряжением. Специфическая опасность электроустановок: токоведущие проводники, корпуса ЭВМ и прочего оборудования, оказавшегося под напряжением в результате повреждения (пробоя) изоляции, не подают каких-либо сигналов, которые предупреждают человека об опасности. Реакция человека на электрический ток возникает лишь при протекании последнего через тело человека. Исключительно важное значение для предотвращения электротравматизма имеет правильная организация обслуживания действующих электроустановок ВЦ, проведения ремонтных, монтажных и профилактических работ. При этом под правильной организацией понимается строгое выполнение ряда организационных и технических мероприятий и средств, установленных действующими “Правилами технической эксплуатации электроустановок потребителей и правила техники безопасности при эксплуатации электроустановок потребителей” (ПТЭ и ПТБ потребителей) и “Правила установки электроустановок” (ПУЭ). В зависимости от категории помещения необходимо принять определенные меры, обеспечивающие достаточную электробезопасность при эксплуатации и ремонте электрооборудования. Так, в помещениях с повышенной опасностью электроинструменты, переносные светильники должны быть выполнены с двойной изоляцией или их напряжение питания не должно превышать 42В. В ВЦ к таким помещениям могут быть отнесены помещения машинного зала, помещения для размещения сервисной и периферийной аппаратуры. В особо опасных же помещениях напряжение питания переносных светильников не должно превышать 12В, а работа с напряжением не выше 42В разрешается только с применением СИЗ (диэлектрических перчаток, ковриков и т.п.). Работы без снятия напряжения на токоведущих частях и вблизи них, работы проводимые непосредственно на этих частях или при приближении к ним на расстояние менее установленного ПЭУ. К этим работам можно отнести работы по наладке отдельных узлов, блоков. При выполнении такого рода работ в электроустановках до 1000В необходимо применение определенных технических и организационных мер, таких как:
ограждения, расположенные вблизи рабочего места и других токоведущих частей, к которым возможно случайное прикосновение;
работа в диэлектрических перчатках, или стоя на диэлектрическом коврике;
применение инструмента с изолирующими рукоятками, при отсутствии такого инструмента следует пользоваться диэлектрическими перчатками.
Работы этого вида должны выполнятся не менее чем двумя работниками.
В соответствии с ПТЭ и ПТВ потребителям и обслуживающему персоналу электроустановок предъявляются следующие требования:
лица, не достигшие 18-летнего возраста, не могут быть допущены к работам в электроустановках;
лица не должны иметь увечий и болезней, мешающих производственной работе;
лица должны после соответствующей теоретической и практической подготовки пройти проверку знаний и иметь удостоверение на доступ к работам в электроустановках.
В ВЦ разрядные токи статического электричества чаще всего возникают при прикосновении к любому из элементов ЭВМ. Такие разряды опасности для человека не представляют, но кроме неприятных ощущений они могут привести к выходу из строя ЭВМ. Для снижения величины возникающих зарядов статического электричества в ВЦ покрытие технологических полов следует выполнять из однослойного поливинилхлоридного антистатического линолеума. Другим методом защиты является нейтрализация заряда статического электричества ионизированным газом. В промышленности широко применяются радиоактивные нейтрализаторы. К общим мерам защиты от статического электричества в ВЦ можно отнести общие и местное увлажнение воздуха.
Обеспечение санитарно-гигиенических требований к помещениям ВЦ.
Помещения ВЦ, их размеры (площадь, объем) должны в первую очередь соответствовать количеству работающих и размещаемому в них комплекту технических средств. В них предусматриваются соответствующие параметры температуры, освещения, чистоты воздуха, обеспечивают изоляцию, от производственных шумов и т.п. Для обеспечения нормальных условий труда санитарные нормы СН 245-71 устанавливают на одного работающего, объем производственного помещения не менее 15 м3, площадь помещения выгороженного стенами или глухими перегородками не менее 4,5 м3.
Для эксплуатации ЭВМ следует предусматривать следующие помещения:
машинный зал, помещение для размещения сервисной и периферийной аппаратуры, помещение для хранения запасных деталей, инструментов, приборов (ЗИП);
помещения для размещения приточно-вытяжных вентиляторов;
помещение для персонала;
помещение для приема-выдачи информации.
Основные помещения ВЦ располагаются в непосредственной близости друг от друга. Их оборудуют вентиляцией и искусственным освещением. К помещению машинного зала и хранения магнитных носителей информации предъявляются особые требования. Площадь машинного зала должна соответствовать площади, необходимой по заводским техническим условиям данного типа ЭВМ.
Высота зала над технологическим полом до подвесного потолка должна быть 3-3,5м. Расстояние между подвесным и основным потолками при этом должно быть 0,5-0,8м. Высоту подпольного пространства принимают равной 0,2-0,6м.
В ВЦ, как правило, применяется боковое естественное освещение. Рабочие комнаты и кабинеты должны иметь естественное освещение. В остальных помещениях допускается искусственное освещение.
В тех случаях, когда одного естественного освещения не хватает, устанавливается совмещенное освещение. При этом дополнительное искусственное освещение применяется не только в темное, но и в светлое время суток.
Искусственное освещение по характеру выполняемых задач делится на рабочее, аварийное, эвакуационное.
Рациональное цветовое оформление помещения направлено на улучшение санитарно-гигиенических условий труда, повышение его производительности и безопасности. Окраска помещений ВЦ влияет на нервную систему человека, его настроение, и в конечном счете на производительность труда. Основные производственные помещения целесообразно окрашивать в соответствии с цветом технических средств. Освещение помещения и оборудования должно быть мягким, без блеска.
Снижение шума, создаваемого на рабочих местах ВЦ внутренними источниками, а также шума, проникающего извне, является очень важной задачей. Снижение шума в источнике излучения можно обеспечить применением упругих прокладок между основанием машины, прибора и опорной поверхностью. В качестве прокладок используются резина, войлок, пробка, различной конструкции амортизаторы. Под настольные шумящие аппараты можно подкладывать мягкие коврики из синтетических материалов, а под ножки столов, на которых они установлены - прокладки из мягкой резины, войлока, толщиной 6-8мм. Крепление прокладок возможно путем приклейки их к опорным частям.
Возможно также применение звукоизолирующих кожухов, которые не мешают технологическому процессу. Не менее важным для снижения шума в процессе эксплуатации является вопрос правильной и своевременной регулировки, смазывания и замены механических узлов шумящего оборудования.
Рациональная планировка помещения, размещения оборудования в ВЦ является важным фактором, позволяющим снизить шум при существующем оборудовании ЭВМ. При планировке ВЦ машинный зал и помещение для сервисной аппаратуры необходимо располагать вдали от шумящего и вибрирующего оборудования.
Снижение уровня шума, проникающего в производственное помещение извне, может быть достигнуто увеличением звукоизоляции ограждающих конструкций, уплотнением по периметру притворов окон, дверей.
Таким образом для снижения шума создаваемого на рабочих местах внутренними источниками, а также шума, проникающего извне, следует:
ослабить шум самих источников (применение экранов, звукоизолирующих кожухов);
снизить эффект суммарного воздействия отраженных звуковых волн (звукопоглощающие поверхности конструкций);
применять рациональное расположение оборудования;
использовать архитектурно-планировочные и технологические решения изоляции источников шума.
Противопожарная защита.
Пожары в ВЦ представляют особую опасность, так как сопряжены с большими материальными потерями. Характерная особенность ВЦ - небольшие площади помещений. Как известно, пожар может возникнуть при взаимодействии горючих веществ, окисления и источников зажигания. В помещениях ВЦ присутствуют все три основные фактора, необходимые для возникновения пожара.
Горючими компонентами на ВЦ являются: строительные материалы для акустической и эстетической отделки помещений, перегородки, двери, полы, перфокарты и перфоленты, изоляция кабелей и др.
Противопожарная защита - это комплекс организационных и технических мероприятий, направленных на обеспечение безопасности людей, на предотвращение пожара, ограничение его распространения, а также на создание условий для успешного тушения пожара.
Источниками зажигания в ВЦ могут быть электронные схемы от ЭВМ, приборы, применяемые для технического обслуживания, устройства электропитания, кондиционирования воздуха, где в результате различных нарушений образуются перегретые элементы, электрические искры и дуги, способные вызвать возгорание горючих материалов.
В современных ЭВМ имеет место быть очень высокая плотность размещения элементов электронных схем. В непосредственной близости друг от друга располагаются соединительные провода, кабели. При протекании по ним электрического тока выделяется значительное количество теплоты. При этом возможно оплавление изоляции. Для отвода избыточной теплоты от ЭВМ служат системы вентиляции и кондиционирования воздуха. При постоянном действии эти системы представляют собой дополнительную пожарную опасность.
Энергоснабжение ВЦ осуществляется от трансформаторной станции и двигатель-генераторных агрегатов. На трансформаторных подстанциях особую опасность представляют трансформаторы с масляным охлаждением. В связи с этим предпочтение следует отдавать сухим трансформаторам.
Пожарная опасность двигатель-генераторных агрегатов обусловлена возможностью коротких замыканий, перегрузки, электрического искрения. Для безопасной работы необходим правильный расчет и выбор аппаратов защиты. При проведении обслуживающих, ремонтных и профилактических работ используются различные смазочные вещества, легковоспламеняющиеся жидкости, прокладываются временные электропроводники, ведется пайка и чистка отдельных узлов. Возникает дополнительная пожарная опасность, требующая дополнительных мер пожарной защиты. В частности, при работе с паяльником следует использовать несгораемую подставку с несложными приспособлениями для уменьшения потребляемой мощности в нерабочем состоянии.
Для большинства помещений ВЦ установлена категория пожарной опасности В.
Одной из наиболее важных задач пожарной защиты является защита строительных помещений от разрушений и обеспечение их достаточной прочности в условиях воздействия высоких температур при пожаре. Учитывая высокую стоимость электронного оборудования ВЦ, а также категорию его пожарной опасности, здания для ВЦ и части здания другого назначения, в которых предусмотрено размещение ЭВМ, должны быть 1 и 2 степени огнестойкости.
Для изготовления строительных конструкций используются, как правило, кирпич, железобетон, стекло, металл и другие негорючие материалы. Применение дерева должно быть ограничено, а в случае использования, необходимо пропитывать его огнезащитными составами. В ВЦ противопожарные преграды в виде перегородок из несгораемых материалов устанавливают между машинными залами.
К средствам тушения пожара, предназначенных для локализации небольших возгораний, относятся пожарные стволы, внутренние пожарные водопроводы, огнетушители, сухой песок, асбестовые одеяла и т. п.
В зданиях ВЦ пожарные краны устанавливаются в коридорах, на площадках лестничных клеток и входов. Вода используется для тушения пожаров в помещениях программистов, библиотеках, вспомогательных и служебных помещениях. Применение воды в машинных залах ЭВМ, хранилищах носителей информации, помещениях контрольно-измерительных приборов ввиду опасности повреждения или полного выхода из строя дорогостоящего оборудования возможно в исключительных случаях, когда пожар принимает угрожающе крупные размеры. При этом количество воды должно быть минимальным, а устройства ЭВМ необходимо защитить от попадания воды, накрывая их брезентом или полотном.
Для тушения пожаров на начальных стадиях широко применяются огнетушители. По виду используемого вещества огнетушители подразделяются на следующие основные группы:
Пенные огнетушители, применяются для тушения горящих жидкостей, различных материалов, конструктивных элементов и оборудования, кроме электрооборудования, находящегося под напряжением.
Газовые огнетушители, применяются для тушения жидких и твердых веществ, а также электроустановок, находящихся под напряжением.
В производственных помещениях ВЦ применяются главным образом углекислотные огнетушители, достоинством которых является высокая эффективность тушения пожара, сохранность электронного оборудования, диэлектрические свойства углекислого газа, что позволяет использовать эти огнетушители даже в том случае, когда не удается обесточить электроустановку сразу.
Для обнаружения начальной стадии загорания и оповещения службы пожарной охраны используют системы автоматической пожарной сигнализации (АПС). Кроме того, они могут самостоятельно приводить в действие установки пожаротушения, когда пожар еще не достиг больших размеров. Системы АПС состоят из пожарных извещателей, линий связи и приемных пультов (станций).
Эффективность применения систем АПС определяется правильным выбором типа извещателей и мест их установки. При выборе пожарных извещателей необходимо учитывать конкретные условия их эксплуатации: особенности помещения и воздушной среды, наличие пожарных материалов, характер возможного горения, специфику технологического процесса и т.п.
В соответствии с “Типовыми правилами пожарной безопасности для промышленных предприятий”, залы ЭВМ, помещения для внешних запоминающих устройств, подготовки данных, сервисной аппаратуры, архивов, копировально-множительного оборудования и т.п. необходимо оборудовать дымовыми пожарными извещателями. В этих помещениях в начале пожара при горении различных пластмассовых, изоляционных материалов и бумажных изделий выделяется значительное количество дыма и мало теплоты.
В других помещениях ВЦ, в том числе в машинных залах дизель-генераторов и лифтов, трансформаторных и кабельных каналах, воздуховодах допускается применение тепловых пожарных извещателей.
Объекты ВЦ, кроме АПС, необходимо оборудовать установками стационарного автоматического пожаротушения. Наиболее целесообразно применять в ВЦ установки газового тушения пожара, действие которых основано на быстром заполнении помещения огнетушащим газовым веществом с резким снижением содержания в воздухе кислорода.
Пожарам в ВЦ должно уделяться особое внимание, так как пожары в ВЦ сопряжены с опасностью для человеческой жизни и большими материальными потерями.
Заключение
Краткая информация о результатах разработки, выполненной при создании аппаратных средств и ПО.
Целью данной работы являлась разработка устройства, подключаемого к персональному компьютеру, предназначенного для контроля и определения типа интегральных логических микросхем методом сигнатурного анализа. В ходе дипломного проектирования была разработана структурная схема устройства. После выбора элементной базы результатом проделанной работы явилась разработка принципиальной схемы проектируемого устройства; разработка алгоритмов и выбранные программные средства позволили создать подпрограммы тестирования и определения типа микросхем на языке Ассемблер. В экономической части диплома была рассчитана себестоимость и цена данного устройства.
Литература
В.С.Гутников “Интегральная электроника в измерительных устройствах”, Л.:Энргоатомиздат, 1988
А.Л.Булычев, В.И.Галкин “Аналоговые интегральные схемы”, Мн.: Беларусь, 1994
М.И.Богданович, И.Н.Грель “Цифровые интегральные микросхемы”: справочник, Mн.: Беларусь, 1991
В.Л.Шило “Популярные цифровые микросхемы”: справочник, М.: Радио и связь, 1987
Р.Джордейн “Справочник программиста персональных компьютеров типа IBM PC XT и AT”: пер с англ. М: Финансы и статистика, 1992
С.Т.Усатенко, Т.К,Каченюк, М.В.Терехова. “Выполнение электрических схем по ЕСКД”: справочник, М.: Издательство стандартов, 1989. - 325| с.
Д.В.Стефанков “Справочник программиста и пользователя”. - М:“Кварта”, 1993.- 128с.
Под ред. М.Дадашова “Проектирование пользовательского интерфейса на персональных компьютерах. Стандарт фирмы IBM.” - M: фирма “ЛЕВ”, 1992. - 186с.
Коутс Р., Влейминк И. “Интерфейс Человек-Компьютер”: пер. с англ. - M.: Мир, 1990. - 501с.
П.Нортон, Д.Соухэ “Язык Ассемблера для IBM PC”: Пер. с англ., - M.: Издательство “Компьютер”, 1993г. - 352с.
Каган Б.М., Мкртумян И.Б. “Основы эксплуатации ЭВМ”: Учеб. пособие для вузов/ Под ред. Б.М.Кагана. - М.: Энергоатомиздат, 1983.-376с., ил.
Приложения
Перечень элементов к принципиальным схемам, описанным в разделе 5.
|
Поз. обоз-начение |
Наименование |
Кол |
Примечание |
||||||
|
Диоды и стабилитроны |
|||||||||
|
VD1..VD64 |
КД522А |
64 |
|||||||
|
VD65 |
КС818Г |
1 |
|||||||
|
VD66 |
Д814А |
1 |
|||||||
|
VD67 |
КС147А |
1 |
|||||||
|
VD68 |
КС818Г |
1 |
|||||||
|
VD69.. VD76 |
КД202В |
8 |
|||||||
|
VD77 |
КС168А |
1 |
|||||||
|
HL1 |
АЛ307Б |
1 |
|||||||
|
Конденсаторы |
|||||||||
|
C1, C2 |
К50-16 - 16в-10мкф |
2 |
|||||||
|
C3 |
КМ-3б-Н30 - 0.1мкф 20% |
1 |
|||||||
|
C4 |
К50-16 - 16в-100мкф |
1 |
|||||||
|
C5, C6 |
К50-6 - 16в-2000мкф |
2 |
|||||||
|
C7, C8 |
К50-16 - 16в-100мкф |
2 |
|||||||
|
Микросхемы аналоговые ГОСТ 18682-83 |
|||||||||
|
DA1 |
К142ЕН1А |
1 |
|||||||
|
DA2 |
К142ЕН5А |
1 |
|||||||
|
DA3, DA4 |
К572ПА1А |
2 |
|||||||
|
DA5 |
К554СА3А |
1 |
|||||||
|
DA6 |
К140УД6 |
1 |
|||||||
|
ППИ СПГТУ 2201.97.01 ПЭ1 |
|||||||||
|
Изм |
Лист |
N докум. |
Подп. |
Дата |
|||||
|
Разраб. |
Лит. |
Лист |
Листов |
||||||
|
Пров. |
Сигнатурный анализатор |
1 |
3 |
||||||
|
N контр. |
Перечень элементов |
||||||||
|
Утв. |
|
Поз. обоз-начение |
Наименование |
Кол |
Примечание |
|||
|
Микросхемы цифровые ГОСТ 17021-75 |
||||||
|
DD1 |
К555ИД7 |
1 |
||||
|
DD2..DD8 |
К555ИР27 |
7 |
||||
|
DD9, DD10 |
К555ИД7 |
2 |
||||
|
DD11 |
К155ЛП4 |
1 |
||||
|
DD12 |
К561ТМ2 |
1 |
||||
|
DD13.. DD16 |
К555КП11 |
4 |
||||
|
Переключатели |
||||||
|
SA1 |
ПКН-41 |
1 |
||||
|
Предохранители |
||||||
|
FU1 |
0.5А |
1 |
||||
|
Разъемы |
||||||
|
X3 |
Панель SLC-32, 32pin |
1 |
||||
|
LPT-порт |
DB25-M, 25pin |
1 |
||||
|
Резисторы |
||||||
|
R1..R32 |
МЛТ-0.125 - 100К 10% |
32 |
||||
|
R33..R64 |
МЛТ-0.125 - 27К 10% |
32 |
||||
|
R65..R96 |
МЛТ-0.125 - 4.3К 10% |
32 |
||||
|
R97..R128 |
МЛТ-0.125 - 100К 10% |
32 |
||||
|
R129..R160 |
МЛТ-0.125 - 10К 10% |
32 |
||||
|
R161 |
МЛТ-0.125 - 390 10% |
1 |
||||
|
R162 |
МЛТ-0.125 - 270 10% |
1 |
||||
|
R163, R164 |
МЛТ-0.125 - 1К 10% |
2 |
||||
|
R165, R166 |
МЛТ-0.125 - 360К 10% |
2 |
||||
|
R167 |
МЛТ-0.125 - 10К 10% |
1 |
||||
|
Лист |
||||||
|
ППИ СПГТУ 2201.97.01 ПЭ1 |
2 |
|||||
|
Изм |
Лист |
N докум. |
Подп. |
Дата |
|
Поз. обоз-начение |
Наименование |
Кол |
Примечание |
|||
|
R168 |
МЛТ-0.125 - 100К 10% |
1 |
||||
|
R169, R170 |
МЛТ-0.125 - 10К 10% |
2 |
||||
|
R171 |
C5-16-0.125 - 0.1 1% |
1 |
||||
|
R172..R180 |
МЛТ-0.125 - 430 10% |
9 |
||||
|
R181..R194 |
МЛТ-0.125 - 10К 10% |
14 |
||||
|
R195 |
МЛТ-0.125 - 100К 10% |
1 |
||||
|
R196 |
МЛТ-0.125 - 910 10% |
1 |
||||
|
R197 |
МЛТ-0.125 - 1К 10% |
1 |
||||
|
R198 |
СП5-3ВА-0.5 - 4.7К 10% |
1 |
||||
|
R199 |
МЛТ-0.125 - 390 10% |
1 |
||||
|
R200 |
МЛТ-0.125 - 10К 10% |
1 |
||||
|
Транзисторы |
||||||
|
VT1.. VT32 |
КП303 |
32 |
||||
|
VT33.. VT64 |
КП301 |
32 |
||||
|
VT65.. VT97 |
КТ315Б |
33 |
||||
|
VT98 |
КТ815Б |
1 |
||||
|
VT99.. VT104 |
КТ814Б |
6 |
||||
|
VT105.. VT107 |
КТ815Б |
3 |
||||
|
VT108.. VT111 |
КТ361Б |
4 |
||||
|
VT112 |
КТ315Б |
1 |
||||
|
VT113 |
КТ361Б |
1 |
||||
|
VT114 |
КТ815Б |
1 |
||||
|
Трансформаторы |
||||||
|
T1 |
ТПП207-127/220-50 |
1 |
||||
|
Лист |
||||||
|
ППИ СПГТУ 2201.97.01 ПЭ1 |
3 |
|||||
|
Изм |
Лист |
N докум. |
Подп. |
Дата |
Основные параметры тестируемых микросхем.
а) ТТЛ микросхемы [3,4] (при U>пит.>=5в):
|
Параметр |
К155 |
К555 |
К531 |
КР1531 |
|
U1>вх. мин.>, В |
2 |
2 |
2 |
2 |
|
U0>вх. макс.>, В |
0.8 |
0.8 |
0.8 |
0.8 |
|
U0>вых. макс.>, В |
0.4 |
0.5 |
0.5 |
0.5 |
|
I0>вых. макс.>, мА |
16 |
8 |
20 |
|
|
U1>вых. мин.>, В |
2.4 |
2.7 |
2.7 |
2.7 |
|
I1>вых., макс.>, мА |
-0.8 |
-0.4 |
-1 |
|
|
I1>вых. макс. с ОК>, мкА |
250 |
100 |
250 |
|
|
I1>вых. макс. сост. >>Z>, мкА |
40 |
20 |
50 |
|
|
I0>вых. макс. сост. >>Z>, мкА |
-40 |
-20 |
-50 |
|
|
I1>вх. макс.>, мкА |
40 |
20 |
50 |
20 |
|
I0>вх. макс.>, мА |
-1.6 |
-0.4 |
-2.0 |
-0.6 |
|
I>к.з. макс.>, мА (U0>вых>=0) |
-(1855) |
-100 |
-100 |
-(60150) |
|
t>зд. Р.,> нс |
9 |
9.5 |
3 |
3 |
|
R>н>, кОм |
0.4 |
2 |
0.28 |
0.28 |
|
P>пот.>, мВт |
10 |
2 |
19 |
4 |
б) КМОП микросхемы [3,4] (при U>пит.>=10в):
|
Параметр |
К176 |
К561 |
КР1561 |
|
U1>вх. мин.>, В |
7 |
7 |
7 |
|
U0>вх. макс.>, В |
3 |
3 |
3 |
|
I>вх. макс.>, мкА |
0.1 |
0.2 |
0.3 |
|
U0>вых. макс.>, В |
0.3 |
2.9 |
1 |
|
I0>вых. макс.>, мА |
0.3 |
1.1 |
|
|
U1>вых. мин.>, В |
8.2 |
7.2 |
9 |
|
I1>вых. макс.>, мА |
0.3 |
-1.1 |
|
|
t>зд. Р.,> нс |
600 |
620 |
190 |
Описание и распайка LPT-порта (нормальный режим) [7].
|
Порт |
Бит |
Контакт разъема |
Описание |
|
378H |
0 1 2 3 4 5 6 7 |
2 3 4 5 6 7 8 9 |
используется для записи -“”- -“”- -“”- -“”- -“”- -“”- -“”- |
|
379H |
0-2 3 4 5 6 7 |
- 15 13 12 10 11 |
не используются используется для чтения -“”- -“”- -“”- -“”- |
|
37AH |
0 1 2 3 4-7 |
1 14 16 17 - |
используется для записи -“”- -“”- -“”- не используются |
Подпрограмма инициализации устройства.
INIT PROC NEAR ; начало подпрограммы инициализации
push ax ; Запоминаем значения регистров ax и dx
push dx
mov dx, 378h
mov al, 7Fh
out dx, al ; 7FH378H
mov dx, 37AH
mov al, 7
out dx, al ; 07H37AH
mov al, 0Fh
out dx, al ; 0FH37AH
mov dx, 378h
mov al, 0
out dx, al ; 00H378H
mov dx, 37AH
mov al, 5
out dx, al ; 05H37AH
mov al, 0Dh
out dx, al ; 0DH37AH
mov al, 6
out dx, al ; 06H37AH
mov al, 0Eh
out dx, al ; 0EH37AH
pop dx ; Восстанавливаем значения регистров
pop ax ; dx и ax
INIT ENDP ; конец подпрограммы инициализации
Подпрограмма тестирования микросхемы.
b_data db 02h ; Данные по коммутации
db 05h ; Макс. ток
dw 4 ; Число циклов тестирования
; Далее идут 32 байта данных:
dd 00000000000000000000000000000000b ; запись
dd 00000000010010010100100000000000b ; сверка
dd 00000000001001000001001000000000b ; запись
dd 00000000010010010100100000000000b ; сверка
dd 00000000000100100010010000000000b ; запись
dd 00000000010010010100100000000000b ; сверка
dd 00000000001101100011011000000000b ; запись
dd 00000000010000000000000000000000b ; сверка
TESTING PROC NEAR ; начало подпрограммы
; тестирования
push bx ; сохраняем регистры в стеке
push cx
push dx
mov bx, offset cs:b_data ; регистр BX - указатель
; на данные
mov al, cs:[bx] ; загрузка в AL данных по
; коммутации
mov ah, 7 ; выбор регистра коммутации (DD6)
call write_r ; запись AL в регистр коммутации
and al, 01000000B ; выделяем 6-й бит
; (тип микросхемы)
jnz kmop
mov al, 142 ; напряжение питания - +5в,
; если ТТЛ
jmp end_u
kmop: mov al, 255 ; напряжение питания - +9в,
; если КМОП
end_u: mov ah, 5 ; выбор регистра управления
; напряжением (DD7)
call write_r ; запись AL в регистр управления
; напряжением
inc bx ; ставим указатель на макс. ток
mov al, cs:[bx] ; загрузка в AL данных по току
add al, 7 ; коррекция данных по току на 7мА
mov al, 6 ; выбор регистра управления током
; (DD8)
call write_r ; запись AL в регистр управления
; током
inc bx ; ставим указатель на число
; циклов
mov cx, cs:[bx] ; загружаем число циклов в
; регистр CX
inc bx
cycle: mov dl,0 ; внешний цикл записи (по CX)
wr1: mov al, cs:[bx] ; внутренний цикл записи
; в 4 регистра (DD2-DD5)
call write_r ; по регистру DL
inc bx
inc dl
cmp dl, 4
jnz wr1
mov dl,0
rd1: mov ah, dl ; внутренний цикл чтения и
; сравнения данных, считанных из
call read_r ; 4-х мультиплексоров (DD13-DD16)
mov ah, cs:[bx] ; и указателя [BX];по регистру DL
cmp al, ah
jnz error
inc bx
inc dl
cmp dl, 4
jnz rd1
loop cycle
good: mov al, 0 ; выход из п/п с AX=0 в случае,
; если все OK
jmp exit
error: mov al, 0FFH ; выход из п/п с AX=0FFH в случае
; ошибки
exit: pop dx ; восстанавливаем регистры при
; выходе
pop cx
pop bx
TESTING ENDP
WRITE_R PROC NEAR
; процедура записи значения в регистры DD2-DD8
; Входные параметры: AL - записываемое значение
; AH - номер регистра
; (0-DD2, 1-DD3, 2-DD4, 3-DD5, 5-DD7, 6-DD8, 7-DD6)
push ax ; сохраняем используемые регистры
; в стеке
push dx
mov dx, 378H
not al ; инвертируем значение
out dx, al
mov dx, 37AH
mov al, ah
out dx, al
or al, 00001000b ; устанавливаем 3-й бит для
; записи в порт 37AH
out dx, al ; запись данных в регистр
pop dx ; восстанавливаем значения
; регистров из стека
pop ax
WRITE_R ENDP
READ_R PROC NEAR
; процедура чтения данных из мультиплексоров DD13-DD16
; Входные параметры: AH - номер мультиплексора
; (0-DD13, 1-DD14, 2-DD15, 3-DD16)
; Выходные параметры: AL - считанное значение
push cx ; сохраняем используемые регистры
; в стеке
push dx
mov dx, 37AH
mov al, ah
out dx, al ; выбираем мультиплексор записью
; AL в 37AH
mov al, 0 ; записываем 0 в регистр 378H для
; выбора для чтения
mov dx, 378H ; "младшей" половины
; мультиплексора
out dx, al
mov dx, 379H
in al, dx ; считываем данные "младшей"
; половины мультиплексора
mov ah, al ; сохраняем их в AH
mov al, 1 ; записываем 0 в регистр 378H для
; выбора для чтения "старшей"
mov dx, 378H ; половины мультиплексора
out dx, al
mov dx, 379H
in al, dx ; считываем данные "старшей"
; половины мультиплексора
; далее производим сборку считанных "половинок" из
; мультиплексоров по 4-е байта в 8 байт данных:
mov cl, 4
ror ah, cl ; сдвигаем данные в AH
; из 4-7 в 0-3 биты
and ah, 00001111b ; сбрасываем 4-7 биты в AH
and al, 11110000b ; сбрасываем 0-3 биты в AL
or al, ah ; логически суммируем AL и AH
not al ; инвертируем AL
pop dx ; восстанавливаем значения
; регистров из стека
pop cx
READ_R ENDP
2