Разработка схемы радиоприемника
Министерство образования и науки Российской Федерации
Государственное образовательное учреждение
высшего профессионального образования
«Оренбургский Государственный Университет»
КОЛЛЕДЖ ЭЛЕКТРОНИКИ И БИЗНЕСА
Кафедра электронной техники и физики
КУРСОВОЙ ПРОЕКТ
по дисциплине: «Радиотелевизионная аппаратура»
Разработка схемы радиоприемника
Пояснительная записка
КОГУ 201400.5405.19П3
Руководитель работы
_________В.Е. Качурин
«___» ________ 2005 г.
Исполнитель
Студент группы 20 Э-3 ________В.А.Сапрыкин
«___» ________ 2005 г.
Оренбург 2005г.
Министерство образования и науки Российской Федерации
Государственное образовательное учреждение
высшего профессионального образования
«Оренбургский Государственный Университет»
КОЛЛЕДЖ ЭЛЕКТРОНИКИ И БИЗНЕСА
Кафедра электронной техники и физики
Задание на курсовой проект
По дисциплине: «Радиоприемные устройства»
Разработать схему электрическую принципиальную, плату печатную радиоприёмника
Исходные данные:__УКВ приёмник на микросхемах КХА 058 ____________
_и TDA2030________________________________________
___________________________________________________
___________________________________________________
___________________________________________________
Дата выдачи задания «___» _____________________2005г.
Руководитель ________________________/ В.Е. Качурин /
Исполнитель
Студент гр. __20 Э 3_________________/ В.А.Сапрыкин /
Срок защиты работы «_29_» _апреля_____________2005г.
Содержание
Введение…………………………………………………………………………… 4
1Постановка задачи………………………………………………………………...11
2 Электрическая часть…………………………………………………………...…12
2.1 Разработка структурной схемы………………………………………………..12
2.2 Разработка отдельных узлов………………………………………………...…14
2.2.1 Входная цепь……………………………………………………………….....14
2.2.2 Усилитель радиочастоты…………………………………………………….16
2.2.3 Преобразователь частоты…………………………………………………....19
2.2.4 Усилитель промежуточной частоты……………………………………...…21
2.2.5 Детектор……………………………………………………………………....23
2.2.6 Блок настройки…………………………………………………………….....26
2.2.7 Усилитель низкой частоты………………………………………………......27
2.2.8 Выходное устройство……………………………………………………...…29
2.3 Описание работы схемы электрической принципиальной…………………..30
2.4 Характеристика элементной базы……………………………………………..31
2.5 Разработка платы печатной………………………………………………...….39
2.6 Методика настройки РПУ……………………………………………….…......41
Заключение……………………………………………………………………….....42
Список использованных источников………………………………………..…….43
Приложение А. Схема электрическая принципиальная радиоприёмника…………………………………………………………….…44
Приложение Б. Плата печатная радиоприёмника ………………………….…...45
Приложение В. Плата печатная усилителя …………..………………………......46
Введение
Радиосвязь,
электросвязь посредством радиоволн.
Для осуществления радиосвязи в пункте,
из которого ведётся передача сообщений
(радиопередача), размещают радиопередающее
устройство, содержащее радиопередатчик
и передающую антенну, а в пункте, в
котором ведётся приём сообщений
(радиоприём), - радиоприёмное устройство,
содержащее приёмную антенну и
радиоприёмник. Генерируемые в передатчике
гармонические колебания с несущей
частотой, принадлежащей какому-либо
диапазону радиочастот, подвергаются
модуляции в соответствии с передаваемым
сообщением. Модулированные радиочастотные
колебания представляют собой радиосигнал.
От передатчика радиосигнал поступает
в передающую антенну, посредством
которой в окружающем антенну пространстве
возбуждаются соответственно модулированные
электромагнитные волны. Распространяясь,
радиоволны достигают приёмной антенны
и возбуждают в ней электрические
колебания, которые поступают далее в
радиоприёмник. Принятый радиосигнал
очень слаб, так как в приёмную антенну
попадает лишь ничтожная часть излученной
энергии. Поэтому радиосигнал в
радиоприёмнике поступает в электронный
усилитель, после чего он подвергается
демодуляции, или детектированию; в
результате выделяется сигнал, аналогичный
сигналу, которым были модулированы
колебания с несущей частотой в
радиопередатчике. Далее этот сигнал,
обычно дополнительно усиленный,
преобразуется при помощи соответствующего
воспроизводящего устройства в сообщение,
адекватное исходному.
В месте приёма
на радиосигнал могут накладываться
электромагнитные колебания от посторонних
источников радиоизлучений, способные
помешать правильному воспроизведению
сообщения и называемые поэтому помехами
радиоприёму. Неблагоприятное влияние
на качество радиосвязи могут оказывать
также изменение во времени затухания
радиоволн на пути распространения от
передающей антенны к приёмной и
распространение радиоволн одновременно
по двум или нескольким траекториям
различной протяжённости; в последнем
случае электромагнитное поле в месте
приёма представляет собой сумму взаимно
смещенных во времени радиоволн,
интерференция которых также вызывает
искажения радиосигнала. Поэтому и эти
явления относят к категории помех
радиоприёму. Их влияние на приём
радиосигналов особенно велико при связи
на больших расстояниях. Широкое
распространение радиосвязи и использование
радиоволн в радиолокации, радионавигации
и др. областях техники потребовали
обеспечения одновременного функционирования
без недопустимых взаимных помех различных
систем и средств, использующих радиоволны,
- обеспечения их электромагнитной
совместимости.
Распространение
радиоволн в открытом пространстве
делает возможным в принципе приём
радиосигналов, передаваемых по линиям
радиосвязи, лицами, для которых они не
предназначены (радиоперехват,
радиоподслушивание); в этом - недостаток
радиосвязи по сравнению с электросвязью
по кабелям, радиоволноводам и другим
закрытым линиям. Тайна телефонных
переговоров и телеграфных сообщений,
предусматриваемая уставом связи СССР,
соответствующими правилами других
стран и международными соглашениями,
обеспечивается в необходимых случаях
применением автоматических средств
засекречивания радиосигналов, например
кодирование.
Попытки осуществить
радиосвязь предпринимал ещё Т. А. Эдисон
в 80-е гг. 19 в., до открытия в 1888 электромагнитных
волн Г. Герцем; хотя работы Эдисона не
имели практического успеха, они
способствовали появлению других работ,
направленных на реализацию идеи
беспроводной связи. Герцем был создан
искровой излучатель электромагнитных
волн, который, с последующими различными
усовершенствованиями, в течение
нескольких десятилетий оставался
наиболее распространённым в радиосвязи
видом радиопередатчика. Возможность и
основные принципы радиосвязи были
подробно описаны У. Круксом в 1892, но в
то время ещё не предвиделось скорой
реализации этих принципов. Развитие
радиосвязи началось после того, как в
1895 А. С. Поповым,а годом позже Г. Маркони
были созданы чувствительные приёмники,
вполне пригодные для осуществления
сигнализации без проводов, т. е. для
радиосвязи. Первая публичная демонстрация
Поповым работы созданной им радиоаппаратуры
и беспроводной передачи сигналов с её
помощью состоялась 7 мая 1895, что даёт
основание считать эту дату фактическим
днём появления Радиосвязи.
Приёмник
Попова не только оказался пригодным
для радиосвязи, но и с некоторыми
дополнительными узлами был впервые
успешно применен им в том же 1895 для
автоматической записи грозовых разрядов,
чем было положено начало радиометеорологии.
В странах Западной Европы и США была
развёрнута активная деятельность по
использованию радиосвязи в коммерческих
целях. Маркони в 1897 зарегистрировал в
Англии Компанию беспроводного
телеграфирования и сигнализации, в 1899
основал Американскую компанию беспроводной
и телеграфной связи, а в 1900 - Международную
компанию морской связи. В декабре 1901 им
была осуществлена радиотелеграфная
передача через Атлантический океан. В
1902 в Германии производство оборудования
для радиосвязи организовал А. Слаби
(совместно с Г. Арко), а также К. Ф. Браун.
Очевидное огромное значение радиосвязи
для военных флотов и для морского
транспорта, а также гуманистическая
роль радиосвязи (при спасании людей с
кораблей, потерпевших крушение)
стимулировали развитие её во всём мире.
На 1-й Международной административной
конференции в Берлине в 1906 с участием
представителей
29 стран были приняты регламент радиосвязи
и международная конвенция, вступившая
в силу с 1 июля 1908. В регламенте было
зафиксировано распределение радиочастот
между разными службами радиосвязи. Было
основано Бюро регистрации радиостанций
и установлен международный сигнал
бедствия SOS. На международной конференции
в Лондоне в 1912 было несколько изменено
распределение частот, уточнён регламент
и учреждены новые службы: радиомаячная,
передачи сводок погоды и передачи
сигналов точного времени. По решению
радиоконференции 1927 было запрещено
применение искровых радиопередатчиков,
создававших излучение в широком спектре
частот и препятствовавших тем самым
эффективному использованию радиочастот;
искровые передатчики были оставлены
только для передачи сигналов бедствия,
поскольку широкий спектр излучения
радиоволн увеличивает вероятность их
приёма. С 1915 до 50-х гг. аппаратура для
радиосвязи развивалась главным образом
на основе электронных ламп; затем были
внедрены транзисторы и др. полупроводниковые
приборы.
До 1920 г. в радиосвязь применялись
преимущественно волны длиной от сотен
метров до десятков километров. В 1922
радиолюбителями было открыто свойство
декаметровых (коротких) волн распространяться
на любые расстояния благодаря преломлению
в верхних слоях атмосферы и отражению
от них. Вскоре такие волны стали основным
средством осуществления дальней
радиосвязи. Для приёма передаваемых
сигналов, приходящих с больших расстояний,
служат чувствительные приёмники и
большие, сравнительно остронаправленные
антенные сооружения, занимающие большую
территорию, то есть антенное поле
(подобные же сооружения используются
и для излучения декаметровых волн). Для
ослабления радиопомех приёмное
оборудование размещается в стороне от
городов и вдали от радиопередатчиков,
на специальных приёмных радиоцентрах.
Радиопередающие устройства также
группируются - на передающих радиоцентрах.
Те и другие связаны с находящимся в
городе центральным телеграфом, откуда
поступают передаваемые и куда транслируются
принимаемые сигналы.
В 30-е гг. были
освоены метровые, а в 40-е - дециметровые
и сантиметровые волны, распространяющиеся
в основном прямолинейно, не огибая
земной поверхности (т. е. в пределах
прямой видимости), что ограничивает
прямую связь на этих волнах расстоянием
в 40-50 км. Поскольку ширина диапазонов
частот, соответствующих этим длинам
волн, - от 30 МГц до 30 ГГц - в 1000 раз превышает
ширину всех диапазонов частот ниже 30
МГц (волны длиннее 10 м), то они позволяют
передавать огромные потоки информации,
осуществляя многоканальную связь. В то
же время ограниченная дальность
распространения и возможность получения
острой направленности с антенной
несложной конструкции позволяют
использовать одни и те же длины волн во
множестве пунктов без взаимных помех.
Передача на значительные расстояния
достигается
применением многократной ретрансляции
в линиях радиорелейной связи или с
помощью спутников связи, находящихся
на большой высоте (около 40 тыс. км) над
Землёй. Позволяя вести на больших
расстояниях одновременно десятки тысяч
телефонных разговоров и передавать
десятки телевизионных программ.
Радиорелейная и спутниковая связь по
своим возможностям являются несравненно
более эффективными, чем обычная дальняя
радиосвязь на
декаметровых волнах, значимость которой
соответственно уменьшается (за ней,
например, остаётся роль полезного
резерва, а также роль средства связи на
направлениях с малыми потоками
информации).
При большой мощности
радиопередатчика (десятки кВт) радиосвязь
на метровых волнах в узкой полосе частот
(несколько кГц) возможна на расстояниях
~ 1000 км за счёт рассеяния волн в ионосфере.
Пользуются также отражением радиоволн
от ионизованных следов метеоров,
сгорающих в верхних слоях атмосферы,
но при этом передача информации идёт с
перерывами, что не позволяет осуществлять
телефонных переговоры.
Малая часть
энергии излучения на дециметровых и
сантиметровых волнах может также
распространяться за пределы горизонта
(на расстояния в сотни км.) благодаря
электрической неоднородности тропосферы.
Это позволяет при сравнительно большой
мощности передатчиков (порядка нескольких
кВт) строить линии радиорелейной связи
с расстоянием между промежуточными
станциями в 200-300 км и более.
Линии
радиосвязи используются для передачи
телефонных сообщений, телеграмм, потоков
цифровой информации и факсимиле, а также
и для передачи телевизионных программ
(обычно на метровых и более коротких
волнах). Развитие линий радиосвязи
планируется с учётом вхождения радиосвязи
в Единую автоматизированную систему
связи страны.
Организационно-технические
мероприятия и средства для установления
радиосвязи и обеспечения её систематического
функционирования образуют службы
радиосвязи, различаемые по назначению,
дальности действия, структуре и др.
признакам. В частности, существуют
службы: наземной и космической радиосвязи;
фиксированной (между определёнными
пунктами) и подвижной (между подвижной
и стационарной радиостанциями или между
подвижными радиостанциями); радиовещания
и телевидения.). Большое значение имеет
радиосвязь в вооружённых силах.
Цифровые методы обработки и передачи информации всё более широко внедряются в науку и технику, в том числе в системы и средства электросвязи. В течении уже многих лет ведутся работы по созданию системы цифрового радиовещания ЦРВ. Необходимость её разработки обуславливается возросшими требованиями к качеству звуковых программ, которое не может быть обеспечено с помощью аналоговых систем АМ и ЧМ вещания. Между тем, переход на цифровую систему, помимо создания современной технической базы, требует крупных затрат. Ведь её внедрение связано с полной заменой
парка находящихся сегодня в эксплуатации радиоприёмных средств. Причём, мощность и технологический уровень отечественной промышленности, призванной обеспечить решение этой задачи, должны быть адекватны требованиям рынка.
В настоящее время большинство радиолюбителей заинтересовано в развитии ЦРВ (цифрового радиовещания). Учитывая большой интерес радиолюбителей к затронутой проблеме, необходимо познакомить их с положением дел в областях ЦРВ – цифрового радиовещания и у нас в стране, и за рубежом.
Очевидно, что в настоящее время коренное революционное изменение системы радиовещания может быть связано только с использованием цифровых методов обработки сигнала. Во всех звеньях тракта вещания, в том числе и в эфирном звене. Помимо улучшения качества передачи и приёма сигнала, применение цифровых методов позволяет предоставить слушателям дополнительные услуги в виде различного рода сервисной информации, видового сопровождения звуковых программ в форме неподвижных изображений, мультипликаций, таблиц, графиков и т. д.
За последние 10-15 лет как в России, так и за рубежом проведены многочисленные исследования и оптимально проведены опытно-конструкторские работы, в ходе которых были созданы и испытаны несколько вариантов различных систем ЦРВ.
За рубежом наиболее интенсивные исследования по созданию новых систем ЦРВ велись во Франции, Германии, Нидерландах, США и Японии. В начале 1986 года состоялось заседание представителей немецкой, французской и нидерландской электронной промышленности и ряда исследовательских центров с целью подготовки Европейского проекта исследований и разработки в области ЦРВ. В том числе, в этом же году он был принят и утверждён на конференции министров связи и почт в Стокгольме и получил название «Проект Эврика-147». Реализовать проект планировалось в течение четырёх лет (1987-1991). Общая стоимость работ оценивалась предварительно в 55 млн. USD.
К настоящему времени «Проект Эврика-147» при значительном превышении стоимости работ завершён. Европейским институтом стандартизации систем телекоммуникаций принят официальный для Европы стандарт ETS 300401 на предусмотренную проектом систему ЦРВ, получившую название DAB.
Многочисленные испытания система DAB в различных странах Европы и Северной Америки подтвердили её хорошие качественные характеристики при высокой эффективности использования занимаемого её спектра и надёжности в работе.
Вместе с тем в ходе разработки отдельных вариантом систем ЦРВ выявились некоторые сложности, связанные с их организацией и внедрением.
Например, полный сигнал наземной системы ЦРВ Т-DАВ занимает полосу частот 1,5 МГц. Такая широкополосность сигнала Т-DAB обеспечивает высокие качественные характеристики, но создаёт значительные проблемы при её реализации. Дело в том, что наиболее пригодный для передачи сигналов системы T-DAB диапазон 30…1000 МГц занят сегодня важнейшими радиосистемами обороны, службой подвижных радиостанций, а также системами телевизионного и радиовещания. Так, например, в европейских странах 40% этого диапазона выделено телевизионным и радиовещательным станциям, 30% – системам связи обороны и около 20% – службе сухопутных подвижных радиостанций. Остальная часть поделена между навигационными, морскими, спутниковыми, радиоастрономическими и любительскими радиостанциями.
Таким образом, внедрение системы ЦРВ T-DAB возможно только за счёт интересов этих служб, причём, использование для неё частотных полос, занятых вещательными радиостанциями, приведёт, кроме того, к необходимости коренной перестройки организационной и экономической структуры звукового радиовещания.
Все эти обстоятельства заставили администрации и радиовещательные организации многих стран, и, в первую очередь, США, попытаться найти такой путь внедрения ЦРВ, который бы позволил не разрушать уже существующую систему радиовещания.
В итоге ещё в 1991 году ряд компаний США выступил с предложением разработать систему ЦРВ, способную работать совместно с существующей системой АМ и ЧМ. Первоначально появилась идея создания системы ЦРВ, использующей полосу соседнего с плановым аналоговым АМ и ЧМ радиовещательным каналом (система IBAC DAB). Позднее начали исследоваться системы, работа которых возможна в полосе совмещённого канала (система IBOC DAB), то есть одна и та же полоса частот использовались бы дважды: один раз – для передачи аналогового вещательного сигнала, а другой – для цифрового. К настоящему времени в США разработаны три системы IBOC DAB, предназначенные для работы в полосе ЧМ (88…108 МГц) и АМ-радиовещания.
В 1995 году специалисты радиосвязи США представили последние данные об основных параметрах полосных ЦРВ систем в совмещённом канале (IBOC DAB) и их сравнение с системой DAB.
Система ЦРВ АМ IBOC DAB, предназначенная для радиовещательных диапазонов, где традиционно используется амплитудная модуляция, гарантирует передачу стереопрограмм с качеством, близким к качеству звучания CD. При этом используется радиопередатчик с амплитудной модуляцией, и передача ведётся в одном канале с такой же аналоговой монофонической программой.
Для использования в диапазонах УКВ-ЧМ радиовещания в США
разработаны системы FM IBOC A и FM IBOC B. Система может работать в однополосном и двухполосном режимах передачи. Однополосный режим применяется в том случае, когда на соседнем канале работает близко расположенная аналоговая радиостанция. В двухполосном режиме цифровой сигнал передаётся в полосах 70 кГц с каждой стороны от несущей частоты аналогового радиопередатчика, а в однополосном – в полосе 80 кГц. Уровень цифрового сигнала на 14 дБ ниже уровня аналогового, и спектр его частот отдалён от несущей частоты аналогового передатчика более чем на 100 кГц.
По некоторым прогнозам, в недалёком будущем внедрение ЦРВ создаст огромный мировой рынок бытовой приёмной аппаратуры, который потребует 2000 миллионов стационарных, портативных и автомобильных приёмников (500 миллионов приёмников только для Европы).
К сожалению, наша страна заметно отстала в развитии цифрового радиовещания от стран Запада. Но в настоящее время в России ведутся работы по усовершенствованию аналогового радиовещания.
К представителям аналогового радиовещания можно отнести двухдиапазонный переносной УКВ ЧМ приёмник на аналоговой микросхеме КХА 058, который я представил в данном курсовом проекте.
1 Постановка задачи
В данном курсовом проекте необходимо разработать схему электрическую принципиальную двухдиапазонного переносного УКВ приёмника на двух интегральных микросхемах.
Также необходимо разработать печатную плату и рассмотреть принципы настройки приёмника. Описание его работы и методика выбора отдельных функциональных узлов.
Двухдиапазонный переносной УКВ приёмник должен обладать следующими техническими характеристиками:
- Диапазон принимаемых частот:
- УКВ 1, МГц. 65,8…74;
- УКВ 2, МГц. 88…108;
- Реальная чувствительность, мкВ. 10;
- Селективность по зеркальному каналу, дБ. 40;
- Максимальная выходная мощность УЗЧ, Вт. 2;
- Диапазон частот, воспроизводимых УЗЧ, Гц. 63…20000;
- Напряжение питания, В. 9;
- Потребляемый ток при средней громкости, мА. 50;
2 Электрическая часть
2.1 Разработка структурной схемы
Для реализации поставленной задачи курсового проекта мною предложена следующая структурная схема супергетеродинного УКВ приёмника, которая содержит в себе следующие блоки (рисунок 1).

Рисунок 1 – Структурная схема супергетеродинного УКВ приёмника.
ВЦ – входная цепь
УРЧ – усилитель радиочастоты
ПЧ – Преобразователь частоты
С – Смеситель
Г – Гетеродин
УПЧ – усилитель промежуточной частоты
Д – детектор
БН – блок настройки
УНЧ – Усилитель низкой частоты
ВУ – воспроизводящее устройство
БП – Блок питания
Входная цепь предназначена для выделения заданного сигнала высокой частоты из всех сигналов, поступающих из антенны, при этом заметно ослабляются сигналы других станций и различных помех. Во входной цепи осуществляется предварительная начальная избирательность приёмника.
Усилитель радиочастоты производит усиление выделенного колебания высокой частоты и ослабление других сигналов и помех. То есть, усилитель радиочастоты обеспечивает избирательность приёмника. Усилитель радиочастоты должен обеспечить оптимальный уровень сигнала для детектора.
Преобразователь частоты предназначен для преобразования сигнала высокой частоты, усиленного усилителем радиочастоты в колебания промежуточной частоты. Для преобразования частоты требуется вспомогательное напряжение. Для получения этого напряжения используется маломощный генератор гармонических колебаний – гетеродин, который является составной частью преобразователя частоты. При совместном действии напряжения сигнала и напряжения гетеродина в смесителе образуется сложное колебание – биение, из которого контуру выделяется разностная частота.
Усилитель промежуточной частоты производит усиление разностной частоты, преобразованной преобразователем частоты, при этом увеличивается чувствительность и избирательность.
Детектор осуществляет преобразование выделенных модулированных колебаний в низкочастотный сигнал.
Блок настройки предназначен для подстройки опорной частоты гетеродина, тем самым, осуществляя настройку на нужную частоту диапазона.
Усилитель низкой частоты необходим для усиления по мощности сигнала для лучшей работы воспроизводящего устройства, при этом усилитель низкой частоты не должен искажать формы сигнала, если это специально не предусмотрено.
Воспроизводящее устройство предназначено для воспроизведения сигнала звуковой частоты, усиленного усилителем низкой частоты.
2.2 Разработка отдельных узлов
2.2.1 Входная цепь
Антенна – это неотъемлемая часть радиоприёмного устройства, предназначенная для приёма радиоволн путём преобразования колебаний электромагнитного поля в токи высокой частоты. Она оказывает значительное влияние на свойства входной цепи. Существует множество типов приёмных антенн, которые зависят от назначения приёмника и того диапазона волн, в котором он работает. Геометрические размеры антенны связаны с длиной волны, которую принимает приёмник. Для эффективной работы необходимо, чтобы её размеры были соизмеримы с половиной или, хотя бы, с чётвертью длины волны.
Так как разрабатываемый мною приёмник работает в диапазоне ультракоротких волн, то я посчитал целесообразным применить в приёмнике одноштыревую телескопическую антенну. Основное преимущество такой антенны – простота конструкции.
На рисунках 2 и 3 приведены схемы входных цепей с штыревой антенны.

Рисунок 2 – Входная цепь с штыревой антенной
Для разрабатываемого мною радиоприёмного устройства я применил схему входной цепи, которая состоит из самой антенны и конденсатора, который одновременно является и конденсатором связи с УРЧ (рисунок 2). Для уменьшения влияния антенны на контур, конденсатор связи выбирают достаточно малым (единицы-десятки пФ).

Рисунок 3 – Схема входной цепи при автотрансформаторной связи
На рисунке 3 показана схема входной цепи при автотрансформаторной связи антенны с контуром.
Автотрансформаторное включение позволяет эффективно осуществить согласование антенны со входом первого каскада.
В схеме входной цепи присутствует варикапная сборка, к центральному выводу которой через резистор R1 поступает сигнал с ПЧ, при помощи которого производится начальная подстройка ВЦ на заданную частоту, в результате чего улучшаются свойства ВЦ и приёмника в целом.
Преимуществом автотрансформаторной связи является малая зависимость коэффициента передачи от частоты.
2.2.2Усилитель радиочастоты
Усилитель радиочастоты – это устройство, предназначенное для усиления сигналов по напряжению или по мощности на несущей частоте без существенных изменений спектра принимаемых сигналов.
Различают резонансные усилители радиочастоты, в которых в качестве нагрузки служат одиночные или связанные системы контуров, и апериодические, нагрузкой которых являются резисторы.
Также бывают УРЧ однокаскадные и многокаскадные. Мой УРЧ собран по однокаскадной схеме на одном транзисторе, включённом по схеме с общим эмиттером. Что приводит к более упрощённой схеме по сравнению с многокаскадными, это не приводит к сильным изменениям основных параметров усилителя.
Благодаря своеобразному включению резистора R1, который играет роль обратной связи, производится автоматическая регулировка усиления в моём УРЧ (рисунок 4). Конденсатор С2 – разделительный, исключает прохождение постоянной составляющей в последующие каскады.

Рисунок 4 – Однокаскадный транзисторный усилитель, схема с общим эмиттером.
Схемы с общим эмиттером обладают следующими достоинствами:
Большое входное сопротивление и малое выходное. Это позволяет создавать многокаскадные УРЧ, так как не шунтируется сопротивление нагрузки предыдущего каскада из-за большого входного сопротивления УРЧ.
Схемы обладают большими значениями коэффициента усиления по напряжению и по току.
Существенным недостатком схем УРЧ с общим эмиттером является то, что они имеют ограниченное действие по частоте, так как возникновение паразитных связей приводит к самовозбуждению.
Различают также УРЧ, включённые по схеме с общей базой (рисунок 5).

Рисунок 5 – Однокаскадный транзисторный усилитель, схема с общей базой.
Схема с общей базой используется в основном в усилителях высокой частоты. Эта схема УРЧ имеет достаточно высокую граничную частоту.
Но, в отличие от УРЧ, собранного по схеме с общим эмиттером, такая схема не позволяет использовать большое сопротивление нагрузки в предыдущем каскаде, так как входное сопротивление данного каскада включено параллельно сопротивлению нагрузки предыдущего и оказывает на него шунтирующее влияние. Это является существенным недостатком УРЧ с общей базой.
Существуют также каскадные схемы УРЧ, в которых сочетаются произвольные включения схем с общей базой и общим эмиттером (рисунок 6).

Рисунок 6 – Сочетание схем транзисторных усилителей, включенных по схеме с общей базой и с общим эмиттером.
Сочетание различных схем включения транзисторов в одном каскаде УРЧ улучшает его характеристика.
Транзистор VT1 включён по схеме с общим эмиттером, VT2 – с общей базой. Преимуществом такой схемы УРЧ является то, что она применяется во всех диапазонах, включая УКВ.
Преобразователь частоты
Преобразование сигналов радиочастот в сигнал промежуточной частоты осуществляется в частотно-преобразовательных каскадах ПЗВ. Для преобразования используется нелинейность ВАХ, преобразующих элементов (ПЭ), в качестве которых обычно используются полупроводниковые диоды и транзисторы. Для получения сигнала промежуточной частоты (ПЧ), помимо напряжения сигнала, к ПЭ необходимо подвести напряжение от гетеродина с частотой, отличающейся от частоты сигнала на значение ПЧ. Напряжение гетеродина для преобразования сигнала с малыми искажениями должно превышать уровень самого большого из принимаемых сигналов. От правильного выбора режима ПЭ зависят такие характеристики приёмника, как чувствительность, селективность, искажения сигнала. Преобразователи по типу применённого преобразующего элемента делятся на пассивные и активные, а по способу получения напряжения гетеродина – на преобразователи с отдельным гетеродином (смесители частот) и с совмещённым гетеродином (генерирующие преобразователи).

Рисунок 7 – Преобразователь частоты.
Преобразователь частоты, схема которого приведена на рисунке 7, обладает повышенной линейностью для напряжения сигнала примерно в 15 раз. Для переменного тока входного сигнала, транзистор VT1 включён по схеме ОК, а транзистор VT2 – по схеме ОБ. Нелинейность проходной характеристики первого транзистора компенсируется нелинейным входным сопротивлением второго для сигналов с уровнем примерно до 50 мВ. Для переменного напряжения гетеродина оба транзистора включены дифференциально. Максимальный коэффициент преобразования в таком преобразователе получается при балансе дифференциального усилителя, то есть тогда, когда токи коллекторов обоих транзисторов равны. При перераспределении токов между транзисторами в сторону увеличения тока коллектора одного из них, коэффициент передачи уменьшается и при разности напряжений между базами дифференциальной пары около 200 мВ, уменьшается в 1000…2000 раз (60…66 дБ) по сравнению с максимальным. Это обстоятельство позволяет применять такой преобразователь в качестве единственного регулируемого цепью АРУ каскада в приёмнике.
В рассматриваемом УКВ приёмнике преобразователь частоты входит в состав КХА 058.
Так как преобразователь частоты выполнен на аналоговой микросхеме, то он обладает рядом преимуществ по сравнению с диодными и транзисторными преобразователями частоты:
Увеличивается быстродействие работы ПЧ и приёмника в целом
Уменьшается масса, габариты и энергопотребление
В ПЧ на микросхеме отсутствуют дополнительные подстройки
Усилитель промежуточной частоты
Особенность усилителей промежуточной частоты заключается в необходимости получения значительного усиления по напряжению, что трудно осуществить в одном каскаде. По этой причине УПЧ состоят из двух, трёх и более каскадов усиления. Наибольшим допустимым коэффициентом усиления обладает каскадный усилитель, особенно на ПЧ, характерных для трактов ЧМ сигналов. При применении его в тракте усиления АМ сигналов в простых ПЗВ часто можно обойтись и одним каскадом ПЧ.
Между каскадами применяют различные способы связи. В радиовещательных приёмниках в основном индуктивная трансформаторная. В профессиональных – комбинированная.
Основные назначения усилителя промежуточной частоты:
Основное усиление
Избирательность по соседнему каналу
Должен обеспечить прохождение заданной полосы частот, по этой причине УПЧ в диапазонах УКВ – широкополосные усилители.
Наиболее часто применяют широкополосные УПЧ, рассчитанные для усиления ЧМ сигналов ПЧ, требуют введения в них до пяти каскадов. При применении широкополосных УПЧ следует учитывать возможность проникновения на их вход напряжения гетеродина, которое может привести к снижению усиления вследствие срабатывания цепи АРУ, или даже вызвать релаксационные колебания в УПЧ. Поэтому необходимо тщательно экранировать входные цепи широкополосных УПЧ от цепей гетеродина.
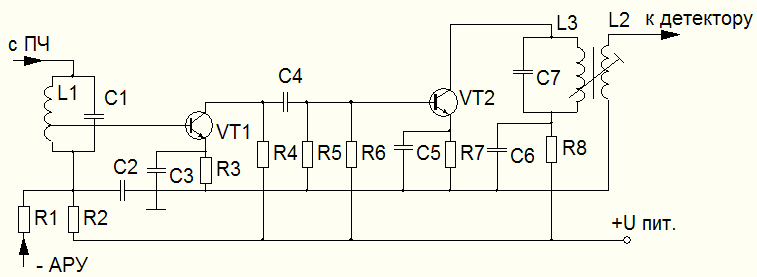
Являясь широкополосными, такие УПЧ одновременно усиливают и широкий спектр шумов транзисторов первого каскада, поэтому перед детекторным каскадом целесообразно включить фильтр, уменьшающий шумовую полосу пропускания. Как это, например, сделано в широко распространённой в промышленных приёмниках третьей группы сложности схеме УПЧ, приведённой на рисунке 8. контур L2 C6 изменяет полосу пропускания УПЧ до 80…40 кГц, что достаточно для снижения уровня шума апериодического УПЧ допустимого предела.
Кроме комбинаций различных схем включения транзисторов одного типа проводимости, можно сочетать транзисторы с разным типом проводимости, что приводит также к новым качественным характеристикам каскадов УПЧ.

Рисунок 8 – Широкополосный усилитель промежуточной частоты.
В радиовещательных приёмниках распространение получили усилители промежуточной частоты на аналоговых интегральных микросхемах серий К218, К228, К237, К174, К224, а также на микросхеме КХА 058, как в рассматриваемом приёмнике.
Благодаря применению микросхемы КХА 058, уменьшились габариты, масса и энергопотребление приёмника; повысилась надёжность, так как сократилось число тайных соединений и заметно улучшились параметры УПЧ.
Детектор
Детектированием называется процесс преобразования входных модулированных колебаний в колебания, модулирующего сигнала.
В зависимости от вида модуляции соответственно различают амплитудное, частотное и фазовое детектирование. Схемы, осуществляющие детектирование, называют детекторами. Детекторы обязательно применяются в приёмниках различного назначения, а также широко применяются в средствах измерения, в системах АРУ, АПЧГ и др.
Для приёма амплитудно-модулированных колебаний необходим амплитудный детектор. Чаще всего применяются амплитудные детекторы на полупроводниковых диодах. Схемы на полупроводниковых диодах бывают параллельными и последовательными.
Схема параллельного детектора на диоде показана на рисунке 9.

Рисунок 9 – Параллельный детектор на диоде.
Параллельно схеме на нагрузку действует напряжение с диода, которое будет достаточно большим, когда диод закрыт.
Эта схема называется схемой с закрытым входом, применяется она в том случае, когда необходимо исключить попадание постоянной составляющей тока в детектор.
В параллельной схеме обязателен фильтр низкой частоты на выходе (С4).
Помимо диодных детекторов, существуют и детекторы на полевых и биполярных транзисторах.
Транзисторные детекторы обладают рядом особенностей:
Больший коэффициент передачи напряжения по сравнению с диодными детекторами
Большее входное сопротивление, это значит, меньше детектор шунтирует контур УПЧ
Меньшие линейные искажения
Выше коэффициент собственных шумов
Усложняется схема и необходим источник питания
Помимо амплитудных детекторов, существуют и частотные детекторы на транзисторах.
Для детектирования частотно-модулированных сигналов широкое распространение получили фазовые квадратурные частотные детекторы. На рисунке 10 приведена упрощённая схема такого детектора. Основу частотного детектора в этой схеме составляет двойной балансный транзисторный фазовый детектор. При наличии перед ним ограничителя напряжения на выходе детектора зависит только от фазовых соотношений между напряжениями сигналов, подводимых к входам фазового детектора. Это осуществляется с помощью фазовращателя, роль которого играет контур L1 C3 и конденсаторы С1 и С2. линейный участок характеристики детектора зависит от добротности контура. В данной схеме используются схемы дифференциальных усилителей.

Рисунок 10 – Упрощённая схема транзисторного детектора.
Кроме диодных и транзисторных детекторов, существуют детекторы, которые входят в состав аналоговых интегральных микросхем, как в моём приёмнике, в котором детектор выполнен на микросхеме КХА 058.
Такие детекторы обладают рядом преимуществ:
Практически отсутствуют потери полезного сигнала;
Значительно больше быстродействие детектора;
3. Отсутствуют паразитные наводки, так как все пассивные и активные элементы входят в состав ИМС;
Достоинствами детекторов АМ и ЧМ сигналов на активных элементах являются: температурная стабильность; значительно большой коэффициент передачи; меньший уровень нелинейных искажений.
Блок настройки
Блок настройки – это каскад радиоприёмника, в котором осуществляется выбор желаемого диапазона и настройка на заданную радиостанцию.
В представленном УКВ приёмнике используется классический вариант электронного узла настройки, схема которого изображена на рисунке 11.

Рисунок 11 – Электронный узел настройки.
Желаемый диапазон выбирается переключателем SA1, коммутирующим катушки L1 и L2. С помощью R2 осуществляется настройка на заданную радиостанцию. При перемещении движка резистора R2 изменяется уровень напряжения на варикапе VD1, тем самым изменяется частота гетеродина Fг. Из формулы: Fпр=Fг – Fс, где Fпр – частота промежуточная, Fс – частота сигнала, видно что при изменении Fг (при Fпр=const) Fc также изменяется, то есть производится настройка на радиостанцию.
Существуют также другие способы настройки: фиксированные, ступенчатые и т.д., но они, как правило, не обеспечивают должного уровня и качества настройки, как вышепоказанная схема.
Усилитель низкой частоты
Усилитель низкой частоты (УНЧ) или усилитель мощности (УМ) – это устройство, которое предназначено для усиления входного сигнала звуковой частоты по мощности для оптимальной работы выходного устройства. В зависимости от элементной базы УНЧ бывают транзисторными, ламповыми и на интегральных микросхемах.
В своём радиоприёмнике я применил УНЧ на интегральной микросхеме TDA2030, схема которого показана на рисунке 12.

Рисунок 12 – Стерео усилитель на двух микросхемах TDA2030.
Операционный усилитель обладает гигантским коэффициентом усиления, поэтому здесь применяется отрицательная обратная связь. Она несколько уменьшает коэффициент усиления, но заметно улучшает качество усиливаемых сигналов.
Также применяются усилители на биполярных транзисторах. Как правило, они имеют большие габариты, гораздо меньший коэффициент усиления и в отличие от усилителей на интегральных микросхемах после сборки требуют ещё и настройки. Преимущество транзисторов заключается в том, что им можно задать три режима работы:
1 режим насыщения;
2 режим отсечки;
3 режим усиления (реагирует на любое напряжение на входе).
Один из простейших усилителей на биполярном транзисторе, включенный по схеме с общим коллектором, представлен на рисунке 13

Рисунок 13 – Усилитель на базе биполярного транзистора включенный по схеме с общим коллектором.
В данном усилителе резисторами R1 и R2 устанавливают режим работы, а конденсатор Cр является разделительным по постоянному току.
Воспроизводящее устройство
Выходное устройство служит для преобразования энергии переменного тока в энергию звуковых волн. Для получения мощных звуковых колебаний используются громкоговорители, которые должны равномерно воспроизводить звуки различной частоты.
Данным преобразователем может является диффузорная электродинамическая головка состоящая из:
- корпуса;
- постоянного магнита;
- катушки с проводом малого сечения;
- диффузора.
В роли постоянного магнита может выступать электромагнит, а также комбинация постоянного магнита и электромагнита. Диффузор может быть изготовлен из плотной бумаги или различного рода синтетических материалов, например, пластик. Причём диффузоры изготовленные из синтетических материалов имеют более высокую износостойкость и качество воспроизведения.
При этом динамические головки могут различаться по сопротивлению катушки. Наиболее используемые катушки имеют сопротивление: 2 Ом, 4 Ом, 8 Ом, 16 Ом и 32 Ом.
Также используются пьезоэлектрические динамические головки, которые отличаются более высоким импедансом. Динамические головки данного вида работают на принципе изменения линейных размеров пьезоэлектрической пластины, при изменении в нём электрического поля.
В данном случае, в моём УКВ приёмнике в качестве выходного устройства служит диффузорный электродинамический громкоговоритель – динамик с максимальной мощностью 20 Вт, сопротивлением 4 Ом. Она имеет не очень большие габариты, массу и воспроизводит широкий диапазон частот.
Описание работы схемы электрической принципиальной
Принципиальная схема приёмника приведена в приложении А. Сигнал, принятый антенной, поступает на усилитель радиочастоты, выполненный на транзисторе VT1, и далее через разделительный конденсатор С2 – на 8 вывод микросхемы КХА 058 (DA1), в состав которой входят преобразователь частоты, усилитель промежуточной частоты и детектор.
Цепь L1, L2, C4, VD1, R9, C6, R13 представляет собой классический вариант электронного узла настройки. Желаемый диапазон выбирается переключателем SA1, коммутирующим катушки L1, L2. Все необходимые преобразования ЧМ сигнала происходят внутри микросхемы DA1. продетектированный низкочастотный сигнал с вывода 15 DA1 поступает на эмиттерный повторитель на транзисторе VT2, а с его нагрузочного резистора R14 – на вход микросхемы DA2, выполняющей функции усилителя звуковой частоты. Две микросхемы TDA2030 позволяют на выходе получить два канала воспроизведения. Громкость регулирует резистор R15.
Диод VD2 играет роль защиты в случае, если перепутана полярность питающего напряжения. Конденсаторы С9, С12 образуют фильтр по питанию.
Характеристика элементной базы
КХА058 - микросхема, предназначенная для работы в приёмном тракте ЧМ радиоприёмника. При включении по типовой схеме с навесными компонентами, она способна реализовать усиление, преобразование, демодуляцию ВЧ сигналов и предварительное усиление напряжения звуковой частоты.
Масса прибора – не более 3 грамм.

Рисунок 15 – Микросхема КХА 058.
Эксплуатационные данные:
U>пит. ном.>, В. ………………………………………………………. 6..12;
U>вх. огр.>, мкВ, не более ……………………………………………... 45;
U>вых.>, мВ, не менее ……………………………………………….. 180;
I>потреб.>, мА, не более ……………………………………………….. 30;
U>вх.РЧ>, мВ, не более …………………………………………………. 3;
U>пит. >>max>, В ………………………………………………………….. 16;
K>ослаб. АМ>, дБ, не менее …………………………………………….. 30;
Отношение сигнал/шум, дБ, не менее …………………………... 40;
K>гармоник>, %, не более ……………………………………………... 2,5;
Частотный интервал U>вх.РЧ>, МГц …………………………... 1,5..110;
Температура окружающей среды, С ……………………… 25..+85.
Назначение выводов:
Вывод 1 – Подключение контура гетеродина;
Вывод 2 – Подключение контура гетеродина;
Вывод 3 – Подключение контура гетеродина;
Вывод 4 – Подключение контура гетеродина;
Вывод 5 – Плюсовой вывод питания (+6…8 В);
Вывод 7 – Подключение резистора обратной связи, который определяет коэффициент усиления;
Вывод 8 – Вход сигнала РЧ;
Вывод 9 – Подключение резистора обратной связи, который определяет коэффициент усиления;
Вывод 11 – Минусовый вывод питания;
Вывод 12 – Минусовый вывод питания;
Вывод 13 – Минусовый вывод питания;
Вывод 14 – Минусовый вывод питания;
Вывод 15 – Подключение индикатора уровня несущей;
Вывод 18 – Плюсовой вывод питания (+9…12 В).
TDA2030 - микросхема предназначена для работы в низкочастотных трактах усиления. При включении по типовой схеме она способна реализовать оконечное усиление сигнала звуковой частоты.
Масса прибора – не более 3 грамм.

Рисунок 16. Микросхема TDA2030
Эксплуатационные данные:
Выходная мощность /максимальная/, Вт. …………………… 2х20;
Диапазон воспроизводимых частот, Гц. …...………..… 20 – 30000;
Неравномерность частотной характеристики, Дб. ………….…. ±3;
Входное сопротивление, Ком. ………...…………………..…… 150;
Чувствительность, мВ. …………………………………………… 50;
Сопротивление нагрузки, В. ………………………………..…. 2 – 4;
Напряжение питания /однополярное/, В. …………………… 5 – 25;
Площадь радиатора – теплоотвода, см2. ……………………..… 300.
Назначение выводов:
Вывод 1 – подключение источника сигнала;
Вывод 2 – подключение обратной связи;
Вывод 3 – минусовой вывод питания;
Вывод 4 – подключение динамической головки;
Вывод 5 – плюсовой вывод питания.
КВ109Г - варикап кремниевый, эпитаксиально-планарный, подстроечный. Предназначен для применения в схемах подстройки частоты резонансных усилителей. Маркируется точкой у положительного вывода, выпускается в пластмассовом корпусе с гибкими ленточными выводами. Масса варикапа – 0,06 грамма.

Рисунок 19 – Варикап КВ109Г.
Эксплуатационные данные:
1. Собщ., при F=1 МГц, Uобр.=3 В, пФ ………………………….. 8…17;
2. Кперекл. по С, при Uобр=3…25 В, F=1..10 МГц …………………... 4;
3. Ктемп. С, при Uобр.=3 В, 1/С …………………………...…. (53)10-4
4. Q, при Uобр.=3В, F=50 МГц, не менее …………………………… 160;
5. Iобр.пост., при Uобр.=25 В, мкА, не более ……………………….. 0,5;
6. Lвыводов, нГн, не более ……………………………………………... 4;
7. Uобр.пост.max, В ……………………………………………………. 25;
8. Pрассеив., при Tк+50С, мВт ………………………………………. 5;
9. Температура окружающей среды, С ……………………… -40…+85;
КД521А - диод кремниевый, эпитаксиально-планарный, импульсный. Предназначен для применения в импульсных устройствах. Выпускается в стеклянном корпусе с гибкими выводами. Для обозначения типа и полярности диода используется условная маркировка – одна широкая и две узкие синие полоски на корпусе со стороны положительного (анодного) вывода. Масса диода – не более 0,15 грамма.

Рисунок 20 – Диод КД521А.
Предельные электрические параметры:
1. Uобр.пост.max, В. …………………………………………………. 754;
2. Uобр.имп.max, при t>U>2 мкС, Q10, В. …………………………… 80;
3. Iпр.пост., при T=-60…+50C, мА ………………………………….. 50;
при T=+125C, мА ………………………………………. 20;
4. Iпр.имп., при t>U>10мкС, T=-60…+50C ………………………….. 500;
при T=+125C ………………………………. 200;
5. Аварийная перегрузка по Iпр., в течении не более 5 мин.,
при Т=-60…+50C, мА ……………………………………………. 200;
6. Температура окружающей среды, C …………………….. -60…+125.
КТ315Б - транзистор кремниевый эпитаксиально-планарный структуры p-N-p, усилительный. Предназначен для применения в усилителях высокой частоты, промежуточной и низкой частоты. Выпускается в пластмассовом корпусе с гибкими выводами. Тип прибора указывается в этикетке, а также на корпусе прибора в виде соответствующего типономинала. Масса транзистора не более 0,18 грамма.

Рисунок 21 – Транзистор КТ315Б.
Предельные электрические параметры:
1. Uкэ max, при Rбэ=10 кОм, В. ………………………………………. 20;
2. Uбэmax, В. …………………………………………………………….. 6;
3. Iк max, мА ………………………………………………………….. 100;
4. Pк, при T+25С, мВт ……………………………………………… 150;
5. Тепловое R переход-среда, С/мВт ………………………………. 0,67;
6. Температура p-n перехода, С …………………………………… +120;
7. Температура окружающей среды, С ……………………... -60…+100.
КТ368Б - транзистор кремниевый эпитаксиально-планарный структуры n-P-n, усилительный. Предназначен для использования во входных и последующих каскадах усилителей высокой частоты. Выпускается в пластмассовом корпусе с гибкими выводами. Маркируется одной белой точкой с верхней стороны корпуса. Масса транзистора не более 0,5 грамма.

Рисунок 24 – Транзистор КТ368БМ.
Предельные электрические параметры:
1. Uкб пост.max, В ……………………………………………………... 15;
2. Uкб имп.max, при tu=0,5 мС, Q=2, В ……………………………… 20;
3. Uкэ пост.max, при Rбэ=3 кОм, В …………………………………... 15;
4. Uкэ имп.max, при Rбэ=3 кОм, tu=0,5 мС, Q=2, В ………………… 20;
5. Uэб пост.max, В ………………………………………………………. 4;
6. Iк пост.max и Iэ пост.max, мА ……………………………………… 30;
7. Iк имп.max и Iэ имп.max, при tu=0,5 мС, Q=2, мА ………………... 60;
8. Pк пост.max, при T=+65С, мВт …………………………………... 225;
при T=+130С, мВт …………………………………. 130;
9. Температура p-n перехода, С …………………………………… +150;
10. Температура окружающей среды, С ……………………. -60…+100.
Разработка платы печатной
Приступая к разводке топологии печатных проводников необходимо учитывать реальные габариты деталей. Удобнее это делать на миллиметровой бумаге, но можно взять и обычный лист в клетку. Рисуем контуры платы, габариты которой будут определяться с учётом размещения её в каком-то готовом корпусе.
Разводку топологии платы выполняют карандашом, отмечая места отверстий для выводов радиоэлементов и пунктиром контуры самих элементов. Линии соединения элементов выполняются в соответствии с электрической схемой по кратчайшему пути при минимальной длине соединительных проводников. Хотя при наличие персонального ЭВМ топологию печатной платы можно разработать в программе Sprint Layout 4.0 rus.
После этого необходимо приступить к изготовлению платы. Для этого из фольгированного стеклотекстолита вырезается заготовка печатной платы (ножовкой, резаком или ножницами по металлу). К заготовке закрепляем рисунок топологии (например, липкой лентой ). По рисунку с помощью керна или шила намечаются отверстия для выводов радиоэлементов и крепления платы.
Сверлим отверстия, сняв бумагу, сверлом диаметром 0,6…1 мм для радиоэлементов и 3…3,5 мм – для крепления платы.
После сверления мелкой наждачной шкуркой (нулёвкой) слегка зачищаем фольгу, чтобы снять заусенцы и окисную плёнку – это ускоряет процесс травления.
Перед нанесением рисунка топологии плату нужно обезжирить техническим спиртом или ацетоном (протерев поверхность моечной тряпкой), подойдут и другие растворители.
Для выполнения рисунка проводников используется любой быстро сохнущий лак, например, цапонлак, лак для ногтей или мебельный. Очень удобно рисовать печатные соединения тонким водостойким маркером.
Для нанесения рисунка можно воспользоваться тремя методами:
Берётся рейсфедер или перо (или маркер) и рисуются проводники от отверстия к отверстию в соответствии с рисунком топологии
Покрывается лаком вся поверхность платы. А после его подсыхании счищаются лишние участки лака при помощи скальпеля и линейки, оставляя закрашенными только токопроводящие дорожки.
3. Выполненную в программе Sprint Layout 4.0 rus. и распечатанный на принтере рисунок печатной платы крепят на обработанный стеклотекстолит и проглаживают хорошо прогретым утюгом до полного прилипания листа бумаги к стеклотекстолиту. Далее поместить стеклотекстолит в тёплую воду до полного размокания бумаги. После удаления бумаги на стеклотекстолите остаются дорожки печатной платы.
После нанесения рисунка, когда лак подсохнет, топологию проводников можно перетушировать и скорректировать, аккуратно соскоблив скальпелем лишние участки лака. Затем плату помещаем в пластмассовую ванночку с раствором для травления.
В качестве раствора можно использовать хлорное железо или разбавленную азотную кислоту (70% - питьевой воды, 30% - концентрированной азотной кислоты). Весь процесс травления займёт около часа, но если нужно его ускорить, то раствор должен быть слегка тёплым и при травлении иногда его необходимо помешивать.
После окончания травления заготовку промывают под струёй воды и скальпелем соскабливают лак с платы (его также можно растворить ацетоном).
Для удобства монтажа проводники платы необходимо облудить припоем ПОС-16 с использованием жидкого спирто-канифольного флюса. Прикосновения паяльника должны быть лёгкими и недолгими, иначе медная фольга дорожек начнёт отслаиваться. Остатки флюса после облуживания удаляют с платы ацетоном или спиртом.
На этом процесс изготовления печатной платы считается законченным, и можно приступить к монтажу элементов на ней.
Требования, предъявляемые к печатным платам:
Плату изготовить химическим способом;
Плата должна соответствовать ОСТ 4.077.000;
Минимальная ширина проводников – 1 мм;
Не указанные предельные отклонения размеров между осями для любых соседних отверстий 0,2 мм;
Максимальный размер печатной платы по ГОСТу не должен превышать 470 мм;
Соотношение линейных сторон не более 3:1;
Маркировать краской ТИПФ ТУ 29-02-359-70;
Методика настройки радиоприёмника
Для диагностики, регулировки и настройки радиоприёмного устройства необходима контрольно-измерительная аппаратура. Низкочастотный тракт проверяют с помощью генератора низкой частоты, измерителя нелинейных искажений, универсального вольтметра, осциллографа. Для контроля высокочастотной части ЧМ приёмников применяют генераторы. Сигналы в высокочастотном тракте приёмников фиксируют с помощью осциллографов.
Для нормальной работы радиоприёмника, после осуществления сборки, его необходимо настроить. Настройка приёмника сводится к установке диапазонов принимаемых частот. Для этого необходимо включить приёмник и произвести следующие действия:
Выдвинуть все колена телескопической антенна – это способствует увеличению чувствительности и избирательности приёмника;
Для установки диапазонов принимаемых частот необходимо растягивать или сжимать витки катушек L1 и L2, добиваясь приёма всех работающих в данном диапазоне радиостанций.
Заключение
В данном курсовом проекте мною была разработана схема электрическая принципиальная, а также печатная плата малогабаритного переносного радиоприёмника, предназначенного для работы в диапазоне ультракоротких волн в диапазоне частот 65 – 74 и 88 – 108 МГц. Основная часть радиоприёмника интегрирована в микросборку КХА058, оконечный усилитель низкой частоты выполнена микросхеме TDA2030, что позволяет воспроизводить звук в диапазоне 63 – 20000Гц с максимальной мощностью 20 Вт. Была произведена также настройка этого приёмника. Сам приёмник декоративно оформлен в корпус.
Список использованных источников
Нефёдов А.В.. Справочник – Интегральные микросхемы и их зарубежные аналоги. Том 3. Москва, «КУБК-а», 1997
Нефёдов А.В.. Справочник – Интегральные микросхемы и их зарубежные аналоги. Том 2. Москва, «КУБК-а», 1997
Петухов В.М.. Справочник – Маломощные транзисторы и их зарубежные аналоги. Том 1. Москва, «КУБК-а», 1997
Хрулёв А.К., Черепанов В.П.. Справочник – Диоды и их зарубежные аналоги. Том 2. Москва, «РадиоСофт», 1998
Хрулёв А.К., Черепанов В.П.. Справочник – Диоды и их зарубежные аналоги. Том 3. Москва, «РадиоСофт», 1998
Чистяков Н.И.. Справочная книга радиолюбителя-конструктора. Москва, «Энергоатомиздат», 1990
Александров К.К., Кузьмина Е.Г., Электротехнические чертежи и схемы. Москва, «Энергоатомиздат», 1990
А.П. Семьян «500 схем для радиолюбителя».Приёмники \ под ред. С.М. Янковского – СПБ.: Наука и Техника, 2004. – 192 с.: ил.
9. «Усилители низкой частоты. Любительские схемы» Ч.1. Сост. А.А. Халоян – М.: ИП РадиоСофт, ЗАО «Журнал «Радио», 2004 – 304 с.: ил. – (Радиобиблиотечка. Вып. 2)