Башенные краны и другие машины, используемые в строительстве
Содержание
Введение
1. Описательная часть
Назначение кранов
Классификация кранов
Основные параметры крана
Основные узлы крана
Приборы и устройства безопасности
2. Расчетная часть
2.1 Определение геометрических параметров крана
2.2 Определение весовых параметров крана
2.3 Расчет и построение грузовой характеристики
3. Ответы на вопросы
3.1 Двигатели внутреннего сгорания (дизельные)
3.2 Промышленные тракторы, используемые в строительстве
3.3 Оборудование для гидромеханизации земельных работ (гидромониторы, землесосные снаряды, грунтовые насосы)
3.4 Гравитационные бетоносмесители циклического действия
3.5 Домкраты
3.6 Передвижные штукатурные агрегаты на базе поршневых насосов
3.7 Машины и оборудование для отделки бетонных и цементно-песочных полов
3.8 Дискофрезерная машина
Список литературы
Введение
Современное строительство невозможно без широкого применения машин и механизмов. Эффективность механизации определяется не только совершенством применяемых технических средств, но и рациональностью их подбора применительно к конкретным условиям.
В настоящее время СМР выполняются на основе комплексной механизации. Сущность комплексной механизации состоит и том, что в строительном процессе участвуют различные машины и механизмы, объединенные в единый комплекс, позволяющий почти полностью исключать ручной труд как из основных, так и всех вспомогательных операций. Наиболее трудоемкая операция, от выполнения которой зависит темп строительства, называется ведущей (основной) строительной операцией, а выполняющая ее машина - ведущей машиной. Все остальные строительные операции называются неведущими (вспомогательными), а выполняющие их машины комплектующими машинами. Подбор машин и их количество зависят от конкретного вида работы, ее объема, условий выполнения и, естественно, технических характеристик и производительности каждой машины. Сначала подбирается ведущая машина (или несколько таких машин), затем под нее подбираются комплектующие машины. Основная идея выбора вида и количества ведущих машин в таких расчетах обычно состоит в сопоставлении общей трудоемкости (машиноемкости) и желаемой продолжительности работ.
В условиях рыночной системы подробное планирование парка машин на всех уровнях утратило свое определяющее значение, В то же время значительно повысилась роль долгосрочных прогнозов, которые способны выполнять функцию ориентиров в развитии механизации на региональном уровне. Это приобрело особое значение в природоохранное строительство, которое должно вестись в соответствии с долгосрочными целевыми программами. Что же касается оптимизации комплектов машин для конкретной стройки и тем более конкретного строительного процесса, то здесь существовавшие методы полностью сохранили свое значение. По этой причине типовые технологические карты и карты трудовых процессов, составленные в период плановой системы хозяйства, могут широко использоваться в нынешних рыночных условиях. Поправки необходимо лишь в отношении марок применяемых машин, которые естественно за прошедшие годы могли измениться. Строительные машины в зависимости от конкретных условий могут находиться в ведении общестроительных организаций и могут сосредотачиваться в организациях, специализированных на выполнении механизированных работ. Основная часть машин находится в специализированных организациях, так как в них легче обеспечить эффективную эксплуатацию таких машин. В дореформенный период эти организации именовались обычно "управлениями (трестами) механизации", "механизированными колоннами", в настоящее время названия могут быть произвольными, в том числе и ранее существовавшими. Чаще всего такие организации как и раньше, выполняют механизированные работы (например, земляные) на договорной основе, т.е. выступают в роли субподрядчиков. Кроме того, они могут предоставлять на время свои машины вместе с персоналом другим организациям за соответствующую плату. Иногда машины передаются в аренду и без экипажа. Примерно такая же система существует в зарубежные государствах, но передача машин аренду там практикуются чаще, чем в РФ.
Сегодня невозможно представить себе панораму города и достаточно крупного сельского поселка без устремленных ввысь, легких ажурных силуэтов башенных кранов. Они хорошо заметны на фоне новых жилых застроек, всюду, где происходят прогрессивные перемены, где идет строительство. Башенный кран - символ современной стройки, недаром его изображение можно найти на гербах городов, на почетных знаках, вручаемых заслуженным ветеранам - строителям, обложке новенького диплома, вручаемого выпускнику строительного профтехучилища, техникума и института. Комплексная механизация строительных работ, превращение стройки в непрерывный процесс монтажной сборки зданий и сооружений из изготовленных в заводских условиях узлов, конструкций и деталей, в первую очередь, сказались на профессии машиниста башенного крана, повысили ее значение, авторитет среди других строительных профессий.
Ведь именно с помощью башенного крана, мощной, мобильной и универсальной машины ведется основной монтаж строительных конструкций - ведущий процесс, который задает ритм, определяет последовательность производства остальных видов работ на стройке. Большой путь прошел башенный кран, как впрочем, и вся грузоподъемная строительная техника, пока принял тот вид, который известен нам ныне. Сменилось не одно поколение этих машин, прежде чем увидел свет наиболее достойный и совершенный его представитель. Но так же, как в чертах молодого человека иной раз можно отыскать отдаленное сходство с изображенным на портрете его далеким предком, так и в современном башенном кране при желании можно обнаружить те принципиальные конструктивные узлы и схемы, которые сохранились с очень давних пор, почти не претерпев серьезных изменений.
Башенные краны применяются для ведения строительно-монтажных и погрузочно-разгрузочных работ и являются сложными грузоподъемными машинами повышенной опасности, поэтому к управлению такими кранами и их обслуживанию допускаются только высококвалифицированные крановщики (машинисты) умеющие правильно действовать в сложных условиях при производстве строительно-монтажных и погрузочно-разгрузочных работ.
Согласно требованиям Правил устройства и безопасной эксплуатации грузоподъемных кранов, для управления и обслуживания грузоподъемных машин владелец обязан назначить обученных и аттестованных крановщиков не моложе 18 лет, не имеющих противопоказаний по состоянию здоровья, что должно быть подтверждено результатами медицинского освидетельствования. Крановщики башенных кранов должны иметь соответствующую квалификационную группу по электробезопасности.
Описательная часть
Назначение кранов
Хотя большинство подъёмных кранов характеризует единая технологическая операция, а именно подъём грузов, всё-таки их эксплуатационные назначения существенно отличаются. Причиной этому может явиться как принцип работы механизма, так и сам производственный процесс. По сути можно выделить несколько параметров, относительно которых будет складываться назначение подъёмных кранов.
Во-первых, это грузоподъёмность, которая у различных устройств варьируется в пределах от 250 килограмм до 15 тонн. Такой разброс значений может стать как необходимость включения дополнительных мощностей для того или иного типа работ, так и ограниченность пространства. Не всегда габариты подъёмного крана будут соответствовать требованиям эксплуатации. В таких случаях следует использовать либо дополнительные ресурсы, либо включать новые механизмы.
Во-вторых, подъёмные краны подразделяются по характеру подъёма. Выделяют устройства с однотипным и смешенным перемещением. К примеру, башенный кран осуществляет вертикальный подъём и предназначен скорее для высотных работ. А промышленные тали успешно используются для монорельсовой перевозки грузов, но наделено малым функциональным спектром.
В-третьих, подъёмные краны классифицируют на стационарные и передвижные модели. Так, например, консольные краны имеют свойство статической опоры, когда одна часть конструкции находится в неподвижном состоянии. Совершенно иным механизмом представляются мобильные башенные краны. Они не только неприхотливы в работе, но и быстры как в сборке, так и в разборке, что делает наиболее универсальным видом грузоподъёмных машин.
В современное время, область применения подъемных кранов достаточно широка. Связано это с высоким технологическим потенциалом данных устройств, обладающим широким спектром производимых операций и применимым практически ко всем строительно-монтажным работам. На сегодняшний день за счет автоматизированных подъёмных кранов достигаются максимальные результаты в реализации строительных планов, торговых стратегий, повышается эффективность работы и успешность функционирования предприятий. В результате, применение подъёмных кранов осуществляется практически повсеместно, независимо от поставленных целей и приобретённых задач.
Подъёмные механизмы используются в самых различных ситуациях: для погрузки готовой продукции на заводах, для транспортировки материалов на стройках, при комплектации и хранении продукции на складах, для погрузки судов в портах. Подъемные краны производят транспортировку материалов, как в вертикальном, так и горизонтальном положении, независимо от объёмов и характеристик. Именно поэтому применение подъёмных кранов играет важнейшую роль практически во всех промышленных направлениях.
Башенный кран – главный механизированный инструмент грузоподъёма, предназначенный для вертикальной перевозки различного рода материалов.
На сегодняшний день, применение башенных кранов является обязательным условием практически любого отраслевого строительства, будь-то промышленные предприятия, торговые центры, развлекательные комплекса или жилые здания. Так или иначе, невозможно организовать высотное строительство без использования башенного крана. Он является главным ключевым стержнем, ведь все операции, выполняемые на высоте, производятся с применением подъёмных механизмов, что обуславливает и высокие требования в исправности и функционированию башенного крана. Ведь от исправности элементов, прочности и надёжности отдельных узлов, будет зависеть не только безопасность обслуживающего персонала, но и сохранность всего здания. А даже самая незначительная поломка может обернуться настоящей катастрофой. Тем более, что башенный кран это к тому же и серьёзное финансовое вложение, решиться на которое могут отнюдь не все строительные компании.
Именно поэтому, в последнее время большую популярность приобретают арендаторские услуги, предоставляющие башенные краны в пользование, согласно строго оговоренным условиям.
Классификация кранов
Главной функциональной особенностью подъёмных кранов является транспортировка и перемещение материалов строительного, промышленного и отраслевого значения. На сегодняшний день, подъёмные краны активно эксплуатируются на крупных строительных площадках, на ремонтно-монтажном производстве, а также при необходимости грузоперевозок товаров и продуктов общего назначения. Говоря об операционных процессах подъёмных кранов, выделяют три этапа работы: первичный захват груза, его транспортировка или рабочий ход, а также возврат механизма.
В зависимости о функциональности, от качества и скорости выполнения перечня операций, выделяют несколько уровней в оснащении подъёмных кранов. К примеру, среди дополнительного вспомогательного оборудования можно выделить мобильную характеристику, изменение длины рабочего крюка, ось вращения стержня и многое другое. Более того, некоторые подъёмные краны имеют электронные весы, предназначенные дл автоматического определения веса груза. Это имеет огромное значения сферы экспедиторского обслуживания, когда стоимость услуг пропорционально весу заказа.
В зависимости от вида перемещения конструкции, подъемные краны классифицируют на стационарные (статическое положение), радиальные (перемещение осуществляется в заданном радиусе) переставные (транспортировка производится посредством дополнительного оборудования), самоподъёмные (установка в заданных условиях) и передвижные (собственный механизм передвижения).
По типу привода подъёмные краны подразделяются на пять видов. Первым являются механизмы ручного действия, где весь комплекс работ осуществляется оператором. Далее идут электрические машины, работающие на электродвигателях. Третьим видом становятся гидравлические сооружения, принцип работы которых основан на изменении потоков жидкости и воздействии давления. Четвертый тип основан на пневматическом эффекте, то есть силовом действии. И, наконец, последними являются подъёмные краны с двигателями внутреннего сгорания.
От характера опоры, выделяют подъёмные краны с колёсным ходом, со специальными шасси, а также гусеничной системой. Здесь же следует сказать, что дифференцируют также подъёмные краны и по характеру захвата. Например, существуют крюковые, грейферные и магнитные машинные автоматы, применяемые для строго определённого типа работ.
Основные параметры крана
Основные параметры и конструктивные особенности. Строительные башенные краны в соответствии с ГОСТ 13555-79 делят на две группы: передвижные на рельсовом ходу; приставные.
Передвижные краны с грузовым моментом 1000-10000 кН-м (100—1000т*м) и приставные с грузовым моментом 1000-3200кНм (100—320 т*м) имеют размерные ряды (типоразмеры) по величине грузового момента.
По тому же признаку даются и обозначения моделей кранов. Передвижные башенные краны имеют следующие модели: КБ.100-32Р, КБ.125-40Р, КБ.160-40Р, КБ.200-40Р, КБ.250-56Р, КБ.400-50Р, КБ.630-80Р, КБ.1000-80Р. Расшифровывается обозначение модели крана следующим образом. Например, кран КБ.100-32Р: К-кран, Б-башенный, 100-грузовой момент в т*м, 32-высота подъема крюка при максимальном вылете крюка, Р- рельсовый. Аналогично расшифровываются обозначения и других моделей передвижных кранов. Мобильный самомонтирующийся башенный кран КБМ-401П предназначен для механизации подъемно-транспортных работ при возведении жилых, гражданских и промышленных зданий и сооружений различной этажности с элементами строительных конструкций массой до 10 тонн.

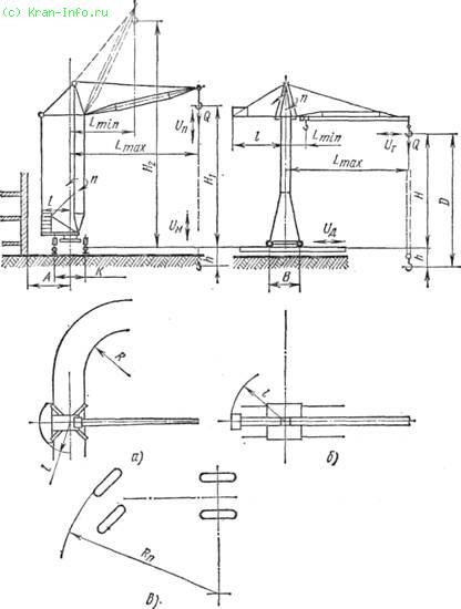
Рис. 1.3.1. Основные параметры кранов
Основные параметры кранов:
а и б – башнями соответственно поворотной и стрелой подъемной и неповоротной и стрелой балочной
в – на пневмоколесном ходу
n – скорость поворота
Vn, Vm – скорость подъема, посадки на место, движения тележки, движения крана
Размеры и грузоподъемные свойства башенных кранов определяются рядом характеристик, называемых параметрами. К основным параметрам (PC—4210—73) относятся: вылет, грузоподъемность, грузовой момент, высота подъема, глубина опускания, колея, база, скорости рабочих движений крана, установленная мощность, задний габарит, радиус закругления, конструктивная и общая массы крана, максимальное давление колеса, производительность.
Вылет L — это расстояние по горизонтали от оси вращения поворотной части крана до вертикальной оси грузозахватного органа (крюковой подвески) при установке крана на горизонтальной площадке. У крана с подъемной стрелой вылет регулируется изменением угла наклона стрелы. При оборудовании крана балочной стрелой вылет изменяют перемещением грузовой тележки вдоль стрелы. Изменение вылета называется маневровым, если оно осуществляется с грузом на крюке, и установочным, если без груза.
Грузоподъемность Q крана характеризуется максимально допустимой массой рабочего груза, на подъем которого рассчитан кран. В величину грузоподъемности включается также масса съемных грузозахватных органов (грейфера, траверс, строп), за исключением массы крюковой подвески.
Поскольку башенные краны выполняются с изменяемым вылетом, грузоподъемность крана (исходя из условий прочности конструкции и устойчивости крана) устанавливается в зависимости от вылета. Максимальная грузоподъемность соответствует, как правило, минимальному вылету.
Грузовой момент М представляет собой произведение грузоподъемности на соответствующий вылет. Поскольку грузовой момент учитывает два основных параметра, его часто используют в качестве главного обобщенного параметра крана. У многих башенных кранов грузовой момент на различных вылетах принимается постоянным.
Поэтому при уменьшении вылета в два раза удается повысить грузоподъемность также в два раза при сохранении постоянного грузового момента.
Под высотой подъема Я понимается расстояние по вертикали от уровня стоянки крана до грузозахватного органа, находящегося в верхнем рабочем положении. При наличии подъемной стрелы высота подъема устанавливается зависимости от вылета. В характеристике этих кранов указывается либо высота подъема для двух крайних вылетов: максимального Ht и минимального Я2, либо приводится в виде графика в зависимости от вылета. При этом под уровнем стоянки крана понимается горизонтальная поверхность основания (например, пути перемещения кранов на пневмоколесном или гусеничном ходу или поверхность головок рельсов для рельсовых кранов), на которую опирается неповоротная часть крана. Для самоподъемных кранов, у которых опоры могут располагаться на разной высоте, уровень стоянки определяется по нижней опоре крана.
Глубиной опускания h называется расстояние по вертикали от уровня стоянки крана до грузозахватного органа, находящегося в нижнем рабочем положении.
Диапазоном подъема называется расстояние по вертикали между верхним и нижним рабочими положениями грузозахватного органа.
Колея К представляет собой расстояние по горизонтали между осями рельсов (для рельсовых кранов) или колес ходовой части (для кранов на пневмоколесном или гусеничном ходу).
Базой В крана называется расстояние между осями опор крана, перемещающихся по одному общему рельсу (для рельсовых кранов) или располагаемых с одной стороны крана относительно его продольной оси.
Задний габарит представляет собой наибольший радиус поворотной части крана (поворотной платформы) со стороны, противоположной стреле. От величины заднего габарита у кранов с поворотной башней зависит выбор величины удаления Л кранового пути от стены возводимого здания. Расстояние А для обеспечения безопасного просвета между краном и зданием для кранов с поворотной башней принимается на 0,7—1,0 м больше величины заднего габарита.
Скоростью подъема (опускания) грузам называется скорость вертикального перемещения рабочего груза. При наличии многоскоростных лебедок в характеристике крана указывается скорость подъема при каждой из возможных скоростей лебедок.
Скоростью посадки vu называется наименьшая скорость опускания (подъема) наибольшего рабочего груза при его монтаже или укладке.
Скоростью поворота п называется скорость вращения поворотной части крана. Скорость поворота определяется при наибольшем вылете с рабочим грузом на крюке и измеряется числом оборотов в минуту.
Скоростью передвижения крана од называется рабочая скорость передвижения крана по горизонтальному пути с рабочим грузом.
Скоростью передвижения тележки vr называется скорость передвижения грузовой тележки по горизонтальному пути с наибольшим рабочим грузом.
Скоростью изменения вылета vr y кранов с подъем-4 ной стрелой называется средняя скорость горизонтального перемещая рабочего груза при изменении вылета от наибольшего до наименьшего Иногда вместо скорости изменения вылета в характеристике на указывается время изменения вылета, т. е. время, необходимое на изменение вылета от наибольшего до наименьшего при изменении вылета под нагрузкой.
Установленной мощностью называют суммарную мощность электродвигателей всех механизмов, установленных на кране. Иногда в характеристиках указывается установленная мощность рабочих механизмов, включающая мощность механизмов, которые неоднократно работают в каждой смене (например, грузовой лебедки, стреловой или тележечной лебедки, механизмов поворота и передвижения крана).
Учитывая, что краны часто обслуживают здания сложной конфигурации и при этом передвигаются по криволинейным путям, в число параметров крана ввели радиус закругления. Он представляет собой наименьший радиус закругления оси внутреннего рельса на криволинейном участке пути. Для кранов на пневмоколесном ходу в качестве параметра используется радиус поворота Rn, т. е. наименьший радиус окружности, описываемый внешним передним колесом крана при изменении направления движения.
Конструктивной массой называется масса крана без балласта и противовеса в не заправленном состоянии, т. е. без топлива, масла, смазочных материалов и воды.
Общей массой называется полная масса крана с балластом, противовесом в полностью заправленном состоянии.
Максимальное давление колеса — это величина наибольшей нагрузки, передаваемой одним ходовым колесом на крановый путь. По величине максимального давления колеса подбирается конструкция кранового пути.
Производительностью крана называется либо суммарная жилая площадь, построенная с помощью крана в год (тыс.м2/год), либо суммарная масса грузов, перемещенных или смонтированных краном в год (т/год). Для планирования загрузки кранов иногда используется и производительность, измеряемая числом циклов за смену. При этом под циклом понимается комплекс операций, выполняемых краном от начала подъема одного груза до начала подъема следующего. В сопроводительной документации к крану (в частности, в его паспорте) указывается допустимая при работе крана расчетная скорость ветра, а также допустимый ветровой район установки крана. Скорость ветра для каждого района является переменной величиной, зависящей от высоты над поверхностью земли. В паспорте крана указывается допустимая при работе скорость ветра на высоте 10 м.
Для устойчивости крана в нерабочем состоянии большое значение имеет максимальная скорость ветра, который может возникнуть в районе установки крана. По величине максимальной скорости ветра, согласно ГОСТ 1451—65 «Краны подъемные. Нагрузка ветровая» вся территория Советского Союза разбита на 7 ветровых районов. Поскольку каждый кран рассчитан на определенную максимальную скорость ветра, эксплуатация крана допустима только в соответствующем ветровом районе либо в районе, где максимальные скорости ветра ниже расчетных.
Под режимом работы механизма понимается характеристика, учитывающая использование данного механизма по частоте появления максимальных нагрузок и по времени. Согласно нормативной документации (в частности, Правилам Госгортехнадзора) различают: легкий Л, средний С, тяжелый Т и весьма тяжелый ВТ режимы. Механизмы башенных кранов работают, как правило, в легком, реже в среднем режимах. Эти режимы характеризуются, с одной стороны, тем, что механизмы и их элементы сравнительно редко работают при максимальных нагрузках, вызванных наиболее неблагоприятным сочетанием действующих усилий от массы груза, ветра,’ уклона, динамики; с другой стороны, тем, что в течение машино-смены механизм работает, как правило, не более 25—40% времени. Чем тяжелее режим, тем большие запасы прочности должны иметь конструкции механизма.
Режим работы крана определяется по режиму работы грузовой лебедки, поэтому, если на кране грузовая лебедка работает в среднем режиме, а все остальные механизмы в легком, считают, что кран работает в среднем режиме.
Большинство из отмеченных параметров регламентируется ГОСТ 13555—68 «Краны башенные строительные передвижные. Типоразмеры и основные параметры» и ГОСТ 14274—69 «Краны башенные строительные приставные и самоподъемные. Основные параметры и размеры».
Основные узлы крана
Основные узлы подъемных кранов - механизм подъёма груза, кроме которого краны различных типов имеют обычно от 1 до 3 (в некоторых случаях до 6) различных механизмов: передвижения грузовой тележки; вращения поворотной части или поворотной стрелы грузовых тележек; изменения вылета стрелы; подъёма или выдвижения консоли моста и др. Передвижные краны имеют также механизм передвижения крана. В кранах большой грузоподъёмности, кроме механизма главного подъёма, часто устанавливают 1 или 2 независимо работающих механизма вспомогательного подъёма для ускоренного перемещения грузов меньшей массы. Механизм подъёма груза состоит из гибкого подъёмного органа (обычно стального каната) и грузовой одно- или двухбарабанной лебёдки. К канату непосредственно или через нижнюю обойму полиспаста прикрепляется грузовой крюк или различные грузозахватные приспособления, которые могут быть автоматического действия, например подъёмные электромагниты, пневматические присосы, клещевые захваты, грейферы и др. (соответственно П. к. называются крюковые, грейферные, магнитные, клещевые, контейнерные и т.п.). При необходимости иметь несколько ступеней скорости подъёма (например, посадочную, повышенную для грузов малой массы и т.п.) применяют многоскоростные лебёдки. В тех случаях, когда требуется особенно большая точность в работе при технологических операциях (например, в некоторых металлургических мостовых кранах), а также при штабелирован и и грузов применяют т. н. жёсткий подвес. В этом случае грузозахватное устройство прикрепляется к штанге, которая перемещается по вертикальным направляющим (в шахте). Жёсткий подвес полностью устраняет раскачивание груза, но значительно утяжеляет кран. Для обеспечения безопасности работы механизмы подъёма снабжаются ограничителями хода грузозахватного устройства, ограничителями грузоподъёмности или грузового момента. Некоторые подъемные краны имеют крановые весы автоматического действия, позволяющие определять массу поднимаемого груза. Механизмы передвижения кранов и грузовых тележек по рельсовому пути бывают главным образом с приводными колёсами, реже с канатной тягой, которая обычно применяется только для грузовых тележек. Приводные колёса могут быть с центральным и раздельным приводом. Вращение колёс с центральным приводом производится одним двигателем через промежуточный (трансмиссионный) вал. При раздельном приводе каждое колесо или приводная двухколёсная ходовая тележка имеют свой двигатель.
Приборы и устройства безопасности
Приборы и устройства безопасности кранов должны соответствовать настоящим Правилам, государственным стандартам и другим нормативным документам.
Краны должны быть оборудованы ограничителями рабочих движений для автоматической остановки:
а) механизма подъема грузозахватного органа (кроме электрических талей, оснащенных муфтой предельного момента) в его крайних верхнем и нижнем положениях. Ограничитель нижнего положения грузозахватного органа может не устанавливаться, если по условиям эксплуатации крана не требуется опускать груз ниже уровня, указанного в паспорте;
б) механизма изменения вылета;
в) механизма передвижения рельсовых кранов (за исключением железнодорожных) и их грузовых тележек, если скорость крана (тележки) при подходе к крайнему положению может превысить 30 м/мин. Механизмы передвижения башенных, козловых кранов и мостовых кранов-перегружателей должны быть оборудованы ограничителями независимо от скорости передвижения;
г) механизмов передвижения мостовых, козловых, консольных, портальных кранов или их грузовых тележек, работающих на одном крановом пути.
Указанные устройства должны устанавливаться также при необходимости ограничения хода любого механизма, например механизма поворота, выдвижения телескопической секции стрелы или секций при монтаже крана, механизмов грузозахватного органа, подъема кабины.
Ограничитель механизма подъема груза или стрелы должен обеспечить остановку грузозахватного органа при подъеме без груза и зазор между грузозахватным органом и упором у электрических талей - не менее 50 мм, у других кранов - не менее 200 мм. При скорости подъема груза более 40 м/мин на кране должен быть установлен дополнительный ограничитель, срабатывающий до основного ограничителя, переключающий схему на пониженную скорость подъема.
Ограничители механизмов передвижения должны обеспечивать отключение двигателей механизмов на следующем расстоянии до упора:
для башенных, портальных, козловых кранов и мостовых перегружателей - не менее полного пути торможения;
для остальных кранов - не менее половины пути торможения.
Краны стрелового типа (кроме консольных) должны быть оборудованы ограничителем грузоподъемности (грузового момента), автоматически отключающим механизмы подъема груза и изменения вылета в случае подъема груза, масса которого превышает грузоподъемность для данного вылета более чем на:
15% - для башенных (с грузовым моментом до 20 т·м включительно) и портальных кранов;
10% - для остальных кранов.
У кранов, имеющих две или более грузовые характеристики, ограничитель должен иметь устройство для переключения его на выбранную характеристику.
После срабатывания ограничителя грузоподъемности должно быть возможно опускание груза или включение других механизмов для уменьшения грузового момента.
Краны мостового типа грузоподъемностью более 10 т и группы классификации (режима) не менее А6 по ИСО 4301/1, башенные краны грузоподъемностью более 5 т, портальные, железнодорожные и стреловые краны должны быть оборудованы регистраторами параметров их работы. Башенные краны грузоподъемностью до 5 т включительно должны быть оснащены устройствами для учета наработки в моточасах.
Краны, кроме управляемых с подвесного пульта, должны быть снабжены звуковым сигнальным устройством, звук которого должен быть хорошо слышен в зоне работы крана. При управлении краном с нескольких постов включение сигнала должно быть возможно с любого из них.
У кранов с электроприводом, кроме кранов с электрическими талями, имеющих второй грузоупорный тормоз, должна быть предусмотрена защита от падения груза и стрелы при обрыве любой из трех фаз питающей электрической сети.
Дверь для входа в кабину управления, передвигающуюся вместе с краном, со стороны посадочной площадки должна быть снабжена электрической блокировкой, запрещающей движение крана при открытой двери.
Если кабина имеет тамбур, то такой блокировкой снабжается дверь тамбура.
У башенных кранов с неповоротной башней и у других кранов при расположении кабины на поворотной части крана для предупреждения возможности зажатия людей при переходе с поворотной части на неповоротную должно быть предусмотрено устройство, автоматически отключающее двигатель механизма поворота при открытом люке или двери.
Башенные краны с высотой до верха оголовка башни более 15 м, козловые краны с пролетом более 16 м, портальные краны, мостовые краны-перегружатели должны быть снабжены прибором (анемометром), автоматически включающим звуковой сигнал при достижении скорости ветра, указанной в паспорте для рабочего состояния крана.
У башенных кранов должны быть установлены упоры или другие устройства, предотвращающие запрокидывание стрелы, если при минимальном вылете угол между горизонталью и стрелой превышает 70°.
2. Расчетная часть
Передвижной (на рельсовом ходу) полноповоротный (с поворотной башней) башенный кран оснащен унифицированными механизмами, монтируется и демонтируется при помощи собственных механизмов и автокрана грузоподъемностью 8 тонн, перевозится в собранном виде на подкатных тележках. В зависимости от исполнения башенный кран может быть укомплектован балочной стрелой с грузовой тележкой или подъемной стрелой. Балочная стрела может находиться в горизонтальном или в наклонном (под углом 30 градусов) положении. Предназначен для работы в I-VI ветровых районах по ГОСТ 1451-77 и в климатическом исполнении "У" категории I по ГОСТ 15150-69 при температуре окружающего воздуха от -40 до +40°С. Сейсмичность до 6 баллов включительно. Группа режима работы крана А4 по ИСО 4301/1-86. Задний габарит - 4,2 м.
Масса плит противовеса - 50,05 тонн.
Исполнения башенного крана КБМ-401П

Технические характеристики
Таблица 2.1
|
№ исполнений |
Параметры и их значения |
||||||||
|
Грузовой момент, тм |
Максимальная грузоподъемность, т |
Максимальная высота подъема, м |
Максимальный вылет, м |
Вылет при максимальной грузоподъемности м |
Грузоподъемность на максимальном вылете, т |
Количество секций башни |
Ветровой район эксплуатации по ГОСТ 1451-77 |
||
|
Горизонтальная стрела HI |
Наклонная стрела (а=30°) Н2 |
||||||||
|
00 |
160 |
10 |
47,2 |
57,8 |
25 |
16,0 |
6,0 |
7 |
I-III |
|
01 |
200 |
10 |
24,8 |
32,9 |
20 |
20 |
10 |
3 |
I-VII |
|
02 |
195 |
10 |
30,4 |
38,5 |
20 |
19,5 |
9,6 |
4 |
I-V |
|
03 |
184 |
10 |
36 |
44,1 |
20 |
18,4 |
9,1 |
5 |
I-IV |
|
04 |
184 |
10 |
41,6 |
49,7 |
20 |
18,4 |
9,1 |
6 |
I-III |
|
05 |
177 |
10 |
47,2 |
55,3 |
20 |
17,7 |
8,7 |
7 |
I-III |
|
06 |
170 |
10 |
52,8 |
60,9 |
20 |
17,0 |
8,3 |
8 |
I-II |
|
07 |
162 |
10 |
58,4 |
66,5 |
20 |
16,2 |
7,9 |
9 |
I |
|
08 |
182 |
10 |
24,8 |
35,4 |
25 |
18,2 |
6,8 |
3 |
I-VI |
|
09 |
167 |
10 |
30,4 |
41,0 |
25 |
16,7 |
6,3 |
4 |
I-V |
|
10 |
167 |
10 |
36,0 |
46,6 |
25 |
16,7 |
6,3 |
5 |
I-IV |
|
11 |
167 |
10 |
41,6 |
52,2 |
25 |
16,7 |
6,3 |
6 |
I-III |
|
12 |
144 |
10 |
52,8 |
63,4 |
25 |
14,4 |
5,3 |
8 |
I-II |
|
13 |
144 |
10 |
58,4 |
69,0 |
25 |
14,4 |
5,3 |
9 |
I |
|
14 |
160 |
10 |
24,8 |
37,9 |
30 |
16,0 |
4,7 |
3 |
I-V |
|
15 |
149 |
10 |
30,4 |
43,5 |
30 |
14,9 |
4,3 |
4 |
I-V |
|
16 |
149 |
10 |
36,0 |
49,1 |
30 |
14,9 |
4,3 |
5 |
I-IV |
|
17 |
139 |
10 |
41,6 |
54,7 |
30 |
13,9 |
3,9 |
6 |
I-III |
|
18 |
139 |
10 |
47,2 |
60,3 |
30 |
13,9 |
3,9 |
7 |
I-III |
|
19 |
129 |
10 |
52,8 |
65,9 |
30 |
12,9 |
3,3 |
8 |
I-II |
|
20 |
129 |
10 |
58,4 |
71,5 |
30 |
12,9 |
3,3 |
9 |
I |
|
21 |
130 |
10 |
24,8 |
40,4 |
35 |
13,0 |
3,5 |
3 |
I-V |
|
22 |
130 |
10 |
30,4 |
46,0 |
35 |
13,0 |
3,5 |
4 |
I-V |
|
23 |
130 |
10 |
36,0 |
51,6 |
35 |
13,0 |
3,5 |
5 |
I-IV |
|
24 |
118 |
10 |
41,6 |
57,2 |
35 |
11,8 |
2,8 |
6 |
I-III |
|
25 |
118 |
10 |
47,2 |
62,8 |
35 |
11,8 |
2,8 |
7 |
I-III |
|
26 |
102 |
10 |
52,8 |
68,4 |
35 |
10,2 |
2,3 |
8 |
I-II |
|
27 |
102 |
10 |
58,4 |
74,0 |
35 |
10,2 |
2,3 |
9 |
I |
|
33 |
120 |
10 |
47,2 |
- |
40 |
12,0 |
2,5 |
7 |
I-III |
|
36 |
130 |
10 |
30,4 |
- |
40 |
13,0 |
2,5 |
4 |
I-V |
|
37 |
130 |
10 |
36,0 |
- |
40 |
13,0 |
2,5 |
5 |
I-IV |
|
38 |
120 |
10 |
41,6 |
- |
40 |
12,0 |
2,5 |
6 |
I-III |
|
39 |
100 |
10 |
52,8 |
- |
40 |
10,0 |
2,2 |
8 |
I |
|
28 |
187,5 |
10 |
46,0 |
57,8 * |
25 |
18,0 |
7,5 |
6 |
I-III |
|
29 |
160 |
9 |
51,6 |
63,4 * |
25 |
18,0 |
6,3 |
7 |
I-II |
|
30 |
180 |
10 |
36,2 |
51,2 * |
30 |
18,0 |
5,7 |
4 |
I-IV |
|
31 |
135 |
8 |
53,0 |
68,0 * |
30 |
15,0 |
4,5 |
7 |
I |
|
32 |
200 |
10 |
44,7 |
53,3 * |
20 |
20,0 |
10,0 |
6 |
I-III |
|
* a=65° |
Допустимая скорость ветра нерабочего состояния крана на высоте 10 м
Таблица 2.2
|
Исполнение крана |
Скорость ветра, м/сек |
|
07, 13, 20, 27, 31, 39 |
21 |
|
06, 12, 19, 26, 29 |
24 |
|
00, 04, 05, 11, 17, 18, 24, 25, 28, 32, 33, 38 |
27 |
|
03, 10 16, 23, 30, 37 |
30 |
|
02, 09, 14, 15, 21, 22, 36 |
33 |
|
08 |
37 |
|
01 |
40 |
Допустимая скорость ветра для рабочего состояния крана с 2-х минутным осреднением на высоте установки анемометра
Таблица 2.3
|
Исполнение крана |
Скорость ветра, м/сек |
|
01, 08, 14, 21 |
17 |
|
02, 09, 15, 22, 30, 36 |
17,5 |
|
03, 04, 10, 11, 16, 17, 23, 24, 28, 32, 33, 37, 38, 39 |
18 |
|
00, 05, 06, 12, 18, 19, 25, 26, 29, 31 |
18,5 |
|
07, 13, 20, 27 |
19 |
Скорости
Таблица 2.4
|
|
|
|
|
|
0,72 об/мин 2 х 3,5 кВт |
20 м/мин 4 х 3,5 кВт |
с балочной стрелой |
с подъемной стрелой |
|
30 м/мин |
15 ... 65 град. 1,2 мин |
||
|
2 х 3,5 кВт |
4 х 3,5 кВт |
3,5/1,1 кВт |
15 кВт |
Характеристика механизма подъема груза
Таблица 2.5
|
Типы двигателей |
Мощность, кВт |
Частота вращения, об/мин |
Скорость подъема-опускания, м/мин |
Скорость плавной посадки груза, макс. массы м/мин., не более |
||
|
груза до 2,5 т |
груза более 2,5 т |
крюковой подвески, макс. |
||||
|
МКАФ 225L6У1 |
55 |
960 |
45 |
30 |
46 |
4,8 |
|
МТКН 412-4/24У1 |
30/1,5 |
1375/170 |
Характеристика подкранового пути
Таблица 2.6
|
Колея |
6 м |
|
Радиус кривизны внутреннего рельса для криволинейного участка пути |
10 м |
|
|
|
380 В |
|
50 Гц |
|
125 кВа |
Транспортирование

Рис. 2.1
2.1 Определение геометрических параметров крана
Габаритные размеры поперечного сечения башни - квадрат со стороной:
аб =(0,9...1,1)*H/20, м, (2.1.1)
где H - максимальная высота подъема груза при максимальном вылете крюка, м.
например, для исполнения № 00 H=47,2
аб= (0,9…1,1)*47,2/20 = от 2,1 до 2,6 м
Размер поперечного сечения стрелы (сторона прямоугольника):
сс =(0,9...1,1) *Lmax/23,м, (2.1.2)
где Lmax - наибольший вылет крюка, м.
Принимаем в плоскости подвеса стрелы сc = 1,3 м. из плоскости подвеса сc = 1 м.
Высота шарнира пяты стрелы над головкой рельса: .
h=Нmax, м (2.1.3)
где Нпшл - максимальная высота подъема груза при максимальном вылете крюка, м.
Высота головки башни (от центра пяты стрелы до центра верхних блоков):
hгол = (0,8... 1.2)*Lmax/3.6, м.(2.1.4)
где Lmax - наибольший вылет крюка, м.
Расстояние от оси вращения крана до оси башни:
a3 = (1,1...1,2)*aб/2,м, (2.1.5)
где aб - - габаритные размеры поперечного сечения башни, м.
Расстояние от оси башни до оси пяты стрелы:
хо = 0,2 + aб/2, м,(2.1.6)
где aб - габаритные размеры поперечного сечения башни, м.
Тогда расстояние от оси вращения крана до оси пяты стрелы r = а3 + xo.
Длина распорки (подстрелка) от оси вращения крана до оси блока:
L p = (0,11…016) H, м.(2.1.7)
где H - максимальная высота подъема груза при максимальном вылете крюка. м.
Колея и база ходовой части крана:
К=В=(0,9…1,05)H/6, м,(2.1.8)
где Н - максимальная высота подъема груза при максимальном вылете крюка. м.
Угол наклона к горизонту при L max -15°, L1- 25°, L2 - 35°, L3 -45°, L4 - 55°, L5 - 65°, Lmin -70° для всех вариантов.
Расчетная длина стрелы:
L c = (L max - a3 – хо)/cos min , м,(2.1.9)
где L max - наибольший вылет крюка, м.
хо - расстояние от оси вращения крана до оси пяты стрелы, м.
a3 - расстояние от оси краше 1ия крана до оси башни.
Ориентировочный диаметр опорно-поворотного круга:
D оп. к. (1,45…1,55) aб, м, (2.1.10)
где aб - габаритные размеры поперечного сечения башни, м.
Ширину поворотной платформы принимаем равной В 1 = 3,1 м.
Радиус хвостовой части поворотной платформы:
R = (1,1...1.2)Lp, м. (2.1.11)
где Lp - длина распорки (подстрелка) от оси вращения крана до оси блока, м.
Максимальный грузовой момент:
М гр = Qi * Li = Qmax * Lmin, Нм, (2.1.12)
Определение геометрических параметров крана
Таблица 2.1.1
-
№ исполнений
Габаритные размеры поперечного сечения башни - квадрат со стороной (аб)
Размер поперечного сечения стрелы (сс)
Высота головки башни (hгол)
Расстояние от оси вращения крана до оси башни (a3)
Расстояние от оси башни до оси пяты стрелы (хо)
расстояние от оси вращения крана до оси пяты стрелы (r)
Длина распорки от оси вращения крана до оси блока (L p)
Ориентировочный диаметр опорно-поворотного круга (D оп. к. )
Радиус хвостовой части поворотной платформы ®
Расчетная длина стрелы Lc
0
2,1
1,0
5,6
1,2
1,3
2,4
5,2
3,1
5,7
25,49
1
1,1
0,8
4,4
0,6
0,8
1,4
2,7
1,6
3,0
20,38
2
1,4
0,8
4,4
0,8
0,9
1,6
3,3
2,0
3,7
20,41
3
1,6
0,8
4,4
0,9
1,0
1,9
4,0
2,3
4,4
20,44
4
1,9
0,8
4,4
1,0
1,1
2,2
4,6
2,7
5,0
20,47
5
2,1
0,8
4,4
1,2
1,3
2,4
5,2
3,1
5,7
20,49
6
2,4
0,8
4,4
1,3
1,4
2,7
5,8
3,4
6,4
20,52
7
2,6
0,8
4,4
1,4
1,5
3,0
6,4
3,8
7,1
20,55
8
1,1
1,0
5,6
0,6
0,8
1,4
2,7
1,6
3,0
25,38
9
1,4
1,0
5,6
0,8
0,9
1,6
3,3
2,0
3,7
25,41
10
1,6
1,0
5,6
0,9
1,0
1,9
4,0
2,3
4,4
25,44
11
1,9
1,0
5,6
1,0
1,1
2,2
4,6
2,7
5,0
25,47
12
2,4
1,0
5,6
1,3
1,4
2,7
5,8
3,4
6,4
25,52
13
2,6
1,0
5,6
1,4
1,5
3,0
6,4
3,8
7,1
25,55
14
1,1
1,2
6,7
0,6
0,8
1,4
2,7
1,6
3,0
30,38
15
1,4
1,2
6,7
0,8
0,9
1,6
3,3
2,0
3,7
30,41
16
1,6
1,2
6,7
0,9
1,0
1,9
4,0
2,3
4,4
30,44
17
1,9
1,2
6,7
1,0
1,1
2,2
4,6
2,7
5,0
30,47
18
2,1
1,2
6,7
1,2
1,3
2,4
5,2
3,1
5,7
30,49
19
2,4
1,2
6,7
1,3
1,4
2,7
5,8
3,4
6,4
30,52
20
2,6
1,2
6,7
1,4
1,5
3,0
6,4
3,8
7,1
30,55
21
1,1
1,4
7,8
0,6
0,8
1,4
2,7
1,6
3,0
35,38
22
1,4
1,4
7,8
0,8
0,9
1,6
3,3
2,0
3,7
35,41
23
1,6
1,4
7,8
0,9
1,0
1,9
4,0
2,3
4,4
35,44
24
1,9
1,4
7,8
1,0
1,1
2,2
4,6
2,7
5,0
35,47
25
2,1
1,4
7,8
1,2
1,3
2,4
5,2
3,1
5,7
35,49
26
2,4
1,4
7,8
1,3
1,4
2,7
5,8
3,4
6,4
35,52
27
2,6
1,4
7,8
1,4
1,5
3,0
6,4
3,8
7,1
35,55
33
2,1
1,6
8,9
1,2
1,3
2,4
5,2
3,1
5,7
40,49
36
1,4
1,6
8,9
0,8
0,9
1,6
3,3
2,0
3,7
40,41
37
1,6
1,6
8,9
0,9
1,0
1,9
4,0
2,3
4,4
40,44
38
1,9
1,6
8,9
1,0
1,1
2,2
4,6
2,7
5,0
40,47
39
2,4
1,6
8,9
1,3
1,4
2,7
5,8
3,4
6,4
40,52
28
2,1
1,0
5,6
1,1
1,2
2,4
5,1
3,0
5,6
25,49
29
2,3
1,0
5,6
1,3
1,4
2,6
5,7
3,4
6,2
25,51
30
1,6
1,2
6,7
0,9
1,0
1,9
4,0
2,4
4,4
30,44
31
2,4
1,2
6,7
1,3
1,4
2,7
5,8
3,5
6,4
30,52
32
2,0
0,8
4,4
1,1
1,2
2,3
4,9
2,9
5,4
20,48
2.2 Определение весовых параметров крана
Укрупненное распределение обшей массы крана:
масса металлоконструкций:
G м.к. = 0,41 * G, кН(2.2.1)
в том числе:
- вес стрелы:
G с = 0,035 * G, Н,(2.2.2)
- вес башни:
G б = 0,13 * G, Н(2.2.3)
- вес поворотной платформы:
G п.п. = 0,1 * G, Н(2.2.4)
- вес неповоротной рамы:
G н.р. = 0,145 * G, Н(2.2.5)
где G - общий вес крана, Н.
общий вес механизмов и электрооборудования:
G мех = 0,25 * G, кН(2.2.6)
в том числе:
- вес крюковой подвески и грузового полиспаста:
G г.пол. = 0,005 * G, Н(2.2.7)
- вес механизма подъема груза:
G м.г. = 0,04 * G, Н (2.2.8)
- вес механизма изменения вылета:
G м.в. = 0,04 * G, Н(2.2.9)
- вес механизма вращения крана:
G м.вращ. = 0,03 * G, Н (2.2.10)
- вес механизма передвижения крана:
G м.пер. = 0,04 * G, Н (2.2.11)
- вес стрелоподъемного полиспаста:
G стр.пол. = 0,005 * G, Н (2.2.12)
- вес ходовых тележек и колес:
G ход. = 0,07 * G, Н (2.2.13)
- вес кабины управления:
G каб. = 0,02 * G, Н (2.2.14)
где G - общий вес крана, Н.
вес балласта (противовеса):
G бал. = 0,34 * G, Н (2.2.15)
Определение весовых параметров крана
Таблица 2.2.1
-
весовые параметры крана
вес
масса металлоконструкций
278,8
в том числе
вес стрелы
23,8
вес башни
88,4
вес поворотной платформы
68
общий вес механизмов и электрооборудования
170
в том числе
вес крюковой подвески и грузового полиспаста
3,4
вес механизма подъема груза
27,2
вес механизма изменения вылета
27,2
вес механизма вращения крана
20,4
вес механизма передвижения крана
27,2
вес стрелоподъемного полиспаста
3,4
вес ходовых тележек и колес
47,6
вес кабины управления
13,6
вес балласта (противовеса)
231,2
2.3 Расчет и построение грузовой характеристики
Грузовая характеристика есть закономерность изменения грузоподъемное т при изменении вылета крюка. При этом, как правило, грузовой момент остается постоянным.
После конструктивной проработки конструкции крана, исходя из геометрических и весовых параметров, а также по аналогии с существующими кранами определяем координаты центра тяжести крана. Кран установлен на горизонтальной площадке, стрела максимально опущена.
Расстояние от оси вращения крана до центра тяжести крана (горизонтальная координата) при установке крана на горизонтальной площадке:

Где G – вес крана, Н
Gi – вес i –го элемента крана, Н
Ii – расстояние от оси вращения крана до центра тяжести i-го элемента крана, м.
Gс – вес стрелы, Н
Lс – длина стрелы, м
r – расстояние от оси вращения крана до оси пяты стрелы, м
Gг.пол. – вес крюковой подвески и грузового полиспаста, Н
Gб – вес башни с кабиной управления, Н
Gк – вес кабины управления, Н
aз - расстояние от оси вращения крана до оси башни, м
Gп.п. – вес поворотной платформы, Н
Gм.в. – вес механизма изменения вылета, Н
Gм.п. – вес механизма подъема груза, Н
Gм.вращ. – вес механизма вращения крана, Н
Gстр.пол. – вес стрелоподъемного полиспаста, Н
а1 = 2 – расстояние от центра тяжести ходовой части до центра тяжести поворотной платформы
Gбал. – вес противовеса, Н
а1 = 3,5 – расстояние от оси вращения крана до центра тяжести балласта, м.
Расстояние от плоскости, проходящей через опорный контур, до центра тяжести крана:

Где G – вес крана, Н
Gi – вес i –го элемента крана, Н
hi – расстояние от опорной поверхности крана до центра тяжести i-го элемента крана, м.
Gс – вес стрелы, Н
Gг.пол. – вес грузового полиспаста и крюковой подвески, Н
h – высота стрелы, Н
Gб – вес башни, Н
Gстр.пол. – вес стрелоподъемного полиспаста, Н
h2 = h\2 - расстояние от плоскости, проходящей через опорный контур до центра тяжести башни, м
Gкаб – вес кабины управления, Н
Gп.п. – вес поворотной платформы, Н
h4 = 2,5 – расстояние от плоскости, проходящей через опорный контур, до центра тяжести поворотной платформы, м
Gм.в. – вес механизма изменения вылета, Н
Gм.п. – вес механизма подъема груза, Н
Gм.вращ. – вес механизма вращения крана, Н
h3 = 4 – расстояние от плоскости, проходящей через опорный контур, до центра тяжести балласта, м
Gн.р. – вес неповоротной рамы, Н
Gхад – вес ходовых тележек и колес, Н
Gм.п. – вес механизма передвижения крана, Н
h1 = 1 расстояние от плоскости, проходящей через опорный контур, до центра тяжести ходовой рамы, м.
Определяем величину удерживающего момента при расположении крана на уклоне по формуле:
Муд = G [(b + ci) cos a – hi sin a], Нм(2.3.3)
Где G – вес крана, Н
b = k\2 – расстояние от оси вращения крана до ребра опрокидывания, м
К – колея ходовой части крана, м
сi - расстояние от оси крашения крана до центра тяжести крана в горизонтальной плоскости, м:
hi - расстояние от опорной поверхности крана до центра тяжести крана в вертикальной плоскости, м.
а - 3° - максимальный угол уклона опорной поверхности (для всех вариантов).
Определяем ориентировочную грузовую характеристику, исходя из построения грузового момента:
Qi = Mгр / 10Li, Н(2.3.4)
Где Мгр = Q max * L min – момент грузовой устойчивости, кНм;
Q max – максимальная грузоподъемность, кН;
L min – минимальный вылет, м.
Рассчитываем высотную характеристику по высоте головки стрелы:
Hi = h + Lc sin , м(2.3.5)
Расчет грузовой характеристики
Таблица 2.3.1
|
№ исполнений |
Ci |
hi |
Муд |
Lmin |
момент грузовой устойчивости Мгр = Qmax*Lmin |
Qi |
Hi |
|
|
0 |
- 1,78 |
- 95,91 |
- 1 169,06 |
6,61 |
66,09 |
43,67 |
22,13 |
|
|
1 |
- 1,82 |
- 77,24 |
- 15,03 |
9,36 |
93,61 |
87,63 |
17,69 |
|
|
2 |
- 1,79 |
- 77,52 |
- 318,54 |
7,86 |
78,58 |
61,75 |
17,71 |
|
|
3 |
- 1,76 |
- 77,80 |
- 622,05 |
6,77 |
67,73 |
45,88 |
17,73 |
|
|
4 |
- 1,73 |
- 78,08 |
- 925,56 |
5,95 |
59,54 |
35,44 |
17,75 |
|
|
5 |
- 1,70 |
- 78,36 |
- 1 229,08 |
5,31 |
53,12 |
28,22 |
17,76 |
|
|
6 |
- 1,67 |
- 78,65 |
- 1 532,59 |
4,80 |
47,97 |
23,01 |
17,78 |
|
|
7 |
- 1,64 |
- 78,93 |
- 1 836,10 |
4,37 |
43,74 |
19,13 |
17,80 |
|
|
8 |
- 1,91 |
- 94,78 |
44,99 |
11,66 |
116,57 |
135,90 |
22,05 |
|
|
9 |
- 1,88 |
- 95,06 |
- 258,52 |
9,78 |
97,83 |
95,71 |
22,07 |
|
|
10 |
- 1,85 |
- 95,35 |
- 562,04 |
8,43 |
84,30 |
71,07 |
22,09 |
|
|
11 |
- 1,81 |
- 95,63 |
- 865,55 |
7,41 |
74,08 |
54,88 |
22,11 |
|
|
12 |
- 1,75 |
- 96,19 |
- 1 472,57 |
5,97 |
59,66 |
35,59 |
22,14 |
|
|
13 |
- 1,72 |
- 96,47 |
- 1 780,13 |
5,44 |
54,38 |
29,58 |
22,16 |
|
|
14 |
- 1,99 |
- 112,33 |
105,00 |
13,95 |
139,54 |
194,70 |
26,42 |
|
|
15 |
- 1,96 |
- 112,61 |
- 198,51 |
11,71 |
117,08 |
137,07 |
26,43 |
|
|
16 |
- 1,93 |
- 112,89 |
- 502,02 |
10,09 |
100,87 |
101,75 |
26,45 |
|
|
17 |
- 1,90 |
- 113,17 |
- 805,53 |
8,86 |
88,63 |
78,55 |
26,47 |
|
|
18 |
- 1,87 |
- 113,45 |
- 1 109,05 |
7,90 |
79,05 |
62,49 |
26,49 |
|
|
19 |
- 1,84 |
- 113,73 |
- 1 412,56 |
7,13 |
71,35 |
50,91 |
26,50 |
|
|
20 |
- 1,81 |
- 114,01 |
- 1 716,07 |
6,50 |
65,03 |
42,29 |
26,52 |
|
|
21 |
- 2,08 |
- 129,87 |
165,02 |
16,25 |
162,50 |
264,06 |
30,78 |
|
|
22 |
- 2,05 |
- 130,15 |
- 138,49 |
13,63 |
136,33 |
185,85 |
30,79 |
|
|
23 |
- 2,02 |
- 130,43 |
- 442,01 |
11,74 |
117,44 |
137,93 |
30,81 |
|
|
24 |
- 1,99 |
- 130,71 |
- 745,52 |
10,32 |
103,17 |
106,45 |
30,83 |
|
|
25 |
- 1,95 |
- 130,99 |
- 1 049,03 |
9,20 |
92,01 |
84,66 |
30,85 |
|
|
26 |
- 1,92 |
- 131,28 |
- 1 356,58 |
8,30 |
83,04 |
68,95 |
30,87 |
|
|
27 |
- 1,89 |
- 131,56 |
- 1 656,06 |
7,57 |
75,67 |
57,26 |
30,88 |
|
|
33 |
- 2,04 |
- 148,54 |
- 989,02 |
10,50 |
104,97 |
110,19 |
35,21 |
|
|
36 |
- 2,13 |
- 147,69 |
- 78,48 |
15,56 |
155,58 |
242,05 |
35,16 |
|
|
37 |
- 2,10 |
- 147,98 |
- 381,99 |
13,40 |
134,01 |
179,60 |
35,17 |
|
|
38 |
- 2,07 |
- 148,26 |
- 685,50 |
11,77 |
117,72 |
138,58 |
35,19 |
|
|
39 |
- 2,01 |
- 148,82 |
- 1 292,53 |
9,47 |
94,73 |
89,73 |
35,23 |
|
|
28 |
- 1,79 |
- 95,85 |
- 1 104,02 |
6,76 |
67,65 |
45,76 |
22,12 |
|
|
29 |
- 1,76 |
- 96,13 |
- 1 407,54 |
6,09 |
54,84 |
33,41 |
22,14 |
|
|
30 |
- 1,93 |
- 112,90 |
- 512,86 |
10,04 |
100,38 |
100,76 |
26,45 |
|
|
31 |
- 1,84 |
- 113,74 |
- 1 423,40 |
7,11 |
56,88 |
40,44 |
26,50 |
|
|
32 |
- 1,71 |
- 78,24 |
- 1 093,58 |
5,58 |
55,80 |
31,14 |
17,76 |
Окончательно величина грузоподъемности для каждого вылета уточняется после расчетов всех механизмов с учетом устойчивости крана и стрелы и прочности всех элементов, сборочных единиц и их деталей.
Значение грузоподъемности башенного крана с поворотной башней
Таблица 2.3.2
|
|
min =15° |
1=25° |
2=35° |
3=45° |
4=55° |
5=65° |
max=70° |
|
Li, м |
6,61 |
9,70 |
- 8,82 |
5,09 |
0,20 |
- 5,49 |
6,17 |
|
Ci, м |
-1,78 |
- 0,78 |
- 1,86 |
- 1,65 |
- 1,34 |
- 1,67 |
- 1,71 |
|
hi, м |
-95,91 |
511,03 |
- 144,46 |
348,03 |
176,61 |
- 26,54 |
386,18 |
|
Муд, Нм |
-1169,06 |
47 039,82 |
- 1 096,40 |
376,01 |
204,90 |
-693,88 |
490,90 |
|
Qi,Н |
43,67 |
43,67 |
43,67 |
43,67 |
43,67 |
43,67 |
43,67 |
|
Hi. М |
22,13 |
2,24 |
-5,41 |
27,22 |
-19,68 |
26,71 |
25,18 |
3. Ответы на вопросы
3.1 Двигатели внутреннего сгорания (дизельные)
Двигатели внутреннего сгорания представляют собой сложный агрегат, включающий ряд узлов и систем.
Остов двигателя - группа неподвижных деталей, являющихся базой для всех остальных механизмов и систем. К остову относятся блок-картер, головка (головки) цилиндров, крышки подшипников коленчатого вала, передняя и задняя крышки блок-картера, а также масляный поддон и ряд мелких деталей.
Механизм движения - группа движущихся деталей, воспринимающих давление газов в цилиндрах и преобразующих это давление в крутящий момент на коленчатом валу двигателя. Механизм движения включает в себя поршневую группу (поршни, шатуны, коленчатый вал и маховик).
Механизм газораспределения служит для своевременного впуска горючей смеси в цилиндры и выпуска отработавших газов. Эти функции выполняют кулачковый (распределительный) вал, приводимый в движение от коленчатого вала, а также толкатели, штанги и коромысла, открывающие клапаны. Клапаны закрываются клапанными пружинами.
Система смазки - система агрегатов и каналов, подводящих смазку к трущимся поверхностям. Масло, находящееся в масляном поддоне, подаётся насосом в фильтр грубой очистки и далее через главный масляный канал в блок-картере под давлением поступает к подшипникам коленчатого и кулачкового валов, к шестерням и деталям механизма газораспределения. Смазка цилиндров, толкателей и других деталей производится масляным туманом, образующимся при разбрызгивании масла, вытекающего из зазоров в подшипниках вращающихся деталей.
Система питания осуществляет приготовление горючей смеси из топлива и воздуха в пропорции, соответствующей режиму работы, и в количестве, зависящем от мощности двигателя. Система состоит из топливного бака, топливоподкачивающего насоса, топливного фильтра, трубопроводов и карбюратора, являющегося основным узлом системы.
Система зажигания служит для образования в камере сгорания искры, воспламеняющей рабочую смесь. В систему зажигания входят источники тока - генератор и аккумулятор, а также прерыватель, от которого зависит момент подачи искры. В то время, когда Двигатели внутреннего сгорания не имели электрического зажигания, применялись запальные калоризаторы.
Система пуска состоит из электрического стартёра, шестерён передачи от стартёра к маховику, источника тока (аккумулятора) и элементов дистанционного управления.
Система впуска и выпуска состоит из трубопроводов, воздушного фильтра на впуске и глушителя шума на выпуске.
Такт - это процесс, происходящий в цилиндре за один ход поршня.
Ход поршня S - путь, проходимый поршнем от одной мертвой точки до другой.
Мертвыми точками называются крайние верхнее и нижнее положения поршня, где его скорость равна нулю. Верхняя мертвая точка сокращенно обозначается в.м.т., нижняя мертвая точка - н.м.т.
Рабочий объем цилиндра Vр - объем, освобождаемый поршнем при движении от в.м.т. до н.м.т.
Литраж - рабочий объем всех цилиндров двигателя.
Объем камеры сгорания Vc - объем, образующийся над поршнем, когда последний находится в в.м.т.
Полный объем цилиндра Vп - это его рабочий объем плюс объем камеры сгорания.
Индикаторная мощность - мощность, развиваемая расширяющимися газами при сгорании топлива в цилиндрах двигателя (без учета потерь).
Эффективная мощность - мощность, получаемая на маховике коленчатого вала. Она на 10 - 15% меньше индикаторной из-за потерь на трение в двигателе и приведение в движение его вспомогательных механизмов и приборов.
Литровой мощностью называется эффективная наибольшая мощность, получаемая с одного литра рабочего объема (литража) цилиндрического двигателя.
Принцип работы ДВС.
Рабочий цикл четырехтактного двигателя совершается за 4 хода поршня (такта), т. е. за 2 оборота коленчатого вала.
Первый такт - впуск. При движении поршня от в.м.т. (вниз) вследствие увеличения объема в цилиндре создается разрежение, под действием которого из карбюратора через открывающийся впускной клапан в цилиндр поступает горючая смесь (паров бензина с воздухом). В цилиндре горючая смесь смешивается с оставшимися в нем от предыдущего рабочего цикла отработавшими газами и образует рабочую смесь.
Второй такт - сжатие. Поршень движется вверх, при этом оба клапана закрыты. Так как объем в цилиндре уменьшается, то происходит сжатие рабочей смеси. Смесь сжимается, температура смеси в конце сжатия составляет 200-400°C.
Третий такт - рабочий ход. В конце такта сжатия рабочая смесь воспламеняется электрической искрой и быстро сгорает (за 0,001 - 0,002 с). При этом происходит выделение большого количества тепла и газы, расширяясь, создают сильное давление на поршень, перемещая его вниз. Сила давления газов от поршня передается через поршневой палец и шатун на коленчатый вал, создавая на нем определенный крутящий момент. Таким образом, во время рабочего хода происходит преобразование тепловой энергии в механическую работу.
Четвертый такт - выпуск. После совершения полезной работы поршень движется вверх и выталкивает отработавшие газы наружу через открывающийся выпускной клапан.
Из рабочего цикла двигателя видно, что полезная работа совершается только в течение рабочего хода, а остальные три такта являются вспомогательными. Для равномерности вращения коленчатого вала на его конце устанавливают маховик, обладающий значительной массой. Маховик получает энергию при рабочем ходе, и часть ее отдает на совершение вспомогательных тактов.
Рабочий цикл двухтактного карбюраторного Двигателя внутреннего сгорания осуществляется за два хода поршня или за один оборот коленчатого вала. Процессы сжатия, сгорания и расширения практически аналогичны соответствующим процессам четырёхтактного.
Сжатие первый такт. При движении поршня вверх он перекрывает продувочное 1 и выпускное 3 окна и сжимает ранее поступившую в цилиндр топливовоздушную смесь. Одновременно с этим в кривошипной камере 6 создается разрежение, и в нее через открывшееся впускное окно 5 поступает свежий заряд топливовоздушной смеси, приготовленной в карбюраторе 4.
Рабочий ход, выпуск и впуск -- второй такт. Когда поршень, идущий вверх, не доходит до в. м. т. на 25... 27° (по углу поворота коленчатого вала), в свече 2 проскакивает искра, которая воспламеняет топливо. Горение топлива продолжается до прихода поршня в в.м.т. После этого нагретые газы, расширяясь, толкают поршень вниз и тем самым совершают рабочий ход (см. рис 2, б). Топливовоздушная смесь, находящаяся в это время в кривошипной камере 6, сжимается.
В конце рабочего хода поршень вначале открывает выпускное окно 3, через которое выходят отработавшие газы, затем продувочное окно 1 (рис 2, в), через которое из кривошипной камеры в цилиндр поступает свежий заряд топливовоздушной смеси. В дальнейшем все эти процессы повторяются в такой же последовательности.
3.2 Промышленные тракторы, используемые в строительстве
Промышленные тракторы используются для разработки тяжелых грунтов, когда имеет место ударное взаимодействие орудия с грунтом.
И тем не менее на ближайшие годы самым массовым трактором в строительстве стал сельскохозяйственный ДТ-54, выпускавшийся в гораздо большем количестве, нежели челябинский С-80. Спору нет – у него были и преимущества перед тракторами ЧТЗ, особенно в условиях сельского строительства и в стесненных условиях городского. Если учесть, что впоследствии заводы ХТЗ, СТЗ (ВгТЗ), АТЗ, а позже и другие, на основе базовой модели разработали и освоили выпуск промышленных модификаций, предназначенных для агрегатирования с дорожными и строительными машинами, преимущества массовых сельскохозяйственных тракторов только нарастали.
Сейчас стоит сказать, что такое положение дел не совсем устраивало строителей и наркомат. Объемы работ нарастали, сроки поджимали. Мощных тракторов не хватало. Хиленькими ДТ-54 много не сделаешь. Требовался принципиально новый энергоемкий трактор конкретно промышленного назначения. Концентрация в едином агрегате большой мощности и соответствующей ей силы тяги придала бы машине качественно новые свойства.
Не удивительно, что с этого времени и в последующие годы Челябинский тракторный стал родоначальником целой гаммы мощных тракторов промышленного назначения.
Наиболее удачной конструкцией был признан американский трактор-тягач Caterpillar модели Д-7. Видимо, конструкция этого трактора оказала значительное влияние на дальнейшее развитие серии тракторов ЧТЗ, где и по сей день сохраняется преемственность.
3.3 Оборудование для гидромеханизации земляных работ (гидромониторы, землесосные снаряды, грунтовые насосы)
Гидромеханизация – способ механизации земляных и горных работ, при котором все или основная часть технологических процессов проводятся энергией движущегося потока воды. Основные технологические процессы гидромеханизации земляных работ включают: разрушение массивов горных пород (гидромониторами, землесосными снарядами или безнапорными потоками воды), напорный или безнапорный гидравлический транспорт, отвалообразование, намыв земляных сооружений (дамб, плотин и др.), обогащение полезных ископаемых. Водоснабжение гидроустановок осуществляется из рек или озёр без создания водохранилищ (прямое водоснабжение) или при помощи накопления воды в водохранилищах.
Гидромеханизация осуществляется с применением гидромониторов (в основном на карьерах) с самотёчным, напорным или самотечно-напорным транспортированием гидросмеси и землесосных снарядов (при вскрытии карьеров и в гидротехническом строительстве). Гидравлическая добыча полезных ископаемых производится при последующем мокром обогащении (с применением гидроклассификаторов, моечных желобов, обогатительных шлюзов, магнитных сепараторов, гидроциклонов, дуговых сит и др.). Благодаря применению гидромеханизации обеспечивается поточность технологических процессов, сокращаются капитальные затраты и сроки строительства объектов (по сравнению с «сухим» экскаваторным способом). Возможна полная автоматизация производственных процессов. Однако эффективное применение гидромеханизации ограничено климатическими условиями (заморозки в зимнее время), свойствами горных пород в массивах (крепкие, трудноразмываемые породы значительно снижают производительность гидроустановок), наличием водных ресурсов и др.
Совершенствование гидромеханизации осуществляется путём создания мощного износоустойчивого оборудования для гидротранспорта производительностью 10—15 тыс. м3 породы в час, конструирования машин для механической выемки и дробления трудно размываемых горных пород с целью их гидравлического транспортирования, разработки новых методов отвалообразование, позволяющих уменьшить площади гидравлических отвалов.
Гидромеханизация широко применяется в народном хозяйстве, главным образом в строительстве — производство земляных работ для намыва плотин, дамб, насыпей, проходки каналов, выемка грунта из котлованов, траншей, дноуглубительные работы и в горном деле: вскрышные работы, добыча полезных ископаемых на карьерах, со дна морей и океанов, в шахтах, гидротранспорт горных пород на большие расстояния (иногда несколько сотен км). Эффективно применяется гидромеханизация при выполнении относительно небольших объёмов работ в др. отраслях — сельском хозяйстве (очистка ирригационных каналов; добыча и намыв удобрительных илов из озёр; подача под напором жидких удобрений в зону корневой системы растений); в рыбной промышленности (для выгрузки рыбы из сетей и шаланд, транспортирование рыбы по трубам или желобам на рыбные заводы); на тепловых электростанциях (для гидротранспорта золы и шлака); в мостостроении (для выемки грунта из кессонов и котлованов).
Земснаряд (землесосный снаряд) представляет собой плавучее изделие с напорным свайным ходом и электроприводом, предназначенное для подводной разработки грунтов и добычи инертных материалов (песка, гравия) со дна водоемов и оборудованное необходимыми средствами для рабочих перемещений, транспортировки смеси грунта с водой (пульпы) по плавучему и магистральному пульпопроводам к месту сортировки и укладки. Все агрегаты и механизмы земснаряда смонтированы на разборном металлическом корпусе трюмного типа, состоящего из четырех понтонов.
Основным агрегатом земснаряда является грунтонасос с приводным электродвигателем, смонтированный в центральной части корпуса совместно с центробежным насосом, всасывающей и напорной магистралями. Грунтонасос предназначен для перекачивания гравийных, песчано-гравийных, песчаных и других абразивных гидросмесей с места добычи до места укладки. Использование грунтонасосов с различными напорными характеристиками и производительностью дает возможность транспортировать водогрунтовую смесь на расстояние 3000 м, а со станцией перекачки до 5000 м.
3.4 Гравитационные бетоносмесители циклического действия
Бетоносмесители СБР-800 и СБР-1200 являются мобильными бетономешалками гравитационно-циклического принципа действия. Смесители оборудованы реверсом смесительного барабана, для выгрузки готовой смеси и гидравлическим скиповым подъёмником для загрузки сухих составляющих. Это позволяет использовать их в качестве небольших, передвижных бетоносмесительных установок.
Данная серия бетономешалок предназначена для приготовления различных видов бетона, с крупностью заполнителя до 70 мм, строительных растворов и других строительных смесей. В дополнительной комплектации бетоносмесители СБР могут оборудоваться дизельным двигателем, что делает возможным их эксплуатацию на не электрифицированных объектах.
Бетоносмеситель циклический гравитационный СБР-132 предназначен для приготовления подвижных бетонных смесей с крупностью заполнения до 40 мм и строительных растоворов. Бетоносмеситель может быть использован для приготовления кормовых смесей, перемешивания удобрений, посевных и других сыпучих материалов. Бетоносмеситель может работать, при температуре окружающей среды от +5 град С до +40 град.С.
Основными узлами бетоносмесителя являются барабан смесительный, траверса, рама, механизм опрокидывания и фиксации барабана, опоры левая и правая и электрооборудование. Привод вращения барабана бетоносмесителя осуществляется от электродвигателя, установленного не подмоторной плите, являющейся одновременно натяжным устройством. Поворот положения смесительного барабана в процессе работы осуществляется вручную с помощью маховика и устанавливается в необходимом положении фиксатором. Пуск бетоносмесителя осуществляется автоматическим выключателем, установленном на кожухе, имеющем защиту от короткого замыкания и токов перегрузки.
3.5 Домкраты
Домкрат представляет собой устройство с ручным приводом, предназначенное для поднятия грузов. Домкрат отличается компактностью конструкции, простотой в обслуживании и надежностью в эксплуатации, позволяя осуществлять плавные подъем груза и его точную остановку на заданной высоте при небольшом рабочем усилии, благодаря высокому передаточному отношению между площадями поперечного сечения цилиндра и плунжера насоса.
Разновидности домкратов:
- Домкраты гидравлические бутылочные
Домкрат гидравлический (Дг), представляет собой устройство с ручным приводом, предназначенное для поднятия грузов.
Домкрат гидравлический отличается компактностью конструкции, простотой в обслуживании и надежностью в эксплуатации, позволяя осуществлять подъем груза при небольшом рабочем усилии, благодаря высокому передаточному отношению между площадями поперечного сечения цилиндра и плунжера насоса.
- Домкраты гидравлические двухштоковые (телескопические)
Благодаря наличию телескопического штока, гидравлический домкрат отличается компактными габаритами и позволяет поднимать груз на большую высоту.
- Домкраты специальные зацепные
Зацепные (низкоподхватные) домкраты очень удобны для подъёма тяжёлых грузов с малой высоты, для поднятия железнодорожного полотна при ремонтных работах, а также во время строительных работ.
- Домкраты подкатные
Подкатной домкрат знаком практически каждому автомобилисту, поскольку является одним из самых распространенных механизмов для подъема автомобилей во время ремонтных и монтажных работ.
Подкатные домкраты оснащены эргономичной рукояткой, переключателем режимов подъема/опускания, съемной грузовой площадкой. Конструкция домкрата самоцентрируется при подъеме груза.
- Домкраты реечные
Домкрат реечный представляет собой устройство с ручным приводом, предназначенное для поднятия грузов. Др отличается компактностью конструкции, простотой в обслуживании и надежностью в эксплуатации, позволяя осуществлять плавные подъем груза и его точную остановку на заданной высоте при небольшом рабочем усилии.
Особенностью данного устройства является низкое расположение подъемной площадки - 90 мм от пола. Домкрат может быть использован в качестве лебедки. Опускание под нагрузкой - пошаговое.
- Винтовые домкраты промышленные
Домкраты винтовые применяются для подъема грузов, выравнивания/удержания строительных конструкций или опалубки, монтажных и демонтажных работах.
Отличаются простотой конструкции, не зависят от окружающих факторов - температура, влажность, рабочая жидкость. Могут использоваться в качестве подставки при проведении работ.
-Винтовые домкраты низкоподхватные
Область применения домкратов винтовых с низким подхватом та же, что и у винтовых, только расширена за счет низкопосаженной лапы, которая дает возможность зацеплять, поднимать и удерживать грузы с более низкой высоты.
Эта особенность очень удобна при подъеме тяжелых низких грузов, железнодорожного полотна, строительных материалов и т.п.
3.6 Передвижные штукатурные агрегаты на поршневых насосов
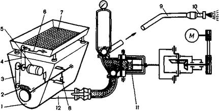
Штукатурный агрегат на базе поршневого насоса с качающимся цилиндром производительностью 1 м3/ч (рис. 3.6.1, а) предназначен для приема, процеживания, побуждения, подачи и нанесения штукатурных растворов на обрабатываемые поверхности. Он состоит из двух легко монтируемых и демонтируемых основных узлов, смонтированных на самостоятельных рамах с колесами — растворонасоса и приемного бункера с виброситом, соединенных между собой резинотканевым рукавом с быстроразъемным соединением. В комплект агрегата (рис. 3.6.1, 6) входят смонтированные в технологической последовательности: приемный бункер с побудителем для предупреждения расслаивания растворной смеси и виброситом для процеживания раствора, поршневой растворонасос, подающий раствор к месту укладки, разборные раствороводы с набором форсунок для нанесения раствора на обрабатываемую поверхность. Привод побудителя осуществляется от электродвигателя через клинорсменную передачу и червячный редуктор.

Рис. 3.6.1. Штукатурный агрегат на базе поршневого насоса
Работа штукатурного агрегата производится следующим образом. Готовый раствор, доставленный самосвалом или авторастворо-возом, выгружают на вибросито бункера. Эксцентриковый вал вибросита сообщает колебания с частотой 50 Гц подвижной раме с ситом и приводится во вращение электродвигателем через цепную передачу. Процеженный виброситом раствор поступает в приемный бункер с побудителем, откуда по всасывающему рукаву засасывается в рабочую камеру растворонасоса и затем подается по напорному раствороводу к форсунке и наносится на обрабатываемую поверхность.
3.7 Машины и оборудование для отделки бетонных и цементно-песочных полов
К качеству поверхности бетона в настоящее время предъявляются повышенные требования. Спектр оборудования, необходимого современному строителю, широк. Это и оборудование, непосредственно применяемое для качественной укладки бетона: направляющие, глубинные вибраторы, виброрейки, вакуумные установки, и оборудование для финишной обработки поверхности: дисково-лопастные затирочные машины ("вертолеты"), шлифовально-мозаичные машины, и вспомогательное оборудование: нарезчики швов, полировальные машины и т.д.
Основным оборудованием, которое применяют в своей практике строители, по праву считаются лопастные затирочные машинки. Потому что от качества оборудования и навыков работы с ним зависит внешний вид и свойства поверхности, а ее дефекты проявляются незамедлительно. Бетонная поверхность, обработанная такой машиной, не только имеет прекрасные декоративные свойства (гладкость, ровность), но и значительно уплотнена, что исключает образование на поверхности "цементного молочка".
Заглаживающие машины отвечают всем требованиям, которые предъявляет современный строитель к данному виду оборудования - это высокая надежность и повышенная износостойкость всех узлов и агрегатов, долговечность, простота в обслуживании и эксплуатации.
Спектр оборудования весьма широк - от универсальных однороторных машин с рабочим диаметром лопастей 60 см до высокопроизводительных двухроторных машин, предназначенных для совершенной отделки бетонных полов на больших площадях. Заглаживающие машины с рабочим диаметром лопастей 60 и 75 см имеют уникальный запатентованный свободно вращающийся круг, благодаря которому Вы можете производить затирку бетонного пола у стен и вокруг колонн без опасения испортить машину. Заглаживающие машины с рабочим диаметром лопастей 90 и 120 см предназначены для затирки бетонного пола на средних площадях (до 500 м²). Для больших производственных площадей (свыше 500 м²) мы рекомендуем применять двухроторные машины.
Особенности затирочных машин:
Балансировка.Правильно отцентрированные двигатель и редуктор, что позволяет равномерно распределять вес машины на все 4 лопасти.
Прочная трехтрубная ручка управления. Специализирована для обеспечения лучшей рычажной передачи и удобства управления. Три прочные стальные трубы, спаянные сбоку, предназначены для обеспечения полной устойчивости и прочности по всей длине ручки.
Точная регулировка хода лопасти. Винтовой стопор обеспечивает точную регулировку лопасти. Выключатель центральной безопасности.
В случае, если оператор теряет контроль над управлением машиной, центробежная сила автоматически приводит выключатель в положение "выключено" и отключает двигатель. Данная команда может быть также использована и для обычной регулировки положения включения и выключения.
Легкая и быстрая замена лопастей. Благодаря удобному расположению болтов крепления лопастей их замена занимает мало времени
Дополнительные комплектующие детали. Подъемный крюк - предназначен для транспортировки машины грузоподъемными механизмами. Переносная ручка на моделях 90 и 120 см позволяет переносить машину вдвоем. Складная ручка на моделях 60 и 75 см позволяет легко переносить и хранить машину.
3.8 Дискофрезерная машина
Машина предназначена для фрезерования, очистки бетонных поверхностей в промышленном, гражданском и жилищном строительстве в соответствии с главой СНиП, на дорогах, мостах, автостоянках, взлетно-посадочных полосах и т.п.
Дискофрезерная машина ДФМ-ГПИ-58А — это усовершенствованная модель машины ДФМ-50А, выполненная на базе трактора Т-100МГП Состоит из рабочего органа в виде диска с прикрепленными к нем) зубьями, редуктора отбора мощности, механизма привада (зубчатого редуктора, расположенного внутри корпуса фрезы), двустороннего карданного привода, гидроцилиндров подъема и опускания фрезы и грунтоподборщика Предназначена машина для проходки узких щелей в прочных и мерзлых грунтах.
Дискофрезерная машина ДФМ-ГПИ-64. Разработана Горьковским политехническим институтом для вскрытия асфальтовых и бетонных покрытий Фрезерное оборудование навесного типа монтируется на тракторе «Беларусь» МТЗ-5МС. Предохранительная многодисковая фрикционная муфта масляного типа позволяет избежать поломок основных узлов машины при встрече резцов с препятствиями Режущий инструмент (резцы от баровых машин) армирован твердым сплавом ВК-8. Аналогичную конструкцию имеют и другие дискофрезерные машины, например фрезерные машины ДФМ-2 и ДФМ-4 Тульского опытно экспериментального завода.
Недостатком дисковых машин является необходимость при разработке грунта на большую глубину иметь фрезы большого диаметра. Так, при прорезании щели на глубину 1 м требуется фреза диаметром 2,8— 3 м, что приводит к значительному увеличению металлоемкости и уменьшению маневренности машины. Кроме того, к недостаткам относятся большой износ режущих органов и поломки при работе в мерзлых грунтах с включениями.
Список литературы
1. Белецкий Б. Ф. Строительные машины и оборудование: Справочное пособие (для производственников, студентов строительных вузов, факультетов, техникумов).- Ростов н/Д: Феникс, 2002.-595 с.
2. Грузоподъемные машины для монтажных и погрузочно-разгрузочных работ: Учебно-справочное пособие/ М.Н. Хальфин: А.Д. Кирнев. Г.В. Несветаев, В.Б. Маслов. А.А. Козынко.-Ростов н/Д.: Феникс, 2006.-608 с.: ил. - (высшее образование).
3. Доценко А.И. Строительные машины и основы автоматизации. Учеб. Для строит. Вузов. - М.: Высш. Шк.. 1995. - 400 с.
4. Расчеты крановых механизмов и их деталей. ВНИИПТМАШ. Издание 3-е, перераб. и доп. - М.: «Машиностроение», 1971. - 496 с.
5.Александров М.П. Подъемно - транспортные машины: Учебник для машиностроит. спец. ВУЗов. - 6-е изд., перераб. - М: «Высшая школа», 1985.-520 с., ил.
6. Тайц В.Г. Безопасная эксплуатация грузоподъемных машин: Учебное пособие для вузов. - М.: ИКЦ «Академкнига», 2005. - 383 с.: ил.
7. Александров М.П. Грузоподъемные машины: Учебник вузов.- М.: Изд - во МГТУ им. Н. Э. Баумана - Высшая школа. 2000. - 552 с.
8. Справочник по кранам: В 2 т. Т.1. Характеристики материалов и нагрузок. Основы расчета кранов, их приводов и металлических конструкции / В.И. Брауде, М.М. Гохберг, М. Е.Звягин и др.; Под общ. ред. М.М. Гохберга. -Л.: Машиностроение. Ленннгр. отд-ние, 1988. - 536 с.: ил.
9. Справочник по кранам: В 2 т. Т.2. .-Характеристики и конструктивные схемы кранов. Крановые механизмы, их детали и узлы. Техническая эксплуатация кранов ' М.П. Александров, М.М Гохберг, А.А. Коровин и др.: Под общ. ред. М.М. Гохберга. Л.: Маппмкч: I роение. Ленингр. отделение. 1988. -- 559 с.: ил.
10. Башенные краны / Л.А. Невзоров, А.А. Заремкмй, Л.М. Волин и др; - М: Машиностроение 1979.
11. Колесник Н.П. Расчет строительных кранов. - Киев: ВШ, 1985. 1 1. Справочник по кранам / под ред. А.И. Дукельского. - Т. 2 - М: Машиностроение. 1973.
12. Типовая инструкция для крановщиков (машинистов) по безопасной эксплуатации башенных кранов (РД 10-93-95) Федеральный горный и промышленный надзор России 30 мая 1997 г. № 28
13. Правила устройства и безопасной эксплуатации грузоподъемных кранов ПБ 10-382-00



