Аккумуляторная батарея (работа 2)
АККУМУЛЯТОРНАЯ БАТАРЕЯ
Назначение и устройство автомобильных аккумуляторов
Автомобильная аккумуляторная батарея предназначена для электроснабжения стартера при пуске двигателя внутреннего сгорания и других потребителей электроэнергии при неработающем генераторе или недостатке развиваемой им мощности. Работая параллельно с генераторной установкой, батарея устраняет перегрузки генератора и возможные перенапряжения в системе электрооборудования в случае нарушения регулировки или при выходе из строя регулятора напряжения, сглаживает пульсации напряжения генератора, а также обеспечивает питание всех потребителей в случае отказа генератора и возможность дальнейшего движения автомобиля за счет резервной емкости. Наиболее мощным потребителем энергии аккумуляторной батареи является электростартер. В зависимости от мощности стартера и условий пуска двигателя сила тока стартерного режима разряда может достигать нескольких сотен и даже тысяч ампер. Сила тока стартерного режима разряда резко возрастает при эксплуатации автомобилей в зимний период (пуск холодного двигателя). Батарея на автомобиле входит в состав не только системы электростартерного пуска, но и других систем электрического и электронного оборудования. После разряда на пуск двигателя, и питание других потребителей батарея подзаряжается от генераторной установки. Частое чередование режимов разряда и заряда (циклирование) - одна из характерных особенностей работы батарей на автомобилях. При большом разнообразии выпускаемых моделей автомобилей и климатических условий их эксплуатации, в массовом производстве батарей наряду с определением оптимальных экономических параметров должное внимание уделяется их унификации, повышению надежности и сроков службы. Надежность и срок службы аккумуляторных батарей находятся в прямой зависимости от технического уровня их конструкций и условий работы на автомобиле. Обычно аккумуляторные батареи на автомобилях после пуска двигателя работают в режиме подзаряда и сконструированы таким образом, чтобы развивать достаточную мощность в кратковременном стартерном режиме разряда при низких температурах. Однако на некоторых видах автомобилей, где установлено электро- и радиооборудование повышенного энергопотребления, аккумуляторные батареи могут подвергаться длительным разрядам токами большой силы. Батареи на таких автомобилях должны быть устойчивы к глубоким разрядам. Условия, в которых работает аккумуляторная батарея, зависят от типа, назначения, климатической зоны эксплуатации автомобиля, а также от места установки ее на автомобиле. Режимы работы аккумуляторной батареи на автомобиле определяются температурой электролита, уровнем вибрации и тряски, периодичностью, объемом и качеством технического обслуживания, параметрами стартерного разряда, силой токов и продолжительностью разряда и заряда при циклировании, уровнем надежности и исправности электрооборудования, продолжительностью работы и перерывов в эксплуатации. Наибольшее влияние на работу аккумуляторных батарей оказывают место размещения и способ крепления батарей на автомобиле, интенсивность и регулярность эксплуатации автомобиля (среднесуточный пробег), температурные условия эксплуатации (климатический район, время года и суток), назначение автомобиля, соответствие характеристик генераторной установки, аккумуляторной батареи и потребителей электроэнергии.
Принцип работы свинцового аккумулятора
Свинцовые аккумуляторы являются вторичными химическими источниками тока, которые могут использоваться многократно. Активные материалы, израсходованные в процессе разряда, восстанавливаются при последующем заряде. Химический источник тока представляет собой совокупность реагентов (окислителя и восстановителя) и электролита. Восстановитель (отрицательный электрод) электрохимической системы в процессе токообразующей реакции отдает электроны и окисляется, а окислитель (положительный электрод) восстанавливается. Электролитом, как правило, является жидкое химическое соединение, обладающее хорошей ионной и малой электронной проводимости.
Устройство и конструктивные схемы батарей
Различные типы стартерных аккумуляторных батарей, имеют свои конструктивные особенности, однако в их устройстве много общего. По конструктивно-функциональному признаку выделяют батареи: обычной конструкции - в моноблоке с ячеечными крышками и межэлементными перемычками над крышками; батареи в моноблоке с общей крышкой и межэлементными перемычками под крышкой; батареи необслуживаемые - с общей крышкой, не требующие ухода в эксплуатации. Свинцовый аккумулятор, как обратимый химический источник тока, состоит из блока разноименных электродов, помещенных в сосуд, заполненный электролитом. Стартерная батарея в зависимости от требуемого напряжения содержит несколько последовательно соединенных аккумуляторов. В стартерных батареях собранные в полублоки 3 и 12 (рис 2. 1), положительные 15 и отрицательные16 электроды (пластины) аккумуляторов размещены в отдельных ячейках моноблока (корпуса) 2.
Разнополярные электроды в блоках разделены сепараторами 9. Батареи обычной конструкции выполнены в моноблоке с ячеечными крышками 7. Заливочные отверстия в крышках закрыты пробками 5. Межэлементные перемычки 6 расположены над крышками. В качестве токоотводов предусмотрены полюсные выводы 8. Кроме того, в батарее может быть размещен предохранительный щиток. В конструкции батареи предусматривают и дополнительные крепежные детали.

Электроды
Электроды в виде пластин намазного типа имеют решетки, ячейки которых заполнены активными веществами. В полностью заряженном свинцовом аккумуляторе диоксид свинца положительного электрода имеет темно-коричневый цвет, а губчатый свинец отрицательного электрода - серый цвет. Решетки электродов выполняют функции подвода тока к активному веществу и механического удержания активного вещества. Решетки электродов имеют рамку 2 (рис 2. 2), вертикальные ребра и горизонтальные жилки 4, ушки 1 и по две опорные ножки 3 (кроме решеток отрицательных электродов необслуживаемых батарей). Ребра могут быть и наклонными. Профиль ребер и жилок обеспечивает легкое извлечение решетки из литейной формы. Горизонтальные жилки по толщине обычно меньше вертикальных ребер и располагаются в шахматном порядке. Рамка, как правило, намного массивнее жилок. Освинцованная сетка металлической решетки с увеличенной поверхностью (рис. 2. 2, д) имеет лучшее сцепление с активным веществом электрода, уменьшая действие коррозии и увеличивая срок службы батареи.

Решетка электрода должна обеспечивать равномерное распределение тока по всей массе активных материалов, поэтому имеет форму, близкую к квадратной. Толщина решеток электродов выбирается в зависимости от режимов работы и установленного срока службы аккумуляторной, батареи. Решетки отрицательных электродов имеют меньшую толщину, так как . они в меньшей степени подвержены деформации и коррозии. Масса решетки составляет до 50% массы электрода. Решетки электродов изготавливают методом литья из сплава свинца и сурьмы с содержанием сурьмы от 4 до 5% и добавлением мышьяка (0,1-0,2%). Сурьма увеличивает стойкость решетки против коррозии, повышает ее твердость, улучшает текучесть сплава при отливке решеток, снижает окисление решеток при хранении. Добавка мышьяка снижает коррозию решеток. Однако сурьма оказывает каталитическое воздействие на электролиз воды, содержащейся в электролите, снижая' потенциалы разложения воды на водород и кислород до рабочих напряжений генераторной установки. Наличие сурьмы в решетках положительных пластин приводит в процессе эксплуатации батареи к переносу части сурьмы на поверхность активной массы отрицательных пластин и в электролит, что сказывается на повышении потенциала отрицательной пластины и понижении электродвижущей силы (ЭДС) в процессе эксплуатации. При постоянном напряжении генератора понижение ЭДС батареи приводит к повышению зарядного тока, расходу воды и обильному газовыделению. Для снижения интенсивности газообразования решетки электродов для необслуживаемых аккумуляторных батарей изготавливают из свинцово-кальциево-оловянистых или малосурьмянистых (до 2,5% сурьмы) сплавов. Содержание 0,05-0,09% кальция, 0,5-1 % олова, а также добавление 1,5% кадмия, обеспечивают повышение напряжения . начала газовыделения до 2,45 В и в 15-17 раз снижает потерю воды от электролиза. Это позволяет контролировать и корректировать уровень электролита в необслуживаемой батарее не чаще одного раза в год. Отсутствие выделений взрывоопасных смесей водорода и кислорода облегчает задачу утепления и обогрева батарей. Ячейки решеток электродов заполнены пористым активным веществом (пастой). Основой пасты электродов является свинцовый порошок, замешиваемый в водном растворе серной кислоты. С целью увеличения прочности активного вещества в пасту для положительных электродов добавляют полипропиленовое волокно. Уплотнение активного вещества отрицательных электродов в процессе эксплуатации предотвращается благодаря добавлению в пасту расширителей (сажа, дубитель БНФ, гумматы, получаемые из торфа и т. д. ) в смеси с сернокислым барием. Тестообразную пасту вмазывают в решетки электродов. После намазки, прессования и сушки электроды подвергают электрохимической обработке (формированию). Пористая структура активного вещества после формирования электродов обеспечивает лучшее проникновение электролита в глубинные слои, и повышает коэффициент использования активных материалов. Активная поверхность пористого вещества (поверхность, непосредственно контактирующая с электролитом) в сотни раз превышает геометрическую поверхность электрода. Отрицательные и положительные электроды с помощью бареток соединяют в полублоки. Баретки имеют мостики, к которым своими ушками привариваются решетки электродов и выводные штыри (борны). Борны являются токоотводами полублоков пластин. Мостики обеспечивают необходимый зазор между электродами. Число параллельно соединенных электродов в полублоках увеличивается с возрастанием номинальной емкости аккумулятора. Полублоки объединены в блоки электродов. В зависимости от предъявляемых к батарее требований соотношение между количеством положительных и отрицательных электродов может быть различным, однако число разнополярных электродов отличается не более чем на единицу. Число отрицательных электродов в блоках на один больше, чем положительных. В токообразующих реакциях участвует относительно большее количество активного вещества положительных электродов. Находясь между двумя отрицательными электродами, положительный электрод при заряде и разряде меньше деформируется. При таком счете пластин положительные электроды, как правило, на 10-20% толще отрицательных, а крайние отрицательные электроды имеют толщину на 40% меньше положительных. В некоторых батареях количество разнополярных электродов одинаково или больше числа положительных электродов. В этих случаях электроды имеют одинаковую толщину. Электродный блок с большим числом положительных пластин имеет меньшую материалоемкость. В некоторых конструкциях батарей блок электродов (рис. 2. 3) дополнительно крепится к баретке 1 с помощью полиуретана 2, что значительно повышает стойкость батареи к вибрации.

Сепараторы
Электроды в блоках разделены сепараторами. Сепараторы предотвращают короткое замыкание между разнополярными электродами, обеспечивают необходимый для высокой ионной проводимости запас электролита в междуэлектродном пространстве и предотвращают возможность переноса электролита от одного электрода к другому. Кроме того, сепараторы фиксируют зазор между электродами и исключают вероятность их сдвига при тряске и вибрации. Качество сепараторов оказывает существенное влияние на работу свинцового аккумулятора. От омического сопротивления сепараторов зависит внутреннее падение напряжения в батарее и уровень напряжения на выводах электростартера. Сепараторы замедляют оплывание активного вещества положительных электродов и скорость сульфатации отрицательных электродов, продлевая срок службы батареи. Сепараторы должны обладать высокой пористостью, достаточной механической прочностью, кислотостойкостью, эластичностью, минимальной гигроскопичностью при длительном хранении батареи в сухозаряженном состоянии и сохранять свои свойства в широком диапазоне температур. Электросопротивление сепаратора, пропитанного электролитом, должно быть минимальным по отношению к сопротивлению такого же по объему и геометрическим размерам слоя электролита. Для массовых автомобильных батарей важна также дешевизна и доступность сырья, простота изготовления. В свинцовых аккумуляторах применяют сепараторы из мипора, мипласта, поровинила, пластипора и винипора. В стартерных свинцовых аккумуляторных батареях устанавливают сепараторы из мипора и мипласта. Мипор (микропористый эбонит) получают в результате вулканизации смеси натурального каучука с силикагелем и серой. К недостаткам сепараторов из ми-пора относятся хрупкость, малая скорость пропитки электролитом, дефицитность сырья и большая стоимость. Мипласт или микропористый полихлорвинил изготовляют из полихлорвиниловой смолы путем спекания. Технологический процесс изготовления сепараторов из мипласта проще, сырье менее дефицитно. Мипласт быстро пропитывается электролитом, обладает низким относительным электросопротивлением и достаточной механической прочностью. Имея меньшую пористость и больший диаметр пор по сравнению с мипором, мипласт менее стоек к образованию токопроводящих мостиков между электродами. Срок службы аккумуляторных батарей с сепараторами из мипласта меньше. Сепараторы из мипора и мипласта не должны иметь влажность более 2%, а также сквозных микроотверстии, которые можно обнаружить при просвечивании электрической лампой мощностью 100 Вт, расположенной на расстоянии 100 мм от сепаратора. Механическую прочность сепаратора оценивают по сопротивлению на разрыв, по способности выдерживать изгиб вокруг валика диаметром 60 мм (сепараторы из мипора) и диаметром 45-60 мм (сепараторы из мипласта). Сепараторы из мипора и мипласта представляют собой тонкие (1-2 мм) прямоугольные пластины с трапециедальными, круглыми или овальными вертикальными выступами (рис. 2. 4), которые обращены к положительному электроду для лучшего доступа к нему электролита. Небольшие ребра высотой 0,15-0,2 мм со стороны, обращенной к отрицательному электроду, снижают вероятность "прорастания" сепаратора, улучшают условия диффузии отрицательного электрода. Размеры сепараторов из мипора и мипласта на 3-5 мм по ширине и на 9-10 мм по высоте больше, чем у электродов. Это исключает появление токопроводящих мостиков по торцам пластин и сепараторов. В необслуживаемых батареях применяют пленочные сепараторы и сепараторы-конверты (рис. 2. 5), образуемые двумя сваренными с трех сторон пластиковыми сепараторами. При установке в сепаратор-конверт одного из аккумуляторных электродов, . например, отрицательного, замыкание электродов разноименной полярности шламом исключается. Это позволяет устанавливать блоки электродов непосредственно на дно моноблоков без призм и шламового пространства. При сохранении высоты батареи можно более чем в 2 раза увеличить высоту h (рис 2. 6) слоя электролита над электродами в ячейках моноблока и, следовательно, ту часть объема электролита, которая может быть израсходована в период эксплуатации между очередными добавками дистиллированной воды. При исправном электрооборудовании и отсутствии нарушений в эксплуатации необходимость в добавлении воды в батарею может возникнуть не чаще 1 раза в 1-2 года.

Моноблоки. Крышки. Пробки
Моноблоки стартерных аккумуляторных батарей изготавливают из эбонита или другой пластмассы. Тяжелые и хрупкие моноблоки из эбонита в настоящее время заменяются моноблоками из термопласта (наполненного . полиэтилена), полипропилена и полистирола. Высокая прочность полипропилена позволила уменьшить толщину стенок до 1,5-2,5 мм и тем самым уменьшить массу моноблока и батареи. Тонкие стенки моноблока из полипропилена делают более жесткими за счет рационального выбора конструктивных форм моноблоков. Достаточная прозрачность полипропилена упрощает контроль уровня электролита в батарее. Внутри моноблок разделён прочными непроницаемыми перегородками 2 (рис. 2. 7) на отдельные ячейки по числу аккумуляторов в батарее, В ячейках моноблока размещают собранные в блоки электроды и сепараторы. В батареях с обычными сепараторами на дне каждой ячейки предусмотрены четыре призмы 1, образующие пространство для шлама (активных веществ электродов, осыпающихся при работе батареи на дно ячеек). На опорные призмы своими ножками устанавливают электроды (разноименные электроды на свои две призмы), что исключает их короткое замыкание шламом. На перегородках моноблока предусмотрены вертикальные (Рис. 2. 8. ) выступы (пилястры) 3 для лучшей циркуляции электролита у электродов прилегающих к перегородкам.

При использовании эбонита для изготовления моноблока, крышки и других корпусных деталей, масса их достигает 15-18% от полной массы аккумуляторной батарей. Кроме того, эбонит отличается повышенной хрупкостью при низких (отрицательных) температурах. Достаточная механическая прочность моноблока из эбонита достигается лишь при толщине стенок до 9-12 мм. Соответственно, при большой толщине стенок масса эбонитового моноблока доходит до 5-12 кг. Применение морозоустойчивого полипропилена (сополимера пропилена с этиленом), дало возможность при сохранении достаточной механической прочности при, отрицательных температурах существенно уменьшить массу моноблока (более чем в 5 раз). Толщина стенок моноблоков из пластмасс уменьшилась до 1,5-3,5 мм. В каждом аккумуляторе батареи, кроме необслуживаемых, устанавливают перфорированные предохранительные щитки из эбонита или пластмассы. Они предохраняют верхние кромки пластин и сепараторов от повреждений при измерении плотности, температуры и уровня электролита. Крышки из эбонита или пластмассы различного конструктивного исполнения могут закрывать отдельные аккумуляторные ячейки. Наиболее распространена конструкция крышки с двумя крайними отверстиями для вывода борнов блоков электродов и одним средним резьбовым отверстием для заливки электролита в аккумуляторные ячейки и контроля его уровня. В крайние отверстия отдельных крышек запрессованы свинцовые втулки. В местах стыка отдельных крышек со стенками моноблока эбонитовые аккумуляторные батареи герметизируются битумной мастикой. Мастика должна быть химически стойкой и эластичной, иметь низкую температуру плавления, при температурах от -40 до 60°С не должна отставать от стенок моноблока и крышек, разрываться и трескаться. Общие крышки из пластмассы приваривают или приклеивают к моноблокам. Контактно-тепловая сварка пластмассового моноблока и общей крышки обеспечивает надежную герметизацию во всем диапазоне температур окружающей среды, на который рассчитана эксплуатация аккумуляторной батареи. Такой способ соединения общей крышки с пластмассовым моноблоком применен в батарее 6СТ-190А для тяжелых грузовиков с дизелями. Заливочные отверстия в крышках унифицированы по группам с метрической резьбой М20, М24 и МЗО и закрываются пробками с вентиляционными отверстиями. Пробки изготавливают из эбонита, полиэтилена, полистирола или фенолита. Пластмассовые пробки имеют меньшую массу и большую прочность. Чтобы предотвратить вытекание электролита, между уплотнительным бортиком корпуса пробки 1 (рис, 2. 10) и заливной горловиной крышки устанавливают резиновую шайбу 3. Герметизация может обеспечиваться также конусным бортиком 5, плотно прилегающим к горловине отверстия в крышке. В новых пробках . предусмотрен пластмассовый уплотнительный элемент 6, распложенный на бортике пробки. Пробки имеют встроенные отражатели 4 и 7, которые не позволяют электролиту выплескиваться через вентиляционные отверстия. В пробках новой конструкции отражатель 7 выполнен, в виде лепестков. Для хранения в герметичном состоянии в сухозаряженных батареях над вентиляционным отверстием пластмассовой пробки предусмотрен глухой прилив 2. При вводе батареи в эксплуатацию прилив пробки срезается. Электролит через вентиляционное отверстие не должен выливаться при наклоне аккумуляторной батареи от нормального рабочего положения на угол 45°. Применение общей крышки (особенно, из термопластичных материалов) предоставляет широкие возможности для механизации и автоматизации, производства аккумуляторных батарей, а также для конструктивных усовершенствований, позволяющих, облегчить обслуживание батареи в эксплуатации. Конструкция некоторых крышек из полипропилена обеспечивает централизованную заливку электролита в батарею и общий газоотвод. При наличии общей крышки можно устанавливать блок пробок на несколько заливных горловин, которые располагаются выше вентиляционных отверстий. Вытекающий из заливных горловин электролит через вентиляционные отверстия может поступать обратно в ячейки моноблока. Блок пробок может быть выполнен в виде пластмассовой планки 8 (см; рис. 2. 10, г), в которую вставлено необходимое число безрезьбовых пробок 9. Пробки могут иметь некоторую свободу перемещения в планке для центрирования их с заливными горловинами. В некоторых конструкциях пробки выполняются заодно с планкой.
Межэлементные перемычки. Выводы

Для последовательного соединения аккумуляторов в батарее используют межэлементные перемычки, которые припаивают к борнам бареток полублоков в таком порядке, чтобы соединить между собой полублок отрицательных пластин одного аккумулятора с полублоком положительных пластин рядом расположенного аккумулятора. При соединении борна с межэлементной перемычкой к ним приваривается верхняя часть свинцовой втулки, запрессованной в крышке, чем обеспечивается надежное уплотнение отверстий в местах выхода борнов (рис. 2. 11). Межэлементные перемычки из свинцово-сурьмянистого сплава устанавливают снаружи над крышкой, через перегородки под крышкой и пропускают через отверстие в пластмассовой перегородке (рис. 2. 12). Аккумуляторы соединяют между собой путем вдавливания металла плоских борнов 2, имеющих трапецеидальную форму. Борны располагают около отверстия в перегородке и далее с помощью пуансонов 4 в сварочных клещах часть металла борнов вдавливается в отверстия до появления электрического контакта между борнами соседних аккумуляторов. После появления контакта между соседними борнами в отверстии перегородки к сварочным клещам подается электрический ток для контактной сварки борнов. Описанный процесс соединения аккумуляторов через перегородки обеспечивает однородную структуру межэлементной перемычки и, герметичность между аккумуляторами. Повышенную устойчивость к механическим нагрузкам (тряска, вибрация) обеспечивает другой способ, соединения аккумуляторов в батареи, применяемый при производстве батарей 6СТ-190А. Процесс осуществляется в две стадии. Перегородки 1 (рис. 2. 14) моноблока имеют в верхней части углубления (пазы) 2, через которые сначала с помощью специальной литейной формы 7 место сварки, борнов герметизируется пластмассой, из которой изготовлен моноблок. Bокруг соединения образуется своеобразный чехол, который служит также дополнительным упором для блока, электродов 6. Укороченные межэлементные перемычки через перегородки, полиэтиленовых и полипропиленовых моноблоков позволяют уменьшить внутреннее сопротивление батареи (рис. 2. 15) и расход свинцового сплава. Снижение потерь напряжения на соединительных деталях позволяет, иметь на 0,1-0,ЗВ большее напряжение на выводах батареи при ее работе в стартерном режиме. Расход свинцово-сурьмянистых сплавов снижается на батареях до 100 Ач на 0,5-0,9 кг, а на батареях емкостью свыше 100 Ач на 1,5-3 кг. Стартерные аккумуляторные батареи с общими крышками и скрытыми перемычками становятся неремонтопригодными, но это отвечает современным тенденциям, согласно которым капитальный ремонт экономически нецелесообразен.

С целью уменьшения внутреннего падения напряжения в аккумуляторных батареях большой емкости борны и межэлементные перемычки выполняются в виде освинцованных стержней из меди, имеющей в 12 раз большую электропроводность по сравнению освинцово-сурьмянистыми сплавами. Поперечные сечения борнов и межэлементных перемычек автомобильных батарей выбираются из условия ограничения падения напряжения на каждом из борнов до 16 мВ и на межэлемёнтных перемычках -до 20 мВ. К выводным борнам крайних аккумуляторов приваривают конусные полюсные выводы, размеры выводов стандартизованы. Диаметр конуса у основания положительного вывода на 2 мм больше чем у отрицательного. Этим исключается вероятность неправильного включения батареи в систему электрооборудования. Некоторые аккумуляторные батареи имеют полюсные выводы с отверстиями под болты или оба типа выводов. Узлы пайки и токоведущие детали батарей должны выдерживать прерывистый разряд током силой 9С20 (C20 - номинальная емкость батареи при двадцатичасовом разряде), но не выше силы разрядного тока 1700 А в течение четырех циклов.
Детали крепления и переносные устройства
Для удобства размещения аккумуляторных батарей на автомобилях необходима унификация их размеров по ширине и высоте, что связано с унификацией размеров электродов. В некоторых случаях необходима унификация и по длине батареи.

Это позволяет без переделки посадочных мест устанавливать на автомобилях одной модели батареи разной емкости в зависимости от назначения машины и условий ее эксплуатации. В этих же целях желательно применять крепление батарей за выступы в нижней части моноблока вдоль длинной стороны для батарей емкостью до 100 Ач и по ширине при большей емкости. Выступы отливаются как одно целое с моноблоком или изготавливаются отдельно и соединяются с моноблоком методом контактно-тепловой сварки. Аккумуляторные батареи большой емкости снабжают ручками для переноски, прикрепленными к моноблоку с помощью специальных металлических скоб, накладок и винтов. Такая конструкция требует дополнительной оснастки для изготовления крепежных деталей переносных устройств и увеличивает трудоемкость изготовления батарей. Проще выполнить переносные устройства только с ручками, расположенными в отверстиях бортика моноблока. Ручки могут быть жесткими или гибкими, перемещаться в вертикальном направлении и поворачиваться на некоторый угол по горизонтали. Переносные устройства и места их крепления должны выдерживать нагрузку, равную двукратной массе батареи с электролитом. Конструкция стартерной свинцовой аккумуляторной батареи 6СТ-190А для грузовых автомобилей с моноблоком 7, единой крышкой 1 и пробками 5 из пластических материалов, с межэлементным перемычками 3 через перегородки 4, крепежными выступами 9 в нижней части моноблока и переносным устройством с ручкой 6 приведена на рис. 2. 18.
Необслуживаемые батареи
Термином "необслуживаемые" характеризуют стартерные аккумуляторные батареи, не требующие добавления электролита в процессе эксплуатации, обладающие высокими электрическими характеристиками и большим сроком службы по сравнению с обычными батареями. Обычные стартерные свинцовые батареи имеют, достаточно высокие удельные электрические характеристики, однако обладают рядом существенных недостатков. В результате электролиза воды во время эксплуатации свинцовой батареи снижается уровень электролита, что требует периодического (1 -2 раза в месяц) добавления дистиллированной воды. Электролитическое разложение воды происходит при заряде, особенно интенсивно при перезарядах. Кроме того, вода из электролита испаряется при повышенных температурах окружающей среды. Во время перерывов в эксплуатации автомобилей происходит саморазряд (постепенная потеря емкости при длительном бездействии) батареи. В сутки саморазряд может составить 0,5-0,8%. В конце срока службы суточный саморазряд батареи может возрасти до 4%. Это приводит к необходимости ежемесячного подзаряда батареи во время хранения батарей, залитых электролитом. Потребность в периодическом добавлении дистиллированной вода и подзарядке батарей при длительном хранении увеличивает объемы обслуживания их в эксплуатации, требует дополнительных затрат на оборудование, инструмент, материалы, соответствующих производственных площадей и квалифицированного персонала. Все эти трудности с обслуживанием батарей усугубляются при длительной эксплуатации автомобилей вне парков. Срок службы свинцовых аккумуляторных батарей ограничивается в основном коррозией решеток электродов. Кроме того, электролиз воды с выделением активного кислорода способствует ускоренной коррозии решеток положительных электродов. Интенсивность электролиза электролита и сопутствующей ему коррозии решеток возрастает при перезаряде повышении температуры и старении батареи. Следовательно, в эксплуатации необходимо принимать специальные меры для ограничения верхнего предела регулируемого напряжения генераторной установки. Следует также иметь в виду, что выделяемая при работе свинцовой аккумуляторной батареи кислородно-водородная смесь взрывоопасна, газы и пары электролита могут вызвать коррозию металлических деталей автомобиля, расположенных рядом с батареей, а вещества, образующиеся при работе батареи, например, стибин (сурьмянистый водород) токсичны. Отмеченные недостатки, характерные для обычных (традиционных) аккумуляторных батарей, связаны с наличием 5-7% сурьмы в сплаве свинца, из которого отливаются решетки электродов. Легирование свинца сурьмой обеспечивает необходимую механическую прочность решеток, что очень важно для автомобильных батарей, работающих в условиях вибрации и тряски. Добавление 5% сурьмы более чем в 2 раза увеличивает твердость решеток и в 3-4 раза сопротивление разрыву. Кроме сурьмы в сплав вводится также 0,1-0,2% мышьяка. Это способствует образованию благоприятной кристаллической, структуры сплава и повышает коррозионную стойкость положительных решеток электродов. Выделение водорода при газообразовании происходит на отрицательных электродах, а кислорода - на положительных. Активное газовыделение происходит в основном при заряде, а также при разряде или длительном бездействии аккумуляторной батареи. Газовыделение в процессе разряда и при длительном бездействии связано с реакциями, вызывающими саморазряд батареи. Интенсивность газовыделения зависит от соотношения между величиной фактического напряжения на электроде и напряжением (перенапряжением), при котором начинается газовыделение. Чем больше напряжение на электроде превышает величину напряжения, при котором начинается газовыделение, тем больше выделяется водорода и кислорода. С другой стороны, на напряжение начала газовыделения оказывают влияние различные примеси, содержащиеся в решетках и активной массе пластин.
Сурьма в сплаве положительных пластин способствует более интенсивному выделению кислорода и, одновременно, электрохимическому переносу и отложению сурьмы на поверхности отрицательного электрода. Присутствие даже небольшого количества сурьмы на поверхности отрицательного электрода приводит к заметному росту выделения водорода. Снижение напряжения начала газовыделения до 14,4 В при наличии сурьмы в решетках пластин является, основной причиной того, что на автомобилях при рекомендуемых уровнях регулируемого напряжения генераторных установок газовыделение начинается до того, как батарея обычной конструкции будет полностью заряжена. Появление необслуживаемых батарей, стало возможным благодаря, применению решеток из свинцово-кальциево-оловянистых сплавов и свинцово-сурьмянистых сплавов с уменьшенным содержанием сурьмы. Необслуживаемые батареи со свинцово-кальциево-оловянистыми и мало-сурьмянистыми сплавами отличаются не только малыми газовыделением и саморазрядом, но и рядом других преимуществ. Эти батареи можно устанавливать в местах, не требующих удобного доступа для обслуживания. Меньше вероятность выхода их из строя вследствие коррозии решеток электродов. Батареи имеют лучшие зарядные характеристики и характеристики стартерного режима разряда. Срок эксплуатации необслуживаемых батарей без добавления электролита может достигать 400-500 тыс. км пробега автомобиля. Есть определенные трудности изготовления решеток пластин из свинцово-кальциево-оловянистых сплавов. Кальций в процессе литья выгорает. Поэтому технологически трудно обеспечить очень малое оптимальное содержание кальция (0,06-0,09%) в сплаве. Содержание олова составляет 0,5-1 %. От содержания кальция и олова в сплаве решетки зависят ее прочностные и антикоррозионные свойства. Снижение газовыделения и улучшение механических свойств решеток из свинцово-кальциевых сплавов достигается также добавлением 1,5% кадмия. Добавлением 1,25% сурьмы в решетки пластин ограничивается образование нежелательных кристаллов древовидной формы. Из-за технологических трудностей изготовления решеток электродов из сплава свинца, кальция и олова применение нашли батареи с ограниченным объемом обслуживания на основе электродов с пониженным содержанием сурьмы в решетках. Интенсивность газовыделения существенно снижается только при уменьшении содержания сурьмы в сплаве решетки до 2,5-3%. Но уже при содержании сурьмы ниже 4% резко ухудшаются литейные свойства свинцово-сурьмянистого сплава, снижается механическая прочность решетки, возрастает скорость коррозии электродов. Для сохранения необходимых технологических и эксплуатационных свойств малосурьмянистых сплавов в них добавляют медь (0,02-0,05%), серу и селен (до 0,01 %). На литейных свойствах сплава благоприятно сказывается присадка олова (до 0,01 %). Лучшие батареи с решетками электродов с малосурьмянистыми сплавами, содержащими другие легирующие добавки практически являются необслуживаемыми, хотя имеют несколько худшие показатели саморазряда по сравнению с батареями, в которых решетки выполнены из свинцово-кальциево-оловянистых сплавов. Такие батареи также имеют достаточно высокий срок службы и малочувствительны к глубоким разрядамВ отечественных необслуживаемых батареях по сравнению с обычными батареями содержание сурьмы в сплаве решеток электродов уменьшено в 2-3 раза. Это повысило напряжение начала выделения водорода и кислорода и обеспечило подзаряд батареи без газовыделения практически во всем диапазоне регулируемого напряжения генераторных установок автомобилей. Примерно в 5-6 раз снизилась интенсивность саморазряда батареи (до 0,08-0,1 % в сутки). Необслуживаемые батареи могут выпускаться в герметичном исполнении и не имеют пробок заливных горловин. В этом случае степень разряженности батареи нельзя определить по плотности электролита. В зимнее время возникает опасность замерзания электролита разряженной батареи. Поэтому на герметичные необслуживаемые аккумуляторные батареи устанавливают индикаторы заряженности. При уменьшении степени заряженности ниже определённого уровня меняется цвет видимого пятна индикатора.
Признаки и причины неисправности аккумуляторной батареи
Производственные дефекты

Разрушение электрода от короткого замыкания в результате повреждения сепаратора при сборке.

Низкие сепараторы-конверты, приводящие к короткому замыканию.

Не полностью формированная активная масса электрода.

Электрод без осыпавшейся активной массы
|
Дефект |
Признаки |
Возможная причина |
|
Разрыв электрической цепи внутри АКБ |
Напряжение на выводах батареи есть, но стартер не вращается |
Разрушение мостиков* между банками. Плохая сварка полюсных клемм и т. п. |
|
Короткое замыкание между положительными и отрицательными электродами (пластинами) |
В дефектной банке плотность ниже, чем в остальных. При заряде зарядным устройством дефектная банка не "кипит". При работе стартера в банке происходит интенсивное газовыделение |
Повреждение сепаратора или неправильное его размещение в процессе сборки (фото 5). Низкое качество материала сепаратора или отклонение его размеров от допустимых (фото 6). Перекос электродов |
|
Недоформованная активная масса электродов |
Полностью заряженная батарея не может обеспечить более двух – трех пусков двигателя, а при заряде и разряде интенсивно "кипит" |
Нарушена операция формования – процесс заряда электродов |
|
Отрыв электродов (пластин) от соединительных мостиков |
При работе стартера электролит в такой банке "кипит". При бездействии батареи плотность электролита не снижается |
Если гарантийный срок не истек и есть подозрение, что неисправность батареи появилась по вине производителя, необходимо обратиться в специализированную мастерскую. При этом надо иметь кассовый или товарный чек, а также гарантийный талон с датой продажи и наименованием организации-продавца. К тому же обязательно, чтобы в нем были указаны характеристики батареи на момент продажи — плотность электролита, напряжение на выводах без нагрузки и т. д. Это поможет проведению экспертизы. В мастерской должны установить причину неработоспособности АКБ или снижения ее характеристик. Результаты исследования батареи заносят в гарантийный талон, и если дефект производственный — АКБ подлежит замене на новую.
Эксплуатационные дефекты
Возникают в результате небрежной эксплуатации батареи на автомобиле. Основные нарушения — не осуществляется контроль за уровнем электролита и состоянием электрооборудования. Дефекты, делают батарею практически непригодной к дальнейшему применению. Исключение составляет только оплывание активной массы электродов, да и то лишь в начальной стадии. Поскольку значительное образование шлама (оплывшей активной массы) приводит к оголению решеток пластин и потере работоспособности АКБ при включении стартера.
Фото 9. Разрушение корпуса из-за замерзания электролита сильно разряженной батареи.
Фото 10. Разрушение корпуса из-за взрыва смеси кислорода и водорода при уровне электролита ниже электродов.
Фото 11. Коррозия (полная) решетки положительного электрода.
Фото 12. Разрушение и спекание сепараторов-конвертов из-за длительной эксплуатации с низким уровнем электролита.
Эксплуатационные дефекты АКБ, их признаки и возможные причины возникновения
|
Дефект |
Признаки |
Возможная причина |
|
Сильное окисление полюсных клемм |
Напряжение на выводах батареи есть, а стартер не крутится. Клеммы греются |
Не проводилась очистка полюсных клемм |
|
Оплывание активной массы – оголение решеток электродов (фото 8) |
Темный цвет электролита. Быстрое снижение напряжения батареи при работе стартера |
Длительная эксплуатация батареи с низкими степенью заряженности и уровнем электролита. Вибрация незакрепленной батареи |
|
Замерзание электролита при отрицательных температурах |
Вздутие стенок корпуса или его разрушение (фото 9). |
Очень низкие степень заряженности (табл. 7) и плотность электролита из-за глубокого разряда АКБ |
|
Взрыв смеси кислорода и водорода (гремучего газа) |
Трещины на крышке и стенках или полное разрушение корпуса (фото 10) |
Уровень электролита ниже верхних кромок электродов приводит к накоплению гремучего газа, который взрывается при малейшем искрении |
|
Коррозия (полная) решеток положительных электродов (фото 11) |
Батарея плохо заряжается*. Быстрое снижение напряжения батареи при работе стартера |
Постоянный перезаряд из-за большого напряжения (более 14,6 В). Интенсивная эксплуатация автомобиля (более 60 тыс км. в год) |
|
Короткое замыкание между электродами |
В дефектной банке плотность ниже, чем в остальных. При заряде дефектная банка не выделяет газ и не "кипит". При работе стартера в банке происходит интенсивное газовыделение |
ольшое количество оплывшей активной массы**. Разрушение сепараторов из-за низкого уровня электролита (фото 12). |
Причины эксплуатационных дефектов: Низкая степень заряженности (менее 75 %) может являться результатом: • слабого натяжения ремня привода генератора; • неисправности генератора и регулятора напряжения. При работающем двигателе на выводах батареи напряжение составляет менее 13,6 В; • неисправности стартера, приводящие к увеличению силы тока, которую он потребляет, или повторению попыток пуска двигателя; • окисление клемм соединений силовых проводов, что ухудшает работу стартера или заряд батареи; • постоянное использование при стоянии в пробке мощных потребителей электроэнергии (например, обогревателя заднего стекла). Генератор не всегда может обеспечить их работу на холостых оборотах двигателя, поэтому АКБ разряжается; • регулярные многократные прокручивания коленвала двигателя (неудачные попытки пуска) при последующем кратковременном движении. Генератор не успевает достаточно зарядить батарею. Уровень электролита будет ниже нормы, если: • своевременно не проводить контроль его уровня. В жаркую погоду желательно производить проверку чаще, поскольку высокая температура способствует быстрому испарению воды; • на выводы батареи подается напряжение более 14,6 В из-за неисправности регулятора напряжения. При интенсивной эксплуатации автомобиля в режиме "такси" (более 60 тыс. км в год) необходимо как можно чаще (через 3–4 тыс. км пробега) проверять уровень электролита. Также желательно, чтобы напряжение на клеммах АКБ находилось в пределах 13,8 –13,9 В. Рекомендации
В случае сильного разряда можно попытаться самостоятельно установить его причину, воспользовавшись ориентировочной схемой действий, приведенной в таблице №8 Признаки неисправности батареи могут появляться не только из-за ее дефектов. Например, низкая плотность электролита в одной из банок возникает при доливе в нее дистиллированной воды больше уровня. Добавлять электролит, а тем более кислоту в банку ни в коем случае недопустимо. Перед зимним сезоном будет не лишним снять батарею с автомобиля и зарядить постоянным током равным 0,1 от численного значения номинальной емкости. Для батареи номинальной емкостью 55 А. ч сила зарядного тока должна составлять 5,5 А. В зимних условиях эксплуатации, когда часто включены мощные потребители (фары, отопитель, обогреватель заднего стекла и т. п. ), желательно раз в месяц проверять степень заряженности батареи по плотности электролита (табл. 5, рис. 7) с учетом температурной поправки (табл. 6). Это поможет своевременно принять решение: • необходимости заряда батареи стационарным зарядным устройством; • рациональном использовании электроприборов; • поиске неисправности в электрооборудовании.
Генераторные установки
Генераторная установка состоит из электрогенератора и регулятора напряжения. Они, вместе с элементами контроля работоспособности и защиты от возможных аварийный режимов, образуют систему электроснабжения автомобиля. Генераторная установка обеспечивает питанием электропотребители, включенные в бортовую сеть автомобиля, и заряжает его аккумуляторную батарею при работающем двигателе. Даже на холостом ходу двигателя генератор должен развивать мощность, достаточную для электропитания наиболее важных потребителей. В мировой практике генераторные установки на холостом ходу двигателя развивают 40-50% от номинальной мощности. Напряжение в бортовой сети автомобиля должно быть стабильно в широком диапазоне изменения частоты вращения коленчатого вала двигателя и нагрузок. Стабильность напряжения, обеспечиваемая работой регулятора, является непременным условием надежной работы аккумуляторной батареи и других электропотребителей. Превышение напряжения сверх допустимых пределов служит причиной перезаряда аккумуляторной батареи с последующим выходом ее из строя, пониженное напряжение вызывает недозаряд батареи. Увеличение напряжения на 10% сверх номинального снижает срок службы ламп примерно на 50%. Генераторные установки рассчитаны на номинальное напряжение 14 и 28 В. Напряжение 28 В характерно для автомобилей с дизелем. Однако на дизельных автомобилях, например, на автомобилях ЗИЛ 5301 ("Бычок"), ЗИЛ 4331, ЗИЛ 133ГЯ возможна и двухуровневая система: 14 В непосредственно на генераторе для электроснабжения основных потребителей, 28 В - на выходе трансформаторно-выпрямительного блока для подзарядки аккумуляторной батареи. Генераторные установки выполняются по однопроводной схеме, в которой с корпусом соединен отрицательный полюс системы отечественной нормативной документацией предусматривается изготовление установок и по двухпроводной схеме, но практически такое исполнение не реализуется. Генераторная установка питает ботовую сеть автомобиля постоянным током. Однако известно, что механическую энергию можно преобразовать в электрическую только Посредством переменного тока. Поэтому ранее автомобили снабжались выпрямителем-коллектором со щетками в генераторах постоянного тока, а теперь - полупроводниковым выпрямителем в повсеместно применяющихся автомобильных вентильных генераторах. Для питания вспомогательных устройств, например, реле блокировки стартера, трансформаторно-выпрямительного блока систем на два уровня напряжения, тахометра и т. п. , используется переменный ток, вырабатываемый генератором. В последнее время наблюдается тенденция использовать переменный ток и для управления работой регулятора напряжения самой генераторной установки. Генераторная установка - достаточно надежное устройство, способное выдержать повышенные вибрации двигателя, высокую подкапотную температуру, воздействие влажной среды, грязи и т. п. Принцип действия вентильного электрогенератора и его принципиальное конструктивное устройство одинаковы как у отечественных, так и у зарубежных образцов.
Принцип действия вентильного генератора
Преобразование механической энергии, которую автомобильный генератор получает от двигателя внутреннего сгорания через ременную передачу, в электрическую происходит, как и в любом генераторе, в соответствии с явлением электромагнитной индукции. Суть явления состоит в том, что, если изменять магнитный поток, пронизывающий катушку, витки которой выполнены из проводящего материала, например, медного провода, то на выводах катушки появляется электрическое напряжение, равное произведению числа ее, витков на скорость изменения магнитного потока. Совокупность таких катушек образует в. генераторе обмотку статора. Возможны два варианта изменения магнитного потока: по величине и направлению, что обеспечивается в щеточной конструкции вентильного генератора, или только по величине, что характерно для индукторного бесщеточного генератора. Для образования магнитного потока достаточно пропустить через катушку электрический ток. Эта катушка образует обмотку возбуждения. Сталь, в отличие от воздуха, хорошо проводит магнитный поток. Поэтому основные узлы генератора, в которых происходит преобразование механической энергии в электрическую, состоят из стальных участков и обмоток, в которых создается магнитный поток при протекании в них электрического тока (обмотка возбуждения), и возникает электрический ток при изменении этого потока (обмотка статора). Обмотка статора с его магнитопроводом образует собственно статор, главную неподвижную часть, а обмотка возбуждения с полюсной системой и некоторыми другими деталями, (валом, контактными кольцами) - ротор, главную вращающуюся часть. Питание обмотки возбуждения осуществляется от источника постоянного тока, например, от аккумуляторной батареи или от самого генератора. В последнем случае генератор работает на самовозбуждении, его первоначальное напряжение образуется за счет остаточного магнитного потока, который создается стальными частями ротора даже при отсутствии тока в обмотке возбуждения. Это напряжение вызывает появление электрического тока в обмотке возбуждения, в результате чего магнитный поток усиливается и вызывает лавинный процесс возбуждения генератора. Однако самовозбуждение генератора происходит на слишком высоких частотах вращения ротора. Поэтому в схему генераторной установки, если обмотка возбуждения не, соединена с аккумуляторной батареей, вводят такое соединение через контрольную лампу мощностью 2-3 Вт. , Небольшой ток, поступающий через эту лампу в обмотку возбуждения, обеспечивает возбуждение генератора при низких частотах вращения ротора. При работе генератора напротив катушек обмотки статора устанавливается то южный, то северный полюс ротора, при этом направление магнитного потока, пронизывающего катушку, изменяется, что и вызывает появление в ней переменного напряжения.
Принцип действия регулятора напряжения
Регулятор напряжения поддерживает напряжение бортовой сети в заданных пределах во всех режимах работы при изменении частоты вращения ротора генератора, электрической нагрузки, температуры окружающей среды. Кроме того, он может выполнять дополнительные функции - защищать элементы генераторной установки, от аварийных режимов и перегрузки, автоматически включать, в бортовую сеть цель обмотки возбуждения или систему сигнализации аварийной работы генераторной установки. Все регуляторы напряжения работают по единому принципу. Напряжение генератора определяется тремя факторами - частотой вращения ротора, силой тока, отдаваемой генератором в нагрузку, и величиной магнитного потока, создаваемой током обмотки возбуждения. Чем выше частота вращения ротора и меньше нагрузка на генератор, тем выше напряжение, генератора. Увеличение силы тока в обмотке возбуждения увеличивает магнитный поток и с ним напряжение генератора, снижение тока возбуждения уменьшает напряжение. Все регуляторы напряжения, отечественные и зарубежные, стабилизируют напряжение изменением тока возбуждения. Если напряжение возрастает или уменьшается, регулятор соответственно уменьшает или увеличивает ток возбуждения и вводит напряжение в нужные пределы.
Конструкция генераторов
Отечественные и зарубежные генераторы в принципе имеют идентичную конструкцию, в основу которой положена клювообразная полюсная система ротора (рис. 3. 8). Такая система позволяет создать многополюсную систему с помощью одной катушки возбуждения. По организации системы охлаждения генераторы можно разделить на два типа - традиционной конструкции, с вентилятором на приводном шкиве (рис. 3. 9, а) и компактной конструкции, с двумя вентиляторами у торцевых поверхностей полюсных половин ротора (рис. 3. 9, б). В первом случае охлаждающий воздух засасывается вентилятором через вентиляционные окна в крышке со стороны контактных колец, во втором - через вентиляционные окна обеих крышек. Компактную конструкцию отличают наличие вентиляционных отверстий на цилиндрических частях крышек и усиленное оребрение. Малый диаметр внутренних вентиляторов позволяет увеличить частоту вращения ротора генераторов компактной конструкции, поэтому ряд фирм называет их высокоскоростными. Последние годы как в России, так и за рубежом новые разработки генераторов имеют обычно компактную конструкцию. Для автомобилей с высокой температурой воздуха в моторном отсеке или работающих в условиях повышенной запыленности, применяют конструкцию с поступлением забортного воздуха через кожух с патрубком и воздуховод (рис. 3. 9, в). По общей компоновке генераторы разделяются на конструкции, у которых щеточный узел размещен во внутренней полости генератора, и конструкции с размещением его снаружи под специальным пластмассовым кожухом. В последнем случае контактные кольца ротора имеют малый диаметр, т. к. при сборке генератора они должны пройти через внутренний диаметр подшипника задней крышки. Уменьшение диаметра колец способствует повышению ресурса работы щеток.

Отечественные генераторы традиционной конструкции в основном выполняются либо с конструктивной преемственностью генераторов автомобилей ВАЗ, либо длительное время применявшихся на автомобилях многих марок генераторов Г250. На рис. 3. 10 представлен генератор 37. 3701, установленный на автомобили ВАЗ-2108 и др. На рис. 3. 13 представлен генератор компактной конструкции фирмы Bosch. Аналогичную конструкцию имеет генератор 9422,3701 автомобиля ВАЗ-2110 с электронным впрыском топлива; генератор 26. 37?1 автомобилей ВАЗ и АЗЛК. В этих генераторах щеточный, выпрямительный узлы и регуляторы напряжения закреплены на задней крышке под пластмассовым колпаком. Статор генератора устанавливается между крышками, причем их посадочные места контактируют с наружной поверхностью пакета статора. Чем глубже статор утоплен в крышке, тем меньше вероятность, появления перекоса подшипников, установленных в крышках. Некоторые зарубежные фирмы выпускают генераторы, у которых статор полностью утоплен в переднюю крышку. Существуют конструкции, у которых средние листы пакета выступают над остальными и они являются посадочным местом для крышки. Крепежные лапы и натяжное ухо отливаются заодно с крышками. Отличаем генераторов ВАЗ является наличие шпильки вместо натяжного уха. Отечественные генераторы традиционной конструкции имеют двухлапное крепление, крепежные лапы выполнены заодно с крышками. Зарубежные генераторы легковых автомобилей крепятся на двигателе обычно за одну лапу, которую имеет передняя крышка. Впрочем, однолапное крепление может осуществляться стыковкой приливов обеих крышек. На отечественных генераторах компактной конструкции расширяется применение однолапного крепления. Пакет статора отечественных генераторов набирается из стальных листов толщиной 0,5 - 1 мм. Однако более прогрессивной технологией является навивка пакета из ленты или набор его из стальных подковообразных сегментов, т. к. при этом снижается расход стали. Листы скреплены между собой сваркой. Генераторы устаревших конструкций имели 18 пазов на статоре под размещение обмотки, в настоящее время практически все генераторы массовых выпусков имеют 36 пазов. Пазы изолированы пленкоэлектрокартоном, полиэтилентерефталатной пленкой или напылением изоляции, обмотки выполняются проводами ПЭТ-200, ПЭТД-180, ПЭТВМ, ПЭСВ-3 и др. Схемы обмотки статора представлены на рис. 3. 14. У распределенной обмотки секция разбивается на две полусекции, исходящие из одного паза, причем одна полусекция отходит влево, другая вправо. Петлевая обмотка имеет секции иди полусекции в виде катушек с лобовыми соединениями по обе стороны пакета статора, волновая же действительно напоминает волну, т к. ее лобовые соединения расположены поочередно то с одной, то с другой стороны статора. Соединение фаз производится, как правило, в "звезду", однако автоматическая намотка провода большого сечения затруднена, поэтому в генераторах повышенной, мощности применяют соединение в "треугольник" или две "звезды" параллельно ("двойная звезда"). В табл. 3. 4 приведены обмоточные данные некоторых типов отечественных генераторов. После намотки обмотки пропитывается специальным лаком, что повышает их механическую и электрическую прочность, а также улучшает теплоотвод. Катушечная обмотка возбуждения имеет сопротивление которое определяется максимально допустимой величиной тока регулятора напряжения, наматывается на каркас или непосредственно на втулку ротора. Полюсные половины при сборке напрессовываются на вал ротора под давлением, чтобы уменьшить паразитные воздушные зазоры по торцам втулки, ухудшающие характеристики генератора. При запрессовке материал полюсных половин затекает в проточки вала, делая полюсную систему ротора трудноразборной. В конструкции, где втулка разделена на две части, выполненные заодно с полюсными половинами, паразитный зазор всего один. У генераторов легковых автомобилей значительную проблему составляет магнитный шум генератора. Для уменьшения этого шума клювы полюсной системы имеют небольшие скосы по краям. Некоторые фирмы применяют специальное немагнитноё противошумовоё кольцо, расположенное под острыми краями клювов и приваренное к ним. Кольцо не дает клювам приходить в колебание и излучать звук. Отечественные генераторы оборудованы цилиндрическими медными кольцами, к которым припаяны или приварены концы обмотки возбуждения. В мировой практике встречаются кольца из латуни или нержавеющей стали, что снижает их износ и окисление, особенно во влажной среде. Встречаются также кольца, расположенные по торцу вала. Щеточный узел - это пластмассовая деталь, в которой установлены щетки двух типов - меднографитные и электрографитные. В отечественных генераторах применяются электрографитные щетки ЭГ51А размером 5х6х18мм и меднографитные М1 размером 6х6,5х13 мм. Электрографитные щетки имеют повышенное падение напряжения в контакте с кольцами, что неблагоприятно сказывается на выходных характеристиках генератора, но они обеспечивают меньший износ колец. Выпрямительные узлы, применяющиеся на автомобильных генераторах, разделяются на два типа: либо это пластины-теплоотводы, в которые запрессовываются или к которым припаиваются диоды, а как вариант - в которых загерметизированы кремниевые переходы, либо это сильно оребренные конструкции, к которым припаиваются диоды таблеточного типа.


Типичный отечественный выпрямительный блок БПВ11-60 генератора 37. 3701, блоки генераторов фирм Bosch (Германия), Nippon Denso (Япония), относящиеся к первому типу, а также блок генераторов фирмы Magneti Marelli (Италия) второго типа вместе с применяющимися на них диодами изображены на рис. 3. 15. Стабилитроны применяются в основном там, где на генераторы установлены регуляторы с микросхемой на монокристалле кремния или с использованием полевых транзисторов. Диоды и стабилитроны выполняются в корпусе диаметром 12,77 мм, в модификациях с анодом или катодом на корпусе, для запрессовки соответственно в отрицательный или положительный теплоотводы. В трехфазных генераторах максимальный ток генератора не должен превышать утроенную величину максимально допустимого тока через диод, установленный в выпрямителе. Если это происходит, применяют параллельное включение диодов или выпрямителей. В дополнительном выпрямителе устанавливаются диоды на ток 2 А. Основные параметры выпрямительных блоков, наиболее широко применяющихся в отечественных генераторах, приведены в табл. 3. 5. Подшипниковые узлы генераторов - это, как правило, радиальные шариковые подшипники со встроенными в подшипник уплотнениями и одноразовой закладкой смазки. Посадка шариковых подшипников со стороны контактных колец на вал плотная, в крышку - скользящая, со стороны привода, наоборот, плотная посадка в крышку и скользящая на вал. Такая посадка оставляет возможность проворота наружной обоймы подшипника со стороны контактных колец в гнезде с последующим выходом его из строя. Для предотвращения проворота применяют резиновые кольца в посадочном месте (Г221А, Г222, 37. 3701), пластмассовые стаканчики (94. 3701), гофрированные стальные пружины и т. п. Привод генератора осуществляется клиновым или поликлиновым ремнем через шкив, установленный на валу ротора. Качество обеспечения питанием потребителей, в том числе заряд аккумуляторной батареи, зависит от передаточного числа ременной передачи, равного отношению диаметров ручьев шкивов коленчатого вала двигателя и генератора. Чем больше это число, тем больший ток может отдать потребителям генератор. Однако при больших передаточных числах происходит ускоренный износ ремня. Поэтому для клиновидных ремней это число не превышает 2,5. Более высокое передаточное число (до 3) возможно у поликлиновых ремней, применение которых расширяется вместе с генераторами компактной конструкции. Поликлиновый ремень способен, кроме генератора, приводить во вращение еще ряд агрегатов, в то время как клиновой ремень надежно работает лишь при индивидуальном приводе. На генераторах с диаметром вала под установку шкива до 17 мм (17 мм - наиболее распространенный в мире диаметр под шкив генераторов легковых автомобилей) шпонка под шкив обычно не устанавливается. Об отсутствии шпонки видно по шестиугольной выдавке в торце вала, за которую ключом удерживают вал при затяжке гайки шкива.
Бесщеточные генераторы

Бесщеточные генераторы обладают повышенной надежностью и долговечностью, т. к. у них отсутствует щеточно-контактный узел, подверженный износу и загрязнению, а обмотка возбуждения неподвижна. Однако масса и габариты этих генераторов больше. Зарубежные бесконтактные генераторы выполняются на базе клювообразной конструкции. Наиболее широко бесконтактную схему использует фирма Delco-Remy (рис. 3. 16, б). Отличие этих генераторов состоит в том, что одна полюсная клювообразная половина посажена на вал, как у обычного щеточного генератора, а другая в урезанном виде приваривается к ней по клювам немагнитным материалом. Каркас обмотки возбуждения помещен на магнитопровод (индуктор), закрепленный на крышке генератора. Между этим магнитопроводом и полюсной, системой имеется воздушный зазор. При вращении вала сидящая на ней полюсная половина вместе с приваренной к ней другой полюсной половиной вращаются при неподвижной обмотке возбуждения.
Схемное и конструктивное исполнение регуляторов напряжения
Конструкция, технология изготовления и схемное исполнение регуляторов напряжения тесно связаны друг с другом. Основные тенденции развития конструкций и схем обуславливаются стремлением миниатюризировать регулятор, чтобы при встраивании в генератор Он занимал меньше места, увеличить число выполняемых им функции (например, наряду со стабилизацией напряжения сообщать о работоспособности генераторной установки, предотвращать разряд аккумуляторной батареи при неработающем двигателе), а также повысить качество выходного напряжения. Вибрационные реле-регуляторы и контактно-транзисторные регуляторы и настоящее время полностью заменены электронными транзисторными регуляторами напряжения. С развитием электроники наметились существенные изменения в схемном и конструктивном решениях электронных регуляторов. Теперь их можно разделить на две группы - регуляторы традиционного схемного исполнения с частотой переключения, меняющейся с изменением режима работы генератора, и регуляторы со стабилизированной частотой переключения, работающие по принципу широтно-импульсной модуляции (ШИМ). По конструкции регуляторы традиционного схемного исполнения выполняются либо на навесных элементах, расположенных на печатной плат, либо в виде гибридных схем, регуляторы с ШИМ могут быть гибридного исполнения или полностью выполненными на монокристалле кремния. Число транзисторов в традиционных схемах невелико, обычно значительно меньше десятка, в регуляторах с ШИМ это число составляет несколько десятков. Последнее стало возможно с развитием электроники, так как в микросхемах, выполненных на монокристалле кремния, стоимость схемы мало зависит от числа транзисторов. Применение же ШИМ позволяет повысить качество стабилизации напряжения и предотвратить влияние на регулятор внешних воздействий. Современные регуляторы выполняются в основном встроенными в генератор. Тем не менее, отечественная промышленность выпускает целую серий малогабаритных регуляторов напряжения для размещения вне генератора. Эти регуляторы выполняются в идентичных корпусах, по практически одинаковой схеме, на унифицированной крепежной панели с набором отверстий, позволяющих устанавливать регуляторы на разные модели автомобилей.
Стартер
Классический электростартер — это устройство, состоящее из электродвигателя (ЭДВ) постоянного тока с последовательной обмоткой возбуждения, который на время пуска двигателя внутреннего сгорания (ДВС) подключается к аккумуляторной батарее (АКБ) с помощью пускового тягового реле (ПТР). Это же реле посредством рычага с вилкой перемещает по оси стартера муфту свободного хода (МСХ) и тем самым механически сочленяет шестерню на валу стартерного электродвигателя непосредственно с венечной шестерней маховика ДВС (см. далее рис. 8. 8). Конструкция стартера, при которой вал электродвигателя соединяется прямо с маховиком ДВС, имеет ряд недостатков. Так, передаточное число главного редуктора, состоящего из венечной Шестерни маховика и шестерни МСХ, не может быть достаточно высоким. Ограничения накладываются расчетным размером диаметра маховика, а также числом, размером и прочностью зубцов шестерни МСХ. В такой редукторной паре соотношение зубцов не может быть более 16—18. Это приводит к необходимости использовать в стартере такой электродвигатель, у которого обороты якоря "мягко" сочетаются с механической нагрузкой на валу. К таким относятся электродвигатели с последовательной обмоткой возбуждения, обладающие мягкой механической характеристикой (рис. 8. 1, а). Именно такие ЭДВ широко применяются в классических электростартерах. Конструктивным недостатком ЭДВ с последовательным возбуждением является то, что в нем ток возбуждения, равный току якоря, делает обмотку возбуждения громоздкой, сильно нагревающейся, а магнитную систему статора недостаточно эффективной и с низким КПД. Даже при заданном ограничении на время работы стартер получается тяжелым и больших размеров. Кроме того, ЭДВ с последовательным возбуждением в режиме холостого хода может пойти "вразнос". От указанных недостатков свободны ЭДВ с независимым (от тока якоря) возбуждением.
Независимое возбуждение магнитного поля на статоре ЭДВ можно получить тремя способами:
обмоткой возбуждения, которая подключена к отдельному от якоря источнику электрической энергии (управляемое независимое возбуждение — рис. 8. 1, б);
обмоткой возбуждения, подключенной параллельно якорю ЭДВ (параллельное возбуждение — рис. 8. 1, в);
постоянными магнитами на статоре (возбуждение от постоянных магнитов относится к неуправляемому независимому возбуждению — рис. 8. 1, д).
Электродвигатель с питанием обмотки возбуждения от независимого источника (рис. 8. 1, б) в автомобильной системе электростартерного пуска не используется, так как на борту автомобиля один пусковой источник электрической энергии — аккумуляторная батарея. Электродвигатели с чисто параллельным возбуждением (рис. 8. 1, в) в автомобильных электростартерах неэффективны, так как напряжение АКБ при пуске ДВС в зимнее время (при температуре ниже -20°С) резко падает до 8-9 В. При этом намагничивающая сила параллельной обмотки возбуждения, а следовательно, и крутящий момент стартера значительно ослабевают, пуск ДВС становится невозможным. Кроме того, характеристика ЭДВ с параллельным возбуждением жесткая, что недопустимо при низком передаточном соотношении между оборотами стартерного ЭДВ и оборотами коленвала ДВС, так как это может привести к ударным перегрузкам и поломки в зубцах механического привода.
0100090000031602000002009601000000009601000026060f002203574d46430100000000000100ede10000000001000000000300000000000000030000010000006c0000000000000000000000350000006f0000000000000000000000e91500002a30000020454d4600000100000300001000000002000000000000000000000000000000c0120000aa1a0000cb00000021010000000000000000000000000000c0190300c7680400160000000c000000180000000a00000010000000000000000000000009000000100000002c050000620b0000520000007001000001000000a4ffffff00000000000000000000000090010000000000cc04400022430061006c006900620072006900000000000000000000000000000000000000000000000000000000000000000000000000000000000000000000000000000000001100584c110010000000bc4f11003c4d1100e4506032bc4f1100b44c110010000000244e1100a04f11008a4f6032bc4f1100b44c11002000000080e02d31b44c1100bc4f110020000000ffffffff0c15e000fbe02d31ffffffffffff0180ffff01802fff0180ffffffff0000010000080000000800004300000001000000000000005802000025000000372e9001cc00020f0502020204030204ef0200a07b20004000000000000000009f00000000000000430061006c0069006200720000000000000a4d0341a16032c01c66f9ec14e0000043d100e84c1100d53227310600000001000000244d1100244d110000762531060000004c4d11000c15e0006476000800000000250000000c00000001000000250000000c00000001000000250000000c00000001000000120000000c00000001000000180000000c0000000000000254000000540000000000000000000000350000006f0000000100000055558740637b87400000000057000000010000004c0000000400000000000000000000002d050000610b000050000000200000003600000046000000280000001c0000004744494302000000ffffffffffffffff2d050000630b0000000000004600000014000000080000004744494303000000250000000c0000000e000080250000000c0000000e0000800e000000140000000000000010000000140000000400000003010800050000000b0200000000050000000c021102ef00040000002e0118001c000000fb02efff0000000000009001000000cc0440002243616c6962726900000000000000000000000000000000000000000000000000040000002d010000040000002d010000040000002d0100000400000002010100050000000902000000020d000000320a100000000100040000000000ef00110220990a001c000000fb020300010000000000bc02000000cc0102022253797374656d0000000000000000000000000000000000000000000000000000040000002d010100040000002d010100030000000000
Однако жесткость характеристики ЭДВ обеспечивает плавность хода стартера, а также ограниченность оборотов холостого хода, и поэтому параллельное возбуждение иногда вводится в ЭДВ классического электростартера дополнительно к последовательному (рис. 8. 1, г). Такое возбуждение обеспечивает ЭДВ усредненную (умеренно жесткую) механическую характеристику и называется смешанным. Используется, например, в стартерах для автомобилей ВАЗ.
Исключительно удачным техническим решением для автомобильного электростартера является наличие в его конструкции электродвигателя с независимым возбуждением от постоянных магнитов (рис. 8. 1, д) и дополнительного понижающего планетарного редуктора, установленного непосредственно внутри корпуса стартера между валом электродвигателя и осью, по которой перемещается муфта свободного хода.
Такие стартеры имеют следующие преимущества.
Во-первых, главное магнитное поле электродвигателя с постоянными магнитами на статоре не зависит ни от тока якоря, ни от падения напряжения АКБ при пуске ДВС.
Во-вторых, система постоянных магнитов на статоре электродвигателя делается многополюсной (не менее шести полюсов), что позволяет заметно уменьшить габариты магнитной системы (постоянные магниты значительно меньше электромагнитов), а следовательно, и всего стартера в целом. КПД и обороты стартерного электродвигателя с многополюсным статором также выше.
В-третьих, сами постоянные магниты выполняются не из сплавов дорогостоящих металлов, а из спекаемых ферритовых порошков с большой коэрцитивной силой, что делает магниты легкими, прочными, технологичными и, как следствие, дешевыми.
В-четвертых, наличие дополнительного понижающего редуктора в электростартерной системе пуска позволяет оптимально согласовать жесткую механическую характеристику электродвигателя независимого возбуждения с минимальной пусковой частотой вращения коленвала ДВС при максимальной механической нагрузке стартера.
И наконец, в-пятых, стартерный ЭДВ с независимым возбуждением от постоянных магнитов и с дополнительным редуктором может работать в режиме повышенных оборотов при пуске холодного двигателя, потребляя при этом от АКБ меньший ток по сравнению с классическим стартером. КПД стартерного режима АКБ и надежность пуска ДВС увеличиваются.
Как и любая новая техника, электростартеры с планетарным редуктором и с возбуждением от постоянных магнитов на начальном этапе внедрения обладали некоторыми недостатками: они были значительно дороже классических за счет высокой стоимости постоянных магнитов и планетарного редуктора; в них быстрее изнашивались щетки из-за более высоких оборотов; их работа сопровождалась повышенным шумом.
Современная технология изготовления стартеров нового поколения исключает эти недостатки. Так, постоянные магниты, как уже отмечалось, стали ферритовыми. Главная шестерня планетарного редуктора изготавливается литьем под давлением из термореактивной пластмассы. Пластмассу армируют бронзой, что делает планетарную шестерню прочной, износостойкой, технологичной и дешевой. Остальные детали дополнительного редуктора обычного исполнения. Планетарный редуктор с пластмассовой шестерней не шумит. Быстрый износ коллекторных щеток устранен применением в них более жесткого графита и удалением из него порошковой меди. Последнее стало возможным за счет понижения величины якорного тока. Уменьшена сила прижатия щеток к коллектору.
Устройство стартера
|
1 – вал привода; 2 – втулка передней крышки; 3 – ограничительное кольцо; 4 – шестерня с внутренним кольцом обгонной муфты; 5 – ролик обгонной муфты; 6 – опора вала привода с вкладышем; 7 – ось планетарной шестерни; 8 – прокладка; 9 – кронштейн рычага; 10 – рычаг привода; 11 – передняя крышка; 12 – якорь реле; 13 – удерживающая обмотка; 14 – втягивающая обмотка; 15 – тяговое реле; 16 – шток тягового реле; 17 – сердечник тягового реле; 18 – контактная пластина; 19 – крышка тягового реле; |
20 – контактные болты; 21 – вывод "положительных" щеток; 22 – скоба; 23 – щеткодержатель; 24 – "положительная" щетка; 25 – вал якоря; 26 – стяжная шпилька; 27 – задняя крышка с втулкой; 28 – коллектор; 29 – корпус; 30 – постоянный магнит; 31 – сердечник якоря; 32 – опора вала якоря с вкладышем; 33 – планетарная шестерня; 34 – центральная (ведущая) шестерня; 35 – водило; 36 – шестерня с внутренними зубьями; 37 – кольцо отводки; 38 – ступица с наружным кольцом обгонной муфты |

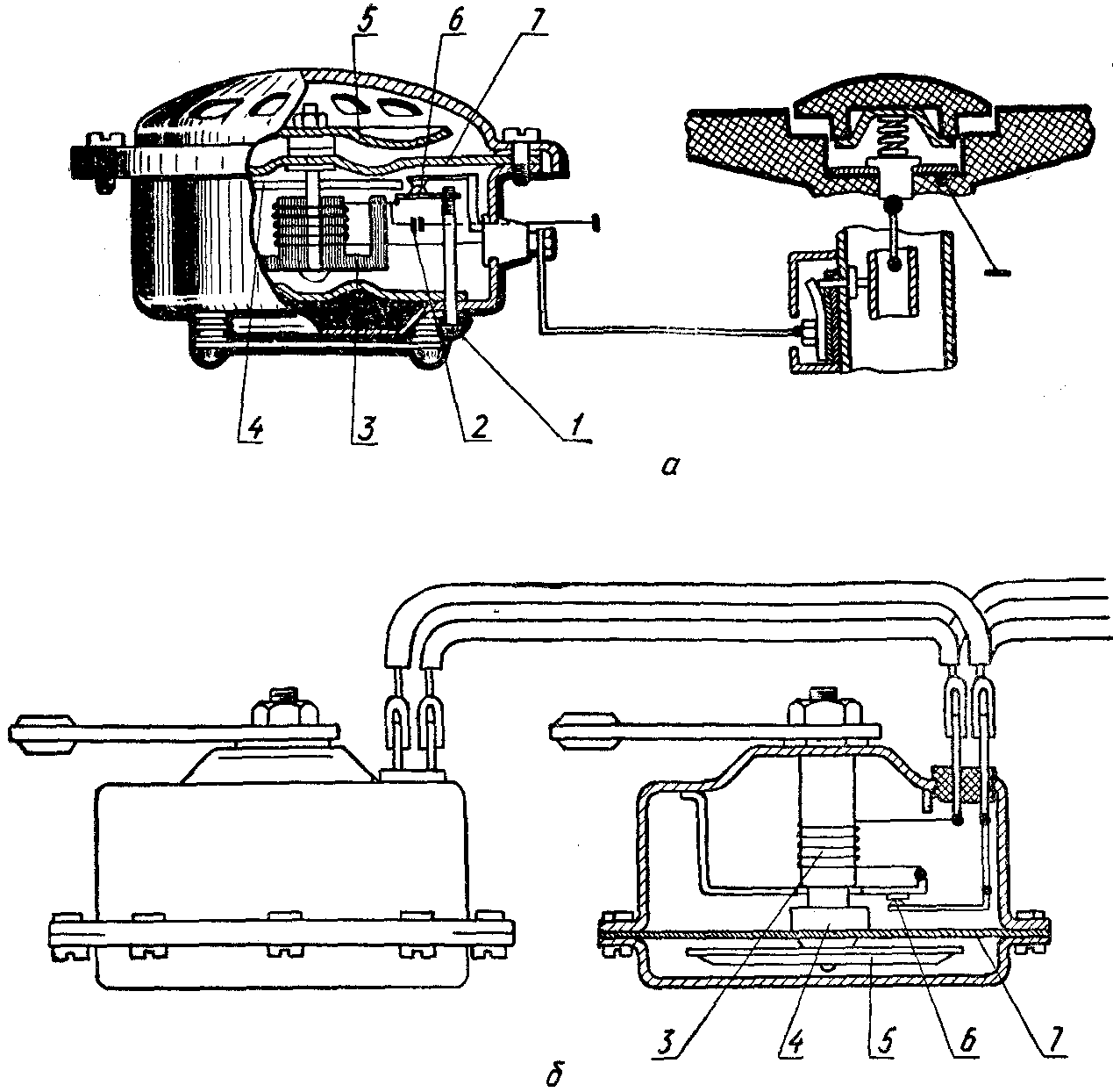
Звуковой сигнал
Принцип работы автомобильных сигналов основан на циклическом замыкании и размыкании контактов. При этом происходит колебание мембраны. Громкость, тон и сила потребляемого тока определяются зазором между якорем (подвижным контактом) и сердечником (неподвижным контактом). В зависимости от потребляемого тока сигналы могут включаться непосредственно включателем или через реле. Звуковые сигналы в автомобиле бывают безрупорными (шумовыми) или рупорными (тональными). Комплект звуковых сигналов включает шумовые и тональные сигналы, настроенные на совместную работу. Основное назначение звукового сигнала – обратить на себя внимание других участников движения, особенно, когда не хватает видимости.
Звуковой сигнал вибрационного типа, безрупорный. Включатель с кольцевой кнопкой установлен на рулевом колесе. На автомобиле ВАЗ-2101 устанавливаются два сигнала - низкого и высокого тона. Сигнал состоит из корпуса, электромагнита 3, якорька 4, контактов 6, мембраны 7 и резонаторного диска 5. При нажатии на кнопку замыкается электрическая цепь, и ток из аккумуляторной батареи поступает по замкнутым контактам 6 в обмотку электромагнита 3. При этом электромагнит притягивает якорек 4, который прогибает мембрану 7 и одновременно размыкает контакты 6. Электрическая цепь прерывается, электромагнит размагничивается, и якорек под действием упругости мембраны отходит обратно,, вследствие чего контакты смыкаются, снова образуется замкнутая электрическая цепь, якорек вновь притягивается, и процесс повторяется. При этом создаются частые колебания мембраны (до 100 колебаний в секунду) и появляется звук. Тон звука каждого сигнала регулируется винтом 1, расположенным на задней стенке. При вращении винта по часовой стрелке сила звука увеличивается, а при вращении против часовой стрелки - уменьшается.

Рис. Звуковые сигналы:
а - автомобиля Mocквич-412; б - ВA3-2101; 1 - регулировочный винт; 2 - конденсатор;3 - электромагнит; 4 - якорёк; 5 - резонаторный диск; 6 - контакты; 7 - мембрана;
Неисправности звукового сигнала
|
Не работают звуковые сигналы |
Устранение неисправности |
|
а) Перегорел предохранитель. |
Заменить предохранитель, предварительно устранить причину перегорания предохранителя. |
|
б) Обрыв цепи в схеме звуковых сигналов: окислены или разъединены наконечники проводов в разъемных соединениях, повреждены провода. |
Проверить последовательно наличие цепи в разъемных соединениях согласно схеме включения звуковых сигналов |
|
в) Окисление, загрязнение контактного кольца на рулевом колесе. |
При замыкании контактной пластины центрального переключателя на "массу" звуковые сигналы работают. Зачистить контактное кольцо, отрегулировать. |
|
г) Перекос арматуры рулевого колеса, накладки сигнальной кнопки или не отрегулирован зазор включения звуковых сигналов. |
При замыкании контактной пластины центрального переключателя на "массу" звуковые сигналы работают. Зачистить контактное кольцо, отрегулировать. Заменить поврежденные детали, отогнуть накладку рулевого колеса, отрегулировать. |
|
д) Отогнута пластина включателя звуковых сигналов центрального переключателя или ее излом. |
При замыкании контактной пластины центрального переключателя на "массу" звуковые сигналы работают. Зачистить контактное кольцо, отрегулировать. Отогнуть пластину или заменить центральный переключатель. |
|
е) Не работает реле включения звуковых сигналов. |
Проверить реле на работоспособность,в случае поломки заменить аналогичным |
|
ж) Неправильно установлена перемычка в месте установки реле включения звуковых сигналов на монтажном блоке. |
Проверить и установить правильно перемычку: на блоке. |
|
и) Обрыв цепи монтажного блока : перегорание дорожек, ложная пайка. |
Проверить цепь согласно схеме монтажного блока. Заменить монтажный блок. |
|
к) Не работает звуковой сигнал: разрегулировка, обрыв цепи обмотки катушки, отпадание "таблетки" контакта, попадание влаги. |
Отрегулировать или заменить звуковой сигнал. При регулировке сигнала винтом возможно постоянное замыкание контактов и перегорание предохранителя. |
|
Некачественное звучание звуковых сигналов |
Устранение неисправности |
|
а) Неисправность звуковых сигналов: разрегулировка, трещина мембраны. |
Отрегулировать сигналы или заменить. |
Указатель температуры воды
Указатель температуры служит для контроля температуры воды в головке блока цилиндров двигателя в пределах от +40° до 100°С или 110°С. Указатель температуры импульсный, электротеплового типа и состоит из приемника, расположенного на щитке приборов, и датчика типа ТМЗ-А, установленного на двигателе. Схематически конструкция указателя температуры показана на фиг. 370. Главной деталью приемника является биметаллическая П-образная плоская пружина 8, на которой намотана обмотка из проволоки высокого сопротивления 7. Один конец пружины прикреплен к корпусу приемника, другой связан со стрелкой 6. Концы обмотки выведены клеммами на корпус приемника. Датчик представляет собой герметичный баллон с наружной резьбой. Внутри баллона имеется также биметаллическая пружина с обмоткой. Обмотка приемника и датчика соединены последовательно в цепь.

Активный слой биметаллической пружины датчика расположен так, что при нагреве пружины электрическим током, проходящим по обмоткам, она поднимается вверх и разрывает цепь. Охладившись, пружина возвращается в первоначальное положение и замыкает электрическую цепь. Процесс размыкания и замыкания электрической цепи многократно повторяется, и в цепи устанавливается определенный режим импульсов тока. При повышении температуры воды в головке блока биметаллическая пружина остывает дольше, чем при> низкой температуре. Следовательно, число импульсов с повышением температуры за единицу времени уменьшится, а следовательно, уменьшится и величина тока в цепи обмоток. С понижением температуры число импульсов тока за единицу времени увеличится, и ток в цепи обмоток увеличится. Изменение величины тока вызывает различный нагрев биметаллической пружины в приемнике, и она, изгибаясь от нагрева, устанавливает стрелку в определенном положении. Указатель температуры воды работает только при включенном зажигании. При выключенном зажигании стрелка указателя температуры устанавливается несколько правее деления 100° С или 110° С. Указатель -температуры воды не требует никакого ухода. Ремонт приемника и датчика в эксплуатационных условиях невозможен. Поэтому в случае выхода прибора из строя следует проверить только электрические соединения, целость предохранителя и исправность проводки и, если они в порядке, сменить приемник или датчик. Исправность указателя температуры воды может быть проверена па специальном стенде или путем сравнения показаний прибора и ртутного термометра. Для этого следует вывернуть датчик прибора, удлинить с помощью дополнительного отрезка его провод, соединить корпус прибора отдельным отрезком провода с клеммой М (масса) генератора и погрузить датчик и ртутный термометр в банку с кипятком, расположив их ближе к ее центру (вдали от стенок). Клемму при этом погружать в кипяток не следует. Затем сравнить показания прибора и ртутного термометра, доводя постепенно температуру воды в баке до требуемой величины доливкой холодной воды. Погрешность в показаниях прибора при 1!0°С на 4°С, при 80°С на 5°С и при 40°С на 10°С является допустимой. Если погрешность прибора выше указанных пределов, то необходимо сменить датчик. Если датчик исправен, то следует проверить приемник и при необходимости заменить его. При проведении ремонта электропроводки или смене приборов (приемника и датчика) нельзя допускать замыкания их клемм на массу. Даже непродолжительное замыкание приводит к потере прибором регулировки, а более продолжительное (5—8 мин. ) может привести к сгоранию обмотки. Необходимо постоянно следить за температурой и уровнем воды в системе охлаждения. Запуск и прогрев двигателя при отсутствии воды в радиаторе, применяемый некоторыми водителями в зимнее время, может вызывать выход из строя датчика температуры воды. Контрольная лампа предельной температуры воды в радиаторе. При повышении температуры воды в радиаторе выше 92—98°С контрольная лампа загорается. . В случае загорания лампы автомобиль следует остановить и устранить причину, вызвавшую перегрев (ослабление ремня вентилятора, чрезмерное закрытие жалюзи или теплого капота и др. ). Если причиной перегрева было чрезмерное закрытие жалюзи, движение приостанавливать не нужно. Сигнальная лампа может загореться и на стоянке, сразу после остановки. В этом случае движение можно возобновить, не дожидаясь пока лампа погаснет, так как загорание лампы вызвано местным перегревом вследствие прекращения циркуляции воды. При возобновлении движения температура воды быстро выравняется до нормальной, и контрольная лампа погаснет. Контрольная лампа предельной температуры воды в радиаторе работает только при включенном зажигании. Особого ухода в эксплуатации контрольная лампа и датчик не требуют.
Датчики давления
Обязательным элементом датчика давления является мембрана - плоская или гофрированная пластина, выполненная из бронзы или какого-либо иного упругого материала, жестко зажатая по краям. Герметичная полость, расположенная под мембраной, должна соединяться через штуцер с полостью измерения давления. В большинстве случаев мембрану снабжают жестким центром, на котором укрепляют устройство, связывающее мембрану с передающим механизмом. С изменением давления мембрана прогибается и ее жесткий центр перемещается. Связь перемещения жесткого центра П с величиной измеряемого давления Р, как показано на рис. 9. 4, а, нелинейна, причем гофрированная мембрана при прочих равных условиях более чувствительна к изменению давления, чем плоская. Отличие датчиков давления друг от друга в основном состоит в том, как в них перемещение жесткого центра преобразуется в электрический сигнал. Это зависит от системы измерения, в которой используется датчик. На рис. 5. 5, б, изображен датчик давления масла, снабженный реостатным датчиком. Толкатель, закрепленный в жестком центре мембраны, через качалку воздействует на ползунок реостата, который при этом поворачивается вокруг своей оси. Возвратное движение ползунка происходит под действием пружины. Дроссель, запрессованный в штуцер датчика, создает большое сопротивление протеканию масла и препятствует возникновению колебаний ползунка реостата при резком изменении давления. Ползунок соединен с массой датчика, и изменение сопротивления реостата происходит между его выводом и "массой". В датчике импульсной системы (рис. 5. 5, в) на жесткий центр мембраны опирается выступом упругая пластина с контактом, соединенным с "массой". Другой контакт закреплен на плече П-образной биметаллической пластины, с навитой на нем спиралью, один конец спирали приварен к пластине, другой соединен через упругий токовод с выводом датчика. Второе плечо П-образной биметаллической пластины закреплено на упругом держателе, положение которого можно изменить поворотом воздействующего на него регулятора. Это позволяет осуществлять настройку датчика, изменяя первоначальное усилие прижатия контактов друг к другу. Изменение давления перемещает жесткий центр мембраны, при этом меняется усилие прижатия контактов друг к другу и соответственно изменяется относительное время нахождения их в замкнутом состоянии.
Датчик сигнализатора аварийного давления (рис. 5. 5, г) имеет простую конструкцию. На жесткий центр мембраны опирается рычаг выключателя, который и замыкает контакты, если давление превышает заданные пределы или, в зависимости от назначения датчика, если давление падает ниже допустимых пределов.

Измерители уровня топлива
В измерителях уровня топлива используется реостатный датчик, помещенный в топливный бак (рис. 5. 13). С выработкой топлива поплавок перемещается и через рычаг воздействует на ползунок реостата, который соответственно меняет свое положение. Если автомобиль имеет два бака, то датчики помещают в каждый бак, при этом водитель с помощью переключателя может определить уровень топлива в каждом баке. Специальные контакты, установленные в некоторых типах датчиков, замыкаются при снижении уровня топлива до минимального уровня, позволяющего проехать ограниченное расстояние. Контакты включают контрольную лампу на щитке приборов, т. е. образуют сигнализирующий прибор выработки топлива. В указателях уровня топлива используются магнитоэлектрические приборы (логометры) или, реже, электромагнитные указатели. Электромагнитные указатели соединяются с датчиком по схеме на рис. 5. 9, магнитоэлектрические - по схемам на рис. 5. 13. Схема на рис. 5. 13, б, характерна для системы 24 В, поэтому имеет добавочный резистор Re, гасящий напряжение. Сопротивление Rт - термокомпенсационное, Rд - сопротивление датчика, HL - лампа контроля минимального уровня топлива. Электромагнитные указатели используются с датчиками на максимальное сопротивление 60 Ом, магнитоэлектрические - на 90 Ом или 350 Ом (в основном, на автомобилях ВАЗ).

Освещение автомобиля
Система освещения автомобиля состоит из фар, ближнего и дальнего света, габаритных огней, задних опознавательных огней, указателей поворотов, предупреждающих огней и огней сигнала торможения (стоп-сигналов). Строение,неисправности и Т. О рассмотрим на примере ВАЗ 2170.
На автомобилях Lada Priora применяют блок-фары, объединяющие в себе фары ближнего и дальнего света (с однонитевыми лампами), а также указатели поворота. Кроме того, в фарах находятся лампы габаритного света. Ближний свет фар включается переключателем наружного освещения, дальний свет — переключателем света фар с помощью реле, расположенного в монтажном блоке. Управляющее напряжение подается на обмотки реле включения дальнего света фар от переключателя света фар, если переключатель наружного освещения находится в положении включения света фар. Независимо от положения переключателя наружного освещения можно кратковременно включить дальний свет фар, перемещая на себя рычаг переключателя света фар. Фары автомобилей Lada Priora оснащены электрокорректором света фар, который позволяет с места водителя регулировать по высоте направление световых пучков фар в зависимости от степени загрузки автомобиля.
1. Если фары вдруг стали гореть тускло, а при включении сигнала поворота начинает мигать лампа габаритного света, восстановите контакт "массового" провода с кузовом.
2. Возьмите себе в привычку регулярно менять лампы (особенно головного света фар). Со временем колба лампы мутнеет, яркость лампы уменьшается. Причем этот процесс происходит довольно медленно, поэтому водитель не замечает постепенного ухудшения освещенности дороги.
3. В последнее время появляется все больше машин, у которых фары сияют, как новогодняя елка, различными оттенками голубого цвета. Все это называется словом "ксенон" и считается очень крутым. Спору нет, ксеноновые фары, установленные штатно на последние модели иномарок, намного лучше освещают дорогу, да и автомобиль с ними смотрится значительно эффектнее. Неудивительно, что многие тоже стараются улучшить свой автомобиль, тем более что сейчас на прилавках появилась масса "ксеноновых" ламп различного изготовления (чаще всего китайского). Не покупайтесь на дешевку — такие лампы не имеют ничего общего с настоящими ксеноновыми газоразрядными лампами без нитей накаливания. Это обычные лампы с окрашенным стеклом. Светопропускная способность такого стекла значительно ниже, чем у стандартных ламп, нити у фальшивок, как правило, установлены не в фокусе, и фара с такой лампой при внешней эффектности практически ничего не освещает, причем дополнительно нещадно слепит встречных водителей. К тому же производители таких ламп, чтобы компенсировать снижение светового потока, увеличивают их мощность сверх нормы. Часто установка подделок приводит к оплавлению изоляции проводов и соединительных колодок. А возможен и пожар. Лучше не приобретайте за свои деньги "головную боль", а купите обычные лампы хорошего качества.
Коммутационная аппаратура
Коммутационная аппаратура связывает электропотребителей и бортовую сеть и делится на коммутационную аппаратуру прямого действия – выключатели, переключатели, кнопки и аппаратуру дистанционного действия реле, контакторы. Аппаратура прямого действия может объединяться в комбинированные многофункциональные устройства. В рукоятки элементов коммутационной аппаратуры прямого действия в ряде случаев встраиваются лампы со светофильтрами, цвет которых зависит от функционального назначения аппаратуры: красный, предупреждающий о необходимости принятия мер для предотвращения аварийной ситуаций, оранжевый - необходимо принять меры для обеспечения нормальной работы, зеленый -нормальная работа, синий - включен дальний свет, двигатель находится в холодном состоянии, а также лампы подсветки, облегчающие поиска темноте. Условные обозначения, поясняющие функциональное назначение включаемого устройства, стандартизованы. По конструктивному исполнению выключатели и переключатели делятся на кнопочные, клавишные, поворотные, в том числе со съемным ключом, рычажные.

Клавишные выключатели и переключатели широко распространены на автомобилях. Они имеют два переключатели три фиксированных положения. В перекидной конструкции при нажатии клавиши пружинный толкатель перекидывает контактную пластину, замыкающую контакты. В ползунковой конструкции рис. 4. 3, б, толкатель перемещает контактную пластину. При этом происходит самоочищение контактов. Падение напряжения на контактах выключателей и переключателей не должно превышать 0,1 В. Поворотные конструкции применяются в выключателях зажигания и подрулевых переключателях. Выключатель зажигания коммутирует системы зажигания, пуска, стеклоочистителей, указателей поворота, фонаря заднего хода, а в некоторых случаях фар головного света и радиоприемника. Основой выключателя является контактный узел, состоящий из подвижных и неподвижных контактных дисков. Некоторые выключатели зажигания оборудованы противоугонным устройством, блокировкой От повторного включения стартера и сигнализацией об оставленном ключе зажигания. В таком случае повторное включение стартера возможно лишь после возврата выключателя в нулевое положение.
Подрулевые переключатели имеют несколько отдельных контактных узлов, управляемых собственными рукоятками. Переключатель наружного освещения и световой сигнализации, управляет переключением фар с близкого на дальний свет и обратно, указателями поворота, стояночными огнями. Переключатель стеклоочистителя, изменяет режим работы стеклоочистителя ветрового стекла: работа на большой, малой скорости, прерывистый режим, включен омыватель, а также включен стеклоочиститель заднего стекла и его смыватель, Положения выключателя предусмотрены фиксированные и нефиксированные, например, для включения смывателя ветрового стекла. Конструкция. кнопочных выключателей аналогична общепромышленным. В них нажатие кнопки переводит подвижный контакт из одного положения в другое. Кнопочный выключатель без фиксации замыкает контакты, отжимаемые затем пружиной.
Устранение неисправностей переключателей заключается в полной их замене!
Я ознакомился с особенностью строения электрооборудования дизельных, газобалоных, специальных, грузовых автомобилей, автобусов, легковых автомобилей, пикапов.