Введение в технологические процессы на автомобильном транспорте
КОНТРОЛЬНАЯ РАБОТА № 2.
ПО КУРСУ << ВВЕДЕНИЕ В ТЕХНОЛОГИЧЕСКИЕ ПРОЦЕССЫ НА АВТОМОБИЛЬНОМ ТРАНСПОРТЕ >>
ГРУППЫ АВ. - 12 З СевНТУ
ЧЕНАКАЛ АНДРЕЯ ВАЛЕРИЕВИЧА
ШИФР 051463
Адрес: г. СИМФЕРОПОЛЬ, ул. КИЕВСКАЯ 137, кв. 64
Тема контрольной работы: - << МЕТОДЫ РЕМОНТА
ДВИГАТЕЛЯ ВНУТРЕННЕГО СГОРАНИЯ >>.
ОГЛАВЛЕНИЕ.
1.Введение (К. Б. Серебряков.)
2.Механизмы и системы двигателя
3. Число цилиндров двигателя и их расположение
4. ТО и ремонт подвижного состава
5. Вывод
6. Список литературы
Введение
АВТОМОБИЛЬ – самоходная машина, приводимая в движение установленным на нём двигателем. Автомобиль состоит из отдельных деталей, узлов, механизмов, агрегатов и систем.
Автомобиль состоит из трёх основных частей : двигателя, кузова и шасси.
Двигатель – источник энергии.
Двигатель – энергосиловая машина, преобразующая какой- либо вид энергии в механическую работу. Для движения автомобиля необходим двигатель- источник механической энергии. На абсолютном большинстве современных автомобилей установлены поршневые ( тепловые ) двигатели, называемые двигателями внутреннего сгорания, так как тепло, выделяющееся при сгорании топлива в цилиндрах, преобразуется в механическую работу.
Классификация поршневых двигателей внутреннего сгорания следующая :
по назначению – транспортные и стационарные ;
по способу осуществления рабочего цикла – четырёхтактные и двухтактные ;
по способу смесеобразования – с внешним смесеобразованием – карбюраторные или газовые и с внутренним смесеобразованием – дизели;
по способу воспламенения рабочей смеси – с принудительным воспламенением от электрической искры ( карбюраторные , газовые и др.) ; с воспламенением от сжатия ( самовоспламенение ) – дизели ;
по виду применяемого топлива – карбюраторные, работающие на бензине, дизели, работающие на тяжелом дизельном топливе, и двигатели, работающие на сжатом или сжиженном газе ;
по числу цилиндров – одноцилиндровые и многоцилиндровые ( двух-, трёх-, четырёх-, шести-, восьмицилиндровые и т.д.) ;
по расположению цилиндров – однорядные с вертикальным расположением цилиндров в один ряд, V-образные двухрядные с расположением цилиндров под углом и оппозитные с горизонтальным расположением цилиндров под углом 180º ( называемые еще с противолежащими цилиндрами ) ;
по охлаждению – с жидкостным или с воздушным охлаждением .
МЕХАНИЗМЫ И СИСТЕМЫ ДВИГАТЕЛЯ.
Поршневой двигатель внутреннего сгорания состоит из следующих механизмов и систем : кривошипно-шатунного и газораспределительного механизмов, а также систем – питания, охлаждения, смазки, зажигания и пуска.
Кривошипно-шатунный механизм воспринимает давление газов и преобразует прямолинейное возвратно-поступательное движение поршня во вращательное движение коленчатого вала.
Газораспределительный механизм предназначен для впуска в цилиндр горючей смеси ( карбюраторные и газовые двигатели ) или воздуха ( дизели ) и выпуска отработавших газов.
Система охлаждения обеспечивает нормальный температурный режим двигателя, при котором он не перегревается и не переохлаждается.
Система смазки необходима для уменьшения трения между деталями, снижения их износа и отвода тепла от трущихся поверхностей.
Система питания служит для подачи отдельно топлива и воздуха в цилиндры дизеля или для приготовления горючей смеси из мелкораспылённого топлива и воздуха и для подвода смеси к цилиндрам карбюраторного или газового двигателей и отвода отработавших газов.
Система зажигания обеспечивает воспламенение рабочей смеси в карбюраторных или газовых двигателях ( в дизелях топливо воспламеняется от соприкосновения с раскалённым воздухом, поэтому они не имеют специальной системы зажигания ).
Система пуска служит для пуска двигателя.
ЧИСЛО ЦИЛИНДРОВ ДВИГАТЕЛЯ И ИХ РАСПОЛОЖЕНИЕ.
Как уже известно, в одноцилиндровом четырёхтактном двигателе коленчатый вал вращается неравномерно. В многоцилиндровом двигателе вращение коленчатого вала происходит равномернее, так как рабочие ходы в различных цилиндрах не совпадают друг с другом. Поэтому чем больше цилиндров имеет двигатель, тем равномернее вращается коленчатый вал. Нагрузка на детали кривошипно-шатунного механизма в многоцилиндровом двигателе изменяется более плавно, чем в одноцилиндровом.
На отечественных автомобилях устанавливают четырёхцилиндровые, шестицилиндровые и восьмицилиндровые двигатели. Многоцилиндровые двигатели обычно делают V-образные с расположением цилиндров под углами 60,75 или ( чаще ) 90º.
При двухрядном V-образном расположении цилиндров двигатель имеет большую жёсткость конструкции, меньшие размеры и массу, чем однорядный той же мощности. Жёсткий коленчатый вал ( вследствие уменьшения его длины ) допускает работу без гасителя крутильных колебаний и позволяет форсировать двигатель по степени сжатия. К недостаткам V-образных двигателей можно отнести значительную их ширину и более сложную конструкцию.
ТЕХНИЧЕСКОЕ ОБСЛУЖИВАНИЕ И РЕМОНТ ПОДВИЖНОГО СОСТАВА.
Все работы по обеспечению технической готовности подвижного состава для перевозок подразделяются на техническое обслуживание и ремонт автомобиля.
Техническое обслуживание предупреждает неисправности и увеличивает срок службы автомобиля.
Работы технического обслуживания являются профилактическими и должны выполняться в плановом порядке в строгом соответствии с установленным порядком работ и в намеченные сроки.
Ремонт автомобиля своевременно устраняет возникающие неисправности для постоянного поддержания автомобиля в работоспособном состоянии.
В соответствии с назначением и характером выполняемых работ устанавливаются две основные группы ремонтов : эксплуатационные ремонты и капитальные ремонты автомобилей и агрегатов.
Эксплуатационный ремонт имеет назначением замену или ремонт деталей ( кроме базовых ) и выполнение различных ремонтных работ для устранения отдельных неисправностей, возникающих в процессе эксплуатации автомобиля.
Капитальный ремонт автомобиля и агрегата имеет целью восстановить их техническое состояние в соответствии с техническими условиями на ремонт, сборку, испытание и техническими условиями на автомобили и агрегаты, принимаемые из капитального ремонта.
Капитальный ремонт должен обеспечивать срок службы в течение установленного пробега при условии надлежащего технического обслуживания, текущего ремонта, вождения и правильной эксплуатации автомобиля.
Планирование межремонтных пробегов автомобилей и прицепов. А также выполнение работ по техническому обслуживанию и ремонту должно производиться в соответствии с установленными нормативами.
Нормы межремонтных пробегов автомобилей и агрегатов приведены в таб.
Минимальные нормы пробега агрегатов автомобилей до капитального ремонта ( в тыс. км ).
|
Наименование агрегатов. |
Газ-51 |
Зил-150 |
Маз-200 |
Зил-5 |
Газ-93 |
Зил-585 |
Маз-205 |
Зил-155 |
М-20(победа) |
|
ДВИГАТЕЛЬ |
80/55 |
80/55 |
80/55 |
60/45 |
70/50 |
70/50 |
70/50 |
130/100 |
95/60 |
|
Коробка передач. |
80/55 |
80/55 |
80/55 |
60/45 |
70/50 |
70/50 |
70/50 |
130/100 |
110/90 |
|
Задний мост |
105/70 |
105/70 |
105/70 |
60/45 |
95/60 |
95/60 |
95/60 |
160/120 |
110/90 |
|
передний |
105/70 |
105/70 |
105/70 |
95/60 |
95/60 |
95/60 |
95/60 |
160/120 |
95/60 |
|
Рулевое управление |
80/55 |
80/55 |
80/55 |
60/45 |
70/50 |
70/50 |
70/50 |
160/120 |
110/90 |
|
Самосвальный механизм |
____ |
____ |
____ |
___ |
95/60 |
95/60 |
95/60 |
_____ |
_________ |
Примечания : 1. В числителе указан пробег для новых агрегатов, а в знаменателе – для агрегатов, прошедших ремонт.
2. Нормы межремонтных пробегов агрегатов :
а) повышаются на 10% при эксплуатации автомобилей на дорогах с усовершенствованными покрытиями.
б) снижаются на 10% при эксплуатации автомобилей на лесных дорогах, при геологической разведке в отдалённой местности, а также для автомобилей, используемых с одним прицепом.
в) ) снижаются на 15% при эксплуатации автомобилей, используемых с двумя прицепами.
ТЕХНИЧЕСКОЕ ОБСЛУЖИВАНИЕ АВТОМОБИЛЕЙ.
Техническое обслуживание автомобилей должно обеспечить :
надёжность автомобиля в эксплуатации и безопасность во время движения в любых условиях ;
минимальный расход ГСМ и износ резины в процессе эксплуатации ;
максимальный межремонтный пробег.
Техническое обслуживание по видам подразделяется на :
а) ежедневное техническое обслуживание ( ЕО ) ;
б) первое техническое обслуживание ( ТО – 1 ) ;
в) второе техническое обслуживание ( ТО – 2 ) ;
Техническое обслуживание должно производиться по прибытии автомобиля в гараж и тем самым обеспечить его готовность к очередному выходу в эксплуатацию.
РАБОТЫ, ВЫПОЛНЯЕМЫЕ ПРИ ТЕХНИЧЕСКОМ ОБСЛУЖИВАНИИ АВТОМОБИЛЕЙ
ЕЖЕДНЕВНОЕ ОБСЛУЖИВАНИЕ ( ЕО ) ДВИГАТЕЛЬ
Очистить и обтереть двигатель.
Проверить : а) натяжение ремня вентилятора и компрессора ; б) герметичность соединений карбюратора, топливного насоса, топливопроводов, водяного насоса, шлангов радиатора ; в) исправность привода управления карбюратором ; г) крепления : генератора, реле-регулятора, стартера, сигнала, распределителя и проводов.
Смазать подшипники вентилятора и водяного насоса.
Завести двигатель, прослушать его работу и отрегулировать на малых оборотах.
Повернуть рукоятку фильтра грубой очистки на 2 - 4 оборота на прогретом двигателе.
ПЕРВОЕ ТЕХНИЧЕСКОЕ ОБСЛУЖИВАНИЕ ( ТО – 1 )
В первое техническое обслуживание, кроме операций ЕО, входят дополнительные работы, перечисленные ниже
|
Проверить и довести до нормы |
закрепить или подтянуть (по потребности ) |
Смазать, долить или сменить смазку |
|
Проверить и отрегулировать работу двигателя. Проверить герметичность соединений ; отсутствие подтекания горючего, масла, охлаждающей жидкости ; герметичность соединений и состояние : корпусов фильтров тонкой и грубой очистки масла ( спустить отстой ), маслопроводов масляного радиатора и его крана. Проверить состояние элемента фильтра тонкой очистки, корпусов топливных фильтров ( спустить отстой из корпуса ). Проверить : состояние радиатора, водяного насоса и шлангов; состояние и натяжение ремня вентилятора; действие жалюзи, герметичность соединений и состояние деталей карбюратора, топливопроводов; действие привода дроссельной заслонки; состояние воздухоочистителя; для дизелей дополнительно проверить действие привода управления насос-форсунками и приводов служебного и аварийного остановов двигателя |
Подтянуть крепления двигателя, вентилятора, карбюратора, топливного насоса, воздушного фильтра. Подтянуть болты и гайки шпилек головки блока; болты крепления впускного и выпускного трубопроводов; болты крепления радиатора и масляного картера |
Долить смазку в картер двигателя или заменить (по графику). Смазать подшипники вала вентилятора и водяного насоса. Смазать опоры валика привода дроссельной заслонки. Смазать оси педали привода дроссельной заслонки. |
ВТОРОЕ ТЕХНИЧЕСКОЕ ОБСЛУЖИВАНИЕ ( ТО – 2 )
при втором техническом обслуживании производятся все операции ТО-1 и дополнительно работы, перечисленные ниже.
|
Проверить и довести до нормы |
закрепить или подтянуть (по потребности ) |
Смазать, долить или сменить смазку |
|
Промыть фильтр грубой очиски масла и воздухоочиститель; промыть фильтр тонкой очистки масла и заменить элемент. Очистить системе вентиляции картера. Очистить и промыть карбюратор и топливные фильтры. Отрегулировать обороты вала при холостом ходе двигателя. Для дизелей дополнительно проверить циркуляцию и давление топлива в магистрали; заменить фильтрующие топливные элементы, проверить момент начала подачи топлива насос-форсунками, установку их реек и валика управления рейками, величины зазоров между клапанами и коромыслом |
Подтянуть крепления радиатора, водяного насоса, топливного фильтра и насоса, кронштейнов вала и педали управления дроссельной заслонкой, головку блока двигателя; впускной и выпускной трубопроводы, приёмной трубы и глушителя |
Заменить смазку в картере двигателя (по графику), смазать опоры вала и педали управления дроссельной заслонкой. Заменить масло в воздушном фильтре. |
Техническое обслуживание двигателя состоит из крепёжных, смазочных, заправочных, контрольно-осмотровых и регулировочных работ. Цель обслуживания – содержание двигателя в таком состоянии, которое способствовало бы получению необходимой мощности, экономичности и превышению норм межремонтных пробегов. Большое внимание должно уделяться своевременному выявлению и устранению неисправностей. Обслуживание механизмов двигателя должно проводиться тщательно, при широком использовании контрольно-измерительных приборов и специального оборудования.
Прослушивание двигателя.
После наружного осмотра двигатель следует прогреть до нормальной температуры ( 70-80 % ) и прослушать его работу на различных оборотах. Для прослушивания стуков и шумов применяют трубочные или стержневые стетоскопы. По характеру стука или шума и в зависимости от места его возникновения можно определить неисправность двигателя. Для прослушивания прикасаются слуховым наконечником стетоскопа к различным местам двигателя. Основные сведения по проверке двигателя стетоскопом приведены в таб.
Данные для проверки двигателя стетоскопом
|
Детали, между которыми проверяется зазор |
Место прослушивания |
Режим работы двигателя |
Характер стука (при ненормальном зазоре) |
заключение |
|
Коренные подшипники -шейка коленчатого вала |
Нижняя часть блока цилиндров вблизи плоскости разъема картера двигателя |
Резко изменять обороты двигателя |
Глухой стук низкого тона |
К эксплуатации не допускается, так как может произойти разрушение баббита, задир шеек коленчатого вала |
|
Шатунные подшипники – коленчатый вал |
По линии движения поршня в зонах, соответствующих верхнему и нижнему положению поршневого пальца |
Резко изменять обороты двигателя |
Стук среднего тона, более резкий и звонкий, чем стук коренных подшипников; при выключении зажигания стук прекращается или значительно уменьшается |
К эксплуатации не допускается, так как может произойти разрушение баббита, задир шеек коленчатого вала |
|
Поршень - цилиндр |
В верхней части блока цилиндров со стороны, противоположной распределительному валу (зона 2) |
Малые обороты холостого хода на холодном двигателе |
Сухой, щелкающий стук, уменьшающийся по мере прогрева двигателя; при сильном износе стук уменьшается, но будет прослушиваться также на прогретом двигателе |
К эксплуатации допускается. При этом увеличивается расход масла и горючего |
|
Поршневой палец - шатун |
В верхней части блока цилиндров |
Резко изменять обороты двигателя |
Резкий металлический стук, пропадающий при выключении зажигания |
К эксплуатации не допускается, так как происходит разрушение бобышек поршня и ускоряется износ подшипников и шеек коленчатого вала |
|
Подшипники – шейки распределительного вала |
В местах расположения подшипников распределительного вала |
Малые обороты холостого хода |
Ясно слышный стук в зонах расположения подшипников |
К эксплуатации допускается, но будет происходить усиленный износ подшипников и шеек распределительного вала |
|
Клапан - толкатель |
В верхней плоскости блока цилиндров (ближе к плоскости разъёма). В верхнее-клапанном двигателе – в зонах расположения клапанов на крышке головки блока ( зона 1) |
Малые обороты холостого хода |
Отчётливый звонкий стук |
К эксплуатации допускается. По возможности клапан отрегулировать. В противном случае будет происходить усиленный износ гнёзд и головок клапанов |
|
Клапан - втулка |
В местах расположения втулок клапанов |
Малые обороты холостого хода |
Глухой стук |
К эксплуатации допускается, но возможно обеднение горючей смеси из-за подсоса воздуха через зазоры между втулками и стержнями впускных клапанов ; заедание впускных клапанов вследствие усиленного отложения нагара |
рис.1 Блок цилиндров и головка блока V-образного двигателя: 1-блок цилиндров; 2-прокладка головки блока; 3-камера сгорания;4- головка блока;5- гильза цилиндра;6-уплотнительное кольцо; 7- шпильки.
Подтяжка гаек и болтов головки цилиндров.
Подтяжку гаек и болтов головки цилиндров у двигателей с алюминиевыми головками следует производить на холодном двигателе, а у двигателей с чугунными головками – на прогретом.
Подтяжку рекомендуется производить динамометрическим ключом, величины крутящих моментов при этом должны быть в пределах, указанных
в табл. При отсутствии динамометрического ключа можно пользоваться ключом, имеющим ручку длиной не свыше 300 мм.
Величины крутящих моментов для затяжки гаек головки блока
|
Двигатель автомобиля |
Момент затяжки гаек или болтов головки цилиндров ( в кг) |
|
Москвич-401 и 402 |
6,25- 7,00 |
|
москвич – 407 |
7,25 -8,00 |
|
М-20, ГАЗ- 69, УАЗ- 450Д, ГАЗ- 12, ГАЗ-51А ,ЗИЛ- 150, ЗИЛ- 164, Урал, ЗИЛ- 375М, ЗИЛ- 151, ЗИЛ- 157, ЗИЛ-158 |
6,70- 7,20 10,0- 12,00 |
|
МАЗ- 200, ЯАЗ- 210 |
22,0- 24,0 |
Удаление нагара из камер сгорания двигателя.
На внутренней поверхности камеры сжатия в головке цилиндров и на днищах поршней образуется нагар. При исправном состоянии двигателя, при применении бензина и масла ( хорошего качества) отложения нагара невели-
ки. В случае нарушений в двигателе этих условий может образоваться толстый слой нагара, вызывающий сильную детонацию, уменьшение мощности двигателя и увеличение расхода топлива. Нагар образуется значительно быстрее при эксплуатации автомобиля в городе, чем в загородных условиях. Более того, при загородных поездках с повышенной скоростью ранее образовавшийся нагар выгорает и головка самоочищается.
Образовавшийся нагар можно удалить во время поездки на высокой скорости. При наличии высококачественного бензина (А-72, А-74) самоочистка происходит после пробега 150-200 км.
Если самоочистка не произошла, то для удаления нагара на 4-6 часов необходимо залить в каждый цилиндр прогретого двигателя по 100 г смеси керосина, ацетона и автола в разных дозах. Затем завести двигатель и работать, пока не прекратится выход дыма. После этого спустить масло, заменить фильтры, промыть всю систему соляркой и заправить чистым маслом.
Если самоочистка не произошла, то для удаления нагара необходимо снять головку цилиндров и очистить головку и днище поршней.
При работе на этилированном бензине на головках выпускных клапанов образуются отложения соединений свинца серого или серобурого цвета.
При значительном скоплении свинцовых отложений может произойти прогорание клапанов.
Во избежание отравления пылью или кусочками сухого нагара, которые могут попасть в органы дыхания, рекомендуется нагар перед соскабливанием
из камер сгорания, поршней и клапанов смачивать керосином.
Для уменьшения отложений свинца полезно периодически работать (несколько сот километров) на неэтилированном бензине.
Быстрое повторное образование нагара означает, что двигатель нуждается в ремонте (прежде всего в чистке или смене поршневых колец).
Увеличение расхода масла двигателем не всегда является следствием износа поршневых колец или цилиндров и может происходить из-за закупоривания прорезей в маслосъёмных кольцах. В этом случае следует очистить кольца от нагара.
Проверка компрессии цилиндров двигателей.
Компрессия (величина давления в конце сжатия) характеризует состояние деталей поршневой группы двигателя.
Изношенность цилиндров блока, поршней, поршневых колец ( или их залегание в канавках поршней ), а также неплотность прилегания клапанов к сёдлам приводит к уменьшению компрессии в цилиндрах, а следовательно, и к падению мощности двигателя.
Кроме того, большая разница компрессии в различных цилиндрах двигателя нарушает равномерность работы двигателя и ускоряет его износ.
У исправного двигателя величина компрессии должна соответствовать данным таб., а разница между отдельными цилиндрами не превышать 1,0 , а в дизельных двигателях 2 кг/см².

рис.1.шатунно-поршневая группа: а - дизелей ЯМЗ; б и в- двигателей автомобилей ГАЗ-53А, где даны поршни в сборе с шатуном, устанавливаемые соответственно в первой, второй, третий и четвёртый цилиндры левого блока и в пятый, шестой, седьмой и восьмой цилиндры правого блока; 1- стопорное кольцо; 2- поршневой палец; 3- маслосъёмные кольца; 5- камера сгорания в днище поршня; 6-днище поршня; 7- головка поршня; 8- юбка; 9- поршень; 10- распылитель масла(форсунка); 11-шатун; 12-вкладыши; 13-замковая шайба; 14- длинный болт; 15- короткий болт; 16- крышка шатуна; 17- втулка в головке шатуна; 18- надпись на поршне; 19- номер на шатуне; 20- метка на крышке шатуна; 21- шатунный болт.
а-поперечные сечения компрессионных колец и их положения в рабочем состоянии; б-составное маслосъёмное кольцо; в - головка поршня двигателя автомобиля ЗИЛ-130 с поршневыми кольцами; г-схема насосного действия компрессионных колец; д - схема работы маслосъёмных колец;1 -кольцо прямоугольного
сечения;2-кольцо с конической наружной поверхностью; 3-кольцо с фаской на внутренней стороне;4-коль-цо с выточкой на внутренней стороне; 1-дискообразное кольцо;2-осевой расширитель; 3-радиальный расширитель; 4-замок кольца; 5-компрессионные кольца; 6-поршень; 7-отверстие в канавке маслосъёмного кольца;
8-цилиндр; 9-маслосъёмное кольцо; 10-прорези в кольцо; 11-отверстие в поршне; сплошными стрелками показано направление движения поршня, а штриховыми – масла.
Данные для проверки компрессии в цилиндрах компрессометром.
|
Двигатель автомобиля |
Степень сжатия |
Давление в конце сжатия (в кг/см²) |
|
Москвич - 402 ; - 407 |
7,0 |
7,0 - 8,0 |
|
М-21- Волга |
6,6 |
7,0 – 7,5 |
|
М-20-Победа, ГАЗ-69, УАЗ-450 |
6,2 |
6,5 – 7,5 |
|
ГАЗ-12 |
6,7 |
7,0 -8,0 |
|
ГАЗ-51А |
6,2 |
6,5 -7,5 |
|
ЗИЛ-164, ЗИЛ-150, ЗИЛ-157,ЗИЛ-158 |
6,2 |
6,5 -7,5 |
|
МАЗ-200, ЯАЗ-210, ЗИЛ-127 |
16,0 |
35,0 |
Проверку компрессии производят при помощи компрессометра в следующем порядке.
Карбюраторные двигатели
Прогреть двигатель до нормальной температуры, после чего вывернуть свечи.
Полностью открыть воздушную и дроссельную заслонки карбюратора.
Установить наконечник шланга компрессора в отверстие для свечи первого цилиндра и плотно его прижать.
Повернуть коленчатый вал 8 - 10 раз стартером или рукоядкой до получения максимального давления воздуха в цилиндре и заметить показания стрелки компрессометра.
Открыть спусковой клапан компрессометра и выпустить из него воздух, таким же образом проверить компрессию в остальных цилиндрах.
Дизельные двигатели
В двигателях ЯАЗ-204 и ЯАЗ-206 для проверки давления сжатия в цилиндрах применяют специальный компрессометр – манометр, который имеет шкалу до 60 кг/см². Проверка производится в следующем порядке:
1.Прогреть двигатель до нормальной температуры (70-80º):
2.Корпус компрессометра вставить на место насос-форсунки в первом цилиндре и зажать его скобой крепления насос – форсунки.
3.Ниппели (подводящий и отводящий топливо к форсунке проверяемого цилиндра) соединить между собой.
4. Завести двигатель и заметить показания манометра при 500 об/мин коленчатого вала. Поочерёдно замерять компрессию в других цилиндрах.
Проверка и регулировка зазоров клапанов двигателей
Величина зазоров между клапанами и толкателями устанавливается из условия обеспечения плотной посадки клапанов в гнёздах и бесшумной их работы. При проверке щуп, соответствующий зазору максимальной величины (табл.), не должен входить, а щуп, соответствующий минимальному зазору, должен входить в зазор свободно.
Величины зазоров между толкателями и клапанами двигателей
|
Двигатель автомобиля |
Зазор (в мм) для клапана впускного выпускного |
Состояние двигателя при регулировке |
|
|
Москвич – 402 |
0,13-0,15 |
0,18-0,20 |
холодный |
|
Москвич – 407 |
0,15 |
0,20 |
То же |
|
М-21- Волга, М-20-Победа, ГАЗ-69, УАЗ-450, ГАЗ-12 |
0,25- 0,30 |
0,25-0,30 |
>> |
|
ГАЗ-51, ГАЗ-51А, ЗИЛ-164, ЗИЛ-150 |
0,23 |
0,28 |
>> |
|
ЗИЛ-157,ЗИЛ-158, МАЗ-200, ЯАЗ-210 |
0,20-0,25 |
0,20-0,25 |
прогретый |
|
ЗИЛ-127 |
----- |
0,25-0,30 |
То же |

Рис.2. Механизм газораспределения двигателя МеМЗ-245: 1 — шайба опорная внутренней и наружной пружин, 2, 3 — наружная и внутренняя пружины, 4 — патрубок, 5 — маслоотражательный колпачок клапана, 6 — тарелка пружины клапана, 7 — сухари тарелки клапана, 8 — наконечник регулировочного винта коромысла, 9 — коромысло, 10 — гайка, 11 — регулировочный винт коромысла клапана, 12 — ось коромысел, 13 — головка цилиндров, 14 — кулачок распределительного вала, 15 — стопорное кольцо, 16 — направляющая втулка, 17 — клапан, 18 — седло клапана
Если зазор имеет одно значение ( например 0,23мм), его следует проверить двумя щупами: один должен соответствовать номинальному значению (0,23мм), а другой – на 0,02мм больше (0,25мм). Первый щуп(0,23мм) должен входить в зазор с небольшим усилием, а второй(0,25мм) не должен входить в зазор.
Проверку и регулировку зазора производят в последовательности, обуславливаемой конструкцией двигателя.

Рис.3. Шатун и шатунные вкладыши:
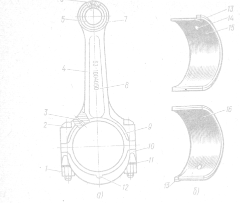
а - шатун двигателя автомобиля ГАЗ – 53А; б - шатунные вкладыши; 1- гайка; 2- болт; 3 и 14- отверстия для масла; 4- стержень шатуна; 5- бронзовая втулка; 6- отверстие для подачи масла к поршневому пальцу; 7- верхняя головка шатуна; 8- номер шатуна; 9- нижняя головка шатуна; 10- крышка нижней головки шатуна; 11- стопорная шайба; 12- метка; 13- усик; 15- верхний вкладыш; 16- нижний вкладыш.

Рис. 10. Коленчатый вал двигателя «Москвич-412»:
/ — храповик, 2 — стопорная шайба, 3 — шкив, 4 — передний сальник, 5 — маслоотражатель, 6 — шестерня привода масляного насоса и прерывателя-распределителя, 7 — распорная втулка, 8 — звездочка привода газораспределительного механизма, 9 — сегментные шпонки, 10 — коленчатый вал, 11 — пробка, 12 — коренные вкладыши, 13 — прокладка, 14 — крышка заднего сальника, 15 — шпилька, 16 — шайба, 17 — гайка, 18 — задний сальник, 19 — штифт кожуха сцепления, 20 — стопорная пластина, 21 — болт, 22 — маховик, 23 — трубчатые штифты, 24 — крышка коренного подшипника, 25 — упорные полукольца, 26 — крышка среднего коренного подшипника
Коренные и шатунные подшипники коленчатого вала
Состояние коренных и шатунных подшипников коленчатого вала следует проверять через каждые 10000км пробега при очередном техническом обслуживании. В случае падения давления в системе смазки или появления глухого стука при резкой смене числа оборотов коленчатого вала необходимо проверить зазоры в подшипниках.
Зазоры между подшипником и шейкой вала можно проверить с помощью контрольной прокладки, имеющей толщину, равную допустимому зазору (см.табл.), ширину 12мм, длину 25 мм.
Если после постановки контрольной прокладки между шейкою вала и подшипником и затяжки болтов подшипника вал свободно прокручивается, нужно заменить прокладки или вкладыши.
Затягивать гайки болтов крышек подшипников нужно динамометрическим ключом с усилием, создающим крутящий момент в пределах, указанных в таб.
Рекомендуемые значения крутящих моментов при затяжке болтов подшипников
|
Двигатель автомобиля |
Крутящий момент ( в кг/м² ) для подшипников |
|
|
шатунных |
коренных |
|
|
Москвич - 401 ; - 402 |
6,8 – 7,5 |
12,5 – 13,6 |
|
Москвич - 407 |
5,0 -6,5 |
12,5 – 13,6 |
|
М-20-Победа, ГАЗ-69, УАЗ-450, ГАЗ-12, ГАЗ-51А |
6,8 – 7,5 |
12,5 – 13,6 |
|
М-21- Волга, ЗИЛ-164, ЗИЛ-150, Урал, ЗИЛ-157,ЗИЛ-355М, ЗИЛ-158 |
8,0 – 9,0 |
11,0 – 13,0 |
|
МАЗ-200, ЯАЗ-210 |
8,0 – 9,0 |
8,0 – 10,0 |
Уход за системой смазки
Долговечность автомобиля зависит от качества применяемого масла и ухода за системой смазки. Для заправки картера двигателя необходимо применять только масло, рекомендуемое заводской инструкцией для определённой поры года и климатического пояса, пользуясь чистой заправочной посудой.
Качество масла должно соответствовать требованиям ГОСТ. Масло не должно содержать примесей воды и механических частиц. Перед заливкой его необходимо фильтровать и отстаивать.
Смена масла в картере двигателя производиться согласно инструкциям автомобильных заводов. Сроки смены для большинства карбюраторных двигателей установлены в пределах 1000 – 2000 км пробега автомобиля. В двигателе ЯАЗ -204 срок смены смазки установлен через каждые 1500 км.
Следует иметь в виду, что на срок пригодности масла оказывают большое влияние его качество, уход за фильтрами грубой и тонкой очистки, уход за воздухоочистителем, регулировка приборов питания, условия пуска двигателя, дорожные условия и режим эксплуатации.
Для продления срока пригодности масла и уменьшения износа двигателя необходимо устранять причины, вызывающие загрязнение масла, окисление его и разжижение топливом. Износ двигателя снижается в 1,5 – 2 раза при своевременной смене фильтрующих элементов. Фильтры маслоприёмника следует очищать и промывать в керосине при каждом снятии картера.
При первом ТО следует сливать отстой фильтров, а при втором – промывать фильтры и отстойник. При смене масла необходимо промывать масляную систему. Промывать систему смазки следует чистым маловязким маслом или маслом, применяемым для двигателей в зимнее время. Для промывки системы масло заливают в картер прогретого двигателя после спуска отработанного масла и дают двигателю проработать 5 – 8 мин. при малых оборотах холостого хода. После этого следует залить свежее масло.
Давление масла в системе смазки должно быть в пределах, указанных в таб.
Давление масла в системе смазки
|
Двигатель автомобиля |
Рабочее давление масла ( в кг/см²) |
Примечание |
|
Москвич - 402 |
2,0 – 3,5 |
При движении автомобиля со скоростью 40 – 50 км/час |
|
Москвич - 407 |
2,0 не менее |
Более 30 км/час |
|
М-21- Волга |
2,0 – 4,0 |
При движении автомобиля со скоростью 50 км/час |
|
М-20-Победа, ГАЗ-69, УАЗ-450, ГАЗ-12, ГАЗ-51А |
2,0 – 4,0 |
При движении автомобиля со скоростью 50 км/час |
|
ЗИЛ-150 |
Не менее 1,5 |
При 1000 об/мин коленчатого вала |
|
ЗИЛ-164, ЗИЛ-157, ЗИЛ-158 |
Не менее 2,5 |
При 1000 об/мин коленчатого вала |
|
МАЗ-200, ЯАЗ-210, ЗИЛ-127 |
1,7 – 4,2 |
При 2000 об/мин коленчатого вала |
При малых оборотах коленчатого вала карбюраторных двигателей в системе смазки давление снижается до 1 кг/см², а у двигателей ЯАЗ – 204 – до 0,5 кг/см². При скорости движения автомобиля 30 – 50 км/час снижение давления в системе смазки двигателя недопустимо ниже 1 кг/см².
Причинами понижения давления в системе смазки могут быть :
а) недостаточный уровень масла ;
б) разжижение масла или высокая температура смазки ;
в) неисправность магистрали ;
г) ослабление или поломка пружины редукционного клапана.
Повышение давления в системе смазки может быть в результате применения масла с большей вязкостью или засорения магистрали и нарушения регулировки редукционного клапана.
ВЫВОД:
Как мы могли узнать из выше написанного есть три (3) вида обслуживания двигателя внутреннего сгорания, это : 1) Ежедневное техническое обслуживание ( ЕО ) ; 2) Первое техническое обслуживание ( ТО - 1 ) и
Второе техническое обслуживание ( ТО - 2 ).
При каждом из видов обслуживания должны выполняться определённые виды работ. Все они направлены на то чтобы продлить моторесурс двигателя, и избежать неприятные последствия ремонта двигателя внутреннего сгорания вне автопредприятия ( в полевых условиях ).
Есть косметический ремонт и капитальный ремонт двигателя внутреннего сгорания. Длительность работы Д.В.С. зависит ещё от некоторых факторов : это качества деталей ; качественного масла ; и умелого использования потенциала мощности двигателя.
Список литературы:
Е. В. МИХАЙЛОВСКИЙ. К.Б. СЕРЕБРЯКОВ. Е. Я.ТУР «УСТРОЙСТВО АВТОМОБИЛЯ» ( Москва – машиностроение – 1981 г. ).
В. Ф. ЕПИФАНЦЕВ , А.С. АМЕЛИН «СПРАВОЧНИК ШОФЁРА » (Гос. Издательство технической литературы УССР Киев – 1962 г. ).