Автономные береговые электроэнергетические системы
Министерство транспорта Российской Федерации
Департамент водного транспорта
Новосибирская Государственная Академия Водного Транспорта
Кафедра ЭСЭ
Электромеханический факультет
Расчётно-графическая работа
По дисциплине: “Автономные береговые электроэнергетические системы”
Выполнил: студент
группы ЭТУ - 41
Аладников А.Н.
Проверил: преподаватель
Малышева Е.П.
Новосибирск 2007 г.
Содержание
1. Исходные данные
2. Выбор вариантов схем соединения ЛЭП
3. Выбор номинальных напряжений сооружаемых ЛЭП
4. Определение сечений проводов сооружаемых ЛЭП
5. Выбор трансформаторов на понижающих подстанциях
5.1 Выбор трансформатора на понижающей подстанции ПС-1
5.2 Выбор трансформатора на понижающей подстанции ПС-2
5.3 Выбор трансформатора на понижающей подстанции ПС-3
6. Принципиальная схема расчетного варианта развития энергосистемы
1. Исходные данные
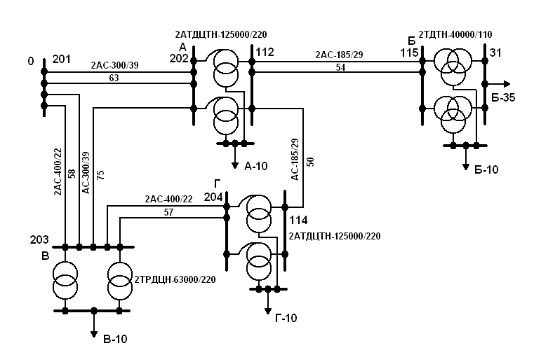
Схема существующей электрической сети (Рис.1).
Мощности шин действующих подстанций (10 и 35кВ) режима максимальных нагрузок (Табл.1) на пятый год эксплуатации сооружаемой сети.
Геометрическое расположение существующих (Табл.2) и мест сооружения новых (Табл.3) подстанций в декартовой системе координат.
Максимальные мощности новых узлов нагрузки (новых подстанций) на пятый год их эксплуатации (Табл.3).
Время использования максимальной нагрузки Т>max> (Табл.3), для общего годового графика энергосистемы с учетом мощностей новых нагрузок.
Ориентировочный состав видов нагрузок новых подстанций (Табл.4)
Зимние и летние суточные графики нагрузки характерных дней новых подстанций (Табл.5).
Напряжение пункта питания в режимах максимальных нагрузок поддерживается на уровне 242 кВ.
Номинальное напряжение на шинах низкого напряжения новых подстанций - 10кВ.
Место строительства - Западная Сибирь.
Материал опор для ВЛ всех напряжений - железобетон.

Рис.1. Схема существующей электрической сети 220/100 кВ
Таблица 1
Мощности режима максимальных нагрузок существующей сети
|
Мощности нагрузок |
А-10 |
Б-35 |
Б-10 |
В-10 |
Г-10 |
|
Активная, МВт |
110 |
15 |
10 |
80 |
90 |
|
Реактивная, МВАр |
70 |
10 |
5 |
50 |
60 |
Таблица 2
Координаты расположения существующих подстанций
|
Подстанция |
х |
у |
|
А |
63 |
0 |
|
Б |
107 |
-33 |
|
В |
12 |
-57 |
|
Г |
66 |
-50 |
Таблица 3
Координаты положения, мощности нагрузок новых подстанций и время использования максимальной нагрузки Т>max>
|
Подстанция |
x |
y |
P |
Q |
T>max> |
|
ПС-1 |
55 |
15 |
61 |
34 |
4500 |
|
ПС-2 |
81 |
35 |
30 |
17 |
|
|
ПС-3 |
107 |
46 |
14 |
8 |
Таблица 4
Состав нагрузки сооружаемых подстанций, %
|
Под - станция |
Состав нагрузки |
|||||
|
Осветительная нагрузка |
Промышленная трёхсменная |
Промышленная двухсменная |
Промышленная односменная |
Электрифициро-ванный транспорт |
Сельско-хозяйственное производство |
|
|
ПС-1 |
20 |
20 |
15 |
15 |
30 |
- |
|
ПС-2 |
20 |
20 |
40 |
10 |
- |
10 |
|
ПС-3 |
40 |
15 |
- |
- |
- |
45 |
Таблица 5
Зимние и летние суточные графики характерных дней для новых подстанций, %
|
Время |
ПС-1 |
ПС-2 |
ПС-3 |
|||||||||
|
Зима |
Лето |
Зима |
Лето |
Зима |
Лето |
|||||||
|
P |
Q |
P |
Q |
P |
Q |
P |
Q |
P |
Q |
P |
Q |
|
|
0: 00 |
45 |
43 |
33 |
31 |
45 |
40 |
33 |
32 |
58 |
58 |
37 |
34 |
|
1: 00 |
42 |
41 |
24 |
23 |
34 |
32 |
26 |
25 |
50 |
52 |
33 |
32 |
|
2: 00 |
43 |
42 |
24 |
23 |
30 |
30 |
23 |
22 |
45 |
46 |
30 |
31 |
|
3: 00 |
44 |
44 |
22 |
22 |
30 |
29 |
27 |
27 |
44 |
44 |
28 |
30 |
|
4: 00 |
47 |
45 |
25 |
24 |
36 |
35 |
45 |
43 |
46 |
45 |
34 |
35 |
|
5: 00 |
53 |
52 |
30 |
30 |
56 |
55 |
60 |
58 |
52 |
50 |
44 |
46 |
|
6: 00 |
73 |
71 |
67 |
66 |
78 |
77 |
74 |
73 |
68 |
66 |
52 |
53 |
|
7: 00 |
90 |
92 |
76 |
77 |
100 |
99 |
75 |
74 |
80 |
80 |
56 |
55 |
|
8: 00 |
100 |
100 |
80 |
81 |
100 |
100 |
72 |
72 |
86 |
85 |
54 |
54 |
|
9: 00 |
100 |
100 |
70 |
71 |
96 |
95 |
62 |
60 |
84 |
82 |
50 |
50 |
|
10: 00 |
92 |
95 |
68 |
68 |
90 |
88 |
55 |
52 |
80 |
78 |
47 |
48 |
|
11: 00 |
91 |
93 |
69 |
70 |
80 |
81 |
50 |
50 |
72 |
70 |
45 |
46 |
|
12: 00 |
93 |
90 |
70 |
71 |
70 |
73 |
47 |
45 |
66 |
66 |
43 |
44 |
|
13: 00 |
88 |
86 |
68 |
68 |
66 |
67 |
46 |
44 |
65 |
65 |
42 |
45 |
|
14: 00 |
87 |
85 |
69 |
68 |
66 |
67 |
45 |
44 |
66 |
65 |
40 |
43 |
|
15: 00 |
92 |
94 |
70 |
71 |
66 |
68 |
45 |
45 |
67 |
66 |
41 |
44 |
|
16: 00 |
95 |
95 |
68 |
69 |
65 |
68 |
46 |
46 |
70 |
70 |
44 |
46 |
|
17: 00 |
100 |
100 |
70 |
72 |
64 |
67 |
48 |
47 |
86 |
85 |
48 |
49 |
|
18: 00 |
98 |
95 |
75 |
75 |
72 |
70 |
54 |
52 |
100 |
100 |
55 |
57 |
|
19: 00 |
97 |
94 |
80 |
78 |
83 |
80 |
62 |
60 |
98 |
99 |
65 |
65 |
|
20: 00 |
96 |
93 |
80 |
78 |
85 |
84 |
65 |
63 |
95 |
96 |
65 |
65 |
|
21: 00 |
88 |
86 |
70 |
72 |
80 |
80 |
64 |
62 |
80 |
80 |
60 |
63 |
|
22: 00 |
78 |
77 |
48 |
47 |
65 |
64 |
49 |
47 |
68 |
68 |
52 |
43 |
|
23: 00 |
58 |
56 |
34 |
35 |
53 |
50 |
35 |
34 |
63 |
62 |
41 |
42 |
|
Среднее |
78,75 |
77,88 |
57,92 |
57,92 |
67,08 |
66,63 |
50,33 |
49,04 |
70,38 |
69,92 |
46,08 |
46,67 |
2. Выбор вариантов схем соединения ЛЭП
Имеются данные о расположении новых подстанций ПС-1, ПС-2 и ПС-3 в принятых координатах (табл.3). Намечаем несколько вариантов соединения точек новых подстанций с близлежащими подстанциями (рис.2).

Рис.2. Варианты радиально-магистральных и замкнутых схем соединения новых ЛЭП
Расстояния между пунктами 1, 2 и 3, а также между ними и близрасположенными существующими подстанциями приведены ниже:





Сопоставим намеченные варианты по критерию суммарной длины новых ЛЭП.
Радиальные варианты:



Кольцевые варианты:


Из приведённых вариантов для дальнейшего рассмотрения выбираем радиально-магистральный вариант Р-2.
3. Выбор номинальных напряжений сооружаемых ЛЭП
Выбор номинальных напряжений выполняем по эмпирической формуле:
,
где Р - мощность (МВт) на одну цепь, L - длина линий (км).
Расстояния между подстанциями увеличиваем на 20% относительно воздушной прямой.
Исходные данные по нагрузкам подстанций приведены в таблице 6.
Таблица 6
Выбор номинальных напряжений ВЛ варианта радиально-магистральной сети
|
ВЛ |
L, км |
L+20%, км |
P, МВт |
Цепей |
U, кВ |
U>ном>, кВ |
|
А-1 |
17 |
20,4 |
105 |
2 |
108,8 |
110 (220) |
|
1-2 |
32,8 |
39,4 |
44 |
2 |
103,2 |
110 |
|
2-3 |
28,2 |
33,8 |
14 |
2 |
74,6 |
110 |
Для линии А-1 целесообразно выбрать напряжение 220 кВ, так как в этом случае придется поменять сечение проводов линии 0-А и, возможно, опоры. А если выбрать напряжение 110 кВ, то плюс ко всему этому придется менять трансформаторы подстанции А.
4. Определение сечений проводов сооружаемых ЛЭП
Суммарное сечение (F) проводов фазы проектируемой ВЛ составляет:
,
где I>P>-расчетный ток, А;
j>H>-нормированная> >плотность тока, А/мм2.
Для заданного числа использования максимальной нагрузки 4500 ч j>H>> >= 1,1 А/мм2.
Значение I>P> определяется по выражению:

где I>5> - ток линии на пятый год её эксплуатации в нормальном режиме;
- коэффициент, учитывающий изменение
нагрузки по годам эксплуатации линии.
Для линий 110…220 кВ значение
может быть принято равным 1,05, что
соответствует математическому ожиданию
этого коэффициента в зоне наиболее
часто встречающихся темпов роста
нагрузки.
- коэффициент, учитывающий число часов
использования максимальной нагрузки
ВЛ (Т>max>), а коэффициент
К>м> отражает участие нагрузки ВЛ
в максимуме энергосистемы.
Рассчитываем коэффициенты К>м> для нагрузок новых подстанций (табл.7).
Таблица 7
|
Под - стан - ция |
Активная мощность подстанции Р |
Состав различных видов потребителей новых п/ст.,%, для К>м>, о. е. |
К>м> |
|||||
|
Освещение |
Пром. трёх-сменная |
Пром. двух-сменная |
Пром. одно-сменная |
Электриф. транспорт |
С/х |
|||
|
1 |
0,85 |
0,75 |
0,15 |
1 |
0,75 |
|||
|
ПС-1 |
61 |
20 |
20 |
15 |
15 |
30 |
0 |
0,805 |
|
ПС-2 |
30 |
20 |
20 |
40 |
10 |
- |
10 |
0,76 |
|
ПС-3 |
14 |
40 |
15 |
- |
- |
- |
45 |
0,865 |
Результаты расчетов сечений проводов новых ЛЭП сведены в (табл.8).
Таблица 8
Расчет сечений проводов ЛЭП варианта радиально-магистральной сети
|
ВЛ |
Р, МВт |
Q, МВАр |
U>ном>, кВ |
Цепей |
I>5>, А |
|
I>расч>, А |
F, мм2 |
F>станд>, мм2 |
|
А-1 |
105 |
59 |
220 |
2 |
158 |
1,2 |
199,1 |
181 |
185 |
|
1-2 |
44 |
25 |
110 |
2 |
132,8 |
1,28 |
178,5 |
162,3 |
185 |
|
2-3 |
14 |
8 |
110 |
2 |
42,3 |
1,14 |
50,6 |
46 |
70 |
Для всех воздушных линий выбираем сталеалюминиевые провода.
При выборе стандартных сечений были учтены ограничения по механической прочности ВЛ свыше 1 кВ и условиям короны и радиопомех.
Выбранные сечения подлежат проверке по предельно допустимому току в послеаварийных и ремонтных режимах. Для двухцепных ЛЭП послеаварийным током является удвоенное значение нормального тока в режиме максимальных нагрузок (табл.9).

Таблица 9
Результаты расчетов при выборе проводов ВЛ для радиального варианта
|
ЛЭП |
|
Предварительное сечение |
|
Марка провода |
|
|
А-1 |
316 |
185 |
510 |
АС-185/29 |
510 |
|
1-2 |
265,6 |
185 |
510 |
АС-185/29 |
510 |
|
2-3 |
84,6 |
70 |
265 |
АС-70/11 |
265 |
5. Выбор трансформаторов на понижающих подстанциях
Трансформаторы выбираем по условию:
,
где S>5> - максимальная нагрузка подстанции в нормальном режиме на пятый год эксплуатации;
- допустимый коэффициент перегрузки
трансформаторов;
- число трансформаторов на подстанции.
5.1 Выбор трансформатора на понижающей подстанции ПС-1
Выбираем трансформатор на понижающей подстанции ПС-1 220/110/10 кВ с максимальной мощностью нагрузки на пятый год эксплуатации подстанции: Р>max>=61 МВт, Q>max>=34 МВАр.
Строим зимний график нагрузки (рис.2), так как трансформатор наиболее загружен в зимний период.

Рис.2. Зимний график нагрузки для подстанции ПС-1
Средняя нагрузка характерных зимних суток подстанции S>сред> = 54,9 МВА. Выделим продолжительность ступени перегрузки К>2> = 69,8 МВА, а К>1> как среднеквадратичное значение оставшейся нагрузки. Оно равно К>1> = 35,9 МВА.
Соотношение a + b = c + d: a + b = 40,8 МВА. ч; c + d = 30 МВА. ч.
Для данной
подстанции с учетом длительности ступени
перегрузки 16 часов
=
1,4, для вида охлаждения OFAF
(ДЦ - принудительная циркуляция воздуха
и масла с ненаправленным потоком масла).
Так как в разрабатываемой системе электроснабжения подстанции получают питание последовательно, а напряжение до подстанции ПС-1 220 кВ, а после 110 кВ. То целесообразнее на ПС-1 поставить автотрансформаторы. Для того, чтобы учесть мощности последующих подстанций и обеспечить запас мощности трансформатора с учетом развития, полную мощность ПС-2 и ПС-3 прибавляем к полной мощности ПС-1. Получаем S>5> = 120 МВА.
= 85,7 МВА
Выбираем два автотрансформатора АТДЦТН-125000/220.
5.2 Выбор трансформатора на понижающей подстанции ПС-2
Выбираем трансформатор на понижающей подстанции ПС-2 110/10 кВ с максимальной мощностью нагрузки на пятый год эксплуатации подстанции: Р>max> = 30 МВт, Q>max> = 17 МВАр.
Строим зимний график нагрузки (рис.3), так как трансформатор наиболее загружен в зимний период.

Рис.3. Зимний график нагрузки для подстанции ПС-2
Средняя нагрузка характерных зимних суток подстанции S>сред> = 23,1 МВА. Выделим продолжительность ступени перегрузки К>2> = 34,5 МВА, а К>1> как среднеквадратичное значение оставшейся нагрузки. Оно равно К>1> = 23,1 МВА.
Соотношение a + b = c + d: a + b = 9,6 МВА. ч; c + d = 11,4 МВА. ч.
Для данной
подстанции с учетом длительности ступени
перегрузки 4 часа
=
1,5, для вида охлаждения ONAF
(Д - принудительная циркуляция воздуха
и естественная циркуляция масла).
= 23 МВА
Выбираем два трансформатора ТРДН-25000/110.
5.3 Выбор трансформатора на понижающей подстанции ПС-3
Выбираем трансформатор на понижающей подстанции ПС-2 110/10 кВ с максимальной мощностью нагрузки на пятый год эксплуатации подстанции: Р>max> = 14 МВт, Q>max> = 8 МВАр.
Строим зимний график нагрузки (рис.4), так как трансформатор наиболее загружен в зимний период.

Рис.4. Зимний график нагрузки для подстанции ПС-3
Средняя нагрузка характерных зимних суток подстанции S>сред> = 11,3 МВА. Выделим продолжительность ступени перегрузки К>2> = 16,1 МВА, а К>1> как среднеквадратичное значение оставшейся нагрузки. Оно равно К>1> = 10,8 МВА.
Соотношение a + b = c + d: a + b = 3,2 МВА. ч; c + d = 3 МВА. ч.
Для данной
подстанции с учетом длительности ступени
перегрузки 4 часа
=
1,5, для вида охлаждения ONAF
(Д - принудительная циркуляция воздуха
и естественная циркуляция масла).
= 7,5 МВА
Выбираем два трансформатора ТДН-10000/110.
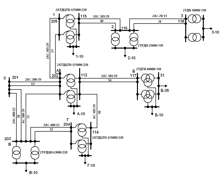
6. Принципиальная схема расчетного варианта развития энергосистемы

Рис.5. Принципиальная схема расчетного варианта развития энергосистемы

