Амплитудный детектор
Лабораторная работа
«Амплитудный детектор»
Теоретическая часть
Амплитудным детектором называется радиотехническое устройство, в котором осуществляется выделение из амплитудно-модулированного высокочастотного колебания (рис. 1а) модулированного сигнала (рис. 1в). Детектирование может осуществляться как в нелинейных, так и в линейных цепях с периодически изменяющимися параметрами. На практике используются нелинейные амплитудные детекторы.

На рис. 1б показана функциональная схема нелинейного амплитудного детектора, содержащая нелинейный элемент (НЭ) и фильтр (Ф), пропускающий модулирующие колебания.
При детектировании немодулированного высокочастотного сигнала выходное напряжение детектора должно быть постоянным. В этом случае амплитудный детектор работает как выпрямитель переменного тока.
В зависимости от величины входного сигнала различают квадратичный режим детектирования (слабый сигнал) и линейный (большой сигнал).
В качестве нелинейного элемента в амплитудном детекторе могу быть использованы: диод, триод, пентод или транзисторы.
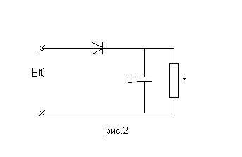
В настоящей работе в схеме амплитудного детектора используется диод, а фильтром служит сглаживающий конденсатор. Такой детектор называют диодным. На рис. 2 приведена схема диодного детектора.

Сопротивление R – это сопротивление тех цепей или приборов, которые подключаются к выходу детектора.
Анализ работы «линейного» детектора

Рассмотрение работы детектора начнём со схемы, не содержащей конденсатор (см. рис. 3).
Будем
считать, что напряжение Е (t)
на входе меняется по гармоническому
закону Е = Е
sin
t,
то есть сигнал не модулирован и детектор
работает как выпрямитель. При большом
уровне входного сигнала вольтамперную
характеристику диода с достаточной
точностью можно аппроксимировать
ломаной прямой, проведённой на рис. 4а.

Этот случай детектирования, при котором пренебрегают нелинейностью характеристики диода на прямой ветви, называется линейным.
Диод открыт
в течение периода, когда на его аноде
(т. А) имеется положительный относительно
катода (т. К) потенциал. В детекторах
сопротивление диода R
в открытом состоянии много меньше
нагрузочного сопротивления, поэтому в
этот отрезок времени большая часть
напряжения E
падает на резисторе R.
Форма выпрямленного напряжения U
повторяет форму входного напряжения
Е(t).
В течение другой половины периода диод
закрыт и напряжение на выходе выпрямителя
равно нулю. Из трафика (рис. 4в) видно,
что выходное напряжение сильно пульсирует.
Одним из основных параметров выпрямителя
является коэффициент пульсаций К
.
Коэффициентом пульсаций называется
отношение амплитуды максимальной
переменной составляющей на выходе к
среднему значению выпрямленного
напряжения. Среднее значение напряжения
(рис. 4в) или его постоянная составляющая
равна
U
=

= U
/
= 0.318 U
,
где U
– амплитуда пульсаций напряжения U
.
Следует заметить, что, поскольку прямое
напряжение на диоде очень мало, то можно
считать U
Е
.
Выпрямленное напряжение U
содержит также переменные составляющие,
из которых максимальную амплитуду U
имеет составляющая основной частоты
переменного напряжения Е.
Используя разложение в ряд Фурье, получаем
U
= 1.57 U
.
Отсюда следует, что коэффициент пульсаций в схеме выпрямителя довольно высок
К
=
= 157%.
Для уменьшения пульсаций напряжения применяют специальные сглаживающие фильтры. Простейшим фильтром может служить конденсатор большой ёмкости, который включается параллельно нагрузочному резистору R (см рис. 2). Включение конденсатора существенно изменяет условия работы диода.
Во время
некоторой части положительного
полупериода, когда напряжение на диоде
прямое, через диод проходит ток, заряжающий
конденсатор до напряжения, близкого к
Е
.
Зарядка конденсатора через сравнительно
малое сопротивление диода происходит
быстро. В то время, когда ток через диод
не проходит, конденсатор разряжается
через нагрузку R
и создаёт на ней напряжение, которое
постепенно снижается. На рис. 5 момент
времени t
– это тот момент, когда потенциал катода
в процессе зарядки конденсатора
сравнивается с потенциалом анода и ток
через диод прекращается, несмотря на
продолжающийся положительный полупериод
напряжения Е(t).
Конденсатор не успевает заметно
разрядиться за время между импульсами
тока диода, то есть за время t
= t
-
t
,
так как RC>>t.
Начиная с момента времени t
положительной части синусоидального
напряжения, потенциал анода становится
выше потенциала катода диода и происходит
быстрая подзарядка конденсатора до
прежнего значения напряжения на нём в
момент t
.

Итак, зарядка конденсатора через сравнительно малое сопротивление открытого диода происходит быстро, разряд же на большое сопротивление нагрузки R совершается гораздо медленнее. Вследствие этих двух по разному текущих процессов напряжение на конденсаторе и включённой параллельно ему нагрузке пульсирует незначительно.
Напряжение
на конденсаторе U
приложено плюсом к катоду, минусом к
аноду диода. Поэтому напряжение на диоде
U
определяется разностью между входным
напряжением Е и напряжением на
конденсаторе.
U
= Е – U
Максимальное
обратное напряжение на диоде получается
при отрицательном значении входного
напряжения Е = – Е
.
Поскольку напряжение на конденсаторе
также близко к Е
,
то наибольшее обратное напряжение
близко к 2 Е
.
На рис. 5 указан момент времени t
,
когда реализуется наибольшее обратное
напряжение. Таким образом, применение
удваивает обратное напряжение по
сравнению с его значением при отсутствии
конденсатора. Как следствие, диод следует
подбирать так, чтобы он выдерживал это
обратное напряжение.
Практическая часть
Получим ВАХ диода на осциллографе при двух различных значениях нагрузочного сопротивления (графики 1 и 2).
Соберём схему диодного выпрямителя без конденсатора, получим осциллограмму выходного сигнала (график 3).
Включим в схему конденсатор и получим осциллограммы выходного сигнала в зависимости от частоты f при ёмкости С = 0.05мкФ (графики 4–6) и от ёмкости конденсатора при частоте f = 9000Гц (графики 7–9).
Вывод
В данной работе мы изучали амплитудный детектор; получили вольтамперную характеристику диода, по виду которой определили величину прямого напряжения, начиная с которого возможна линейная аппроксимация ВАХ. Также мы изучали форму выходного сигнала диодного выпрямителя в зависимости от величины емкости конденсатора С и частоты f. Все зависимости совпадают с теоретическими.
Литература
1. В.Н. Ушаков. «Основы радиоэлектроники и радиотехнические устройства». М., «Высшая школа», 1976
2. Е.И. Манаев. «Основы радиоэлектроники». М., «Радио и связь», 1985