Анализ сложных электрических цепей постоянного тока и однофазного переменного тока
Министерство высшего и профессионального образования
Российской Федерации
Иркутский Государственный Технический Университет
Курсовая работа
По электротехнике и электронике
Анализ сложных электрических цепей постоянного тока и однофазного переменного тока
Выполнил:
Проверила:
Василевич М.Р.
Иркутск 2006г
Содержание:
Анализ электрических цепей постоянного тока
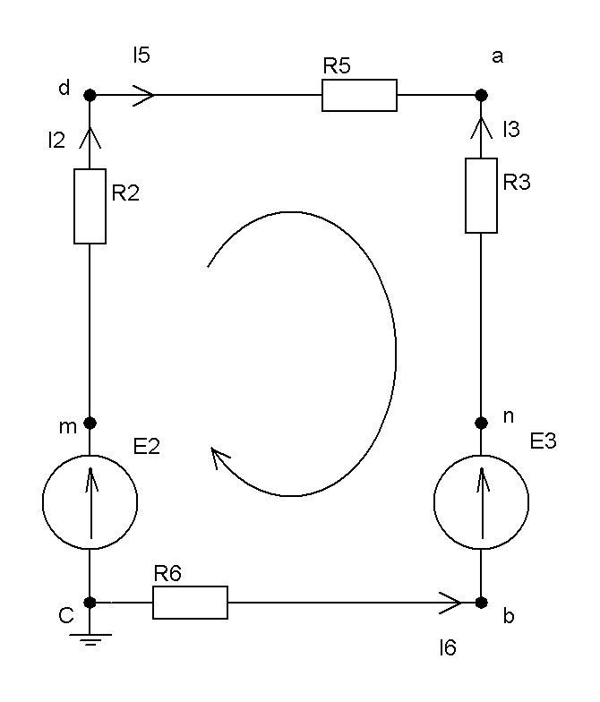
Расчёт токов с помощью законов Кирхгофа
Расчёт токов методом контурных токов
Расчёт токов методом узлового напряжения
Исходная таблица расчётов токов
Потенциальная диаграмма для контура с двумя Э.Д.С
Баланс мощности
Определение показания вольтметра
Анализ электрических цепей переменного тока
Расчёт токов с помощью законов Кирхгофа
Расчёт токов методом контурных токов
Расчёт токов методом узлового напряжения
Исходная таблица расчётов токов
Векторная диаграмма токов и топографическая диаграмма напряжений на комплексной плоскости
Определение показания вольтметра
1. Анализ электрических цепей постоянного тока

=9
Ом
=7,5
Ом
=12
Ом
=22,5
Ом
=315
Ом
=10,5
Ом
=0
=12
Ом
=-
=15
В
=33
В
=-
=2
В
=0
В
В предложенной электрической цепи заменяем источники тока на источники ЭДС.
2
)Выбираем
условно положительное направление
токов.
3)Выбираем направление обхода независимых контуров.
Находим эквиваленты:
=
*
/
(
+
)
=
21
=
+
=0+12=12
Ом
=
+
=15+2=17
=
+
=33+0=33
1.1 Расчёт токов с помощью законов Кирхгофа
Записываем систему уравнений для расчета электрических цепей с помощью законов Кирхгофа. По 1 закону составляем (у-1) уравнение, где у количество узлов. По 2 закону Кирхгофа составляем [b-(y-1)] уравнение, где b – количество ветвей.
a)
+
+
=0
b)
-
+
=0
c)-
-
-
=0
I)

-
+
=
II)

-
-
=-
III)-

+

-
=-
Рассчитываем систему уравнений
с помощью ЭВМ, векторы решения находятся
в приложении 1.



>(Данные расчета находятся в приложении 1)>
После расчета на ЭВМ записываем:
=1.29
A
=-0.80
A
=0.77
A
=-0.52
A
=1.32
A
=0.03
A
1.2 Расчёт токов методом контурных токов
Находим действующие в цепи токи с помощью метода контурных токов. Предполагается, что каждый контурный ток имеет свое собственное контурное сопротивление, которое равно арифметической сумме всех сопротивлений входящих в контур. Контурное ЭДС равно сумме всех ЭДС входящих в контур.
В каждом независимом контуре рассматривают независимые и граничащие ветви. В каждой граничащей ветви находят общее сопротивление, которое равно сопротивлению этой ветви. Составляют систему уравнений, количество которых равно количеству контурных токов. В результате расчета находят контурные токи и переходят к действующим.
1) Предположим, что в каждом
независимом контуре течет свой контурный
ток
,
,
.
Выберем произвольно положительное
направление обхода токов в одно
направление.
2)Находим полно контурное сопротивление всех контурных токов.
=
+
+
=7,5+10,5+21=39
Ом
=
+
+
=21+12+12=45
Ом
=
+
+
=9+7,5+12=28,5
Ом
Находим общее сопротивление
=
=
=
=
=
=
Находим полные контурные ЭДС
=
=
=-
Составляем систему уравнений для нахождения контурных токов
Согласно второму закону Кирхгофа

-
-
=
-
+
-
=
-
-
+
=


>(Данные расчета находятся в приложении 2)>
После расчета на ЭВМ записываем:
=-0.52455258749889799877
(А)
=-1.3224896411883981310
(А)
=-1.2913691263334214934
(А)
4.Ток в независимой цепи равен контурному току с учетом знаков, а ток в зависимой цепи равен алгебраической сумме.
=-I33=1.29
A
=I11-I33=-0.52455258749889799877-(-1.2913691263334214934)
=0,77
A
=-I22=1.32
A
=I22-I11=-1.3224896411883981310-(-0.52455258749889799877)
-0,8
A
=I11=-0.52
A
=I33-I22=-1.2913691263334214934-(-1.3224896411883981310)
=0,03
A
В результате токи равны:
=1.29
A
=0,77
A
=1.32 A
=
-0,8 A
=
-0.52 A
=
0,03 A
1.3 Расчёт токов методом узлового напряжения
Проверяем правильность нахождения токов в заданной электрической цепи методом узловых потенциалов. Согласно этому методу предполагается, что в каждом узле схемы имеется свой узловой ток который равен алгебраической сумме всех токов за счет проводимости ветвей. Этот метод основан на первом законе Кирхгофа и законе Ома.
Заземляем узел 3, φ3=0
Если в электрической схеме заземляется один из узлов, потенциал этой точки равен 0, а тока распределение не меняется.
Находим собственные проводимости ветвей присоединенных к оставшимся узлам 1,2,4. Собственная проводимость ветвей равна арифметической сумме проводимостей ветвей присоединенных к соответствующим узлам.






Находим взаимные проводимости, которые равны проводимости общих ветвей между соседними узлами.

Находим полный узловой ток, который равен сумме произведений ЭДС на соответствующую проводимость.

Составляем уравнение в соответствии с первым законом Кирхгофа.



>(Данные расчета находятся в приложении 3)>
После расчета на ЭВМ записываем:
=16,756645482734525139

-0,37345273475483642976

11,248845822938816704

По закону Ома находим искомые токи.
=(
-
)/
=(11,248845822938816704-(
-0,37345273475483642976))/9=1,291367
A
=(
-
+
)/
=((0,083333-11,248845822938816704)+17)/7,5=0,777932
A
=(
-
+
)/
=(0-,37345273475483642976-16,756645482734525139+33)/12=
1,322492 A
=(
-
)/
=(0,083333-16,756645482734525139)/21=-0,79397
A
=(
-
)/
=(11,248845822938816704-16,756645482734525139)/10,5=-0,52455
A
=(
-
)/
=(0,083333-(
-0,37345273475483642976))/12=0,038065
A
Округляем искомые токи до сотых долей:
=1,29
A
=0,78
A
=1,32
A
=-0,79
A
=-0,52
A
=0,04
A
1.4 Исходная таблица расчётов токов
V Составляем исходную таблицу расчетов токов всеми методами
|
I токи Метод |
I1,A |
I2,A |
I3,A |
I4,A |
I5,A |
I6,A |
|
Закон Кирхгофа |
1,29 |
0,77 |
1,32 |
-0,8 |
-0,52 |
0,03 |
|
Контурных Токов |
1,29 |
0,77 |
1,32 |
-0,8 |
-0,52 |
0,03 |
|
Узловых Потенциалов |
1,29 |
0,78 |
1,32 |
-0,79 |
-0,52 |
0,04 |
1.5 Потенциальная диаграмма для контура с двумя Э.Д.С
VI Строим потенциальную диаграмму

∑R=
=42
Ом
|
|
|
|
|
|
|
|
|
|
|
|
|
|
|
|
|
|
|
|
|
1.6Определение показания вольтметра

VII Находим показания вольтметра по второму закону Кирхгофа

pV=
-17+33+0,77*7.5+(-0,52)*10.5-1,32*12=
=0.475 В
1.7 Баланс мощности
XIII Составляем баланс мощности


56.62Вт=56.65Вт
2. Анализ электрических цепей переменного тока
1) Начертим электрическую цепь без ваттметра и записать данные.

=40.5
мГн
=0
мГн
=35.4
мкФ
=53
мкФ
=25
Ом
f=150 Гц
=70.5
cos(ωt+275)
’=68.5
cos(ωt-174)
’=56
sin(ωt-170)
2)Найдем сопротивление
элементов входящих в цепь.

Ом

Ом

Ом

Ом
3) Находим комплексы ЭДС, входящие в цепь.
Ė= Ė’+ Ė’’



70.5
В
68.5
В
=56
В


2.1 Расчёт токов с помощью законов Кирхгофа
4)Производим расчет предложенной схемы методом законов Кирхгофа.
Выбираем условно положительное направление токов. Рассчитываем искомые токи.

Записываем систему уравнений для мгновенных значений токов и напряжений в соответствии с первым и вторым законами Кирхгофа в интегро-дифференциальной форме, причем по первому закону Кирхгофа составляем (у-1) –уравнений, а по второму закону Кирхгофа –[b-(y-1)]-уравнений.
(у-1)=1
[b-(y-1)]=2

Или в комплексной форме:




Решаем данную систему уравнений с помощью ЭВМ.
>(Данные расчета находятся в приложении 4)>
После расчета на ЭВМ записываем значения комплексных токов:
[A]
[A]
=
=4.69
[A]
Находим действующие значения токов:

=6.37
[A]

=2.2
[A]

=4.69
[A]
2.2 Расчёт токов методом контурных токов
5. Производим расчет данной схемы методом контурных токов.
Находим полные контурные сопротивления:
j(38.15-29.99)+25=25+8.16j
[Ом]
j(0-20.03)+25=25-20.03j
[Ом]
Находим взаимное сопротивление:


=25
[Ом]
Находим комплексы полных контурных ЭДС:

Записываем систему уравнений:

Решаем систему уравнений с помощью ЭВМ.
>(Данные расчета находятся в приложении 5)>
После расчета на ЭВМ Записываем значения контурных токов:
=3.08+5.57j
[A]
=1.04+4.75j
[A]
Причем контурный ток
равен току в независимой ветви, т.е. току
.
Контурный ток
равен току
в независимой ветви, но направлен
навстречу. Искомый ток
=
-
.
Таким образом:
=3.08+5.57j
[A]
=0.24+0.82j
[A]
=-1.04-4.75j
[A]
2.3Расчёт токов методом узлового напряжения
6) Проверяем правильность нахождения расчета методом узловых потенциалов.
Для этого узел 2 заземляем, а для остальных составляем систему уравнений.
φ2=0
Находим полную комплексную проводимость узла.
=
0.04-0.07j

>(Данные расчета находятся в приложении 6)>
Находим комплекс узлового тока.
=
=

>(Данные расчета находятся в приложении 7)>
Находим комплексный потенциал:

В результате решения этого уравнения находим комплекс потенциала
и по закону Ома находим искомые
токи.

>(Данные расчета находятся в приложении 8)>
По закону Ома находим искомые токи:
=
[A]
>(Данные расчета находятся в приложении 9)>
=
[A]
>(Данные расчета находятся в приложении 10)>
=
[A]
>(Данные расчета находятся в приложении 11)>
2.4 Исходная таблица расчётов токов
7)Составляем сводную таблицу искомых токов:
|
токи Метод |
|
|
|
|
Законы Кирхгофа |
3,08+5,57j |
2.04+0.82j |
-1.04-4.75j |
|
Контурных Токов |
3,08+5,57j |
2.04+0.82j |
-1.04-4.75j |
|
Узловых Потенциалов |
3,08+5,57j |
2.04+0.82j |
-1.04-4.75j |
2.5 Векторная диаграмма токов и топографическая диаграмма напряжений на комплексной плоскости
8) Строим на комплексной плоскости векторную диаграмму токов и топографическую диаграмму напряжений и график изменения тока в неразветвленной части цепи.
[B]
[B]
[B]
[B]
[B]
=
=3.08+5.57j=6.36
[A]
=
[A]
рад

>(Данные расчета находятся в приложении 12)>
2.6 Определение показания вольтметра
9)Определяем показания вольтметра по второму закону Кирхгофа:

pV-

pV=
+
=44.06-41.27j+(2.04+0.82j)*25=95.06-20.77j
pV=
=97
B
Приложения
Приложение 1:









Приложение 2:





Приложение 3:





Приложение 4:






Приложение 5:





Приложение 6:




Приложение 7:




Приложение 8:




Приложение 9:




Приложение 10:




Приложение 11:




Приложение 12:
График изменения тока в
неразветвленной части цепи>
>

=0
=0
=
=-17
=
=-11.225
=
=-16.685
=
=-32.525
=-
=0.475
=-