Анализ установившихся режимов линейной электрической цепи при гармонических воздействиях
Часть 1. Анализ электрической цепи без учета индуктивных связей между катушками
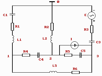
Схема электрической цепи
Исходные данные:

E1 = Em*sin(t+>1>)
I1 = Im*sin(t+>2>)
Em =- 80 В, Im = 6 A
>1 >= +42, >2 >= -50
= 2f, f = a*f>0>,
a = 1.05, f>0> = 55 Гц
R>1> = 12 Ом, R>2> = 6 Ом,
R>3> = 10 Ом, R>4> = 8 Ом,
R>5> = 5 Ом, R>6> = 11 Ом.
L>1> = 45 мГн, L>2> = 40 мГн,
L>6> = 25 мГн.
C>1> = 320 мкФ, С>3> = 200 мкФ,
С>4> = 250 мкФ, С>5> = 300 мкФ.
Определение токов методом узловых напряжений


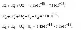
Проверка по I закону Кирхгофа

Метод эквивалентного генератора





Н
апряжения
на каждом элементе цепи
График значений токов в первой и третьей ветвях

Векторная диаграмма токов

1
.8
Векторно-топографическая
диаграмма напряжений

Часть 2. Анализ электрической цепи с учетом индуктивных связей между катушками
Определение токов методом контурных токов



2.2 Напряжения на индуктивно связанных катушках

Напряжения на каждом элементе цепи

П
роверка
по 2-му закону Кирхгофа
Векторная диаграмма токов

В
екторно-топографическая
диаграмма напряжений
