Анализ цепи во временной области различными методами (работа 2)
Содержание
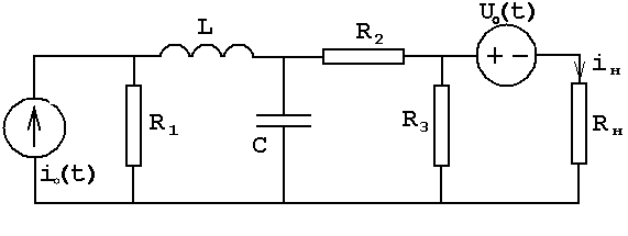
Задание к курсовой работе
Нормировка параметров цепи
Анализ цепи во временной области методом переменных состояния при постоянных воздействиях
Анализ цепи операторным методом при апериодическом воздействии
Качественный анализ цепи частотным методом при апериодическом воздействии
Анализ цепи частотным методом при периодическом воздействии
Вывод
ЗАДАНИЕ К КУРСОВОЙ РАБОТЕ
Анализ цепи во временной области методом переменных состояния при постоянных воздействиях;
Анализ цепи операторным методом при апериодическом воздействии;
Качественный анализ цепи частотным методом при апериодическом воздействии;
Анализ цепи частотным методом при периодическом воздействии.





НОРМИРОВКА ПАРАМЕТРОВ ЦЕПИ





Далее индекс «*» опускается
Анализ цепи во временной области методом переменных состояния при постоянных воздействиях
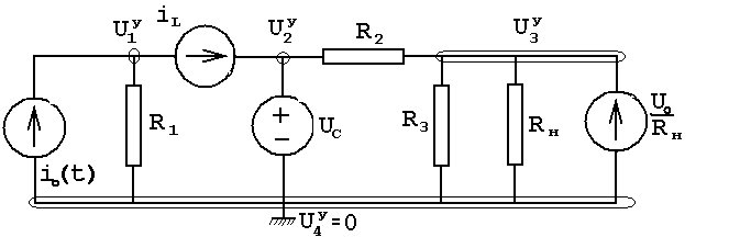
Составление уравнений состояния
цепи для

Сведем динамическую цепь к резистивной (заменим С-элемент источником напряжения, а L-элемент заменим на источник тока):

Выразим переменные состояния (i>c> и U>L>), используя метод узловых напряжений




Определяем коэффициенты:


После подстановки численных значений получаем:



Все переменные выражаем через переменные состояния и воздействия:


Уравнения состояния цепи:


Нахождение точных решений уравнений состояния
Общий вид решений уравнений состояния:


Независимые начальные условия





Определяем вынужденные
составляющие при





Определяем корни характеристического многочлена



Определяем постоянные
интегрирования

















Точное решение уравнений состояния:


Построение точных решений уравнений состояния:
Анализ цепи операторным методом при апериодическом воздействии
Операторная схема замещения:

Определение функции передачи.
Применим метод пропорциональных
величин для нахождения функции передачи










Функция передачи:

Нахождение нулей и полюсов функции передачи и нанесение их на плоскость комплексной частоты

- полюсы функции передачи;
Конечных нулей функция передачи не имеет;

Определение из функции передачи
переходной
и импульсной
характеристики для выходного сигнала
импульсная характеристика
:


Обратное преобразование Лапласа:

переходная характеристика
:


Обратное преобразование Лапласа:

Определение изображения по Лапласу входного одиночного импульса
Получим изображение сигнала
путем дифференцирования


Для получения самого сигнала,
дважды проинтегрируем
в s-области:



Определение тока
на выходе цепи, используя функцию
передачи на выходе цепи




Построение графиков переходной и импульсной характеристик цепи, а также входного и выходного сигналов
Качественный анализ цепи частотным методом при апериодическом воздействии
Нахождение и построение
амплитудно-фазовой (АФХ), амплитудно-частотной
(АЧХ) и фазочастотной (ФЧХ) характеристик
функции передачи цепи




АЧХ:

ФЧХ:

Определение полосы пропускания
цепи по уровню

Полоса пропускания определена
по графику
(см. выше)


с-1
Нахождение и построение
амплитудного и фазового спектров
апериодического входного сигнала и
определение ширины спектра по уровню




Комплексный спектр входного сигнала:

Приведем выражение в скобках к
синусу по Эйлеру (умножим и разделим на
):

Амплитудный спектр входного
сигнала:

Фазовый спектр входного сигнала:

Ширина спектра определяется по графику:


с-1;
Сопоставляя соответственно спектры входного сигнала с частотными характеристиками цепи, дадим заключение об ожидаемых искажениях сигнала на выходе цепи.
Можно установить, что приблизительно одна десятая часть амплитудного спектра входного сигнала укладывается в полосу пропускания, а фазочастотная характеристика в этой полосе имеет гиперболическую зависимость, в отличие от прямолинейной фазочастотной характеристики входного сигнала. Таким образом, при прохождении через цепь входной сигнал будет в значительной степени искажен. На выходе цепи можно ожидать сигнал, значительно более слабый, чем поданный на вход, и более выраженный по своей продолжительности. Этот качественный вывод подтверждается точным расчетом в п.2 (см. Рис.4)
Анализ цепи частотным методом при периодическом воздействии
Разложим в ряд Фурье заданный входной периодический сигнал. Построим его амплитудный и фазовый спектры.






Для получения амплитудного и
фазового дискретного спектра выделим
модуль и фазу, для этого выражение сведем
к синусу по Эйлеру (умножим и разделим
на
):


Амплитудный дискретный спектр:

Фазовый дискретный спектр:


|
|
0 |
1 |
2 |
3 |
4 |
5 |
6 |
|
|
1.111 |
0,856 |
0,354 |
0,041 |
0,011 |
0,052 |
0,03 |
|
|
0 |
-1.745 |
-3.491 |
-5.236 |
-3,84 |
-8.727 |
-10.472 |
Построение входного периодического сигнала и его аппроксимации отрезком ряда Фурье
Число гармоник ряда Фурье
определяется шириной спектра по уровню
:
2 гармоники (см. Рис.10)

Построение амплитудного и
фазового спектров выходного периодического
сигнала, используя рассчитанные в п.3.1
АЧХ и ФЧХ функции передачи цепи. Запись
тока
на выходе цепи в виде отрезка ряда Фурье


АЧХ:

ФЧХ:

Амплитуды и начальные фазы гармоник выходного напряжения:


|
|
|
|
|
|
|
|
0 |
0 |
0,372 |
0 |
0.413 |
0 |
|
1 |
3,491 |
0,033 |
-2,742 |
0.028 |
-4.487 |
|
2 |
6,981 |
0,008 |
-2,947 |
0.003 |
-6.438 |
|
3 |
10,480 |
0,004 |
-3,013 |
0.0002 |
-8.249 |
В соответствии с принятым критерием ширины спектра:

Построение графика тока
на выходе цепи в виде суммы гармоник
найденного отрезка ряда Фурье
ВЫВОД
При исследовании линейной цепи, можно сделать заключение, что при прохождении треугольного импульса через цепь он искажается: растягивается во времени, изменяется его амплитуда. На выходе при периодическом воздействии импульса получены слабовыраженные колебания тока.



,
c-1


