Аэродинамика циклонной камеры
Исходные данные
Геометрические и режимные характеристики циклонной камеры
|
Наименование параметра |
Обозначение |
Величина |
Размер. |
|
1. Диаметр камеры 2. Безразмерная длина камеры 3. Безразмерная площадь входа 4. Безразмерная высота входного канала 5. Безразмерный диаметр выходного отверстия 6. Безразмерная шероховатость боковой поверхности камеры 7. Температура воздуха на входе 8. Барометрическое давление 9. Избыточное статическое давление во входных каналах 10. Избыточное статическое давление на боковой поверхности камеры 11. Скорость воздуха на входе в камеру |
D>k> L>K> f>lx> h>lx> d>вых> б Т>вх> В Р>с.вх.> Р>с.ст.> U>вх> |
0,31 1,55 0,0477 0,0645 0,3 0 29,3 749,5 348,9 335,1 25,6 |
м - - - - - ºС мм. рт. ст. мм. вод. ст. мм. вод. ст. м/с |
Результаты аэродинамических измерений в рабочем объеме
|
N |
Y |
A1 |
A2 |
УГОЛ 26 |
|
1 |
0 |
17,2 |
348,0 |
-4 |
|
2 |
5 |
45,8 |
370,3 |
-5 |
|
3 |
5 |
67 |
384,3 |
-14 |
|
4 |
5 |
65,6 |
384,5 |
14,5 |
|
5 |
5 |
60 |
377,0 |
-13,5 |
|
6 |
5 |
54 |
367,2 |
-12 |
|
7 |
5 |
49 |
358,0 |
-7 |
|
8 |
5 |
49 |
351,3 |
-4,5 |
|
9 |
5 |
51,6 |
350,2 |
-3 |
|
10 |
5 |
55 |
348,0 |
0 |
|
11 |
7,5 |
61,2 |
348,0 |
0 |
|
12 |
7,5 |
71 |
346,0 |
2 |
|
13 |
7,5 |
82,6 |
341,0 |
3,5 |
|
14 |
7,5 |
97,2 |
341,0 |
3,5 |
|
15 |
7,5 |
117,3 |
338,0 |
3,5 |
|
16 |
7,5 |
143 |
333,0 |
2 |
|
17 |
7,5 |
168,8 |
320,5 |
1 |
|
18 |
7,5 |
195,5 |
298,6 |
1 |
|
19 |
5 |
208 |
274,0 |
4,5 |
|
20 |
5 |
204,5 |
233,0 |
4,5 |
|
21 |
5 |
191 |
180,0 |
6,5 |
|
22 |
7,5 |
142 |
75,0 |
3 |
|
23 |
7,5 |
79 |
-34,0 |
-1 |
|
24 |
7,5 |
30,5 |
-110,5 |
-15,5 |
|
25 |
7,5 |
7,5 |
-147,0 |
-41,5 |
|
26 |
2 |
5,5 |
-152,5 |
-62 |
1. Общая картина движения газа в циклонной камере
Циклонная камера представляет собой цилиндр, тангенциально к внутренней поверхности которого вводится газ или жидкость.
Вывод газов из рабочего объема циклонной камеры, как правило, осуществляется через соосное с ним выходное отверстие в одном из торцов. Поле скоростей потока в циклонных камерах отличается сложностью и пространственностью. В любой точке поля вектор скорости можно разделить на три составляющие (компоненты): тангенциальную >> (вращательную), осевую >x>> >(продольную) и радиальную >z>. В общем случае соотношение между этими компонентами может быть различными по величине в зависимости от местоположения рассматриваемой точки поля скоростей и геометрии циклонной камеры. По характеру изменения компонент скорости потока весь рабочий объем циклонной камеры можно разделить на три основные области: осесимметричное ядро потока, приторцевые зоны течения и периферийную пристенную зону (рисунок 1).
Ядро потока
занимает основную часть рабочего объема
камеры. Внешней границей ядра потока
является цилиндрическая поверхность,
радиус которой r>z>
может быть найден из условия максимума
момента количества движения. С торцевых
поверхностей ядро потока ограничено
зоной интенсивных радиальных течений,
где наблюдается падение вращательной
составляющей скорости и значительное
повышение радиальной компоненты. В
пределах ядра потока тангенциальная
составляющая имеет наибольшую из всех
трех компонент величину. В соответствии
с характером ее распределения по радиусу
можно выделить две зоны: зону возрастания
скорости при уменьшении радиуса
(квазипотенциальную зону) и зону ее
падения по мере приближения к центру
камеры (зону квазитвердого вращения).
Зоны разделены сравнительно небольшим
по радиальной протяженности переходным
участком. Размеры зон возрастания и
падения тангенциальной составляющей,
так же как протяженность переходного
участка и общий уровень вращательной
скорости, определяются геометрией
циклонной камеры. Вращательная
составляющая скорости в ядре потока
значительно превышает другие компоненты
скорости, поэтому основным видом движения
считают вращательное. Из курса физики
известно, что при равномерном движении
по окружности радиуса r
равнодействующая сил dF,
действующих на элемент жидкости, должна
быть равна по модулю
и направлена к центру окружности. Если
исключить из рассмотрения вследствие
их относительной малости силы трения,
обусловленные вязкостью, и условие
равновесия рассматривать применительно
к единице объема среды, то условие
радиального равновесия потока, в
рассматриваемом случае будет определятся
уравнением
.

Рисунок 2 – Распределение вращательной составляющей скорости, статического и полного давлений в циклонной камере.
Статистическое и полное давления максимальны на внешней границе ядра потока и падают по направлению от стенки к оси камеры. В приосевой области при определенных условиях статистическое и полное давления потока могут быть ниже атмосферного (рисунок 2).
В периферийной зоне, так же как и в ядре, вращательная составляющая является наибольшей из всех компонент. Профиль >> в этой области не осесимметричен и непрерывно перестраивается по мере продвижения потока у вогнутой поверхности рабочего объема. Начальное же распределение >>> >- распределение на выходе из входного шлица / сопла/ – зависит от характера течения потока / профиля скорости/ внутри и вне его. Сложность течения определяется тем, что выходящая струя в рабочем объеме взаимодействует сразу и со спутным, вращающимся относительно оси камеры потоком, и с вогнутой цилиндрической стенкой камеры. Взаимодействие струи со стенкой приводит к закручиванию потока. Частицы среды вблизи стенки начинают двигаться по спиральным траекториям, причем направление вектора их скорости в пристенном слое струи определяется совокупным влиянием, например, положения рассматриваемого канала относительно других каналов и торцевых поверхностей рабочего объема, интенсивностью торцевых перетечек, которые в свою очередь зависят практически от всех геометрических характеристик камеры
Особенности течения потока в приторцевых областях циклонных камер связаны с подтормаживающим действием торцевых поверхностей. Вблизи торцевых поверхностей вращательная составляющая скорости уменьшается, и появляется интенсивное радиальное течение, направленное к центру камеры со скоростью, которая обуславливает появление сил трения, компенсирующих возникшее нарушение динамического равновесия в рассматриваемой области. Сложность картины дополняется взаимодействием возникшего течения с ядром потока. Статическое давление поперек этой области практически не изменяется на всех радиусах.
Условия стока, неравномерность распределения вращательных скоростей потока по длине рабочего объема, обусловленная геометрией камеры и трением потока о стенки, а также имеющееся в некоторых случаях разрежение в приосевой зоне определяют довольно сложное поле осевых скоростей в циклонных устройствах.
С точки зрения
общих аэродинамических характеристик
циклонных камер, основным видом движения
газа следует считать вращательное.
Главной характеристикой вращательного
движения в циклонной камере является
максимальная вращательная скорость
потока
(Рисунок 2). Она удачно характеризует
общий уровень вращательного движения
газа в рабочем объеме. При струйном
представлении циклонного потока
является скоростью потока на внешней
границе струйного пограничного слоя,
обращенного к оси камеры.
Второй
скоростной характеристикой ядра потока
в циклонной камере является вращательная
скорость на его внешней границе
.
Эта скорость является интегральной
характеристикой аэродинамических
процессов, связанных с истечением газа
из шлицев, распространением его струй
у боковой поверхности камеры,
взаимодействием пристенной зоны течения
с ядром и приторцевыми потоками.
Обе скоростные
характеристики связаны между собой
коэффициентом крутки в ядре потока:
.
Общее
сопротивление циклонной камеры
оценивается по суммарному коэффициенту
сопротивлению .
Введение этого коэффициента оправдано
удобством в выполнении аэродинамических
расчетов циклонных устройств. С точки
зрения же анализа влияния геометрических
и режимных характеристик на сопротивление
циклонной камеры он является менее
удачной характеристикой, так как не
позволяет проследить изменение его
составляющих и не связан непосредственно
со скоростными характеристиками потока.
В этом смысле более удачным является
суммарный коэффициент сопротивления
вида
.
С помощью него можно определить затраты
энергии на создание определенного
уровня вращательных скоростей в
устройстве. Фактически он определяет
аэродинамическую эффективность циклонной
камеры.
2. Влияние основных конструктивных и режимных характеристик на аэродинамику циклонной камеры
Особенно
сильное влияние на аэродинамику циклонной
камеры оказывает диаметр выходного
отверстия. Уменьшение
приводит к росту величины
,
значения статистического давления на
боковой поверхности камеры Рс.ст.,
уменьшению характерного радиуса
и других характеристик радиусов ядра
потока. При этом наблюдается существенная
перестройка профилей
и
.
В то же время влияние
на поток в пристенной зоне практически
мало существенно.
Увеличение относительной суммарной площади входа циклонной камеры приводит к повышению уровня вращательных и осевых скоростей, статистического давления и смещению характерных радиусов в ядре потока в приосевую область, а границы ядра потока – в периферийную область рабочего объема.
Относительная
высота шлицев основное влияние оказывает
на поток в пристенной зоне. С увеличением
уменьшаются
потери на расширение струи и вихреобразование
у кромок шлицев, поэтому возрастает
уровень
во всей пристенной зоне течения, в том
числе и величина
.
Распределенность
шлицев по периметру камеры (увеличение
а) способствует повышению осевой
симметрии потока в ядре и равномерности
распределения скоростей в периферийной
зоне. Относительная длина камеры
оказывает влияние, как на структуру,
так и на общие аэродинамические
характеристики потока. При росте
несколько увеличивается радиальная
протяженность пристенной зоны течения.
Повышение
шероховатости поверхности рабочего
объема циклонной камеры приводит к
снижению уровня вращательных скоростей,
уменьшению сопротивления камеры.
Повышение
приводит к некоторой перестройке поля
осевых скоростей, особенно в центре
рабочего объема камеры. С ростом
может
быть ликвидирован осевой обратный ток,
увеличивается радиальная протяженность
и уровень максимальной осевой скорости
выходного вихря.
Трение потока
о стенки оказывает влияние на уровень
вращательных скоростей в рабочем объеме,
следовательно, на величину затрат на
достижение определенного уровня крутки
и величины входной и выходной составляющих
суммарного коэффициента сопротивления.
Коэффициент кинематической вязкости
потока при входных условиях
приводит к снижению коэффициента трения
и, следовательно, к снижению тормозящего
действия внутренней поверхности рабочего
объема. Так как сопротивление формы не
зависит от числа Рейнольдса, то и
сопротивление циклонной камеры в этом
случае не зависит от
.
Течение потока становится автомодельным.
В общем изменение суммарного коэффициента
сопротивления камеры с увеличением
числа
можно
представить следующим образом: при
ламинарном режиме течения, если он
возможен, ,
вероятно, будет увеличиваться и достигнет
максимума при критическом значении
числа Рейнольдса, в переходном режиме
убывает, при турбулентном промежуточном
режиме, в отличие от двух предыдущих,
характер изменения
начинает существенно меняться от
относительной шероховатости поверхности
рабочего объема, и, в зависимости от
величины ,
может иметь место и падение, и увеличение
;
в режиме развитой шероховатости суммарный
коэффициент сопротивления не меняется.
Загрузка объема циклонной камеры различного рода вставками не вызывает коренных изменений в картине распределения скоростей. В то же время она оказывает влияние практически на все аэродинамические характеристики потока.
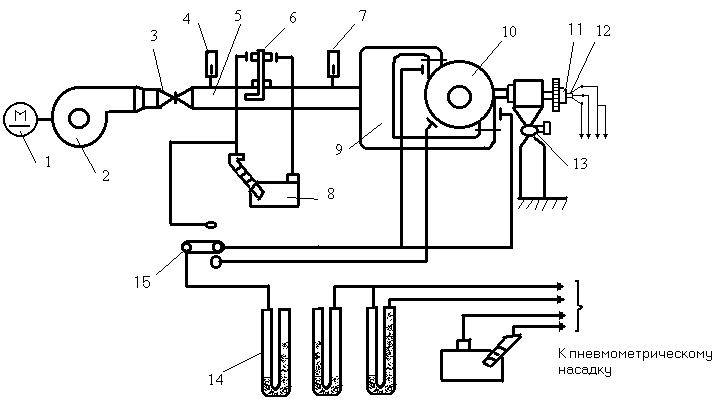
3. Описание экспериментального стенда и методики измерений
Основным
элементом стенда является модель
циклонной камеры 10, выполненная из
оргстекла. Размеры рабочего объема
камеры: диаметр Dк=2R>к>=310 мм,
длина L>к>=1,55.
Ввод воздуха в камеру производится
двумя расположенными тангенциально к
внутренней поверхности рабочего объема
входными каналами (шлицами) прямоугольной
формы длиной ℓ>вх>=257 мм
и высотой h>вх>
= 24 мм из раздаточного короба-ресcивера
9. Отвод газа из камеры осуществляется
через плоский торец с круглым
осесимметричным выходным отверстием,
безразмерный диаметр которого
>вых>
можно варьировать в диапазоне значений
от 0,2 до 0,6.
В качестве дутьевого устройства 2 используется воздуходувка. Измерение расхода воздуха через установку производят методом снятия поля скоростей пневмометрическим насадком 6 в мерном сечении подводящего трубопровода 5.
Температура воздуха, подаваемого в циклонную камеру, измеряют ртутными лабораторными термометрами 4, 7, установленными в гильзах в начале измерительного участка трубопровода и непосредственно перед циклонной камерой.
Отбор статистического давления во входных каналах и на боковой поверхности модели осуществляется через дренажные отверстия диаметром 0,7 мм. В качестве измерительного прибора используется дифференциальный водяной манометр 14, соединяемый с соответствующими точками отбора давления переключателем 15.
В объеме камеры производится снятие распределений скоростей и давлений в одном или нескольких сечениях в качестве пневмометрического насадка 12 используется трехканальный цилиндрический зонд с диаметром приемной части 2,6 мм (рисунок 4). Как показывают тарировочные опыты, введение измерительного насадка в рабочий объем модели не вносит существенных возмущений в поток. Перемещение зонда в измерительном сечении и его аэродинамическая ориентировка в потоке по показаниям микроманометра производятся координатником с ручным приводом конструкции ЛПИ им. М.И. Калинина. Координатник крепится специальным зажимами к каретке, которую можно перемещать. Пуск экспериментального стенда производится путем включения воздуходувки с электрощита управления при закрытой заслонке на воздухопроводе.
Трехканальные
цилиндрические зонды применяются для
исследования практически плоского
потока. Приближенно циклонный поток в
пределах его ядра можно рассматривать
как плоский. Насадок 3 имеет три отверстия
диаметром 0,3–0,4 мм, находящиеся на
его боковой поверхности в одной плоскости,
перпендикулярной оси зонда, на определенном
(не менее 2d)
расстоянии от торца. Боковые отверстия
по отношению к центральному располагаются
симметрично, причем угол между их осями
должен составлять
.
Пуск экспериментального стенда
производится путем включения воздуходувки
с электрощита управления при закрытой
заслонке 3 (рисунок 1) на воздухопроводе.
Прежде чем приступить к производству замеров, необходимо вывести установку на стационарный режим. Для этого обычно требуется 30–40 мин. Убедившись в достижении стационарного режима, приступают к проведению эксперимента.
По дифференциальному водяному манометру 1 (рисунок 4) отсчитывают перепад давления А>1> между центральным и одним из боковых отверстий, пропорциональный напору в данной точке потока, а по дифманометру 2 (рисунок 4) – полный напор А>2>. Угол скоса поток φ определяют по лимбу координатника с ценой деления 10. Полученные данные позволяют определить полную скорость потока и ее тангенциальную (вращательную) и осевую составляющие, а так же статическое давление.
При необходимости
исследования пространственного
трехмерного потока обычно применяют
шаровые зонды. Приемная часть зонда
имеет вид сферы, в которой имеется пять
отверстий отбора давления. Отверстия
расположены в двух перпендикулярных
друг другу диаметральных плоскостях.
Угол между осями центрального и каждого
из боковых отверстий составляет 40
500.
Все отверстия соединены с измерительными
штуцерами импульсными трубками.
Порядок работы с шаровым зондом принципиально ничем не отличается от приведенного выше для цилиндрического. Разница заключается лишь в необходимости дополнительного замера перепада А>3>.
4. Расчет распределений скоростей и давлений в циклонной камере
Избыточное статистическое давление потока в точке замера, мм. вод. ст.:

Плотность воздуха в произвольной точке потока, кг/м3:

Полная скорость потока в точке замера, м/с:

Безразмерная осевая составляющая полной скорости:

Безразмерная вращательная составляющая полной скорости потока:

Плотность воздуха во входных каналах циклонной камеры кг/м3:

Безразмерное избыточное статистическое давление в точке замера:

Безразмерное избыточное полное давление в точке замера:

Избыточное безразмерное статистическое давление воздуха на боковой поверхности циклонной камеры:

Соотношение избыточных статистических давлений на боковой поверхности и во входных каналах:


Суммарный коэффициент сопротивления по входу :

Коэффициент кинематической вязкости воздуха при входных условиях, м2/с:

Число Рейнольдса, определяющее начало автомодельной области течения:



Сравнивая
значения>
>
и
,
делаем вывод, что течение потока будет
не автомодельным, так как
<
.



5. Расчет распределения скоростей и давлений по методике аэродинамического расчета
Безразмерная площадь входа:

Безразмерный средний радиус входа потока:

Безразмерный радиус ядра потока:

Относительная площадь выхода потока:

Соотношение площадей входа и выхода потока:

Безразмерный радиус:

где:
,

,
0,2543.
Безразмерный радиус осесимметричного ядра потока:

Коэффициент крутки в ядре потока:

Эффективная относительная площадь входа

Результат обобщенных данных:
,
где:
,
.
Вращательная скорость на границе ядра потока:

Безразмерная максимальная вращательная составляющая скорости течения в ядре потока:

В зоне квазитвердого вращения распределение:

где
,

Распределение в квазипотенциальной зоне:

где:
,
.
Избыточное статистическое давление на боковой поверхности циклонной камеры:





Соотношение статистических давлений на боковой поверхности циклонной камеры и во входных каналах:


Суммарный коэффициент сопротивления циклонной камеры:

Распределение безразмерного статистического давления по радиусу циклонной камеры для зоны квазитвердого вращения:
,
Для зоны квазипотенциального вращения:
,
