Виконання відкритих електропроводок на ізолюючих опорах
ТЕМА: Виконання відкритих електропроводок на ізолюючих опорах
ЗМІСТ
1. Загальні відомості про відкриті електропроводки
2. Технологічний процес виконання відкритих електропроводок
на ізолюючих опорах
2.1. Розмітка трас електричних мереж
2.2. Кріплення ізоляторів
3. З'єднання, відгалуження та окінцювання струмопровідних жил проводів
Список використаних джерел
І. Загальні відомості про електропроводки
Електропроводка - сукупність прокладених ізольованих проводів дрібних перетинів із застосованими до них кріпленнями, що підтримують їх та захисними конструкціями, призначені для підведення електроенергії до освітлювальних електроспоживачів. Електропроводки розділяють на внутрішні - прокладені усередині будинків і споруд, і зовнішні - прокладені по зовнішніх стінах будинків і споруд, під навісом, а також між будинками на опорах по території підприємств, мікрорайонів, дворів, присадибних ділянок, на будівельних майданчиках, до чотирьох прольотів довжиною до 25м кожний поза вулицями й доріг. Внутрішні електропроводки можуть бути відкритими, прокладеними по поверхнях стін, стель, по фермах, балках, колонах, опорам і схованими, прокладеними усередині будівельних конструкцій будинків і споруд. Вибір виду й способу прокладки електропроводок визначається проектом за умовами їх надійності, довговічності, безпеки(дотику до струмопровідних частин, пожежної й вибухової), гігієнічності, а також по естетичних і економічних міркуваннях. З урахуванням цих умов у цехах промислових підприємств і в допоміжних приміщеннях житлових будинків застосовують переважно відкриті види електропроводок із прокладкою проводів безпосередньо по поверхнях стін і стель, а також відкрито в сталевих тонкостінних, винипластовых і інших трубах, на лотках і в коробах. Відкриті види проводок застосовують у малоповерхових житлові й інших дерев'яних будинках; часто змушено застосовувати ці види проводок при реконструкції як промислових підприємств, так і житлових і суспільних будинків, коли виконати сховані проводки не завжди дозволяють будівельні конструкції будинків. На вибір виду й трас прокладки відкритих проводок в основному впливають розміщення споживачів, для яких вони призначені, середовище в приміщеннях і вимоги до захисту електропроводки від механічних ушкоджень.
В електропроводках застосовують захищені й незахищені ізольовані проводи.
Захищений провод має поверх електричної ізоляції металеву або іншу оболонку для захисту від механічнихушкоджень. Незахищене проводи не мають такої оболонки, але може мати обмотку або оплетку пряжею, яка не розглядається як захист провода від механічних ушкоджень.
У наш час для електропроводок застосовують проводи переважно з алюмінієвими жилами. Проводи з мідними жилами прокладають лише у випадках вибухонебезпечних приміщень класу B-1 і В-1а, відкритих проводок у горищних приміщеннях, для відповідальних ланцюгів кабіни й шахти ліфтів, у музеях, картинних галереях, бібліотеках. Проводи виготовляють одножильними й багатожильними, у них в одній оболонці є одна або кілька струмопровідних жил, ізольованих одна від іншої. Жили можуть бути однодротовими й багатодротовими. Поперечний переріз струмопровідних жил виміряється у квадратних міліметрах.
ВИМОГИ ДО МОНТАЖУ ЕЛЕКТРОПРОВОДОК
Для забезпечення надійності, довговічності й безпеки електропроводок при їхньому монтажі дотримують наступних загальних вимог.
Відкриті електропроводки, як правило, прокладають по стінах у стелі, на стелі або по фермах. Відкриту прокладку незахищених ізольованих проводів безпосередньо по будівельних основах на роликах і ізоляторах роблять на висоті не менш 2,5 м від рівня підлоги або майданчика обслуговування. Зменшення цієї висоти до 2 м дозволяється в приміщеннях без підвищеної небезпеки, а при напрузі 42 В - у всіх приміщеннях. У виробничих приміщеннях спуски до вимикачів, штепсельних розеток, пускових апаратів захищають від механічних ушкоджень до висоти не менш 1,5 м від рівня підлоги або площі обслуговування. У побутових приміщеннях промислових підприємств, у житлових і суспільних будинках.
Відкриту проводку прокладають по можливості так, щоб вона не виділялася різко на стіні і стелі. З цією метою її розміщають паралельно карнизам, укосам дверних і віконних прорізів.
Прокладка проводів з полівинилхлоридною і найритовою ізоляцією проводиться при температурі не нижче -15° С щоб уникнути зламу ізоляції, що твердне при низьких температурах. Плоскі проводи АППВ, ППВ і АПН прокладають паралельно лініям перетинання стін зі стелею на відстані 100-200 мм від стелі або на відстані 50-100 м від карниза або балки.
У на стінах під шпалерами, верхню горизонтальну проводку плоскими проводами виконують по можливості вище шпалер.
Спуск до вимикачів і штепсельним розеткам при відкритих проводках виконують по вертикалі.
Перетинання відкрито прокладених незахищених і захищених проводів із трубопроводами (опалення, водопроводу й т.п. ) виконують на відстані від них не менш 50 мм.
Проходи проводів через стіни й між поверхами виконують по лінії прокладки проводів і притому так, щоб вони служили по можливості продовженням лінії електропроводки. При проходах через стіни, прагнуть до того, щоб отвору проходів лежали в одній площині із проводами. У цьому випадку проводи при введенні в прохід не доводиться згинати. Окінцювання й з'єднання жил проводів в електропроводках виконують відповідно до вказівок. З'єднання й відгалуження проводів розміщають у місцях, доступних для контролю. Для цього з'єднання й відгалуження проводів, що прокладаються в глухих коробах, трубах і гнучких металевих рукавах, виконують у коробках, конструкція яких повинна відповідати умовам навколишнього середовища. З'єднання й відгалуження проводів не повинні випробовувати механічних зусиль і повинні мати ізоляцію, рівноцінну ізоляції жил цілих місць цих проводів.
При виконанні всіх видів електропроводок застосовують механізацію електромонтажних робіт.
2. Технологічний процес виконання відкритих електропроводок на ізолюючих опорах
Прокладання проводів на ізолюючих опорах є конструктивно простим, однак разом з тим порівняно рідко застосовуваним способом, що пов'язано з їх недовговічністю і неможливістю широкого застосування індустріальних методів монтажу.
Для монтажу відкритої електропроводки на ізолюючих опорах застосовують голі, а найчастіше ізольовані проводи ПР, АПР, ПВ, АПВ, ПРВ, АПРВ тощо, які прокладаються на ізоляторах, армованих гаками, штирями, якорями або напів'якорями.
2.1 Розмітка трас електричних мереж
Розмітка є початковою і найвідповідальнішою стадією монтажу електроустаткування освітлювальної електроустановки. Мета розмітки — визначити в натурі трасу електропроводок, а також розміщення і взаємне розташування всіх елементів електроустановки, керуючись наявною технічною документацією.
Розмітку трас відкритих електропроводок і основних осей для встановлення електроустаткування здійснюють за заданими в проекті позначками чистої підлоги або стелі, нанесеними будівельниками в приміщеннях споруд, а також проектними відстанями від ферм, колон та інших будівельних конструкцій. Позначку чистої підлоги наносять на попередньо очищену і підбілену поверхню у вигляді чорної смуги завширшки 10—12 мм і завдовжки 120—150 мм.
Роботи з розмітки починають із замірювань і прив'язування трас електропроводок до місць розташування електроустаткування. Потім визначають місця пробивання в будівельних конструкціях: отворів, гнізд, ніш, колодязів тощо. Одночасно визначають місця встановлення коробок і кріпильних деталей.
Розмічальні розміри повинні відповідати проекту, а якщо вказівок у проекті немає,— БНіП.
Проходи через будівельні конструкції повинні розташовуватися на одній лінії і в одній площині з кабелями й проводами, що прокладаються. Проводи і трубні прокладки відкритих електропроводок повинні бути найменш помітними і не порушувати архітектурних оформлень приміщень. Траса електропроводки повинна проходити вздовж карнизів і архітектурних ліній, відступаючи від них на віддаль не менш як 25 мм.
Замірювання здійснюють сцеціальні особи (заміряльники), виконуючи ці роботи спільно з електромонтажниками за допомогою інструментів і пристроїв, що застосовуються під час розмічальних робіт.
Під час заімірювань уточнюють траси і координати підходу електричних мереж до встановлюваного електроустаткування та розподільних пристроїв з «прив'язуванням» їх до будівельних контурів, осей будівель, позначок чистої підлоги та інших орієнтирів. Особливу увагу при цьому приділяють правильній розмітці кутів згину, в місцях повороту і переходу трас електричних мереж в інші просторові положення з урахуванням нормалізованих кутів повороту і радіусів згину.
За даними замірювань траси заміряльники складають: на складні ділянки мереж — ескізи заготовок; на заготовки, які не потребують ескізів.
На ескізах, у заготівельних відомостях і супроводжувальній технічній документації зазначають технічні дані, які вичерпно характеризують ці електричні мережі. Для зображення елементів електричної мережі на ескізах застосовують умовні позначення. Ескізи заготовок нескладних трас виконують у площинних зображеннях, а складних трас — у просторовому зображенні. Для зручності складання ескізів монтажними організаціями застосовують спеціальні віддруковані друкарським способом бланки з нанесеною на них площинною або об'ємною масштабною сіткою.
На ескізах замірювань електропроводок освітлювальних електроустановок зазначають:
марку, перерізи і кількість жил проводів і кабелів;
способи виконання з'єднань окремих ділянок заготовок і відгалужень від них (паянням, зварюванням, опресовуванням тощо);
способи окінцювання жил проводів і кабелів для приєднання їх до світильників, приладів та апаратів (товкачиком, кільцем або наконечником із зазначенням його типу);
умовне розпізнавальне забарвлення фаз і маркування кінців жил проводів і кабелів;
загальну довжину і розміри окремих ділянок електропроводок із зазначенням місць їх відгалуження та розташування відгалужувальних коробок;
довжину ділянок відгалужень до світильників і приладів, а також висоту підвішування і тип світильника.

Розмітка електропроводки на ізоляторах
Найбільша відстань, м, між точками кріплення незахищених ізольованих дротів (при прокладці їх на ізоляторах) повинно бути:
по стінах і стелях усередині приміщень при перетині жил до 2,5 мм2 — 1, від 4 до 10 мм2—2, від 16 до 25 мм2 —2,5, від 35 до 70 мм2 —3, при 95 мм2 і більш — 6 по стінах при зовнішній електропроводці при всіх перетинах жил — 2 по фермах, між стінами або опорами при перетині мідних жил до 2,5 мм2 — 6, при 4 мм2— 12, від 6 мм2 і болєє— 16—25, при перетині алюмінієвих жил 2,5 мм2 — 2,5, від 4 до 6 мм2 — 6, при 10 мм2 — 12, від 16 мм2 і більш — 16—25
Найменша відстань, мм, між осями дротів повинно бути при перетині жил до 25 мм 2 — 70, від 35 до 50 мм2 — 100, від 70 мм2 і більш — 150
Відстань від ізолятора до суміжної стіни під час переходу дротів з однієї поверхні на іншу і від кінцевого ізолятора до проходу через стіну має бути рівним 1,5—2-кратній висоті ізолятора
Траси електропроводок незахищеними ізольованими дротами слідує прокладати на висоті не менше 2,5 м від рівня підлоги або майданчика обслуговування. У приміщеннях без підвищеної небезпеки і при напрузі 42 В допускається зниження висоти врокладки до 2 м.
Дроти, що прокладаються у виробничих приміщеннях, повинні захищатися від механічних пошкоджень від підлоги або майданчика обслуговування (у випадках спусків до штепсельних розеток, апаратів та щиткам) до висоти не менше 1,5 м. Розмітка повинна забезпечувати радіус вигину не менш 3-кратного зовнішнього діаметру проводу. Відстань від дроту до поверхні стіни і перекриття має бути не менш як 10 мм.
2.2 Кріплення ізоляторів

Штирьові ізолятори кріпляться на опорах за допомогою крюків або штирів. Якщо потрібна підвищена надійність, то на анкерні опори встановлюють не один, а два і навіть три штирьові ізолятори.
Станційні і апаратні ізолятори, як і лінійні, в більшості випадків виготовляють з фарфору, який якнайповніше відповідає вимогам, що пред'являються. Ряд деталей апаратів, що виконують функції ізоляції, кожухів, що особливо знаходяться усередині, і в деяких випадках залитих ізоляційним маслом, виготовляють з бакеліту, гетинаксу і текстоліту.
Ізолятори кріплять на арматурі кількома способами: намотуванням на зайоржений кінець гака прядива або джута, просочених суриком або білилами; заливанням внутрішнього простору ізолятора розчином цементу, розплавленою сіркою або розігрітим поліетиленом; насаджуванням на кінець гака поліетиленового ковпачка. Для закріплення ізолятора на арматурі прядивом із суриком затискують гак (штир, якір або напів'якір) у лещатах й обгортають його зайоржений кінець шарами прядива (джута), просоченого суриком (білилами), доти, доки діаметр намотки прядива не буде на 8—10 мм більшим за внутрішній діаметр ізолятора, щоб забезпечити міцне його насадження на гак. Потім вкладають грудку прядива або шматок повсті на дно ізолятора для запобігання його руйнуванню торцевою частиною гака при температурному збільшенні довжини. Ізолятор накручують з деяким зусиллям до упору, а потім відкручують на пів-оберта. Недоліком цього способу є можливість послаблення міцності кріплення джута після нетривалого часу експлуатації.
Кріплення ізолятора на арматурі заливанням цементу або розплавленою сіркою виконують так. Вкладають на дно ізолятора шматок прядива або повстяну прокладку й надягають його на за-тиснутий у лещатах гак, причому зайоржена частина повинна знаходитися в центрі отвору ізолятора, а потім заливають розчином цементу марки 400 або 500 до заповнення отвору. Аналогічним способом кріплять ізолятори на арматурі заливанням розплавленої сірки або поліетиленом. У разі заливання ізолятора гарячою сіркою або поліетиленом у ньому можуть утворюватися тріщини, які в майбутньому призведуть до часткового або повного руйнування фарфору.
Спосіб кріплення ізолятора на арматурі заливанням розігрітим поліетиленом рекомендується до першочергового застосування, оскільки він найповніше задовольняє вимоги механічної міцності, хімічної стійкості та швидкості виконання.
Загальним недоліком кріплення ізоляторів на арматурі шляхом заливання цементом, сіркою або поліетиленом є складність видалення ізолятора з арматури в разі необхідності його заміни внаслідок пошкодження.
Накручування ізоляторів на гаки є однією з найтрудомісткі-ших робіт, тому при виконанні цієї операції у великому обсязі застосовують різні механізми, в тому числі верстат для насаджування ізоляторів СНІ-2.
Верстат СНІ-2 призначений для одночасного накручування на гаки поліетиленових ковпачків та ізоляторів з фарфору або скла. Оператор установлює гаки в гнізда поворотного стола 1 і дерев'яним молотком насаджує на їх кінці поліетиленові ковпачки. Потім на гак, найближчий від рухомої каретки 4 з накручуваль-ним пристроєм 6 і 7, оператор установлює ізолятор, повертає стіл і за допомогою фіксатора 2 встановлює його так, щоб гак з ізолятором знаходився точно під фрикційним конусом 7 накручуваль-ного пристрою. Далі оператор вмикає електродвигун 5 потужністю 0,6 кВт і натискує педаль 8 для переміщення каретки з накручу-вальним пристроєм униз. Фрикційний конус захоплює ізолятор, накручує його на поліетиленовий ковпачок, а при подальшому натисканні, продовжуючи обертати ізолятор, накручує його на гак разом з ковпачком. Як тільки відбудеться поворот запобіжної муфти 6, оператор відпускає педаль 8 і каретка з накручувальним пристроєм підіймається вгору. Потім весь цикл операцій повторюється на черговому ізоляторі.
Продуктивність верстата СНІ-2—150—160 комплектів ізоляторів на годину.
Для кріплення гаків і якорів з насадженими на них ізоляторами в дерев'яних конструкціях попередньо висвердлюють в місці їх установлення буравом отвори діаметром на 5—-6 мм меншим діаметра нарізки хвостової частини гака або якоря. Гак і якір повинні бути вкручені в дерево всією своєю хвостовою частиною.

Верстат СНІ-2:
а — загальний вигляд: б — будова; 1 — поворотний стіл з дванадцятьма гніздами для встановлення в них гачків; 2 — фіксатор; 3 — противага: 4 — рухома каретка;
5 — електродвигун; 6 — запобіжна муфта; 7 — фрикційний конус; 8 — ножна педаль; 9 — колонка керування верстатом
Ізолятори, закріплені на штирях, монтують на скобах. У цегляних, бетонних та інших будівельних конструкціях отвори для гаків і якорів з ізоляторами висвердлюють електросвердлами, оснащеними свердлами, з наплавленими на їх різальні частини пластинами з особливо міцної сталі. Глибина отвору під встановлення гака повинна бути такою, щоб у ній вмістилася хвостова частина гака, а діаметр отвору повинен дорівнювати трикратному діаметру гака. В отвір для якоря повинно входити не менше '/з хвостової частини якоря. Отвори для скоб вирубують у вигляді квадратних гнізд із стороною квадрата, що дорівнює подвійній ширині лапи скоби, а глибина гнізда повинна дорівнювати '/з довжини лапи, але не менше 50 мм.

Способи кріплення ізоляторів на конструкціях:
а — на гачку в бетонній і дерев'яній стіні; б — на якорі та пів'якорі: в — на штирях і горизонтальній скобі; г — на гачках і вертикальній скобі
Перед змазуванням хвостові частини гаків, якорів і лапи скоб-очищають від бруду й масла, а отвори — від сміття і змочують водою. Вставлені в отвори гаки,якорі й скоби забивають розчином, який складається з однієї частини цементу і трьох частин піску.
Монтаж проводів починають з розкладання заготовленої проводки вздовж траси з таким розрахунком, щоб відгалуження до світильників, вимикачів і штепсельних розеток розмістилися на ізоляторах. Далі накидають проводи на ізолятори, закріплюють на початку ділянки проводки і, натягнувши вручну або поліспастом, кріплять їх до головок і шийок ізоляторів оцинкованим дротом 0,8—І мм, попередньо намотавши на проводи 2—3 шари ізоляційної стрічки для запобігання пошкодженню його ізоляції (прорізанню) в'язальним дротом. На прямих ділянках проводки проводи кріплять на шийках або головках ізоляторів, а на поворотах і в місцях зміни напрямку проводки — лише на шийках або петлею-заглушкою. При перетинах проводів один з них у місці перетину вміщують в ізоляційну трубку.
Якщо монтаж виконують не попередньо заготовленими в майстернях проводами, то провід натягують на ізолятори і на ньому позначають місця відгалужень і кріплень, після чого опускають його, роблять необхідні відгалуження, підмотують 2—3 шари ізоляційної стрічки на ділянці кріплення проводу до ізолятора, а потім провід підіймають, натягують і закріплюють, як зазначалося вище.
Найбільш поширено введення через стіну на фарфорових ізоляторах – це найпростіший у виконання спосіб, до того ж в цьому випадку легко здійснювати контроль за станом введення і проводити необхідний ремонт.

Способи кріплення проводів у разі відкритого прокладання їх на ізоляторах:
а — на шийці ізолятора, б — на головці ізолятора, в — петля-заглушка,
г — прокладання проводів по стіні, д — прокладання проводів по стелі

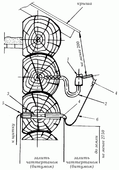
Кріплення введень повітряної електролінії через стіну на фарфорових ізоляторах: а – кріплення крюків і ізоляторів до стіни; б – кріплення дроту до ізолятора затиском; у – кріплення дроту до ізолятора в'язкою: 1 – ізолятор; 2 – крюк; 3 – цементний розчин; 4 – дріт; 5 – затиск ПАБ; 6 – затиск ОАС; 7 – дріт введення; 8 – в'язка.
Дроти слід вводити через фарфорові воронки (кожен дріт в окремій воронці). Здійснювати таке введення можна лішь в тому випадку, якщо висота будівлі відповідає умовам введення, а саме: місце введення повинне знаходитися вище за рівень землі не менше чим на 2,75 м, причому місце введення повинне розташовуватися нижче за рівень ізоляторів.
Мінімальна відстань від дротів введення (при найбільшій стрілі їх провисання) при найбільшому відхиленні (при сильному вітрі) до дерев, кущів повинно складати не менше 1 м.
Ізолятори кріплять до стіни на крюках: якщо стіни дерев'яні (зроблені з колод, брусчатиє), то крюки угвинчують в раніше підготовлені отвори діаметром і глибиною декілька менше відповідних розмірів крюка; якщо стіна цегельна або бетонна, то крюк встановлюють на цементному розчині в пробитий отвір завглибшки 10 см і діаметром в 2,5 разу більше діаметру самого крюка (після кріплення крюків і перед кріпленням дротів повинно пройті не менше 1 дня, оскільки цементний розчин повинен затвердіти і набрати початкову міцність); якщо стіни каркасно-щитові, дощаті і ін., то крюки встановлюють на відрізку дерев'яного бруска завтовшки не менше 6–7 см, який пригвинчують до стіни. Незалежно від кута, образуемого плоскостью стены и проводами ввода, відстань від струмопровідного дроту до виступаючих частин будівлі має бути не менше 0,2 м, така ж відстань повинна витримуватися між дротами. При введенні дротів в зроблений з колод або дерев'яний щитовою будинок відстань між воронками (ізоляторами) має бути не менше 10 см, а від центрів отворів під крюки ізоляторів до центрів отворів під воронки – 15–20.
Дроти введення від ВЛ кріплять на ізоляторах за допомогою затисків, бандажного скручування (в'язки) або закручування кінців дроту. Для алюмінієвих дротів слід застосовувати алюмінієві затиски.
Для з'єднання алюмінієвих і сталеалюмінієвих дротів перетином 16–50 мм2іспользуют болтові плашечниє затиски типа ПАБ.
Кінцеве кріплення алюмінієвого багатодротяного дроту відгалуження до ізолятора можна здійснити плашечнимі затисками типа ПАБ або за допомогою бандажної в'язки (метричні параметри бандажа вказані на мал. 44). І в тому і в іншому випадку кінцеве кріплення виробляють так, щоб кінець дроту відгалуження складав не менше 0,2 м – це необхідно для під'єднування до дроту відгалуження дроту введення.
Таке відповідальне з'єднання, як з'єднання дротів введення і відгалуження, має бути дуже міцним, що сповна забезпечує затиск ОАС. Увага! Дріт введення приєднувати до натягнутого дроту відгалуження категорично забороняється, оскільки це може викликати обрив дротів відгалуження

Введення дротів ВЛ в дерев'яну будівлю: 1 – ізолятор; 2 – крюк; 3 – трубка ізоляційна напівтверда; 4 – воронка фарфорова; 5 – втулка фарфорова; 6 – дріт.
Введення електролінії в будівлю виконується мідним або алюмінієвим кабелем або ізольованим дротом в негорючій оболонці. Перетин дроту або кабелю має бути не менше 4 мм2у алюмінієвого і 2,5 мм2у мідного.
У цегельну будівлю або будівлю, що має гипсобетонниє стіни, кожен дріт вводиться через окрему фарфорову воронку. Мінімальна відстань між воронками повинна складати 5 див. Відстань по вертикалі від центру отворів під крюки ізоляторів введення до центру отворів під воронки повинно бути в межах 10–15 див. Однако высота здания не всегда позволяет осуществить ввод электролинии через стену на фарфоровых изоляторах (следует вспомнить, что в соответствии с «Правилами устройства электроустановок» место ввода провода в здание должно находиться на высоте 2,75 м от уровня земли). В цьому випадку введення здійснюють за допомогою трубостойки – сталевої труби із заломленим вниз кінцем верху. З трубостойки дріт всередину будівлі можна прокладати двома способами: через стіну і через дах; кожен з цих способів має свої особливості.
3. З'єднання, відгалуження та окінцювання струмопровідних жил проводів
Надійна робота електроустановок значною мipoю залежить від якості виконання з'еднань, відгалужень, окінцювання та приєднання проводі. З'еднання, відгалуження, окінцювання та приеднання повинні бути мехашчно міцними, мати малий електричний опір і залишатися справними за умов нагрівань і охолоджень, що часто виникають внаслідок різких змін струмових навантажень у мережі. Ці вимоги забезпечуються чітким дотриманням технології монтажу, а також правильним вибором застосовуваних з'єднувальних деталей та робочого інструменту.
Основними способами з'єднування і окінцювання алюмінієвих та мідних струмопровідних жил проводів і кабелів є опресовування і зварювання — електричне, газове або термітне. В деяких випадках застосовують і паяння струмопровідних жил проводів і кабелів, яке хоча й створює надійне з'єднання, проте вимагає більших витрат часу і припою, що дорого коштує. Вибір способу окінцювання, з'єднування і відгалуження залежить в основному від матеріалу проводів (алюміній або мідь), оскільки фізичні властивості алюмінію суттєво відрізняються від фізичних властивостей міді.
Останнім часом більшість електропроводок виконують проводами з алюмінієвими жилами. Це пояснюється тим, що алюміній менш дефіцитний, проводи і кабелі з алюмінієвими жилами дешевші від мідних і мають меншу масу. Разом з тим алюміній має деякі фізико-механічні властивості, які потребують дотримання особливих умов під час з'єднування алюмінієвих проводів між собою або з мідними проводами і контактами.
Однією з негативних властивостей алюмінію є швидке окислення при сполученні з повітрям і утворення на його поверхні тугоплавкої (з температурою плавлення близько 2000 °С) плівки оксиду, який погано проводить електричний струм і тому перешкоджає створенню щільного контакту. Крім того, під час контакту алюміній—мідь утворюється «гальванічна пара», внаслідок чого алюміній, зазнаючи електрокорозії, руйнується, що призводить до поступового погіршення з'єднання. Для запобігання погіршенню і руйнуванню контактних з'єднань алюміній захищають від окислення, змащуючи з'єднання в процесі монтажу кварцовазе-ліновою або цинковазеліновою пастою, а також вкриваючи готові з'єднання лаками (асфальтовим, гліфталевим, полівінілхлоридним).
Наявні в пласті тверді часточки руйнують плівки оксидів, що утворюються на контактних поверхнях, а вазелін перешкоджає надходженню повітря до контактних поверхонь і таким чином запобігає їх окисленню та утворенню на них плівок.
З'єднування і відгалуження однодротяних алюмінієвих проводів і кабелів перерізом до 10 мм2 опресовуванням
З'єднування і відгалуження однодротяних алюмінієвих жи,л перерізом до 10 мм2 виконують опресовуванням в алюмінієвих гільзах місцевим вдавлюванням гільзи в одному або двох місцях за допомогою кліщів ПК-2 або гідравлічних кліщів ГКМ. Після опресовування з'єднання вкривають шаром асфальтового або гліфталевого лаку, а потім ізолюють липкою стрічкою впівнапуску і вдруге вкривають лаком для запобігання доступу повітря й вологи. Під час опресовування алюмінієвих жил проводі і кабелів обов'язково застосовують кварцовазелінову або цин-ковазелінову пасту. Цинковазелінова паста токсична, тому слід побігати потраплянню її в їжу, на пошкоджені ділянки шкіри обличчя й рук та в очі.

З'єднування одножильних алюмінієвих проводів опресовуванням
а - підготовка проводів до однобічного опресовування, б — те саме, для двобічного опресування, в — момент опресовування кліщами ГКМ, г — опресовані з'єднання д —готові з'єднання, 1 — гільза ГАО, 2 — кліщі ГКМ, 3 — пластмасовий ковпачок, 4 — липка вінілхлоридна стрічка
З'єднування і відгалуження однодротяних алюмінієвих проводів і кабелів перерізом 2,5—10 мм2 паянням і зварюванням
Паяння є одним з найнадійніших, але трудомістких способів з'єднування. Для паяння алюмінієвих проводів застосовують припій мгрки А
З кінця кожного із з'єднуваних проводів, які підлягають паянню, видаляють ізоляцію, ретельно зачищають їх сталевою щіткою або ножем і з'єднують внапуск подвійним скручуванням так, щоб ворився жолоб (рис. 15, а). Потім нагрівають проводи паяльною лампою або гасовим пальником до температури, близької до температури плавлення алюмінію (860°С), і з натиском натираюсь паличкою припою ділянку з'єднання, щоб зняти тугоплавку плівку оксиду, яка утворилася на поверхні проводу припій, що за плавиться при цьому, повинен заповнити жолобок між двома проводами. Пропаявши провід з одного боку жолобка, операцію паяння повторюють на його другому боці. Ділянку з'єднання протирають чистою ганчіркою, змоченою в бензині, а потім вкривають шаром гліфталевого або полівінілхлоридного лаку і ізолюють липкою стрічкою Ізольовану ділянку з'єднання вкривають шаром лаку.
За Будівельними нормами і правилами (БНІП, розд. VI — «Електротехнічні пристрої») з'єднування і відгалуження алюмінієвих жил перерізом від 2,5 до 10 мм2 рекомендується здійснювати переважно зварюванням.
Електрозварювання проводів здійснюють в обоймі за допомогою кліщів та вугільних електродів із застосуванням флюсу або без нього.

Рис.15. З'єднування алюмінієвих жил перерізом до 10 мм2: а — паянням;
б — зварюванням в обоймі за допомогою кліщів з вугільними електродами. 1 — газовий пальник. 2 — паличка припою, З — плоскогубці, 4 — кліщі з вугільними електродами
У разі зварювання без застосування флюсу (рис. 15, б) звільнені від ізоляції і зачищені кінці проводів обтискують за допомогою плоскогубців обоймою із куска штабової сталі розміром 20X160 і завтовшки 0,8—1 мм так, щоб кінці зварюваних проводів виступали з обойми на 3—4 мм, а потім зварюють у полум'ї дуги, утвореної між вугільними електродами кліщів, приєднаних до зварювального трансформатора. Після остигання металу знімають обойму, зачищають сталевою дротяною щіткою з'єднані кінці і вкривають їх гліфталевим або асфальтовим лаком, розгинають жили (якщо електропроводка відкрита), а потім ізолюють з'єднання ізоляційною стрічкою або вініпластовим ковпачком і вдруге вкривають лаком.
Зварювання із застосуванням флюсу відрізняється від способу електрозварювання без застосування флюсу лише тим, що зварювані кінці проводів скручують разом, вкривають флюсом і, не розміщуючи їх в обоймі, сплавлюють у полум'ї дуги між вугільними електродами кліщів.
З'єднування і відгалуження багатодротяних алюмінієвих проводів і кабеліз перерізом понад 16 мм2 зварюванням
Список використаних джерел
Ктиторов А. Ф. Электрослесарь строительный: Учеб. для проф.-тех. училищ. -М.: Стройиздат, 1990.- 383 с: ил.
Атабеков В.Б. Монтаж электрических сетей и силового электрооборудования: Учеб. для сред. проф.-тех. училищ. - 4-е изд., испр. - М.: Высш. шк., 1985. -176 с,ил. - (Профтехобразование).
Корнилов Ю.В., Бредихин А.Н. Слесарь-электрик: Учеб. пособ. для СПТУ. 2-е изд.,перераб. и доп. - М.: Высш. шк., 1988. - 256 с: ил.