Задачи ЖБК каменные конструкции
Вариант 1

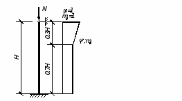
Определить размеры сечения столба по оси Б, перекрытия считать жесткими.
Исходные данные:
Пролет l=9м
Шаг столбов S>l> = 6м
Отметка верха крайнего столба Н=4,05м
Расчетная нагрузка от покрытия с учетом веса балок q=3кН/м2
Расчетная снеговая нагрузка s=1,4кН/ м2
Кирпич глиняный, пластического прессования, марки-100
Раствор цементный, марки – 50
Плотность кладки ρ=1,8т/м3
1. В соответствии со СНИП II-22-81 таб.26 находим группу кладки I – группа как (сплошная кладка из кирпича или камней марки 50 и выше, на растворе марки 10 и выше).
Принимаем допустимое отношение
β=
по СНИП II-22-81
таб.28 при I
– группе кладки и растворе 50 и выше
β=25.
Определим Н с учетом уклона
кровли Н=4,05+
5,05м.
Назначим предварительные размеры
h≥
где k =0,6 - по СНИП II-22-81 таб.30 для столбов из кирпича с меньшим размером поперечного сечения менее 50см.
По СНИП II-22-81 п. 4.2 принимаем следующую расчетную схему
П
ри
упругой верхней опоре и жестком защемлении
в нижней для многопролетных зданий l>0>=
1.25H.
При h>0.3см
коэффициент m>g>
= 1.
Сбор нагрузок:
Нагрузка от перекрытия:
F>g> = PS>l>l =3∙6∙9 = 162кН
Вес столба:
G = ρ∙g∙h2∙γ>f>∙H = 18∙0.332∙1.1∙5,05 = 10,89кН.
Снеговая:
F>s> = S∙S>l>∙l = 1,4∙6∙9 = 75,6кН
Полная нагрузка:
N = F>g> + G + F>s> = 162 +10,89 +75,6 = 248,5кН
Определим площадь сечения из условия прочности:
N≤m>g>φRA
где m>g> = 1 при h>0.3см
R=1500кН/м2 - прочность каменной кладки при М>к>100 и М>р>50 (по СНИП II-22-81 таб. 2)
φ – коэффициент продольного изгиба, определяемый по СНИП II-22-81 таб.18 в зависимости от гибкости элемента λ>h> и α - упругой характеристики кладки.
λ>h>=
,
α=1000
- по СНИП II-22-81
таб.15 при кладке из кирпича пластического
прессования и марке раствора М50.
Таким образом в первом приближении принимаем φ=0,71.
γ>с>=0,8 - коэффициент условия работы, принятый для столбов и простенков в соответствии со по СНИП II-22-81 п.3.11.
=
Тогда: h =

Уточняем размеры сечения столба:
Принимаем столб размерами 0,64х0,51м , с А =0,326м2.
Уточняем нагрузку:
Собственный вес столба: G = ρ∙g∙h∙b∙γ>f>∙H = 18∙0.51∙0,64∙1.1∙5,05 =32,6кН
Полная нагрузка N =270,2кН.
Уточняем φ:
α=1000,
λ>h>=
, тогда φ=0,86.
Проверка несущей способности:
270,2 < 1∙0,86∙1500∙0,326 = 420кН
Несущая способность столба обеспечена.
5.2 Запроектировать столб (определить размеры, марку кирпича и раствора) по оси Б.
Исходные данные:
Пролет l=9м
Шаг столбов S>l> = 6м
Отметка верха крайнего столба Н=4,05м
Расчетная нагрузка от покрытия с учетом веса балок q=3кН/м2
Расчетная снеговая нагрузка s=1,4кН/ м2
Кирпич глиняный, пластического прессования
Раствор цементный
Плотность кладки ρ=1,8т/м3
Нагрузка от перекрытия: F>g> = 162кН
Снеговая: F>s> = 75,6кН
1. В соответствии со СНИП II-22-81 таб.26 находим группу кладки I – группа как (сплошная кладка из кирпича или камней марки 50 и выше, на растворе марки 10 и выше).
Принимаем допустимое отношение
β=
по СНИП II-22-81
таб.28 при I
– группе кладки и растворе 50 и выше
β=25.
h=
м
Принимаем столб сечением 0,51х0,51м.
Сбор нагрузок:
Нагрузка от перекрытия:
F>g> = 162кН
Вес столба:
G = ρ∙g∙h2∙γ>f>∙H = 18∙0.512∙1.1∙5,05 = 26кН.
Снеговая:
F>s> = 75,6кН
Полная нагрузка:
N = F>g> + G + F>s> = 162 +26 +75,6 = 263,6кН
Определим требуемое расчетное сопротивление кладки из условия прочности:
N≤m>g>φRA γ>с>
где m>g> = 1 при h>0.3см
φ – коэффициент продольного изгиба, определяемый по СНИП II-22-81 таб.18 в зависимости от гибкости элемента λ>h> и α - упругой характеристики кладки.
λ>h>=
,
α=1000
- по СНИП II-22-81
таб.15 при кладке из кирпича пластического
прессования и марке раствора от 25-200.
Таким образом в первом приближении принимаем φ=0,86.
γ>с>=0,8 - коэффициент условия работы, принятый для столбов и простенков в соответствии со по СНИП II-22-81 п.3.11.
=
Принимаем в соответствии со СНИП II-22-81 таб.2 М>к>125 и М>р>50 с R=1700кН/м2 или М>к>150и М>р>25 c R=1500кН/м2 .
5.3 Определить размеры сечения столба по оси А по исходным данным задачи 5.1 при размере опорной зоны t=0.21м.
Исходные данные:
Пролет l=9м
Шаг столбов S>l> = 6м
Отметка верха крайнего столба Н=4,05м
Расчетная нагрузка от покрытия с учетом веса балок q=3кН/м2
Расчетная снеговая нагрузка s=1,4кН/ м2
Кирпич глиняный, пластического прессования, марки-100
Раствор цементный, марки – 50
Плотность кладки ρ=1,8т/м3
1. В соответствии со СНИП II-22-81 таб.26 находим группу кладки I – группа как (сплошная кладка из кирпича или камней марки 50 и выше, на растворе марки 10 и выше).
Принимаем допустимое отношение
β=
по СНИП II-22-81
таб.28 при I
– группе кладки и растворе 50 и выше
β=25.
Определим предварительные размеры столба:
h=
м
Принимаем столб сечением 0,38х0,38м.
Сбор нагрузок:
Нагрузка от перекрытия:
F>g> = 0,5∙P∙S>l >l = 0.5∙3∙6∙9=89кН
Вес столба:
G = ρ∙g∙h2∙γ>f>∙H = 18∙0.382∙1.1∙4,05= 11,6кН.
Снеговая:
F>s> = 0,5 S∙S>l>∙l = 1,4∙6∙9 = 37,8кН
Полная нагрузка:
N = F>g> + G+ F>s> = 89+11,6+37,8 = 138,4кН
Расчет прочности нормального сечения:
N ≤ m>g>φ>1> RωA>с> γ>с>
где m>g> = 1 при h>0.3см
R=1500кН/м2 - прочность каменной кладки при М>к>100 и М>р>50 (по СНИП II-22-81 таб. 2)
А>с> – площадь сжатой части сечения, определяется как
А>с>=
=0,382
e>0>
=
–
эксцентриситет расчетной силы N
относительно центра тяжести сечения.
φ>1>
=
φ – коэффициент продольного изгиба, определяемый по СНИП II-22-81 таб.18 в зависимости от гибкости элемента λ>h> и α - упругой характеристики кладки.
λ>h>=
,
α=1000
- по СНИП II-22-81
таб.15 при кладке из кирпича пластического
прессования и марке раствора от 25-200.
Таким образом принимаем φ=0,87.
φ>с>
=0,73– коэффициент продольного изгиба
сжатой зоны сечения, определяемый по
СНИП II-22-81
таб.18, при λ>h>=
,
α=1000
ω = 1
+
≤1,45
- по СНИП II-22-81
таб.19.
Проверка несущей способности столба:
138,4 кН < 1∙0,8∙1500∙1,22∙0,08∙0,8 = 199,4кН
Несущая способность столба обеспечена.
5.4 Запроектировать столб по оси А (определить его размеры, марку кирпича, раствора) по исходным данным задачи 5.2 при размере опорной зоны t=21см.
Исходные данные:
Пролет l=9м
Шаг столбов S>l> = 6м
Отметка верха крайнего столба Н=4,05м
Расчетная нагрузка от покрытия с учетом веса балок q=3кН/м2
Расчетная снеговая нагрузка s=1,4кН/ м2
Кирпич глиняный, пластического прессования
Раствор цементный
Плотность кладки ρ=1,8т/м3
Нагрузка от перекрытия: F>g> = 162кН
Снеговая: F>s> = 75,6кН
1. В соответствии со СНИП II-22-81 таб.26 находим группу кладки I – группа как (сплошная кладка из кирпича или камней марки 50 и выше, на растворе марки 10 и выше).
Принимаем допустимое отношение
β=
по СНИП II-22-81
таб.28 при I
– группе кладки и растворе 50 и выше
β=25.
м
Принимаем столб сечением 0,51х0,51м.
Сбор нагрузок:
Нагрузка от перекрытия:
F>g> = 89кН
Вес столба:
G = ρ∙g∙h2∙γ>f>∙H = 18∙0.512∙1.1∙4,05 = 20,85кН.
Снеговая:
F>s> = 37,8кН
Полная нагрузка:
N = F>g> + G + F>s> = 89+20,85 +37,8= 147,65кН
Определим требуемое расчетное сопротивление кладки из условия прочности:
N ≤ m>g>φ>1> RωA>с> γ>с>
где m>g> = 1 при h>0.3см
А>с> – площадь сжатой части сечения, определяется как
А>с>=
=0,512
e>0>
=
–
эксцентриситет расчетной силы N
относительно центра тяжести сечения.
φ>1>
=
φ – коэффициент продольного изгиба, определяемый по СНИП II-22-81 таб.18 в зависимости от гибкости элемента λ>h> и α - упругой характеристики кладки.
λ>h>=
,
α=1000
- по СНИП II-22-81
таб.15 при кладке из кирпича пластического
прессования и марке раствора от 25-200.
Таким образом принимаем φ=0,86.
φ>с>
=0,73– коэффициент продольного изгиба
сжатой зоны сечения, определяемый по
СНИП II-22-81
таб.18, при λ>h>=
,
α=1000
ω = 1
+
≤1,45
- по СНИП II-22-81
таб.19.
R =
=
Принимаем в соответствии со СНИП II-22-81 таб.2 М>к>125 и М>р>75 с R=1900кН/м2 .
5.5. Проверить несущую способность стены по оси В на местное смятие, при размерах опорной подушки h×b согласно исходным данным.
Исходные данные:
Пролет l=9м
Шаг столбов S>l> = 6м
Отметка верха крайнего столба Н=4,05м
Расчетная нагрузка от покрытия с учетом веса балок q=3кН/м2
Расчетная снеговая нагрузка s=1,4кН/ м2
Кирпич глиняный, пластического прессования, марки-100
Раствор цементный, марки – 50
Плотность кладки ρ=1,8т/м3
Толщина стены -0,51м
Опорная подушка 0,2х0,2м
Расчет на смятие производим по формуле:
N>с> ≤ Ψ dR>c>A>с>
1. N>c> – продольная сжимаюшая сила от местной нагрузки:

2. А>с> – площадь смятия, на которую передается нагрузка:
А>с>= 0,22 = 0,04м2
R>c> – расчетное сопротивление кладки на смятие.
R>c> = ξR = 1,77∙1500 = 2663,7кН/м2
где ξ
=
ξ>1> =2 – коэффициент определяемый по СНИП II-22-81 таб.21, при кладки из полнотелого кирпича и растворе М50 и соответствующем типе приложения нагрузки.
А – расчетная площадь сечения:
А=0,2 (0,2+2∙0,51) = 0,244м2
Ψ =0,5 - коэффициент полноты эпюры давления от местной нагрузки, при треугольной нагрузке.
d =1.5 -0.5Ψ = 1.5 – 0.5∙0.5 = 1.25 – для кирпичной кладки.
118,8кН > 0,5∙1,25∙2663,7∙0,04 = 66,59кН
Прочность на смятие не обеспечена.
5.6. Определить размеры сечения армокаменного столба по оси Б и сконструировать сетки при исходных данных задачи 5.1 и дополнительных исходных данных.
Исходные данные:
Пролет l=9м
Шаг столбов S>l> = 6м
Отметка верха крайнего столба Н=4,05м
Расчетная нагрузка от покрытия с учетом веса балок q=3кН/м2
Расчетная снеговая нагрузка s=1,4кН/ м2
Кирпич глиняный, пластического прессования, марки-100
Раствор цементный, марки – 50
Плотность кладки ρ=1,8т/м3
Тип сетки -сварная
μ=0,3%
Класс стали сеток Вр-1
Диаметр арматуры d=4мм.
1. В соответствии со СНИП II-22-81 таб.26 находим группу кладки I – группа как (сплошная кладка из кирпича или камней марки 50 и выше, на растворе марки 10 и выше).
2.Принимаем допустимое отношение
β=
по СНИП II-22-81
таб.28 при I
– группе кладки и растворе 50 и выше
β=25.
С учетом уклона кровли Н=5,05м.
3. Назначим предварительные
размеры h≥
где k =0,6 - по СНИП II-22-81 таб.30 для столбов из кирпича с меньшим размером поперечного сечения менее 50см.
По СНИП II-22-81 п. 4.2 принимаем расчетную схему с упругой верхней опорой и жестко защемленной нижней (см лист 3).
Принимаем b×h=0.510.51м
4. При для многопролетных зданий l>0>= 1.25H. При h>0.3см коэффициент m>g> = 1.
5. Сбор нагрузок:
Нагрузка от перекрытия:
F>g> = PS>l>l =3∙6∙9 = 162кН
Вес столба:
G = ρ∙g∙h2∙γ>f>∙H = 18∙0.512∙1.1∙5,05 = 26кН.
Снеговая:
F>s> = S∙S>l>∙l = 1,4∙6∙9 = 75,6кН
Полная нагрузка:
N = F>g> + G + F>s> = 162 +26 +75,6 = 263,6кН
Условие прочности:
N ≤ m>g>φ R>sk>A
A = 0.512 = 0.26м2
φ =0,836
– коэффициент продольного изгиба, при
λ>h>=
,
α>sk>
=α
=R>u>>
>+

=R>
>+
-
расчетное сопротивление при центральном
сжатии.
263,6кН <1∙0.836∙3960∙0.26 = 860,74кН
Конструирование арматурной сетки:

А>st> =0,126см2– площадь арматурных стержней сетки
Шаг сеток: S
= 65∙5 +4∙12 +2∙
=385мм
< 400мм

Принимаем С=30мм. Столб по оси Б с размерами 0,51х0,51 со сварной
арматурой Ø3;С=30 мм;S=385 мм.

Достаточна ли несущая способность столба в период первого оттаивания (по результатам задач 5.1 и 5.2), если кладка выполнена способом замораживания без химических добавок? Временная нагрузка отсутствует. Если прочность кладки недостаточна, рассчитать сетчатое армирование, определить коэффициент армирования.
Исходные данные:
Сечение столба: 0,64х0,51м , с А =0,326м2.
Нагрузка на столб по задаче 5.1: N =270,2кН
m>g>=1; φ=0,86
По СНИП II-22-81 таб.2 при стадии первичного оттаивания прочность раствора 0,2МПа.
При прочности раствора прочность кладки сжатию R>0.2> =0.8МПа.
Несущая способность в стадии первичного оттаивания:
N=m>g>φRA
270,2кН= 1∙0.86∙800∙0.326 = 224кН
В стадии первичного оттаивании прочность не обеспечена.
Определение несущей способности при армировании:
N ≤ m>g>φ R>sk>A
Примем коэффициент продольного изгиба φ=1
Расчетное сопротивление кладки при центральном сжатии:
R>sk>=
Определим коэффициент продольного армирования:

Принимаем μ=0,1%
Конструирование арматурной сетки:

Стержни d=4мм, А>st> =0,126см2– площадь арматурных стержней сетки
Шаг сеток: S
= 65∙5 +4∙12 +2∙
=385мм
< 400мм

Принимаем С=30мм. Столб по оси Б с размерами 0,51х0,51 со сварной
арматурой Ø3;С=30 мм;S=385 мм.