Конструирование утепленной ребристой плиты покрытия с фанерными обшивками
Содержание
Исходные данные
Проектирование сборных плит покрытия с деревянным ребристым каркасом
2.1 Исходные данные
2.2 Компановка поперечного сечения плиты
2.3 Расчётная схема плиты, нагрузка и усилия
2.4 Проверка прочности панели по нормальным напряжениям
2.5 Проверка растянутой обшивки с учётом сращивания листов фанеры на "ус" в расчётном сечении
2.6 Проверка сжатой обшивки на устойчивость
2.7 Проверка фанеры на скалывание по собственному клеевому шву
2.8 Проверка жёсткости панели в целом
Проектирование дощатоклееной балки
3.1 Исходные данные
3.2 Решение по 1 варианту из неармированного дощатоклееного пакета.
3.3 Решение по 2 варианту с продольной арматурой в растянутой зоне.
Проектирование дощатоклееных колонн поперечной рамы одноэтажного дома
4.1 Составление расчётной схемы двухшарнирной поперечной рамы и определение расчётных усилий в колоннах
4.2 Конструктивный расчёт стержня колонны
4.2.1 Проверка устойчивости колоны в плоскости поперечника
4.2.2 Проверка устойчивости колоны из плоскости поперечника
4.3 Расчёт и конструирование узла крепления колоны к фундаменту
Определение расчётных усилий в плоскости сопряжения с фундаментом
Расчёт фундаментных болтов
Расчёт соединительных болтов
1. ИСХОДНЫЕ ДАННЫЕ
Пролет поперечника в осях А – Б, L = 21 м;
Высота корпуса в чистоте, H = 10 м;
Температурно-влажностный режим эксплуатации соответствует А3;
Класс ответственности здания по назначению – III
Район строительства:
по снеговой нагрузке – IV;
по ветровой нагрузке – IV;
по типу местности соответствует С.
6. Материал – сосна I, II, III сорта, фанера строительная водостойкая марки ФСФ (принимается по сортаменту).
Проектирование сборных плит покрытия с деревянным ребристым каркасом.
2.1. Исходные данные
Рассчитать и сконструировать утепленную ребристую плиту покрытия с фанерными обшивками при следующих данных.
Номинальные размеры плиты в плане (из схемы расположения элементов) bхl=1.5 х 4.5 м, конструктивные – соответственно 1.48 х 4.48 м.
Материал ребер каркаса – сосновые доски 2-го сорта для продольных ребер и без ограничения для поперечных.
Обшивки из березовой водостойкой фанеры марки ФСФ.
Утеплитель минераловатные в виде полужестких плит марки 75 на синтетическом связующем, толщина 100 мм (по теплотехническому расчету).
Пароизоляция из полиэтиленовой пленки толщиной 0.2 мм (масса 0.1 кг/м2).
Кровля из 3-х слоев рубероида на битумной мастике (масса 0.1 кг/м2).
Условия эксплуатации по температурно-влажностному режиму соответствуют А3.
Район строительства по снеговой нагрузке – IV.
Класс ответственности здания по назначению – III .
2.2 Компоновка поперечного сечения плиты
Предварительно принимаем продольные ребра из доски толщиной b>р>=40 мм.
При ширине плиты b=1480 мм целесообразно поставить четыре ребра. Тогда расстояние между ними в свету равно:
мм,
а между осями
мм, что меньше 500 мм.
Удовлетворяет рекомендации.
Предварительно задаемся толщиной листа фанеры верхней обшивки
>ф.в.>= 10 мм, что составляет 1:46 шага ребер, близко рекомендуемой.
Проверяем достаточность толщины расчетом на местный изгиб сосредоточенной силой Р=1.2 кН.
Лист фанеры рассматриваем как балку–пластинку с рабочей шириной
100 см, защемленную по концам в местах приклейки к ребрам (Рис. 1).
Расчетный изгибающий момент (выровненный):
М=Ра /8=1.2*42.7/8=6.405 кНсм;
Момент сопротивления рабочего сечения обшивки:
W=1000.82/6=10.7 см3;
Условие прочности обшивки :
>max>=M/W m>н>R>ф>>.>>и>>.90>
где m>н>=1.2 – коэффициент, учитывающий кратковременность
монтажной нагрузки [1, табл.6];
R>ф.и.90 >= 6.5 МПа = 0.65 кН/см2 – расчетное сопротивление
семислойной фанеры толщиной 10 мм изгибу из плоскости
листа поперек наружных волокон [1, табл.10].
Рис. 1. К расчету верхней обшивки на местный изгиб:
а – схема деформации балки пластинки;
б – расчетная схема и эпюра моментов.

Подставляем:
>max>> >= 6.405/10.7 = 0.6 кН/см2 < m>н>R>ф.и.90 >= 1.20.65 = 0.78 кН/см2.
Условие прочности удовлетворяется.
Задаемся толщиной нижней обшивки 6 мм.
Размеры листов фанеры по сортаменту принимаем bl = 15251525 мм. Так как длина плиты равна 4500 мм, то необходимо сращивать листы по длине, совмещая стыки c поперечными ребрами.
Высоту сечения плиты назначаем в пределах
h>п>=(1/25…1/30)l=180…150 мм.
По сортаменту пиломатериалов принимаем ребра из досок 15040 мм.
После фрезерования кромок действительная высота плиты будет равна
h>п>=150-10+10+6=156 мм,
что достаточно для размещения слоя утеплителя и образования продух (Рис. 2).
Дальнейшим расчетом проверяем достаточность принятых размеров.

Рис. 2. Конструкция клеефанерной плиты с ребристым каркасом из досок: 1 – продольные ребра; 2 – поперечные ребра;3 – обшивка верхняя; 4 – обшивка нижняя; 5 – утеплитель; 6 – продух; 7 – стык фанеры.
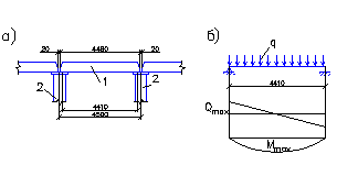
2.3 Расчетная схема плиты, нагрузка и усилия
Расчетная схема плиты на действие эксплуатационной нагрузки – балка на двух опорах, загруженная равномерно распределенной нагрузкой от собственной массы плиты с кровлей и снега (Рис. 3). Расчетная длина l>0 >= 0.98l = 0.984.5 = 4.41 м.
|
Вид нагрузки |
Нормативная |
>f> |
Расчетная |
||
|
кН/м2 |
кН/м при b=1.5 м |
кН/м2 |
кН/м при b=1.5 м |
||
|
1. |
2. |
3. |
4. |
5. |
6. |
|
Постоянные: 1.От собственной массы каркаса плиты: – четыре продольных ребра и шпунтовые рейки из сосновых досок (>см> = 500 кг/м3) 5(0.040.144.48)500 = 62.72 кг – четыре поперечных ребра 4(0.040.141.48)500=16.6 кг – фанерные обшивки при >см> =700 кг/м3 (0.006+0.01)1.484.48700= = 74.26 кг |
|||||
|
Общая масса отнесенная к 1м2 (62.72+16.6+74.26)/(4.51.5)= 22.75 кг/м2 2.От массы утеплителя слоем 100 мм при >см> = 75кг/м2 [4, прил.III] 3.Масса трехслойной рубероидной кровли 4.Пароизоляция полиэтиленовая |
0.2275 0.075 0.10 0.001 |
0.341 0.113 0.150 0.0015 |
1.1 1.2 1.3 1.2 |
0.25 0.09 0.130 0.0012 |
0.375 0.135 0.195 0.0018 |
|
Итого : |
q>см>н = 0.606 кН/м |
q>см >= 0.707 кН/м |
|||
|
Временная: Снеговая для II снегового района по [1], табл.4 с учетом п. 5.7* |
1.71 |
2.56 |
1.4 |
2.4 |
3.6 |
|
Всего : |
qн = 3.166 кН/м |
q = 4.307 кН/м |
*В соответствии с п. 5.7 при отношении постоянной нагрузки к снеговой 0.606/3.6 = 0.168<0.8 принят >f> =1.6.
Расчетные усилия :
кНм;
кН.
Рис. 3. К расчету плиты на эксплуатационную нагрузку:
а – схема опирания плиты на стропильные балки; б – расчетная схема плиты и усилия; 1 – плита; 2 – стропильные балки.

2.4 Проверка прочности панели по нормальным напряжениям
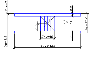
Расчетное поперечное сечение показано на Рис. 4. Так как
l>0 >= 4480 > 6a = 6467 = 2800 мм,
то вводимая в расчет ширина обшивок
b>расч> = 0.9 b = 0.9148 = 133 см.
Суммарная ширина дощатых ребер
b>р> = 44 = 16 см.
Модули упругости древесины Е>д> = 1000 кН/см2, фанеры семислойной марки ФСФ при >ф> = 8 мм, Е>ф> = 850 кН/см2, при >ф> = 6 мм, Е>ф> = 950 кН/см2. Принимаем усредненно Е>ф> = 900 кН/см2, тогда коэффициент приведения древесины к фанере n>д/ф> = 1000/900 = 1.11.
Расстояние от низа плиты до центра тяжести приведенного сечения:
см,
а от верха плиты до центра тяжести приведенного сечения:
см.
Приведенные геометрические характеристики:

см3;
см3.

Рис. 4. Расчетное поперечное сечение плиты
Расчетные сопротивления фанеры березовой семислойной по [1, табл.10] растяжению вдоль волокон: R>ф.р> = 14 МПа = 1.4 кН/см2, сжатию вдоль волокон при толщине листа 8 мм: R>ф.с> = 12 МПа = 1.2 кН/см2. Вводим поправочные коэффициенты. Для условия работы А3 по [1, табл.5] m>в> = 0.9. Для зданий II класса ответственности по [2, с. 34] >n> = 0.9. Поправочный множитель к расчетным сопротивлениям:

2.5 Проверка растянутой обшивки с учетом сращивания листов фанеры на "yс" в расчетном сечении
кН/см2,
что меньше чем

= 0.6 1.4 1 = 0.84 кН/см2,
где m>ф> = 0.6 – коэффициент, учитывающий снижение прочности фанеры
при наличии стыков в расчетном сечении.
Прочность растянутой обшивки обеспечена.
2.6 Проверка сжатой обшивки на устойчивость
Предварительно, согласно [1, п. 4.26], вычисляем >ф>.
При а>0>/>ф> = 467/10 = 46.7< 50, находим
>ф> = .

Условие устойчивости:

Подставим значения:
кН/см2;
кН/см2;
кН/см2.
Устойчивость сжатой обшивки обеспечена.
2.7 Проверка фанеры на скалывание по собственному клеевому шву
Предварительно находим статические моменты сдвигаемых частей относительно центра тяжести приведенного сечения.
Сдвигается верхняя обшивка,
S>сж>отс = 133 1 (7,1 – 10.5) =877,89 см3.
Сдвигается нижняя обшивка,
S>р>отс = 133 0.6 (8,5 - 0.60.5) = 654,3 см3.
Наибольшим сдвигающим напряжениям соответствует
S>max>отс = S>сж>отс = 877,89 см3 верхней обшивки.
По [1], табл.10 при >ф> = 10 мм расчетное сопротивление скалыванию в плоскости листа вдоль волокон наружных слоев R>ф.ск> = 0.8 Мпа = 0.08 кН/см2.
Проверяем условие [1], (42):
кН/см2 < R>ф.ск>
1 =
0.8 кН/см2
Прочность клеевого шва достаточна.
2.8 Проверка жесткости панели в целом
Наибольший относительный прогиб панели как двухопорной балки по середине пролета вычисляем по формуле:

Условие жесткости
[1],
табл.16 удовлетворяется.
3. Проектирование дощатоклееной балки
Для двухскатного малоуклонного покрытиятребуется рассчитать и сконструировать стропильную балку в двух вариантах: 1-дощатоклееная не армированная; вариант 2 – дощатоклееная с продольным армированием.
3.1 Исходные данные
Пролет поперечника в осях L = 21 м, шаг балок В = 4.5 м.
Настил из сборных клеефанерных плит. Нагрузка от собственной массы плит с кровлей: нормативная – 0.404 кН/м2; расчетная – 0.471 кН/м2.
Снеговая нормативная нагрузка – 1.71 кН/м2.
Класс ответственности здания – III.
Температурно-влажностный режим соответствует A3.
Пиломатериал - сосновые доски 2-го и 3-го сортов.
Предельный прогиб балки посередине [f/l] = 1:300.
3.2 Решение по варианту 1 из неармированного дощатоклееного пакета
Расчетная схема балки на рис.6.
Уклон крыши i = 1:15.
Расчетный пролет l>0> = L - h>к> = 21 - 0.6 = 20.4 м.
Нагрузку от собственной массы балки со связями найдем, приняв
К>св> = 6
кН/м2
Подсчет нагрузок на балку приведен в таблице.
|
Вид нагрузки |
Нормативная |
>f> |
Расчетная |
||
|
кН/м2 |
кН/м при В=4.5м |
кН/м2 |
кН/м при В=4.5 м |
||
|
Постоянная: от плит настила и кровли от собственной массы балки и связей |
0.404 0.295 |
1.818 1.329 |
1.2 |
0.471 0.355 |
2.12 1.593 |
|
Итого: |
0.699 |
3.147 |
0.826 |
3.715 |
|
|
Временная: снеговая |
1.71 |
7.695 |
1.4 |
2.4 |
10.8 |
|
Всего: |
10.862 |
14.51 |
*Коэффициент надежности по снеговой нагрузке >f> = 1.4 принят в соответствии с п. 5.7 [2] при qн>п>/pн>с> = 0.699/1.71 = 0.408 < 0.8.
Высоту балки по середине пролета h предварительно определим из условия надежности по деформациям с учетом выражения для прогиба и известной формулы прогиба балки постоянной высоты при равномерно распределенной нагрузке
,
где
.
После подстановки и решения относительно h получим
,
где b – ширина сечения пакета;
– поправочный
коэффициент.
Задавшись предварительно рекомендуемыми отношениями h>0>/l = 1/15 и
h>0>/h 0.5, по формулам вычисляем
;
.
Тогда

Шириной досок для пакета зададимся: b = 17.5 см без фрезерования кромок. Модуль упругости сосны Е>д> = 1000 кН/см2 = 107 кН/м2.
Подставив значения получаем
м.
Принимаем h = 167 см.
На опоре h>0> = h – 0.5l>0>i = 1.67 – 0.520.41/15 = 0.99м, что > 0.4h = 0.668.м.
Проверим сечение балки из условий прочности.
По [1,табл. 3] находим требуемые расчетные сопротивления: при изгибе для древесины 2-го сорта R>и> =15 МПа = 15 кН/см2; при скалывании вдоль волокон для 3-го сорта R>ск> = 1.5 МПа = 0.15 кН/см2.
Коэффициенты условий работы:
- для условий эксплуатации A3 по [1,табл.5], m>в> = 0.9;
- для балок высотой 120 см и более по [1,табл.7], m>б> = 0.8;
- при толщине слоя досок в пакете 33 мм по [1,табл.8], m>сл> = 1.
Коэффициент надежности по назначению для зданий II класса >n> = 0.9.
Поправочные коэффициенты при расчетах:
на
изгиб
;
на
скалывание
.
Поперечная сила в опорном сечении
Q>max> = 0.5ql>0> = 0.514.5120.4 =148.1 кН.
Минимальная высота балки в опорном сечении из условия прочности на скалывание:
см,
h>0 >= 99 > 85 см.
Прочность на скалывание обеспечена.
Расстояние от опоры до расчетного нормального сечения:
м.
Изгибающий момент в сечении x>р> = 6.05 м равен:
кНм.
Высота балки в расчетном сечении:
см.
Момент сопротивления расчетного сечения:
см3.
Проверим условие устойчивости, задавшись предварительно коэффициентом устойчивости при изгибе >м> = 1:
кН/см2,
что < R>и>m>i >= 1.50.8 = 1.2 кН/см2.
Условие устойчивости удовлетворяется. При этом фактическая величина коэффициента
.
Найдем расстояние между связями в плоскости сжатой кромки, при котором
>м> = 0.927:
см,
гдеk>ф
>=
1.13 и
– коэффициенты.
Примем расстояние между связями l>р> = 255 см из условия расстановки.
Поперечное сечение балки компонуем из досок в заготовках 40 мм, после острожки – по пласти 33 мм. В крайних слоях располагаем доски 2-го сорта, а в среднем – 3-го сорта.
3.3 Решение по варианту 2 с продольной арматурой в растянутой зон
Задаемся
арматурой из 2
20 А-II, А
=6.28 см2.
Из
условия расположения стержней следует
принять
.
Примем
мм , тогда
мм
, по сортаменту b= 175 мм
Требуемый момент инерции среднего сечения для обеспечения жесткости берем из расчета по варианту 1 ,
I
=I =
=
6792133.54 см2
Комплексное металлодеревянное сечение приведем к однородному с помощью коэффициента
=Е>S> / Е>d> =20 .
Коэффициент
=
=
=0.0021
Для
I
находим требуемую высоту :
см
В опорном сечении
h>0>
=h – 0.5l>0>i
= 1.606 – 0.5211/15
= 0.906м >
м,
из расчета по прочности на скалывание
(см. вариант 1).
Принимаем h>0> =90.6 см, не изменяя средней высоты.
Уклон
при этом равен:
,
что находится в рекомендуемых пределах.
Положение расчетного нормального сечения находим по
м
.
Изгибающий момент:
кНм.
Высота расчетного сечения
см.
Приведенные геометрические характеристики расчетного сечения :
см4,
см3,
кН/см2
, что < R>и>m>i
>=
1.50.8
= 1.2 кН/см2.
Допустимый коэффициент
,
при этом расстояние между связями в плоскости сжатой кромки должно быть не больше
см.
Принимаем шаг l>р> =340 см по условию размещения.
Стержни 2 O20, А-|| располагаем в квадратных пазах со сторонами а=25мм на эпоксидном клее ЭПЦ-1 или К-123 с наполнителем из древесной муки.
Проверяем прочность на скалывание древесины по периметру клеевого шва. Предварительно вычислим геометрические характеристики в опорном сечении. При этом
,
см4,
см3,
см,
кН/см2,
что
<
кН/см2
Прочность на скалывание по клеевому шву обеспечена.
Проверяем прочность опорной площадки на смятие древесины поперек волокон. По [1, табл.3] для опорных узлов R>см >=3.0 МПа.
При ширине опорной площадки b=17.5см требуемая длина ее
см.
Расчёт опорного узла с вклееными поперечными стержнями

Расчётная несущая способность одного стержня
,
Принимаю стержень d=1.6 см ; ℓ-длина заделки стержня =64 см
причём ℓ≥10d и ℓ≥0,7h>0>

-
учитывает неравномерность
по
длине

=1
при одном стержне; 0,9-при двух ; 0,8- при
трёх в ряд. Если 2 и 3 стержня расположены
в 2 ряда,
уменьшается на 0,1.

Рекомендуется на опоре в 2 ряда с центральной прокладкой на сварке.
-
на срез независимо от сорта древесины.

Требуется
-длиной по 64 см. или 6стержней меньшей
длины.
Проверяем условие жесткости :

Где

;

;
см4,
4. Проектирование дощатоклееных колонн поперечной рамы одноэтажного здания
4.1 Составление расчетной схемы двухшарнирной поперечной рамы и определение усилий в колоннах
Схема поперечника показана на Рис. 5. Поперечное сечение колонн принято b>к> = 17.5 см, h>к> = 80 см. Плиты покрытия ребристые клеефанерные толщиной
15.6 см. Кровля рубероидная. Стены панельные навесные толщиной 15.4 см, конструктивно подобны плитам покрытия.


Рис. 5. Расчетная схема поперечной рамы: а – вертикальные нагрузки на поперечную раму; б – параметры ветрового давления; в – статическая расчетная схема (основная система)
Расчетные нагрузки от собственной массы конструкций:
- от плит покрытия с рулонной кровлей q>п> = 0.471 кН/м2.
- от стропильных балок со связями q>б> = 0.354 кН/м2.
- от стеновых панелей q>ст> = 0.341 кН/м2.
Расчетная снеговая нагрузка p>сн> = 2,4 кН/м2.
Ветровой район строительства – IV. Тип местности – C.
Расчетная схема поперечника представляет двухшарнирную П-образную раму. Стойками рамы являются колонны, защемленные в фундаментах, а ригель – – условно недеформируемая стропильная балка, шарнирно опертая на колонны.
При подсчете расчетных нагрузок на раму используем разрез и план здания. Шаг рам В = 4.5 м, свес карниза C = 1 м.
Постоянные нагрузки:
-от покрытия
кН;
-от навесных стен
кН,
гдеh>> = 1.262 м – величина участка выше верха колонны;
-от собственной массы со связями при
>m> = 500 кг/м3 и >f> = 1.3:
кН.
От снега на покрытии:
кН.
Нормативное ветровое давление на уровне земли для III ветрового района принимаем по [2, табл. 5] >0> = 0.48 кН/м2. На высоте Z от поверхности земли, согласно [2], ветровое давление вычисляется по формуле:
>z> = >0> k,
где k – коэффициент, характеризующий изменение ветрового давления на
высоте, принимаемый по [2, табл. 6].
Для местности типа C значение k и вычисление соответствующих >z> приведены ниже :

Неравномерное ветровое давление >z> на участке высотою Н>к> заменяем эквивалентным равномерным >эк>. Допускается использовать при этом условие равенства площадей эпюр >z >и >эк>.
кН/2.
Расчетное давление ветра на 1 п.м. вычисляем с участка стены шириной В с учетом аэродинамических коэффициентов с:
,
где >f>>>> >=1.4 – коэффициент надежности по ветровой нагрузке по [2, п. 6.11];
В = 4.5 м.
Значения аэродинамических коэффициентов, соответствующие профилю поперечника (см. Рис. 5) находим по [2, прил. 4, схема 2]: с наветренной стороны с>е> = 0.8, с подветренной с>е3> = – 0.6. При этом:
с наветренной стороны q>> = 0.192 0.8 1.4 4.5 = 0.968 кН/м;
с подветренной q'>> = – 0.192 0.4 1.4 4.5 = – 0.726 кН/м.
Ветровое давление с участков стен, расположенных выше верха колонн:
c наветренной стороны
W = ((0.4015+0.42043)/2 ) 1.262 0.8 1.4 4.5 = 2.614 кН;
с подветренной
W' = – 0.411 1.262 0.6 1.4 4.5 = – 1.96 кН.
Расчетная схема поперечника с усилием в лишней связи X>1> показана на рис.8, в.
Вычисляем продольное усилие в стропильной балке:
;
кН.


Рис. 6. Расчетные схемы и расчетные усилия в колоннах.
Рассматриваем далее левую и правую стойки как статически определимые и для каждой из них определяем усилия в расчетных сечениях. Основными для расчета являются сечения в уровне низа и верха колонн. Заметим при этом, что при изменении направления ветра на противоположное, усилия в каждой из стоек станут также зеркальным отображением противоположной. На рис.9 показаны обе схемы загружения и эпюры N и M.
Левая стойка:
- верх:
кН;
.
- низ :
кН;

Правая стойка:
- верх: N п>0> = 165.4 кН; M п>0> = 0;
- низ: N п>max> = 190.7 кН;

Расчетные усилия:
N>0> =165.4 кН; N>max> = 190.7 кН; M>max> = 63.364 кНм.
4.2 Конструктивный расчет стержня колонны
Производим проверку сечения дощатоклееной колонны (рис.8, а) из условий устойчивости в плоскости и из плоскости поперечника. Сечение колонны
b>к> = 17.5 см, h>к> = 80 см. Пиломатериал – сосновые доски 2-го сорта толщиной 33 мм. По [1, табл.3] R>с> = 15 МПа. Прикрепление к фундаменту выполнено с помощью анкерных болтов – жесткое в плоскости поперечника и условно-шарнирное из плоскости.
Коэффициенты условий работы:
- для условий эксплуатации A3 по [1, табл.5], m>в> = 0.9;
- для колонн с высотой сечения 80 см по [1, табл.7], m>б> = 0.9;
- при толщине слоя досок в пакете 33 мм по [1, табл.8], m>сл> = 1.0.
Коэффициент надежности по назначению для зданий III класса >n> = 0.90.
4.2.1 Проверка устойчивости колонны в плоскости поперечника
Предварительно вычисляем:
см2;
см3.
Расчетная длина
l>ох> = 2.2H>к> = 2.2 960 = 2112 см;
радиус инерции
r>х> = 0.289h>к> = 0.289 80 = 23.12 см;
гибкость
>х> = l>ох> / r>х> = 2112/23.12 = 91.349
что удовлетворяет условию
>х> < >max> = 120.
Вычисляем коэффициент продольного изгиба :

Вычисляем:
,
где
кН/см2.
Изгибающий момент по деформированной схеме:
кНм.
Проверяем условие устойчивости:
кН/см2,
что < R>c> = 1.35 кН/см2.
Устойчивость в плоскости поперечника обеспечена.
4.2.2 Проверка устойчивости колонны из плоскости поперечника
Предварительно определим >y> в предположении, что промежуточных связей нет:
Расчетная длина
l>оy> = H>к> = 960 см;
радиус инерции
r>y> = 0.289b>к> = 0.289 17.5 = 5.0575 см;
гибкость
>y> = l>оy> / r>y> = 960/5.0575 = 189.817.
Так как
>y> = 189.817 > >max> = 120,
то постановка промежуточных связей необходима.
Проверяем устойчивость при одной промежуточной связи.
Гибкость
>y> = 0.5 960/5.0575 = 94.909, что < >max> = 120.
Вычисляем коэффициент продольного изгиба при > 70:

Проверяем условие устойчивости:
кН/см2,
что < R>c> =
1.35 кН/см2.
Устойчивость из плоскости поперечника обеспечена.
4.3 Расчет и конструирование узла крепления колонны к фундаменту
Требуется спроектировать опорный узел дощатоклееной колонны с металлическими траверсами по типу показанного на рис.10.

Рис. 7. Узел соединения колонны с фундаментом: а – конструкция узла; б – расчетная схема; 1 – фундаментные болты; 2 – траверсы; 3 – болты; 4 – вклеенные стержни; 5 – эпоксидная шпаклевка
Исходные данные: поперечное сечение колонны b>к> х h>к> = 17.5 х 80 см. Доски из древесины сосны 2-го сорта толщиной 33 мм.
Определение расчетных усилий в плоскости сопряжения с фундаментом.
кНм;
кН.
Вычисляем эксцентриситет:
м.
Так как е = 1.325 м больше h>к>/6 = 0.80/6 = 0.133, то имеется отрывной участок по плоскости сопряжения, следовательно, требуется расчет фундаментных болтов и элементов траверс.
4.5 Расчет фундаментных болтов
Вычисляем максимальное и минимальное напряжения в опорном сечении (см. Рис. 7, б):
кН/см2
>max> = 0.52 кН/см2;
>min> = – 0.42 кН/см2 – отрывной участок.
Определяем высоту сжатой зоны:
см.
Задаемся d>б> = 20 мм и находим (см. рис.10, а):
а = 0.5 S>2> + S>1> = 4.75 d>б> = 4.75 2.0 = 9.5 см;
см.

Принимаем фундаментные болты из стали марки ВСт3 кп 2 по ГОСТ 535-88 (см. табл. 60 [5]) с расчетным сопротивлением R>y> = 185 МПа = 18,5 кН/см2.
Находим требуемую площадь одного болта в нарезной части:
см2.
Принимаем болт диаметром d>ан> = 27 мм, которому соответствует
Fнт = 4,59см2 > 4,06 см2.
Расстояние между фундаментными болтами в плане (см. Рис. 7, а) получим с учетом принятых а = 95 мм и d>ан> = 27мм:
мм;
мм.
4.6 Расчет соединительных болтов
Расчетную несущую способность соединительных (глухих) болтов для крепления траверс к колонне находим по формуле как наименьшее из двух значений:
Т>гл>=0.5
b>к>
d>гл>= 0.5
17.5
2 = 17,5 кН/шов.
Т>гл> = 2,5 d2>гл>=2,5 22 = 10 кН/шов.
Определяем количество болтов:
шт.
Принимаем 8 болтов, размещаем их в два ряда с шагом:
S>1> 7 d>б> = 7 20 = 140 мм;
S>2> 3.5 d>б> = 3.5 20 = 70 мм;
S>3> 3 d>б> = 3 20 = 60 мм.
СПИСОК ИСПОЛЬЗОВАННЫХ ИСТОЧНИКОВ
СНиП II-25-80. Деревянные конструкции: Нормы проектирования /Госстрой СССЗ. – М.: Стройиздат, 1983. –31с.
СНиП 2.01.07-85. Нагрузки и воздействия /Госстрой СССР. –М.: ЦИТП Госстроя СССР, 1986. –36 с.
Зубарев Г.Н. Конструкции из дерева и пластмассы: Учебное пособие для студентов вузов, обучающихся по специальности "Промышленное и гражданское строительство". – 2-е изд., перераб. и доп. – М.: Высшая школа, 1990. –287 с.
Проектирование и расчет деревянных конструкций: Справочник /Под ред. Н.М.Гриня. –К.: Будивельник, 1988. –240 с.
Рекомендации по проектированию панельных конструкций с применением древесины и древесных материалов для производственных зданий / ЦНИИСК им. Кучеренко. – М.: Стройиздат, 1982. –12 с.
Серия 1.265 – 1. Деревянные панели покрытий общественных зданий. Вып. 3./ ЦНИИЭП учебных зданий. – М., 1979. – 28 с.
ГОСТ 20850 – 84. Конструкции деревянные клееные. Общие технические условия.
ГОСТ 24454 – 80 Е. Пиломатериалы хвойных пород. Размеры.
СТ СЭВ 4409 – 83. Единая система проектно-конструкторской документации СЭВ. Чертежи строительные. Правило выполнения чертежей деревянных конструкций.