Монтаж двухтрубной системы отопления
Введение
Строительное производство – одна из важных отраслей народного хозяйства, которая создает основные фонды, осуществляя строительство жилых и общественных зданий, промышленных предприятий, реконструкцию существующих заводов, фабрик, зданий и сооружений.
Санитарно-технические работы составляют значительную часть в общем объеме строительства промышленных, общественных и жилых зданий. В зданиях различного назначения устраивают системы центрального отопления, холодного и горячего водопровода, канализации, водостоков, газоснабжения, вентиляции, а в отдельных случаях кондиционирования воздуха.
Устройство системы центрального отопления обеспечивает поддержание требуемых температур воздуха в помещениях и повышает уровень комфорта.
На сегодняшний день невозможно представить себе жильё, не оборудованное системой отопления. Система отопления – непременная составляющая комфортной жизни. В настоящее время на рынке представлены несколько типов систем отопления, каждый из которых имеет свои плюсы и минусы.
Действующие в настоящее время строительные нормы требуют установки у нагревательных приборов систем отопления термостатических клапанов, которые автоматически поддерживают в помещении постоянную, заданную потребителем, температуру. Это экономит до 20% тепла за счет использования теплопоступлений от солнечной радиации, бытовых и производственных тепловыделений. В связи с тем, что различные нормативные документы по-разному трактуют необходимость установки термостатов, современными системами можно условно назвать системы, оснащенные термостатами.
Наиболее широкое применение в строительстве нашли три типа водяных систем отопления: вертикальные однотрубные, вертикальные двухтрубные и горизонтальные двухтрубные поквартирные системы. Все эти типы систем широко применяются при проектировании в нашей организации. Анализ многолетней работы этих систем показывает, что каждая из этих систем обладает как своими достоинствами, так и своими, иногда неприемлемыми, недостатками. В тех или иных условиях строительства и эксплуатации диктующими становятся различные достоинства или недостатки систем.
В настоящее время практический интерес вызывает отопление и проектирование системы отопления, монтаж и наладка автономных закрытых насосных систем отопления жилых зданий с индивидуальным источником тепловой энергии (бытовая котельная), независимым насосом подачи теплоносителя к приборам отопления.
Такая система отопления позволяет наиболее полно использовать преимущества современного оборудования (котлы отопления, циркуляционные насосы, отопительные приборы, автоматика) и материалов (полимерные трубопроводы).
В данной курсовой работе рассмотрим двухтрубную систему отопления, которая последнее время становиться более распространенной.
I. Современные методы выполнения
Монтаж системы отопления является ответственным звеном в цепи построения современного дома, поскольку грамотно установленное отопление прослужит не один десяток лет, обеспечивая комфортный температурный режим помещения. Сама современная система отопления является целым комплексом отопительного оборудования и конструктивных элементов, использующихся для получения, переноса и сохранения тепла заданной температуры в отапливаемом помещении.
Производство работ, связанных с установкой отопления, требуют специальных профессиональных навыков и высокой квалификации лиц, их выполняющих, поскольку от качества монтажа отопления напрямую зависит срок бесперебойной и безремонтной службы системы отопления. Монтаж отопления помимо необходимых навыков требует также строжайшего соблюдения технологии монтажа и правил безопасности при производстве установки отопления.
1.1 Системы отопления
Назначение любой системы отопления передавать теплоту, вырабатываемую тепловым генератором в помещения, которые нужно обогревать. Система отопления это – взаимосвязанная совокупность устройств и элементов, предназначенная для нагрева воздуха в помещении до установленной температуры и поддержания её в заданных пределах в течение необходимого времени. Основными частями системы отопления являются тепловой генератор, теплопровод и отопительные приборы. Среда, которая осуществляет перенос теплоты от теплогенератора к отопительным приборам, называется теплоносителем. Теплоносителем могут служить жидкость, пар или воздух. Отсюда разделение систем отопления по виду теплоносителя - на жидкостные, паровые и воздушные. Для отопления индивидуальных жилых домов, как правило, выбирают системы жидкостного отопления. Теплоносителем в них служит вода или специальные незамерзающие жидкости – антифризы.
В последние годы в Украине всё большее распространение получают и системы воздушного отопления, хорошо известные в США и Канаде. Системы жидкостного отопления, в свою очередь различаются по способу движения в них теплоносителя и бывают двух типов: с естественной или гравитационной циркуляцией и с принудительной или насосной циркуляцией.
В системах с естественной циркуляцией, нагреваемый в котле теплоноситель, например, вода поднимается по вертикальной трубе – «подающему стояку». Подъём воды происходит потому, что горячая вода имеет меньший вес (точнее – меньшую плотность), чем холодная и как бы «всплывает» по стояку. Затем вода по трубе – «разводящей линии» поступает в вертикальные трубы – «горячие стояки» и через них – в отопительные приборы. В отопительных приборах горячая вода отдаёт часть своей теплоты, остывает и возвращается в котёл по трубе– «обратной линии». Так как плотность охлаждённой воды увеличилась, она своим весом вытесняет нагретую в котле воду в подающий стояк. В результате возникает непрерывное движение или циркуляция воды в системе отопления. Сила этой циркуляции или циркуляционное давление, зависит от разности температур горячей и «обратной» воды и от высоты расположения отопительного прибора относительно котла. (Второе обстоятельство объясняет, почему в системах водяного отопления с естественной циркуляцией, радиаторы на верхних этажах прогреваются лучше, чем на нижних). Для нормальной работы такой системы отопления требуется, чтобы циркуляционное давление было достаточным для преодоления сопротивлений, которые вода встречает в системе. Это достигается увеличением диаметра труб и созданием более простых по конфигурации схем трубной разводки. В современных жилых домах системы с естественной циркуляцией встречаются всё реже. Мало кому нравятся толстые трубы, с уклоном проложенные по стенам. Ограничиваются возможности архитектурных решений и планировки помещений здания. Такие системы плохо поддаются тепловой регулировке, в них невозможно применять многие современные материалы. Единственным неоспоримым достоинством систем с естественной циркуляцией является их электронезависимость. Если тепловой генератор не требует электричества для своей работы (а найти такие не трудно), то система отопления будет работать даже там, где электроснабжение отсутствует.
Системы отопления с принудительной циркуляцией лишены неудобств гравитационных систем отопления. В них перемещение теплоносителя производится специальными насосами, которые заставляют теплоноситель циркулировать по системе. Такие насосы называются циркуляционными и включаются в подающую или обратную магистраль системы отопления. Системы отопления с принудительной циркуляцией дают возможность отапливать здания любой сложности, оставляют простор для любых дизайнерских решений. Трубная разводка выполняется трубами малого диаметра и может быть скрыта в монолите полов и стен. Тепловое управление можно сделать очень гибким и дифференцированным по помещениям. Единственный недостаток систем этого типа – их электрозависимость.
Итак, системы отопления различаются по способу перемещения в них теплоносителя и бывают гравитационными и насосными. Рассмотрим далее, как системы отопления различаются по способу доставки теплоносителя к отопительным приборам. Имеются две схемы разводки – однотрубная и двухтрубная. При двухтрубной разводке теплоноситель проходит последовательно через все приборы, отдавая каждому часть своей теплоты. Каждый последующий прибор при этом будет холоднее предыдущего. Для того, чтобы сохранить необходимую теплоотдачу, каждый последующий прибор должен быть по размерам больше предыдущего. При двухтрубной разводке теплоноситель подаётся отдельно к каждому отопительному прибору от общей магистрали. Все приборы оказываются независимыми друг от друга и получают теплоноситель с одинаковой температурой. В обратную линию теплоноситель отводится тоже отдельно от каждого прибора. Достоинством однотрубной разводки является её дешевизна, т.к. расход труб, соединительных и фасонных изделий меньше, чем для двухтрубной. Недостатком – трудность, а часто и невозможность без дополнительных затрат обеспечить управление температурным режимом в отапливаемых помещениях; необходимость покупать отопительные приборы с большей теплоотдачей, следовательно более дорогие. Главное достоинство двухтрубной разводки – тепловая независимость отопительных приборов и возможность гибко управлять температурным режимом в каждом помещении. Оба вида разводки могут применяться как в системах с естественной циркуляцией, так и с принудительной.
Рассмотрим теперь структуру систем отопления. Любая система отопления состоит из пяти взаимосвязанных функциональных частей:
- тепловой генератор,
- трубная разводка или теплопроводы,
- отопительные приборы,
- устройства обеспечения безопасности,
- устройства управления тепловыми режимами или устройства климат -контроля.
В той или иной форме эти пять функциональных частей присутствуют в отопительных системах любой сложности и любого типа. Теплоноситель циркулирует по замкнутому контуру: тепловой генератор, – трубопровод, - отопительный прибор, - тепловой генератор.
Тепловой генератор является главной частью системы отопления – её сердцем. Выбор теплового генератора зависит от задач, которые ставит заказчик и затрат, которые он готов понести для их решения. В любом случае, тепловая мощность генератора должна покрывать все планируемые потребности в тепловой энергии, а долговечность, надёжность и безопасность должны быть максимальными в рамках выбранной ценовой группы. Если тепловой генератор это – сердце системы отопления, то трубная разводка – её кровеносные сосуды. От правильно выбранных параметров их зависит снабжение теплом отопительных приборов. Основные требования к трубопроводам – минимальные теплопотери, минимальное гидравлическое сопротивление, хорошая герметичность соединений, высокая надёжность при предельных параметрах теплоносителя и, наконец, простота монтажа. Эти требования обеспечиваются выбором материала трубопроводов, технологией монтажа и правильным подбором всех элементов трубопроводов. Очевидно, любая система отопления нуждается в устройствах обеспечения безопасности. Все знают, что вода при нагревании расширяется. Если замкнутый объём, в котором находится вода, не даст ей расширится, она разорвёт даже очень прочные конструкции. Простейшим (и важнейшим!) устройством обеспечения безопасности системы отопления является расширительный бак. Он соединён с системой и принимает в себя излишний объём воды, предохраняя систему отопления от разрушительных последствий теплового расширения воды. В процессе эксплуатации может возникнуть ситуация, когда, в результате ошибочных действий человека или какой – либо поломки в системе начнётся неконтролируемый рост давления теплоносителя. На этот случай в системах отопления предусматривается предохранительный клапан. Если давление в системе превысит порог безопасности, клапан автоматически откроется, часть теплоносителя сбросится из системы, предохранив её от перегрузки.
Отопительные приборы – это та часть системы, на которую работает вся система отопления. Отопительные приборы отбирают у теплоносителя часть тепловой энергии и передают её воздуху отапливаемого помещения. Главной характеристикой отопительного прибора является его теплоотдача или тепловая мощность – количество тепла, отдаваемое прибором в окружающее пространство в единицу времени при определённой разнице температур теплоносителя на входе и выходе прибора - ?Т°. Чем меньше эта разница, тем меньше тепла он отдаёт в окружающее пространство и тем сильнее его реальная теплоотдача отличается от паспортной. Правильно подобранный отопительный прибор обеспечивает подачу в помещение такого количества тепла, которое необходимо для создания в нём комфортных условий. Большое множество типов, классов и видов отопительных приборов позволяют выбрать такой прибор, который наилучшим образом подходит для условий данного помещения.
Система отопления, как уже говорилось, должна поддерживать в помещениях заданную температуру, независимо от изменений температуры наружного воздуха. На практике это означает, что температура теплоносителя должна повышаться, когда на улице холодает и понижаться, когда теплеет. Соответственно, система отопления будет, при этом, передавать в помещение больше или меньше теплоты. Управление этим процессом осуществляют устройства климат – контроля, т.е. устройства автоматического управления тепловыми режимами. В простейшем случае это может быть устройство, которое выключает горелку, когда температура теплоносителя в котле станет выше заданной и выключает её, когда температура понизится до заданного предела. Это – управление по температуре теплоносителя или «по воде». Возможно управление «по воздуху» - горелка выключается, когда температура воздуха в помещении, где установлен датчик температуры становится выше заданной и наоборот. Такие устройства называются термостатами. Чем сложнее устройства климат – контроля, тем более точно они могут управлять тепловыми процессами в отапливаемых помещениях. Результатом будет повышенный комфорт и заметное, до 20 – 30% снижение расхода энергоносителя. Последнее особенно важно при использовании дорогих энергоносителей – дизтоплива или сжиженного газа.
Первый шаг – выбор котла и определение его главного параметра – тепловой мощности. Точный расчёт мощности может провести только специалист, однако оценочный расчёт не сложно сделать и самому. Считается, что для хорошо утеплённого дома при высоте потолков до 3 метров на отопление каждых 10 кв.м. общей площади требуется примерно 1 кВт мощности котла. Система горячего водоснабжения потребует увеличить эту величину на 20 – 25 %. Ранее я говорил, что падение давления газа в магистрали приводит к уменьшению мощности котла на 15 – 20 %. Следовательно, ещё и на эту величину нужно увеличить запас мощности котла.
1.2 Неизбежный переход на двухтрубную систему отопления
В свое время при проектировании отопительных систем была принята идея экономии металла и внесено предложение применять однотрубную систему теплоснабжения. Она была принята как типовое решение
Но возникла проблема, на которую долгое время не обращали внимания, как на «несущественную» по сравнению с «идеей экономии»: при такой системе радиаторы оказываются последовательно завязанными между собой и имеют разную температуру теплоносителя на входе и выходе. В тот период поквартирного и покомнатного регулирования не было, и во главу угла ставилась экономия не топлива, а металла.
Система однотрубного теплоснабжения имеет существенный недостаток: если установить регулирование на одном агрегате, то сразу же это скажется на всей последовательно соединенной цепочке. Лет тридцать назад пробовали создать регуляторы именно на такую систему, но они должны были обладать очень малым сопротивлением – и не прижились
Учитывая, что сегодня во главу угла ставятся экономия топлива, экономия тепла, комфортные условия, сейчас большинство проектных и строительных организаций перешло, несмотря на большую металлоемкость, на двухтрубную систему отопления зданий.
При этой системе параллельно идет прямая и обратная труба, и практически параллельно к ней подключается каждый радиатор. Таким образом, такая параллельная схема позволяет каждый отопительный агрегат регулировать по желаемой программе, с учетом температуры окружающей среды и заранее заданных параметров теплоносителя. При этом происходит значительная экономия топлива, что отвечает поставленным задачам энергосбережения.
Двухтрубная система отопления позволяет ставить комнатные регуляторы, температуру которых будет регулировать сам отопительный агрегат. Следовательно, необходимы различные регуляторы: монометрические, прямого действия и т. п. Гамма регуляторов, представленная на сегодняшний день, очень большая, и, безусловно, сегодня мы стараемся не только ставить двухтрубную систему, но и каждый отопительный агрегат оборудуем индивидуальным регулятором.
Это позволяет кроме общего регулирования учитывать индивидуальные факторы, влияющие на температуру каждого конкретного помещения, в том числе температуру окружающего воздуха, скорость и направление ветра, и освещенность солнцем. При централизованном регулировании невозможно учесть все эти факторы. Поэтому наиболее эффективным оказывается размещение регуляторов непосредственно в самом отапливаемом помещении, т.е. индивидуальное регулирование.
Сейчас начало широко применяться поквартирное отопление: прямо на квартиру ставится термоблок или отопительный агрегат, работающий на газовом топливе.
Это, по сути, тот же водогрей, но полностью автоматизированный, с программным управлением, он сразу и отапливается, и греет горячую воду, и имеет локальную разводку в пределах квартиры (горизонтальная разводка). Он является источником тепла, который дает сразу и отопление, и горячее водоснабжение.
Когда пойдет массовая реконструкция домов с однотрубными системами теплоснабжения, вероятно, будет принято решение об их переделе на двухтрубные системы как более современные, экономичные и комфортные.
1.3 Эффективность отопления двухтрубными системами
Широко применяемые в стране в прежние годы однотрубные системы отопления имеют ряд серьезных недостатков.
Недогрев помещений нижних этажей при верхней разводке магистральных трубопроводов и, наоборот, перегрев верхних этажей (при этом, чем больше этажность, тем больше разница температур отапливаемых помещений). Это приводит к необходимости установки на нижних этажах большего количества нагревательных приборов (не только под окнами, но и у стен), что соответственно изменяет ценовую характеристику этих этажей.
Разрегулирование системы из-за массовой замены нагревательных приборов собственниками квартир, что приводит к перегреву одних квартир и недогреву других.
Невозможность регулирования подачи необходимого расхода теплоносителя в каждый нагревательный прибор из-за отсутствия в терморегуляторах однотрубных систем преднастройки.
Двухтрубные системы отопления позволяют подавать во все нагревательные приборы теплоноситель с одинаковой максимальной температурой, обеспечивают возможность гидравлической наладки, так как существующие для этих систем терморегуляторы дают возможность монтажной регулировки и минимизируют последствия несанкционированной замены нагревательных приборов.
Следует отметить, что двухтрубные системы отопления требуют обязательной гидравлической наладки с привлечением специалистов наладочной организации.
В странах Европы однотрубные системы отопления не применяются вообще.
Наряду с традиционной двухтрубной системой отопления в жилом строительстве за рубежом, а теперь все чаще и в странах СНГ, применяется поквартирная двухтрубная система.
Поквартирная двухтрубная система отопления предполагает горизонтальную прокладку полимерных трубопроводов отопления, скрытую в строительных конструкциях пола или в плинтусах, наличие квартирного узла учета тепла, подключение квартирной разводки к стояку отопления, расположенному вне квартиры в лифтовом холле или лестничной клетке.
При сопоставлении традиционной и поквартирной двухтрубных схем систем отопления в наших условиях наиболее целесообразным является применение последней, так как:
При массовой несанкционированной замене нагревательных приборов и других элементов систем отопления (как правило, в новых домах) это не приводит к существенной разрегулировке системы отопления в целом и не сказывается на тепловом режиме нагревательных приборов квартир. Это актуально с учетом менталитета собственников жилья, проводящих замену нагревательных приборов с увеличением поверхности нагрева без согласования с эксплуатирующей организацией.
Невозможность несанкционированного увеличения количества подаваемого тепла в квартиру за счет других квартир, т. к. отключающее устройство (балансировочный клапан) находится вне квартиры и пломбируется.
Наличие поквартирного учета тепла, что стимулирует его экономию.
Возможность отключения отопления квартиры в аварийной ситуации без доступа в квартиру, что позволяет минимизировать убытки от протечек.
Возможность выполнения наладочных работ по системе отопления в целом, даже без доступа в отдельные квартиры.
Основным доводом оппонентов применения поквартирной системы отопления является то, что капитальные затраты на монтаже этой системы выше, чем традиционной, на 30–40%.
Однако последнее резкое подорожание стоимости стальных водо-газопроводных труб нивелировало разницу в стоимости обеих систем. Кроме того, разница и раньше существенно не влияла на стоимость жилья в целом.
Важным является то, что крупнейшие строительные компании, как правило, сами эксплуатируют системы отопления построенных ими домов, в связи с чем эксплуатационная характеристика поквартирных систем отопления для них является существенным фактором.
Имеет место и ряд других принципиальных вопросов при проектировании ИТП. В частности, несмотря на то, что нормативная документация разрешает иметь только один теплообменник на отопление, целесообразнее видится проектирование двух с 50–75% мощности.
Более широкого распространения заслуживают паяные теплообменники, при этом они дешевле сборно-разборных.
1.4 Двухтрубные системы отопления: плюсы и минусы
В современной практике проектирования отопительных систем для коттеджей накоплено огромное количество схем отопления. Существуют однотрубные и двухтрубные системы отопления; и те и другие подразделяются на вертикальные и горизонтальные; к двухтрубным относятся также коллекторные системы.
Двухтрубные системы предполагают присоединение к отопительным приборам сразу двух трубопроводов - прямого и обратного. Вода, охлажденная в каждом из радиаторов, не поступает в другой отопительный прибор, а направляется непосредственно в котел по обратному трубопроводу. В результате температура воды на входе в каждый из радиаторов примерно одинакова, что позволяет использовать приборы одного размера. Двухтрубные системы лишены недостатков, свойственных однотрубной разводке. Диаметры подающей и обратной труб, а также типоразмеры соединений здесь меньше, чем в однотрубных системах. Поэтому двухтрубные системы лучше смотрятся при открытой прокладке и более удобны при выполнении скрытой, то есть в бетонной стяжке пола или в (специальной нише, которая выдалбливается в стене, а потом заштукатуривается). Двухтрубные системы дают возможность регулировать теплоотдачу в комнате, для него на каждом радиаторе устанавливается термостатический вентиль, который осуществляет этот процесс автоматически.
Горизонтальные двухтрубные системы бывают с верхней и нижней разводкой. Нижняя разводка дает еще одно преимущество: участки системы отопления можно вводить в строй поэтапно, по мере строительства этажей. Вертикальные двухтрубные системы могут использоваться в домах с переменной этажностью. Конечно, любая из разновидностей двухтрубных систем обойдется дороже, чем однотрубная горизонтальная разводка, но ради комфорта и современного дизайна интерьера стоит отдать предпочтение двухтрубной системе.
II. Технологическая часть
Основные схемы закрытых насосных водяных систем отопления
1. Система отопления - двухтрубная вертикальная.
Требует балансировку вертикальных стояков. Обеспечивает хорошую гидравлическую и тепловую устойчивость.
2. Система отопления - однотрубная вертикальная.
Экономит материалы за счет потери гидравлической устойчивости.
3. Система отопления - однотрубная горизонтальная.
4. Система отопления - двухтрубная горизонтальная.
Требует балансировку горизонтальных петель. Обеспечивает хорошую гидравлическую и тепловую устойчивость.
5. Система отопления - двухтрубная горизонтальная распределительная.
Предусматривает размещение на каждом этапе распределительного шкафа, к которому индивидуально подключаются все радиаторы отопления. В качестве подводящих труб используются металлопластиковые трубы отопления с фирменной соединительной и запорной арматурой.
Такие схемы отопления обеспечивают надежный монтаж систем отопления, гибкость при изменении схемы отопления в процессе эксплуатации, простую и надежную наладку системы отопления, и ее гидравлическую и теплотехническую устойчивость.
6. Отопление напольное (теплые полы).
Тип водяного отопления, в котором в качестве отопительных приборов используются уложенные в конструкциях полов по специальной технологии греющие элементы (змеевики) выполненные из полимерных трубопроводов без изоляции – это теплые полы. Греющие элементы подключаются, как правило, по распределительной схеме отопления, т.е. к распределительным коллекторам – каждый контур независимо. В такой системе отопления обязательна автоматика поддержания температуры теплоносителя не более 55ºС.
2.1 Горизонтальные двухтрубные системы
Горизонтальные двухтрубные системы (см. рис.1) бывают с верхней и нижней разводкой. Нижняя разводка дает еще одно преимущество: участки системы отопления можно вводить в строй поэтапно, по мере строительства этажей. Вертикальные двухтрубные схемы могут использоваться в домах с переменной этажностью. Конечно, любая из разновидностей двухтрубных схем обойдется дороже, чем однотрубная горизонтальная разводка, но ради комфорта и современного дизайна интерьера стоит отдать предпочтение двухтрубной схеме.

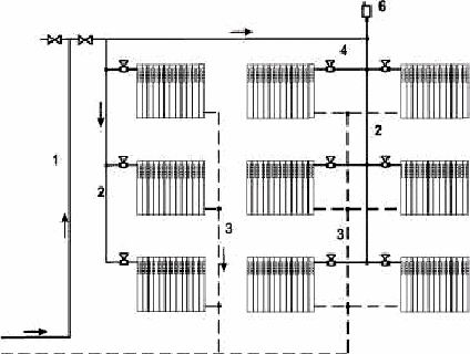
Рис. 1. Схема горизонтальной двухтрубной системы отопления.
1 - стояк;
2 - нагревательные приборы;
3 - регулирующий кран;
4 - выпуск воздуха.
5 -регулирующая арматура
6 - магистраль обратной воды.
Горизонтальные схемы применяются в зданиях большой протяженности. Магистрали горизонтальных схем прокладываются в удобных местах, обычно во вспомогательных помещениях.
Отопление дома - дело сложное, и в каждом конкретном случае требуется выполнить расчеты со многими показателями. В большинстве случаев застройщик заказывает только архитектурно-строительную часть проекта, упускает из вида или экономит средства на разработку его теплотехнической части, которая должна быть привязана к реальным условиям и учитывать новые материалы и технологии.
Инженерная система отопления включает в себя котельный пункт, систему разводки трубопроводов и тепловые приборы. Чтобы система функционировала в соответствии с современными требованиями, т. е. комфортно, экономично и надежно, очень важен комплекс инженерных расчетов.
Расчет тепловых потерь дома должен быть выполнен на каждое помещение в отдельности, с учетом количества окон, дверей, внешних стен. Необходимые данные для расчета теплопотерь: толщина стен и перекрытий, материал, использованный при их возведении; конструкция кровельного покрытия и использованные материалы;
- тип фундамента и материал, использованный при его возведении;
- тип остекления (обычные окна или стеклопакеты), если стеклопакеты, то имеет значение двойные или тройные;
- количество и толщина стяжек пола.
Важно учесть наличие в конструкциях теплоизолирующего слоя, его состав и толщину. Иногда подбор осуществляется по укрупненным вычислениям, в зависимости от объема помещения. У комнат с одинаковым объемом могут быть разные показатели по теплопотерям, если одна является угловым, а другая смежным или внутренним помещением, расположенным в южной или северной части дома, и т. д.
Таким образом, чтобы избежать недостаточного нагрева помещений, застройщики используют традиционный принцип «много - не мало». В этом случае наращивается количество радиаторов, стоимость возрастает эквивалентно их запасу по мощности, что увеличивает общий объем системы, а значит, размер мембранного бака, мощность циркуляционного насоса и количество потребляемого электричества. Эксплуатация системы отопления с повышенной теплоотдачей приведет к перегреву дома и искусственному увеличению теплопотерь. Гидравлический расчет трубопроводов - важная составляющая комплекса инженерных расчетов. Необходимо определить сопротивление планируемой системы, диаметры трубопроводов, мощность насоса для циркуляции теплоносителя в системе
2.2 Вертикальные двухтрубные системы
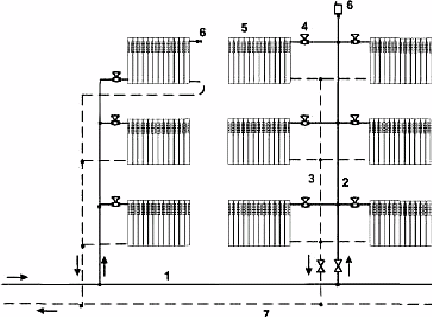
В западном мире наибольшее распространение получили не однотрубные, а двухтрубные системы отопления. В двухтрубной системе (рис. 1, 2, 3) каждый нагревательный прибор присоединяется к двум трубам: по одной подводится горячая вода, а по другой уходит охлажденная вода, при этом все отопительные приборы оказываются принципиально параллельны и равноправны по отношению друг другу. В зависимости от места прокладки магистральных трубопроводов системы подразделяются на системы с верхней разводкой (см. рис. 2), если горячая (подающая), магистраль проходит выше всех отопительных приборов, и с нижней разводкой (см. рис.3), когда и подающая и обратная магистрали проходят ниже всех нагревательных приборов.

Рис. 2. Двухтрубная вертикальная система водяного отопления с верхней разводкой.
На рисунке 2 приведена схема вертикальной двухтрубной системы отопления с верхней разводкой с односторонним и двухсторонним присоединением нагревательных приборов. Горячая вода из теплового пункта подается в главный стояк, затем по горизонтальной магистрали разводится к стоякам и от них к нагревательным приборам. Охлажденная вода из нагревательных приборов собирается в общий обратный стояк и далее через обратную магистраль поступает в тепловой пункт. Горизонтальные магистрали прокладываются с уклоном 0,002. Уклоны горизонтальных труб должны обеспечить выход воздуха из системы к верхним точкам, где он будет удален через воздухоотводчики.
По расположению труб, соединяющих нагревательные приборы, системы делятся на вертикальные, когда приборы присоединяются к вертикальному стояку, и горизонтальные, когда приборы присоединяются к горизонтально расположенным трубопроводам.

Рис. 3. Двухтрубная вертикальная система водяного отопления с нижней разводкой.
1 - магистраль горячей воды;
2 - стояки горячей воды;
3 - стояки обратной воды;
4 - краны у приборов;
5 - нагревательные приборы;
6 - выпуск воздуха;
7 - обратная магистраль.
В системе с нижней разводкой магистральная пиния располагается в нижней части системы.
Движение воды по стоякам происходит снизу верх. Удаление воздуха из системы осуществляется через воздушные краны, устанавливаемые на верхних нагревательных приборах, или с помощью автоматических воздухоотводчиках, устанавливаемых на стояках или специальных воздушных линиях.
В отличие от однотрубных систем, двухтрубные системы напрямую экономят тепло. В том случае, если помещение перегрето, термостат уменьшает или прекращает доступ теплоносителя в прибор. Если теплоноситель, который не поступил в прибор, попадет в прибор соседнего помещения, то он перегреет это помещение и термостат этого помещения прикроется. Таким образом, излишний теплоноситель из циркуляции исключается. В режиме минимум в двухтрубную систему поступает теплоноситель, циркулирующий только по нерегулируемым стоякам (лестничные клетки, лифтовые холлы, межквартирные коридоры). В этом отношении двухтрубные системы более прогрессивны, чем однотрубные.
Для обеспечения необходимой тепловой и гидравлической устойчивости в узлах обвязки нагревательных приборов устанавливаются термостаты, способные дросселировать значительную потерю давления. Из теории автоматизации известно, что для качественной работы регулирующего органа его авторитет (отношение потери давления в регуляторе к потере давления на регулируемом участке) должен быть в пределах 30–70%. Таким образом, эта потеря может колебаться от 8–10 кПа на периферии до 25–28 кПа у основания стояка. Для обеспечения такой потери давления, учитывая, что расчетный расход теплоносителя в приборе может быть небольшим, размер дросселирующего отверстия термостата должен быть очень маленьким. Практически минимальное отверстие в термостатах для двухтрубных систем сравнимо даже не с булавочной головкой, а с булавочным острием. В том случае, если теплоноситель в системе имеет загрязнения, такие отверстия легко засоряются. Для того чтобы этого не происходило, требуется качественное обслуживание системы, постоянная очистка грязевиков и еще ряд известных мероприятий. В том случае, если заказчик не в состоянии гарантировать такое обслуживание (а также сохранность термостатических клапанов у приборов), применение двухтрубной системы не является оптимальным решением. Поэтому при выборе типа системы отопления мы рекомендуем в первую очередь выяснять, в каких условиях будет эксплуатироваться здание. При выборе типа термостатов следует обращать внимание, во-первых, на шумовые характеристики термостатов (не зашумит ли термостат при максимальных потерях давления в нем) и, во-вторых, на то, какое количество фиксированных настроек может этот термостат обеспечить. Чем больше это число, тем точнее можно обеспечить распределение теплоносителя по нагревательным приборам. Вертикально-двухтрубные системы проектируются наиболее часто с нижней прокладкой разводящих магистралей. Объясняется это тем, что из-за разности температур в подающем и обратном стояках возникают значительные гравитационные давления (в 25-этажном доме до 10 кПа). Для приборов различных этажей эти давления различны, чем выше прибор, тем больше гравитационное давление. При нижнем расположении разводящих магистралей дополнительное гравитационное давление используется для преодоления теплоносителем трубопроводов стояка. В этих условиях система работает более равномерно. Однако, если это невозможно, можно проектировать системы и с верхним расположением подающей магистрали. Рекомендуется избегать систем с верхним расположением подающей и обратной магистралей, так как в этом случае трудно исключить засорение нижних приборов, они становятся естественными сборниками шлама. Для балансировки в основании стояков устанавливаются БК. Однако балансировка системы и тип БК не такие, как в однотрубной системе. Как было сказано выше, расход теплоносителя в двухтрубной системе колеблется от максимума в режиме максимум почти до нуля в режиме минимум. При этом потери давления в трубопроводах и арматуре, имеющей постоянное гидравлическое сопротивление, изменяются и тоже стремятся к нулю. В этих условиях БК должны обеспечивать постоянный перепад давления в месте установки. Поэтому балансировку осуществляют регуляторы постоянства перепада давления. Таким образом, БК в двухтрубной системе не только гидравлически увязывают первый стояк с последним, но и обеспечивают постоянство условий работы всех стояков при различных режимах работы системы. Установка в двухтрубных системах в качестве БК регуляторов с ручным управлением типа регулируемой диафрагмы ошибочна, так как она обеспечивает балансировку системы только в расчетном режиме (режиме максимум). Установка этих регуляторов возможна для некоторой юстировки расходов теплоносителя по стоякам. Хотелось бы вернуться ко второму мифу про системы отопления – необходимости повсеместной установки БК. Конечно, в том случае, если в разводящих магистралях мы теряем значительный напор, сравнимый с потерей давления в стояках и термостатах (например, 15–20 кПа), установка БК обязательна. Однако, если в разводящих магистралях мы теряем напор незначительный (3–4 кПа), то БК, по нашему мнению, можно не устанавливать. Дело в том, что в двухтрубной системе разрегулировка наступает из-за изменения потерь давления в нерегулируемых элементах (трубопроводах, задвижках, вентилях и т. п.) при изменениях расхода теплоносителя, а также из-за изменения гравитационного напора. БК, установленные в основании стояка, не в состоянии изменить разбалансировки, возникающие после них (потери в стояках, гравитационный напор), потому что их основная функция – поддерживать постоянный перепад давления после себя, что бы после них ни происходило. Они могут ликвидировать только те разрегулировки, которые возникают до них (в случае установки регулятора постоянства перепада давления в узле ввода – разрегулировки от изменения потери давления в разводящих магистралях). Установка дорогостоящей арматуры, которая требует дополнительных затрат на наладку и эксплуатацию, для ликвидации разрегулировки в 3 кПа при наличии разрегулировок в 17 и 9 кПа, с которыми мы не способны справиться в принципе, мероприятие довольно странное. Ведь при минимальной потере давления в термостатах, равной 10 кПа, разрегулировка 3 кПа практически не окажет никакого влияния на работу системы. Получить такие небольшие потери давления в разводящих магистралях без значительного завышения диаметров труб вполне реально при проектировании посекционных тупиковых систем отопления. Зона применения двухтрубных систем отличается от зоны применения однотрубных: стояки двухтрубных системы могут быть и одноэтажными. Ограничение высотности должно быть скорее сверху. Хотя существующие программы для ЭВМ позволяют проектировать и 25-этажные системы, мы рекомендуем ограничивать высотность 17–20 этажами. При уменьшении высоты системы снижаются вертикальные разрегулировки и экономится большее количество тепла. В заключение хочется предостеречь от ручного расчета двухтрубных систем, так как он достаточно трудоемок. Дело в том, что происходит значительное охлаждение теплоносителя в стояках, если они не изолированы. При 25-этажном стояке температура у последнего прибора снижается на 10–15°С, и это нужно учитывать наряду с дополнительными теплопоступлениями от труб на первых этажах. Расчет двухтрубной системы не легче, чем расчет однотрубной.
2.3 Другие виды двухтрубных систем отопления
Среди множества двухтрубных схем выделяются тупиковые схемы и схемы с попутным движением теплоносителя. Также к основным видам двухтрубных схем, наиболее часто применяющимся в котеджном строительстве, можно отнести схемы с центральной подающей магистралью и коллекторные. В двухтрубной тупиковой схеме все радиаторы замкнутого отопительного контура присоединяются прямой и обратной подводками, и только последний в цепочке отопительный прибор подключается, как в однотрубной горизонтальной схеме, то есть непосредственно к прямым и обратным магистральным трубопроводам. В схеме с попутным движением теплоносителя этого нет - здесь все радиаторы «уравнены в правах». Такую схему легче увязать с гидравлической точки зрения, но ее сложнее монтировать, поскольку диаметры параллельных участков и типоразмеры фасонных частей будут отличаться. Двухтрубная схема с центральной распределительной магистралью - это разновидность предыдущих схем. Отличие же состоит в том, что в помещениях дома прокладывается подающая магистраль, от которой отходят ответвления к отопительным приборам, за счет чего снижается расход труб. Также эта схема интересна тем, что позволяет подключить контуры напольного отопления к высокотемпературной магистрали. Здесь используется смесительный модуль из циркуляционного насоса и трехходового смесительного крана с датчиком температуры (этот вентиль устанавливается на всасывающем патрубке насоса), то есть пункт управления, который делает змеевик "теплого пола" независимым от основной системы и не оказывающим влияние на ее режим работы с точки зрения гидравлики. Коллекторная схема относится к двухтрубным схемам, но в силу своей нервной специфики стоит несколько особняком от других. Дело в том, что здесь отвергается сама идея магистрального трубопровода в том или ином виде и каждый радиатор присоединяется к распределительному коллектору отдельными подающей и обратной веточками. Благодаря этому мы сможем довольно легко увязать отдельные отопительные приборы по давлению и проложить вторичные отопительные контуры (ветки теплых полов). Кроме того, коллекторная схема позволит нам сократить диаметр труб и при прокладке первичного отопительного контура отказаться от многих дорогостоящих фасонных элементов. Несмотря на то, что из-за большего расхода труб и затрат на коллектор такая схема оказывается несколько дороже, чем традиционные двухтрубные схемы, она приобретает все большую популярность в индивидуальном домостроительстве.
Коллекторная разводка предполагает, что на каждом уровне, в специально предназначенном шкафу, располагаются коллекторы, из которых к радиаторам отопления идут трубы и характеризуется независимым подключением каждого радиатора. Подобная схема разводки дает возможность регулировать систему и установку специальных электромоторов, поддерживающих заданную температуру в комнатах. Надо сказать, что коллекторная схема стоит дороже лежаковой на 10-15%, однако она признана более удобной в использовании и обслуживании.
Преимуществом коллекторной разводки является относительная легкость монтажа (минимально количество соединений) гидравлическая стабильность системы. Очередным преимуществом коллекторной разводки является возможность замены поврежденного участка трубы без разрушения конструкции пола.
2.4 Расширительный бак
Природа воды такова, что при повышении температуры она расширяется, а охлаждаясь, приобретает исходный объем. Данное свойство воды необходимо учитывать при создании системы традиционного отопления и заранее предусматривать возможность для временного увеличения объема воды. Элементом отопительной системы, уравновешивающим расширение нагретого теплоносителя, служит расширительный бак (демпфер).
Назначение расширительного бака - предотвращение повышения гидравлического давления в замкнутой водяной системе. Если бы не было демпфера, то отдельные элементы системы водяного отопления не выдержали бы давления нагретой воды. А так "лишняя" вода на время оттекает в расширительный бак.
Демпфер традиционной системы отопления выполняет сразу несколько функций:
1. вмещает излишек воды, образующийся в результате ее нагрева;
2. восполняет недостаток воды при понижении ее температуры или в случае незначительной утечки;
3. собирает воздух, проникающий в систему водяного отопления;
4. собирает воздух, выделяющийся из нагретой воды.
Несмотря на видимые достоинства, расширительный бак обладает и некоторыми недостатками, среди которых:
— высокая вероятность потери полезного тепла через стенки бака;
— повышение внутренней коррозии труб и приборов системы водяного отопления из-за воздуха, собираемого баком;
— громоздкие размеры.
Расширительный бак может быть открытым или закрытым. Его устанавливают выше верхней точки трубопровода.
В системах водяного отопления с естественной циркуляцией расширительный бак присоединяют к главному стояку. При малых скоростях движения воды в трубах хорошо обеспечивается удаления воздуха из системы.
В системах отопления с нижней разводкой расширительный бак устанавливают выше нагревательных приборов верхнего этажа. Расширительную и циркуляционную трубы от расширительного бака присоединяют к подающему трубопроводу. Расширительную и циркуляционные трубы присоединяют к системе отопления с таким расчетом, чтобы при включении какой либо части системы расширительный бак не оказался отключенным от трубопровода, идущего к котлу. Поэтому на трубопроводе, соединяющим расширительный бак с системой отопления, не допускается установка запорной арматуры.
В системах отопления с насосной циркуляцией расстояние между точками присоединения расширительной и циркуляционной труб к обратному трубопроводу системы должно составлять не менее 2 м.
III. Охрана труда
В настоящее время «система управления» есть центральной для многих предприятий. Особое значение придается вопросу обеспечения будущего и обновление предприятий с помощью внутренних систем управления. Международные стандарты ISO 9000 по управлению качеством продукции обусловили необходимость интеграции охраны труда в единую систему управления производством, рассматривая при этом и возможность получения дополнительной квалификации, подтвержденной соответствующим сертификатом, с целью удержания клиентов и рынка. Эти идеи привели к тому, что вопрос о системе управления в сфере охраны труда играет все более важную роль.
Основные производственные процессы, начиная от получения заявок и организации производства, требуют взвешенной, целенаправленной и систематической разработки технологических процессов на производстве. Очевидно, что для эффективной деятельности предприятия необходимы целенаправленное определение полномочий и системная организация охраны труда. При этом достаточно часто недооценивается включение требований охраны труда и окружающей среды в технологический цикл предприятия.
Анализ европейского опыта последних лет доказал, что именно интеграция этих вопросов в организацию управления предприятием имеет решительное значение для повышения уровня производительности труда.
Простои и снижение эффективности труда, вызванные авариями, несчастными случаями на производстве, профессиональными заболеваниями, не только замедляют производственные процессы, но и становятся причиной высоких дополнительных затрат для предприятия. Кроме того, эти явления в значительной степени негативно влияют на безопасность производства, качество продукции, а также на отношение персонала к работе. Поэтому, усовершенствование охраны труда на предприятии имеет не только социальное, но и непосредственно экономическое значение.
С введением Системы управления охраной труда (СУОТ) количество недостатков и связанных с ними нарушений правил безопасного выполнения работ, а также риски возникновения аварийных ситуаций могут быть существенно сокращены. Хорошо спланированные и реализованные мероприятия в сфере охраны труда снижают риск несчастных случаев и возможностей нанесения ущерба здоровью, обеспечивают устранение остановок в производственном процессе и связанных с этим производственных затрат.
С другой стороны, не «за горами» внедрение Закона Украины «Про аудит з промислової безпеки і охорони праці». Аудит в Украине проводится с целью обеспечения соблюдения и неукоснительного выполнения законодательства о промышленной безопасности и охране труда в процессе хозяйственной и другой деятельности субъектами хозяйствования, независимо от форм собственности, организационно – правовой формы и вида деятельности.
На основании вышеизложенного, а также для обеспечения выполнения требований законодательства Украины «Об охране труда» собственниками производств, предупреждения их от возможных неприятностей, связанных с производственным травматизмом и аварийностью, -
Предлагается:
Проведение анализа эффективности системы управления охраной труда (СУОТ) на предприятии (внутренний аудит), при необходимости приведение в соответствие с требованиями законодательства нормативно-правовых актов по ОТ.
Оказание практической помощи в организации системы управления охраной труда на предприятии:
разработка перспективных планов и мероприятий по улучшению состояния охраны труда на предприятии,
разработка или пересмотр действующих нормативно-правовых актов по охране труда, в т.ч. подготовка проектов приказов, программ обучения, журналов, форм актов и др. документации.
Оказание помощи в подготовке документации при проведении аттестации рабочих мест.
Проведение консультаций по вопросам: выполнения функций службы охраны труда; расследования несчастных случаев на производстве; использования средств фонда охраны труда; подготовки документации для получения разрешения органов Госгорпромнадзора Украины на выполнение работ повышенной опасности и др.
Подбор законодательных и нормативных актов по охране труда.
Предоставление услуг осуществляется по Договору согласно требованиям разрешительной системы действующего законодательства Украины.
Конфиденциальность, профессионализм, ответственность Исполнителя обеспечивается.
Время выполнения работ зависит от объема, максимально до 3 месяцев.
Консультации предоставляются бесплатно.
Ознакомление с предприятием и техдокументацией осуществляется с выездом на место.
Система обеспечения безопасности жизни и здоровья работников в процессе трудовой деятельности, включающая правовые, социально-экономические, организационно-технические, санитарно-гигиенические, лечебно-профилактические, реабилитационные и иные мероприятия.
Конституционному праву гражданина на труд в условиях, отвечающих требованиям безопасности и гигиены, корреспондирует обязанность работодателя обеспечить надлежащее техническое оборудование всех рабочих мест и создать на них условия работы, исключающие воздействие вредных или опасных производственных факторов и возможность получения производственной травмы, профессионального заболевания или инвалидности. В этих целях работодатель обязан принять меры к тому, чтобы производственные здания, сооружения, оборудование отвечали требованиям, обеспечивающим здоровые и безопасные условия труда. Эти требования включают: рациональное использование территории и производственных помещений; правильную эксплуатацию оборудования и организацию технологических процессов; содержание производственных помещений и рабочих мест в соответствии с санитарно-гигиеническими нормами и правилами; устройство санитарно-бытовых помещений и др.
Помимо этого работодатель обязан принимать меры по совершенствованию технологических процессов и модернизации технологического оборудования; механизации и автоматизации технологических операций, связанных с транспортированием ядовитых, легковоспламеняющихся и горючих жидкостей; внедрению систем автоматического или дистанционного управления оборудованием во вредных и опасных производствах и другие меры. Для организации работы по охране труда в организациях в случае необходимости создаются службы по охране труда или привлекаются специалисты по охране труда на договорной основе. Структура и численность работников службы охраны труда организаций определяются работодателем с учетом рекомендаций государственного органа управления охраной труда.
Основные функции службы охраны труда: выявление опасных и вредных производственных факторов на рабочих местах; проведение анализа состояния и причин производственного травматизма, профессиональных и производственно-обусловленных заболеваний; участие в подготовке предложений к плану мероприятий по охране труда, а также в подготовке раздела "охрана труда" в коллективных договорах; согласование разрабатываемой в организации проектной документации в части соблюдения в ней требований по охране труда и т.д. Организационно-методическое руководство службами охраны труда в организациях осуществляется службами охраны труда федеральных органов исполнительной власти. В целях организации сотрудничества по охране труда работодателей и работников или их представителей в организациях с численностью работников более 10 человек должны создаваться совместные комитеты (комиссии) по охране труда, в которые на паритетной основе входят представители работодателей, профессиональных союзов и иных уполномоченных работниками представительных органов. Названные комитеты (комиссии) на основе предложений сторон разрабатывают программу совместных действий работодателей, профессиональных союзов и иных уполномоченных работниками представительных органов по улучшению условий и охраны труда, предупреждению производственного травматизма и профессиональных заболеваний; рассматривают предложения по разработке организационно-технических и санитарно-оздоровительных мероприятий для подготовки проекта соответствующего раздела коллективного договора или соглашения по охране труда; рассматривают результаты обследования состояния условий и охраны труда на рабочих местах и разрабатывают в необходимых случаях рекомендации по устранению выявленных нарушений, а также рассматривают многие другие вопросы. Считается, что 20% общих заболеваний являются производственно-обусловленными. Контроль за расходованием средств на охрану труда, предусмотренных соглашением по охране труда, осуществляется непосредственно сторонами или уполномоченными ими представителями. При осуществлении контроля стороны обязаны предоставлять всю необходимую для этого информацию. Проведение сертификации постоянных рабочих мест на производственных объектах должно проводиться исходя из результатов аттестации рабочих мест по условиям труда. Помимо рабочих мест и оборудования сертификации подлежат также используемые сырье и материалы. Применение новых материалов, сырья, не прошедших специальную экспертизу их влияния на организм и здоровье человека и не получивших гигиенический сертификат, не допускается.
В организациях, деятельность которых связана с производством и применением вредных веществ, должны проводиться соответствующие организационно-технические, санитарно-гигиенические, лечебно-профилактические и другие мероприятия, предотвращающие воздействие вредных веществ на работников, а также выдаваться средства индивидуальной защиты. Особые требования к работодателю в связи с необходимостью обеспечения радиационной безопасности при обращении работников с источниками ионизирующего излучения. В частности, работодатель обязан регулярно информировать работников (персонал) об уровнях ионизирующего излучения на их рабочих местах и о величине полученных или индивидуальных доз облучения; планировать и осуществлять специальные мероприятия по обеспечению радиационной безопасности; осуществлять систематический производственный контроль за радиационной обстановкой на рабочих местах, в помещениях, на территориях организаций, а также за выбросом и сбросом радиоактивных веществ. О состоянии условий и охраны труда на рабочем месте, о существующем риске повреждения здоровья и полагающихся работникам средствах индивидуальной защиты, компенсациях и льготах работодатель обязан информировать работников как при приеме их на работу, так и впоследствии. Со своей стороны, работники вправе обращаться к работодателю за получением указанной информации. К условиям труда женщин, молодежи, лиц с пониженной трудоспособностью предъявляются особые требования.
Используемая литература
1. Справочник проектировщика. Внутренние санитарно-технические устройства. В трех частях. 4-тое издание переработанное и дополненное. Под редакцией канд. тех. наук И.Г. Староверова и инж. Ю.И. Шиллера. М.: Стройиздат, 1990.
2. Сканави А.Н., Махов Л.М. Отопление: Учебник для вузов. – М.: Издательство АСВ, 2002.
3. Богословский, В.Н. Внутренние санитарно-технические устройства. В 3 ч. Ч.1. Отопление / В.Н. Богословский, Б.А. ПЗупнов, А.Н. Сканави и др.; Под ред. И.Г. Староверова и Ю.И. Шиллера. – М.: Стройиздат, 1990. (Справочник проектировщика).
4. Чернов Г.С.- Водяное отопление дома, дач,2005
5. Горбов А.Н.- Ремонт сантехники,2001
6. Белов Н.В.- Сам себе слесарь, 2003
7. Проектирование. Справочник. Внутренние системы водоснабжения и водоотведения. Под редакцией
канд. тех. Наук А.М. Тугая. К. : Будівельник, 1982.
8. Савицкая Г.В.Анализ хозяйственной деятельности предприятия: Учебник. 2-е изд., исп. и доп.- М.: ИНФРА-М,2003.-344с.
9. Раздорожный А.А.Охрана труда и безопасность: Учебное пособие. - М.: Издательство «Экзамен», 2005.-512с..
10. СНиП 2.04.01-85* Внутренний водопровод и канализация зданий Постановление Госстроя СССР от 4.10.85 N 189 СНиП от 4.10.85 N 2.04.01-85*
11. СНиП 2.04.07-86* Тепловые сети Постановление Госстроя СССР от 30.12.86 N 75
12. СНиП от 30.12.86 N 2.04.07-86*
13. СНиП 2.04.05-91* Отопление, вентиляция и кондиционирование Постановление Госстроя СССР от 28.11.91 N б/н СНиП от 28.11.91 N 2.04.05-91*
14. СНиП 2.04.14-88 Тепловая изоляция обрудования и трубопроводов (с изменением № 1 от 31 декабря 1997 года) Постановление Госстроя СССР от 9.8.88 N 155 СНиП от 9.8.88 N 2.04.14-88
15. СП 40-101-96 Проектирование и монтаж трубопроводов из полипропилена "Рандом сополимер" Письмо Минстроя России от 9.4.96 N 13/214 СП от 9.4.96 N 40-101-96
16. ВСН 52-86 Установки солнечного горячего водоснабжения. Нормы проектирования Приказ Госгражданстроя СССР от 17.12.86 N 429 ВСН от 17.12.86 N 52-86
17. Пособие по проектированию автономных инженерных систем одноквартирных и блокированных жилых домов (водоснабжение, канализация, теплоснабжение и вентиляция, газоснабжение, электроснабжение)
18. Официальные сайты: www. Heatline.nm.ru, www/gvozdik.ru., www.wilo.ua, www.aquatherm.ua, http://onninen.ru.
19. HYPERLINK "http://tgv.khstu.ru/lib/artic/?list=sok" l "sok" Журнал
"Сантехника, отопление, кондиционирование , 2002. №4
20. www.IZBA.SU - Изба-дом 21 века - отопление
1