Монтаж железобетонных конструкций одноэтажного промышленного здания
Министерство образования РФ
Сибирская Автомобильно-Дорожная Академия (СибАДИ)
Кафедра: «Организация технологий строительства»
Пояснительная записка
Монтаж железобетонных конструкций одноэтажного промышленного здания
г. Омск, 2010
Содержание
1. Задание (исходные данные)
2. Определение количества монтажных элементов
3. Определение монтажных приспособлений
4. Габариты промышленного здания
5. Высотные отметки промышленного здания
6. Определение исходных данных для выбора монтажных машин
6.1 Определение монтажных характеристик для монтажа колонн
6.2 Определение монтажных характеристик для монтажа стропильных ферм
6.3 Определение монтажных характеристик для монтажа плит покрытий
7. Выбор оптимального варианта производства монтажных работ
8. Калькуляция трудовых затрат и заработной платы
9. Технико-экономические показатели
10. Монтаж конструкций зданий (описание работ)
11. Техника безопасности при выполнении монтажных работ
Список литературы
1. Задание (исходные данные)

Одноэтажное промышленное здание, 3-х секционное, бескрановое, длина пролета - 18,0 м, высота от пола до низа стропильной конструкции- 8,4 м, шаг крайних колонн – 6,0 м, шаг средних колонн - 6,0 м, шаг стропильных конструкций - 6,0 м.
2. Определение количества монтажных элементов
Таблица 1
|
№ n/n |
Наименование элемента |
Эскиз и габариты |
Объем элемента, м3 |
Масса элемента, т |
Кол-во монтажных элементов, шт. |
Объем элементов на все здание, м3 |
|
|
секция |
здание |
||||||
|
1 |
2 |
3 |
4 |
5 |
6 |
7 |
8 |
|
1 |
Колонна: а) крайняя КП III -28 |
|
2,325 |
5,8 |
26 |
78 |
181,35 |
|
- |
б) средняя КП II -15 |
|
2,325 |
5,8 |
39 |
117 |
272,025 |
|
2 |
Ферма покрытия ФС 18 - 1А |
|
1,8 |
4,5 |
52 |
156 |
280,8 |
|
3 |
Плиты покрытия ПНС-1 3 х 6 |
|
0,93 |
2,3 |
288 |
864 |
803,52 |
|
4 |
Стеновые панели ПСЖ-1 6 х 1,2 |
|
0,36 |
0,9 |
- |
666 |
239,76 |
|
5 |
Колонны фахверков КФ- 10 |
|
2,8 |
6,2 |
8 |
16 |
44,80 |
= 1822,255
3. Определение монтажных приспособлений
Таблица 2
|
№ n/n |
Эскиз оснастки для монтажа элемента |
Наименование |
Кол, шт. |
Характеристика и применение |
Груз., т |
Масса, кг |
Рас.высота, м |
|
1 |
|
Траверса для захвата колонн |
1 |
Траверса дистанционная для подъема и монтажа колонн, для зданий с отметкой низа стропильных конструкций до 9,6м. |
6 |
122 |
0,8 |
|
2 |
|
Траверса для захвата ферм |
1 |
Траверса с электрическим управлением для монтажа сегментных ферм и ферм с параллельными поясами пролетом 18-30м, при шаге колонн 6м. |
12-30 |
1106 |
4 |
|
3 |
|
Траверса для плит |
1 |
Траверса для монтажа плит покрытий 3 х 6м |
3 |
205 |
2,1 |
|
4 |
|
Траверса для стеновых панелей |
1 |
Траверса для монтажа панелей длиной 6м |
3 |
210 |
3,5 |
|
5 |
|
Расчалка |
4 |
Временное закрепление монтируемых конструкций |
3 |
98 |
24 |
|
6 |
|
Временное ограждение |
1 |
Обеспечение безопасности работ на покрытиях |
- |
- |
- |
|
7 |
|
Подъемная вышка-площадка ПВГ-1 на автомобиле ГАЗ- 63 |
1 |
Выполнение работ на высоте до 10м |
0,2 |
5500 |
8,9 |
|
8 |
|
Специализированное башенно-стреловое оборудование |
1 |
Монтаж стеновых панелей на кране Э-1254 |
- |
12840 |
- |
|
9 |
|
Приставная лестница |
2 |
Лестница с монтажной площадкой высотой 7,8м., для обеспечения рабочего места на высоте до 8,4м |
- |
269 |
- |
|
10 |
|
Приспособление для выверки колонн |
4 |
Выверка и временное закрепление |
- |
725 |
- |
|
11 |
|
Распорки |
4 |
Временное закрепление монтируемых элементов |
- |
98 |
24 |
|
12 |
|
Клиновые вкладки |
624 |
Закрепление колонн |
- |
- |
- |
4. Габариты здания

5. Высотные отметки

6. Определение исходных данных для выбора монтажных машин
Выбор кранов и других монтажных машин производится на основании требуемых рабочих параметров, которые в свою очередь определяют на основе монтажных характеристик элементов сборных конструкций. К монтажным характеристикам относятся:
q>м> - монтажная масса, т.;
Н>м> - монтажная высота, м.;
Z>м> - монтажный вылет крюка, м.
Монтажную массу определяют как сумму масс монтируемого элемента и приспособлений (стропов, траверс, захватов, хомутов, элементов подмостей и т.д.):
q>м> = Q + q>i>,.где
Q - масса монтируемого элемента, т.;
q>i> - масса монтажных приспособлений, устанавливаемых на монтируемом
элементе и поднимаемых вместе с ним, а так же масса полиспаста при максимальном приближении крюка крана к стреле (в расчетах принимается 100кг).
Монтажная высота определяется технологией подъема или опускания конструкции над проектной отметкой для безопасности и удобства монтажа:
Н>м> = h>1> + h>2 >+ h>3> + h>4>, где
h>1> - высота от уровня расположения, монтажного крана до опоры, на которую устанавливаются элементы, м.;
h>2> - высота подъема элемента над опорой (принимают для безопасности и удобства монтажа равной 0,5- 1,0 м);
h>3> - высота (толщина) устанавливаемого элемента, м.;
h>4> - высота захватного приспособления над устанавливаемым элементом (от верха элемента до низа крюка), м.
Монтажный вылет крюка описывается радиусом ее действия, т.е. расстоянием от центра тяжести монтируемого элемента до оси вращения крана:
Z>м> = l>1> + l>2 >+ l>3>, где
l>1> - расстояние от оси вращения крана до шарнира крепления стрелы для стреловых кранов (принимается 1,5м);
l>2> - расстояние от шарнира крепления стрелы до наружной поверхности сооружения;
l>3> - половина ширины (длины) монтируемого элемента.
6.1 Определение монтажных характеристик для монтажа колонн

Н>м> = h>1> + h>2 >+ h>3> + h>4 >= 0+0,5+9,3+1,0 = 10,8 (м)
Q = 5,8 (т)
q>i> = т>трав> + т>полис> = 0,122+0,1 = 0,222 (т)
q>м> = Q + q>i> = 5,8+0,222 =6,022 6 (т)
Z>м> = l>1> + l>2 >+ l>3> = 1,5+6,48+0,25 = 8,23 (м);
L>cmp> = 12,73 (м).
На основании полученных данных, монтажных характеристик устанавливаемого элемента выбираем кран, отвечающий требованиям по грузоподъемности, длине и вылету стрелы (крюка), высоте подъема крюка.
Вывод: Выбираем гусеничный кран СКГ-40БС:
грузоподъемностью Q =18т,
длиной стрелы L>cmp> = 20м
6.2 Определение монтажных характеристик для монтажа ферм покрытия

Н>м> = h>1> + h>2 >+ h>3> + h>4 >= 8,4+1,0+2,2+4,0 = 15,6 (м)
Q = 4,5 (т)
q>i> = т>трав> + т>полис> = 1,106+0,1 =1,206 (т)
q>м> = Q + q>i> = 4,5+1,206 = 5,706 6 (т)
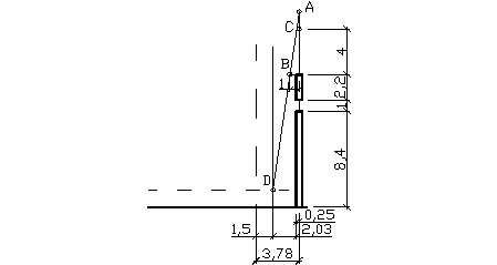
Z>м> = l>1> + l>2 >+ l>3> = 1,5+2,03+0,25 = 3,78 (м); L>cmp> = 15,77 (м).
На основании полученных данных, монтажных характеристик устанавливаемого элемента выбираем кран, отвечающий требованиям по грузоподъемности, длине и вылету стрелы (крюка), высоте подъема крюка
Вывод: Выбираем гусеничный кран СКГ-40:
грузоподъемностью Q = 40т,
длиной стрелы L>cmp >= 20м.
6.3 Определение монтажных характеристик для монтажа плит покрытия

Н>м> = h>1> + h>ф> +h>2 >+ h>3> + h>4 >=(8,4+2,2)+1+0,12+2,1 = 13,82 (м)
Q = 2,3 (т)
q>i> = т>трав> + т>полис> = 0,205+0,1 = 0,305 (т)
q>м> = Q + q>i> = 2,3+0,305 = 2,605 3,0 (т)
Z>м> = l>1> + l>2 >+ l>3> = 1,5+11,3+3,25 =16,05 (м); L>cmp> = 20,14 (м).
На основании полученных данных, монтажных характеристик устанавливаемого элемента выбираем кран, отвечающий требованиям по грузоподъемности, длине и вылету стрелы (крюка), высоте подъема крюка.
Вывод: Выбираем гусеничный кран МКГ-40:
грузоподъемностью Q =40 т,
длиной стрелы L>cmp>> >= 20,8 м.
7. Выбор оптимального варианта производства монтажных работ
Оценка и сравнение вариантов при выборе кранов производится по себестоимости монтажных работ:
С
=
,
где
Э - эксплуатационные расходы на выполнение заданного объема работ, руб.;
V - объем работ, т.
Эксплуатационные расходы:
Э>р >= n C>м-см> + З>р> + Н>р>, где
С>м-см> - стоимость машино-смены крана, руб. за смену;
n - число смен работы;
З>р > - заработная плата рабочих, участвующих в ручных механизированных работах, исключая машинистов, руб.;
Н>р > - накладные расходы, принимаемые в размере 10 - 15% общей суммы всех других расходов.
Стоимость машино-смены крана находится через стоимость машино-часа крана по формуле:
С>м-см>
=
,
C>М-Ч
>=
>
,
>где
М - инвентарно-расчетная стоимость машины, руб.;
А - амортизационные отчисления, %;
Д - количество дней работы машины в году;
т - количество смен работы машины в сутки;
М>д > - стоимость монтажа и демонтажа крана, руб.;
С>тр > - стоимость транспортирования машины с одного объекта на другой;
Д>р> - количество часов работы машины на данном объекте;
Р - затраты на техническое обслуживание и текущие ремонты, руб.;
В - затраты на эксплуатацию вспомогательного оборудования (грузовые
устройства, стропы, приспособления), руб.,
Э - затраты на энергоматериалы (электроэнергию, топливо), руб.;
С>с> - затраты на смазочные материалы, руб.;
- заработная плата машиниста и помощника, руб.
Исходные данные для расчетов:
1) Гусеничный кран СКГ-40:
М = 51000 руб.; Д>о> =22428,2=1443,2 час
А = 12,5%; Р= 3 руб.;
Д = 264 дня; В =0,2 руб.;
т = 2 смены; Э=0,45 руб.;
М>Д>= 930 руб.; С>с>=0,09 руб.;
С>тр>. = 53 руб.; 3=1,36 руб.
>
>
С>м-см>
=
n = 2 – число смен работы;
З>р>=7036,19 руб. (см. калькуляция трудовых затрат и заработной платы);
Н>р> = (nС>м-см> + З>р>) 0,15
Н>р>> >= (259,479 +7036,19)0,15 =1073,27 руб.
V =1822, 255 м3 – см. табл. 1 ПЗ;
Э>р> = n С>м-см>+З>р>+Н>р>,
Э>р> =259,479 +7036,19 + 1073,27 = 8228,42 руб.
Себестоимость монтажных работ крана СКГ-40:
2} Гусеничный кран МКГ-40:
М = 59200 руб.; Д>о> =22428,2=1443,2 час
А = 12,5%; Р= 3 руб.;
Д = 264 дня; В =0,2 руб.;
т = 2 смены; Э=0,5 руб.;
М>Д>= 890 руб.; С>с>=0,1 руб.;
С>тр>. = 53 руб.; 3=1,36 руб.
>
>
С>м-см>
=
n =2 – число смен работы;
З>р>=7036,19 руб. (см. калькуляция трудовых затрат и заработной платы);
Н>р> = (n С>м-см> + З>р>) 0,15
Н>р>> >= (2 61,685 +7036,19) 0,15 =1073,93 руб.
V =1822, 255 м3 – см. табл. 1 ПЗ;
Э>р> = n С>м-см> + З>р> + Н>р>,
Э>р> =2 61,685 +7036,19 +1073,93 = 8233,49 руб.
Себестоимость монтажных работ крана МКГ- 40:
Вывод: Сравнивая величины затрат на эксплуатацию и себестоимость монтажных работ двух гусеничных кранов МКГ- 40 и СКГ-40, получили, что гусеничный кран МКГ- 40.
Поэтому для монтажа подстропильных стропильных ферм и плит покрытия принимаем гусеничный кран МКГ- 40:
грузоподъемностью Q = 40 т,
длиной стрелы L>cmp>. =20,8 м
8. Калькуляция трудовых затрат и заработной платы
|
Обоснование по ЕНиР |
Наименование работ |
Объем работ |
Норма времени |
Расценка за един., руб. |
Трудоемкость |
Сумма за объем, руб. |
Машины, механизмы |
Состав звена |
||||
|
един. изм. |
кол. |
ч/час. |
м/час. |
ч/дн. |
маш/см |
марка |
кол. |
|||||
|
1 |
2 |
3 |
4 |
5 |
6 |
7 |
8 |
9 |
10 |
11 |
12 |
13 |
|
Е4-1-4 |
Установка колонн массой до 6 т |
1 колонна |
195 |
5,5 |
1,1 |
4,11 1,17 |
130,79 |
26,16 |
801,45 228,15 |
СКГ-40 |
1 |
Монтажник 5 разр. - 1 4 разр. - 1 3 разр. - 2 2 разр. – 1 Машинист 6 разр. - I |
|
E4-1-25 |
Заделка стыков колонн в стаканах фундамента |
на 1 стык |
195 |
1,2 |
- |
0,894 |
28,54 |
- |
174,33 |
- |
- |
Монтажник 4 разр. - 1 3 разр. - 1 |
|
Е4-1-6 |
Установка ферм пролетом 18м. |
1 эл-т |
156 |
8 |
1,6 |
6,56 1,70 |
152,20 |
30,44 |
1023,36 265,20 |
СКГ-40 |
1 |
Монтажник б разр. - I 5 разр. – 1 4 разр. - 1 3 разр. - 1 2 разр. – 1 Машинист 6 разр. - 1 |
|
E22-1-1 |
Сварка стыков ферм с колоннами |
10м шва |
19,5 |
4,6 |
- |
4,19 |
10,94 |
- |
81,71 |
- |
- |
Эл. сварщик 5 разр. - 1 |
|
E4-1-25 |
Заделка стыков ферм с колоннами |
1 узел |
312 |
1,0 0,44 1,2 |
- |
0,745 0,328 0,894 |
38,05 16,74 45,66 |
- |
232,44 102,34 278,93 |
- |
- |
Монтажник 4 разр. – 1 3 разр. - 1 |
|
Е4-1-7 |
Укладка плит покрытий площадью до 20 м2 |
1 эл-т |
864 |
1,2 |
0,3 |
0,849 0,318 |
126,44 |
31,61 |
733,54 274,75 |
МКГ-40 |
1 |
Монтажник 4 разр. – 1 3 разр. – 2 2 разр. – 1 Машинист 6 разр. - 1 |
|
E22-1-1 |
Сварка стыков плит покрытия |
10м шва |
11,7 |
3,0 |
- |
2,73 |
4,28 |
- |
31,94 |
- |
- |
Эл. сварщик 5 разр. - 1 |
|
Е4-1-26 |
Заливка швов плит покрытия |
на 100м шва |
49,68 |
6,4 |
- |
4,77 |
38,77 |
- |
236,97 |
- |
- |
Монтажник 4 разр. - I 3 разр.-1 |
|
E4-1-8 |
Монтаж стеновых панелей площадью до 10 м2 |
панель |
666 |
3,0 |
0,75 |
2,28 0,795 |
243,66 |
60,91 |
1518,48 529,47 |
Э-1254 |
- |
Монтажник 5 разр. - 1 4 разр. - 1 3 разр. - 2 2 разр. – 1 Машинист 6 разр. - I |
|
E22-1-1 |
Сварка стыков стеновых панелей |
10м шва |
26,84 |
4,0 |
- |
3,64 |
13,09 |
- |
97,70 |
- |
- |
Эл. сварщик 5 разр. - 1 |
|
Е4-1-27 |
Герметизация стыков стеновых панелей мастикой |
10м шва |
567,90 |
1,3 |
- |
0,969 |
90,03 |
- |
550,3 |
- |
- |
Монтажник 4 разр. – 1 3разр. – 1 |
|
ИТОГО: Разные неучтенные работы (20%} |
939,19 187,80 |
149,12 29,82 |
5863,49 1297,57 1172,70 259,51 |
|||||||||
|
|
ИТОГО: |
1126,99 |
178,94 |
7036,19 1557,08 |
|
9. Технико-экономические показатели
Таблица 3.
|
№ |
Наименование показателя |
Единицы измерения |
Кол-во |
|
1 |
Общая продолжительность |
дни |
88 |
|
2 |
Объем работ |
м3 |
1822, 255 |
|
3 |
Общая трудоемкость |
чел./дн. |
1126,99 |
|
4 |
Общая машиноемкость |
маш./см. |
178,94 |
|
5 |
Выработка |
м3/(чел./дн) |
1,62 |
|
6 |
Заработная плата 1 рабочего |
руб. /(чел./дн) |
6,24 |
10. Монтаж конструкций одноэтажных промышленных зданий
Общие сведения.
Номенклатура типовых железобетонных конструкций позволяет возводить одноэтажные промышленные здания, состоящие из одного или нескольких пролетов, с высотой в пределах 3,6 - 18 м и шириной 6 - 30 м.
Из этих конструкций могут комплектоваться здания бескрановые и оборудованные мостовыми или подвесными кранами, бесфонарные и с аэрационными, светоаэрационными или зенитными фонарями, а так же имеющие подвесные потолки, скатную или плоскую кровлю.
Соединение колонн с фундаментом выполняется защемлением ее в стакане. Отметка верха фундамента принята равной - 0,00 м.
Жесткость покрытия и всего каркаса здания обеспечивается связями и диском, образуемым плитами и стропильными конструкциями.
Монтаж колонн.
Колонны одноэтажных промышленных зданий можно монтировать только после подготовки дна стаканов и инструментальной проверки соответствия стаканов проекту в плане и по вертикали.
Монтаж колонн рекомендуется производить после устройства бетонной подготовки в средней части пролета.
Колонны монтируют отдельным потоком. Одновременно, по ходу, устанавливаются стальные связи по ним. Легкие колонны рекомендуется монтировать с предварительной раскладкой рядом с фундаментом в зоне действия монтажного крана, колонны располагают опорной частью ближе к фундаменту, оголовок направляют в пролет по ходу монтажа.
Колонны должны переводиться из горизонтального положения в вертикальное "на ребро".
Колонны устанавливают в проектное положение по рискам и фундаментам.
Вертикальность проверяется по разбивочным осям при помощи теодолитов.
Вывод колонн из горизонтального положения в вертикальное осуществляется способами: "на весу", поворотом, скольжением. Для подъема колонн применяют стропы, захваты, траверсы.
Временное закрепление колонн до 12 м осуществляют металлическими или деревянными клиньями, металлическими вкладышами, кондукторами.
Гнезда стаканов фундаментов замоноличивают вслед за установкой ряда колонн.
Приспособления для временного закрепления колонн могут быть сняты после достижения бетоном в стыке 70% от проектной прочности.
Монтаж подстропильных и стропильных ферм.
Монтаж ферм покрытия выполняют с предварительной раскладкой ферм или непосредственно с транспортных средств. Раскладку ферм производят вдоль пролета таким образом, чтобы кран с монтажной стоянки мог устанавливать их в проектное положение без изменения вылета стрелы.
Для обеспечения устойчивости монтируемых элементов их складируют в специальных кассетах.
При строповке ферм грузоподъемный трос крана не должен заходить за ранее смонтированные фермы.
Опорные узлы ферм оформляют с приставных лестниц.
Подготовка ферм к монтажу состоит из укрупнительной сборки ферм (если она требуется), закрепление распорок или расчалок. Фермы обустраивают люльками и лестницами, устанавливают струбцины для временного крепления, навешиваются также оттяжки, а при необходимости страховочный трос.
Фермы покрытия должны сразу устанавливаться в проектное положение (без освобождения от крюка крана) с совмещением осевых рисок с рисками на опорных поверхностях нижележащих конструкций (в частности колонн).
Устойчивость ферм обеспечивается с помощью инвентарных расчалок, закрепленных к ранее смонтированной ферме. Первая с торца здания ферма раскрепляется расчалками.
Расчалки могут закрепляться за колонны (у основания или у подкрановой консоли) или за передвижные инвентарные якоря.
Ферму к колоннам крепят анкерными болтами и электросваркой, после чего при помощи расстроповочных канатов вытаскивают запорные валики и снимают стропы. Временные распорки и расчалки снимаются по мере монтажа и приварке плит покрытия. Одновременно с монтажом ферм должны устанавливаться все предусмотренные проектом постоянные связи и распорки.
Монтаж железобетонных плит.
Монтаж плит осуществляют сразу после установки и постоянного закрепления на опорах очередной фермы. Монтаж начинают с укладки плит между колоннами с приставных лестниц или навесных люлек. Последующие плиты укладываются с ранее уложенных. Положение стыков между плитами размечают на фермах на земле до их подъема.
Стропят плиты либо четырехветвевым стропом типа "паук", либо групповой траверсой. Во время подъема плиту удерживают за оттяжку в положении вдоль пролета.
Принимают и устанавливают плиты монтажники, закрепившись карабинами за страховочный канат, либо за монтажные петли ранее уложенных плит.
После окончания выверки монтажники перемещают страховочный канат на вновь уложенную плиту и приступают к закреплению плит электросваркой.
Плиты покрытия укладывают от одного края пролета к другому. Все крайние плиты монтажники оборудуют ограждением.
Для того, чтобы покрытие работало как жесткий диск, опорные детали плит приваривают к несущим конструкциям во всех доступных для сварки местах. Зазоры между плитами выполняют цементным раствором. В стык между плитами закладывают жгут из рулонного материала. Складирование плит производят в зоне действия монтажного крана. Число штабелей плит и их размещение определяют из условия покрытия ячейки между фермами с одной стоянки крана.
Монтаж наружных стеновых панелей.
До монтажа наружных стеновых ограждений должны быть смонтированы фундаментные балки.
Монтаж наружных стеновых панелей можно производить только после окончания монтажа каркаса и плит покрытия на участке (захватке) самостоятельным потоком в ячейке на всю высоту.
При монтаж наружных стеновых панелей в бескрановых зданиях при шаге колонн 6 м выверка и закрепление устанавливаемых конструкций осуществляется с внутренней части зданий с подвесных самоподъемных люлек длиной 4,4 м, передвижных вышек.
Монтаж конструкций стенового ограждения должен выполняться с соблюдением следующих требований:
- правильность установки цокольных панелей контролируется геодезическим инструментом, а выше лежащих панелей - отвесами и гибким уровнем,
- для выполнения приварки закладных деталей для крепления стеновых панелей на стройплощадке деталь сначала должна быть приварена к колонне до ее подъема, а затем к панели;
- нанесение раствора и наклейка герметизирующих прокладок (на верхнюю горизонтальную грань панели) производится непосредственно перед установкой вышележащей панели. Наклейка герметизирующих прокладок на вертикальную грань установленной панели производится мастикой изол одновременно с наклейкой горизонтальной прокладки. Мастика наносится на поверхность панели с помощью аппарата С-562. Питание аппарата воздухом осуществляется компрессором Обработка швов между панелями и остекление панельных переплетов производится с наружных самопроизвольных люлек, передвижных вышек и т.д. В целях соблюдения условий техники безопасности работы по обработке фасадов должны отставать от монтажа стеновых ограждений не менее чем на 12 м.
- расстроповка устанавливаемой панели производится только после полного закрепления конструкций Крепление панелей, панельных переплетов к колоннам осуществляется приваркой деталей крепления к закладным деталям колонн и ограждающих конструкций.
11. Правила техники безопасности при выполнении монтажных работ
Погрузочно-разгрузочные работы.
1. Погрузочно-разгрузочные работы должны производиться механизированным способом согласно требованиям настоящих норм и правил, ГОСТ 12.3.009-76 и правил устройства и безопасной эксплуатации грузоподъемных кранов, утвержденных Госгортехнадзором СССР.
2. Грузоподъемные машины, грузозахватные устройства, средства контейнеризации и пакетирования, применяемые при выполнении погрузочно-разгрузочных работ, должны удовлетворять требованиям государственных стандартов или технических условий на них.
3. Строповку грузов следует проводить инвентарными способами или специальными грузозахватными устройствами, изготовленными по утвержденному проекту. Способы строповки должны исключать возможность падения или скольжения застропованного груза.
4. Перед погрузкой или разгрузкой панелей, блоков и др. сборных железобетонных конструкций монтажные петли должны быть осмотрены, очищены от раствора или бетона и при необходимости выправлены без повреждения конструкции.
5. Разгрузка транспортных средств с эстакад, не имеющих опорных брусьев, не допускается
Монтажные работы.
1. Ha участке (захватке), где ведутся монтажные работы, не допускается выполнение других работ и нахождение посторонних лиц.
2. При возведении зданий и сооружений запрещается выполнять работы, связанные с нахождением людей в одной секции (захватке, участке) на этажах (ярусах), над которыми производится перемещение, установка и временное закрепление элементов сборных конструкций или оборудования.
3. Способы строповки элементов конструкций и оборудования должны обеспечить их подачу к месту установки в положение, близкое к проектному.
4. Запрещается подъем сборных железобетонных конструкций, не имеющих монтажных петель или меток, обеспечивающих правильную строповку и монтаж.
5. Строповку конструкций и оборудования следует производить грузозахватными средствами, удовлетворяющие требованиям п.7.4 и обеспечивающими возможность дистанционной расстроповки с рабочего горизонта в случаях, когда высота до замка грузозахватного средства превышает 2 м.
6. Элементы монтируемых конструкций или оборудования во время перемещения должны удерживаться от раскачивания и вращения гибкими оттяжками.
7. Не допускается пребывание людей на элементах конструкций и оборудования во время их подъема и перемещения.
8. Во время перерывов на работе не допускается оставлять поднятые элементы конструкций оборудования на весу.
9. Расчалки для временного закрепления монтируемых конструкций должны быть прикреплены к надежным опорам (фундаментам, якорям и т.п.).
Количество расчалок, их материалы и сечение, способы натяжения и места закрепления устанавливаются проектом производства работ. Расчалки должны быть расположены за пределами габаритов движения транспорта и строительных машин. Расчалки не должны касаться острых углов других конструкций. Перегибание расчалок в местах соприкосновения их с элементами других конструкций допускается лишь после проверки прочности и устойчивости этих элементов под действием усилий от расчалок.
10. Для перехода монтажников с одной конструкции на другую следует применять инвентарные лестницы, переходные мостики и трапы, имеющие ограждение.
11. Установленные в проектное положение элементы конструкций или оборудования должны быть закреплены так, чтобы обеспечивалась их устойчивость и геометрическая неизменяемость. Расстроповку элементов конструкций и оборудования, установленных в проектное положение, следует производить после постоянного или временного их надежного закрепления. Перемещать установленные элементы конструкций или оборудования после их расстроповки, за исключением случаев, обоснованных ППР, не допускается.
Список литературы
Альперович С.З. и др. Краткий справочник монтажника строительных конструкций. - Киев: Будивельник, 1968.
Кардаев Е.М. Справочно-методическое пособие//Монтажные краны, строповочные приспособления. Омск: изд - во СибАДИ, 2000.
EHuP. Сборник 4. Монтаж сборных и устройство монолитных железобетонных и бетонных конструкций. Выпуск 1. Здания и промышленные сооружения. - М.: Стройиздат, 1973.
EHuP. Сборник 22. Сварочные работы. - М.: Стройиздат, 1973.
Барч И. 3. и др. Строительные краны: Справочное пособие: - Киев. Будивельник, 1968.
СНиП. Часть III, раздел А, Глава II. Техника безопасности в строительстве. -М.: Стройиздат, 1971.
Швиденко В. И. Монтаж строительных конструкций. - Киев: Будивельник, 1972.
Ожиганов В. Т. и др. Методические указания к выполнению курсового проекта по монтажу строительных конструкций. Часть I, It, III, IV. Омск: Изд - во СибАДИ, 1979.
Трепененков Р. И. Альбом чертежей конструкций и деталей промышленных зданий. - М.: Стройиздат, 1980.
Данилов Н.Н. Технология строительных процессов. - М.: Высш. шк., 2000.
















