Возбуждение, ионизация и отклоняющееся напряжение атома. Схемы энергоуровней
БЕЛОРУССКИЙ ГОСУДАРСТВЕННЫЙ УНИВЕРСИТЕТ ИНФОРМАТИКИ И РАДИОЭЛЕКТРОНИКИ
Кафедра ЭТТ
РЕФЕРАТ
На тему:
«Возбуждение, ионизация и отклоняющееся напряжение атома. Схемы энергоуровней»
МИНСК, 2008
1. Строение атома
Согласно модели Бора, которая еще мало изменилась к настоящему времени, атом состоит из ядра весьма малого размера (диаметр его равен примерно 10-12 см) и отрицательно заряженной электронной оболочки. В ядре сосредоточено более чем 99,9% всей массы частицы. Положительный заряд ядра атома содержит увеличенный в целое число раз элементарный заряд (e = 1,6*10-19 а*сек); при этом заряд ядра изменяется от одного элементарного заряда (у первого из известных элементов) до 105 элементарных зарядов у последнего 105-го элемента. Так как атомы по отношению к внешнему пространству оказываются нейтральными, то число элементарных зарядов ядра равно числу электронов оболочки атома.
Образование свободных электронов достигается освобождением их из электронной оболочки атома. Электроны окружают ядро атома не хаотично, а согласно определенному закону, именно они закономерно распределены по системе «оболочек», число которых доходит до 7 (таких оболочек у Н - одна; у Ar - 3 [рис.1], у Hg – 6 и у U – 7); эти оболочки при переходе от внутренних к внешним обозначаются буквами от К до Q (K-, L-, М-оболочки и т. д.). В понятие «электронные оболочки» вкладывается также энергетический смысл; обозначения различных электронных оболочек являются одновременно символами для обозначения возможных энергетических состояний электронов в атоме. Эта модель дает лишь весьма грубое представление о действительных взаимосвязях, имеющих место в атоме, так как отдельные энергетические уровни в свою очередь подразделяются на подуровни, достаточно близко расположенные друг от друга.Таким образом, каждый электрон данного атома в каждой оболочке обладает определенной потенциальной энергией Е>п>. Величина энергии растет с увеличением радиуса оболочки (т. е. по мере удаления от ядра): сначала быстро, затем медленнее и, наконец, приближается к некоторой предельной величине, соответствующей энергии свободного электрона, покинувшего атом.
Если атому сообщить некоторое количество энергии извне, то электроны могут преодолеть силы притяжения ядра и перейти с внутренних оболочек на внешние с более высокой потенциальной энергией, которые остаются не занятыми, если к атому не подводится извне дополнительная энергия. В этом случае атом не находится более в нормальном состоянии; его состояние будет теперь возбужденным. В возбужденном состоянии атом находится лишь очень короткий промежуток времени; спустя 10-8 – 10-9 секунды все перешедшие на внешние оболочки электроны переходят обратно на нормальные для них уровни или даже на ниже расположенные уровни с меньшей потенциальной энергией. Отдаваемая электронами при этом энергия выделяется в виде электромагнитного излучения. Согласно закону сохранения энергии каждый переход электрона сопровождается испусканием фотона. Энергия фотона hv (h - постоянная Планка, v - частота испускаемого света) должна быть равна разности E>1 >– Е>2> энергий электрона до и после перехода с одного уровня на другой:
(1)

Рис. 1. Энергетические уровни свободного изолированного атома (Ar) и возможные процессы перехода электронов при соударении.
1 - испускание кванта света (с энергией hv); 2 - эмиссия электрона из K-оболочки при соударении с частицами; 3 - переход электрона с L-оболочки на K-оболочку с одновременным испусканием рентгеновского кванта (в результате отдачи энергии); 4 - испускание рентгеновского кванта; 5 - возбужденные уровни электронов на внешней электронной оболочке; 6 - соударение с частицами с энергией в несколько эв; 7 - соударение с частицами с энергией в несколько сот кэв (например, с электронами или квантами рентгеновского излучения).
Таким образом, в свободном атоме возможны только вполне определенные энергетические уровни Е>1>, Е>2>, ..., Е>n>; все остальные энергетические состояния запрещены. Поэтому поглощение излучения или его испускание возможно только при вполне определенных частотах или соответственно при определенных длинах волн. Отсюда ясно происхождение линейчатого спектра излучения или поглощения атома.
Разность энергий электронов, находящихся в двух соседних оболочках атома, уменьшается с увеличением радиуса оболочек. Поэтому в том случае, если переход электрона происходит между двумя удаленными от ядра оболочками (занятыми или свободными), то спектральные линии возникшего излучения лежат в инфракрасной, видимой или ультрафиолетовой областях спектра («оптический спектр») с относительно малой энергией квантов света. Если же переход осуществляется между внутренними, близко расположенными к ядру оболочками, то происходит испускание излучения, лежащего в рентгеновской области спектра, со значительно большей энергией квантов. Поэтому близкие к ядру оболочки К, L и М называют также рентгеновскими уровнями.
Атомы различных элементов отличаются лишь тем, что с увеличением заряда ядра все большее число разрешенных энергетических уровней (оболочек) оказывается занятым электронами. При этом в первую очередь заполняются оболочки, расположенные вблизи ядра атома. Для каждой оболочки существует вполне определенное максимально возможное число заполняющих ее электронов.
Испускание электронов из внутренних оболочек происходит лишь в том случае, если атому передается большая по величине энергия, поскольку электроны внутренних оболочек находятся под действием значительных сил притяжения со стороны атомного ядра. Необходимая для испускания электронов внешней оболочки атомов (называемых также валентными электронами) энергия напротив невелика, так как силы притяжения их к ядру не столь значительны по сравнению с внутренними электронами. Для инертных газов, внешняя оболочка которых полностью занята электронами, требуется большая затрата энергии на испускание электронов, чем у элементов с частично заполненными внешними оболочками.
2. Процессы столкновений
Возбуждение и ионизация. При столкновении с другими частицами атом может быть возбужден или ионизован (1). Возможны следующие столкновения: столкновение с электронами или ионами, столкновения с атомами того же или другого газа, «соударения» с фотонами и γ-квантами. В соответствии с этим различают электрическое, тепловое и оптическое возбуждение (или соответственно ионизацию).
Наименьшая величина энергии, необходимая для перехода наиболее слабо связанного электрона валентной оболочки на следующую более удаленную, незанятую (потенциально существующую) оболочку, называется «минимальной энергией возбуждения» Е'>в> = eU'>в>, где U'>в> - минимальный потенциал возбуждения. Наименьшая энергия, которая необходима для полного освобождения (испускания) наиболее слабо связанного электрона валентной оболочки, называется энергией ионизации данного атома: Е>i>> >= еU>i>. Потенциалом ионизации U>i> называется разность потенциалов, которую должен пройти электрон, чтобы при столкновении ионизовать атом.
Аналогичное определение применимо и для потенциала возбуждения. Величина потери скорости ударяющей частицей может быть получена из следующего уравнения, выражающего закон сохранения энергии:
(2)
где М, вт*сек3/см2 - масса; v>0>, см/сек - начальная скорость; v, см/сек - конечная скорость ударяющей частицы; eU, вт*сек - энергия, перешедшая от ударяющей частицы к ударяемой.
При скорости v = 0
имеем следующее выражение для минимальной
скорости электрона (М = m),
необходимой для ионизации атомов:
.
Поскольку существуют столкновения и
без потери энергии соударяющимися
партнерами («упругое соударение»), то
соответственно различают три случая
соударений в зависимости от величины
отданной или приобретенной соударяющимися
частицами энергии еU
(или ее вольт-эквивалента U):
0<U<U'>в> (упругое соударение); U'>в>≤U<U>i> (возбуждение); U>i>≤U (ионизация).
Потенциал U>в> равен по порядку величины 1-20 в (потенциал ионизации U>i> при однократной ионизации равен 4...25 в). Это означает, что на электронную оболочку атома смогут оказать воздействие даже те частицы, которые прошли разность потенциалов всего в несколько вольт. Между тем для изменения структуры ядра атом нужно бомбардировать частицами, которые обладают энергией, равной по порядку величины от 106 до 1010 эв. Такие процессы также играют, известную роль в электронике, в частности в мощных ускорителях частиц.
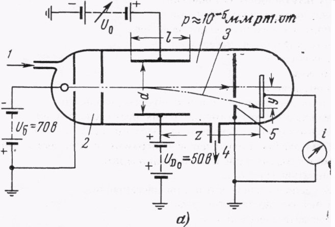
Определение потенциалов ионизации и возбуждения газов методом электронной спектроскопии. Потенциалы ионизации и возбуждения газов можно определять, в частности, следующим образом 1: электроны с энергией в 70 эв пропускаются через инертный газ (например, гелий), после чего анализируются их скорости (рис.2,а).
Часть электронов не теряет своей энергии при соударении с атомами гелия (упругие удары), другая часть электронов теряет примерно 20 эв на возбуждение и 25 эв на ионизацию атомов. Такой квантованный процесс потери энергии электронов вызывает при отклонении электронного луча наряду с основным максимумом тока в цепи коллекторного электрода появление еще двух других максимумов (рис. 2,б), обусловленных потерей энергии электронами, вследствие возбуждения и ионизации ими атомов. Значения U>i> и U>в> могут быть получены, если известно отклоняющее напряжение, необходимое для наблюдения максимума тока. В электрическом поле величина отклонения у, при малых углах отклонения равна (рис.2,а):
(3)
Отсюда следует, что
U>i>>
>или
,
(3а)
где l, см, - длина отклоняющих пластин; d, см, - расстояние между пластинами; z, см - расстояние от центра отклоняющих пластин до коллектора; U>б>, в, - ускоряющее напряжение; U>D>>0>-U>0>, в, - отклоняющее напряжение; U>б>-U>i>, в, - вольт-эквивалент энергии электронов после соударения с атомом газа, вызывающих его ионизацию или возбуждение.


А) б)
Рис. 3. Экспериментальный прибор (а) и данные измерений (б) для определения потенциалов ионизации и возбуждения газов методом электронной спектроскопии.
Ui - потенциал ионизации гелия (≈25 в); U`>в> - минимальный потенциал возбуждения гелия (≈20 в);
1 - впуск газа; 2 - пространство соударений р = - 10-3 мм рт. ст.; 3 - электронный луч; 4 - к насосу; 5 - диафрагма со щелью; 6 - ионизация; 7 - возбуждение.
Отклоняющее напряжение
Для гелия (имеющего 2 электрона в первой двухэлектронной К-оболочке) потенциал ионизации равен U>i> = 24,5 в; для водорода (имеющего один электрон в K-оболочке, обладающий прочной связью с ядром, благодаря близкому расположению от ядра) U>i> = 13,5 в; для бария (имеющего два электрона в первой оболочке, 8 электронов во второй, по 18 электронов в третьей и четвертой и по 8 электронов в пятой и шестой оболочках) U>i> = 5,2 в.
Эти данные относятся к однократному (простому) процессу ионизации, т. е. к процессу испускания одного, наиболее слабосвязанного (первого) электрона внешней оболочки. Этот же электрон при возбуждении атома первым переходит на более высокий энергетический уровень; при возвращении его (обратном переходе) на прежнюю орбиту происходит излучение света. Поэтому его называют иначе «оптическим» электроном.
3. Схема энергетических уровней
Схема возможных энергетических состояний атома газа. Возможные энергетические состояния электронной оболочки атома можно изобразить с помощью достаточно простой диаграммы; при этом по оси ординат откладывается энергия электрона, а сферические электронные оболочки изображаются прямыми линиями.
На рис. 4 показано образование схемы уровней с отдельными энергетическими состояниями электронов.
В качестве нулевого уровня целесообразно выбрать внешнюю электронную оболочку, т. е. энергетическое состояние оптического электрона невозбужденного атома («основное состояние»). Выше от него расположены возбужденные уровни, а ниже - рентгеновские энергетические уровни (рентгеновские термы). Заштрихованная область на рис.4 представляет собой область непрерывного спектра энергии. Если оптический электрон достигнет этой энергетической области, то он становится свободным и дальнейшая передача ему энергии приводит лишь к увеличению его кинетической энергии.

Рис. 4. Схема разрешенных энергетических уровней атома газа.
1 - основной уровень «оптического» электрона (валентная оболочка); 2 - уровень вакуума; 3 - энергия излучаемого кванта света.
В схеме термов атома (например, атома ртути на рис.5) основное и ионизированное состояния, так же как разрешенные (возможные) возбужденные состояния, обозначены горизонтальными линиями. Разность энергий на схеме переходов энергетической диаграммы выражена в электрон-вольтах (левая ось ординат) или в волновых числах ω = l/λ = v/c, см-1 (правая ось ординат). Верхняя граница схемы соответствует потенциалу ионизации U>i>. Косыми линиями изображены возможные переходы между различными уровнями; при этом жирными линиями обозначены наиболее часто встречающиеся переходы, тонкими - редко встречающиеся квантовые переходы. Числа относятся к длинам волн испускаемого излучения (например, 2536 Å) при данном переходе электрона.
Схема термов атома ртути на рис.5 разделена на две части: на синглетные и триплетные термы. Если первые возникают только как отдельные (единичные) термы (например, 2S), то вторые группируются по три рядом лежащих уровня (например, 2p>1>, 2p>2>, 2p>3>). Такая мультиплетность имеет место у тех атомов, которые обладают более чем одним валентным электроном. В результате этого в таких атомах при подведении одной и той же величины энергии вероятность возбуждения нескольких валентных электронов больше, чем возбуждение одного оптического электрона. Дальнейшее расщепление термов на S-, Р-, D - и F-термы возникает в результате электростатического воздействия на оптический электрон со стороны атомнго остова.
Схема энергетических уровней атомного ядра. Не все схемы энергетических уровней строятся на основе боровской модели электронных оболочек. В ядерной физике используют также схемы энергетических уровней, как наглядный способ представления энергетического спектра радиоактивного распада определенного радиоактивного элемента. Такую схему энергетических уровней ядра можно построить, если принять, что нуклоны (протоны и нейтроны) расположены на определенных энергетических уровнях (рис. 6).
При α-, β - или γ-распаде «возбужденное» ядро переходит на более низкий энергетический уровень или на основной уровень ядра, который соответствует последнему элементу данного радиоактивного ряда. Например, при распаде RаС большая часть экспериментально найденных энергетических уровней вызваны γ-излучением, а некоторые из них обусловлены испусканием β - и α-частиц (рис.6).

Рис. 5. Схема уровней и линейчатый спектр атомов ртути.

Рис.6. Схема уровней для распада RаС RаС'.
Литература
Достанко А.П. Технология интегральных схем.-Мн: Вышэйшая школа, 2002 - - 206 с.
Гурский Л.И., Степанец В.Я. Проектирование микросхем.-Мн.: Навука i тэхнiка, 2001 - - 295 с.
Гурский Л.И., Зеленин В.А., Жебин А.П., Вахрин Г.Л. Структура, топология и свойства пленочных резисторов.-Мн.: Навука i тэхнiка, 2007 - - 250 с.