Гармонические колебания в параллельном контуре
Академия России
Кафедра Физики
Лекция: «Гармонические колебания в параллельном контуре»
Орел-2009
1. Основные параметры колебательного контура
Пусть конденсатор С, заряженный от внешнего источника, подключается к индуктивности L (рис. 1а)
а)
б)
Разряд конденсатора не может произойти мгновенно, т.к. этому препятствует ЭДС самоиндукции, возникающая в элементе индуктивности.
В идеальном контуре, активное сопротивление которого равно нулю, и, следовательно, отсутствуют потери, запасенная в электрическом поле энергия полностью переходит в энергию магнитного поля индуктивности.
Затем происходит
обратный переход энергии. Далее процессы
повторяются. Таким образом, возникают
незатухающие электрические колебания,
имеющие форму косинусоиды. Графики
>
>и
представлены на рисунке 1,
б.
Частота, с
которой происходит колебания энергии
между реактивными элементами при
отключении источника, называется
частотой свободных (собственных)
незатухающих колебаний контура.
Обозначение:
или
>.>
Т.к. в идеальном контуре величины напряжений на L и C одинаковы, то
,
,
или
,
.
В режиме свободных колебаний через элементы контура протекает ток. Сопротивление, которое оказывают элементы контура току на частоте собственных колебаний, называется волновым (характеристическим).
Это сопротивление
обозначается
и определяется следующим образом:
,
или
.
Т.к.
,
то
(Ом).
Из последнего
выражения следует, что на частоте
собственных колебаний
волновое
сопротивление равно одному из реактивных
сопротивлений (рис. 2).

Рис. 2
На практике реальный КК всегда имеет потери активное сопротивление не равно 0, что приводит к затухающему характеру свободных колебаний (рис. 3).
Р
ис.
3
Для характеристики последнего свойства вводится понятие добротность контура (качество контура).
Добротность
является энергетическим параметром и
показывает во сколько раз реактивная
мощность (за счет которой и происходят
свободные колебания) больше активной:

Отметим, что данное определение относится не только к колебательным контурам, но и к отдельным деталям, например, к катушкам индуктивности, к конденсаторам.
Чем больше реактивная мощность, тем выше добротность и тем медленнее происходит затухание колебаний и наоборот.
Добротность КК, применяемых в технике связи, обычно составляет десятки-сотни, а в технике СВЧ и специальных устройствах добротность может достигать тысячи и больше.
Принято считать, что если:
– KK
низкой добротности,
–
КК средней
добротности,
– КК высокой
добротности.
Практически реализовать LC контур с добротностью свыше 400 трудно из-за низкой добротности катушек индуктивности (именно они и определяют качество контура).
Вывод:
Рассмотренные параметры
,
и
для колебательных контуров являются
одним из основных, т.к. они зависят от
первичных параметров, и их
называют вторичными
параметрами контура.


Рис. 4
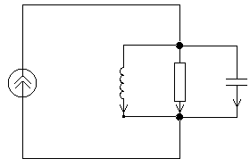
2. Возможные режимы установившихся гармонических колебаний в параллельном колебательном контуре
Параллельным колебательным контуром называют цепь, составленную из элементов индуктивности, емкости и сопротивления, соединенных параллельно. Схема контура показана на рисунке 4.
Найдем комплексную проводимость контура:
,
где:
– активная
составляющая проводимости,
– реактивная составляющая
проводимости.
Из формулы
следует, что в зависимости от соотношения
и
в параллельном
контуре возможны 3 режима:
1)
,
т.е.
и
.
Построим для этого случая векторную диаграмму, положив начальную фазу напряжения на контуре, равной 0 (рис. 5)

Рис. 5
Как видно из векторной
диаграммы, ток в контуре опережает
напряжение на некоторый угол
,
что является признаком емкостного
режима.
Вывод:
При
в параллельном контуре устанавливается
емкостной
режим колебаний
и ток в контуре опережает напряжение.
2)
т.е.
и
.
Построив
аналогичным образом векторную диаграмму
(рис. 6), убедимся в том, что ток в контуре
будет теперь отставать от напряжения
на некоторый угол
,
что является признаком индуктивного
режима.

Рис. 6
Вывод:
При
в параллельном контуре устанавливается
индуктивный
режим колебаний,
и ток в контуре отстает от напряжения.
3)
т.е.
и
.
Проводимость контура в этом случае равна активной проводимости G. Контур имеет активный характер, т.е. ток совпадает по фазе с напряжением на контуре и численно равен току через проводимость (рис. 7).

Рис. 7
Такой режим называется резонансом токов и имеет важное практическое значение.
Проведенный
анализ показывает, что режим колебаний
в параллельном контуре определяется
соотношением реактивных проводимостей
и
.
Любой из рассмотренных режимов может быть получен несколькими способами: изменением частоты генератора, индуктивности и емкости.
Вывод: Значения режимов ГК в контуре позволяет качественно анализировать процессы, проходящие в контурах, произведя соответствующие инженерные расчёты.
3. Резонанс токов
1) Резонансная частота
Выше показано, что резонанс токов наступает на частоте, при которой:
откуда
.
Т.е. резонансная
частота равна частоте собственных
колебаний контура. Изменение
достигается изменением L
или C
(чаще).
2) Волновое сопротивление контура
На резонансной
частоте,
откуда
(Ом),
т.е. волновое сопротивление контура
равно сопротивлению одного из реактивных
элементов.
Обычно волновое
сопротивление ПК, используемых в
электрических цепях, имеет порядок
несколько сотен Ом (100
500).
3) Добротность контура
По определению
,
где,
следовательно
.
Т.к. на
резонансной частоте численные значения
проводимостей
и
одинаковые, то добротность можно
вычислить по следующей формуле:
,
т.о.
.
4) Резонансное сопротивление контура, токи в ветвях при резонансе
т.к. при резонансе
,
то
и
,
т.е. сопротивление контура при резонансе
чисто активно и наибольшее по величине.
Действительно, полное сопротивление контура равно:
при
,
и
.
Определим соотношение между током источника и током через реактивный элемент:
,
т.е.
.
Аналогично
можно показать, что
.
Вывод: При резонансе токи в ветвях параллельного КК максимальны и в Q раз больше тока источника. Этим и объясняется название режима – резонанс токов.
При резонансной
частоте задающий ток
источника
замыкается через элемент проводимости
контура. Токи же в реактивных элементах
контура взаимно компенсируют друг друга
относительно внешней цепи контура, или,
аналогично, что при резонансной частоте
круговой ток замыкается через реактивные
элементы контура. При этом
,
а
наибольшее по величине. При резонансе
напряжение на контуре максимально (
).
Именно по этому признаку параллельный
КК настраивается на резонансную частоту.
4. Комплексные передаточные функции параллельного контура
Выражения для частотных характеристик параллельно колебательного контура относительно напряжения, можно получить из следующей комплексной передаточной функции:
.
Преобразуем
знаменатель
:
т.о.
.
Здесь
частотно-зависимым является множитель
называемый относительной
расстройкой.
Произведение
называют обобщенной
расстройкой контура.
C
учетом этого:
.
Из выражения
получаем
АЧХ:
,
и ФЧХ:
.
АЧХ называют
резонансной
характеристикой
параллельно колебательного контура.
Максимальное значение эта характеристика
имеет при резонансной частоте (
),
.
Резонансную характеристику контура принято нормировать относительно ее максимального значения. Нормированная резонансная характеристика: т.е. отношение амплитуду напряжения при заданной частоте к амплитуде напряжения при резонансе:
.
Нормированная резонансная характеристика есть не что иное, как АЧХ контура относительно тока в элементе активного сопротивления.
.
Найдем приближенное выражение для частотных характеристик колебательного контура со схемой замещения, показанной на рисунке 8.
Она отличается от схемы замещения параллельного колебательного контура тем, что в ней потери в индуктивности реального контура учитываются сопротивлением, включенным последовательно с индуктивностью. Для рассматриваемого контура:
.
В области
частот, в которой
реактивная
составляющая сопротивления катушки
индуктивности немного превышает по
величине активную составляющую
её
сопротивления, можно пренебречь слагаемым
в числителе
последнего выражения.
Тогда приближенно:
.

Рис. 9
Полученная приближенная формула не отличается от строгой формулы для комплексной передаточной функции параллельного контура с теми же значениями индуктивности L и емкости С и c активной проводимостью:

.
Заключение
Рассмотренные режимы установившихся гармонических колебаний в параллельном колебательном контуре позволяют дать физическое объяснение АЧХ и ФЧХ. Частотные характеристики параллельного колебательного контура остаются приближенно верными также и для иных схем замещения реальных колебательных контуров, если интересоваться поведением характеристик в сравнительно узкой полосе частот.
Литература, используемая для подготовки к лекции: Белецкий А.Ф. Теория линейных электрических цепей. – М.: Радио и связь, 1986. (Учебник); Бакалов В.П. и др. Теория электрических цепей. – М.: Радио и связь, 1998. (Учебник); Качанов Н.С. и др. Линейные радиотехнические устройства. М.: Воениздат, 1974. (Учебник); В.П. Попов Основы теории цепей – М.: Высшая школа, 2000.(Учебник)