Гістерезис феромагнетиків
Реферат
"ДОСЛІДЖЕННЯ ПЕТЛІ ГІСТЕРЕЗИСУ ФЕРОМАГНЕТИКІВ"
Зміст
Вступ
1. Криві гістерезису. Залежність магнітної індукції від напруженості магнітного поля
2. Сучасна теорія феромагнетиків. Домени
3. Процеси намагнічування феромагнетика
4. Дослідження кривих гістерезису феромагнетика за допомогою осцилографа
Висновки
Список використаної літератури
Вступ
Гістерезис – властивість систем (зазвичай фізичних), які не відразу слідують за прикладеним силам. Реакція цих систем залежить від сил, що діяли раніше, тобто системи залежать від власної історії.
Феромагнетиками називають речовини, які володіють великою магнітною проникністю. У пара- і діамагнетиків магнітна проникність відрізняється від одиниці на величину порядку 10-5 –10-6. У феромагнетиків проникність істотно більша одиниці: у звичайних сталей складає трохи більше ста, а у рекордних сплавів перевершує 106.
До феромагнетиків належать залізо, нікель, кобальт, гадоліний, їхні численні сплави і їх сплави з іншими металами. Феромагнітними властивостями володіють деякі сплави елементів, що порізно не є феромагнітними (наприклад, сплав міді і марганцю), і ряд неметалічних речовин (феррити).
1. Криві гістерезису. Залежність магнітної індукції від напруженості магнітного поля
Магнітна індукція В і напруженість магнітного поля Н у феромагнетиків неоднозначно зв'язані один з одним: індукція В залежить не тільки від напруженості магнітного поля Н, але і від «історії» зразка. Зв'язок між магнітною індукцією і напруженістю магнітного поля типового феромагнетика «ілюструє мал. 1». Якщо прикладати магнітне поле до розмагніченого зразка (центральна частина малюнка), то його намагнічування відповідає кривій OD'DE, що виходить з початку координат. Цю криву називають основною кривою намагнічування. Індукція В в зразку складається з індукції, зв'язаної з зовнішнім намагнічуючим полем, і індукції, створюваної самим намагніченим зразком. У системі СІ відповідна формула має вигляд
B=>0>(H+J) (1)
де J – намагніченість – магнітний момент одиничного об’єму зразка, а >0> – магнітна постійна. Крива намагнічування ОD'DЕ, що зображує залежність B(H), практично збігається з залежністю J(H), оскільки другий член у виразі (1) – у звичайному діапазоні зміни полів – істотно перевершує перший.
У точці Е намагніченість J досягає насичення, і подальше повільне збільшення індукції відбувається, в основному, внаслідок росту H. При невеликих H магнітна проникність – (нахил кривої ОD'DЕ) зростає, досягає максимуму і потім зменшується (насичення), поступово наближаючись до одиниці при дуже великих полях, коли перший член у виразі (1) стає більшим другого. У металічних феромагнетиків насичення настає в діапазоні 1,5–2,5 Тл.

Рис. 1. Криві гистерезиса. Центр малюнка – граничний цикл гистерезиса, у лівому верхньому і правому нижньому куті – частиинні цикли (незамкнутий і замкнутий).
Намагнітимо зразок до насичення – до точки Е. При зменшенні напруженості магнітного поля H стан зразка характеризуються точками, що лежать на кривій ЕDF, і при нульовому полі зразок має ненульову індукцію В>r>, (залишкова індукція). Величина залишкової індукції сильно залежить від складу і термообробки феромагнетика. У магнітножорстких зразках, з яких виготовляють постійні магніти, В>r>, може мало відрізнятися від індукції насичення.
Щоб привести до нуля магнітну індукцію В в зразку, тобто перевести його в точку G, необхідно прикласти «зворотне» магнітне поле. Величина цього поля H>c>, називається, коерцитивною силою. У магнітно-твердих зразків H>c> перевершує – 103 А/м, а магнітно-м'які матеріали володіють невеликою коерцитивною силою.
Замкнута крива EDFGBABCDE яка виникає при циклічному перемагнічуванні. зразка, називається граничною, петлею гистерезиса. Площа петлі гистерезиса виражає роботу, виконану зовнішнім полем при перемагнічуванні одиниці об'єму зразка. Ця робота цілком переходить у теплоту, так що при перемагнічуванні зразок нагрівається.
Якщо помістити зразок у невелике змінне магнітне поле, не здатне довести його до насичення, то крива, що характеризує зміну В в залежності від Н, має складний вигляд і, в загальному випадку, не є замкнутою (крива КLМ у верхньому лівому куті мал. 1). Вона є однієї з незліченних частинних петель або частинних циклів гистерезиса. При тривалому перемагнічуванні, полем з постійною частотою й амплітудою, ці криві поступово набувають замкнуту форму, наприклад, форму кривої В'D’ (правий нижній кут малюнка). Такі криві також називаються частинною петлею гістерезиса. Граничний цикл виходить з частинного при досить великій амплітуді напруженості магнітного поля.
Форма кривих, які зображають як частинні цикли так і граничний цикл, залежить від частоти. Їхня форма визначається не тільки магнітними властивостями речовини, але і величиною струмів Фуко, що швидко ростуть з частотою. Зі збільшенням частоти криві гистерезиса розширюються відповідно до збільшення втрат. «Динамічна петля» гистерезиса (петля при 0) завжди ширша «статичної» (петлі, знятої при повільній зміні поля Н).
Уточнимо поняття магнітної проникності феромагнетиків. Магнітною проникністю називають або відношення В/>0>Н, або відношення ΔВ/>0>ΔН; у першому випадку говорять про статичну, а в другому – про динамічну магнітну проникність речовини
>с> = (1/>0>) (В/Н), >д> = (1/>0>) (dB/dH)
>0> – магнітна постійна, рівна в системі СІ 4π 10-7 Гн/м. У системі СГС >0>=1.
Як уже відзначалося, магнітна проникність феромагнетиків залежить від поля. Початковою магнітною проникністю називається величина , вимірювана при невеликих значеннях Н.
2. Сучасна теорія феромагнетиків. Домени
Сучасна теорія феромагнетиків спирається на такі основні дослідні факти. По-перше, в деяких феромагнетиках можна змінювати намагніченість від початкового нульового значення до величезного значення насичення під дією незначного намагнічуючого поля. Ця обставина характерна для феромагнетиків і різко відрізняє їх від парамагнетиків. Укажемо для порівняння, що нормальна парамагнітна сіль, наприклад FeSO>4>, при кімнатній температурі під дією поля в 10 А/м збільшує свою намагніченість у сотні мільйонів разів менше, ніж деякі магнітно-м'які феромагнітні сплави.
Друга особливість стосується магнітного моменту атомів феромагнітних речовин. Прямі досліди показують (досліди Штерна і Герлаха), що магнітні моменти атомів феромагнітних речовин мають той же порядок величини, що й атоми парамагнетиків, і вимірюються декількоми магнетонами Бора >в>. Звідси випливає, що феромагнетизм не можна пояснити за допомогою теорії, подібної теорії парамагнетизму, і що феромагнітні властивості не обумовлені наявністю магнітного моменту атома в цілому.
Третій важливий дослідний факт зв'язаний з величиною гіромагнітного відношення Г. В феромагнетиках вона виявляється приблизно у два рази більшою, ніж очікуване теоретично значення для електронних орбіт, і відповідає відношенню власних магнітного і механічного моментів електрона. Ця обставина вказує на те, що намагнічування феромагнетиків обумовлюється дуже сильною оріентацією власних магнітних моментів електронів (електронних спінів), а не магнітними моментами атомів у цілому.
Відповідно до сучасних представлень, надійно обґрунтованих на досліді, сутність феромагнетизму полягає в тому, що сильне орієнтування елементарних магнітних моментів виникає у феромагнетиках незалежно від зовнішнього магнітного поля, так що феромагнетик намагнічений до насичення, що відповідає даній температурі, вже без усякого поля (рис. 2а). Наявність такого самовільного, або спонтанного, намагнічування є найбільш характерною властивістю феромагнетиків.

Рис. 2. Схематичні зображення розташування електронних спінів при самовільному намагнічуванні (низька температура) (а) і напрямку намагніченості в окремих доменах (б)
Зазначені уявлення були висловлені в роботах Б.Л. Розинга ще в 1892 р. Однак вони не одержали в той час належного розвитку і були висунуті знову в 1907 р. Вейссом. Так як дослід показує, що феромагнетики при відсутності зовнішнього поля можуть бути і не намагнічені, то для пояснення цього удаваного протиріччя Вейсс висунув другу основну гіпотезу, відповідно до якої феромагнетик розбивається на велике число малих (але макроскопічних) областей, або доменів. Кожна з цих областей при температурах нижче температури Кюрі намагнічена досить сильно, але напрямки намагнічування в окремих доменах різні, а саме такі, що повний магнітний момент феромагнетика дорівнює нулю (рис. 2б).
Питання про фізичну причину самовільного намагнічування був принципово пояснений у 1928 р. Я. І. Френкелем і потім Гейзенбергом, які показали, що сильне орієнтування електронних спінів викликається силами обмінної взаємодії. Наявність цього нового класу сил, непоясненого в класичній фізиці, було з'ясовано лише з розвитком квантової фізики атома.
Існування доменів у феромагнетиках у даний час доведено різними дослідами. Найбільш прямий метод полягає в одержанні так званих порошкових фігур. Якщо на добре відполіровану поверхню феромагнетика помістити шар рідини, у якій змулені дрібні крупинки феромагнітного порошку (наприклад, Fe>2>O>3>), то ці крупинки будуть осідати переважно на ті місця, поблизу яких магнітне поле неоднорідне. Але саме поблизу границь доменів і виникають неоднорідності поля, і тому крупинки порошка обрисують границі областей самодовільного намагнічування. На рис. 3 приведені фотографії порошкових фігур, видимих у мікроскоп при невеликому. збільшенні. Особливо слід зазначити, що домени дійсно спостерігаються і під час відсутності зовнішнього магнітного поля. Порошкові фігури були використані в численних дослідженнях феромагнетиків і дозволили визначити розміри, форму і розташування доменів, а також зміни доменів у зовнішньому магнітному полі.

Рис. 3. Домени в деформованій кремнистій сталі (збільшення 80): а) безполя; б) магнітне поле перпендикулярне до площини рисунка; в) магнітне поле тієї ж напруженості, але протилежного напрямку.
Розглянемо докладніше, чому у феромагнетиках виникають численні домени. Будемо вважати для простоти, що феромагнетик досить анізотропний і що його вісь легкого намагнічування перпендикулярна до поверхні зразка.

Рис. 4. До пояснення виникнення доменів
На рис. 4а зображений феромагнетик, що складається з одного домена. У цьому випадку в зовнішньому просторі виникає магнітне поле, що містить в собі певну енергію. На рис. 4б зображені два домени з протилежним напрямком намагніченості. Зовнішнє магнітне поле тут зменшується зі збільшенням відстані швидше, ніж у випадку а, і енергія, що міститься в полі, виявляється меншою. У випадку, показаному на рис. 4в, магнітне поле практично існує тільки в безпосередній близькості від поверхні магнетика й енергія поля ще менша. Накінець, на рис. 4г зображений випадок, коли в зовнішньому просторі магнітного поля зовсім немає. Тут існують «замикаючі» домени у формі тригранних призм, бічні поверхні яких складають кут 45° з вектором намагніченості. У наслідок цього магнітний потік проходить винятково всередині феромагнетика, він замикається граничними доменами, чим і обумовлена їхня назва – замикаючі домены. Стан г енергетично більш вигідний, ніж попередні стани, і тому феромагнетик, що знаходиться, наприклад, у стані а, буде прагнути перейти в стан г. Нарешті, на мал. 4д показана ціла сукупність доменів разом із замикаючими їх доменами, де також немає зовнішнього поля. Подібна форма доменів дійсно спостерігається на досліді. Таким чином, розбивка феромагнетика на домени відбувається тому, що при утворенні доменних структур енергія феромагнетика зменшується (Л.Д. Ландау й Е.М. Лифшиц).
Вище ми розглядали феромагнетик у відсутністі зовнішнього магнітного поля і враховували тільки його власну магнітну енергію. Якщо врахувати ще й інші джерела енергії, наприклад, механічні напруги або зовнішнє магнітне поле, то форма доменів визначалася б повною енергією системи. Тому при наявності механічних напруг і зовнішнього поля доменна структура змінюється.
При виникненні самовільного намагнічення (орієнтування електронних спінів) магнетик деформується. Якщо при температурі більш високій, ніж температура Кюрі, вирізати з монокристалла феромагнетика кулю, то при охолодженні нижче температури Кюрі куля перетвориться в еліпсоїд. Форма і розміри доменов змінюються і при перемагнічуванні. Тому феромагнетик, у цілому не намагнічений, а при намагнічуванні деформується.
Явище деформації при намагнічуванні було відкрито в середині минулого сторіччя Джоулем і одержало назву магнітострикції. Деформації, які виникають при цьому досить малі: відносні видовженні зразка l/l у полях порядку 105 А/м звичайно мають порядок
10-5 – 10-6. Магнітострикцію використовують, подібно зворотному п'єзоелектричному ефекту для пристроїв потужних випромінювачів ультразвукових хвиль і для інших цілей.
Сили обмінної взаємодії викликають у феромагнетиках паралельну орієнтацію електронних спінів. Однак обмінні сили залежать від структури тіла, і тому характер оріентації спінів може бути різний. Виявляється, що існують речовини, у яких також виникає сильна орієнтація електронних спінів, але, на відміну від феромагнетиків, електронні спіни орієнтовані в них попарно антипаралельно. У найпростішому випадку електронні спіни утворять як би дві просторові підрешітки, вставлені одна в одну і намагнічені в протилежних напрямках (рис. 5).
Речовини, у яких намагніченість обох подрешіток одинакова по модулю, одержали назву антиферомагнетиків. Їхнє існування було передбачено теоретично Л.Д. Ландау в 1933 р. Антиферомагнетиками є деякі з'єднання марганцю (MnO, MnS), хрому (NiCr, Сг>2>О>3>), ванадію (VО>2>) і ін. Подібні речовини при низьких температурах мають мізерно малу магнітну сприйнятливість.

Рис. 5. Характер намагнічування в антиферомагнетиках (а) і феритах (б) (схематично).
При підвищенні температури строго попарна антипаралельність електронних спінів порушується і магнітна сприйнятливість збільшується. При деякій температурі (антиферомагнітна температура Кюри або температура Нееля) області самодовільної оріентації електронних спінів руйнуються й антиферомагнетик перетворюється в парамагнетик. При подальшому підвищенні температури магнітна сприйнятливість, як у всякого парамагнетика, зменшується, а отже, при антиферомагнітній температурі Кюрі магнітна сприятливість має максимум. Якщо намагніченість обох підрешіток неоднакова по модулю, то з'являється незкомпенсований антиферомагнетизм і речовина може мати значний магнітний момент. Такий характер намагнічування має місце у ферритах
3. Процеси намагнічування феромагнетика
Однієї з основних задач теорії феромагнетизму є пояснення технічної кривої намагнічування, тобто залежності намагніченості від напруженості магнітного поля. У результаті численних досліджень була встановлена така загальна картина процесу намагнічування феромагнетиків. При відсутності зовнішнього поля феромагнетик розбивається на домени таким чином, що його результуючий магнітний момент близький до нуля. Це схематично показано на рис. 6а, де зображені чотири домена однакові по об’єму, намагнічені до насичення з магнітним моментом J>s>/4, рівним чверті повного моменту усього магнетика в стані насичення. При включенні зовнішнього поля енергії окремих доменов стають неодинаковими: енергія менша для тих доменов, у яких вектор намагніченості утворить з напрямком поля гострий кут, і більше в тому випадку, якщо цей кут тупий. Тому виникає процес зсуву границь доменів, при якому об’єм доменів з меншої енергією зростає, а з більшою енергією зменшується (рис. 66). У дуже слабких полях ці зсуви границь оборотні і встигають за зміною поля. Початкова сприйнятливість феромагнетиков і область l кривої намагнічування (рис. 6, е) обумовлені процесами оборотного зсуву границь.

Рис. 6. Різні типи процесів намагнічування феромагнетика (схематично); а – б) зсув границь, г) обертання вектора намагніченості, д) область насичення
При збільшенні поля зсуви границь доменів стають необоротними. При достатній величині намагнічуючого поля, енергетично невигідні домены зникають зовсім (рис. 6в). Цьому відповідає область 2 кривої намагнічування (рис. 6е).
Якщо поле збільшується ще більше, то виникає новий тип процесу намагнічування, при якому змінюється напрямок магнітного моменту усередині домена (обертання вектора намагніченості, рис. 6г; цьому відповідає область 3 на рис. 6е).
Нарешті, у дуже сильному полі магнітні моменти всіх доменів установлюються паралельно полю. У цьому стані феромагнетик має найбільший, можливий при даній температурі магнітний момент, тобто намагнічений до насичення (рис. 6д).
Зазначені процеси намагнічування (за винятком зсуву границь у слабких полях) відбуваються з деякою затримкою, тобто зсув границь і поворот вектора намагніченості відстають від зміни поля, що приводить до появи гістерезиса.
Гістерезис може виникнути і з іншої причини. Ми говорили вище, що при наявності поля внаслідок зсуву границь доменів відбувається збільшення об’єму (тих доменів), що має меншу енергію. Однак може виявитися, що дана фаза при даному стані феромагнетика або даному напрямку поля не існує, і тому повинні виникнути і вирости малі області цієї фази або зародки перемагнічування. Такі зародки виникають не точно при тому значенні поля, при якому існування цієї фази робиться енергетично вигідним, а відбувається затримка росту зародків перемагнічування, що також приводить до появи гістерезиса. Це явище подібне перенасченню пари і переохолодженню рідини, тобто існуванню нестабільних фаз унаслідок затримки росту зародків стійкої фази. Якщо феромагнетик має мілкокристаллическую структуру, так що окремі його кристалики складаються усього з одного домена, то можливе одержання особливо великої коерцитивної сили.
Таким чином природа феромагнетизму цілком ясна. У феромагнітних речовин існують неспарені (відповідальні за феромагнетизм) електрони, спіни яких у порівняно великих областях орієнтуються в одному напрямку. Кожна з таких областей, або, як їх звичайно називають, доменів, намагнічена до насичення. Різні стани намагніченості усього зразка відрізняються взаємною орієнтацією векторів намагніченості окремих доменів: у розмагніченій речовині вони розташовані хаотично, а в. намагніченому спрямовані в одну сторону.
4. Дослідження кривих гістерезису феромагнетика за допомогою осцилографа
Вимірювання магнітної індукції в зразках
Магнітну індукцію зручно визначати за допомогою е.р.с., яка виникає при зміні магнітного потоку Ф в котушці, що охоплює зразок:
Е = – dФ/dt. (2)
Нехай котушка щільно охоплює зразок і індукція В в зразку однорідна. У цьому випадку
Ф = SNB, (3)
де N – число витків у вимірювальній котушці, S – площа витка. Підставляючи (3) у вихідну формулу (2), після інтегрування знайдемо
B = – 1/SN Е dt. (4)
Таким чином, для визначення В потрібно проінтегрувати сигнал, наведений змінним магнітним полем у вимірювальній котушці, намотаній на зразок.
Для інтегрування сигналу застосовують різного роду інтегруючі схеми. Найпростіша з них складається із з'єднаних послідовно резистора та конденсатора (мал. 7) і виконує своє призначення, якщо вихідний сигнал набагато менший вхідного:
U>вих> U>вх >(5)
Справді, при виконанні цієї умови I U>вх> / R, а
U>вих> = q/C = 1/C I dt 1/RC U>вх> dt. (6)
Ми бачимо, що вихідний сигнал RC-ланцюжка дійсно пропорційний, інтегралу від вхідного. Цей висновок тим ближче до істини, чим більше постійна часу τ=RC перевершує характерний час процессу – його період.

Рис. 7. Найпростіша схема інтегратора.
Дослідження петлі гістерезиса феромагнітного зразка
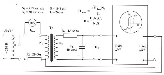
Схема вимірювальної установки показана на рис. 8. Досліджуваний зразок магнетика представляє собою замкнутий кільцевий сердечник (тороїд), складений із тонких пластин трансформаторної сталі. На сердечник намотані намагнічувальна та вимірювальна обмотки з числом витків N>1> та N>2>, відповідно. Напруга з мережі 50 Гц за допомогою автотрансформатора подається на намагнічувальну обмотку N>1>. Вимірювальна обмотка N>2> приєднана до інтегруючого RC – ланцюжка. Через обмотку N>1>, від джерела напруги пропускається змінний струм, величина якого вимірюється міліамперметром. Послідовно з міліамперметром підключений резистор R>1>. На ньому виникає сигнал напруги, пропорційний струму в обмотці і, отже, напруженості H магнітного поля в зразку. Цей сигнал подається на вхід «X» осцилографа. Сигнал U>y> з інтегруючої ємності C пропорційний величині вектора В і подається на вхід «У». Картина на екрані осцилографа в деякому масштабі відтворює петлю гистерезису: досліджуваного зразка. Щоб надати цій кривій кількісний зміст, необхідно установити масштаб зображення, тобто провести калібрування горизонтального і вертикального каналів осциллографа. Максимальний розхил по осі «Х» електронного променя на екрані відповідає подвоєному амплітудному значенню струму у намагнічувальній обмотці, а отже, і максимальному значенню напруженості магнітного поля. Його значення обчислюється за формулою
H>макс>=1,4 І>еф>N>1>/L, (7)
де L – довжина досліджуваного тороїдального сердечника (осердя) по середній лінії.

Рис. 8. Схема установки для дослідження намагнічування тороїдалних зразків.
У вимірювальній котушці індукується е.р.с.
Е = U>c>= N>2>SdB/dt, (8)
де S – площа поперечного перерізу сердечника. Ця електрорушійна сила викликає у вимірювальній котушці струм І>2> = Е/R>2> (якщо знехтувати індуктивним опором котушки та ємнісним опором конденсатора С>1>, які набагато менші R>2>). Струм І>2> створює на конденсаторі напругу
U>C> = q/C>1> = 1/C>1> I>2> dt 1/RC U>c> dt. (9)
яка подається на «Y» вхід осцилографа. Таким чином, враховуючи (8)
U>y> = – N>2>SB/R>2>C>1>. (10)
Звідси
B=U>y>C>1>R>2>/N>2>S. (11)
Значення U>y> вимірюється каліброваним входом осцилографа.
Висновки
В даному рефераті розглянуто:
– явище феромагнітного гістерезису та причини його виникнення;
– доменну структуру феромагнетиків та те як вона вплває на форму петлі гістерезису;
– деякі способи дослідження кривих гістерезису феромагнетика.
Список використаної літератури
В.А. Костицын, «Опыт математической теории гистерезиса», Матем. сб., 32:1 (1924), 192–202
М.А. Красносельский, А.В. Покровский. Системы с гистерезисом М., Наука, 1983. 271 стр.
R.V. Lapshin (1995). «Analytical model for the approximation of hysteresis loop and its application to the scanning tunneling microscope» (PDF). Review of Scientific Instruments 66 (9): 4718–4730. DOI:10.1063/1.1145314. ISSN 0034–6748
4) К.В. Шалимова, Физика полупроводников, «Энергия», М., 1976. ст. 11–24, 29–42, 54–60.
5) П.С. Киреев, Физика полупроводников, «Высшая школа», М., 1975, ст 37–48, 58–62, 72–76, 85–89, 100–101.
6) В.Ф. Лысов, Практикум по физике полупроводников, «Просвещение», М., 1976, ст. 5–34.