Давачі наближення
Міністерство освіти і науки України
Вінницький національний технічний університет
Інститут автоматики, електроніки та комп’ютерних систем управління
Факультет АКСУ
Кафедра АІВТ
Датчики наближення
Курсова робота
з дисципліни
"Мікропроцесорна техніка"
Перевірив : к.т.н. Кучерук В.Ю.
Виконав: ст. гр. 1АВ-06 Кіт О.О.
Вінниця 2009
ЗМІСТ
ВСТУП
Класифікація давачів наближення
2. Методи виявлення об’єктів фотоелектричними давачами наближення
2.1 Метод перетину променя
2.2 Метод відбиття від рефлектора
2.3 Метод відбиття від об’єкта
2.3 Метод фіксованого відбиття від об’єкта
3. Конструктивні особливості реальних фотоелектричних давачів наближення
4. Основні принципи побудови інфрачервоного давача наближення
5. Розробка методики розрахунку давача наближення
ВИСНОВКИ
ПЕРЕЛІК ПОСИЛАНЬ
Додатки
Додаток Б Давач наближення. Перелік елементів
Додаток В Приклад розрахунку давача наближення
Додаток Г Алгоритм розрахунку давача наближення
Додаток Д Лістинг програми розрахунку давача наближення
Додаток Е Результати роботи програми розрахунку давача наближення
ВСТУП
Давачі наближення знайшли широке застосування в різних галузях науки і техніки. Їх розповсюдженість обумовлена високою надійністю і стійкістю до жорстких умов експлуатації.
Давач — первинний вимірювальний перетворювач величини, що вимірюється і контролюється, у вихідний сигнал для дистанційної передачі та використання в системах керування [1].
Давач являє собою електронний пристрій, що реагує на наближення до чутливої поверхні датчика певних предметів, в залежності від принципа дії давача, критерії до об’єкта визначення можуть мінятися. Так, наприклад, для ємнісних давачів наближення головним параметром являється діелектрична проникність об’єкта, якщо вона відмінна від одиниці, то наближення об’єкту до сенсору викличе відповідну реакцію. Для інфрачервоних давачів головним є кількість світла, що відбивається від об’єкта. Так наприклад людина у білому одязі буде розпізнана швидше ніж у чорному.
Крім того, кожен тип давача має свої типові схеми ввімкнення, кожна із яких використовується при рішенні певного кола задач. Більш детальну класифікацію типів давачів і схем їх ввімкнення розглянемо в першому і другому розділах курсової роботи.
1. Класифікація давачів наближення
Класифікація давачів наближення по методу спрацювання, і за структурою наведена в таблиці 1 [2].
Таблиця 1 Класифікація датчиків наближення
|
Тип давача |
Опис |
|
Інфрачервоні активні |
Являє собою оптичну систему з ІЧ-випромінювача й ІЧ-приймача, що дозволяє сформувати невидимий оком рубіж охорони довжиною до 100 метрів. Принцип дії активного ІЧ давача заснований на формуванні випромінювачем імпульсного ІЧ випромінювання, що вловлюється приймачем. У момент перетинання охоронюваного рубежу ІЧ випромінювання перестає попадати на приймач, і давач формує сигнал тривоги. Такі давачі бувають як однопроменевими так і багатопроменевими. При кількості променів більше двох зменшується можливість появи помилкового спрацьовування, тому що формування сигналу тривоги відбувається тільки при одночасному перетинанні всіх променів. |
|
Радіохвильові об'ємні |
Призначені для виявлення проникнення в приміщення й допускають маскування матеріалами, що пропускають радіохвилі (тканини, деревні плити). Електромагнітне поле СВЧ діапазону, створюване оповіщувачем, не має шкідливого впливу на організм людини. |
|
Лінійні радіохвильові |
Забезпечують виявлення людини, що перетинає зону виявлення. Оповіщувач складається з передавального й прийомного блоку, які розміщаються на протилежних кінцях охоронюваної ділянки. Передавальний блок випромінює електромагнітні коливання в напрямку прийомного блоку. Прийомний блок приймає ці коливання, аналізує амплітудні й часові характеристики прийнятого сигналу й у випадку їхньої відповідності закладеній моделі "порушника" формує тривожне повідомлення |
|
Об'ємні ультразвукові |
Призначені для виявлення проникнення або спроби проникнення в охоронюваний об’єм, переміщення предметів в охоронюваному об’ємі. |
|
Магнітоконтактні |
Призначені для блокування дверних і віконних прорізів, а також для блокування інших конструктивних елементів будинків і споруд. Оповіщувачі складаються з магнітокерованого давача на основі геркона й задаючого елемента (магніту). Магнітоконтактні оповіщувачі відрізняються один від одного по типу установки (накладні, урізні), матеріалу з якого вони виготовлені (метал або пластик), а також величині робочого зазору, при якому оповіщувач перебуває в черговому режимі |
2. Методи виявлення об’єктів фотоелектричними давачами наближення
По методу виявлення об'єкта фотоелектричні давачі підрозділяються на 4 основні групи: перетинання променя, відбиття від рефлектора, відбиття від об'єкта, фіксоване відбиття від об'єкта. Розглянемо кожний з видів більш детально.
2.1 Метод перетину променя
У методі перетинання променя передавач і приймач розділені по різних корпусах, що дозволяє встановлювати їх навпроти один одного на робочій відстані, як показано на рисунку 1. Принцип роботи заснований на тому, що передавач постійно посилає світловий промінь, що приймає приймач. Якщо світловий сигнал давача переривається внаслідок перекриття стороннім об'єктом, приймач негайно реагує міняючи стан виходу.
Рисунок 1 – Метод перетину променя
2.2 Метод відбиття від рефлектора
У методі відбиття від рефлектора приймач і передавач давача перебувають в одному корпусі, як показано на рисунку 2. Напроти давача встановлюється рефлектор (відбивач). Світловий сигнал, що посилається передавачем, відбиваючись від рефлектора попадає в приймач давача. Якщо світловий сигнал припиняється, приймач негайно реагує міняючи стан виходу.

Рисунок 2 – Метод відбиття від рефлектора
2.3 Метод відбиття від об’єкта
У методі відбиття від об'єкта приймач і передавач давача перебувають в одному корпусі. При робочому стані давача всі об'єкти, що попадають у його робочу зону, стають своєрідними рефлекторами, дивись рисунок 3. Як тільки світловий промінь відбившись від об'єкта попадає на приймач давача, той негайно реагує міняючи стан виходу.

Рисунок 3 – Метод відбиття від об’єкту
2.4 Метод фіксованого відбиття від об’єкта
У методі фіксованого відбиття від об'єкта приймач і передавач давача перебувають в одному корпусі. Ці давачі мають два режими роботи: нормальний і "зона". Принцип дії давача при нормальному режимі такий самий як і у відбиття від об'єкта, але більш чутливий. Наприклад, можливо визначення роздутої пробки на пляшці з кефіром, неповне наповнення вакуумного впакування із продуктами й т.д. При роботі давача в режимі "зона" можна обмежити границі реагування на об'єкти в межах робочої відстані [3].
3 Конструктивні особливості реальних фотоелектричних давачів наближення
Фотодавачі можуть випромінювати світло в інфрачервоному, червоному або зеленому спектрі. Вихідний керуючий сигнал датчика працює за принципом так/ні. Завдання датчика виявити об'єкт на відстані. Ця відстань варіюється в межах 0,3мм-50м, залежно від обраного типу датчика й методу виявлення. Вихідний сигнал датчиків може бути транзисторний, тиристорним або контакт реле.
Основна частина фотоелектричних давачів виконана в прямокутних корпусах: металевих або пластикових. Давачі можуть бути вертикального виконання або горизонтального, залежно від розташування оптичної системи на корпусі давача, рисунок 4. Деякі типи давачів мають підковоподібну форму корпуса або циліндричну, котра у свою чергу ділиться на осьову й радіальну.
|
|
|
|
Рисунок 4 – Різні типи корпусів давачів: циліндричні, прямокутні, підковоподібні
В окрему групу по своїх конструктивних особливостях можна виділити типи давачів з оптоволокном. У цьому випадку електрична частина давача перебуває в доступному й безпечному місці, а приймач і передавач давача винесені безпосередньо в зону детектування. Вони передають світловий сигнал до підсилювача по оптоволоконному кабелі. У цих типах давачів також існують всі методи виявлення. Фотодавачі з оптоволокном незамінні при рішенні завдань виявлення у важкодоступних місцях і зонах з тяжкими умовами навколишнього середовища, а завдяки мініатюрності такої оптичної системи можливе виявлення об'єктів до 0,012мм у діаметрі. До того ж вихід з ладу чутливого елемента давача в тяжких умовах роботи незначно впливає на вартість відновлення давача. Один підсилювальний блок працює з безліччю оптичних кабелів, що розрізняються й по методу виявлення, й по конструктивних особливостях, так що вам не буде потрібно міняти весь давач при зміні завдання керування [4].
4. Основні принципи побудови інфрачервоного давача наближення
Розглянемо інфрачервоний давач наближення, що працює за схемою відбиття від об’єкта. Сигнал тривоги зазвучить у тому випадку, якщо в охоронюваному приміщенні буде виявлений рухомий або нерухомий об'єкт, що був відсутній в момент ввімкнення пристрою.
Такі давачі використовуються в основному для контролю ближньої зони. Це - простір біля дверей, частина коридору, сходового маршу, стіл, сейф і т.п.
В додатку А показана схема приладу, що формує короткі інфрачервоні (ІЧ) імпульси й приймаюче їхнє відбиття від об'єкта, що з'явився поблизу. Тут ВI1 - ІЧ діод, періодично порушуваний імпульсами струму, амплітуда яких I>імп>=(Uживл-3,5)/R5 може багаторазово перевищувати середнє припустиме значення. Тривалість цих імпульсів t>імп>=0,7R3C2, а період їх надходження T=1,4R2C1.
Відбитий ІЧ імпульс попадає на фотодіод BL1. Після посилення й обмеження мікросхемою DA1 він надходить на один із входів елемента DD2.1 (вивід 13). Якщо відбитий імпульс збігається з тим, що випромінюється (імпульс, що збуджує ІЧ діод, надходить на вивід 12 DD2.1), то на виході DD2.1 виникає короткий (tімп) імпульс низького рівня, що запускає одновібратор (DD2.2, DD2.3). На виході одновібратора виникає імпульс тривалістю T>зв>=0,7R8C7. Він надходить на вхід звукового генератора (DD2.4, DD1.6). Динамік НА1 видає короткий звуковий сигнал. Так прилад "озвучує" відбиті ІЧ імпульси. Серія таких імпульсів буде трансформуватися їм у тривожно звучну послідовність, що випливає із частотою ІЧ імпульсів.
Щоб уникнути підсвічування фотодіода з боку виводів, "донні" частини ІЧ діода й фотодіода заклеюють кружками чорної ізоленти. У мікросхему DA1 входить високочутливий підсилювач, тому її потрібно екранувати.
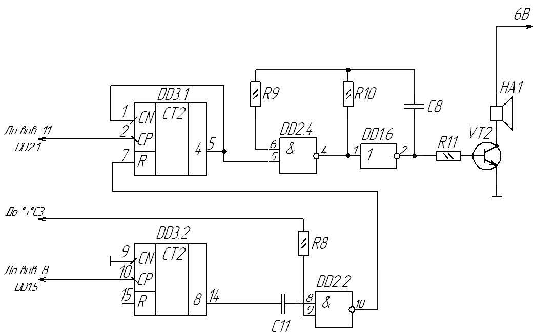
Правильно зібраний пристрій звичайно відразу починає працювати в режимі тривоги - стеля, стіни, меблі дають цілком достатній відбитий сигнал. Але якщо він продовжує звучати й покладений лицьовою стороною на стіл, то буде потрібно виявити й ліквідувати шляхи проникнення ІЧ випромінювання на фотодіод усередині самого приладу. Після цього залишиться визначити отриману дальність спрацювання і виставити потрібну, підбором резистора R5. Іноді безпосередня реакція приладу, що озвучує кожен відбитий імпульс, зовсім не обов'язкова. На рисунку 5 показана частина схеми пристрою, яку потрібно змінити, щоб сигнал тривоги формувався лише при проходженні компактної групи відбитих сигналів.

Рисунок 5 - Модифікація схеми для уникнення хибного спрацювання
Сигнал тривоги пролунає лише в тому випадку, якщо на вхід СР лічильника DD3.1 надійдуть чотири відбитих імпульси. Але відбутися це повинно на часовому інтервалі тривалістю 16Т (3,2 с), оскільки спадом кожного шістнадцятого імпульсу генератора, лічильник DD3.1 повертається в нульовий стан (імпульс скидання тривалістю 20 мкс формується на виході елемента DD2.2). Тобто, якщо на одному з таких часових інтервалів датчик зафіксує чотири відбитих імпульси, він включить тривожну сигналізацію. Час її звучання - t>тр>.
Пристрій може ввійти в охоронну систему в якості одного з її давачів. Для неї буде становити інтерес лише сигнал, що виникає на виході елемента DD2.1 [5].
5. Розробка методики розрахунку давача наближення
Розглянемо залежність параметрів схеми від номіналів її елементів. ІЧ діод, періодично збуджується імпульсами струму, амплітуда яких I>імп>=(U>живл>-3,5)/R5. Саме від цього параметра залежить чутливість схеми й дальність її спрацьовування. Однак, залежність відстані від амплітуди є нелінійною й не може бути обчислена аналітично, тому встановлюється експериментально шляхом зміни резистора R5. Відстань спрацьовування при певних значеннях величини резистора R5 записані в таблиці 2. Виміри проводилися при напрузі живлення 6В. Мінімальне значення D>люд> відповідає людині в темному халаті.
Таблиця 2 Залежність чутливості схеми від амплітуди імпульса
-
I>імп>, А (R5, Ом)
D>люд>, м
D>ст>, м
0,04 (62)
0,5..0,9
1,5
0,16 (16)
1..1,6
3
0,64 (3,9)
1,8..2,5
4,3
Графік залежності відстані спрацювання схеми від амплітуди імпульсу зображений на рисунку 6.

Рисунок 6 – Залежність відстані спрацювання від амплітуди імпульсу
Тривалість генерованих схемою імпульсів може бути полічена по формулі 3.1:
t>імп>=0,7R3C2, (3.1)
де R3 – номінал резистора R3 з схеми в додатку А
С2 – номінал конденсатора С2 з схеми в додатку А
Період появи імпульсів 3.2:
T=1,4R2C1, (3.2)
де R2 – номінал резистора R2 з схеми в додатку А
С1 – номінал конденсатора С1 з схеми в додатку А
При спрацьовуванні схеми на виході виникає імпульс тривалістю 3.3:
T>зв>=0,7R8C7, (3.3)
де R8 – номінал резистора R8 з схеми в додатку А
С7 – номінал конденсатора С7 з схеми в додатку А
ВИСНОВКИ
В даній курсовій роботі були розглянуті різні типи давачів наближення: інфрачервоні, радіохвильові ( об'ємні та лінійні ), ультразвукові, магнітоконтактні. Кожен із цих типів має свої переваги і свої недоліки, а також свою галузь застосування. Так, для виявлення рухомих об’єктів, якими можуть бути, наприклад злодії, широкого використання набули інфрачервоні давачі, через простоту та надійність. Саме через це такий давач і був обраний для розробки та розрахунку в курсовій роботі.
При розробці принципової схеми були дані практичні рекомендації по полагодженню проблем, які можуть виникнути при роботі з приладом. Також для випадків коли не потрібна велика чутливість наведена схема, що дає змогу зменшити її до необхідного рівня.
Після розробки принципової схеми була розроблена методика розрахунку номіналів її елементів. Розроблена методика включає в себе розрахунок номіналів схеми для отримання бажаної величини таких параметрів:
амплітуди генерованих імпульсів;
довжини генерованих імпульсів;
період генерації імпульсів;
тривалість вихідного імпульсу.
Було встановлено, що хоча відстань виявлення об’єкту і залежить від амплітуди, але є нелінійною і не може бути встановлена аналітично. По експериментально встановленим точкам за допомогою інтерполяції була побудована функція, що дає уявлення про характер залежності.
За розробленою методикою розрахунку був складений алгоритм та розроблена програма, що розраховує номінали схеми таким чином, щоб вони співпадали із введеними користувачем. Програма розрахунку написана на мові C++ в середовищі Visual C++ 6.0.
Через те, що досить складно отримати необхідний результат із першого разу, після проведення розрахунків користувачу пропонується повторити введення даних, якщо користувач погоджується, то програма починається спочатку, інакше вона завершується.
Принципова схема давача наближення наведена в додатку А, перелік елементів схеми – в додатку Б. Приклад розрахунку давача приведений в додатку В, алгоритм роботи програми – в додатку Г. Текст програми розрахунку та результати її роботи наведені в додатках Д та Е відповідно.
ПЕРЕЛІК ПОСИЛАНЬ
Электронная библиотека (18.12.2007) –
http://www.avto.oglib.ru/bgl/3367/90.html
Фрайден Дж. Современные датчики. Изд-во Техносфера, 2005 – 592 с.
Джексон Р.Г. Новейшие датчики. Изд-во Мир электроники, 2007 – 380 с.
Котюк А.Ф. Датчики в современных измерениях. Изд-во "Радио и связь", 2006 - 96 с.
Инфракрасный датчик присутствия (10.10.2007) –
http://www.guarda.ru/guarda/data/infra_red/txt_06.php
Каталог елементів (20.12.2007) –
http://www.voltmaster.ru/cgi-bin/qweryv.pl?pg=1&group=10605
Васюра А.С. "Електромагнітні елементи та пристрої систем управління і автоматики", ч. ІІ. "Електромагнітні елементи цифрової техніки". Навчальний посібник. – Вінниця, ВДТУ, 2001. – 162 с.
Васюра А.С., Компанець М.М., Кривогубченко С.Г., Кулік А.Я., МізернийВ.М. Принципи проектування електронних засобів автоматики. / Навчальний посібник. – Вінниця, ВДТУ, 1999. – 121 с.
Васюра А.С. „Електромагнітні елементи та пристрої систем управління і автоматики", ч.I. „Електромагнітні елементи аналогових пристроїв"/Навчальний посібник – Вінниця:, ВДТУ, 2000.
Мікроелектронні сенсори фізичних величин: Науково-навчальне видання. В 3 томах. Том 1./ Вуйцин В.В., Гонта З.Ю., Григор'єв В.В., Калита В.М., Мельник О.М. За редакцією З.Ю. Гонти, – Львів: Ліга-Прес,2002. – 475с.
Додатки
Додаток В – Приклад розрахунку давача наближення
Розрахувати давач наближення з амплітудою генерованих імпульсів 0,25А, довжиною генерованих імпульсів 10,5 мкс, періодом генерації імпульсів 0,16 с, тривалістю вихідного імпульсу 0,08 с.
Напругу живлення можна обрати рівною 6В. Далі розрахунок проводиться за методикою, розробленою в розділі 3.



.
Решта елементів беруться з такими номіналами, які вказані в додатку Б.
Додаток Г – Алгоритм розрахунку давача наближення

Додаток Д – Лістинг програми розрахунку давача наближення
#include <stdio.h>
#include <conio.h>
#include <math.h>
void findRC( double &r, double &c, double res, double delta = 0.0, double step = 0.00000000001 )
{
int sign = 1;
if ( ( r * c ) > res )
{
sign = -1;
}
double minDelta = fabs( res - r * c );
while ( minDelta > delta )
{
r += step * sign;
c += step * sign;
if ( fabs( res - r * c ) > minDelta )
{
r -= step * sign;
c -= step * sign;
break;
}
minDelta = fabs( res - r * c );
}
}
void main( )
{
double inpVolt;
double iImp;
double tImp;
double T;
double tZv;
char choose;
do
{
printf( "Enter input voltage: ");
scanf( "%lf", &inpVolt );
printf( "Enter impulse amplitude: ");
scanf( "%lf", &iImp );
printf( "Enter generated impulses length: ");
scanf( "%lf", &tImp );
printf( "Enter impulses period: ");
scanf( "%lf", &T );
printf( "Enter output impulse length: ");
scanf( "%lf", &tZv );
double r5 = ( inpVolt - 3.5 ) / iImp;
printf( "R5 = %.3lf Ohm\n", r5 );
double r3 = 10 * pow( 10, 3 );
double c2 = 1000 * pow( 10, -12 );
findRC( r3, c2, tImp / 0.7 );
printf( "R3 = %.2e Ohm, C2 = %.2e Farad\n", r3, c2 );
double r2 = 300 * pow( 10, 6 );
double c1 = 0.047 * pow( 10, -6 );
findRC( r2, c1, T / 1.4 );
printf( "R2 = %.2e Ohm, C1 = %.2e Farad\n", r2, c1 );
double r8 = 300 * pow( 10, 6 );
double c7 = 0.047 * pow( 10, -6 );
findRC( r8, c7, tZv / 0.7 );
printf( "R8 = %.2e Ohm, C7 = %.2e Farad\n", r8, c7 );
printf( "\n TESTING:\n" );
printf( "Iimp = (V - 3.5) / R5 = ( %.2e - 3.5 ) / %.2e = %.2e\n", inpVolt, r5, ( inpVolt - 3.5 ) / r5 );
printf( "timp = 0.7*R3*C2 = 0.7 * %.2e * %.2e = %.2e\n", r3, c2, 0.7 * r3 * c2 );
printf( "T = 1.4*R2*C1 = 0.7 * %.2e * %.2e = %.2e\n", r2, c1, 1.4 * r2 * c1 );
printf( "Tzv = 0.7*R8*C7 = 0.7 * %.2e * %.2e = %.2e\n", r8, c7, 0.7 * r8 * c7 );
while( kbhit( ) )
{
getche( );
}
printf( "\nDo you want to repeat calculation (y/n)? " );
choose = getche( );
printf( "\n\n" );
} while( choose != 'n' );
}
Додаток Е – Результати роботи програми розрахунку давача наближення
Enter input voltage: 6
Enter impulse amplitude: 0.25
Enter generated impulses length: 0.0000105
Enter impulses period: 0.16
Enter output impulse length: 0.08
R5 = 10.000 Ohm
R3 = 1.00e+004 Ohm, C2 = 1.50e-009 Farad
R2 = 3.00e+008 Ohm, C1 = 3.80e-010 Farad
R8 = 3.00e+008 Ohm, C7 = 3.80e-010 Farad
TESTING:
Iimp = (V - 3.5) / R5 = ( 6.00e+000 - 3.5 ) / 1.00e+001 = 2.50e-001
timp = 0.7*R3*C2 = 0.7 * 1.00e+004 * 1.50e-009 = 1.05e-005
T = 1.4*R2*C1 = 0.7 * 3.00e+008 * 3.80e-010 = 1.60e-001
Tzv = 0.7*R8*C7 = 0.7 * 3.00e+008 * 3.80e-010 = 7.98e-002
Do you want to repeat calculation (y/n)? n



