Действие физических сил на конструкцию
1. Определение реакций опор составной конструкции (система двух тел)
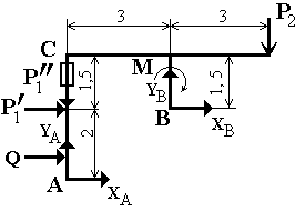
Задание:
Конструкция состоит из двух частей.
Установить, при каком способе соединения
частей конструкции модуль реакции
наименьший, и для этого варианта
соединения определить реакции опор, а
также соединения С.
Дано:
= 9,0 кН;
=
12,0 кН;
=
26,0 кН
м;
=
4,0 кН/м.
Схема конструкции представлена на рис.1.

Рис.1. Схема исследуемой конструкции.
Решение:
1) Определение реакции опоры А при шарнирном соединении в точке С.
Рассмотрим систему уравновешивающихся сил, приложенных ко всей конструкции (рис.2.). Составим уравнение моментов сил относительно точки B.

Рис.2.
(1)
где
кН.
После подстановки данных и вычислений уравнение (1) получает вид:
кН (1’)
Второе
уравнение с неизвестными
и
получим, рассмотрев систему
уравновешивающихся сил, приложенных к
части конструкции, расположенной левее
шарнира С
(рис. 3):

Рис. 3.
.
Отсюда находим, что

кН.
Подставив
найденное значение
в уравнение (1’) найдем значение
:
кН.
Модуль реакции опоры А при шарнирном соединении в точке С равен:
кН.
2) Расчетная схема при соединении частей конструкции в точке С скользящей заделкой, показанной на рис. 4.

Рис. 4
Системы сил, показанные на рис. 2 и 4, ничем друг от друга не отличаются. Поэтому уравнение (1’) остается в силе. Для получения второго уравнения рассмотрим систему уравновешивающихся сил, приложенных к части конструкции, располоденной левее скользящей заделки С (рис. 5).

Рис. 5
Составим уравнение равновесия:


и из уравнения (1’) находим:


Следовательно, модуль реакции при скользящей заделке в шарнире С равен:

кН.
Итак, при соединении в точке С скользящей заделкой модуль реакции опоры А меньше, чем при шарнирном соединении (≈ 13%). Найдем составляющие реакции опоры В и скользящей заделки.
Для левой от С части (рис. 5а)
,
кН.
Составляющие реакции опоры В и момент в скользящей заделке найдем из уравнений равновесия, составленных для правой от С части конструкции.

кН>*>м
кН
;
кН
Результаты расчета приведены в таблице 1.
Таблица 1.
Силы, кН |
Момент, кН>*>м |
||||||
|
X>A> |
Y>A> |
R>A> |
X>C> |
X>B> |
Y>B> |
M>C> |
|
|
Для схемы на рис. 2 |
-7,5 |
-18,4 |
19,9 |
- |
- |
- |
- |
|
Для схемы на рис. 4 |
-14,36 |
-11,09 |
17,35 |
-28,8 |
28,8 |
12,0 |
-17,2 |
2. Определение реакций опор твердого тела
Задание: Найти реакции опор конструкции. Схема конструкции показана на рисунке 1. Необходимые данные для расчета приведены в таблице 1.
Табл. 1
|
Силы, кН |
Размеры, см |
|||||
|
|
|
a |
b |
c |
R |
r |
|
2 |
1 |
15 |
10 |
20 |
20 |
5 |

Рис.
1. Здесь:
,
,
,
.
Решение:
К конструкции
приложены сила тяжести
,
силы
и реакции опор шарниров
и
:
(рис.
2)

Рис. 2.
Из этих сил пять неизвестных. Для их определения можно составить пять уравнений равновесия.
Уравнения моментов сил относительно координатных осей:
;
;
;
кН.
;
;
кН.
;
;
кН.
Уравнения проекций сли на оси координат:
;
кН
;
кН.
Результаты измерений сведены в табл. 2.
|
|
|
|
|
|
|
0,43 кН |
1,16 кН |
3,13 кН |
-0,59 кН |
3,6 кН |
3. Интегрирование дифференциальных уравнений
Дано
=45 ; Vв=2Va ; τ=1c; L=3 м ; h=6
Найти ƒ=? d=?
Решение
mX=Xi 1 Fтр=fN
mX=Gsin-Fcoпр N=Gcos
m
X=Gsin-fGcosX=gsin-fgcos
X=(g(sin-fcos) t+ C>1>
X=(g(sin-fcos)/2) t2+ C>1>t+ C>2>
При нормальных условиях : t=0 x=0
X=C>1> X= C>2>=> C>1>=0
X=g(sin-fcos) t+ 1 X=(g(sin-fcos)/2) t2
X=Vв> >X=L
Vв=g(sinα-ƒ*cosα)τ
L=((g(sinα-ƒ*cosα)τ)/2)τ
ƒ=tgα-(2L/τ *g*cosα)=1-0,8=0,2
Vв=2l/τ=6/1=6м/с
Рассмотрим движение тела от точки В до точки С показав силу тяжести действующую на тело , составим дифференциальное уравнение его движения . mx=0 my=0
Начальные условия задачи: при t=0
X0=0 Y0=0
X0=Vв*cosα ; Y0=Vв*sinα
Интегрируем уравнения дважды
Х=C3 Y=gt+C4
X= C3t+ C5
Y=gt /2+C4t+C6, при t=0
X=C3; Y0=C4
X=C5; Y0=C6
Получим уравнения проекций скоростей тела.
X=Vв*cosα , Y=gt+Vв*sinα
и уравнения его движения
X=Vв*cosα*t Y=gt /2+Vв*sinα*t
Уравнение траектории тела найдем , исключив параметр t из уравнения движения. Получим уравнение параболы.
Y=gx /2(2Vв*cosα) + xtgα
В момент падения y=h x=d
d=h/tgβ=6/1=6м
Ответ: ƒ=0,2 d=6 м
4. Определение реакций опор составной конструкции (система двух тел)
Задание:
Конструкция состоит из двух частей.
Установить, при каком способе соединения
частей конструкции модуль реакции
наименьший, и для этого варианта
соединения определить реакции опор, а
также соединения С.
Дано:
= 9,0 кН;
=
12,0 кН;
=
26,0 кН
м;
=
4,0 кН/м.
Схема конструкции представлена на рис.1.

Рис.1. Схема исследуемой конструкции.
Решение:
1) Определение реакции опоры А при шарнирном соединении в точке С.
Рассмотрим систему уравновешивающихся сил, приложенных ко всей конструкции (рис.2.). Составим уравнение моментов сил относительно точки B.

Рис.2.
(1)
где
кН.
После подстановки данных и вычислений уравнение (1) получает вид:
кН (1’)
Второе
уравнение с неизвестными
и
получим, рассмотрев систему
уравновешивающихся сил, приложенных к
части конструкции, расположенной левее
шарнира С
(рис. 3):

Рис. 3.
.
Отсюда находим, что

кН.
Подставив
найденное значение
в уравнение (1’) найдем значение
:
кН.
Модуль реакции опоры А при шарнирном соединении в точке С равен:
кН.
2) Расчетная схема при соединении частей конструкции в точке С скользящей заделкой, показанной на рис. 4.

Рис. 4
Системы сил, показанные на рис. 2 и 4, ничем друг от друга не отличаются. Поэтому уравнение (1’) остается в силе. Для получения второго уравнения рассмотрим систему уравновешивающихся сил, приложенных к части конструкции, располоденной левее скользящей заделки С (рис. 5).

Рис. 5
Составим уравнение равновесия:


и из уравнения (1’) находим:


Следовательно, модуль реакции при скользящей заделке в шарнире С равен:

кН.
Итак, при соединении в точке С скользящей заделкой модуль реакции опоры А меньше, чем при шарнирном соединении (≈ 13%). Найдем составляющие реакции опоры В и скользящей заделки.
Для левой от С части (рис. 5а)

,
кН.
Составляющие реакции опоры В и момент в скользящей заделке найдем из уравнений равновесия, составленных для правой от С части конструкции.

кН>*>м
кН
;
кН
Результаты расчета приведены в таблице 1.
Таблица 1.
Силы, кН |
Момент, кН>*>м |
||||||
|
X>A> |
Y>A> |
R>A> |
X>C> |
X>B> |
Y>B> |
M>C> |
|
|
Для схемы на рис. 2 |
-7,5 |
-18,4 |
19,9 |
- |
- |
- |
- |
|
Для схемы на рис. 4 |
-14,36 |
-11,09 |
17,35 |
-28,8 |
28,8 |
12,0 |
-17,2 |
Дано :
R>2>=15; r>2>=10; R>3>=20; r>3>=20
X=C>2>t2+C>1>t+C>0>
При
t=0
x>0>=8
=4
t>2>=2 x>2>=44 см
X>0>=2C>2>t+C>1>
C>0>=8
C>1>=4
44=C>2> *22+4*2+8
4C>2>=44-8-8=28
C>2>=7
X=7t2+4t+8
=V=14t+4
a=
=14
V=r>2>
>2>
R>2>
>2>=R>3>
>3>
>3>=V*R>2>/(r>2>*R>3>)=(14t+4)*15/10*20=1,05t+0,3
>3>=
>3>=1,05
V>m>=r>3>*
>3>=20*(1,05t+0,3)=21t+6
at>m>=r>3>
=1,05t
at>m>=R>3>
=20*1,05t=21t
an>m>=R>3>
2>3>=20*(1,05t+0,3)2=20*(1,05(t+0,28)2
a=
5. Применение теоремы об изменении кинетической энергии к изучению движения механической системы
Исходные данные.
Механическая система под действием сил тяжести приходит в движение из состояния покоя. Трение скольжения тела 1 и сопротивление качению тела 3 отсутствует. Массой водила пренебречь.
Массы тел - m>1>, m>2>, m>3>, m>4>; R>2>, R>3>, R>4> – радиусы окружностей.

|
m>1>, кг |
m>2>, кг |
m>3>, кг |
m>4>, кг |
R>2>, см |
R>3>, см |
s, м |
|
m |
m/10 |
m/20 |
m/10 |
10 |
12 |
0.05π |
Найти.
Пренебрегая другими силами сопротивления и массами нитей, предполагаемых нерастяжимыми, определит скорость тела 1 в тот момент, когда пройденный им путь станет равным s.
Решение.
1. Применим к механической системе теорему об изменении кинетической энергии.
,
где T>0>
и T
– кинетическая энергия системы в
начальном и конечном положениях;
– сумма работ внешних сил, приложенных
к системе, на перемещении из начального
положения в конечное;
- сумма работ внутренних сил системы на
том же перемещении.
Для
рассматриваемых систем, состоящих из
абсолютно твёрдых тел, соединённых
нерастяжимыми нитями и стержнями
.
Так как в начальном положении система
находится в покое, то T>0>=0.
Следовательно, уравнение (1) принимает вид:
.
2. Определим угол, на который повернётся водило, когда груз 1 пройдёт расстояние s.
.
То есть когда груз 1 пройдёт путь s, система повернётся на угол 90º.
3. Вычислим кинетическую энергию системы в конечном положении как сумму кинетических энергий тел 1, 2, 3, 4.
T = T>1 >+ T>2 >+ T>3 >+ T>4>.
а) Кинетическая энергия груза 1, движущегося поступательно равна:
.
б) Кинетическая энергия катка 2, вращающегося вокруг своей оси равна:
,
где
- момент инерции катка 2,
- угловая скорость катка 2.
Отсюда получаем, что
.
в) Кинетическая энергия катка 3, совершающего плоско-параллельное движение, равна:
,
где
- скорость центра масс катка 3,
-угловая
скорость мгновенного центра скоростей
катка 3
момент инерции катка 3 относительно мгновенного центра скоростей.
Отсюда получаем, что

г) Кинетическая энергия катка 4, совершающего плоскопараллельное движение, равна:

где
- угловая скорость мгновенного центра
скоростей,
- скорость центра масс
катка 4,
- момент инерции катка 4
относительно мгновенного центра
скоростей.
Отсюда получаем, что

Таким образом, кинетическая энергия всей механической системы равна:

4. Найдём работу всех внешних сил, приложенных к системе на заданном перемещении.
а) Работа силы тяжести G>1>: A>G>>1>=m>1>∙g∙s=m∙980∙5=15386∙m>1>.
б) Работа силы тяжести G>2>: A>G>>2>=0.
в) Работа силы тяжести G>3>: A>G>>3>=-m>3>∙g∙(OA)=-0.05∙m∙980∙36=-1764∙m.
г) Работа силы тяжести G>4>: A>G>>4>=-m>4>∙g∙OC=-0.1∙m∙980∙72=-7056∙m.
Таким образом, работа всех внешних сил, приложенных к системе равна:
=
A>G>>1>+A>G>>3>+A>G>>4>=15386∙m-1764∙m-7056∙m=6566∙m.
5. Согласно
теореме об изменении кинетической
энергии механической системы приравниваем
значения T
и
.
=6566∙m;
=6566.
Отсюда скорость тела 1 равна:
=
0.31 м/с.
Результаты расчётов.
|
V>1>, м/c |
|
0.31 |


Дано: Q=4kH, G=2kH, a=50см, b=30см.
Определить: реакции опор А, В, С.
Решение:
1) ∑F>KX>=X>A>+X>B>-R>C>∙cos30°+Q·sin45°=0;
2) ∑F>KY>=Y>A>=0;
3) ∑F>KZ>=Z>A>+Z>B>+R>C>·sin30°-G-Q·cos45°=0;
4) ∑M>KX>=Z>B>·AB-G·AB/2-Q·cos45°·AB=0;
5) ∑M>KY>=G·AC/2·cos30°-R>C>·AC·sin60°+Q·AC·sin75°=0;
6) ∑M>KZ>=-X>B>·АВ-Q·AB·cos45°=0.
Из (6) X>B>=(-Q·AB·cos45°)/АВ=-4·50·0,7/50=-2,8кН
Из (5) R>C>=(G·AC/2·cos30°+Q·AC·sin75°)/AC·sin60°=
=(2·30/2·0,87+4·30·0,96)/30·0,87=(26,1+115,2)/26,1=5,4кН
Из (4) Z>B>=(G·AB/2+Q·cos45°·AB)/AB=(50+141,4)/50=3,8kH
Из (3) Z>A>=-Z>B>-R>C>·sin30°+G+Q·cos45°=-3,8-2,7+2+2,8=-1,7кН
Из (1) X>A>=-X>B>+R>C>∙cos30°-Q·sin45°=2,8+4,7-2,8=4,7кН
Результаты вычислений:
|
Силы, кН |
|||||
|
R>C> |
X>A> |
Y>A> |
Z>A> |
X>B> |
Z>B> |
|
5,4 |
4,7 |
0 |
-1,7 |
-2,8 |
3,8 |






