Оштукатуривание фасадов домов
Содержание
1) Квалификационная характеристика…………………………………...3
2) Введение………………………………………………………………...8
3) Оштукатуривание фасадов обычными штукатурками вручную…….9
а) организация работ по оштукатуриванию…………………………9
б) выполнение обычной штукатурки……………………………….13
в) техника безопасности при выполнении штукатурных работ…..17
г) инструменты для штукатурных работ…………………………...18
4) Окраска фасада неводными составами по ранее окрашиваемой поверхности………………………………………………………………19
а) общие положения…………………………………………………19
б) технологические операции……………………………………….21
в) дефекты неводных красок………………………………………..21
г) виды неводных составов………………………………………….23
д) техника безопасности…………………………………………….32
е) инструменты для малярных работ……………………………….36
5) Чертеж………………………………………………………………….37
6) Вывод…………………………………………………………………..38
7) Список литературы……………………………………………………39
Квалификационная характеристика
Профессия – штукатур (строительный),
квалификация – 4 разряд
Должен знать
Составы и способы применения
декоративных растворов, растворов
для
токетирования.
Виды и свойства замедлителей и ускорителей схватывания.
Свойства растворов с химическими
добавками (хлористые растворы
с
добавлением поташа, хлористого Са)
и правила обращения с ними.
Способы выполнения высококачественной штукатурки.
Устройство затирочных машин.
Устройство растворонасосов.
Требования к качеству штукатурных работ.
Способы механизированного
нанесения растворов и токетирования
поверхностей.
Должен уметь
Нанесение штукатурного слоя на поверхность при помощи растворонасоса.
Высококачественное оштукатуривание
вручную прямолинейных
поверхностей,
стен, потолков, гладких столбов, пилястр,
ниш с откосами,
балок постоянного
сечения и ремонт высококачественной
штукатурки.
Оштукатуривание откосов.
Выполнение падуг с разделкой углов.
Устройство беспесчаной покрывки под высококачественную окраску.
Разделка швов между плитами
сборных ж/б перекрытий стеновыми
панелями.
Отделка лузгов и усёнков.
Механизированное нанесение раствора на оштукатуриваемые поверхности
Токетирование поверхностей.
Отделка откосов сборными элементами.
Оштукатуривание помер и каналов, коробов по стальной сетке.
Железнение поверхностей штукатурки.
Приготовление декоративных растворов и растворов для штукатурок специального назначения (гидроизоляционных, газоизоляционных, звукопоглощающих, термостойких по готовым рецептам).
Механизированная затирка отделочного слоя.
Профессия – штукатур (строительный),
квалификация – 3 разряд
Должен знать
Виды и свойства основных
материалов, применяемых при
выполнении
штукатурных работ.
Виды и свойства замедлителей и ускорителей раствора.
Требование к качеству раствора.
Способы подготовки различных поверхностей под оштукатуривание.
Способы провешивания поверхности.
Последовательность операции при выполнении штукатурки.
Требование санитарных норм и правила к качеству простой штукатурки.
Способы оштукатуривания стен, потолков, откосов и т.д.
Способы оштукатуривания фасадов.
Правила техники безопасности в производственной санитарии, пожарной безопасности и внутреннего трудового затрата и распорядка.
Основы экономических знаний.
Должен уметь
Выполнять насечки поверхности.
Натягивать металлические сетки по готовому каркасу.
Производить обмазку проволочной сетки раствором.
Приготавливать штукатурные растворы.
Пробивать отверстия.
Оконопачивать коробки к местам примыкания.
Провешивать поверхность под оштукатуривание.
Оштукатуривать простой штукатуркой
столбы, прямолинейные поверхности
стен,
потолков, балок.
Производить ремонт простой штукатурки.
Подмазывать места примыкания к стенам, наличников и плинтусов, перегородок.
Выполнять работы по перетирке штукатурки.
Приготавливать и перерабатывать готовые растворы для штукатурных работ.
0пределять качество приготовленных растворов, выполнять работы и исправлять дефекты.
Осуществлять самоконтроль, правила техники безопасности, производственной санитарии, пожарной безопасности.
Профессия – маляр (строительный),
квалификация - 4разряд
Должен знать
Устройство и способы покладки
механизмов и приспособлений,
прямолинейных
при малярных работах.
Способы выполнения малярных работ с высококачественной отделкой.
Процесс разделки поверхностей
под сложный рисунок различных
пород
дерева, мрамора, камня.
Особенности механизированной
очистки поверхностей и корпуса судов
от
обрастания и старого лакокрасочного
покрытия.
Технические условия и требования на окрашивание и лакирование.
Способы реставрации окрашенных
поверхностей манкруста, линолеума
и
других материалов.
Должен уметь
Окрашивание поверхностей сухими
порошками, различными красками и
лаками
в несколько тонов.
Шлифование, лакирование,
полирование их механизированным
инструментом.
Торцевание и флейцевание окрашенных поверхностей.
Протягивание филёнок с подтушёвкой.
Нанесение рисунка на поверхности по трафаретам в четыре и более тонов.
Разделка поверхности под сложный
рисунок различных пород дерева,
мрамора,
камня.
Самостоятельное составление сложных колеров.
Лакокрасочные покрытия по стеклу и керамической эмали.
Изготовление сложных трафаретов
и гребёнок для разделки окрашенных
поверхностей.
Окрашивание деталей, приборов в тропическом исполнении.
Определение качества прямолинейных лакокрасочных.
Профессия – маляр (строительный),
квалификация – 3 разряд
Должен знать
Требование к поверхности,
подготовке под улучшенную окраску и
качеству
окраски.
Свойство основных материалов
и составов, применяемых при
производстве
малярных и обойных
работ.
Способы выполнения простой
окраски и подготовка поверхности
под
улучшенную окраску.
Способы вырезки сучьев и засмолов.
Способы обрезки кромок обоев вручную.
Устройство и приёмы работы краскопультом.
Устройство механизмов для
приготовления и перемешивания
шпаклёвных
составов.
Способы приготовления простых окрасочных составов и варки клея.
Основы экономических знаний.
Передовые методы труда и рабочего места.
Правила безопасности труда, производственной санитарии, пожарной безопасности и внутреннего трудового распорядка.
Должен уметь
Приготовление шпаклёвки вручную и механизированным способом.
Шпатлевание поверхности вручную.
Производить грунтовку поверхности
под простую, улучшенную окраску
кистями,
валиками и ручным краскопультом.
Шлифовать, огрунтовывать, окрашивать и проклеивать.
Производить простую, улучшенную
окраску при помощи кистей, валиками
и
краскопультом, эмалевым и маслеными
составами в один и несколько
тонов.
Покрывать поверхности лаками вручную.
Обрезать кромки вручную.
Проклеивать поверхности бумагой.
Оклеивать стены простыми обоями.
Приготавливать простые красочные составы и варить клей.
Производить известковую окраску и грунтовать поверхности. Экономно расходовать материалы. Бережно обращаться с инструментами и оборудованием. Применять передовые методы труда и организацию рабочего места: осуществлять самоконтроль выполненных работ, выполнять правила техники безопасности, производственной санитарии, пожарной безопасности.
Введение
Мастера строительной профессии — штукатур, маляр, каменщик, облицовщик во все времена были в почете, всегда имели достаточный заработок и работу.
Выдающиеся мастера этих строительных профессий увековечили свой труд в прекрасных творениях зодчества: в соборах Новгорода и в уникальных дворцах Санкт-Петербурга, в контурах Московского университета, и в архитектурных памятниках стиля русского модерна в Саратове, Самаре, Томске и Хабаровске.
Много прекрасных фасадов и интерьеров забытых дворцов и современных коттеджей радуют глаз жителей России. Во всем этом труд строителей-отделочников, чье мастерство восхищало не одно поколение России.
Оштукатуривание фасадов
обычными штукатурками вручную
а) организация работ по оштукатуриванию
Для оштукатуривания фасадов применяют леса шириной не менее 1,5 м, стойки которых должны отстоять от стены на расстояние не менее 40 см. Перед началом работ бригадир штукатуров должен убедиться в надежности и правильности устройства лесов.
На уровне кровли леса накрывают навесом, что дает возможность вести работу в дождливое время.
Чтобы предохранить штукатуров, работающих на нижних этажах или настилах, от попадания раствора, на каждом ярусе укладывают доски настила до самой стены, но так чтобы их можно было снимать и перекладывать. Снимают доски, когда работу ведут напротив настила. После обработки накрывки доски настила убирают или отодвигают не менее чем на 50 см, чтобы предохранить штукатурку от загрязнения и образования полос и пятен от брызг стекающей с крыши дождевой воды.
Количество лесов устанавливают с расчетом на три захватки. Размер захватки зависит от количества рабочих в бригаде штукатуров.
До начала работ необходимо также
проверить готовность
материалов.
Песок и известь должны быть защищены
от загрязнения. Известковое тесто
должно быть выдержано не менее
месяца
до начала работ. Сухая цветная смесь
для накрывки
должна быть заготовлена
целой партией на всю работу. Хранить
ее в складе нужно в месте, защищенном
от сырости и загрязнения. Если смесь
заготовляют партиями, то следует одну
партию применять для отделки одной
стены, другую — для другой и т. д.
Партию смеси перед приготовлением
раствора обязательно перемешивают.
Фронт штукатурных работ делят на захватки. Работу выполняет бригада, состоящая из звеньев.
Прежде всего, вся бригада занимается подготовительными работами. Очищают фасад от загрязнений, насекают поверхность, выбирают швы, срубают неровности. После этого провешивают поверхности, устраивают марки и маяки. В наметистых местах вбивают гвозди и оплетают их проволокой или натягивают сетку с крупными ячейками.
По мере выполнения работ первое звено промывает и увлажняет поверхности, закрывает остекленные окна и балконные двери, наносит подготовительный слой грунта, нацарапывает и обрабатывает его, а также навешивает правила и вытягивает в грунте тяги.
После соответствующей выдержки второе звено приступает к вытягиванию карнизов и тяг, выполнению цветной накрывки, одновременно отделывая выступающие части зданий: ниши, пилястры, откосы.
Вслед за ними третье звено покрывает цветным раствором гладкие части стен.
По мере схватывания раствора четвертое звено обрабатывает поверхности, покрытые цветным раствором под фактуру, и исправляет дефекты, которые могут быть после разборки лесов.
Пятое звено продолжает подготовительные работы.
По мере выполнения работ звенья меняются местами.
Подготовительные слои или грунт, а также накрывочные слои на мелком заполнителе наносят с помощью растворонасоса. Растворы с крупнозернистыми заполнителями перекачиваются и наносятся плохо. Верхние части карнизов, тяг, полочек, выступов не отделывают цветной накрывкой. Их в процессе выполнения грунта покрывают цементным раствором состава 1:3 и заглаживают или железнят. Эти работы можно выполнить и после нанесения цветной накрывки и ее высыхания, но до разборки лесов и покрытия кровельной сталью.
Ограждающие части красят за два-три раза масляной краской. Это предохраняет их от разрушения дождевыми и талыми водами.
Все тяги и выступающие за плоскость стены части после отделки временно закрывают, чтобы предохранить от смачивания и размывания дождевыми водами, которые образуют пятна и потеки.
В зависимости от насыщенности фасада архитектурными деталями для получения однотонной штукатурки поверхность его делят на захватки различных размеров, которые можно выполнить без перерыва при накрывке цветным раствором за 2-6 ч.
Самые удобные для отделки декоративной штукатуркой фасады те, которые имеют пояски, колонны, пилястры, так как захватки в этом случае могут быть небольшими и работы на них можно выполнить за короткий срок.
Рассмотрим на примерах расстановку рабочих при оштукатуривании фасадов.
На фасаде с пилястрами, идущими по всей высоте, и не имеющем междуэтажных поясков или карнизов, захватки делают вертикальными от угла до пилястры и от пилястры до пилястры (рис.1). В первую очередь вытягивают венчающий карниз по всей длине фасада. Затем отделывают пилястры.

Рис.1. Оштукатуривание фасада узкими захватками,
идущими по высоте между пилястрами
Тянутые наличники и сандрики по окнам выполняют одновременно с оконными и дверными откосами. Перед накрывкой стен их закрывают.
Затем приступают к отделке стен. Для этого каждую захватку делят на карты настилами на леса так, чтобы на каждом этаже их было две высотой до 1,8 м (на рисунке они обозначены цифрами 1-6). До начала работ на каждую карту доставляют ящики со смесью и воду. Когда применяют сухие смеси, то раствор из них приготовляют за 5-10 мин до прихода штукатуров на карту. Штукатуры приходят на первую карту и приступают к накрывке, но так, чтобы она была спущена на 10-20 см ниже настила и тем самым выходила на вторую карту.
Закончив работу на одной карте, штукатуры переходят на следующую, обеспечивая тем самым бесстыковую накрывку.
В том случае, когда на фасаде нет пилястр, но есть междуэтажные пояски, захватки можно устраивать поэтажно, но так, чтобы настил делил по высоте этаж пополам (рис.2).

Рис.2. Оштукатуривание фасада захватками, идущими поэтажно
В пределах этажа захватки делят на карты по линиям I-I, II-II, III-III. Для выполнения накрывки на каждую карту ставят звено штукатуров. Чтобы не было стыков, первое звено наносит раствор на карте в левую сторону от разделительной линии I-I, то есть к углу, второе — в правую сторону, к линии II-II, третье — от разделительной линии III-III к разделительной линии II-II и т. д. Направление нанесения раствора показано стрелками. Слои раствора между картами наносят одновременно и стыков не образуется.
При обработке гладких фасадов без поясков, пилястр, наличников прежде всего вытягивают карниз, отделывают оконные и дверные откосы. Захватки могут быть горизонтальными или вертикальными. Работу выполняют так, как описано в ранее рассмотренных примерах, но на вертикальных захватках рабочих можно расставлять так, чтобы на каждой карте стояло звено штукатуров и они вели накрывку одновременно, начиная от настила (на рис.3 показано стрелками). В этом случае также получается бесстыковое соединение. Во время работы приходится доски отодвигать от стены до 20 см и после того, как накрывка против настила будет выполнена, доски устанавливают на место.

Рис.3. Оштукатуривание узкими сплошными захватками, идущими по высоте фасада
На фасадах с рустованными поверхностями камни отделяют друг от друга швами-рустами. Если русты тянутые, их выполняют так, чтобы они образовали рамку, в которую затем наносят раствор.
б) выполнение обычной штукатурки
Обычные штукатурки выполняют из неокрашенных известковых, известково-гипсовых, цементно-известковых или цементных растворов. Все растворы, кроме известково-гипсовых, применяют для оштукатуривания по кирпичу и бетону. Известково-гипсовыми оштукатуривают только деревянные поверхности.
Оштукатуривание чаще всего выполняют по маякам. Затирку лучше всего вести вразгонку, так как при окрашивании следы от затирки вкруговую проглядывают в виде кругов, что портит поверхность. Цоколи всегда оштукатуривают цементным раствором состава 1 : 3 или 1 : 4. Желательно штукатурку углубить в землю на 5-6 см ниже уровня тротуара. После затирки лучше ее загладить лопаткой или кельмой. Такая штукатурка ровнее, прочнее, меньше впитывает влагу. Верхняя часть цоколя (слив) всегда выполняется со скосом.
На цоколе принято делать усенки. Однако они часто обламываются, поэтому их лучше всего немного закруглять или делать фаски. Все это должно быть согласовано с архитектурным или строительным надзором.
Известковые растворы приготовляют из извести и песка. Известковое тесто должно быть выдержано в творильных ямах или на заводах готовых растворов не менее трех недель. Чем больше выдерживается известковое тесто, тем выше качество раствора. Количество песка, вводимое в известковое тесто, составляет 1-4 ч. и зависит от жирности известкового теста. Состав раствора должен быть 1:1; 1:1,5; 1:2; 1:2,5 и т.д. Во всех случаях раствор должен быть нормальной консистенции, так как жирные растворы сильно трескаются, а тощие не имеют надлежащей прочности.
Подобрав состав раствора, составляющие его материалы отмеривают при помощи дозаторов, загружают в растворосмесители и перемешивают до получения однородной смеси.
Известково-гипсовые растворы приготовляют из известкового раствора с добавлением в него гипса для ускорения схватывания. Обычно на одну часть гипса берется 2-3 ч. известкового раствора.
Цементно-известковые растворы состоят из цемента и известкового раствора. Составы растворов могут быть разными: 1:1:6; 1:2:8; 1:1:9; 1:1:11; 1:3:12; 1:3:15 (на 1ч. цемента берут от 1 до 3 ч. извести и от 6 до 15 ч. песка). Лучшие растворы для оштукатуривания фасадов состава 1:1:6 и 1:2:8. Состав раствора указывается в проекте или назначается техническим персоналом строительства.
Растворы можно приготовлять разными способами. В одном случае из цемента и песка приготовляют сухую цементную смесь. Известковое тесто разводят водой до густоты сметаны, например с осадкой стандартного конуса 12 см. На одну объемную часть известкового теста берут от 6 до 15 ч. сухой смеси, все перемешивают до полной однородности, по необходимости добавляя воду. В другом случае сначала приготовляют известковый раствор и 6-15 ч. известкового раствора смешивают с 1 ч. цемента, а затем все перемешивают.
Цементные растворы применяют составов от 1:1 до 1:6, т.е. на одну часть цемента берут от 1 до 6 ч. песка. Лучшим можно считать состав 1:3. Этот раствор не очень жирный и не очень тощий, мало трескается, его удобно наносить.
Обычно эти растворы приготовляют в виде сухой цементной смеси, подают на рабочие места и там добавляют по потребности воду. Объясняется это тем, что цементные растворы нужно употреблять в дело в течение часа с момента их приготовления.
Раствор наносят как вручную (лопаткой, совками и ковшами), так и с помощью машин и механизмов.
При оштукатуривании фасадов любыми растворами соблюдается такая технологическая последовательность. В первую очередь подготовляют поверхности: очищают их от пыли и грязи, делают насечку или набивку драни. Затем провешивают поверхности (отвесом массой 1-2 кг), устраивают марки и маяки. После этого приступают к оштукатуриванию; сначала наносят обрызг, затем грунт, по грунту накрывку и выполняют затирку.
Отделка всегда ведется сверху вниз. В зданиях с карнизом сначала на стены под карнизом наносят грунт, навешивают правила 1 (рис.4) и вытягивают венчающий карниз. Правила должны быть прочно укреплены, так как венчающие карнизы обычно имеют большой вынос. Нижнее правило крепят к стене или опирают на кронштейн 3. Навешивая правила для вытягивания карнизов на фасадах, рекомендуется нижние концы правил выпускать за угол стены на длину, равную длине салазок. Верхние концы должны выходить за конец тяги на 80-100 мм, чтобы шаблоном 2 можно было полностью до самого конца (усенка) вытянуть карниз.

Рис.4. Положение правил при вытягивании карнизов на углах фасада:
1 – правила, 2 – шаблон, 3 – кронштейн
Существует два способа навешивания правил.
Первый способ (рис.5, а). Нижнее правило навешивают обычным способом, а верхнее 3 с помощью планок 2 прикрепляют к тонкому бревну 1 (подтоварнику) или к толстым доскам, уложенным в водосточный желоб. Запрещается подбивать планки под желоба для крепления правил, потому что планки поднимут желоб, а забиваемые гвозди пробьют кровлю.

Рис.5. Способы (а, б) навешивания правил для вытягивания венчающих карнизов:
1 – бревно, 2 – планка, 3 – правила, 4 – упорный полозок, 5 – профильная доска,
6 – салазки, 7 – полозок, 8 – зажим, 9 – кронштейн
Второй способ (рис.5, б). Салазки 6 шаблона делают шириной 400-500 мм. Шаблоны передвигают по двум нижним правилам 3, укрепленным на деревянных кронштейнах 9. Расстояние между правилами составляет 400-300 мм, что придает устойчивость шаблону. Деревянные кронштейны 9 ставят на расстояние 2-3 м один от другого. Это расстояние можно несколько увеличить, если сделать более прочные кронштейны и утолщенные правила, не прогибающиеся при движении шаблона.
После вытягивания венчающего карниза приступают к оштукатуриванию стен. По ходу работ отделывают оконные откосы и наличники, вытягивают междуэтажные пояски, отделывают пилястры и другие архитектурные детали. Особо тщательно надо натирать лузги, усенки и фаски. Они должны быть строго вертикальными, а фаски совершенно одинаковыми по ширине.
Цоколь оштукатуривают после того, как полностью отделаны стены. Поскольку цоколь подвержен длительному воздействию влаги, его оштукатуривают цементным или смешанным раствором. Если по верху цоколя должна проходить тяга, ее вытягивают после того, как на цоколе будут устроены маяки, или после того, как он будет оштукатурен.
в) техника безопасности при выполнении штукатурных работ
При выполнении штукатурных работ надо иметь в виду три основных источника опасности:
возможности падения с высоты;
высокое давление в раствороводах;
токсичность некоторых красителей и вяжущих.
В связи с этим леса и подмости для штукатурных работ должны соответствовать проекту, нагрузки на них не должны превышать допустимых, а рабочие настилы, лестницы и переходы следует ограждать перилами.
Растворонасосы и раствороводы перед началом работы осматривают и опробируют. В процессе их действия следят, чтобы давление не превышало паспортное. Разбирать, ремонтировать и чистить растворонасосы и раствороводы можно только после снятия давления. Промывать и продувать шланги следует с особой осторожностью. Штукатуры, работающие с форсунками и соплами, должны быть связаны звуковой или световой сигнализацией с операторами растворонасосов. При нанесении раствора механическим путем, а также в процессе ручного набрызга должны быть надеты защитные очки. При применении пылевидных вяжущих веществ и красителей штукатуры кроме очков должны иметь респираторы. Особо токсичные красители — свинцовый сурик, медянку — не следует применять в растворах для декоративной штукатурки.
г) инструменты для штукатурных работ
Инструменты для штукатурных работ применяют для нанесения и разравнивания раствора: сокол — устройство для переноса в одной руке раствора на рабочее место, кельма для срезами раствора с сокола и нанесения растворной смеси на отделываемую поверхность. Для разравнивания раствора применяют полутерки, правши шаблоны и др. (рис. 6.).
Подвижность или густоту штукатурной раствора определяют стандартным конусом. На конце по его образующей нанесено 15 делений на расстоянии 1 см один от другого. Масса конуса 300 г. При определении подвижности раствора конус опускают вертикально. Глубина погружения конуса (в см) показывает величину стандартной подвижности (густоты). Выбор подвижности раствора определяется поверхностью на которую наносится раствор, слоем штукатурки качеством штукатурных работ и трудоемкостью производства штукатурных работ.

Рис. 6. Инструмент для ручного оштукатуривания: 1 — сокол, 2 — кельма,
3 — совок-лопата, 4 — полутерок, 5 — контрольное правило, 6 — отрезовка,
7 — нож, 8 — терка, 9 — кисть-окамелок, 10 — терка-шаблон для лузг,
11 — терка-шаблон для усенков.
Окраска фасада неводными составами
по ранее окрашиваемой поверхности
а) общие положения
Перед окраской фасадов должны быть закончены кровельные работы по покрытию скатов крыш, желобов, карнизов, колпаков дымовых труб, фасадных поясков, сандриков, сливов, а также по устройству водосточных труб, устроены балконы и их ограждения; выполнены штукатурные в том числе ремонт тяг, карнизов, рустов, колонн, пилястр, а также лепных деталей; тщательно заделаны и затерты штыки стеновых панелей и блоков; оштукатурены и облицованы цоколи, устроены отмостки вокруг здания; исправлены поврежденные поверхности стен.
Фасады не следует окрашивать в следующих случаях: в сухую жаркую погоду при прямом воздействии солнечных лучей; во время дождя, а также по сырой поверхности (после дождя) масляными эмалевыми, эмульсионными, синтетическими, перхлорвиниловыми и силикатными составами; при сильном ветре зимой по наледи.
Наружные поверхности окрашивают водными и неводными составами в определенной технологической последовательности (табл.1)
При отделке ранее окрашенных фасадов, как правило, необходимо удалить слои предыдущих красок с помощью пескоструйных установок. После сухой очистки фасада пыль обдувают сжатым воздухом, а после мокрой — промывают чистой водой.
При ремонте фасада необходимо следить за однородностью фактуры всех поверхностей. Поэтому после очистки фасада от набелов штукатурку ремонтируют, применяя растворы, приготовленные на мелкозернистом песке. Кирпичные и бетонные поверхности очищают от копоти и пыли и окрашивают без дополнительной обработки. Пятна от солей, выносимых на поверхность капиллярной влагой, гидрофобизируют кремнийорганическими составами.
Из неводных составов для окрашивания фасадов могут быть использованы перхлорвиниловые и полимерцементные
Перхлорвиниловые составы. Поверхности окрашивают два раза одним и тем же составом с помощью ручных краскораспылителей или валиков. Кистями окрашивают оконные откосы, узкие тяги, лепные детали и т.п. Второй слой наносят через 24 ч после высыхания первого.
Перхлорвиниловые краски применяют в зимнее время при температуре до -20° С. При отрицательных температурах мыльный раствор в составы не вводят. В дождливую погоду, а также по сырому основанию окрашивать фасады не разрешается. Окрашивать фасады при температуре выше +4° С запрещается. Перед применением краску выдерживают в теплом помещении в течение 8...12 ч для уменьшения ее вязкости. Загустевшую краску разбавляют растворителем. Цвет подгоняют смешиванием готовых перхлорвиниловых красок различных цветов. Добавлять в краску пигменты или краски, приготовленные на другой основе, запрещается.
Наносят краску на поверхность, предварительно огрунтованную белой грунтовкой.
При окраске фасадов заселенных домов окна квартир должны быть плотно закрыты.
По окончании работ кисти, валики и краскораспылители промывают сольвентом.
Полимерцементные составы. Применяют при наружной отделке бетонных, кирпичных, каменных, оштукатуренных поверхностей (влажностью до 8%), а также металлических конструкций.
Краска на дисперсии ПВА рекомендуется для применения в летнее время, а на дисперсиях ПХВ — преимущественно в зимнее время. Составы хорошо отвердевают и не дают отслоений при нанесении их толстым слоем, поэтому полимерцементными красками можно окрашивать относительно неровные поверхности.
Для получения долговечного покрытия основание тщательно очищают проволочными щетками от непрочных пленок, наплывов и обдувают сжатым воздухом; дефекты (раковины, трещины) шпатлюют. Гладкие поверхности окрашивают составами вязкостью 100...120 с по ВЗ-4. При относительно неровных поверхностях применяют более густые составы вязкостью до 200...300 с. Разбавляют составы сольвентом или ксилолом. Высоковязкие составы наносят с помощью установки СО-21А, распыляя состав удочкой, а менее вязкие — ручным краскораспылителем СО-71Б со щелевой насадкой с диаметром сопла 3,5 мм. При положительной температуре покрытие толщиной 0,3...0,5 мм высыхает за 1...1,5 ч.
б) технологические операции
Табл.1.
Технологические операции, выполняемые
при подготовке к окрашиванию наружных поверхностей
|
Технологическая операция |
Составы |
|||||
|
Силикат-ные |
Известко-вые и цементные |
Эмульси-онные синтети-ческие |
Перхлор-виниловые |
Масляные и эмалевые |
Полимер-цементные и вязкие цементные |
|
|
Очистка поверхности Расшивка трещин Подмазка Шлифование Шпатлевание Шлифование Смачивание водой Огрунтовка Первая окраска Вторая окраска |
+ + + + - - - + + + |
+ + + + - - + + + + |
+ + + + + + - + + + |
+ + + + + + - - + + |
+ + + + + + - + + + |
+ + + + - - + + + + |
Примечания: 1.Поверхности смачивают перед нанесением цементных красок. 2.Знаком «+» обозначены процессы, выполнение которых обязательно при соответствующем виде окраски.
в) дефекты неводных красок
Окрашенная поверхность неводными красками должна иметь заданную фактуру: однородную гладкую глянцевую или матовую поверхность, без пропуска и пятен, без просвечивания нижележащих слоев и неровностей, вызванных плохо прочищенной шпаклевкой, без видимых крупинок краски, кусочков пленки, волоса от кисти и ее следов.
В случае обнаружения дефектов во время работы необходимо руководствоваться практическим анализом дефектов краски, причин их появления и способов устранения (табл.2).
Табл.2.
Дефекты неводных окрасок, причины их появления
и способы устранения
|
Дефекты |
Причины появления |
Способы устранения |
|
Пятна ржавые и темные |
Просачивание различных смолистых и масляных пятен, не удаленных с поверхности; применение в грунтовке фальсификатов олифы |
Ржавые и смолистые пятна просушить, промыть соляной кислотой и покрыть двумя-тремя слоями шеллачного лака; пятна другого происхождения соскоблить и промыть щелочной водой |
|
Пятна различного цвета, в том числе с непросыхающей краской |
Окраска не просохшей на всю толщину штукатурки и применение щелочного клейстера вместо животного в шпаклевке |
Соскоблить окраску в местах образования пятен; нейтрализовать щелочь слабым раствором соляной кислоты; промыть чистой водой, высушить и окрасить заново с грунтовкой и шпаклевкой доброкачественным материалом |
|
Отслоение верхнего красочного слоя при окрасках по прежде окрашенным поверхностям (краска отслаивается тонкими пленками) |
Окраска по загрязненной поверхности или по поверхностям окрашенным ранее восковыми составами |
Очистить пемзой окраску, промыть поверхность мыльной, а затем чистой водой и окрасить заново |
|
Грубая фактура окраски |
Недостаточно прошпаклеванная поверхность или недостаточно прочищена пемзой шпаклевка: окраска непроцеженным колером; неправильное торцевание |
Прочистить поверхность пемзой и шкуркой, окрасить заново |
|
Сетка трещин на окрашенной поверхности |
Окраска по недостаточно просохшему слою грунта |
Прочистить поверхность пемзой и шкуркой, окрасить заново |
|
«Прорастание» цветного тона старой окраски |
Выполнение предыдущей окраски на пигментах, растворяющихся в масле новой окраски (асфальт, заменители киновари и др.) |
Покрыть поверхности после высыхания новой окраски двумя-тремя слоями спиртового шеллачного лака и вновь окрасить |
|
Следы кисти |
Небрежность работы: применение слишком густой краски, недостаточно расфлейцованной |
Прочистить поверхность пемзой и шкуркой и вновь окрасить |
|
Потеки |
Жидкая краска; недостаточная растушевка (кисть «обрезается» на острых ребрах граней) |
То же |
|
Стыки |
Окраска одним маляром больших площадей скоросохнущей краской в несколько захваток вручную |
Окрасить одновременно и две-три захватки (в зависимости от длины) |
|
«Крокодилова кожа» |
Окраска недостаточно высохшей подготовки быстросохнущей краской |
Прочистить поверхность пемзой и шкуркой, проолифить, прошпаклевать и окрасить заново |
|
Низкая укрывистость |
Применение лессировочного пигмента (сиены, литопона и др.); применение грунтовок не под цвет окраски |
Окрасить дополнительно |
|
Задержка высыхания |
Применение задерживающих высыхание пигментов (сажи сиены, цинковых белил, краплака и др.); наличие в олифе примесей (минеральных масел и т.д.) |
Растушевать с добавлением сиккатива |
|
Длительный «отлип», сальная поверхность |
Недоброкачественная олифа |
Промыть с помощью чистых кистей или холодной, несколько подкисленной водой с помощью губки |
г) виды неводных составов
Изопреновая краска СКИ-3
Изопреновая краска СКИ-3 представляет собой смесь пигментов и на-полнителей в синтетическом связующем, состоящем из раствора изопренового каучука в уайт-спирите с добавлением олифы и сиккативов.
Краску готовят в шаровых мельницах, загружая компоненты в определенной последовательности (раствор каучука в уайт-спирите, пигмент, сиккатив и натуральную олифу) (% по массе):
синтетический изопреновый каучук — 4,5; натуральная олифа — 5; цинковые белила — 44,9; ультрамарин — 0,1; сиккатив — 5; уайт-спирит — 40,5.
Краска предназначена для внутренних и наружных работ по дереву штукатурке, железобетону и загрунтованному металлу. В качестве грунта применяют эту же краску, разбавленную уайт-спиритом до вязкости 45-60 с (по ВЗ-4).
Краску (после тщательного перемешивания) на поверхность наносят кистью, валиком (вязкость 100–200 с) и распылителем (вязкость 50–80 с) в два слоя, последующий слой наносят после высыхания предыдущего. Время высыхания каждого слоя при температуре (20 ± 2) °С — 24 ч.
Расход краски на 1м2 поверхности при двухслойном покрытии 300–400 г.
Характеристика краски СКИ-3: условная вязкость при (20±0,5)°С— 50–200 с; степень перетира — не более 100 мкм; укрывистость — не более 220 г/м2; время высыхания при (20±0,5)°С — не более 24ч.
Поверхность фасадов под изопреновые краски выравнивают шпатлевками, изготовленными на растворе изопренового каучука с добавлением сиккатива-экстракта, мела. Прошпатлеванный слой после высыхания должен быть ровным, без царапин, пузырей, трещин и механических включений. Время высыхания шпатлевочного слоя при (20±2)°С — 48 ч. Шпатлевку наносят на поверхность шпателем.
Перед нанесением краски шпатлевку шлифуют шлифовальной шкуркой зернистостью 4–6 при смачивании водой и выдерживают на воздухе при температуре (20±2)°С в течение часа. Расход — 250–270 г/м2.
Кремнийорганические составы
Для отделки фасадов зданий применяют различные кремнийорганические эмали (например, КО-174, «силал-80»).
Эмаль КО-174 представляет собой суспензию пигментов и наполнителей в кремнийорганическом лаке КО-85, разбавленном растворителем (смесью бутилацетата, ацетона, ксилола и толуола). Твердеет эмаль в результате испарения растворителя. После высыхания образует однородную полуматовую пленку. Цвет высохшей пленки должен соответствовать эталону.
Вязкость эмали по вискозиметру ВЗ-1 (сопло 2,5 мм) при температуре 20°С — 25–40с, содержание сухого остатка — 28% (не менее). Время высыхания при температуре 18–25°С (не более) — 2 ч. Прочность пленки при изгибе по шкале гибкости не более 3 мм; твердость по маятниковому прибору — 0,32 (не менее).
Эмаль обладает хорошей адгезией к бетону, а покрытие из нее — высокой прочностью, водонепроницаемостью и долговечностью и выдерживает более 200 циклов переменных воздействий положительных и отрицательных температур, увлажнения и облучения в климатических камерах. Эмаль изготовляют различных цветов (белого, желтого, кремового, голубого, розового) на химических заводах и доставляют на строительные объекты в готовом к употреблению виде.
Загустевшую эмаль разбавляют разжижителем Р-5 (смесь 30% бутилацетата, 30% ацетона и 40% ксилола) до рабочей вязкости 25–35 с (по ВЗ-1) и тщательно перемешивают.
Перед нанесением эмали фасад очищают от пятен, грязи, пыли, непрочной пленки металлическими щетками, стальным скребком или шпателем, сглаживают недостаточно тщательно офактуренные бетонные поверхности, удаляя с них зерна песка и следы затирки лещадью или торцом сухого бруска из древесины хвойных пород. Затем обдувают сжатым воздухом или обрабатывают пылесосами. Обязательно проверяют влажность бетона, которая не должна превышать 8%.
Наносят эмаль за два-три раза кистями, малярными валиками или краскораспылителями, каждый последующий слой через 1–2 ч после нанесения предыдущего. Для улучшения декоративных свойств на полностью высохшее эмалевое покрытие дают набрызг этой же эмали другого цвета.
На окрашенных поверхностях не допускаются пятна, отлипы, морщины, потеки, пропуски и просвечивание нижележащих слоев эмали.
Эмали токсичны, поэтому их применяют только для наружных работ при температуре ниже 4°С. При длительном воздействии на дыхательные пути эмали оказывают наркотическое действие и раздражают слизистую оболочку, поэтому рабочие должны пройти инструктаж о правилах техники безопасности при работе с эмалями, а технический персонал строительного объекта должен следить за строгим их соблюдением.
Дефекты на поверхности, окрашенной кремнийорганической эмалью, причины их возникновения и способы устранения в основном такие же, как и для перхлорвиниловых окрасок.
Краска «силал-80» представляет собой суспензию пигментов и наполнителей в смеси силиконового и алкидно-стирольного лаков и предназначена для декоративной и защитной отделки наружных элементов зданий, сооружений и конструкций из бетона, кирпича, асбестоцемента и оштукатуренных поверхностей. Может быть использована при отделке новых поверхностей и при ремонте зданий. Ее можно наносить на поверхности, ранее окрашенные перхлорвиниловыми кремнийорганическими красками, импортными составами типа «Фасадекс», «Колофас» и др.
Состав краски (% по массе): лак «силикон 1» (полиметилфенилсилоксан) — 9,26; алкидно-стирольный лак — 20,4; двуокись титана — 20,3; мел — 39,34; модифицированный аэросил — 0,2; диоктилфталат — 1,2; ксилол — 9,3.
Перед окраской бетонные поверхности подготавливают: заделывают трещины, раковины составом, приготовленным по следующему рецепту: краска «силал-80», мел, песок — по 20, акрилатные олигомеры — 10, цемент — 30.
Состав готовят в лопастной мешалке: последовательно загружают краску, акрилатные олигомеры и наполнители; все перемешивают в течение 25–30 мин до получения однородной массы вязкостью 14–16 см (по стандартному конусу).
Краску наносят кистью, валиком и краскораспылителями за два раза. Для первого грунтовочного слоя краску разбавляют ксилолом до вязкости 40–50 с (по ВЗ-4), после высыхания грунтовочного слоя красят составом вязкостью 60–100с (кистью или валиком) или 50–60с (распылителем).
Характеристика краски «силал-80»: вязкость (по ВЗ-4) при температуре 20°С — не менее 50 с; степень перетира — не более 70 мкм; время высыхания при (20±0,5)°С — не более 20 ч; укрывистость — не более 120–180 г/м2.
Органосиликатные и акриловые составы
Органосиликатные составы. Одна из наиболее прочных фасадных красок — краска ВН-30 — представляет собой двухкомпонентный состав из собственно краски и отвердителя (бутилтитаната), которые перед применением тщательно перемешивают. Краска твердеет в результате химической реакции между компонентами, обладает высокой термостойкостью и электроизоляционными свойствами, низкой теплопроводностью, гидрофобностью, тро-пикоустойчивостью, грибостойкостью, устойчивостью к действию излучений, влаги, агрессивных сред, хорошей адгезией к металлам, стеклу, бетону, кирпичу, керамике и другим материалам.
Вязкость (по ВЗ-4) при 20°С — 20–100 с, содержание сухого остатка — не менее 50%, время полного высыхания покрытия при 15—35°С — не более 24 ч.
Высушенное покрытие должно быть однородным, гладким, без пузырей и трещин. Стойкость покрытия к перепаду температур от минус 60 до плюс 300°С — не менее 3 циклов без растрескивания и шелушения, видимых в лупу с четырехкратным увеличением. Краска должна ложиться ровным слоем без рябин и потеков. Срок службы покрытия толщиной 150–200 мкм — не менее 12 лет.
Краску ВН-30 выпускают различных
цветов и поставляют комплектно
с
отвердителем, который вводят в краску
(1% от массы краски) при механическом,
перемешивании в тех же банках, в которых
краска поступила с
завода-изготовителя,
в течение 3–4 ч на специальной
установке типа «пьяная бочка» (частота
вращения установки 120 об/мин). Перемешанный
состав
испытывают на однородность
путем определения вязкости, при этом
отбирают три пробы из разных мест
банки. Состав считается однородным,
если
показатели вязкости всех проб совпадают.
Рабочая вязкость краски —
18–25
с (по ВЗ-4). При необходимости состав
разбавляют до рабочей вязкости
толуолом.
Жизнеспособность отвержденной краски ВН-30, подготовленной к окраске, от 24 до 40 ч в зависимости от количества отвердителя. Краска ВН-30 обладает большой адгезией к бетону и металлам, легко наносится при температуре от –40 до +40°С как валиком, так и краскораспылителем, быстро высыхает (30 мин), что сокращает промежутки между нанесением отдельных слоев. Высохшее покрытие отличается высокой прочностью, его легко ремонтировать, места ремонта не выделяются на общем фоне покраски. Покрытия из краски ВН-30 можно промывать водой и моющими средствами.
Расход краски при двухслойном покрытии валиком по бетону 400, по металлу — 300 г/м2. Краску наносят по сухим поверхностям, очищенным от пыли, смазочных масел, наплывов раствора (на бетоне), ржавчины, окалины (на металле) и других загрязнений.
При пульверизации сопло
краскораспылителя устанавливают
диаметром 1,8–2 мм и
настраивают на круглую струю. В
процессе применения краску периодически
перемешивают вручную. При хранении
и перевозке
краска
расслаивается, в результате чего
образуется плотный осадок, поэтому
перед употреблением ее тщательно
перемешивают на механизме типа «пьяная
бочка».
При хранении и работе с краской ВН-30 соблюдают правила техники безопасности, предусмотренные СНиП Ш-4–80.
Дефекты на поверхности, окрашенной органосиликатной краской, причины их возникновения и способы устранения в основном те же, что и для перхлорвиниловых красок.
Акриловые составы. Краска АК-126 предназначена для наружной (и внутренней) окраски бетона, кирпича и штукатурки, представляет собой суспензию пигментов и наполнителей в неводной акриловой дисперсии НАД-1 с целевыми добавками.
После высыхания краска должна образовывать однородную, матовую, без посторонних включений пленку; цвет ее должен соответствовать эталону. Вязкость (по ВЗ-4) при температуре 20°С — 50–80 с; степень перетира — не более 40 мкм; укрывистость — не более 100 г/м2, время высыхания при температуре (20±2)°С от пыли — не более 1,5, полного — 24 ч.
Краску АК-126 вязкостью 30–40 с (по ВЗ-4) наносят методом пневматического распыления, вязкостью 50–60 с — кистью или валиком. До рабочей вязкости краску разбавляют уайт-спиритом. Перед окраской поверхности грунтуют этой же краской, разбавленной уайт-спиритом до вязкости 20 с (по ВЗ-4). Грунтовку наносят валиками или краскораспылителем за два раза: второй слой через 24 ч после первого. Фасады, окрашенные акриловой краской АК-126, имеют красивый внешний вид.
Акриловая краска «Виана» получила широкое распространение для отделки интерьеров и фасадов зданий.
Краску готовят в шаровых мельницах, последовательно загружая винил-толуолакриловый сополимер, пластификатор, уайт-спирит и наполнители.
Условная вязкость при температуре (20±0,5)°С (по ВЗ-4) — (не менее) 60; время полного высыхания краски при температуре (20 ± 2) °С — 24 ч.
Перед окраской поверхность огрунтовывают тем же составом, разбавленным уайт-спиритом до вязкости 50–60 с (по ВЗ-4).
Вручную поверхность окрашивают краской «Виана» вязкостью 80–100 с (по ВЗ-4), распылителем — вязкостью 60–80 с.
Офактуривающие составы
Офактуривание поверхностей —
это малярная отделка поверхностей
с
применением наполненных (офактуривающих)
составов (изофас, виапласт,
дефас), в
которых в качестве связующих компонентов
используют синтетические полимерные
материалы в виде суспензий в растворителе
или готовые краски, в качестве наполнителей
— маршаллит, перлит, мел, асбест и др.,
полимерные материалы в виде порошков,
крошек и капсул.
Применение офактуривающих составов позволяет значительно сократить операции по подготовке поверхностей, скрыть дефекты в виде неровностей, раковин, трещин, сократить затраты ручного труда и в целом трудозатраты не менее чем в полтора-два раза по сравнению с традиционными методами отделки.
В зависимости от размера частиц наполнителей и способов нанесения можно получать разнообразные виды декоративно-защитных покрытий, обладающих высокой долговечностью и декоративностью. В зависимости от технологии нанесения и требований, предъявляемых к декоративной отделке, применяют офактуривающие составы различной консистенции (от легко текучей до состава в виде пасты).
Перед нанесением офактуривающих составов поверхности грунтуют полимерными составами (разбавленными растворителем), на основе которых подготовлены офактуривающие составы.
Поверхности, отделанные офактуривающими составами, должны быть однотонными, без пятен, полос, потеков, волосяных трещин и пропусков. Во избежание разнотонности покрытия для окраски всего фасада используют состав одной партии.
Офактуривающие составы поступают на стройку в готовом для употребления виде. При хранении офактуривающих составов соблюдают следующие правила: при хранении на открытом воздухе составы предохраняют от действия прямых солнечных лучей и влаги; бидоны (бочки) складируют в устойчивые штабели один на другой не более двух или на поддонах не более двух-трех рядов; штабели укладывают по партиям. Между штабелями оставляют проходы, обеспечивающие нормальные условия труда и пожарную безопасность.
В зависимости от требований, предъявляемых к декоративности отделки, офактуривающие составы наносят с помощью шубных или резиновых валиков или для получения толстого слоя — маховыми кистями, макловицами, шпателями, а затем обрабатывают различными приемами.
Офактуривание можно выполнять механизированным способом с применением установки воздушного (типа СО-21А) и агрегата безвоздушного (типа 7000 Н) распыления. При механизированном способе нанесения составы процеживают через вибросита.
Перед нанесением офактуривающих составов поверхности грунтуют, затем по высохшему грунту наносят офактуриваюший состав за один раз. Состав «изофас» приготовляют (в % по массе) из изопреновой краски СКИ-3 — 60, сепарированного мела — 35, мелкого перлита — 5. Им отделывают любые поверхности (бетонные, гипсобетонные, оштукатуренные, деревянные) фасадов и интерьеров жилых и общественных зданий.
В качестве грунтовочного состава используют краску СКИ-3, разбавленную уайт-спиритом до вязкости 35–40 с (по ВЗ-4). Средний расход состава 0,9 кг/м2.
В состав «виапласт» входят (в % по массе): винилтолуолакриловый сополимер — 17, лецетин — 0,05, аэросил — 0,45, уайт-спирит — 15,9, двуокись титана — 9,7, мел — 23,1, маршаллит — 30,9, перлит — 2,9.
Для получения цветных составов вводят разнообразные пигменты (например, железноокисный, фтацианиновый, охру, лазурь).
Состав перед применением тщательно перемешивают. В качестве грунтовочного состава используют краску «Виана», разбавленную уайт-спиритом до вязкости 35–40 с (по ВЗ-4), средний расход состава 0,2 г/м2.
Офактуривающий состав наносят по высохшему грунту не ранее чем через 1,5–2 ч.
Покрытия из синтетического состава «дефас» отличаются высокой атмо-сферо-, морозо- и водостойкостью. В состав входят (в % по массе): водоэмульсионная поливинилацететная краска Э-ВА-17 — 35–40, песок нормальный (вольский) или песок для строительных работ — 35–40, маршаллит — 20–30. В зависимости от крупности наполнителя — песка (фракции от 0,6 до 1,5 мм) получают различные по фактуре покрытия.
Краска Э-ВА-17, вводимая в состав «дефас», должна быть щелочестойкой и водостойкой. При пониженной водостойкости в краску Э-ВА-17 постепенно вводят дибутилфталат (по 2–3% от массы пробы) с периодической проверкой водостойкости состава.
Состав «дефас» представляет собой однородную массу, без комков. Цвет состава должен соответствовать эталону.
Удобонаносимость по горячим поверхностям температурой до 40°С (в заводских условиях) и по холодным поверхностям температурой 18–20°С — хорошая; время высыхания по горячим поверхностям: от пыли — 20 мин, практическое — 2 ч; по холодным поверхностям: от пыли — 35 мин, практическое — 4 ч. Краска сохраняет свои свойства при температуре не ниже +5°С не менее 3 месяцев. Средний расход состава — 0,9 кг/м2.
Приготовляют состав «дефас» в
лопастном смесителе: загружают краску
Э-ВА-17, к ней добавляют сухой просеянный
маршаллит и массу перемешивают до
полного смачивания маршаллита. Не
прекращая перемешивания, в состав
вводят песок и продолжают перемешивать
до получения
однородной массы
удобонаносимой консистенции. Консистенцию
определяют путем погружения 12-граммового
деревянного пестика, установленного
в штативе иглы Вика. Продолжительность
испытаний 5 мин при температуре 18–20°С.
Готовую однородную массу выдерживают
в течение 20–30 мин до получения
однородной массы. Готовый состав
затаривают в жестяные плотно закрывающиеся
бидоны.
Перед нанесением состава поверхность очищают от загрязнений, грунтуют краской Э-ВА-17, предварительно разведенной водой до вязкости от 15 до 40 с (по ВЗ-4) соответственно для горячих и холодных поверхностей. При разведении воду в краску добавляют небольшими порциями, при этом состав постоянно перемешивают и периодически проверяют его вязкость во избежание чрезмерного разжижения грунтовочного состава.
Состав наносят по высохшей грунтовке механизированным способом с помощью установки СО-21А или вручную с помощью мехового валика один раз.
Во избежание разнотонности
покрытий для окраски всего фасада
используют
цветной состав одной партии. Поверхности,
окрашенные составом «дефас», должны
быть однотонными, без пятен, полос,
потеков, волосяных трещин и пропусков.
Работу с составом необходимо производить с соблюдением правил техники безопасности согласно СНиП Ш-4–80.
д) техника безопасности
При производстве малярных и обойных работ необходимо выполнять следующие требования по охране труда.
При изготовлении красочных составов и окраске необходимо предохраняться от токсичности красителей и растворителей. Особенно нужно быть осторожным при работе с красками, приготовленными на свинцовых или медных пигментах. Так как краски могут вредно влиять на организм не только через легкие, но и через желудок, перед едой нужно тщательно мыть руки.
При малярных работах внутри помещений, особенно при окраске масляными составами, следует обеспечить естественную или искусственную вентиляцию, которая особенно необходима при окраске горячих приборов отопления и труб.
Длительное пребывание рабочих в закрытых свежеокрашенных помещениях запрещается, так как процесс отвердевания масляной сопровождается поглощением кислорода и выделением углекислоты.
Красочные составы, шпаклевки и грунтовки следует приготовлять только в специальных колерных мастерских, оснащенных соответствующим оборудованием и хорошей вентиляцией. Курить в колерной мастерской нельзя.
При работе с каустической содой нужно обязательно надевать предохранительные очки и резиновые перчатки. В случае ожога кожи каустической содой необходимо немедленно промыть место ожога холодной водой, затем 2 - 3 процентным раствором уксусной кислоты и вновь водой.
Работать с некоторыми видами растворителей, например, с сольвентом, также надлежит в резиновых перчатках, а с крепкими кислотами и едкими щелочами — в резиновых перчатках, в сапогах, в плотной брезентовой одежде и обязательно в предохранительных очках. Категорически запрещается лить воду в серную так как кислота при этом сильно нагревается и разбрызгивается. Разбавляя серную кислоту, ее вливают в воду малыми дозами.
При окраске кровель с большим уклоном следует пользоваться стремянками, прикрепленными к коньку кровли, и работать с предохранительными поясами. Механизированную окраску можно производить только в респираторах и специальной одежде, а также в предохранительных очках с чешуйчатой оправой.
Разогретые материалы — битум, канифоль и пр., необходимые для приготовления лаковых составов, переносить можно только в закрытой посуде, а разбавлять растворителями в другом помещении вдали от огня. При работе с огнеопасными составами, содержащими керосин и скипидар, а также с нитролаками и перхлорвиниловыми лаками и красками запрещается курить, зажигать огонь, оставлять материал без присмотра. Рабочие, имеющие дело с вредными составами, регулярно раз в три месяца должны проходить медицинский осмотр.
В строящихся зданиях, как правило, нет постоянно действующей вентиляции, способной обеспечить нормальные условия труда при работе с окрасочными механизмами, поэтому для защиты органов дыхания используют фильтрующие респираторы.
Респиратор выдают каждому рабочему и закрепляют за ним под определенным номером. Ежедневно до начала работы следует проверять его исправность. После окончания работы респиратор нужно сдавать в респираторную для очистки и в случае необходимости для ремонта. Во время работы порой становится трудно дышать, и этом случае следует немедленно проверить фильтр и, если он забит пылью, заменить его. Иногда запыленный воздух просачивается под респиратор. В этом случае следует проверить, плотно ли прилегает респиратор к лицу рабочего, не загрязнен ли вдыхательный клапан, достаточно ли эластична резина у клапанов, не повреждена ли прокладка между ними, цел ли бумажный фильтр.
Следы неводных красочных составов с поверхности кожи маляры удаляют песком, опилками, а чаще всего органическими растворителями: керосином, бензином-растворителем и даже сольвентом. Из всех органических растворителей, применяемых в маляр ном деле, сольвент наиболее ядовит, он раздражает кожу и отравляет весь организм, так как легко всасывается через кожу.
При пульверизационной окраске кожные покровы не только загрязняются краской, подвергаясь действию растворителей, кожа становится сухой, шелушится, а иногда трескается, что вызывает болезненные ощущения. Для защиты кожных покровов применяются пасты, приготовляемые из различных смягчающих кожу материалов. Эти пасты имеют профилактическое значение. Перед их нанесением руки нужно мыть мылом и вытирать досуха. Затем 6 - 8 г пасты растирают между ладонями, после чего втирают в кожу, равномерно распределяя пасту по всей поверхности открытой части рук. Нанесенному составу дают просохнуть, чтобы образовался ровный сухой покров. После работы вначале смывают пасту, а затем моют руки в теплой воде с мылом.
Состав паст ПМ - 1, используемый для защиты кожи, указан ниже.
Паста ПМ - 1
Крахмал (картофельная мука)…14,1 г
Вода……………………………...43,6 мл
Белая глина………………………10,1 г
Тальк……………………………..8,1 г
Желатин………………………….2,0 г
Глицерин…………………………12,6 г
Вазелиновое масло………………7,5 г
Салициловая кислота……………0,3г
Спирт этиловый………………….1,7 г
Чтобы предупредить отравление красителями (в том числе и свинцовыми), рабочие должны соблюдать правила личной гигиены.
При пульверизационной окраске следует работать в плотно застегнутой спецодежде и головном уборе.
Чтобы быстро снимать краску, оседающую на лице, перед началом работ лицо рекомендуется смазывать очищенным вазелином. Перед умыванием вазелин вместе с краской легко удаляют с лица Для защиты рабочего от вредных и загрязненных веществ используется спецодежда. В качестве спецодежды используют куртку с брюками или комбинезон. Для спецодежды применяют плотные, гладкие неворсистые ткани: молескин, суровую или окрашенную бязь и др.
Спецодежду, загрязненную красками и лаками, погружают для очистки в бак с керосином и выдерживают в течение суток, после этого отжимают, погружают в щелочно-мыльный раствор и выдерживают в нем в течение часа, а затем кипятят и простирывают в этом же растворе. Использованный щелочно-мыльный раствор заменяют новым, в котором спецодежду кипятят еще 30 мин, после чего повторно простирывают. Дважды кипятят только очень загрязненную одежду, обычно же ее бывает достаточно один раз прокипятить и простирать, приводится рецепт щелочно-мыльного раствора.
Техническая каустическая сода (едкий натр)…0,03 кг
Мыло хозяйственное……………………………0,2
Вода………………………………………………10 л
Раствор готовится из расчета 10 л на 1 кг сухой спецодежды при двукратной стирке.
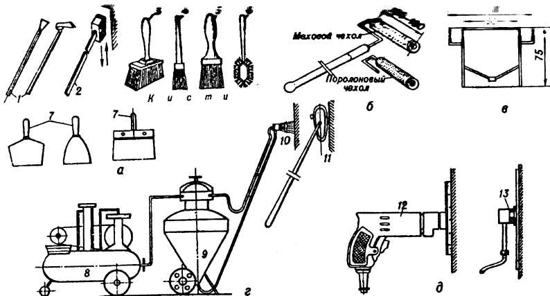
е) инструменты для малярных работ

Рис. 7. Инструменты и аппараты для малярных работ:
а — ручные инструменты, б — окрасочный валик, в — вискозиметр ВЗ-4, г — агрегат для нанесения шпаклевки, д — шлифовальные машины, 1 — скребки, 2 — держатель для лещади, 3 — макловица, 4 — ручник, 5 — флейц, 6 — кисть для окраски радиаторов, 7 — шпатели, 8 — компрессор, 9 — пневмонагнетательный аппарат, 10 — форсунка для нанесения шпаклевки, 11 — приспособление для шлифовки вручную, 12 — шлифовальная машинка (электрическая), 13 — то же, пневматическая.
Вывод
Сегодня в строительной отрасли нет проблемы важнее, чем проблема подготовки высококвалифицированных кадров строительных рабочих. Законы экономики требуют постоянного совершенствования мастерства рабочих с учетом последних мировых достижений науки и техники. В решении этой важнейшей задачи совершенствования строительного производства каждый учащийся, каждый рабочий обязан хорошо овладеть своей профессией, непрерывно совершенствовать приемы труда, повышать производительность труда, добиваться улучшения качества и снижения стоимости строительства.
Список литературы
Белогуров В.П., Чмырь В.Д. Справочник молодого маляра. М.: Высшая школа, 1992. – 208 с.
Белоусов Е.Д. Технология малярных работ: Учеб. для сред. ПТУ. М.: Высшая школа, 1985. – 240 с.
Ивлиев А.А. Отделочные строительные работы: Учеб. для нач. проф. образования. М.: Издательский центр «Академия», 2004. – 488 с.
Шепелев А.М. Штукатурные декоративно-художественные работы: Учеб. для проф.-техн. учеб. заведений и повышения квалификации рабочих на производстве. М.: Высшая школа, 1974. – 197 с.
Шепелев А.М. Штукатурные работы: Учеб. для проф.-техн. училищ. М.: Высшая школа, 1983. – 144 с.
2