Подготовительные работы в строительстве
Содержание
1.Введение
2. Определение объемов работ
2.1. Определение объемов работ по планировке участка
2.2. Определение объемов работ по разработке котлованов и траншей 2.3Определение объемов работ по ручной или механической зачистки дна котлованов и траншеи
3. Водопонижение уровня грунтовых вод.
4. Выбор способа производства работ и подбор состава машин для комплексной механизации производства работ
4.1. Предварительный выбор ведущей машины по техническим параметрам.
4.2Подбор экскаватора для отрыва траншеи и котлованов
4.3 Транспортирование грунта
4.4 Разработка грунта бульдозером
4.5 Разработка рыхлителем
4.6 Эксплуатационная производительность катка.
5. Калькуляция трудовых работ.
6. Мероприятия по технике безопасности.
7. Список использованной литературы.
1. Введение
Подготовительные работы - один из Важных этапов строительства зданий и сооружений. Они достигают 30 - 40 % продолжительности всего строительства. В этот период решаются Вопросы обеспечения строительства проектно-сметной документацией, строительство подъездных путей, Временных дорог внутри стройплощадки. Также решаются Вопросы электро-, водо- и теплоснабжения, организации поставки конструкций, оборудования, материалов; вопросы заключения договоров подряда и субподряда, оформление и разрешение и допуск на производство работ.
На первом этапе подготовительных работ выполняют снос строений, линий связи, электропередач, подземных коммуникаций и других сооружений препятствующих производству работ.
Для Водоснабжения строительства используют сети постоянного водопровода. Временные водопроводные сети устраивают из труб диаметром 25 - 150 мм, которые укладывают ниже глубины промерзания. В начальный период строительства используют Временные источники водоснабжения, передвижные электростанции. Тепло и пар передают от передвижных котельных установок.
Для обслуживания строительного производства и рабочих на площадке размещают культурно-бытовые и временные производственные здания.
До начала земляных работ в местах расположения действующих подземных коммуникаций должны быть разработаны и согласованы с организациями, эксплуатирующими коммуникации, мероприятия по безопасности условий труда.
Грунт, извлеченный из котлована или траншеи, следует размещать на расстоянии не менее 0,5м от бровки выемки.
Перед допуском рабочих в котлован или траншеи глубиной более 1,3 м должна проводиться проверке устойчивости откосов или креплений стен.
2. Определение объемов работ
2.1 Определение объемов работ по планировке участка
Объемы планировочных работ подсчитаны с помощью Excel по методическим указаниям к выполнению курсовой работы «Производство земляных работ» (Сост. Н.Г. Мамаев, С.Л. Машинова. – Йошкар-Ола: МарГТУ, 2004).
Полученные данные:
|
Сводная ведомость баланса земляных масс на площадке, м3 |
|||||||||
|
|
|
Объём работ |
|
|
|
|
Насыпь |
Выемка |
|
|
Основной в рядовых и переходных призмах |
|
|
-104585,42 |
105815,37 |
|||||
|
Дополнительный в откосах по контуру площадки |
|
|
-376,92 |
1413,23 |
|||||
|
Увеличение объёма грунта за счёт остаточного разрыхления |
|
|
2680,72 |
||||||
|
|
|
|
|
|
|
ИТОГО: |
-1044962,34 |
109909,32 |
|
|
Разница объёмов |
2,1 |
% |
|||||||
|
Объем выемки: 105815,37 м3 |
|||||||||
|
Объем насыпи: -104585,42 м3 |
|||||||||
|
№ |
Рабочие отметки, м |
h>1>+h>2>+h>3> |
V>призмы> |
V>пир> |
V>кл> |
Выемка |
Насыпь |
||
|
пр. |
h>1> |
h>2> |
h>3> |
м |
м3 |
м3 |
м3 |
м3 |
м3 |
|
1 |
2,16 |
1,27 |
1,71 |
5,14 |
8566,67 |
0,00 |
8566,67 |
8566,67 |
0,00 |
|
2 |
2,16 |
1,27 |
1,74 |
5,17 |
8616,67 |
0,00 |
8616,67 |
8616,67 |
0,00 |
|
3 |
1,74 |
0,87 |
1,27 |
3,88 |
6466,67 |
0,00 |
6466,67 |
6466,67 |
0,00 |
|
4 |
1,74 |
0,87 |
1,42 |
4,03 |
6716,67 |
0,00 |
6716,67 |
6716,67 |
0,00 |
|
5 |
1,42 |
0,53 |
0,87 |
2,82 |
4700,00 |
0,00 |
4700,00 |
4700,00 |
0,00 |
|
6 |
1,42 |
0,53 |
0,95 |
2,90 |
4833,33 |
0,00 |
4833,33 |
4833,33 |
0,00 |
|
7 |
0,95 |
0,24 |
0,53 |
1,72 |
2866,67 |
0,00 |
2866,67 |
2866,67 |
0,00 |
|
8 |
0,95 |
0,24 |
0,66 |
1,85 |
3083,33 |
0,00 |
3083,33 |
3083,33 |
0,00 |
|
9 |
0,66 |
0,17 |
0,24 |
1,07 |
1783,33 |
0,00 |
1783,33 |
1783,33 |
0,00 |
|
10 |
0,66 |
0,17 |
0,63 |
1,46 |
2433,33 |
0,00 |
2433,33 |
2433,33 |
0,00 |
|
11 |
0,63 |
0,11 |
0,17 |
0,91 |
1516,67 |
0,00 |
1516,67 |
1516,67 |
0,00 |
|
12 |
0,63 |
0,11 |
0,59 |
1,33 |
2216,67 |
0,00 |
2216,67 |
2216,67 |
0,00 |
|
13 |
1,71 |
0,78 |
1,25 |
3,74 |
6233,33 |
0,00 |
6233,33 |
6233,33 |
0,00 |
|
14 |
1,71 |
0,78 |
1,27 |
3,76 |
6266,67 |
0,00 |
6266,67 |
6266,67 |
0,00 |
|
15 |
1,27 |
0,31 |
0,78 |
2,36 |
3933,33 |
0,00 |
3933,33 |
3933,33 |
0,00 |
|
16 |
1,27 |
0,31 |
0,87 |
2,45 |
4083,33 |
0,00 |
4083,33 |
4083,33 |
0,00 |
|
17 |
0,87 |
0,31 |
-0,06 |
1,12 |
1866,67 |
-1,05 |
1865,62 |
1865,62 |
-1,05 |
|
18 |
0,87 |
0,53 |
-0,06 |
1,34 |
2233,33 |
-0,66 |
2232,68 |
2232,68 |
-0,66 |
|
19 |
-0,06 |
-0,40 |
0,53 |
0,07 |
116,67 |
452,21 |
-335,54 |
452,21 |
-335,54 |
|
20 |
0,53 |
0,24 |
-0,40 |
0,37 |
616,67 |
-179,21 |
437,46 |
437,46 |
-179,21 |
|
21 |
-0,40 |
-0,37 |
0,24 |
-0,53 |
-883,33 |
59,02 |
-824,32 |
59,02 |
-824,32 |
|
22 |
0,24 |
0,17 |
-0,37 |
0,04 |
66,67 |
-256,29 |
189,62 |
189,62 |
-256,29 |
|
23 |
-0,37 |
-0,35 |
0,17 |
-0,55 |
-916,67 |
29,16 |
-887,51 |
29,16 |
-887,51 |
|
24 |
0,17 |
0,11 |
-0,35 |
-0,07 |
-116,67 |
-298,74 |
182,07 |
182,07 |
-298,74 |
|
25 |
1,25 |
0,31 |
0,80 |
2,36 |
3933,33 |
0,00 |
3933,33 |
3933,33 |
0,00 |
|
26 |
1,25 |
0,31 |
0,78 |
2,34 |
3900,00 |
0,00 |
3900,00 |
3900,00 |
0,00 |
|
27 |
0,78 |
0,31 |
-0,11 |
0,98 |
1633,33 |
-5,93 |
1627,40 |
1627,40 |
-5,93 |
|
28 |
0,78 |
0,31 |
-0,11 |
0,98 |
1633,33 |
-5,93 |
1627,40 |
1627,40 |
-5,93 |
|
29 |
-0,11 |
-0,75 |
0,31 |
-0,55 |
-916,67 |
111,53 |
-805,14 |
111,53 |
-805,14 |
|
30 |
-0,06 |
-0,75 |
0,31 |
-0,50 |
-833,33 |
126,60 |
-706,74 |
126,60 |
-706,74 |
|
31 |
-0,06 |
-0,77 |
-0,75 |
-1,58 |
-2633,33 |
0,00 |
-2633,33 |
0,00 |
-2633,33 |
|
32 |
-0,06 |
-0,77 |
-0,40 |
-1,23 |
-2050,00 |
0,00 |
-2050,00 |
0,00 |
-2050,00 |
|
33 |
-0,40 |
-0,70 |
-0,77 |
-1,87 |
-3116,67 |
0,00 |
-3116,67 |
0,00 |
-3116,67 |
|
34 |
-0,40 |
-0,70 |
-0,37 |
-1,47 |
-2450,00 |
0,00 |
-2450,00 |
0,00 |
-2450,00 |
|
35 |
-0,37 |
-0,70 |
-0,70 |
-1,77 |
-2950,00 |
0,00 |
-2950,00 |
0,00 |
-2950,00 |
|
36 |
-0,37 |
-0,70 |
-0,35 |
-1,42 |
-2366,67 |
0,00 |
-2366,67 |
0,00 |
-2366,67 |
|
37 |
0,80 |
0,27 |
0,47 |
1,54 |
2566,67 |
0,00 |
2566,67 |
2566,67 |
0,00 |
|
38 |
0,80 |
0,27 |
0,31 |
1,38 |
2300,00 |
0,00 |
2300,00 |
2300,00 |
0,00 |
|
39 |
0,31 |
0,27 |
-0,12 |
0,46 |
766,67 |
-17,17 |
749,49 |
749,49 |
-17,17 |
|
40 |
-0,11 |
-0,12 |
0,31 |
0,08 |
133,33 |
274,93 |
-141,59 |
274,93 |
-141,59 |
|
41 |
-0,11 |
-0,53 |
-0,12 |
-0,76 |
-1266,67 |
0,00 |
-1266,67 |
0,00 |
-1266,67 |
|
42 |
-0,11 |
-0,53 |
-0,75 |
-1,39 |
-2316,67 |
0,00 |
-2316,67 |
0,00 |
-2316,67 |
|
43 |
-0,75 |
-0,82 |
-0,53 |
-2,10 |
-3500,00 |
0,00 |
-3500,00 |
0,00 |
-3500,00 |
|
44 |
-0,75 |
-0,82 |
-0,77 |
-2,34 |
-3900,00 |
0,00 |
-3900,00 |
0,00 |
-3900,00 |
|
45 |
-0,77 |
-0,90 |
-0,82 |
-2,49 |
-4150,00 |
0,00 |
-4150,00 |
0,00 |
-4150,00 |
|
46 |
-0,77 |
-0,90 |
-0,70 |
-2,37 |
-3950,00 |
0,00 |
-3950,00 |
0,00 |
-3950,00 |
|
47 |
-0,70 |
-0,80 |
-0,90 |
-2,40 |
-4000,00 |
0,00 |
-4000,00 |
0,00 |
-4000,00 |
|
48 |
-0,70 |
-0,80 |
-0,70 |
-2,20 |
-3666,67 |
0,00 |
-3666,67 |
0,00 |
-3666,67 |
|
49 |
0,47 |
0,22 |
0,69 |
1,38 |
2300,00 |
0,00 |
2300,00 |
2300,00 |
0,00 |
|
50 |
0,47 |
0,22 |
0,27 |
0,96 |
1600,00 |
0,00 |
1600,00 |
1600,00 |
0,00 |
|
51 |
0,27 |
0,22 |
-0,23 |
0,26 |
433,33 |
-90,13 |
343,21 |
343,21 |
-90,13 |
|
52 |
-0,12 |
-0,23 |
0,27 |
-0,08 |
-133,33 |
168,23 |
-34,90 |
168,23 |
-34,90 |
|
53 |
-0,12 |
-0,59 |
-0,23 |
-0,94 |
-1566,67 |
0,00 |
-1566,67 |
0,00 |
-1566,67 |
|
54 |
-0,12 |
-0,59 |
-0,53 |
-1,24 |
-2066,67 |
0,00 |
-2066,67 |
0,00 |
-2066,67 |
|
55 |
-0,53 |
-0,84 |
-0,59 |
-1,96 |
-3266,67 |
0,00 |
-3266,67 |
0,00 |
-3266,67 |
|
56 |
-0,53 |
-0,84 |
-0,82 |
-2,19 |
-3650,00 |
0,00 |
-3650,00 |
0,00 |
-3650,00 |
|
57 |
-0,82 |
-0,90 |
-0,84 |
-2,56 |
-4266,67 |
0,00 |
-4266,67 |
0,00 |
-4266,67 |
|
58 |
-0,82 |
-0,90 |
-0,90 |
-2,62 |
-4366,67 |
0,00 |
-4366,67 |
0,00 |
-4366,67 |
|
59 |
-0,90 |
-0,82 |
-0,90 |
-2,62 |
-4366,67 |
0,00 |
-4366,67 |
0,00 |
-4366,67 |
|
60 |
-0,90 |
-0,82 |
-0,80 |
-2,52 |
-4200,00 |
0,00 |
-4200,00 |
0,00 |
-4200,00 |
|
61 |
0,69 |
0,16 |
0,60 |
1,45 |
2416,67 |
0,00 |
2416,67 |
2416,67 |
0,00 |
|
62 |
0,69 |
0,16 |
0,22 |
1,07 |
1783,33 |
0,00 |
1783,33 |
1783,33 |
0,00 |
|
63 |
0,22 |
0,16 |
-0,23 |
0,15 |
250,00 |
-115,55 |
134,45 |
134,45 |
-115,55 |
|
64 |
-0,23 |
-0,23 |
0,22 |
-0,24 |
-400,00 |
87,64 |
-312,36 |
87,64 |
-312,36 |
|
65 |
-0,23 |
-0,63 |
-0,23 |
-1,09 |
-1816,67 |
0,00 |
-1816,67 |
0,00 |
-1816,67 |
|
66 |
-0,23 |
-0,63 |
-0,59 |
-1,45 |
-2416,67 |
0,00 |
-2416,67 |
0,00 |
-2416,67 |
|
67 |
-0,59 |
-0,91 |
-0,63 |
-2,13 |
-3550,00 |
0,00 |
-3550,00 |
0,00 |
-3550,00 |
|
68 |
-0,59 |
-0,91 |
-0,84 |
-2,34 |
-3900,00 |
0,00 |
-3900,00 |
0,00 |
-3900,00 |
|
69 |
-0,84 |
-0,92 |
-0,91 |
-2,67 |
-4450,00 |
0,00 |
-4450,00 |
0,00 |
-4450,00 |
|
70 |
-0,84 |
-0,92 |
-0,90 |
-2,66 |
-4433,33 |
0,00 |
-4433,33 |
0,00 |
-4433,33 |
|
71 |
-0,90 |
-0,91 |
-0,92 |
-2,73 |
-4550,00 |
0,00 |
-4550,00 |
0,00 |
-4550,00 |
|
72 |
-0,90 |
-0,91 |
-0,82 |
-2,63 |
-4383,33 |
0,00 |
-4383,33 |
0,00 |
-4383,33 |
2.2 Определение объемов работ по разработке котлованов и траншей
Подсчёт объёмов котлованов.
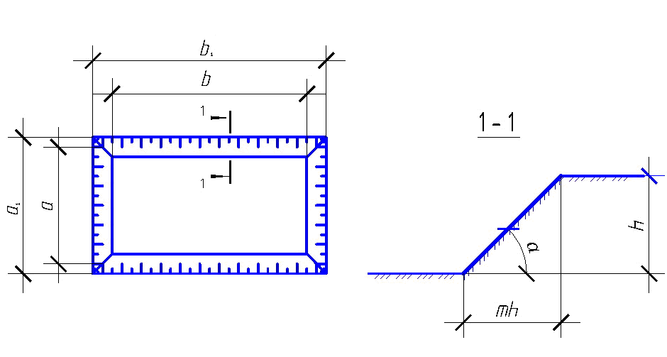
Объём прямоугольного в плане котлована, расположенного на спланированной площадке с уклоном до 10% можно определить по формуле:

где h>к> - глубина котлована, равная разности между планировочной отметкой в зоне котлована и отметкой дна котлована, м;
а, b - размеры котлована по дну, м;
a>1>, b>1>- размеры котлована по верху с учётом принятых откосов


где m - показатель естественного откоса котлована (СНиП 3.01.02-87)

Объём круглого в плане котлована, расположенного на спланированной площадке с уклоном до 10% можно определить по формуле:
V=
h>к>
π( R2+Rr+r2)
где h>к> - глубина котлована, равная разности между планировочной отметкой в зоне котлована и отметкой дна котлована, м;
R - радиус котлована по верху, м;
r - радиус котлована по дну, м;
Котлован №1:
а>1>=110+2*0.85*4.9= 118.33м
b>1>=60+2*0.85*4.9=68.33м
а=110м
b=60м
h=4.9м
m=0.85м
V>1>=
м3
Котлован №2:
а>1>=62.55м
b>1>= 26.55м
а=60 м
b=24м
h=1.9м
m=0.67м
V>2>=
м3
Котлован №4:
R=25+0.85*4.9=29.165 м
r=25 м
h>к>=4.9м
m=0.85м
V>4>=
м3
Подсчёт объема траншеи:

где l-длинна траншеи, м;
а-ширина траншеи, м;
h-глубина траншеи, м;
m-показатель крутизны откосов.
Траншея:
l=920м
a=1.8м
h=1.9м
m=0.67
V>тр>=(1.8+0.67*1.9)*1.9*920=5371,6м3
2.3 Определение объемов работ по ручной или механической зачистки дна котлованов и траншеи
Подсчёт объёмов недобора грунта.
При определении объёмов котлованов и траншей следует иметь в виду, что эти сооружения должны быть выбраны без нарушения структуры грунта в основании. В связи с этим требования при работе экскаватора предусматривается набор грунта. Объём подчистки дна котлована или траншеи после отрывания его экскаватором:

где
-
площадь дна котлована;
-глубина (или толщина) недобора,
м.
Котлован №1
=0.10м;
V>подч1>=0.10*6600=660м3
Котлован №2
=0.05м;
V>подч1>=
0.05*1440=72м3
Котлован №4
=0.10м;
V>подч1>=
0.10*19625=1962.5м3
Траншея
=0.15м;
V>подч1>=0.15*1659.6=248.94
м3
3. Водопонижение уровня грунтовых вод
В гражданском и промышленном строительстве для искусственного водопонижения чаще всего используются иглофильтровые установки. Такие установки имеются типовые, однако в зависимости от требуемой глубины водопонижения, величины притока воды и первоначального уровня, грунтовых вод необходимо проверить возможность применения той или иной установки в конкретных условиях и определить требуемое расстояние между иглофильтрами. Иглофильтры располагаются в один ряд параллельно сторонам котлована на расстоянии 0,5–1,0 м от бровки.
Расчет иглофильтровой установки производится по следующей методике.
Потребная производительность насосной установки определяется по формуле
,
где k>ф> – коэффициент фильтрации, м/сутки;
Н – мощность водоносного слоя, м;
S – величина проектируемого понижения уровня грунтовых вод, м, (пониженный уровень грунтовых вод должен быть на 0,5 м ниже дна котлована);
R>r> – радиус действия группы иглофильтров, м, равный
,
где R – радиус действия одного иглофильтра, м, определяемый по формуле проф. И.П. Кусакина
,
r – приведенный радиус группы иглофильтров, м, равный
,
где F – площадь котлована, огражденная иглофильтрами.
Пропускная способность одного иглофильтра, м3/ч, определяется из выражения
,
где d – диаметр фильтрового звена, м.
Количество иглофильтров в установке должно быть не менее
.
Расстояние между иглофильтрами не должно превышать
,
где L – периметр ограждения котлована иглофильтрами.
№1
H-мощность водоносного слоя H=S
S-требуемое поглощение УГВ
H=4,1-3,1=1,

R-радиус одного иглофильтра
R=
(м)
r-приведенный радиус группы иглофильтров
(м)
F-площадь котлована внутри контура иглофильтров
(
)
-радиус
действия группы иглофильтров
(м)
Q-приток воды к иглофильтровым установкам

n-количество иглофильтров
(округляем в большую сторону и
принимаем значение 60)

L-периметр котлована
(м)
l-расстояние между иглофильтрами
(м)
Марка иглофильтров ЛИУ-3
Итак, для марки ЛИУ-3 расстояние 6,35 м слишком большое и останутся участки, которые иглофильтр охватывать не будет, вследствие этого увеличим количество иглофильтров до 100, тогда расстояние между иглофильтрами соответственно равно 3,77 м, что соответствует нашей марке иглофильтров.
№2
УГВ ниже глубины котлована
№4
H=S=1
R=1,63
-радиус
котлована поверху
(
)
(м)
(м)

(6
шт)
g=0,077

(м)
Итак, расстояние между иглофильтрами велико. Рассчитываем кол-во иглофильтров так, чтобы расстояние было приближенно равно 3, тогда наша марка будет ЛИУ-3,
n=
.
Берем количество иглофильтров равное 61 и марку ЛИУ-3.
|
Показатели |
Ед. изм. |
ЛИУ-3 |
|
Глубина понижения УГВ |
м |
5 |
|
Максимальная высота самовсасывания |
м |
6 |
|
Производительность |
м3/час |
60 |
|
Максимальный напор |
м |
45 |
|
Мощность двигателя |
квт |
10 |
|
Диаметр коллектора |
мм |
150 |
|
Число звеньев коллектора |
шт |
18 |
|
Длина звена |
м |
5,25 |
|
Диаметр фильтрующего звена |
мм |
50 |
|
Диаметр надфильтрующего звена |
мм |
38 |
|
Длина иглофильтра |
м |
8,5 |
|
Число иглофильтров |
шт |
100 |
4. Выбор способа производства работ и подбор состава машин для комплексной механизации производства работ
Определение структуры планировочных работ.
|
№ |
Наименование рабочих процессов |
Единица измерения |
Объём работ |
|
1 2 3 4 5 6 |
Снятие растительного слоя Разработка грунта скрепером Разработка грунта экскаватором Уплотнение грунта катком Транспортирование грунта самосвалами Разработка недобора грунта |
м3 м3 м3 м3 м3 м3 |
36000 105815.37 55545.3 1044962.34 35121.59 2943.44 |
4.1 Предварительный выбор ведущей машины по техническим параметрам
Выбор машины для планировочных работ
Графическим методом определяем среднюю дальность транспортировки.
L>ср>=378м => ведущей машиной будет прицепной скрепер Д-511.
Технические характеристики скрепера Д511:
|
Показатели |
Ед. изм. |
Д-551 |
|
Емкость ковша |
м3 |
15 |
|
Тягач: тип |
ДЭТ-250 |
|
|
Мощность |
л.с. |
271 |
|
Ширина резания |
м |
2,85 |
|
Наибольшая высота отсыпаемого слоя |
м |
0,35 |
|
Толщина отсыпаемого слоя |
м |
0,15-0,5 |
|
Скорость движения скрепера: |
км/ч |
|
|
при загрузке |
1.5-1.8 |
|
|
при разгрузке |
3,75-7,5 |
|
|
при движении с грузом |
4,5-7,3 |
|
|
при движении без груза |
9-12 |
|
|
Минимальный путь загрузки |
м |
40 |
|
Время загрузки ковша |
с |
42-48 |
|
Габаритные размеры: |
||
|
длина |
м |
11,38 |
|
ширина |
м |
3,4 |
|
высота |
м |
3,19 |
|
Масса (без трактора) |
т |
16,5 |
Эксплуатационная производительность скреперов.
П>э>=60*Т*g*k>н>*k>в>/t>ц>*k>р> ,м3/смена
к>н> - коэффициент наполнения ковша скрепера
Грунт – супесь: к>н>=1,0-1,2
к>р> – коэффициент рыхления грунта в ковше скрепера, к>р>=1,2
к>в >- коэффициент использования сменного времени, к>в>=0,8-0,9
Т - продолжительность смены, Т=8ч=480 мин.
g - геометрическая ёмкость ковша скрепера, g=15м3
t>ц> - длительность цикла работы скрепера





,






Итак,

4.2 Подбор экскаватора для отрыва траншеи и котлованов
Выбор рационального типа экскаватора, его мощности и рабочего оборудования является одним из главных вопросов проектирования технологии производства земляных работ. На выбор типа экскаватора влияют следующие факторы:
- объём земляных работ,
- размеры выемки котлована,
- гидрогеологические условия (вид грунта, наличие грунтовых вод);
- способы разработки котлованов, траншей.
Для выбранных вариантов ведущих машин определяется схема производства работ (схема забоя).
Ведущая машина-экскаватор, оборудованная прямой лопатой (котлован №1)
|
Показатели |
Ед. изм |
Э0-61125 |
|
Емкость ковша |
м3 |
1,25 |
|
Длина стрелы |
м |
|
|
Длина рукояти |
м |
|
|
Радиус копания на уровне стоянки |
м |
3,6 |
|
Наибольший радиус копания |
м |
9,9 |
|
Наибольшая высота копания |
м |
9,3 |
|
Наибольший радиус выгрузки |
м |
8,9 |
|
Высота выгрузки |
м |
6,6 |
|
Продолжительность цикла |
сек |
21 |
Ведущая машина-экскаватор, оборудованная прямой лопатой (котлован №2)
|
Показатели |
Ед. изм |
Э0-31115 |
|
Емкость ковша |
м3 |
0,4 |
|
Длина стрелы |
м |
|
|
Длина рукояти |
м |
|
|
Радиус копания на уровне стоянки |
м |
3,0 |
|
Наибольший радиус копания |
м |
5,9 |
|
Наибольшая высота копания |
м |
6,2 |
|
Наибольший радиус выгрузки |
м |
5,4 |
|
Высота выгрузки |
м |
4,3 |
|
Продолжительность цикла |
сек |
15 |
Ведущая машина-экскаватор, оборудованная прямой лопатой (котлован №4)
|
Показатели |
Ед. изм |
Э0-41115 |
|
Емкость ковша |
м3 |
0,65 |
|
Длина стрелы |
м |
|
|
Длина рукояти |
м |
|
|
Радиус копания на уровне стоянки |
м |
2,8 |
|
Наибольший радиус копания |
м |
7,8 |
|
Наибольшая высота копания |
м |
7,9 |
|
Наибольший радиус выгрузки |
м |
7,2 |
|
Высота выгрузки |
м |
5,6 |
|
Продолжительность цикла |
сек |
15 |
Ведущая машина-экскаватор, оборудованная обратной лопатой (траншея)
|
Показатели |
Ед. изм |
Э0-4111Б |
|
Емкость ковша |
м3 |
0,65 |
|
Длина стрелы |
м |
- |
|
Длина рукояти |
м |
- |
|
Наибольший радиус копания |
м |
9,2 |
|
Наибольшая глубина копания (траншеи) |
м |
5,8 |
|
Начальный радиус выгрузки |
м |
3,8-5 |
|
Конечный радиус выгрузки |
м |
7-8,1 |
|
Высота выгрузки |
м |
2,3-3,1 |
|
Продолжительность цикла |
сек |
21 |
Определение вида забоя
Все три котлована соответствуют условию (B>3.5R) => применяется вид забоя при котором первая проходка лобовая, а следующие боковые, при этом ось экскаватора смещается ближе к ранее выработанной части забоя.
Расчет ширины забоя ведется по следующим формулам:
Ширина лобовой проходки:
,
где
-наибольший
радиус резания, м;
-длина
рабочей передвижки экскаватора, м.

,
, где
-радиус
резания на уровне стоянки, м.
,

Котлован 1






Котлован 2






Котлован 4






4.3 Транспортирование грунта
Для транспортирования разрабатываемого одноковшовыми экскаваторами грунта чаще всего используют автосамосвалы.
Расчет потребного количества транспортных средств, производиться из условия обеспечения бесперебойной работы экскаватора по формуле:

где: Т>у >- продолжительность цикла работы транспортных единиц;
t>гр> - продолжительность движения гружёного самосвала, мин;
t>м> - время маневрирования в забое, мин;
t>no>>р> - продолжительность движения порожнего самосвала, мин;
t>п>- продолжительность нагрузки самосвала, мин.
Число ковшей грунта, вмещаемое в кузов в соответствии с грузоподъемностью машин:

где: Q - техническая грузоподъемность транспортного средства;
- объемная масса грунта в плотном
теле
=1,6
т/м3;
g- геометрическая емкость ковша экскаватора;
k>i> -коэффициент использования емкости ковша экскаватора, группа грунта 1, значит k>i>> >= 0,9
Длительность нагрузки самосвала t>п>, мин.
>
>
где t>кц>- продолжительность рабочего цикла экскаватора;
К>м>- коэффициент, зависящий от организации работы по нагрузке грунта.
Производительность самосвала:

где:
=0,8
- коэффициент использования
сменного времени
=(0,8-0,9)
;
Т>ц> - продолжительность цикла работы самосвала;
Q - объем грунта, вмещающийся в кузов автосамосвала;
Т- продолжительность смены, Т=8 часов.
Для котлована №1:
V ковша экскаватора для 1 котлована равен 1,25, значит применяем самосвал грузоподъёмностью 10 т. Марка КРАЗ-222.
1) Количество ковшей в кузове.
( округляем до 6 ковшей)
2) Время наполнения самосвала.

3) Время движения и порожненного самосвала.



4) Продолжительность цикла.

(округляем
до 6)

Для котлована №2
V ковша экскаватора для 2 котлована равен 0,4, значит применяем самосвал грузоподъёмностью 7 т. Марка МАЗ-503.
1) Количество ковшей в кузове.
( округляем до 12 ковшей)
2) Время наполнения самосвала.

3) Время движения и порожненного самосвала.



4) Продолжительность цикла.

(округляем
до 4)

Для котлована №4
V ковша экскаватора для 2 котлована равен 0,65, значит применяем самосвал грузоподъёмностью 7 т. Марка МАЗ-503.
1) Количество ковшей в кузове.
( округляем до 7 ковшей)
2) Время наполнения самосвала.

3) Время движения и порожненного самосвала.



4) Продолжительность цикла.

(округляем
до 6)

4.4 Разработка грунта бульдозером
|
Параметры |
ДЗ - 171.3.05 |
|
Базовый трактор |
Т - 170 |
|
Мощность двигателя, кВт |
125 |
|
Тип отвала |
поворотный |
|
Управление отвалом |
гидравлическое |
|
Размеры отвала, мм длина высота |
4120 1140 |
|
Наибольший подъем отвала, мм |
935 |
|
Наибольшее заглубление отвала, мм |
535 |
|
Угол установки отвала в плане, град. |
53 - 90 |
|
Угол резания, град. |
55 |
|
Угол поперечного перекоса отвала, град. |
+ 6 |
|
Наибольший преодолеваемый уклон, град |
20 |
|
Объем грунта перемещаемого отвалом, м3 |
- |
|
Скорость движения, км/ч: вперед назад |
2,58- 10,4 3,0 - 10,2 |
|
Габаритные размеры, мм длина ширина высота |
5690 4120 3087 |
|
Масса, кг |
16490 |
Эксплуатационная производительность бульдозеров, м3/см, рассчитывается по формуле
,
где Т – продолжительность смены, Т=8 час;
Q – объём срезаемого и перемещаемого бульдозером грунта, м3;
К>в>> >– коэффициент использования бульдозера по времени, К>в>=0,8;
К>с> – коэффициент сохранения грунта во время транспортировки, вычисляемый в зависимости от дальности перемещения;
К>у> – коэффициент, зависящий от уклона местности (табл. П.27);
t>ц> – длительность цикла работы бульдозера, с.
Объём срезаемого и перемещаемого бульдозером грунта
,
м3
где
–ширина
отвала ;
– высота
отвала, м, ;
– угол
естественного откоса грунта ;
К>Р>> >– коэффициент первоначального разрыхления грунта
Коэффициент сохранения грунта во время транспортировки
,
где
–
среднее расстояние перемещения грунта
на площадке (захватке).
Длительность цикла работы бульдозера
,
с.
Время набора грунта t>ц>, время перемещения грунта t>г> и время возращения бульдозера t>n> определяется в зависимости от скорости движения бульдозера при выполнении этих операций и от расстояний по формуле
.
Скорость при резании и перемещении грунта (перевести в м/с), длина пути перемещения порожнего бульдозера принимается равной среднему расстоянию перемещения грунта по захватке.
Длина пути движения груженого бульдозера
,
м.
Для пути резания (набора грунта)
,
м,
где
– толщина срезаемой стружки.
Котлован №1:
м3/см.


,
с.
,
с.
,
м.
Котлован №2:
м3/см.


,
с.
,
с.
,
м.
Котлован №4:
м3/см.


,
с.
,
с.
,
м.
Общая эксплуатационная производительность бульдозера
П>э>=1942,06+2284,78+1999,18=6226,02 м3/см.
4.5 Разработка рыхлителем
Рыхлитель пятисошниковый Д-6 на базе трактора Т-140

Т=8ч
а - ширина полосы рыхления (1,5м)
h – глубина рыхления (0,4м)
L – длина рабочего хода (220м)
V – скорость движения рыхлителя (2)
- время затраченное на поворот
( 1 мин)

4.6 Эксплуатационная производительность катка
Каток для уплотнения грунта
|
Показатели |
Д-326 |
|
Тип одноосного катка |
Полуприцепной |
|
Количество колес |
5 |
|
Ширина укатываемой полосы |
3,30 м |
|
Вес катка с балластом |
420Кн |
|
Без балласта |
130Кн |
|
Число проходов по одному следу |
4-6 |
|
Глубина уплотнения |
до 40 см |
|
Буксирная машина |
Трактор Т-140 |

h - толщина уплотняемого слоя (0,40)
В – ширина уплотняемой полосы (3,30)
b – величина перекрытия следа (0,15)
m – число проходов по одному следу (6)
Т=8ч

5. Калькуляция трудовых работ
|
№ |
Шифр |
Наименование работ |
Ед. изм. |
Объем |
Трудозатраты |
|
|
На ед. изм. |
Всего, (см) |
|||||
|
1 |
01-01-023-11 |
Разработка
грунта с перемещением до 100м скреперами
прицепными с ковшом вместимостью 15
|
1000 |
36 |
|
|
|
2 |
01-01-023-23 |
При
перемещение грунта на каждые последующие
10м добавлять к норме 01-01-023-11 с
|
1000 |
36 |
|
|
|
3 |
01-02-032-6 |
Разрыхление грунтов бульдозерами-рыхлителями мощностью 121 кВт (165 л.с), глубина рыхления до 0,35 м, длина разрыхляемого участка свыше 200 м. |
1000 |
69 |
|
|
|
4 |
01-01-023-11 |
Разработка
грунта с перемещением до 100м скреперами
прицепными с ковшом вместимостью 15
|
1000 |
69 |
|
83,05 |
|
5 |
01-01-023 |
При
перемещение грунта на каждые последующие
10м добавлять к норме 01-01-023-11 с
|
1000 |
69 |
|
|
|
6 |
01-02-001-11 |
Уплотнение грунта прицепными катками на пневмоколесном ходу 25 т, на 1 проход по 1 следу при толщине слоя 50 см |
1000 |
69 |
|
|
|
7 |
01-02-001-11 |
На каждый последующий проход по 1 следу добавлять к норме 01-02-001-5 С к=6-1=5 |
1000 |
69 |
|
|
|
8 |
01-01-002-7 |
Разработка
грунта в отвал экскаваторами прямая
лопата, с ковшом вместимостью 1,25 |
1000 |
36 |
|
|
|
9 |
01-01-004-1 |
Разработка
грунта в отвал эксакаваторами прямая
лопата вместимостью 0,4
|
1000 |
3 |
|
|
|
10 |
01-01-003-7 |
Разработка
грунта в отвал эксакаваторами прямая
лопата вместимостью 0,65
|
1000 |
12 |
|
|
|
11 |
01-01-012-13 |
Разработка
грунта с погрузкой в автомобили-самосвалы
экскаваторами с ковшом вместимостью
1,25
|
1000 |
36 |
|
|
|
12 |
01-01-014 |
Разработка
грунта с погрузкой в автомобили-самосвалы
экскаваторами с ковшом вместимостью
0,4
|
1000 |
3 |
|
|
|
13 |
01-01-013-7 |
Разработка
грунта с погрузкой в автомобили-самосвалы
экскаваторами с ковшом вместимостью
0,65
|
1000 |
12 |
|
|
|
14 |
01-01-003-7 |
(Для траншеи) Разработка грунта в отвал экскаваторами с обратной лопатой, ковшом вместимостью 0,65 |
1000 |
3,2 |
|
|
|
15 |
01-01-030-5 |
Разработка грунта бульдозерами мощностью 79(108) кВт(л.с) с перемещением до 10 м, группа грунтов 1 |
|
|||
|
16 |
01-01-030-13 |
При перемещении грунта на каждые послед. 10 м добавлять к норме 01-01-030-5 |
|
|||
|
17 |
01-02-057-1 |
Разработка грунта в ручную в траншеи глубиной до 2-х метров, без крепленийс откосами, группа грунтов 1 |
|
|||
|
18 |
01-01-130-12 |
Установка иглофильтров в предварительно пробуренные скважины, без устройства обсыпки, длина иглофильтров до 7 м |
100 шт. |
1 |
|
|
|
19 |
01-02-131-2 |
Извлечение легких иглофильтров длиной до 7м |
1 шт. |
100 |
|
|
|
20 |
01-02-132-1 |
Монтаж всасывающего коллектора |
100 м |
3,776 |
|
|
|
21 |
01-02-132-2 |
Демонтаж всасывающего коллектора |
100 м |
3,776 |
|
|
6. Мероприятия по технике безопасности
Для производства всех видов работ необходимо выполнять указания техники безопасности, предусмотренные CHиП 12-03-99 и CHиП III-4-80*, а также приводимые ниже требования:
-производство земляных работ в зоне расположения подземных коммуникаций (водопроводы, газопроводы, электрокабели и т.п.) допускается только с письменного разрешения организации, ответственной за эксплуатацию этих коммуникаций. К разрешению должен быть приложен план (схема) с указанием расположения и глубины заложения коммуникаций. До начала работ необходимо установить знаки, указывающие место расположения подземных коммуникаций;
-при приближении к линиям подземных коммуникаций земляные работы должны производиться под наблюдением работников электрохозяйства, если есть кабель, находящийся под напряжением;
-за состоянием откосов выемок надлежит вести систематическое наблюдение;
-минимальное расстояние от оси погрузочного пути до бровки разрабатываемого откоса при угле заложения его меньшим или равному углу естественного откоса грунта, следует принимать для автотранспорта - 2,5 м, а для откосов, крутизна которых превышает угол естественного откоса данного грунта - 2,0 м.
7. Список использованной литературы
Технология строительных процессов: Учеб./А.А. Афанасьев, Н.Н Данилов, В.Д. Копылов и др.; Под ред. Н.Н. Данилова, О.М. Терентьева.—2-е изд., перераб.—М .: Высш. Шк., 2000.—464 с.:ил.
Строительные машины и основы автоматизации: Учеб. Для строит. Вузов/ С.С.Добронравов, В.Г. Дронов.—2-е изд., стер.—М .: Высш. Шк., 2006—575 с.: ил.
СНиП 12-03-99 «Безопасность труда в строительстве. Часть 1. Общие требования»
СНиП III-4-80* «Техника безопасности в строительстве»
ГЭСН-2001 Сборник 1. (с изм. 2002) «Земляные работы»
1 группа грунтов (срезка рост. слоя.




































