Поэтажный расчет статической балки
Министерство образования и науки Российской Федерации
Московский институт коммунального хозяйства и строительства
Контрольная работа
по дисциплине: Строительная механика
Студент:
Специальность: 290700
Шифр: ТВ
Проверил:
Москва 2009
Расчет многопролетной статически определимой балки
Определяем реакции опор и строим эпюры моментов М и поперечных сил Q.
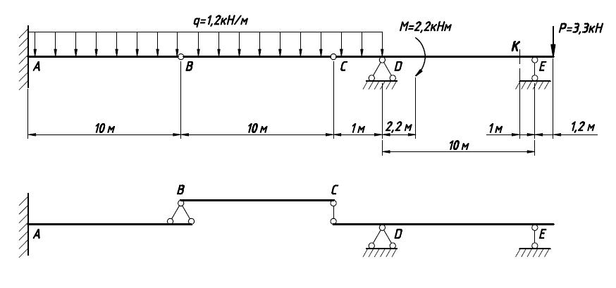
Изображаем расчетную схему

Рис.1 – Расчетная схема.
Выделяем главные балки АВ, DE и второстепенную ВС. Строим поэтажную схему.

Рис. 2 – поэтажная схема.
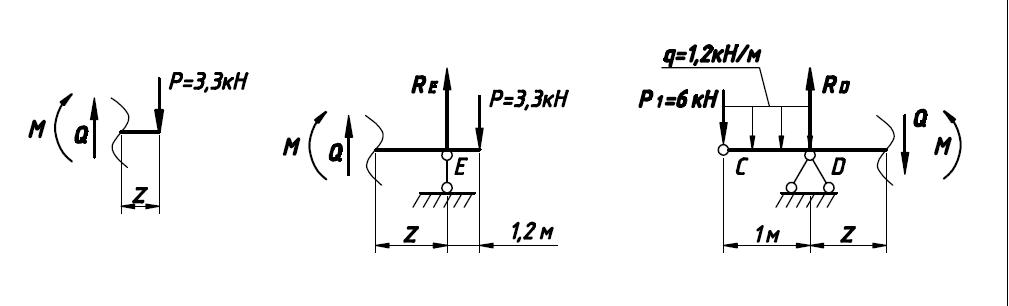
Расчет балки верхнего этажа.

Определим реакции опор.
;
кН;
;
кН;
Проверка:
;
-
верно;
Начало координат выбираем в крайней левой точке. Рассмотрим равновесие отсеченной части бруса:

В сечении возникают внутренние усилия:

;
;
;
0<z<10;
При z=0
получаем:
кН;
;
При z=10
получаем:
кН;
;
кН.
Последовательно рассчитываем балки нижнего этажа.
Балка АВ.

Начало координат выбираем в крайней правой точке. Рассмотрим равновесие отсеченной части бруса:

В сечении возникают внутренние усилия:

;
;
;
0<z<10;
При z=0
получаем:
кН;
;
При z=10
получаем:
кН;
кН;
Так как на участке действует равномерно распределенная нагрузка моменты вычисляем в трех точках.
При z=5
получаем
кН;
Балка СDE.

Определим реакции опор.
;
кН;
;
кН;
Проверка:
;
-
верно;
Расчетная схема имеет четыре силовых участка. Рассмотрим первый участок.
Начало координат расположим в точке С. Рассмотрим равновесие отсеченной части бруса.
В сечении возникают внутренние усилия:


;
;
;
0<z<1;
При z=0
получаем:
кН;
;
При z=1
получаем:
кН;
кН;
Второй участок.
Начало координат расположим в точке D. Рассмотрим равновесие отсеченной части бруса.
В сечении возникают внутренние усилия:


;
;
;
0<z<2,2;
При z=0
получаем:
кН;
кН;
При z=2,2
получаем:
кН;
кН;
Третий участок.
Начало координат расположим в крайней правой точке. Рассмотрим равновесие отсеченной части бруса.В сечении возникают внутренние усилия:


;
;
;
0<z<1,2;
При z=0
получаем:
кН;
кН;
При z=1,2
получаем:
кН;
кН;
Четвертый участок.
Начало координат расположим в точке Е. Рассмотрим равновесие отсеченной части бруса.
В сечении возникают внутренние усилия:


;
;
;
0<z<7,8;
При z=0
получаем:
кН;
кН;
При z=1,2
получаем:
кН;
кН;
Составляя эпюры, построенные для отдельных элементов, строим окончательные эпюры M и Q.
Ориентируясь на поэтажную схему строим линии влияния для балки CDE, а затем учитываем влияние балки BC.
Вычисление усилий по линиям влияний:
кНм;
кН;
кН.
Расчет плоской статически определимой фермы
При действии узловой внешней нагрузки в стержнях возникают только продольные усилия (растяжение или сжатие). Расчет заключается в определении этих усилий.

Рис . Расчетная схема.
Определение усилий в стержнях фермы.
Определяем опорные реакции.
;
кН;
;
кН;
Так как ферма
симметрична опорные реакции равны
кН;
Определяем усилия в стержнях.

Усилие N>1-2> и усилие N>1-А> определим способом вырезания узлов. Рассмотрим узел 1.

кН (сжат);

Так как рассматриваемая ферма с параллельными поясами усилие N>А-2> определим способом проекций, проектируя все силы на вертикаль. Проводим сечение и рассматриваем равновесие левой части.

;

кН (сжат);
Усилие N>А-3> определим способом моментной точки.

Проводим сечение и рассматриваем равновесие левой части, за моментную точку принимаем точку 2.
;
кН;
кН;
N>2-3> определим способом проекций, проектируя все силы на вертикаль. Проводим сечение и рассматриваем равновесие левой части.
;
кН;

Усилие N>2-4> определим способом моментной точки. Проводим сечение и рассматриваем равновесие левой части, за моментную точку принимаем точку 3.
;
кН
(сжат);
Усилие N>3-5> определим способом моментной точки. Проводим сечение и рассматриваем равновесие левой части, за моментную точку принимаем точку 4.
;
кН;
N>3-4> определим способом проекций, проектируя все силы на вертикаль. Проводим сечение и рассматриваем равновесие левой части.
;

кН (сжат);

Усилие N>4-6> определим способом моментной точки. Проводим сечение и рассматриваем равновесие левой части, за моментную точку принимаем точку 5.
;
кН
(сжат);
N>4-5 >определим способом проекций, проектируя все силы на вертикаль. Проводим сечение и рассматриваем равновесие левой части.
;
кН;

Усилие N>5-7> определим способом моментной точки. Проводим сечение и рассматриваем равновесие левой части, за моментную точку принимаем точку 6.
;
кН;
N>5-6 >определим способом проекций, проектируя все силы на вертикаль. Проводим сечение и рассматриваем равновесие левой части.
;

кН (сжат);

Усилие N>7-6> определим способом вырезания узлов. Рассмотрим узел 7.
Так как в узле сходятся три стержня, два из которых лежат на одной прямой и узел не нагружен:
;
кН;

Так как рассматриваемая ферма симметрична, то усилия стержней расположенных с правой стороны от стойки 6-7 будут соответственно равны симметричным, расположенным с левой стороны.
Построение линий влияния усилий в стержнях фермы.
Исходными служат линии влияния опорных реакций R>А> и R>B>.
Проводим сечение I-I.
Груз Р=1 справа от узла 7. Рассмотрим равновесие левой части фермы.

;
;

;
Груз Р=1 слева от узла 5. Рассмотрим равновесие правой части фермы.
;
;
;
Проводим сечение II-II.
Груз Р=1 справа от узла 5. Рассмотрим равновесие левой части фермы.

;

Груз Р=1 слева от узла 3. Рассмотрим равновесие правой части фермы.


Вырезаем узел 7.
а) сила в узле:
;
б) сила вне узла
;
Определение расчетных усилий в элементах фермы.
Определяем усилия от временной нагрузки.
Умножаем узловую временную нагрузку P>врем>=1,7кН на положительные ординаты линии влияния для определения N>max>, и отрицательных для N>min>.
кН;
кН;
кН;
кН;
кН;
кН;
кН;
Определение расчетных усилий.
Расчетные усилия определяем по формулам:
;
;
|
Номер стержня |
Усилия от постоянной нагрузки N |
Усиление от временной нагрузки |
Расчетное усилие |
||
|
N+ |
N- |
N>max> |
N>min> |
||
|
N>4-5> |
1 |
1,7 |
-0,85 |
2,7 |
0,15 |
|
N>4-6> |
-8 |
- |
-6,8 |
-8 |
-14,8 |
|
N>5-7> |
9 |
7,65 |
- |
16,65 |
9 |
|
N>5-6> |
-1,41 |
1,2 |
-2,399 |
-0,21 |
-3,809 |
|
N>6-7> |
0 |
1,7 |
- |
1,7 |
0 |