Механизмы автомобильного двигателя
Министерство образования Российской Федерации
Санкт-Петербургский государственный университет
сервиса и экономики
Автотранспортные средства
Реферат
Тема:
«Механизмы автомобильного двигателя»
Выполнил студент 3-ого курса
Специальность 100.101
Иванов В.И.
Санкт-Петербург
2010
Содержание
Введение
1. Кривошипно-шатунный механизм
1.1 Конструкция кривошипно-шатунного механизма
1.2 Крепление двигателя
2. Газораспределительный механизм
2.1 Назначение и характеристика
2.2 Конструкция и работа газораспределительного механизма
Введение
Двигатель автомобиля состоит из целого ряда механизмов и систем.
Бензиновый двигатель и дизель имеют кривошипно-шатунный механизм, газораспределительный механизм, смазочную систему, систему охлаждения и систему питания, а бензиновый двигатель — еще и систему зажигания.
Кривошипно-шатунный механизм осуществляет рабочий процесс двигателя.
Газораспределительный механизм производит открытие и закрытие впускных и выпускных клапанов двигателя.
Смазочная система подает масло к трущимся деталям двигателя.
Система охлаждения отводит теплоту от сильно нагретых деталей двигателя.
Система питания готовит горючую смесь для двигателя и обеспечивает выпуск из двигателя отработавших газов.
Система зажигания производит воспламенение горючей и рабочей смеси в цилиндрах двигателя.
1. Кривошипно-шатунный механизм
Кривошипно-шатунным называется механизм, осуществляющий рабочий процесс двигателя.
Кривошипно-шатунный механизм предназначен для преобразования возвратно-поступательного движения поршней во вращательное движение коленчатого вала.
Кривошипно-шатунный механизм определяет тип двигателя по расположению цилиндров.
В двигателях автомобилей применяются различные кривошипно-шатунные механизмы (рис. 1): однорядные кривошипно-шатунные механизмы с вертикальным перемещением поршней и с перемещением поршней под углом применяются в рядных двигателях; двухрядные кривошипно-шатунные механизмы с перемещением поршней под углом применяются в V-образных двигателях; одно- и двухрядные кривошипно-шатунные механизмы с горизонтальным перемещением поршней находят применение в тех случаях, когда ограничены габаритные размеры двигателя по высоте.

Рис. 1. Типы кривошипно-шатунных механизмов, классифицированных по различным признакам
1.1 Конструкция кривошипно-шатунного механизма
В кривошипно-шатунный механизм входят блок цилиндров с картером и головкой цилиндров, шатунно-поршневая группа и коленчатый вал с маховиком.
Блок цилиндров 11 (рис.2) с картером 10; головка блока цилиндров являются неподвижными частями кривошипно-шатунного механизма.
К подвижным частям механизма относятся коленчатый вал 34 с маховиком 43 и детали шатунно-поршневой группы — поршни 24, поршневые кольца 18 и 19, поршневые пальцы 26 и шатуны 27.
Блок цилиндров вместе с картером является остовом двигателя. На нем и внутри него размещаются механизмы и устройства двигателя. В блоке 11, выполненном заодно с картером 10 специального низколегированного чугуна, изготовлены цилиндры двигателя. Внутренние поверхности цилиндров отшлифованы и называются зеркалом цилиндров. Внутри блока между стенками цилиндров и его наружными стенками имеется специальная полость 9, называемая рубашкой охлаждения. В ней циркулирует охлаждающая жидкость системы охлаждения двигателя.
Внутри блока также имеются каналы и масляная магистраль смазочной системы, по которым подводится масло к трущимся деталям двигателя. В нижней части блока цилиндров (в картере) находятся опоры 2 для коренных подшипников коленчатого вала, которые имеют съемные крышки 1, прикрепляемые к блоку самоконтрящимися болтами. В передней части блока расположена полость 3 для цепного привода газораспределительного механизма. Эта полость закрывается крышкой, отлитой из алюминиевого сплава.

Рис. 2. Кривошипно-шатунный механизм двигателей легковых автомобилей ВАЗ:
1, 6 — крышки; 2 — опора; 3,9 — полости; 4, 5 — прокладки; 7 — горловина; 8, 22, 28, 30 — головки; 10 — картер; 11 — блок цилиндров; 12 — 16, 20 — приливы; 17, 33 — отверстия; 18, 19 — кольца; 21 — канавки; 23 -— днище; 24 -— поршень; 25 — юбка; 26 — палец; 27 — шатун; 29 — стержень; 31, 42 — болты; 32, 44 — вкладыши; 34 — коленчатый вал; 35, 40 — концы коленчатого вала; 36, 38 — шейки; 37 — щека; 39 — противовес; 41 — шайба; 43 — маховик; 45 — полукольцо
В левой части блока цилиндров находятся отверстия 17 для подшипников вала привода масляного насоса, в которые запрессованы свертные сталеалюминиевые втулки. С правой стороны блока в передней его части имеются фланец для установки насоса охлаждающей жидкости и кронштейн для крепления генератора. На блоке цилиндров имеются специальные приливы для: 12 — крепления кронштейнов подвески двигателя; 13 — маслоотделителя системы вентиляции картера двигателя; 14 — топливного насоса; 15 — масляного фильтра; 16— распределителя зажигания. Снизу блок цилиндров закрывается масляным поддоном, а к заднему его торцу прикрепляется картер сцепления. Для повышения жесткости нижняя плоскость блока цилиндров несколько опущена относительно оси коленчатого вала.
В отличие от блока, отлитого совместно с цилиндрами, на рис. 3 представлен блок 4 цилиндров с картером 5, отлитые из алюминиевого сплава отдельно от цилиндров. Цилиндрами являются легкосъемные чугунные гильзы 2, устанавливаемые в гнезда яблока с уплотнительными кольцами 1 и закрытые сверху головкой блока. Блок двигателя со съемными гильзами цилиндров с уплотнительной прокладкой.

Рис.3
1 – кольцо; 2 – гильза; 3 – полость; 4 – блок; 5 – картер; 6 – гнездо
Внутренняя поверхность гильзы обработана шлифованием. Для уменьшения изнашивания в верхней части гильз установлены вставки из специального чугуна.
Съемные гильзы цилиндров повышают долговечность двигателя, упрощают его сборку, эксплуатацию и ремонт.
Между наружной поверхностью гильз цилиндров и внутренними стенками блока находится полость 3, которая является рубашкой охлаждения двигателя. В ней циркулирует охлаждающая жидкость, омывающая гильзы цилиндров, которые называются мокрыми из-за соприкосновения с жидкостью.
Головка блока цилиндров закрывает цилиндры сверху и служит для размещения в ней камер сгорания, клапанного механизма и каналов для подвода горючей смеси и отвода отработавших газов. Головка 8 блока цилиндров (см. рис. 2) выполнена общей для всех цилиндров, отлита из алюминиевого сплава и имеет камеры сгорания клиновидной формы. В ней имеются рубашка охлаждения и резьбовые отверстия для свечей зажигания. В головку запрессованы седла и направляющие втулки клапанов, изготовленные из чугуна. Головка крепится к блоку цилиндров болтами. Между головкой и блоком цилиндров установлена металлоасбестовая прокладка 4, обеспечивающая герметичность их соединения. Сверху к головке блока цилиндров шпильками крепится корпус подшипников с распределительным валом, и она закрывается стальной штампованной крышкой 6 с горловиной 7 для заливки масла в двигатель. Для устранения течи масла между крышкой и головкой блока цилиндров установлена уплотняющая прокладка 5. С правой стороны к головке блока цилиндров крепятся шпильками через металлоасбестовую прокладку впускной и выпускной трубопроводы, отлитые соответственно из алюминиевого сплава и чугуна.
Поршень служит для восприятия давления газов при рабочем ходе и осуществления вспомогательных тактов (впуска, сжатия, выпуска). Поршень 24 представляет собой полый цилиндр, отлитый из алюминиевого сплава. Он имеет днище 23, головку 22 и юбку 25. Снизу днище поршня усилено ребрами. В головке поршня выполнены канавки 21 для поршневых колец. В юбке поршня находятся приливы 20 (бобышки) с отверстиями для поршневого пальца. В бобышках поршня залиты стальные термокомпенсационные пластины, уменьшающие расширение поршня от нагрева и исключающие его заклинивание в цилиндре двигателя. Юбка сделана овальной в поперечном сечении, конусной по высоте и с вырезами в нижней части. Овальность и конусность юбки так же, как и термокомпенсационные пластины, исключают заклинивание поршня, а вырезы — касание поршня с противовесами коленчатого вала. Кроме того, вырезы в юбке уменьшают массу поршня. Для лучшей приработки к цилиндру наружная поверхность юбки поршня покрыта тонким слоем олова. Отверстие в бобышках под поршневой палец смещено относительно диаметральной плоскости поршня. Посредством этого уменьшаются перекашивание и удары поршня при переходе его через верхнюю мертвую точку (ВМТ).
Поршни двигателей легковых автомобилей могут иметь днища различной конфигурации с целью образования вместе с внутренней поверхностью головки цилиндров камер сгорания необходимой формы. Днища поршней могут быть плоскими, выпуклыми, вогнутыми и с фигурными выемками.
Поршневые кольца уплотняют полость цилиндра, исключают прорыв газов в картер двигателя (компрессионные 19) и попадание масла в камеру сгорания (маслосъемное 18). Кроме того, они отводят теплоту от головки поршня к стенкам цилиндра. Компрессионные и маслосъемное кольца — разрезные. Они изготовлены из специального чугуна. Вследствие упругости кольца плотно прилегают к стенкам цилиндра. При этом между разрезанными концами колец (в замках) сохраняется небольшой зазор (0,2... 0,35 мм). Верхнее компрессионное кольцо, работающее в наиболее тяжелых условиях, имеет бочкообразное сечение для улучшения его приработки. Наружная поверхность его хромирована для повышения износостойкости. Нижнее компрессионное кольцо имеет сечение скребкового типа (на его наружной поверхности выполнена проточка) и фосфатировано. Кроме основной функции, оно выполняет также дополнительную — маслосбрасывающего кольца. Маслосъемное кольцо на наружной поверхности имеет проточку и щелевые прорези для отвода во внутреннюю полость поршня масла, снимаемого со стенок цилиндра. На внутренней поверхности оно имеет канавку, в которой устанавливается разжимная витая пружина, обеспечивающая дополнительное прижатие кольца к стенкам цилиндра двигателя.
Поршневой палец служит для шарнирного соединения поршня с верхней головкой шатуна. Палец 26 — трубчатый, стальной. Для повышения твердости и износостойкости его наружная поверхность подвергается цементации и закаливается токами высокой частоты. Палец запрессовывается в верхнюю головку шатуна с натягом, что исключает его осевое перемещение в поршне, в результате которого могут быть повреждены стенки цилиндра. Поршневой палец свободно вращается в бобышках поршня.
Шатун служит для соединения поршня с коленчатым валом и передачи усилий между ними. Шатун 27 — стальной, кованый, состоит из неразъемной верхней головки 28, стержня 29 двутаврового сечения и разъемной нижней головки 30. Нижней головкой шатун соединяется с коленчатым валом. Съемная половина нижней головки является крышкой шатуна и прикреплена к нему двумя болтами 31. В нижнюю головку шатуна вставляют тонкостенные биметаллические, сталеалюминиевые вкладыши 32 шатунного подшипника. В нижней головке шатуна имеется специальное отверстие 33 для смазывания стенок цилиндра.
Коленчатый вал воспринимает усилия от шатунов и передает создаваемый на нем крутящий момент трансмиссии автомобиля. От него также приводятся в действие различные механизмы двигателя (газораспределительный механизм, масляный насос, распределитель зажигания, насос охлаждающей жидкости и др.). Коленчатый вал 34 — пятиопорный, отлит из специального высокопрочного чугуна. Он состоит из коренных 36 и шатунных 5 шеек, щек 37, противовесов 39, переднего 35 и заднего 40 концов. Коренными шейками коленчатый вал установлен в подшипниках (коренных опорах) картера двигателя, вкладыши 44 которых тонкостенные, биметаллические, сталеалюминиевые. К шатунным шейкам коленчатого вала присоединяют нижние головки шатунов. Шатунные подшипники смазываются по каналам, соединяющим коренные шейки с шатунными. Щеки соединяют коренные и шатунные шейки коленчатого вала, а противовесы разгружают коренные подшипники от центробежных сил неуравновешенных масс. На переднем конце коленчатого вала крепятся: ведущая звездочка цепного привода газораспределительного механизма; шкив ременной передачи для привода вентилятора, насоса охлаждающей жидкости, генератора; храповик для проворачивания вала вручную пусковой рукояткой. В заднем конце коленчатого вала имеется специальное гнездо для установки подшипника первичного (ведущего) вала коробки передач. К торцу заднего конца вала с помощью специальной шайбы 41 болтами 42 крепится маховик 43. От осевых перемещений коленчатый вал фиксируется двумя опор- ными полукольцами 45, которые установлены в блоке цилиндров двигателя по обе стороны заднего коренного подшипника. Причем с передней стороны подшипника ставится сталеалюминиевое кольцо, а с задней — из спеченных материалов (металлокерамическое).
Маховик обеспечивает равномерное вращение коленчатого вала, накапливает энергию при рабочем ходе для вращения вала при подготовительных тактах и выводит детали кривошипно-шатунного механизма из мертвых точек. Энергия, накопленная маховиком, облегчает пуск двигателя и обеспечивает трогание автомобиля с места. Маховик 43 представляет собой массивный диск, отлитый из чугуна. На обод маховика напрессован стальной зубчатый венец, предназначенный для пуска двигателя электрическим стартером. К маховику крепятся детали сцепления. Маховик, будучи деталью кривошипно-шатунного механизма, является также одной из ведущих частей сцепления.
1.2 Крепление двигателя
Двигатель в сборе со сцеплением и коробкой передач устанавливают на автомобилях на эластичных опорах.
Опоры воспринимают не только нагрузку от двигателя, но и нагрузки, возникающие при трогании автомобиля с места, разгоне и торможении. Они уменьшают колебания двигателя, устраняют передачу его вибраций на кузов и смягчают удары, передаваемые на двигатель от дорожных неровностей при движении автомобиля.
Система крепления двигателя на автомобилях включает в себя (рис. 4) переднюю 1, заднюю 4 и левую 5 опоры. Передняя и левая опоры имеют одинаковую конструкцию.

Рис.4.
1,4,5 – опоры; 2,3,6 – кронштейны
Каждая опора состоит из наружной стальной обоймы и внутренней алюминиевой втулки, между которыми завулканизирована резина. Обе опоры запрессованы в стальные сварные кронштейны. Кронштейн 2 передней опоры прикреплен болтами к блоку цилиндров, а кронштейн 6 левой опоры — шпильками к картеру коробки передач.
Задняя опора, как и передняя и левая, имеет наружную обойму и внутреннюю втулку, между которыми находится резина. Стальной кованый кронштейн 3 задней опоры крепится к коробке передач. Передней, задней и левой опорами двигатель крепится к кузову.
2. Газораспределительный механизм
2.1 Назначение и характеристика
Газораспределительным называется механизм, осуществляющий открытие и закрытие впускных и выпускных клапанов двигателя.
Газораспределительный механизм служит для своевременного впуска горючей смеси или воздуха в цилиндры двигателя и выпуска из цилиндров отработавших газов. В двигателях автомобилей применяются газораспределительные механизмы с верхним расположением клапанов. Верхнее расположение клапанов позволяет увеличить степень сжатия двигателя, улучшить наполнение цилиндров горючей смесью или воздухом и упростить техническое обслуживание двигателя в эксплуатации.
Двигатели автомобилей могут иметь газораспределительные механизмы различных типов (рис. 5), что зависит от компоновки двигателя и, главным образом, от взаимного расположения коленчатого вала, распределительного вала и впускных и выпускных клапанов. Число распределительных валов зависит от типа двигателя.
При верхнем расположении распределительный вал устанавливается в головке цилиндров, где размещены клапаны. Открытие и закрытие клапанов производится непосредственно от распределительного вала через толкатели или рычаги привода клапанов. Привод распределительного вала осуществляется от коленчатого вала с помощью роликовой цепи или зубчатого ремня.
Верхнее расположение распределительного вала упрощает конструкцию двигателя, уменьшает массу и инерционные силы возвратно-поступательно движущихся деталей механизма и обеспечивает высокую надежность и бесшумность его работы при большой частоте вращения коленчатого вала двигателя.
Цепной и ременный приводы распределительного вала также обеспечивают бесшумную работу газораспределительного механизма.
При нижнем расположении распределительный вал устанавливается в блоке цилиндров рядом с коленчатым валом. Открытие и закрытие клапанов производится от распределительного вала через толкатели штанги и коромысла. Привод распределительного вала осуществляется с помощью шестерен от коленчатого вала.

Рис. 5. Типы газораспределительных механизмов, классифицированных по различным признакам
При нижнем расположении распределительного вала усложняется конструкция газораспределительного механизма и двигателя. При этом возрастают инерционные силы возвратно-поступательно движущихся деталей газораспределительного механизма. Число распределительных валов в газораспределительном механизме и число клапанов на один цилиндр зависят от типа двигателя. Так, при большем числе впускных и выпускных клапанов обеспечивается лучшие наполнение цилиндров горючей смесью и их очистка от отработавших газов. В результате двигатель может развивать большие мощность и крутящий момент. При нечетном числе клапанов на цилиндр число впускных клапанов на один клапан больше, чем выпускных.
2.2 Конструкция и работа газораспределительного механизма
Газораспределительные механизмы независимо от расположения распределительных валов в двигателе включают в себя клапанную группу, передаточные детали и распределительные валы с приводом.
В клапанную группу входят впускные и выпускные клапаны, направляющие втулки клапанов и пружины клапанов с деталями крепления.
Передаточными деталями являются толкатели, направляющие втулки толкателей, штанги толкателей, коромысла, ось коромысел, рычаги привода клапанов, регулировочные шайбы и регулировочные болты. Однако при верхнем расположении распределительного вала толкатели, направляющие втулки и штанги толкателей, коромысла и ось коромысел обычно отсутствуют.
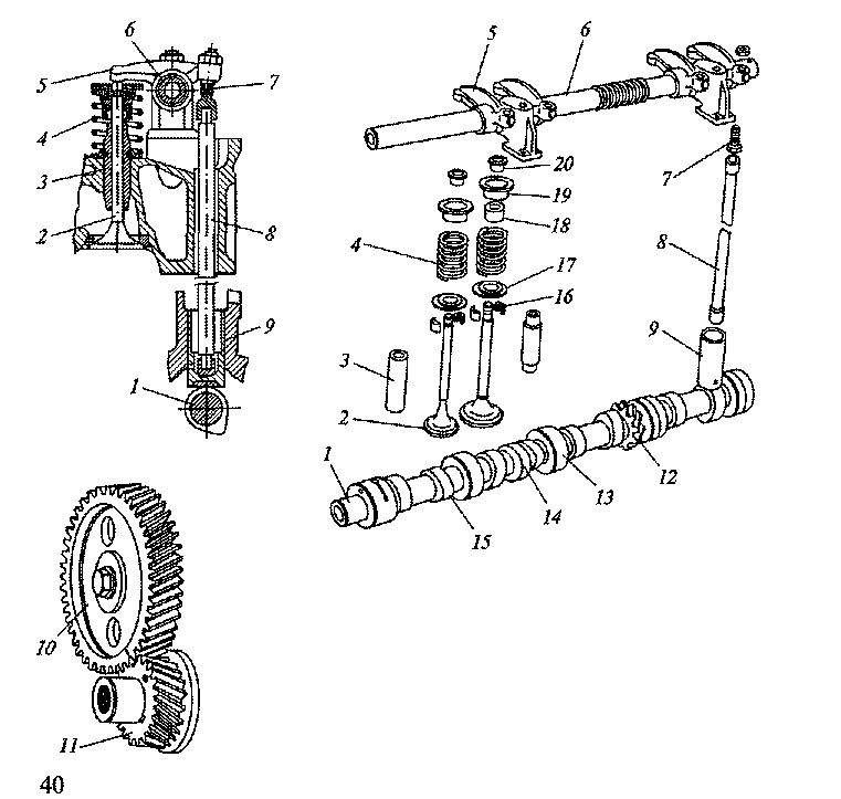
На рис. 6 представлен газораспределительный механизм двигателя с верхним расположением клапанов, с верхним расположением распределительного вала с цепным приводом и с двумя клапанами на цилиндр. Он состоит из распределительного вала 14 с корпусом 13 подшипников, привода распределительного вала, рычагов 11 привода клапанов, опорных регулировочных болтов 18 клапанов 1 и 22, направляющих втулок 4, пружин 7 и 8 клапанов с деталями крепления.
Распределительный вал обеспечивает своевременное открытие и закрытие клапанов. Распределительный вал — пятиопорный, отлит из чугуна. Он имеет опорные шейки 75 и кулачки 16 (впускные и выпускные). Внутри вала проходит канал, через который подводится масло от средней опорной шейки к другим шейкам и кулачкам. К переднему торцу вала крепится ведомая звездочка 24 цепного привода. Вал устанавливается в специальном корпусе 13 подшипников, отлитом из алюминиевого сплава, который закреплен на верхней плоскости головки блока цилиндров. От осевых перемещений распределительный вал фиксируется упорным фланцем 12, который входит в канавку передней опорной шейки вала и прикрепляется к торцу корпуса подшипников.
Привод распределительного вала осуществляется через установленную на нем ведомую звездочку 24 двухрядной роликовой цепью 25 от ведущей звездочки 28 коленчатого вала. Этой цепью также вращается звездочка 27 вала привода масляного насоса. Привод распределительного вала имеет полуавтоматический натяжной механизм, состоящий из башмака и натяжного устройства. Цепь натягивается башмаком 30, на который воздействуют пружины натяжного устройства 31. Для гашения колебаний ведущей ветви цепи служит успокоитель 26. Башмак и успокоитель имеют стальной каркас с привулканизированным слоем резины. Ограничительный палец 29 предотвращает спадание цепи при снятии на автомобиле ведомой звездочки распределительного вала.
Клапаны открывают и закрывают впускные и выпускные каналы. Клапаны установлены в головке блока цилиндров в один ряд под углом к вертикальной оси цилиндров двигателя. Впускной клапан 1 для лучшего наполнения цилиндров горючей смесью имеет головку большего диаметра, чем выпускной клапан. Он изготовлен из специальной хромистой стали, обладающей высокой износостойкостью и теплопроводностью. Выпускной клапан 22 работает в более тяжелых температурных условиях, чем впускной. Он выполнен составным. Его головку делают из жаропрочной хромистой стали, а стержень — из специальной хромистой стали.
Каждый клапан состоит из головки 2 и стержня 3. Головка имеет конусную поверхность (фаску), которой клапан при закрытии плотно прилегает к седлу из специального чугуна, установленному в головке блока цилиндров и имеющему также конусную поверхность.
Стержень клапана перемещается в чугунной направляющей втулке 4, запрессованной и фиксируемой стопорным кольцом 23 в головке блока цилиндров, обеспечивающей точную посадку клапана. На втулку надевается маслоотражательный колпачок 5 из маслостойкой резины. Клапан имеет две цилиндрические пружины: наружную 8 к внутреннюю 7. Пружины крепятся на стержне клапана с помощью шайб 6, тарелки 9 и разрезного сухаря 10. Клапан приводится в действие от кулачка распределительного вала стальным кованым рычагом 11, который опирается одним концом на регулировочный болт 18, а другим — на стержень клапана. Регулировочный болт имеет сферическую головку.

Рис. 6. Газораспределительный механизм легкового автомобиля с цепным приводом:
1, 22 — клапаны; 2 — головка; 3 — стержень; 4, 20 — втулки; 5 — колпачок; б — шайбы; 7, 8, 17— пружины; 9— тарелка; 10— сухарь; 11 — рычаг; 12— фланец; 13— корпус; 14— распределительный вал; 15— шейка; 16 — кулачок; 18— болт; 19 — гайка; 21 — пластина; 23 — кольцо; 24, 27, 28 — звездочки; 25 — цепь; 26 — успокоитель; 29 — палец; 30 — башмак; 31 — натяжное устройство
Он ввертывается в резьбовую втулку 20, закрепленную в головке блока цилиндров и застопоренную пластиной 21, и фиксируется гайкой 19. Регулировочным болтом устанавливается необходимый зазор между кулачком распределительного вала и рычагом привода клапана, равный 0,15 мм на холодном двигателе и 0,2 мм на горячем двигателе (прогретом до 75...85°С). Пружина 17 создает постоянный контакт между концом рычага привода и стержнем клапана.
Газораспределительный механизм работает следующим образом. При вращении распределительного вала его кулачки в соответствии с порядком работы цилиндров двигателя поочередно набегают на рычаги 11. Рычаги, поворачиваясь одним концом на сферических головках регулировочных болтов 18, другим концом воздействуют на стержни клапанов, преодолевают сопротивление пружин 7, 8 открывают клапаны. При дальнейшем повороте распределительного вала кулачки сходят с рычагов, которые возвращаются в исходное положение под действием пружин 17, а клапаны закрываются под действием пружин 7 и 8.
При работе двигателя распределительный вал вращается в два раза медленнее, чем коленчатый вал. Это связано с тем, что за период рабочего цикла двигателя, протекающего за два оборота коленчатого вала, впускной и выпускной клапаны каждого цилиндра должны открываться по одному разу.
Нормальная работа газораспределительного механизма во многом зависит от теплового зазора между кулачками распределительного вала и рычагами привода клапанов.

Рис. 7. Ременный привод распределительного вала:
1, 4, 8 — шкивы; 2 — болты; 3 — ролик; 5 — ремень; 6— кронштейн; 7 — пружина
Этот зазор обеспечивает плотное закрытие клапанов при их удлинении в результате нагрева во время работы. При недостаточном тепловом зазоре или его отсутствии происходит неполное закрытие клапанов, что приводит к утечке газов, быстрому обгоранию фасок головок клапанов и снижению мощности двигателя.
Особенностью привода распределительного вала (рис. 7) является применение ременной передачи. Привод распределительного вала осуществляется через установленный на нем зубчатый шкив 4 ремнем 5 от зубчатого шкива 1 коленчатого вала. С помощью этого ремня также вращается зубчатый шкив 8 вала привода масляного насоса.
Ремень — зубчатый, изготовлен из резины, армированной стекловолокном. Зубья ремня имеют трапециевидную форму. Ремень натягивается с помощью натяжного ролика 3, закрепленного на кронштейне 6. Натяжение ремня регулируют пружиной 7 на неработающем двигателе при ослабленных болтах 2 крепления кронштейна натяжного ролика. Привод распределительного вала работает без смазки и снаружи закрыт тремя пластмассовыми крышками.
Газораспределительный механизм двигателя, представленный на рис. 8, состоит из распределительного вала 2 с двумя корпусами подшипников, привода распределительного вала, толкателей 4, регулировочных шайб 3, направляющих втулок 6, клапанов 7, пружин 5 клапанов с деталями крепления.
Распределительный вал чугунный, литой, пятиопорный. В задней части вала 2 находится эксцентрик для привода топливного насоса. Корпуса 1 подшипников распределительного вала отлиты из алюминиевого сплава. В них находятся верхние половины опор под шейки распределительного вала: две в переднем корпусе и три в заднем. Толкатели 4 клапанов — стальные, цилиндрические, передают усилия от кулачков распределительного вала на клапаны.

Рис. 8. Газораспеделительный механизм (д) с верхним расположением распределительного вала и его привод (6):
1 — корпус; 2 — распределительный вал; 3 — шайба; 4 — толкатель; 5 — пружина; 6 — втулка; 7 — клапан; 8, 9, 11 — шкивы; 10 — ролик; 12 — ремень; 13 — ось
В верхней части толкателей имеется гнездо для установки регулировочной шайбы. Регулировочные шайбы 3— плоские, стальные, толщиной 3,00... 4,25 мм с интервалом через каждые 0,05 мм. Подбором толщины этих шайб регулируется тепловой зазор между шайбой и кулачком распределительного вала. Клапаны 7 (впускной, выпускной) отличаются по конструкции и изготовлены из разных сталей. Впускной клапан имеет головку большего диаметра, чем выпускной. Он выполнен из хромоникельмолибденовой стали. Выпускной клапан — составной, сварен из двух частей. Головка клапана изготавливается из жаропрочной хромоникель-марганцовистой стали, а стержень — из хромоникельмолибденовой стали. Направляющие втулки 6 клапанов — чугунные, запрессовываются и фиксируются стопорными кольцами в головке блока цилиндров.
Пружины 5 (наружная, внутренняя) прижимают клапан к седлу и не дают ему отрываться от толкателя. Они также исключают возникновение резонансных колебаний деталей.
Привод распределительного вала производится через установленный на нем зубчатый шкив 11 ремнем 12 от зубчатого шкива 8 коленчатого вала. Этим же ремнем вращается зубчатый шкив 9 насоса охлаждающей жидкости. Ремень — зубчатый, резиновый, армирован стекловолокном. Зубья ремня имеют полукруглую форму.

Рис. 9. Газораспределительный механизм с нижним расположением распределительного вала:
1 — распределительный вал; 2 — клапан; 3, 20 — втулки; 4 — пружина; J— коромысло; 6 — ось; 7— винт; 8— штанга; 9 — толкатель; 10, 11, 12 — шестерни; 13 — шейка; И — эксцентрик; 15 — кулачок; 16 — сухарь; 17, 19 — шайбы; 18 — колпачок
Механизм включает в себя распределительный вал 1, привод распределительного вала, толкатели 9, штанги 8 толкателей, регулировочные винты 7, ось 6 коромысел, коромысла 5, клапаны 2, направляющие втулки 3 клапанов и пружины 4 с деталями крепления.
Распределительный вал — стальной, кованый, имеет пять опорных шеек 13, кулачки 15 (впускные и выпускные), шестерню 12 привода масляного насоса и распределители зажигания, а также эксцентрик 14 привода топливного насоса. Вал установлен в блоке цилиндров двигателя на запрессованных биметаллических втулках, изготовленных из стали и покрытых изнутри слоем свинцовистого баббита.
Привод распределительного вала осуществляется через прикрепленную к его переднему концу ведомую шестерню 10, изготовленную из текстолита. Она находится в зацеплении с ведущей стальной шестерней 11, установленной на коленчатом валу. Обе шестерни выполнены косозубыми для уменьшения шума и обеспечения плавной работы. Передаточное отношение шестеренного привода — отношение числа зубьев ведущей шестерни к числу зубьев ведомой шестерни — равно 1:2, т. е. ведомая шестерня 10 имеет в два раза больше зубьев, чем ведущая шестерня 11. Это необходимо для того, чтобы за два оборота коленчатого вала распределительный вал совершал один оборот, обеспечивая за полный цикл двигателя открытие впускного и выпускного клапанов каждого цилиндра по одному разу.
Толкатели 9 служат для передачи усилия от кулачков распределительного вала к штангам 8. Они изготовлены из стали, и их торцы, соприкасающиеся с кулачками, выполнены сферическими и наплавлены отбеленным чугуном для уменьшения изнашивания. Внутри толкатели имеют сферические углубления для установки штанг. Толкатели перемешаются в направляющих отверстиях блока цилиндров.
Штанги 8 передают усилие от толкателей к коромыслам 5. Они изготовлены из алюминиевого сплава, и на их концы напрессованы стальные наконечники.
Коромысла 5 предназначены для передачи усилия от штанг к клапанам. Коромысла стальные, имеют неравные плечи для уменьшения высоты подъема толкателей и штанг, в их короткие плечи ввернуты винты 7для регулирования теплового зазора. Коромысла установлены на втулках на полой оси 6, закрепленной в головке цилиндров.
Клапаны 2 изготовлены из легированных жаропрочных сталей. Для лучшего наполнения цилиндров двигателя горючей смесью диаметр головки у впускного клапана больше, чем у выпускного.
Пружины 4 изготовлены из рессорно-пружинной стали. Деталями их крепления являются шайбы 17 и 19, сухари 16 и втулки 20.
Резиновые маслоотражательные колпачки 18, установленные на впускных клапанах, исключают проникновение масла через зазоры между направляющими втулками и стержнями впускных клапанов.
Газораспределительный механизм работает следующим образом. При вращении распределительного вала его кулачки поочередно набегают на толкатели 9 в соответствии с порядком работы цилиндров двигателя. Усилие от толкателей 9 через штанги передается к коромыслам 5, которые, поворачиваясь на оси 6, воздействуют на стержни клапанов 2, преодолевают сопротивление пружин 4 и открывают клапаны. При дальнейшем повороте распределительного вала кулачки сходят с толкателей, которые вместе со штангами и коромыслами возвращаются в исходное положение под действием пружин, закрывающих также клапаны.
В настоящее время в газораспределительных механизмах двигателей легковых автомобилей для привода впускных и выпускных клапанов находят широкое применение гидравлические толкатели.
Гидравлические толкатели автоматически обеспечивают постоянный (беззазорный) контакт кулачков распределительного вала с клапанами, компенсируют износ сопрягаемых деталей (распределительного вала и клапанной группы) и исключают необходимость регулирования теплового зазора клапанов в эксплуатации.
Гидравлический толкатель (рис. 10) состоит из корпуса, компенсатора и шарикового клапана. В корпусе 2 толкателя приварена направляющая втулка 1, в которой стопорным кольцом 3 закреплен компенсатор. Компенсатор состоит из корпуса 4 и поршня 5, между которыми установлена разжимная пружина 7, а в поршне размещен шариковый клапан 6. Внутренняя полость компенсатора заполнена маслом, которое поступает в компенсатор при открытом клапане 6 из корпуса гидротолкателя. В корпус гидротолкателя масло подается из масляной магистрали головки цилиндров через наружную канавку и отверстие, выполненные в корпусе.
Гидротолкатель каждого клапана установлен между торцом стержня клапана и кулачком распределительного вала в отверстии, расточенном в головке цилиндров.

Рис. 10. Гидравлический толкатель:
1 — втулка; 2, 4— корпуса; 3 — кольцо; 5 — поршень; 6 — клапан; 7 — пружина
Работает гидравлический толкатель следующим образом.
При набегании кулачка распределительного вала на толкатель усилие от кулачка передается на торец его корпуса 2, который перемещает поршень 5 компенсатора, преодолевая сопротивление пружины 7. При этом шариковый клапан 6 закрывается и запирает находящееся внутри компенсатора масло, через которое и передается усилие от распределительного вала к впускному или выпускному клапану, и клапан открывается. При перемещении поршня 5 часть масла из компенсатора через зазор между поршнем и корпусом 4 вытекает в корпус 2 толкателя, и поршень немного вдвигается в корпус 4 компенсатора.
При сбегании кулачка распределительного вала с толкателя пружина 7 прижимает поршень 5 к корпусу толкателя, обеспечивая его беззазорный контакт с кулачком распределительного вала. При этом шариковый клапан 6 открывается, впускает масло в компенсатор, а впускной или выпускной клапан закрывается.
2.3 Фазы газораспределения
Продолжительность открытия впускных и выпускных клапанов, выраженная в градусах угла поворота коленчатого вала относительно мертвых точек, называется фазами газораспределения.

Рис. 11. Фазы газораспределения (а, б) двигателей
Наивысшие мощностные показатели работы двигателя могут быть достигнуты при наилучшем наполнении цилиндров горючей смесью и наиболее полной их очистке от отработавших газов. Поэтому продолжительность фаз впуска и выпуска установлена больше 180° за счет того, что моменты открытия и закрытия клапанов не совпадают с положениями поршня в верхней и нижней мертвых точках. Так, впускной клапан открывается в конце такта выпуска до прихода поршня в ВМТ с опережением на 12° (рис. 11, а) у двигателей заднеприводных автомобилей ВАЗ и 33° (рис. 2.17, б) у двигателей переднеприводных автомобилей ВАЗ, а закрывается в начале такта сжатия после прихода поршня в НМТ с запаздыванием соответственно на 40 и 79°. Продолжительность впуска горючей смеси в цилиндры двигателей составляет соответственно 232 и 292°, что обеспечивает наилучшее их наполнение.
Выпускной клапан открывается в конце такта рабочего хода до прихода поршня в НМТ с опережением на 42 и 47°, а закрывается в начале такта впуска после прихода поршня в ВМТ с запаздыванием соответственно на 10 и 17°. Продолжительность выпуска отработавших газов из цилиндров двигателей составляет соответственно 232 и 244°, что обеспечивает наиболее полную их очистку от газов.
В конце такта выпуска и в начале такта впуска происходит перекрытие клапанов, когда оба клапана (впускной и выпускной) открыты одновременно. Продолжительность перекрытия клапанов составляет для двигателей 22 и 50°. Перекрытие клапанов длится небольшой промежуток времени и не оказывает влияния на работу двигателя.
В процессе эксплуатации необходимо следить за правильной установкой фаз газораспределения. Она обеспечивается совмещением специальных меток на шкивах распределительного и коленчатого валов и соответствующих меток на двигателе или совмещением меток на шестернях привода.
Постоянство фаз газораспределения сохраняется только при соблюдении регулируемых тепловых зазоров в газораспределительном механизме. При увеличении зазоров продолжительность открытия клапанов уменьшается, а при уменьшении — увеличивается.
Список использованной литературы
1. Сарбаев В.И. Техническое обслуживание и ремонт автомобилей. − Ростов н/Д: «Феникс», 2004.
2. Вахламов В.К. Техника автомобильного транспорта. − М.: «Академия», 2004.
3. Барашков И.В. Бригадная организация технического обслуживания и ремонта автомобилей. – М.: Транспорт, 1988г.