Модернизация релейной защиты на тяговой подстанции Улан-Удэ на базе микропроцессорной техники
Иркутский Государственный Университет Путей Сообщения
Пояснительная записка к дипломному проекту
ДП.ЭЖТ.190401.ПЗ
Модернизация релейной защиты на тяговой подстанции Улан-Удэ на базе микропроцессорной техники
Руководитель проекта:
Ст.преподователь каф. "ЭЖТ"
Музыка Д.Ф.
Содержание
Введение
1. Основные понятия и комплекты релейной защиты
1.1 Общие положения
1.2 Основные виды релейной защиты
2. Современное состояние релейной защиты фидеров контактной сети
2.1 Микропроцессорные защиты
2.2 Электронная защита
3. Расчет уставок релейных защит фидера контактной сети тягово подстанции ЭЧЭ-58 Заудинск
3.1 Исходные данные
3.2 Расчет параметров тяговой подстанции
3.3 Расчет уставок срабатывания 3-х ступенчатой УЭЗФМ
3.4 Расчет уставки четвертой ступени дистанционной защиты (ДЗ)
3.5 Расчет уставки срабатывания максимально токовой защиты фидера контактной сети (МТЗ)
4. Исследование условий для замены релейной защиты УЭЗФМ-ФКС-27,5 на ЦЗА-ФКС-27,5 на тяговой подстанции Заудинск
4.1 Техническое обслуживание ЦЗА
4.2 Диагностирование
4.3 Текущий ремонт ЦЗА
4.4 Функции самодиагностики
4.5 Меры безопасности при техническом обслуживании
4.6 Пример схемы подключения устройств ЦЗА-27,5-ФКС при резервировании защит фидеров контактной сети
4.7 Настройка
5. Диагностирование микропроцессорных защит при помощи современных приборов
5.1 Внешний осмотр
5.2 Источники напряжения
5.3 Настройка Ретом -41М
5.4 Главное меню
5.5 Управление выходными контактами
5.6 Проверка времен аозврата и срабатывания
5.7 Силовые клеммы прибора
5.8 Цифровой мультиметр
5.9 Программный модуль. Ручная проверка реле тока и напряжения
6. Безопасность и экологичность проекта
6.1 Обеспечение электробезопасности при работе на тяговых подстанциях
6.2 Инженерно-технические мероприятия по повышению устойчивости работы тяговой подстанции в условиях чрезвычайных ситуаций
6.3 Обслуживание измерительных приборов, устройств релейной защиты, вторичных цепей
6.4 Расчет заземляющего устройства
7. Расчет экономической эффективности от внедрения релейной защиты ЦЗА-27,5-ФКС тяговой подстанции Заудинск
7.1 Расчет затрат на установку и эксплуатацию ЦЗА-27,5
7.2 Расчет затрат на установку и обслуживание УЭЗФМ-27,5
7.3 Расчет срока окупаемости по приведенным затратам
Заключение
Список используемой литературы
Введение
Основной задачей системы тягового электроснабжения является обеспечение эксплуатационной работы железной дороги. Для этого необходимо, чтобы мощность всех элементов системы электроснабжения была достаточной для обеспечения потребной каждому локомотиву мощности при самых разнообразных условиях работы железнодорожной линии.
Эта задача может быть решена только при правильно выбранных параметрах системы электроснабжения, т.е. обеспечивающих работу оборудования в допустимых для него пределах по нагрузке и необходимое качество электроэнергии (в первую очередь уровень напряжения).
Известно, что недопустимое для данного элемента электрической установки увеличение нагрузки может привести к выходу его из строя. Следовательно, параметры устройств системы электроснабжения должны быть выбраны так, чтобы они бесперебойно работали в течение времени, определяемого их нормальным сроком службы.
Наряду с этим на электрифицированных железных дорогах неизбежны редко встречающиеся случайные сочетания нагрузок (расположения поездов), вызванные особыми условиями эксплуатации, например, пропуск поездов с минимальными межпоездными интервалами после непредусмотренных длительных перерывов движения и др. Такие сочетания нагрузок предъявляют к системе электроснабжения весьма высокие требования. При проектировании системы электроснабжения такие редко встречающиеся сочетания нагрузок не всегда принимают во внимание; пропуск поездов в этих случаях регулируется диспетчером с учетом возможностей системы электроснабжения.
Передача электрической энергии по проводам связана с некоторым понижением напряжения у потребителя, тем большим, чем больше потребляемая им мощность и чем дальше от питающего центра он расположен. Вследствие этого поезда, удаляющиеся от подстанций, питаются электрической энергией при более низком напряжении, и если нельзя изменить режим ведения поезда, то снижается скорость его движения. Производительность локомотива зависит от уровня напряжения в контактной сети, поэтому вопрос поддержания определенного значения напряжения в сети у поезда является весьма важным для обеспечения нормальной работы электрифицированных железных дорог.
Надежность, бесперебойность и экономичность работы электрифицированной дороги зависят от резервирования различных элементов устройства. Резервирование на тяговых подстанциях переменного тока осуществляется путем установки двух понизительных трансформаторов. В случае отключения одного из них включается другой, и таким образом обеспечиваются нормальные размеры движения на линии. В случае же отключения всей подстанции ее нагрузка воспринимается смежными, резервирование же в таком случае предусматривается в виде запаса мощностей трансформаторов. При этом необходимо знать размеры движения, которые можно обеспечить в условиях отключения одной подстанции.
В системах электроснабжения нередко внезапно возникают короткие замыкания (к.з.) и другие ненормальные режимы работы. Различают к.з. между фазами электрической установки (междуфазное к.з.), а также между фазой и землей (замыкание на землю). В трансформаторах и электрических машинах, кроме того, возможны межвитковые замыкания в обмотке одной фазы. К.з. возникают вследствие дефектов, старения и загрязнения изоляции токоведущих частей, обрыва и схлестывания проводов при сильном ветре или гололеде, неисправности в цепях электроподвижного состава, ошибочных переключений и т. п. Электрическая дуга в месте замыкания способна вызывать пережоги, оплавление и разрушения электрического оборудования и распределительных устройств, отжиг и обрыв контактных проводов. Разрушения оказываются тем значительнее, чем больше ток в дуге и время ее существования. Чтобы к.з. не вызвало большого ущерба, поврежденное электрооборудование необходимо как можно быстрее отключить.
Отключение электрической системы осуществляется коммутационными аппаратами – высоковольтными выключателями, привод которых снабжен специальным механизмом. Для отключения выключателя необходимо осуществить управляющее воздействие на этот механизм. Автоматические устройства, служащие для выявления к.з. и ненормальных режимов и воздействующие в необходимых случаях на механизм отключения выключателя или на сигнал, называют релейной защитой.
К релейной защите в соответствии с ее назначением предъявляют следующие требования: избирательность, надежность, резервирование, быстродействие, чувствительность.
Кроме того, релейная защита должна быть по возможности недорогой и безопасной в обслуживании.
1. Основные понятия и комплекты релейной защиты
1.1 Общие положения
Релейная защита какого-либо элемента электроустановки состоит из комплекта различных реле, соединенных по определенной схеме. Релейная защита по назначению делится на основную и дополнительную.
Основной защитой называют такую защиту, которая действует при повреждении в пределах всего защищаемого элемента, время ее действия должна быть намного короче, чтобы обеспечить бесперебойную работу неповрежденной части системы. Поэтому основную защиту стремятся выполнить быстродействующей.
К основным защитам относятся: максимальная токовая защита (МТЗ), максимальная токовая с независимой выдержкой времени (МТЗ НВ), дифференциальная (ДЗ), дистанционная.
Дополнительные защиты применяются в качестве резервных защит или вспомогательных. Резервной защитой называют такую защиту, которая резервирует защиты последующих (по направлению от источника питания) элементов системы на случай отказа действия их защит или выключателей.
Вспомогательной защитой называют такую защиту, которую устанавливают в дополнение к основной защите. (Токовая отсечка, отсечка по напряжению).
Релейная защита выполняется с помощью реле. Реле – это автоматически действующий аппарат, осуществляющий скачкообразные изменения в управляемых системах при заданном значении воздействующей на него величины. При этом под воздействующей понимается величина, на которую должно реагировать реле (ток, напряжение, температура, поток газовых пузырей и т. д.).
Являясь составной частью комплекса устройств автоматики, релейная защита обладает в то же время спецификой, выделяющей ее в самостоятельные научное и научно-техническое направления, основы которых базируются на фундаментальных положениях теории стационарных и нестационарных электромагнитных и электромеханических процессов, теории надежности, математической логики, электрических аппаратов, электроники и микроэлектроники и др. Назначением релейной защиты является локализация повреждений, предотвращение или сокращение ущерба при внезапном возникновении повреждений или ненормальных режимов работы электроэнергетических устройств выработки, передачи, преобразования и распределения электроэнергии, обеспечение устойчивости, надежности и живучести систем электроснабжения. Вместе с устройствами автоматического повторного включения (АПВ) и автоматического включения резерва (АВР) релейная защита образует так называемую систему противоаварийной автоматики (автоматики управления в аварийных режимах).
Защита первых электрических установок от коротких замыканий осуществлялась с конца позапрошлого столетия плавкими предохранителями. В начале XX века появились сначала реле тока, а потом и реле напряжения. С 1910 года начинают использоваться токовые защиты, дополненные реле направления мощности. Реле сопротивления, как составная часть дистанционной защиты, стали выпускаться в начале 20-х годов. Для реле тока и напряжения использовались электромагнитные механизмы, реле направления мощности и сопротивления выполнялись на индукционном принципе.
К началу 30-х годов относится появление высокочастотных защит линий электропередач с электронными лампами. С конца 40-х годов наметилась тенденция конструирования реле с использованием полупроводниковых диодов и транзисторов. Уже в 60-х годах такие реле стали получать все большее распространение и в настоящее время, например, вместо индукционных реле направления мощности и сопротивления выпускаются полупроводниковые.
В 80-х годах стали появляться отдельные реле и комплекты защит, выполненные с применением элементов микроэлектроники (аналоговых и цифровых микросхем). Дальнейшая тенденция развития техники релейной защиты связана с использованием микропроцессорных комплексов. Такие комплексы осуществляют как функции релейной защиты, так и ряд дополнительных и сервисных функций (автоматическое повторное включение, определение места повреждения, фиксация параметров аварийного режима и т.п.) с отображением на встроенном дисплее.
С развитием техники релейной защиты уменьшались ее габариты и собственное потребление, улучшались ее характеристики, повышались быстродействие, чувствительность и надежность, совершенствовались алгоритмы функционирования. Все это позволяет более уверенно решать основную проблему: четкое разграничение аварийного и нормального режимов.
Релейная защита, контролирующая состояние только одного объекта и отключающая при аварийных режимах выключатель только данного объекта, называется индивидуальной. Во многих случаях основные свойства защиты (чувствительность, селективность, быстродействие) улучшаются, если индивидуальные устройства взаимосвязаны.
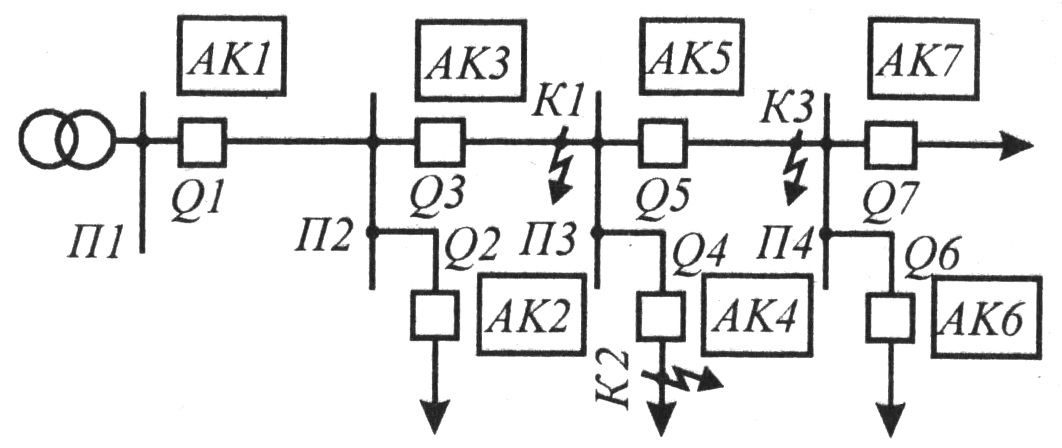
Взаимная связь таких устройств может быть продольной и поперечной. Продольная взаимная связь объединяет защиты АК1 и АК2 на разных концах (на входе и выходе) одного объекта, например, линии – рисунок 1, а. Взаимная связь, при которой объединяются защиты АК1 и АК2 разных объектов, присоединенных к общим шинам, называется поперечной - рисунок 1, б.

До недавнего времени релейная защита и другие устройства автоматики выполнялись только на релейно-контактных элементах. В последние десятилетия широко начали применять электронные устройства. Это повышает надежность защит, уменьшает их размеры, собственное потребление и эксплуатационные расходы, а также позволяет реализовать совершенно новые функциональные зависимости. Применение полупроводниковой электроники дает возможность выполнить релейную защиту вместе с другими устройствами автоматики и телемеханики в виде единой системы, комплекса. Применение микроэлектроники и микропроцессорных систем еще больше повышает эффективность релейной защиты и автоматики, открывает перспективы для передачи функций релейной защиты и автоматики специальным управляющим вычислительным машинам, которые будут управлять устройствами электроснабжения в нормальных и аварийных режимах. В этой связи особое значение приобретает изучение алгоритмов (программ), которым должно подчиняться действие релейной защиты вне зависимости от той элементной базы, на основе которой она выполнена.
1.2 Основные виды релейной защиты
Наибольшее распространение получили токовые защиты. Для них воздействующей величиной является ток, проходящий по токоведущим частям электрической установки в месте включения защиты. Измерительный орган защиты приходит в действие, если воздействующая величина (контролируемый ток) превысит заранее установленное значение, называемое уставкой срабатывания.
Защита, измерительный орган которой сравнивает значения или фазы токов в разных концах защищаемого объекта или в параллельных ветвях, присоединенных к общим шинам, называется дифференциальной токовой защитой. Если сравниваются токи разных концов защищаемого объекта, например, линии – рисунок 1, а, то дифференциальная защита является продольной, если же сравниваются токи, например, параллельных линий рисунок 1, б, то – поперечной. Для передачи в измерительный орган информации о значениях и фазах сравниваемых токов используют вспомогательные провода. Дифференциальные защиты относятся к защитам с взаимной связью. Они обладают абсолютной селективностью и являются быстродействующими.
Защиты, для которых воздействующей величиной является напряжение, называются защитами напряжения, вольтметровыми или потенциальными. В качестве измерительного органа в них применяется реле напряжения. В трехфазных системах такую защиту можно выполнить, включая реле не только на полные фазные и линейные напряжения, но и на их симметричные составляющие. В последнем случае повышается чувствительность к тем видам к.з., которые сопровождаются существенной несимметрией напряжений. Для этого реле напряжения включают через фильтры симметричных составляющих напряжений.
В линиях электропередачи напряжением 35 кВ и выше, в контактных сетях переменного тока широко используют дистанционные защиты. В качестве измерительного органа этих защит применяют реле сопротивления.
Дистанционная защита в отличие, например, от токовой, реагирует не на один признак, а на три: ток, напряжение и фазовый угол между ними. Такая защита более четко отличает ненормальные режимы от нормальных и способна выявить к.з. даже в том случае, если ток к.з. меньше тока нормального режима.
В тяговых сетях получила распространение так называемая телеблокировка (устройство телеотключения), которая, как и высокочастотная защита, относится к защитам с продольной взаимной связью. При срабатывании АК1 на одном конце линии и отключении, например, выключателя Q1 – рисунок 1, а, на выключатель Q2, находящийся на другом конце линии, по каналам телемеханики подается команда на отключение.
В релейной защите находят применение и такие измерительные органы, для которых воздействующая величина не является электрической. Так, для трансформаторов используют газовую, а для преобразовательных агрегатов тяговых подстанций – тепловую защиту. Измерительный орган первой реагирует на интенсивность газообразования трансформаторного масла, а второй – на температуру полупроводниковых приборов.
Функциями релейной защиты являются: срабатывание (выдача команды на отключение) при к.з. в защищаемой зоне на контролируемом объекте; несрабатывание при отсутствии к.з. в защищаемой зоне; несрабатывание при к.з. за пределами зоны защиты. Действия защиты, выполняемые в соответствии с указанными функциями, являются верными.
Однако в силу тех или иных причин, например, отказов элементов защиты, внешних электромагнитных помехах и т. п., защита может действовать неправильно: не сработать при к.з. в зоне защиты (отказ срабатывания), сработать при отсутствии повреждений на защищаемом объекте (ложное срабатывание), сработать при к.з. за пределами зоны защиты (излишнее срабатывание). Неправильные действия защиты относятся к отказам ее функционирования. Отказ функционирования при к.з. приводит к тяжелым повреждениям электрооборудования, распределительных устройств, пережогу проводов контактной сети и т.д., а отказ функционирования в нормальном режиме работы защищаемого объекта влечет за собой прекращение питания потребителей.
Для обеспечения правильного функционирования защита должна обладать определенными свойствами: селективностью, устойчивостью функционирования, надежностью функционирования. Обобщенным показателем качества защиты является эффективность ее функционирования.
Селективность (избирательность). Это свойство заключается в способности с заданным быстродействием отключать с помощью выключателей только поврежденный элемент системы. Рассмотрим, например, электрическую сеть, связывающую источник питания П1 с подстанциями П2, ПЗ, П4 – рисунок 2. На отдельных участках установлены выключатели Q1, Q2,..., Q7, каждый из которых имеет самостоятельное устройство релейной защиты АК1, АК2,..., АК7.
По принципу селективности, если к.з. произошло в точке К2, должен отключиться выключатель Q4, а при к.з. в точке КЗ — выключатель Q5. Селективность защиты обеспечивает отключение минимального возможного участка и, следовательно, сохранение нормального электроснабжения максимального числа потребителей.

Рисунок 2 – Схема электрической сети
Короткие замыкания в пределах защищаемой данной защитой зоны называются внутренними, а за пределами этой зоны — внешними. Если защита способна реагировать только на внутренние повреждения, то ее селективность является абсолютной. Таким свойством обладают, например, продольные дифференциальные защиты и токовые отсечки. В ряде случаев, однако, к защите предъявляется требование срабатывать и при внешних к.з., т.е. неселективно. Защита, которая селективно срабатывает в обычных условиях только при внутренних к.з., но может при необходимости отключить и внешние к.з., обладает относительной селективностью. Защиты с относительной селективностью используются для резервирования выключателей смежных участков.
Селективность при внутренних к.з. характеризуется защитоспособностью и быстродействием. Защитоспособностью называется свойство, обеспечивающее способность защищать контролируемый объект при всех видах к.з. В ряде случаев, однако, защита может не реагировать на некоторые к.з. Часть контролируемой линии, в пределах которой данная защита не реагирует на к.з., называется мертвой зоной. Мертвые зоны перекрываются обычно резервными защитами.
Быстродействие защиты определяется необходимым временем отключения короткого замыкания. Чем меньше время отключения повреждения, тем:
выше устойчивость параллельной работы генераторов электростанций (нарушение синхронизма является наиболее тяжелой аварией в энергосистеме);
меньше разрушения изоляции, токоведущих частей, а также конструкций электротехнических аппаратов, оборудования и сетей;
меньше продолжительность снижения напряжения, отрицательно влияющего на технологические процессы, работу электроподвижного состава и условия безопасности (снижение напряжения, например, в высоковольтных линиях питания автоблокировки может привести к неверному действию или погасанию светофоров, а это связано с безопасностью движения поездов);
выше эффективность действия АПВ и АВР, так как чем меньше время существования к.з., тем меньше вероятность разрушения оборудования.
Устойчивость функционирования. Это свойство характеризуется чувствительностью к коротким замыканиям при внутренних к.з., а также отстроенностью (нечувствительностью) при внешних к.з. и отстроенностью от нормальных режимов (при отсутствии к.з).
Чувствительность – это способность защиты реагировать на повреждения в защищаемой зоне при самых неблагоприятных условиях. Чем дальше место повреждения от источника питания, тем меньше ток к.з. Значение этого тока еще больше снижается, если энергосистема работает в минимальном режиме, а замыкание произошло через переходное сопротивление электрической дуги. В этих условиях ток удаленного к.з. может быть соизмерим с током нормального режима и обеспечить чувствительность защиты достаточно трудно.
Надежность. Это свойство определяется, как способность объекта выполнять заданные функции, сохраняя во времени значения установленных эксплуатационных показателей в заданных пределах, соответствующих заданным режимам и условиям использования, технического обслуживания, ремонтов, хранения и транспортирования.
Для релейной защиты характерны два режима: дежурства (ожидания) и тревоги. В режиме дежурства защита находится при нормальной работе защищаемого объекта, а также при тех повреждениях в защищаемой зоне и за ее пределами, при которых эта защита не должна выдавать выходного сигнала на отключение выключателя. Режим тревоги соответствует появлению в защищаемой зоне тех видов повреждений, на которые данная защита должна реагировать путем отключения выключателя. Иными словами, в релейную защиту в режиме тревоги поступает требование срабатывания, а в режиме дежурства – требование несрабатывания.
В общем случае, в каждом из режимов действие защиты может быть верным или неверным. В режиме дежурства верное действие не сопровождается отключением выключателя, а неверное действие приводит к излишнему (неселективному) или ложному отключению. В режиме тревоги верное действие вызывает отключение выключателя, а неверное – не вызывает. Таким образом, надежность функционирования релейной защиты заключается в ее надежном срабатывании при поступлении требования срабатывания и надежном несрабатывании при поступлении требования несрабатывания.
На релейную защиту постоянно воздействует множество случайных факторов, каждый из которых может вызвать ее неверное действие (отказ). Эти факторы можно разделить на две группы. Факторы первой группы связаны с нарушением работоспособности собственно аппаратуры релейной защиты, которая характеризуется аппаратурной (элементной) надежностью. Ко второй группе относятся так называемые внешние факторы, которые не зависят от показателей надежности самой аппаратуры защиты. Внешними факторами являются помехи в цепях измерительных трансформаторов, первичных датчиков и источниках оперативного питания, изменение режимов работы и схемы питания защищаемого объекта, срабатывание разрядников на шинах и высоковольтных линиях при атмосферных и коммутационных перенапряжениях, броски тока при АПВ, недостаточная или излишняя чувствительность защиты, неверный выбор уставки и т. п. Надежность функционирования (эксплуатационная надежность) учитывает обе группы событий.
Надежность функционирования оценивается рядом показателей: вероятностью безотказной работы, параметром потока отказов, периодичностью отказов срабатывания, излишних и ложных действий и др.
Для повышения надежности функционирования важное значение имеют правильная эксплуатация и своевременная ревизия защиты. Надежность защиты стремятся повысить, применяя наиболее простые схемы и устройства, содержащие небольшое число элементов, особенно элементов с низкой надежностью. В связи с этим предпочтительно применение бесконтактных элементов, микроэлектроники.
Повышение надежности АК в режиме тревоги достигается также путем резервирования и дублирования защит. Различают основные и резервные защиты.
Основная защита реагирует на повреждения в пределах данной защищаемой зоны или защищаемого элемента со временем, меньшим, чем другие защиты рассматриваемой системы электроснабжения. Резервная защита должна реагировать на повреждения вместо основной, если последняя неисправна или выведена из работы. Резервная защита, установленная совместно с основной и воздействующая на тот же выключатель, осуществляет так называемое ближнее резервирование, или дублирование. Резервная защита, отключающая данный выключатель при внешнем повреждении (при повреждении на смежном элементе), если защита или выключатель смежного элемента отказали, осуществляет дальнее резервирование. Так, при относительной селективности защиты АК3, воздействующей на выключатель Q3 (см. рис. 2), эта защита является основной для зоны между подстанциями П2, П3 и резервной для зоны между подстанциями П3, П4, а также для выключателя Q4 и подключенной к нему линии.
2. Современное состояние релейной защиты на устройствах тягового электроснабжения
2.1 Микропроцессорные защиты
Общие положения. Перспективным направлением в теории и практике релейной защиты является использование микропроцессоров (МП) и микро-электронно вычислительных машин (микро-ЭВМ), разработка на их основе защит, получивших название микропроцессорных или программных. Микропроцессор - программно-управляемое устройство, обрабатывающее цифровую информацию и управляющее в соответствии с хранимой в памяти программой. Микро-ЭВМ - цифровая ЭВМ с интерфейсом ввода-вывода, состоит из микропроцессора, памяти программ, памяти данных, пульта управления и источников питания. Микропроцессоры и микро-ЭВМ составляют основу вычислительных систем (ВС), являющихся центральной частью микропроцессорных релейных защит. В состав вычислительных систем могут входить один или несколько МП или микро-ЭВМ, образуя соответственно однопроцессорную, много- (мульти-) процессорную, одномашинную или многомашинную вычислительные системы релейной защиты. Обработка информации в многопроцессорных и многомашинных вычислительных системах может осуществляться одновременно как по независимым программам, так и по независимым на отдельных участках ветвям программы.
Применение МП и микро-ЭВМ для выполнения функций релейной защиты обусловлено их широкими функциональными возможностями, обеспечивающими создание защит нового поколения практически любой сложности и высокой надежности.

Рисунок 1 - Обобщенная структурная схема микропроцессорной релейной защиты
ИП – измерительный преобразователь;
ВС1 – входное согласование;
Ф – частотной фильтрацией;
АЦП – аналого-цифровом преобразователе;
ВС2 – выходного согласования;
Х>1> – входного сигнала;
Х’>1> – прошедший фильтрацию аналоговый сигнал;
U – сигналами управления;
ИО – исполнительные органы
Описание и работа устройства ЦЗА-27,5-ФКС
Назначение ЦЗА-27,5-ФКС
Устройство ЦЗА-27,5-ФКС предназначено для выполнения функций защиты и автоматики, контроля и сигнализации, местного и дистанционного управления фидером контактной сети переменного тока напряжением 27,5 кВ. Устройство ЦЗА-27,5-ФКС может включаться в автоматизированную систему управления (АСУ) подстанции в качестве подсистемы нижнего уровня. В этом случае двусторонний обмен информацией с АСУ производится по стандартному последовательному каналу связи.
Устройство ЦЗА-27,5-ФКС, в зависимости от значения напряжения питания, выпускают в двух вариантах исполнения:
а) 1СР.251.249-02.01 - для напряжения питания 220 В постоянного, выпрямленного или переменного тока частотой (50,0 ± 5,0) Гц;
б) 1СР.251.249-02.02 - для напряжения питания 110 В постоянного или выпрямленного тока.
Область применения - ячейки комплектных распределительных устройств тяговой подстанции (ТП), помещения щитовых на подстанциях и т.д.
Устройство ЦЗА-27,5-ФКС по виду климатического исполнения относится к категории О4 по ГОСТ 15150 и сохраняет работоспособность в условиях эксплуатации:
а) рабочий диапазон температур от плюс 1 до плюс 45 С;
б) относительная влажность 75 % при температуре плюс 27 С;
в) атмосферное давление - от 73,3 до 106,7 кПа (от 550 до 800
мм рт. ст.).

Рисунок 10 – Схема подключения ЦЗА-27,5-ФКС
Технические характеристики ЦЗА-27,5-ФКС
Устройство ЦЗА-27,5-ФКС соответствует требованиям ТУ 3185-043-53304326-2003 и, в зависимости от варианта исполнения устройства ЦЗА-27,5-ФКС, комплекту конструкторской документации согласно 1СР.251.249-02.01 или 1СР.251.249-02.02.
Основные технические характеристики устройства ЦЗА-27,5-ФКС приведены в таблице 1. Конструктивно устройство ЦЗА-27,5-ФКС выполнено в виде двух блоков: блока защит и автоматики (БЗА) и блока управления (БУ). Масса и габаритные размеры этих блоков приведены в таблице 1. Характеристики электропитания
а) устройство ЦЗА-27,5-ФКС исполнения 1СР.251.249-02.01 сохраняет работоспособность при величине напряжения питания в диапазоне от 176 до 253 В постоянного, выпрямленного или переменного тока частотой (50,0±5,0) Гц;
б) устройство ЦЗА-27,5-ФКС исполнения 1СР.251.249-02.02 сохраняет работоспособность при величине напряжения питания в диапазоне от 88 до 126,5 В постоянного или выпрямленного тока;
в) полная мощность, потребляемая устройством ЦЗА-27,5-ФКС от источника переменного, выпрямленного или постоянного тока, не превышает 20 В·А.
Устройство ЦЗА-27,5-ФКС имеет последовательный интерфейс RS-232 для подключения персональной электронно-вычислительной машины (ПЭВМ) (например, типа NOTEBOOK) и интерфейс RS-485 для связи с АСУ. Скорость передачи данных по последовательному каналу интерфейса RS-232 и по каналу интерфейса RS-485 составляет 9600 бит/с. Протокол связи - MODBUS. Время готовности устройства ЦЗА-27,5-ФКС к работе после подачи номинального напряжения первичного питания составляет не более 3,0 с.
Таблица 1 Основные технические характеристики устройства ЦЗА- 27,5-ФКС
|
Наименование параметра |
Единица измерения |
Значение параметра |
|
|
Исполнение 01 |
Исполнение 02 |
||
|
1 Входы аналоговых сигналов. |
|||
|
Канал контроля тока: |
|||
|
- число каналов; |
шт. |
3 |
|
|
- рабочий диапазон значений силы вторичного тока; |
От 0 до 60 |
||
|
- коэффициент преобразования трансформатора тока; |
А |
от 500/5 до 1500/5 |
|
|
- термическая стойкость токовых цепей, не менее: |
А/А |
15 |
|
|
- долговременная (более 1 с); |
А |
1 |
|
|
- кратковременная (не более 1 с); |
1 |
||
|
Полная мощность, потребляемая по цепям тока, не более; |
В·А |
400 |
|
|
Канал контроля напряжения: |
0,2 |
||
|
число входов по напряжению; |
шт. |
2 |
|
|
рабочий диапазон значений напряжения; |
В |
От 0 до 120 |
|
|
коэффициент преобразования датчика напряжения; |
кВ/В |
27,5/100 |
|
|
27,5/100 |
|||
|
устойчивость к перегрузкам цепей напряжения; |
В |
300 |
|
|
диапазон изменения частоты переменного тока; |
Гц |
От 45 до 55 |
|
|
2 Входы дискретных сигналов: входной ток, не более; |
мА |
3 |
|
|
длительность сигнала, не менее; |
мс |
10 |
|
|
Дискретные входы для напряжения 220 В переменного и постоянного тока: |
|||
|
число входов; |
шт. |
31 |
|
|
напряжение срабатывания; |
В |
От 170 до 264 |
|
|
напряжение несрабатывания. |
В |
От 0 до 140 |
|
|
Дискретные входы для напряжения |
|||
|
110 В переменного и постоянного тока: |
|||
|
число входов; |
шт. |
1 |
|
|
напряжение срабатывания; |
В |
От 80 до 131 |
|
|
напряжение несрабатывания. |
В |
От 0 до 70 |
|
|
3 Выходы дискретных сигналов |
|||
|
управления напряжением 220 В: |
|||
|
количество релейных выходов; |
шт. |
15 |
|
|
количество выходов электронных ключей; |
шт. |
1 |
|
|
диапазон коммутируемых напряжений переменного или постоянного тока; |
В |
От 24 до 264 |
|
|
коммутируемый ток замыкания/размыкания при активно-индуктивной нагрузке, не более; |
А |
2,5/0,15 |
5,0/0,3 |
|
- постоянная времени L/R, не более; |
мс |
50 |
50 |
|
для выходов электронных ключей коммутируемый ток, не более |
А |
2,5 |
5,0 |
|
- кратковременно (не более 1 с); - долговременно (более 1 с) |
1 |
1 |
|
|
4 Основная приведенная погрешность срабатывания защит: а) по току *; б) по напряжению **; в) по сопротивлению ***; г) по фазовому углу; д) по времени: - при длительности более 1 с; - при длительности менее 1 с |
% % % град % мс |
± 2 ± 2 ± 4 ± 2 ± 2 ± 25 |
|
|
5 Габаритные размеры блоков устройства ЦЗА-27,5-ФКС, не более: блока БУ: -длина; - ширина; - высота** блока БЗА:**; -длина; - ширина****; - высота |
мм |
195 60 316 376 240 266 |
2.2 Электронная защита УЭЗФМ
В середине 80-х годов была разработана аппаратура усовершенствованной защиты на интегральных микросхемах АЗФИ и ее аналог на дискретных полупроводниковых элементах УЭЗФМ. Она содержит три ступени дистанционной защиты ДЗ1, ДЗ2, ДЗ3 и блокировку по току
Ступень ДЗ1 снабжена переключателем, с помощью которого угловая характеристика в виде сектора может быть переведена в круговую с блокировкой по току. Первая ступень ДЗ1 – это дистанционная защита, работающая в двух режимах:
1.токовая блокировка;
2.направленная защита.
Первая ступень работает без выдержки времени. Уставка реле сопротивления регулируется с помощью сопротивления R1. Уставка токовой блокировки с помощью патенциометра R2.
Работа токовой блокировки. Если сопротивление к. с. опускается ниже сопротивления уставки первой ступени, то на выходе 7 модуля У1 появляется сигнал логической единицы, который поступает на вход 5 схемы "и-не" модуля У1. Если ток в системе превышает ток уставки реле тока токовой блокировки, то на выходе 25 модуля У1 появляется также сигнал логической единицы, который поступает на вход 20 схемы "и-не" модуля У1, и на входе 2 появляется сигнал логического нуля, который поступает на отключающие устройство и блок индикации.
Направленная защита. Тумблер ТБНЗ переводится в режим направленной защиты и на вход 20 схемы "и-не" модуля У1, вместо сигнала токовой блокировки поступает сигнал от модуля ИФМ1. на выходе модуля ИФМ1 сигнал логической единицы появляется в том случаи когда угол между током и напряжением будет в пределах от 0 до 120. Принцип блокировки аналогичен.
Диаграмма 1-ой ступени

Правила требуют рассчитывать ток блокировки при отключенном смежном фидере ТП, на практике применяется расчет тока подпитки при нормальной схеме питания к. с., т.к. ток через защищаемый фидер будет меньше, следовательно уставка токовой блокировки тоже будет меньше и первая ступень будет надежно работать, т. к. зона блокировки увеличится.
Это допустимо потому что, вероятность отключенного смежного фидера и к. з. на шинах подстанции и отходящих линиях невелика, или отходящих линий вообще может не быть.
При возникновении к. з. на отходящих линиях возможно ложное срабатывание защиты ФКС, если в этот момент отключен смежный ФКС.
Диаграмма токовой блокировки

Вторая ступень(ДЗ2) - также является дистанционной направленной защитой с углом действия от 0 до 120.
Уставка ДНЗ 2 регулируется с помощью патенциометра R3. Если сопротивление к. с. меньше сопротивления срабатывание второй ступени, то на выходе 7 модуля У3 появляется сигнал логической единицы, который поступает на вход 26 схемы "и-не" модуля У1. На вход 12 схемы "и-не" поступает сигнал с модуля ИФМ 1. На входе 15 появляется сигнал логического нуля, который поступает на вход 11 схемы "не" модуля У2 и на вход 7 реле времени модуля У5. На выходе 14 схемы "не" модуля У2 появляется сигнал логической единицы, который поступает на вход 12 схемы "и-не" модуля У3. На вход 26 схемы "и-не" по истечении выдержки времени 0,5 сек. с реле времени поступает также логическая единица. На выходе 15 схемы "и-не" модуля У3 появляется сигнал логического нуля, который поступает в модуль индикации, при этом загорается светодиод второй ступени. С выхода реле времени сигнал логической единицы поступает также на схему " и-не" модуля У5 и на выходе 2 этой схемы появляется сигнал логического нуля, который поступает в модуль отключения.
Диаграмма второй ступени

Третья ступень защиты работает до шин смежной подстанции с выдержкой времени 0,5 сек. и является основной ступенью электронной защиты. Принцип работы аналогичен работе второй ступени.
Диаграмма 3-ей ступени

Общая диаграмма 3-х ступеней УЭЗФМ

3. Расчет уставок релейных защит фидера контактной сети тяговой подстанции ЭЧЭ-58 Заудинск
3.1 Исходные данные
Тип контактной подвески: ПБСМ-95+МФ-100+Р65;
Длина межподстанционной зоны(МПЗ): L=46 км;
Трансформатор: ТДТНЖ-40000/110/27,5/10
Мощность короткого замыкания: Sкз min=700 МВА; Sкз max=1000 МВА;
Защищаемый фидер – ФKC1 МПЗ: Заудинск-Заиграево.
Номинальный ток фидера Iн max:
ФКС1,2 - 800 А,
ФКС3 - 450 А,
ФКС4,5 - 500 А,
ФКС6,7-600А,
3.2 Расчет параметров тяговой подстанции
Расчет сопротивления силового трансформатора
,
Расчётные значения напряжения к.з. обмоток трансформатора определим, используя выражения:

U>KB>=0,5(10,4+18,3-6,45)=11,12 %,
U>K>>с>=0,5(10,4+6,45-18,3)=-0,72 %,
Х>Т>=
Ом.
Расчет сопротивления системы внешнего электроснабжения приведенное к напряжению 27,5 кВ
,
где S>КЗ> – мощность короткого замыкания подстанции.
X>S>>
>>min>=
Ом
X>S>>
>>m>>ах>=
Ом
Расчет сопротивления подстанции
,
где: n – число силовых трансформаторов находящихся в работе.
Ом
Ом
3.3 Расчет уставок срабатывания 3-х ступенчатой УЭЗФМ
Значения этих уставок срабатывания принимаются и для настройки ЦЗА-ФКС-27,5. Расчёт уставок первой ступени электронной защиты.
Первая ступень – это дистанционная защита, работающая в двух режимах:
1) токовая блокировка;
2) направленная защита.
Первая ступень работает без выдержки времени. Уставка реле сопротивления регулируется с помощью сопротивления R1. Уставка токовой блокировки с помощью патенциометра R2. Работа токовой блокировки. Если сопротивление к. с. опускается ниже сопротивления уставки первой ступени, то на выходе 7 модуля У1 появляется сигнал логической единицы, который поступает на вход 5 схемы "и-не" модуля У1. Если ток в системе превышает ток уставки реле тока токовой блокировки, то на выходе 25 модуля У1 появляется также сигнал логической единицы, который поступает на вход 20 схемы "и-не" модуля У1, и на входе 2 появляется сигнал логического нуля, который поступает на отключающие устройство и блок индикации.
Направленная защита. Тумблер ТБНЗ переводится в режим направленной защиты и на вход 20 схемы "и-не" модуля У1, вместо сигнала токовой блокировки поступает сигнал от модуля ИФМ1. на выходе модуля ИФМ1 сигнал логической единицы появляется в том случаи когда угол между током и напряжением будет в пределах от 0 до 120. Принцип блокировки аналогичен. Сопротивление срабатывания защит
,
где U>раб мин>=23 кВ – минимальное рабочее напряжение,
К>з>=1,2 – коэффициент запаса,
I>н мах> – максимальный ток нагрузки ,
Сопротивление срабатывания защит.
,
(1)
где Z>КЗ м>>in> – сопротивление на защищаемом фидере при к. з. на шинах поста секционирования и отключенном смежном пути;
,
где: Z>01> – погонное сопротивление контактной сети, для подвески, ПБСМ-95 + МФ-100 + Р-65, Z>01>=0,47 Ом; L – расстояние от подстанции до поста секционирования, L=21 км.
Ом
Ом
По формуле (1) получим уставку первой ступени ДЗ1
Ом.

Рисунок 1-Характеристика срабатывания 1-ой ступени (ДЗ)
Расчет тока уставки токовой блокировки
Правила требуют рассчитывать ток блокировки при отключенном смежном фидере ТП, на практике применяется расчет тока подпитки при нормальной схеме питания к. с., т.к. ток через защищаемый фидер будет меньше, следовательно уставка токовой блокировки тоже будет меньше и первая ступень будет надежно работать, т. к. зона блокировки увеличится. Это допустимо потому что, вероятность вероятность отключенного смежного фидера и к. з. на шинах подстанции и отходящих линиях невелика, или отходящих линий вообще может не быть.
При возникновении к. з. на отходящих линиях возможно ложное срабатывание защиты ФКС, если в этот момент отключен смежный ФКС.
Ток уставки токовой блокировки
,
где I>nmax> – ток подпитки через защищаемый фидер от смежной подстанции при к. з. на шинах защищаемой подстанции,
А

Рисунок 2-Характеристика срабатываня токовой блокировки
Расчет уставки срабатывания второй ступени электронной защиты
Вторая ступень также является дистанционной направленной защитой с углом действия от 0 до 120. Уставка ДНЗ 2 регулируется с помощью патенциометра R3. Если сопротивление к. с. меньше сопротивления срабатывание второй ступени, то на выходе 7 модуля У3 появляется сигнал логической единицы, который поступает на вход 26 схемы "и-не" модуля У1. На вход 12 схемы "и-не" поступает сигнал с модуля ИФМ 1. На входе 15 появляется сигнал логического нуля, который поступает на вход 11 схемы "не" модуля У2 и на вход 7 реле времени модуля У5. На выходе 14 схемы "не" модуля У2 появляется сигнал логической единицы, который поступает на вход 12 схемы "и-не" модуля У3. На вход 26 схемы "и-не" по истечении выдержки времени 0,5 сек. с реле времени поступает также логическая единица. На выходе 15 схемы "и-не" модуля У3 появляется сигнал логического нуля, который поступает в модуль индикации, при этом загорается светодиод второй ступени. С выхода реле времени сигнал логической единицы поступает также на схему " и-не" модуля У5 и на выходе 2 этой схемы появляется сигнал логического нуля, который поступает в модуль отключения. Расчет сопротивления срабатывания второй ступени защиты
,
Iнмах – максимальный ток нагрузки фидера.
Ом

Рисунок 3-Характеристика срабатывания 2-ой ступени (ДЗ-2)
Расчет уставки третьей ступени электронной защиты ДЗ3
Третья ступень защиты работает до шин смежной подстанции с выдержкой времени 0,5 сек. и является основной ступенью электронной защиты. Характеристика срабатывания третьей ступени представляет собой сектор в диапазоне углов от 500 до 1200 . Принцип работы аналогичен работе второй ступени.
,
где Кч=1,5 – коэффициент чувствительности; Zкзмах – максимальное сопротивление на защищаемом фидере при к. з. на шинах смежной подстанции.
Расчет сопротивления срабатывания третьей ступени электронной защиты
Ом.

Рисунок 4-Характеристика срабатываня третьей ступени (ДЗ-3)

Рисунок 5-Общая характеристика срабатывания 3-х ступенчатой электронной дистанционной защиты
3.4 Расчёт уставки четвертой ступени дистанционной зашиты ДЗ-R
Для зашиты контактной сети от повреждений на разземлённых опорах при К.З. через большое переходное сопротивление Rпер (сопротивления дуги, опор, заземляющих цепей и т.д.) могут использоваться реле сопротивления ДЗ-R (четвёртая ступень) с угловой характеристикой срабатывания УХС.
Параметры УХС реле ( ступени защиты)
ДЗ-R определяются исходя
из того, что фазовый угол
при максимальной нагрузке нормального
режима (при минимальном значении
сопротивления нагрузки
) имеет значение от
до
.
Угол принимают равным от
до
градусов, угол принимают равным от
до
.
Зависимость между значениями и определяется особенностями конфигурации области нагрузки Н на комплексной плоскости сопротивлений и может быть представлена примерными соотношениями.
При наибольшем значении
=142 имеем а =6
Уставка срабатывания по оси активных сопротивлений R выбирается как наименьшая из вычисленных по условиям
,

.
Где –
наименьшее
напряжение в нормальном режиме, В
-
максимальное значение уранительного
тока в диапазоне углов от - 15
до
+15
А; Кз
-
коэффициент запаса.
Значение до тяговых подстанций принимают равным 25000 В, коэффициент запаса принимают равным от 1,15 до 1,25. Ступень защиты ДЗ-R необходимо устанавливать на высоковольтных выключателях фидеров контактной сети. Время срабатывания ДЗ-R принимают от 1 до 1,5(с).
Ступень защиты зашиты ДЗ-R должна обеспечивать условия чувствительности, как правило, при нормальной схеме питания. Также допускается каскадное действие ступеней ДЗ-R. При каскадном действии защита ДЗ-R рассматриваемого выключателя срабатывает после отключения выключателя (тоже оборудованного ступенью ДЗ-R) фидера того же пути на противоположном конце защищаемого участка.
Защищаемым участком является вся зона между тяговой подстанцией и постом секционирования.
Коэффициент чувствительности для защиты ДЗ-R принимают на участках с опорами, нормально не соединенными с рельсами (разземлёнными опорами ) 1,5. Расчёт сопротивления срабатывания четвёртой ступени

Принимаем уставку срабатывания
Ом.
Проверяем условие:

,
Ом
Поскольку 19,05
13,02,то
условие не выполняется.
По формуле вычисляем:
,
Ом
Поскольку 14,6
13,02,то
условие и в этом случае не выполняется.
Определяем максимальную длину участка ,на котором защита может обеспечить устойчивость функционирования.
-при селективном действии:
,
Км
-при каскадном действии:
,
Км
Для обеспечения устойчивого функционирования
защиты ДЗ-R на фидере
тяговой подстанции необходимо примерно
в середине участка
установить пункт продольного
секционирования ППРС.В этом случае
.Подставив
это число в формулу
,
Получим:
Км
Ом
Принимаем
Ом:
Поскольку 11
13,02,то
условие выполняется,
Определяем уставку срабатывания
:
,
Ом
,

Ом
150
А-это max уравнительный
ток в диапозоне от -15
до+15
Принимаем
Ом:
Находим наибольшее значение
,при
котором защита устойчиво срабатывает

,
Ом
При каскадном действии защиты:

,

Ом.



Рисунок 6-Характеристика срабатыания четвертой ступени (ДЗ-R)
3.5 Расчет уставки срабатывания максимально токовой защиты фидера контактной сети (МТЗ)
Максимальная токовая защита
МТЗ на ФКС и ОВ – 27.5 кВ выполнена на базе токового реле типа
РТ – 40 и задействована от отдельной вторичной обмотки трансформатора тока. МТЗ является резервной защитой и защищает межподстанционную зону не полностью, чувствительность защиты к к.з. в конце зоны недостаточна. Защита вводится в работу накладкой "НМ" – максимально-токовая защита установленной на релейном блоке каждого ФКС и ОВ – 27.5 кВ. Накладка "НМ" должна быть всегда введена.
При срабатывании защиты выпадает блинкер "БМ" установленный на релейном блоке, загорается световое табло "ТСУ – 27.5 кВ" – блинкер не поднят на панели "ОПС", работает аварийная сигнализация (сирена) мигает зелёная лампа на панели отключенного ФКС или ОВ –27.5 кВ.
Расчет тока уставки срабатывания МТЗ
Ток уставки срабатывания МТЗ выбирается по условию:
,
где: К>З> – коэффициент запаса, принимается равным 1,2;
К>В> – коэффициент возврата реле, принимается равным 0,9;
К>Ч> – коэффициент чувствительности. Принимается равным 1,5;
I>K>> >>min> – ток К.З. в минимальном режиме, определяется по формуле:
>
>,
где U>H> – номинальное значение напряжения ФКС, принимается равным 27,5 кВ.
Z>П>>min> – сопротивление подстанции в минимальном режиме
>
>
А.
Определение первого условия выбора уставки срабатывания МТЗ.
А,
По первому условию: I>У МТЗ >≥ 1600 А.
Определение второго условия выбора уставки срабатывания МТЗ
А,
Согласно двум условиям ток уставки МТЗ должен удовлетворять условиям:
,
Принимаем ток уставки МТЗ равным I>У МТЗ >=2000 А,
1600≤1800≤2713 А.
Для того чтобы трансформаторы тока работали в нужном классе точности необходимо их выбирать по условию
I>НТТ>>I>УМТЗ ,>
Выбираем трансформатор тока I>НТТ>=2000 А, ток вторичной обмотки 5 А. Определяем коэффициент трансформации ТТ.

Определяем ток во вторичной цепи трансформатора тока МТЗ
,
А
Расчет уставки срабатывания токовой отсечки на ФКС-27,5 кВ
Токовая отсечка с выдержкой времени резервирует отказ МТЗ – 27,5 кВ.
Токовая отсечка используется как дополнительная защита, реагирующая на близкие короткие замыкания. Она выполняется, как правило, с помощью датчиков тока, воздействующих на отключение фидерного быстродействующего выключателя. В отдельных случаях, например в двухзонной защите, токовая отсечка реализуется с помощью того автоматического быстродействующего выключателя, который имеет полный пакет шунта.
Выбор уставки срабатывания токовой отсечки ФКС-27,5
Уставка срабатывания токовой отсечки выбирается по условию:
,
где К>ОТС> – коэффициент отстройки (1,2 – 1,6).
I>КЗ >>max>> >– ток короткого замыкания в режиме максимума, определяется по формуле
,
где L>1 >– расстояние от подстанции до поста секционирования.
Z>01> – погонное сопротивление контактной сети.
А.
Определяем условие выбора тока уставки срабатывания токовой отсечки
А.
Согласно условию выбираем ток уставки I>У ТО>=2200 А.
Выбранная уставка должна быть больше, чем вычисленная по формуле:
,
где К>З> – коэффициент запаса принимается равным 1,15 – 1,25
А
Кроме того, выбранная уставка проверяется по коэффициенту чувствительности по формуле:
,
,
Выбранная уставка токовой отсечки I>УТО>=2200 А соответствует всем условиям.
Выбор трансформатора тока для токовой отсечки и определение тока во вторичной цепи ТТ.
Для того чтобы трансформаторы тока работали в нужном классе точности необходимо их выбирать по условию:
I>НТТ>>I>УТО>.
Выбираем трансформатор тока I>НТТ>=2500 А, ток вторичной обмотки 5 А.
Определяем коэффициент трансформации ТТ.

Определяем ток во вторичной цепи трансформатора тока ТО.

А
4. Исследование условий для замены релейной защиты УЭЗФМ-ФКС-27,5 на ЦЗА-ФКС-27,5 на тяговой подстанции Заудинск
Как известно в 70-е годы на тяговых подстанциях взамен релейно-контактной аппаратуры начали внедрять электронную аппаратуру комплексной системы автоматики и телемеханики. Она включала в себя и защиты с телеблокировкой типа УЗТБ. Выпускались также отдельные комплекты электронной защиты типа УЭЗФТ для тяговых подстанций и типа УЭЗФП для постов секционирования. В защитах УЗТБ, УЭЗФТ, УЭЗФП реализованы сходные принципы и схемы.
В середине 80-х была разработана аппаратура усовершенствованной защиты на интегральных микросхемах АЗФИ и ее аналог на дискретных полупроводниковых элементах УЭЗФМ. Она содержит три ступени дистанционной защиты ДЗ1-ДЗ3 и токовую блокировку.
4.1 Общая характеристика срабатывания трехступенчатой электронной дистанционной защиты

Также как появление в 70-е УЗТБ, в 80-е УЭЗФМ было необходимо для развития хозяйства электроснабжения, так и сейчас установка ЦЗА необходимая мера. Так как электронные защиты на данный момент уже устарели и физически и морально. Одним из основных преимуществ ЦЗА является то, что затраты на ее обслуживание минимальные.
4.2 Техническое обслуживание ЦЗА
Устройство ЦЗА-27,5-ФКС выполнено на микроэлектронной элементной базе и имеет встроенные средства тестового контроля. Для него устанавливаются следующие виды планового технического обслуживания:
- проверка (наладка) при новом включении;
- первый профилактический контроль;
- профилактический контроль;
- тестовый контроль;
- технический осмотр.
Проведение профилактического восстановления (ремонта) при плановом техническом обслуживании устройства не предусматривается.
В состав профилактических работ при проведении технического обслуживания входит:
а) проверка надежности подключения блоков БУ и БЗА к контуру защитного заземления на объекте;
б) удаление пыли и загрязнения с поверхности лицевой панели блока БУ и клеммных соединителей блоков БУ и БЗА;
в) проверка надежности подключения всех соединителей, расположенных на блоках БУ и БЗА;
г) контроль функционирования устройства ЦЗА-27,5-ФКС.
При обнаружении недостатков при проведении технического обслуживания должны быть приняты меры по их устранению.
4.3 Диагностирование
Перед началом ремонтных работ необходимо произвести диагностирование и зафиксировать техническое состояние устройства.
В состав диагностических работ входят проверки:
- внешнего вида;
- сопротивления изоляции;
- работоспособности;
- дискретных входов;
- дискретных выходов;
- связи с АСУ ТП.
Таблица 13-Возможные причины и устранения
|
Описание последствия отказа и повреждения |
Возможная причина |
Указание по устранению последствия отказа и повреждения |
|
1 Все светодиоды и дисплей погашены |
1 Отсутствует питание устройства ЦЗА-27,5-ФКС (оперативное напряжение) 2 Неисправен модуль питания БЗА 3 Неисправен БУ |
Проверить наличие напряжения питания устройства ЦЗА-27,5-ФКС Заменить модуль питания БЗА Заменить БУ |
|
2 После подачи питания одновременно мигают зеленый и красный светодиоды "ВВ ВКЛ" и "ВВ ОТКЛ", либо "ЛР ВКЛ" и "ЛР ОТКЛ", либо "ОР ВКЛ" и "ЛР ОТКЛ" |
Не собрана схема ячейки. Состояние сигналов "РПО ВВ" и "РПВ ВВ", либо "РПО ЛР" и "РПВ ЛР", либо "РПО ОР" и "РПВ ОР" не соответствует требуемому |
Проверить монтаж схемы управления ячейкой |
|
3 Отсутствует обмен данными с АСУ |
Поврежден канал связи с АСУ |
Проверить целостность канала связи и устранить его повреждение |
Проверка внешнего вида производится в соответствии с указаниями п. 2.2.2. Проверка сопротивления изоляции выполняется по методике п. 2.2.3.
Проверка работоспособности производится по прохождению теста непрерывного фонового контроля системы самодиагностики устройства (п. 2.2.4.1) и проверкой на стендовом оборудовании (п. 2.2.4.3).
Проверка работоспособности дискретных входов и выходов, тестирование связи с АСУ ТП производится при расширенном тестировании по п.2.2.4.2.
4.3 Текущий ремонт
Общие указания по проведению ремонта
Ремонт устройства ЦЗА-27,5-ФКС необходимо производить в случае нарушения его функционирования по назначению, которое выявляется по результатам самодиагностики или после тестовой проверки в режиме ДИАГНОСТИКА.
Ремонт должен проводиться обслуживающим персоналом с группой по электробезопасности персонала не ниже III. Замена съемных модулей возможна специалистами, прошедшими обучение в объеме производства данных работ.
Данные по текущему ремонту составных частей
Ремонтопригодность составных частей устройства ЦЗА-27,5-ФКС обеспечивается:
- блочно-модульной конструкцией с легкосъемными платами и модулями, закрепляемыми в блоках БУ и БЗА;
- взаимозаменяемостью однотипных модулей в БЗА.
Все платы и модули могут быть заменены однотипными непосредственно на месте установки устройства ЦЗА-27,5-ФКС без какой-либо аппаратной настройки.
При замене модуля контроллера автоматики необходимо во вновь установленный модуль ввести уставки и программные ключи данного устройства ЦЗА-27,5-ФКС, а также установить текущее время. Конфигурация, уставки и сетевой адрес могут быть записаны в память контроллера автоматики предварительно, до установки его в БЗА. Информация в отдельно хранящемся модуле сохраняется не менее 5 лет, часы-календарь обеспечивают отсчет времени в течение не менее 200 ч.
Вышедшие из строя платы, модули или устройство ЦЗА-27,5-ФКС в целом, если его невозможно восстановить заменой съемных модулей, должны ремонтироваться на предприятии-изготовителе. Ремонт неисправных модулей производит предприятие, обеспечивающее гарантийное и послегарантийное обслуживание, адрес которого указан в паспорте на устройство ЦЗА-27,5-ФКС.
При проведении текущего ремонта следует соблюдать меры безопасности, изложенные в п. 3.2.
ПРИМЕЧАНИЕ Внимание! Запрещается извлекать и вставлять в БЗА модули или платы без отключения его от сети питающего напряжения.
4.4 Функции самодиагностики
В устройстве ЦЗА-27,5-ФКС осуществляется тест по начальному включению, непрерывный функциональный контроль аппаратных средств, контроль сохранности программного обеспечения и настроек параметров защит и автоматики.
Самодиагностика работы устройства выполняется в течение всего времени работы устройства ЦЗА-27,5-ФКС и обеспечивает:
- контроль связи контроллера автоматики с контроллером защит;
- контроль связи контроллера автоматики с БУ;
Работа программ микроконтроллеров в контроллере защит, контроллере автоматики и в БУ защищена от "зависания" схемами "сторожевого таймера".
Результаты самодиагностики анализируются контроллером автоматики, который выявляет одно из трёх состояний устройства:
- "устройство исправно";
- "частичный отказ устройства" – система диагностики обнаружила неисправность, не влияющую на выполнение основных функций устройства – функций защит;
- "отказ устройства" – система диагностики обнаружила неисправность, препятствующую выполнению функций защит.
Сигналы, индицирующие эти состояния устройства, а также выполняемые при этом действия приведены в таблице 6. Результаты самодиагностики выводятся на дисплей блока управления, а также доступны по каналам АСУ. При полном отказе устройства или при длительном (более 1 с) пропадании оперативного напряжения АСУ это выявляет как потерю связи с устройством. В устройстве ЦЗА-27,5-ФКС предусмотрен тестовый режим диагностики (в окне меню ДИАГНОСТИКА), позволяющий контролировать работоспособность дискретных входов и выходов, органов управления и индикации на лицевой панели БУ и цифровой аппаратной части устройства. Изменение состояния выходных дискретных сигналов в тестовом режиме ДИАГНОСТИКА возможно только после ввода пароля.
Таблица 6-Самодиогностика
|
Состояние устройства |
Индикация состояния |
Действия, выполняемые по результатам самодиагностики |
|
"Исправно" |
Индикатор "Работа" включен |
Штатная работа устройства |
|
"Неисправность" |
Индикатор "Работа" мигает* |
Блокируется команда включения ВВ; формируется сигнал "Вызов". |
|
"Отказ" |
Индикатор "Работа" выключен |
Блокируется выдача всех выходных сигналов, кроме сигнала "Отказ ЦЗА". |
ПРИМЕЧАНИЕ * - индикатор "Работа" может мигать и вследствие других причин, формирующих обобщенный сигнал "Вызов"; конкретная причина мигания при этом автоматически высвечивается на дисплее блока управления и доступна по каналам АСУ
4.5 Меры безопасности при техническом обслуживании
Все работы по техническому обслуживанию при использовании устройства ЦЗА-27,5-ФКС должны проводиться только после обеспечения условий, блокирующих срабатывание силового оборудования и исключающих создание аварийных ситуаций на объекте использования.
Обслуживающий персонал, проводящий техническое обслуживание, должен иметь группу по электробезопасности персонала не ниже III для обслуживания электроустановок напряжением до 1000 В.
ПРИМЕЧАНИЯ
1) ВНИМАНИЕ: к клеммным соединителям БУ и БЗА подводятся постоянные и переменные напряжения до 300 В!
2) ЗАПРЕЩАЕТСЯ отключать от клеммных соединителей Х1…Х6 НЕОБЕСТОЧЕННЫЕ ЦЕПИ!
Блоки БЗА и БУ изготавливаются с применением негорючих и трудногорючих веществ и материалов в соответствии с требованиями ГОСТ 12.1.004, не содержат веществ и материалов, опасных для жизни, здоровья человека или окружающей среды.
Правила пожарной безопасности и взрывобезопасности должны соответствовать правилам, действующим на объекте.
Таблица 12-Виды технического обслуживания
|
Виды технического обслуживания |
|||||||
|
Пункт РЭ |
Наименование объекта технического обслуживания и работы |
проверка (наладка) при новом включении |
первый профиактический контроль |
профилактический контроль |
тестовый контроль |
технический осмотр |
|
|
3.3.1 |
Внешний осмотр |
+ |
+ |
+ |
- |
+ |
|
|
3.3.2 |
Внутренний осмотр |
- |
- |
+ |
- |
- |
|
|
2.2.5.4 |
Затяжка винтовых соединений |
+ |
+ |
+ |
- |
+ |
|
|
2.2.5.5 |
Качество заземления |
+ |
+ |
+ |
- |
+ |
|
|
2.2.5.3 |
Правильность монтажа |
+ |
- |
+ |
- |
- |
|
|
2.2.3 |
Проверка сопротивления изоляции |
+ |
+ |
+ |
+ |
+ |
|
|
2.2.4.2 |
Тестовая проверка работоспособности |
+ |
+ |
+ |
+ |
+ |
|
|
2.2.6 |
Настройка |
+ |
- |
- |
- |
- |
|
|
2.2.6.10 |
Сохранность в памяти параметров настройки |
+ |
+ |
+ |
+ |
+ |
|
|
2.2.7 |
Проверка рабочим напряжением |
+ |
+ |
+ |
- |
- |
|
|
3.3.11 |
Взаимодействие с защищаемым объектом |
+ |
+ |
+ |
- |
- |
|
|
3.3.12 |
Очистка |
- |
+ |
+ |
- |
- |
4.6 Пример схемы подключения устройств ЦЗА-27,5-ФКС при резервировании защит фидеров контактной сети

4.7 Настройка
Настройка устройства ЦЗА-27,5-ФКС.
Настройка устройства ЦЗА-27,5-ФКС заключается в выполнении следующих операций:
- установка сетевого адреса данного устройства в АСУ;
- установка показаний часов и календаря;
- задание конфигурации защит и автоматики программными ключами;
- ввод уставок для функций защит и автоматики, а также сервисных функций.Все операции настройки осуществляются с пульта блока управления в соответствующих кадрах меню, отображаемых на дисплее пульта БУ. Выбор кадров меню, движение по ним и изменение параметров настройки осуществляется с помощью кнопок, функции которых приведены в таблице 10.
Примечания
1) В исходном состоянии на дисплей блока управления выводится начальный кадр с текущими значениями тока и напряжения фидера контактной сети;
2) Дисплей автоматически переключается на индикацию начального кадра, если в течение 5 мин не была нажата ни одна кнопка на пульте БУ.
3) Содержание кадров меню и работа с ним приведены в приложении З.

Рисунок 4.- Схема подключения устройств ЦЗА-27,5-ФКС к АСУ
Поля параметров, подлежащие изменению, выделяются миганием. Изменение параметров с помощью органов управления БУ возможно только в режиме МУ после введения пароля. Режим просмотра настроек с помощью органов управления БУ доступен как в режиме МУ, так и в режиме ДУ.
Для ввода уставок необходимо:
- перевести устройство в режим местного управления (если светился светодиод "ДУ", то необходимо нажать кнопку "ДУ/МУ");
- выбрать нужный набор уставок ("1" или "2") кнопкой "УСТАВКА".
- войти в кадр "ОСНОВНОЕ МЕНЮ" (нажать кнопку "МЕНЮ")
- войти в кадр "УСТАВКИ" (стрелками подвести курсор к нужной строке и нажать кнопку "ВВОД");
- последовательно входя в кадры конкретных видов защит (ТО, НДЗ и т.д.), устанавливать их параметры путем подведения мигающего курсора к очередной цифре и изменения ее при помощи стрелок ("ВВЕРХ" или "ВНИЗ").
При вводе (изменении) уставок и параметров необходимо учитывать:
- основные технические данные защит – обозначения и допустимые диапазоны уставок, их дискретность (см. таблицу 4);
- параметры функций автоматики (см. таблицу 5);
- параметры сервисных функций (см. таблицу 6);
После окончания редактирования настроек массив информации следует переписать из блока БУ в блок БЗА. Для этого необходимо выполнить пункт меню "ЗАПИСАТЬ". После ввода пароля в память контроллера автоматики переписываются значения введенных настроек устройства. Выбор нужного набора уставок ("1" или "2") может управляться через дискретный вход "Прогр. 2" или по каналу АСУ. Выбор способа управления набором уставок задается в меню "КОНФИГУРАЦИЯ". Конфигурации защит и автоматики, а также выбор значений уставок для конкретного фидера производится, исходя из требований действующих нормативных документов, в частности:
- ЦЭ-462. Правила устройства системы тягового электроснабжения железных дорог Российской Федерации;
- ЦЭТ-24. Руководящие материалы по релейной защите систем тягового электроснабжения.
Для фидера контактной сети надо выбрать и просчитать комплект из трех защит (основная, резервная и дополнительная), удовлетворяющих 4-м основным требованиям: чувствительность, селективность, отстроенность от нормальных режимов и быстродействие. Основная защита служит для отключения с наименьшим временем срабатывания только одного пораженного участка (ближней зоны), ограниченного выключателями, примыкающими к этому участку. Ближнее резервирование используется для резервирования основных защит своего выключателя, а дальнее – для резервирования защит других выключателей (например, на посту секционирования). Дополнительные защиты и блокировки используются для улучшения чувствительности и селективности основных и резервных защит.
В таблице 11 приведен рекомендуемый состав основных, резервных и дополнительных защит для тяговых подстанций, постов секционирования и пунктов параллельного соединения для различных режимов работы и схем питания контактной сети. Рассчитанные значения уставок могут быть скорректированы по результатам измерения устройствами ЦЗА-27,5, установленными на отходящих присоединениях, конкретных параметров аварийных процессов при проведения опытных коротких замыканий.
Контроль сохранности в памяти параметров настройки
Снять оперативное питание с устройства. Через 1…2 мин вновь подать оперативное питание и убедиться в сохранности параметров настройки и правильности показаний часов.
Перед началом эксплуатации рекомендуется обнулить накопительную информацию.
Для обнуления накопительной информации нужно на дисплее БУ выйти в "ОСНОВНОЕ МЕНЮ", выбрать подменю "СЧЕТЧИК СОБЫТИЙ", в нем выбрать строку "ОЧИСТИТЬ" и нажать кнопку "ВЫБОР".
После выполнения пп. 2.2.6.1 ÷ 2.2.6.11 устройство ЦЗА-27,5-ФКС готово к эксплуатации на объекте.
ПРИМЕЧАНИЕ – Внимание! После внесения любых изменений в настройку устройства ЦЗА-27,5-ФКС следует выполнять пункт 2.2.6.6.
5. Диагностирование микропроцессорных защит при помощи современных приборов
Перед началом ремонтных работ необходимо произвести диагностирование и зафиксировать техническое состояние устройства.
В состав диагностических работ входят проверки:
-внешнего вида;
-сопротивления изоляции;
-работоспособности.
5.1 Внешний осмотр
Перед установкой устройства на объект необходимо произвести его внешний осмотр в следующем объеме:
-проверить комплектность поставки;
-проверить внешний вид.
При внешнем осмотре проверяется:
-отсутствие механических повреждений;
-целостность лакокрасочных покрытий;
-отсутствие деформации и загрязнения контактов соединителей;
-надежность затяжки винтов крепления модулей;
-отсутствие нарушения изоляции проводов и механических повреждений концевых разделок соединительных жгутов из комплекта устройства;
-состояние и правильность выполнения цепей заземления.
Проверка сопротивления изоляции
Проверку электрического сопротивления изоляции всех независимых внешних цепей устройства относительно корпуса и между собой производят мегаомметром.
Проверку сопротивления изоляции производят в холодном состоянии устройства после пребывания его в НКУ по ГОСТ 20.57.406 не менее 2 ч.
Электрическое сопротивление изоляции при НКУ должно быть не менее 100 МОм.
Проверка работоспособности
При проверке технического состояния настроенного ЦЗА- убедитесь в:
-хранении параметров настройки;
-работоспособности измерительных каналов;
-запоминании и хранении параметров аварийных событий и накопительной информации и хода часов при отключенном питании.
Для обеспечения хода часов при отключении питания ЦЗА- должен быть выдержан во включенном состоянии не менее одного часа (заряда внутреннего аккумулятора).
Для автоматизированной проверки ЦЗА- ФКС, включая проверку направленных защит, а также функций, связанных с вычислением симметричных составляющих, необходимости использовать проверочное устройство типа РЕТОМ.
Состав реле-томографа
Испытательная система РЕЛЕ - ТОМОГРАФ включает в себя:
1) испытательный прибор РЕТОМ-41М;
2) персональный компьютер типа IBM AT Pentium-166 или выше с видеоадаптером VGA или выше, привод CD-ROM, оборудованный координатным устройством типа mouse;
3) программное обеспечение для персонального компьютера. К настоящему времени разработаны следующие программные модули:
- ручное управление источниками тока и напряжения;
- проверка реле тока и напряжения;
- проверка токовых защит в автоматическом режиме;
- проверка дистанционной защиты;
- проверка характеристики срабатывания реле сопротивления;-
- модель энергосистемы;
- воспроизведение записи регистраторов (COMTRADE-формат);
- генерирование сигналов нетрадиционной формы;
- миллисекундомер-регистратор.
Назначение реле-томографа
Автоматический или ручной контроль параметров релейной защиты. Выдача протокола испытаний.
Испытание релейной защиты в реальных режимах повреждений, возникающих в энергосистемах. Автоматизированная обработка результатов испытаний.
-Выбор и проверка характеристик релейной защиты с учетом конкретных режимов энергосистемы пользователя.
Кроме выполнения традиционных плановых и наладочных работ, испытательная система РЕЛЕ-ТОМОГРАФ-41М предоставляет пользователю много абсолютно новых уникальных возможностей, а именно:
1) повышение степени автоматизации обработки результатов испытаний;
2) уменьшение весогабаритных показателей;
3) моделирование различных режимов работы энергосистем при авариях;
4) воспроизведение реальных аварийных режимов;
5) существенная экономия трудозатрат при стандартных проверках;
6) повышение достоверности результатов проверки;
7) простота обслуживания, удобство и наглядность;
8) автоматический или ручной контроль параметров релейной защиты;
9) выдача протокола испытаний.
Испытание релейной защиты в реальных режимах повреждений, возникающих в энергосистемах. Автоматизированная обработка результатов испытаний.
Испытательная система для релейной защиты реле-томограф
Надежная работа устройств релейной защиты и автоматики во многом определяется качеством проверки их характеристик в условиях эксплуатации. Такие испытания проводятся регулярно и, учитывая сложность проверки и наличие большого числа релейных устройств, их проверка требует применения специализированных измерительных приборов и устройств. При наладке устройств релейной защиты необходима аппаратура для регулирования и измерения, величин переменного и постоянного тока напряжения, для регулирования угла между векторами тока к напряжению, для измерения времени срабатывания, определения частотных характеристик отдельных узлов аппаратуры релейной защиты.
В настоящее время в эксплуатацию поступила современная испытательная система для проверки релейной защиты "Реле-томограф" на базе мощного прибора РЕТОМ-41, работающая совместно с персональным малогабаритным компьютером типа Notebook.
С помощью "Реле-томографа" можно проводить проверки устройств релейной защиты всех поколений:
-современные микропроцессорные реле и сложные системы защиты отечественных и зарубежных фирм;
-полупроводниковые отечественные устройства релейной защиты и автоматики, например, серий ШДЭ,ПДЭ, ШП, ШЭ, ЯРЭ и др.;
-вся номенклатура электромеханических панелей и комплектов защиты и автоматики производства ОАО "ЧЭАЗ", например, серий ЭПЗ, ДФЗ, ПЗ, ДЗТ, КЗ, КРБ и др.;
-отечественные и зарубежные приборы определения места повреждения;
-панели противоаварийной автоматики и цепи телеизмерения;
-устройства синхронизации;
-счетчики электроэнергии;
Структура испытательной системы
Пользователь задает на персональном компьютере (ПК) необходимые ему режимы работы, ПК рассчитывает заданные режимы и вырабатывает цифровые выборки токов и напряжений. Эти выборки передаются в РЕТОМ. Силовые цифро-аналоговые преобразователи масштабируют поступающие цифровые выборки и формируют аналоговые сигналы токов I>A>, I>B>, I>C> и напряжений U>A>, U>B>, U>C>. Указанные сигналы подаются на вход проверяемой релейной защиты. Выход проверяемого устройства в виде контактов реле подключается к цифровому входу РЕТОМа и считывается ПК. Компьютер обрабатывает эту информацию, синхронизирует ее с реальным временем и выдает в виде протокола испытаний. ПК управляет также реле, установленными в РЕТОМе (цифровой выход).
Технические данные испытательного прибора РЕТОМ-41М.
-Источники тока.
-Основные характеристики и параметры источников тока представлены в табл. 1, на рис. 5.1.1; 5.1.2.
Таблица 1- Основной диапазон изменения тока
|
Диапазон изменения тока: |
I |
II |
|
в трехфазном режиме в каждом канале |
0,05 ... 2,0 А |
0,05 ... 20,0 А |
|
в однофазном режиме |
0,15 ... 60,0 А |
|
|
в режиме источника постоянного тока |
0,1 ... 20,0 А |

Рисунок 5.1.1-Диапозон измерения тока 20А

Рисунок.5.1.2-Диапозон измерения тока 2 А
Основные параметры источников тока РЕТОМ - 41М
1) Общее количество - 3.
2) Минимальный шаг изменения тока:
- 0,25 ± 0,05 мА;
- 2,5 ± 0,5 мА.
2) Основная погрешность:
- в интервале 50 ... 100 мА ± 5 мА;
- в интервале 0,1 ... 2,0 А 0,5 %;
- в интервале 50 ... 1000 мА ± 7,0 мА;
- в интервале 1,0 ... 20,0 А 0,5 %.
3) Дополнительная погрешность:
- в интервале 50 ... 100 мА ± 0,5 мА;
- в интервале 0,1 ... 2,0 А 0,25 %;
- в интервале 50 ... 1000 мА ± 5,0 мА;
- в интервале 1,0 ... 20,0 А 0,15 %.
4) Характеристики по точности сохраняются в диапазоне нагрузок 0 ... 0,62 Ом. Максимальная выходная мощность каждого источника не менее 250 Вт, время срабатывания тепловой защиты канала (при максимальной выходной мощности из холодного состояния 20°С) не менее 10 мин, каждый канал имеет защиту от перенапряжения при обрыве цепи нагрузки. Источники напряжения. Основные характеристики источников напряжения представлены на рис. 5.1.3; 5.1.4. Основные параметры источников тока РЕТОМ - 41М приведены ниже.
1) Количество - 3
2) Диапазон изменения напряжения:
- в трехфазном режиме в каждом канале 0,5 ... 120 В;
- в однофазном режиме 0,5 ... 240 В;
- в режиме источника напряжения постоянного тока 0,5 ... 320 В;
- минимальный шаг изменения напряжения 12,5 ± 0,5 мВ.
3) Коэффициент пульсаций постоянного напряжения при сопротивлении нагрузки 4,3 кОм, не более 0,1% изм. знач.
4) Основная погрешность в диапазоне 0,5 ... 120 В:
- в интервале 0,5 ... 5,0 В± 0,04 В;
- в интервале 5,0 ... 120,0 В 0,5 %.
5) Дополнительная погрешность:
- в интервале 0,5 ... 5,0 В± 0,04 В;
- в интервале 5,0 ... 120,0 В 0,15 %.
6) Характеристики по точности сохраняются при сопротивлении нагрузки не менее 150 Ом.
7) Максимальная выходная мощность каждого источника не менее 60 Вт (при напряжении 60 В).
8) Каждый канал имеет защиту от короткого замыкания в цепи нагрузки и от перегрузки усилителей.

Рисунок 5.1.3- Зависимость максимальной выходной мощности от выходного напряжения
Зависимость тока срабатывания защиты от выходного напряжения

Рисунок 5.1.4- Зависимость тока срабатывания защиты от выходного напряжения
Источники тока и напряжения
Основные параметры источников тока и напряжения:
-промышленная частота 50 ± 0,001 Гц;
- диапазон изменения промышленной частоты 20 ... 70 Гц с шагом 0,01 ГЦ;
-диапазон изменения фазы в каналах тока и напряжения на промышленной частоте 0 ... 359°;
- минимальный шаг изменения фазы 0,1°;
- погрешность установки фазы каналов тока и напряжения 0,05°;
- расширенный диапазон частот выдаваемых сигналов 0,2 ... 500,0 Гц с шагом 0,2 Гц;
- в режиме эмуляции переходных процессов аварийных ситуаций диапазон выдаваемых частот от 0 Гц до 10-й гармоники промышленной частоты;
- в режиме синтеза сигналов сложной формы и воспроизведения записей с цифровых регистраторов частотный диапазон от 0 до 500 Гц.
Дискретные и аналоговые входы
Дискретные входы для приема состояния входной цепи:
- замкнуто (R 500 Ом);
- разомкнуто (R 1000 Ом).
Основные параметры дискретных входов:
- количество – 8 (4 – стандартные, 4 – универсальные);
- тип: контакт, транзистор, ТТЛ 15 В;
-допустимое напряжение на клеммах 0 … 220 В;
-разрешающая способность определения изменения состояния контактов не хуже 0,4 мс;
- погрешность измерения времени 0,1 %;
- гальваническая изоляция входов между собой 500 В.
Аналоговые входы
Основные параметры аналоговых входов
- количество - 4;
- диапазон (1,0 ... 20 мА, 0,5 ... 20 А, 0,5 ... 20 В, 20 ... 300 В);
- погрешность измерений 0,5 % (для диапазона 0 ... 20 А - 1 %);
- гальваническая изоляция от усилителей 1 000 В;
- гальваническая изоляция выходов между собой 500 В
Условия эксплуатации
Эксплуатационные характеристики
- диапазон рабочих температур 1С ...+40С;
- нормальная температура (20±5)°С;
- влажность воздуха до 80% при 25С;
- высота над уровнем моря не более 2000 м;
- группа условий эксплуатации по ГОСТ 17516.1 М23.
Особенности аппаратной части
Особенностью аппаратной части РЕТОМа является большая мощность, малые габариты, высокая надежность и безопасность, удобство и простота пользования.
Общая структура аппаратной части приведена на рис.2.5.
Основные узлы этой структуры:
- три токовых канала с цифроаналоговыми преобразователями (ЦАП);
- три канала напряжения ЦАП;
- интерфейсный модуль, осуществляющий связь РЕТОМ - ПК;
- импульсные источники питания;
- блок дискретных сигналов;
- блок аналого-цифрового преобразования;
-блок выходных реле.
Токовые каналы имеют два режима работы – 2 А и 20 А. Это позволяет
улучшить работу в области малых значений токов. Переключение между режимами работы можно осуществлять в любом канале независимо друг от друга.
Канал напряжения имеет нелинейную нагрузочную характеристику. На отрезке от 0 до 60 В характеристика имеет прямую зависимость выходной мощности от выходного напряжения, от 60 В до 120 В – выходная мощность не зависит от напряжения и равна 60 Вт. Данная структура усилителя позволяет полнее реализовать энергетические параметры усилителя при проверках устройств РЗА.
Входы дискретных сигналов разбиты на две группы. Первая группа предназначена для проверки контактов с наличием напряжения постоянного тока (до =250 В), а вторая – дополнена возможностью работы с напряжением переменного тока (до 250 В). Все каналы независимы и гальванически развязаны и могут работать с контактами типа "сухой контакт".
Выходные реле имеют разные характеристики по коммутируемому току, что существенно расширяет область их использования.
Двенадцатиразрядное АЦП двойного интегрирования имеет один канал, к которому подключены четыре входа: 20 мА, 20 А, 10 В, 300 В. Переменный сигнал перед измерением преобразуется в постоянный.
Меры безопасности
В системе предусмотрены специальные решения, обеспечивающие безопасность проведения работ, защиту самого РЕТОМа и, что очень важно, - проверяемой аппаратуры релейной защиты. К этим мерам можно отнести следующие программно-аппаратные решения:
- схема сигнализации о наличии холостого хода в цепях тока на выходе РЕТОМа. Этот режим не опасен для самого устройства и свидетельствует о неисправностях в цепях тока проверяемой релейной защиты или ошибках в схеме ее подключения;
- схема температурной защиты. Схема выключает токовый ЦАП, если выходной ток превышает заданный пороговый уровень в течение недопустимо длительного промежутка времени. Это позволяет предотвратить выход из строя от перегрева как самого РЕТОМа, так и проверяемой релейной защиты от токов, превышающих ее термическую стойкость.
В алгоритм проверки включена также программная время - токовая защита.
- схема мгновенной защиты от сверхтока в цепях напряжения;
- схема защиты и сигнализации о наличии короткого замыкания в цепях напряжения на выходе РЕТОМа. Срабатывание защиты свидетельствует о неисправностях в цепях напряжения проверяемой релейной защиты или ошибках в схеме ее подключения;
- схема защиты от неисправностей в линии связи с ПК или программных сбоев в ПК. В этом случае блокируются выходные каскады усилителей и на выходе РЕТОМа отсутствуют токи и напряжения;
- блокирование выходных каскадов усилителей тока и напряжения при включении питания ПК или РЕТОМа;
- устройство РЕТОМ в целом снабжено тепловой защитой триггерного типа. Защита выключает силовые ЦАП в случае перегрева устройства во всех нештатных ситуациях;
- при срабатывании всех перечисленных защит на экране дисплея появляются соответствующие сообщения.
Правила эксплуатации
При эксплуатации системы РЕТОМ-41М необходимо соблюдать следующие правила:
- включение в сеть необходимо производить с учетом того, что в максимальном режиме прибор потребляет ток до 8 А;
- повторное включение прибора необходимо производить через 3 или более минут;
- время переключение режима работы токовых каналов с 20 А на 2 А или обратно составляет около 30 секунд. В это время не желательно производить какие- либо операции с программой;
- при выводе сообщения о перегреве прибора его можно не выключать от сети, а просто подождать несколько минут, не пытаясь выдавать сигналы. При этом все каналы будут выключены, а вентилятор будет продолжать работать и он быстро остудит прибор;
- ни в коем случае нельзя замыкать между собой работающие выходы каналов тока и напряжения. Это может привести к выходу их из строя;
- при включении прибора идут переходные процессы и иногда в токовых каналах при разомкнутых клеммах на выходных конденсаторах накапливается напряжение, достигающее порога срабатывания защиты от холостого хода или разрыва токовой цепи. Этого можно избежать, если держать токовые выходы в замкнутом состоянии, даже если они не используются;
- если после работы с прибором есть необходимость в печати, то для избежания выхода из строя LPT – порта, подключение принтера производится при выключенном состоянии компьютера и принтера. При этом используется тот же кабель, который использовался для подключения РЕТОМ-41М.
Схема подключения
На рис.5.1.6 приведена расположения соединительных клемм на лицевой панели РЕТОМа. Питание устройства осуществляется от сети 220 В, 50 Гц.
Для подключения к панелям и шкафам релейной защиты используются внешние сигнальные (КСГ-12.01 (КСГ-12.02)) и силовые (КСЛИ –08.01) кабели. Цоколевка и назначение контактов разъемов, расположенных на лицевой панели и используемых для подключения данных кабелей, приведена на рис. 5.1.6.

Рисунок 5.1.6-Передняя панель РЕТОМ-41М
Все операции по подключению проверяемой защиты к устройству РЕТОМ осуществляются на его лицевой панели. Подключение РЕТОМа к ПК осуществляется при помощи стандартного 25-контактного разъема, установленного на задней панели устройства. При этом со стороны ПК используется разъем для подключения принтера (параллельный порт LPT1).
5.3 Настройка РЕТОМа
Программа предназначена для настройки коэффициентов усиления каналов тока и напряжения при известной нагрузке и известном токе и напряжении, коррекции измерительных входов (АЦП), выбора режима монитора (рис.5.2.1). Программа входит в стандартный комплект поставки и запускается из главного меню системы, кнопка для запуска – предпоследняя, расположена рядом с кнопкой выхода из главного меню (см. рис. 5.3.1).
Коррекция коэффициентов усиления к (действующего значения) и углов в каналах тока и напряжения
Перед поверкой на предприятии, настройка этих коэффициентов производится на следующих нагрузках и диапазонах:
-источники тока - диапазон 20 А, нагрузка 0,625 Ом, коэффициенты для всех каналов выставляются на середине шкалы при токе 10 А;
-источники тока - диапазон 2 А, нагрузка 7,5 Ом, коэффициенты для всех каналов выставляются при токе 1 А;
-источники напряжения - нагрузка 170 Ом, коэффициенты для всех каналов выставляются, аналогично, на середине шкалы при напряжении 60В.
Для настройки коэффициента усиления канала тока следует выбрать диапазон работы (2 А или 20 А) при помощи переключателя Каналы тока. Подключить амперметр класса 0,2 (в крайнем случае, 0,5) требуемого диапазона к выходу настраиваемого канала, например, I>а>. Настройку можно проводить при различных нагрузках. Так, для базовой настройки R>н> = 0,625 Ом (R>н> = 7,5 Ом, диапазона 2 А) амперметр включается в рассечку, последовательно с нагрузкой, между зажимами I>а> и I>N>. Если планируется использовать РЕТОМ для проверки реле с сопротивлением нагрузки больше 0,625 Ом (7,5 Ом), то рекомендуется проводить настойку с учетом реальной нагрузки и сохранить ее в архиве для дальнейшего использования. В поле I>а> установить требуемое значение тока, например, 10 А. Включить прибор при помощи тумблера РETOM. Контролируя I>а> по амперметру, изменить коэффициент усиления канала - К>Ia>. Поля коэффициентов расположены в левой верхней части панели программы, первая колонка. Изменять коэффициент можно как вручную, вводя новое значение с клавиатуры, так и кнопками и рядом с К>I>>а>.
Для удобства регулирования коэффициента усиления канала можно воспользоваться вспомогательным прибором (рис.5.2.2), который вызывается нажатием правой кнопки манипулятора mousе. Выбранное поле (K>I>>а> или I>а>) приобретает красный цвет. Для увеличения значения параметра (K>I>>а> или угол I>а>) воспользуйтесь стрелкой , а для уменьшения - стрелкой . Стрелки и позволяют изменить шаг регулировки, соответственно в большую или меньшую сторону. Текущее значение корректируемого параметра отображается на черном поле над кнопкой ОК.

Рисунок.5.2.2 - Вспомогательный прибор для настройки
По окончании настройки, нажав кнопку Обнуление U, I, обнулите выходы РЕТОМа.
Остальные коэффициенты настраиваются аналогично. Кнопка Начальные значения предназначена для присвоения коэффициентам усиления значения 1, а углам и смещению – 0.
Настройка углов между сигналами в каналах напряжения и тока
Комбинации пар сигналов при настройке углов
U>a> – U>b>> >, U>a> – U>c>, U>a> – I>a>, U>a> – I>b>, U>a> – I>c>, здесь за базис принимается вектор U>a>, относительно него выставляются коэффициенты по углу остальных векторов тока и напряжения. Реальное значение настраиваемого угла измеряется фазометром класса 0,5 или визуально на экране осциллоскопа (в этом случае сигнал в канале тока снимается с резистивного калиброванного пункта).
Пример настройки
Для настройки угла между U>а> и I>а>:
-подключить к этим выходам РЕТОМ нагрузку и фазометр;
-в панели Токи и напряжения на РЕТОМе задать:
U>а >= 100 В, 30; I>а> = 5 А, 10;
-включить РЕТОМ;
-измерить фазометром угол между U>а> и I>а> (например, 18) и вычислить разность между заданным углом (U>а>, I>а>), равным 20 и показанием фазометра (18);
-значение этой разности (2) внести в окно I>а> поля Углы в панели коэффициенты подстройки и нажать Enter.
Показания фазометра должны стать равными заданному углу между U>а> и I>а> (20).
Настройка коэффициентов коррекции (усиления) для каналов тока и напряжения в режиме источников постоянного тока
При использовании каналов напряжения и тока в режиме источников постоянного тока (каналы =U>ab> и =I>abc>) для их коррекции существуют отдельно свои коэффициенты. Их поля (два редактируемых поля) расположены в левой верней части основной панели, ниже полей основных коэффициентов, под кнопкой Начальные значения.
Регулировка коэффициентов осуществляется аналогично предшествующему пункту, используются внешний вольтметр и амперметр постоянного тока. Значения напряжения и тока задаются в правой верхней части основной панели, под кнопкой Обнуление U,I, предварительно выбрав кнопкой режим источника постоянного тока (DC). Рекомендуемая нагрузка и значение величин, на которых производится коррекция:
-для каналов тока ("-" I>n>, "+" I>abc>) – нагрузка 0,625 Ом, значение тока – 10 А;
-для каналов напряжения ("-" U>a>, "+" U>b>) – нагрузка 1 кОм, значение напряжения – 220 В.
Настройка коэффициентов коррекции АЦП (аналоговых измерительных входов).
Для настройки коэффициентов коррекции АЦП выберите в пункте меню АЦП один из рабочих диапазонов: 20 мА, 20 А, 10 В, 300 В (рис.5.2.3). Для каждого аналогового входа имеются два коэффициента коррекции – усиления и смещения.

Рисунок.5.2.3- Меню полуавтоматической настройки коэффициентов коррекции канала АЦП

Рисунок.5.2.4- Панель График АЦП
Для удобства и быстроты предусмотрен режим их Полуавтоматической настройки (одноименная кнопка). В этом режиме расчет коэффициентов для каждого канала производится по двум значениям его диапазона, первое значение задается вначале диапазона (например, вход 20 В, значение 1 В), второе значение в конце диапазона (допустим 19 В). В качестве источника можно использовать либо сам РЕТОМ, либо внешний источник. При использовании РЕТОМа можно производить плавную регулировку выдаваемой величины напряжения или тока (в зависимости от того, какой аналоговый вход настраивается). По введенным и записанным значениям рассчитываются коэффициенты усиления и смещения для аналогового входа, аналогично для всех остальных входов. Кнопка График АЦП.Позволяет просмотреть сигнал на входе канала АЦП (см.рис.5.2.4).
Кнопка Сохранить в архив предназначена для сохранения полученных коэффициентов настройки в архиве. Это позволяет иметь в архиве несколько настроек для разных нагрузок. Необходимо помнить, что для каналов тока параметры гарантируются при сопротивлении нагрузки в диапазоне от 0 до 0,7 Ом.
Режим управления монитором
Программа позволяет выбрать режим управления монитором (SVGA/VGA) в зависимости от его разрешения, используя переключатель Монитор. Если разрешение монитора 640х480, то следует установить режим VGA. Если монитор позволяет работать с разрешением 800х600 и более, - SVGA. На компьютерах типа NoteBook это иногда приводит к изменению размера рабочего окна. Режим монитора также сохраняется в архиве.
Ограничение длительности режима настройки
Если настройка осуществляется в режиме максимальной выходной мощности (20 А на нагрузке 0,625 Ом, т.е. при мощности 250 Вт), то в длительном статическом режиме происходит разогрев усилителей. На грани срабатывания тепловой защиты возможно появление температурной погрешности в районе 0,3 – 0,5 %. Для предотвращения разогрева следует вручную ограничивать длительность включения канала временем 5-6 мин.
Выход из программы производится по одноименной кнопке меню. При этом все коэффициенты сохраняются в отдельном файле CONFIG.RET, который расположен в каталоге РЕТОМа в папке C:\RETOM41M\RET_41R. Эти коэффициенты используются всеми программами РЕТОМа. Перед выходом из программы можно данные коэффициенты дополнительно сохранить в своем архиве, нажав кнопку Сохранить в архив. При нажатии кнопки Выход без сохранения измененные коэффициенты не сохраняются и в этот файл записываются прежние, ранее установленные коэффициенты.
5.4 Главное меню
Программное обеспечение испытательной системы содержит следующие программные модули (стандартный комплект программ).

Рисунок.5.3.1- Главное меню системы
Ручное управление источниками тока и напряжения. Программа предназначена для независимого управления 3 источниками тока и 3 источниками напряжения в ручном режиме. С помощью этой программы можно измерить время срабатывания и возврата реле на любом из восьми контактов при изменении любого параметра.
Ручная проверка реле тока и напряжения. Программа предназначена для проверки реле тока и напряжения в ручном или автоматическом режимах. Она позволяет осуществить в режимах однофазных, двухфазных и трехфазных КЗ следующие виды проверок:
- проверка токов срабатывания и возврата реле тока с зависимой и независимой выдержками времени;
- проверка напряжений срабатывания и возврата реле напряжения;
- автоматическое вычисление коэффициента возврата и класса точности реле;
- проверка времени срабатывания и возврата реле с учетом всех возможных углов возникновения повреждения;
- построение зависимости t>ср> = f(I);
- выдача протокола испытаний.
Автоматическая проверка реле тока. Программа предназначена для комплексной проверки токовых защит с выдачей протокола испытаний.
Ручная проверка реле сопротивления. Программа предназначена для ручной и автоматической проверки дистанционных защит и позволяет осуществить в режимах однофазных, двухфазных и трехфазных КЗ следующие виды проверок:
- построение характеристик срабатывания всех ступеней реле сопротивления при повреждениях фаза-земля и фаза-фаза;
- определение времени срабатывания и возврата быстродействующих ступеней с учетом всех возможных углов возникновения повреждения;
- построение зависимости t = f(Z), характеризующей уставки всех ступеней дистанционной защиты и времена срабатывания ступеней при повреждениях фаза-земля и фаза-фаза.
Автоматическое снятие Z-характеристики реле сопротивления. Программа позволяет быстро и объективно снять характеристику срабатывания реле сопротивления методом половинного деления с получением протокола.
Автоматическая проверка реле сопротивления. Программа предназначена для автоматической проверки реле сопротивления и многоступенчатых (до 5 ступеней) дистанционных защит и позволяет осуществить в режимах однофазных, двухфазных и трехфазных КЗ следующие виды проверок:
-нахождение >мч>;
-построение характеристик срабатывания Z() до 5 ступеней ДЗ при повреждениях фаза-земля и фаза-фаза, в случае, если характеристика – многоугольник; нахождение угловых (критических) точек;
-определение тока точной работы;
-проверка самохода от тока;
-проверка несрабатывания защиты при разомкнутых цепях напряжения;
-имитация КЗ "сзади" для линии, находящейся в тупиковом режиме;
-проверка ДЗ при двухфазном КЗ "за спиной";
-проверка ДЗ при КЗ АВС "за спиной";
-проверка ДЗ "по памяти" при КЗ АВС;
-построение зависимости t>ср> = f(Z), характеризующей уставки всех ступеней ДЗ и времена срабатывания ступеней, при повреждениях фаза-земля и фаза-фаза.
Генератор несинусоидальных сигналов. При проверке многих устройств РЗА необходимо подавать на вход сигнал несинусоидальной формы. Программа дает возможность запрограммировать сигнал каждого канала РЕТОМа по формулам:
;
,
В соответствии с этими формулами можно
- запрограммировать подобным образом до 4-х аварийных режимов;
- на основной сигнал наложить гармоники;
- получить апериодическую составляющую сигнала;
- на разных выходах получать сигналы разной частоты и т.д.
Воспроизведение аварийных процессов с цифрового осциллографа. Выдача сигнала любой формы на выходе РЕТОМ-41М дает уникальную возможность осуществить воспроизведение записи аварии цифрового регистратора и оценить поведение реле в момент реальной аварии. Большое количество записей различных аварий позволяет проверять любое новое оборудование в реальных условиях эксплуатации еще до его установки на объекте и оценивать его работоспособность, а также диапазон уставок.
Приведенная RL-модель энергосистемы. Математическая модель энергосистемы, реализованная на персональном компьютере, в сочетании с испытательным устройством РЕТОМ, обеспечивающим физическое воспроизведение результатов математических расчетов, дает пользователю уникальную возможность проверки релейной защиты в реальных режимах повреждений в энергосистемах. Дружественный диалоговый интерфейс позволяет удобно задавать параметры энергосистемы, токи и напряжения нагрузочного режима, место установки релейной защиты, вид и место повреждения. Результаты испытаний обрабатываются и наглядно отображаются на экране дисплея. При этом на вход проверяемой релейной защиты подводятся токи и напряжения, возникающие в реальных условиях с учетом переходных процессов в энергосистеме пользователя.
На основе этих испытаний пользователь принимает решение о параметрах характеристик и уставок релейной защиты, соответствующих его условиям. Это является основным отличием нашего устройства от других, используемых в настоящее время.
Секундомер. При проверке времен срабатывания реле и анализа логической последовательности функционирования сложных комплексов защиты удобно пользоваться программой Миллисекундомер-регистратор. Эта программа позволяет:
- измерять времена (срабатывания, возврата, разновременность срабатывания, разновременность возврата, кратковременного переключения);
- задавать входные воздействия (векторной диаграммой, постоянным или переменным напряжением, контактом);
- регистрировать до 8-ми каналов с точностью, не хуже 400 мкс.
Для выбора одного из указанных программных модулей достаточно при помощи левой кнопки манипулятора mоuse нажать соответствующую клавишу в главном меню. Программа настройки и коррекции. Предпоследняя кнопка главного меню. Перед работой необходимо выполнить согласование программной части и электронной. Настройка заключается в выставлении коэффициентов усиления для каждого канала, угловой коррекции и небаланса. Настройка позволяет получить высокую точность измерений при работе с РЕТОМ-41М. Мгновенные значения для каждого канала рассчитываются по следующей формуле:
,
к>а> – коэффициент, регулирующий действующее значение А по амплитуде;
– коэффициент угловой коррекции;
А>смещ> – коэффициент небаланса (смещения), сводящий к нулю постоянную составляющую (тока или напряжения).
Здесь же выставляются корректирующие коэффициенты для источников тока и напряжения, работающих в режиме постоянного тока, а также коэффициенты для 4-х каналов АЦП.

Рисунок.5.3.2- Структура испытательной системы РЕЛЕ-ТОМОГРАФ
Для получения краткой информации о структуре испытательной системы, схеме подключения, передней панели прибора, а также для получения краткой информации обо всех программных модулях необходимо нажать клавишу Помощь: Структура испытательной системы РЕЛЕ-ТОМОГРАФ (см.рис.5.3.2). Для получения краткой информации о каждом элементе тестевой системы следует при помощи манипулятора mouse выбрать соответствующий элемент и нажать левую кнопку манипулятора.
Работа с меню
Все функции программы Ручное управление источниками тока и напряжения можно выполнять не только при помощи mouse, но и с использованием клавиатуры или меню, которое вызывается нажатием клавиши F10. Функциональное назначение пунктов меню состоит в следующем:
-РЕТОМ: Программное управление испытательным прибором:
-Вкл: + Вкл. - включение,
-Выкл.- выключение. См. раздел Подключение РЕТОМ-41М к программе.
-Калькулятор (F4) - вызов калькулятора.
Каналы I: Управление токовыми каналами. Включение и выключение любого токового канала и выбор максимального выдаваемого тока каналов. См. раздел Управление токовыми каналами
АЦП: Выбор типа измеряемой величины (ток или напряжение) и диапазона измерения. См. раздел Цифровой мультиметр
Режим: Выбор режимов работы программы.
Диаграмма U, I (Alt_D) Режим Тест I, U - см. Управление токами и напряжениями.
Миллисекундомер (Alt_T) Тест t - см. Проверка времен срабатывания и возврата.
F = 0,2 … 500, F = 0,2 - Задание диапазона изменения частот для переменных величин.
F = 20 … 70, F = 0,01 От диапазона зависит минимальный шаг изменения частоты.
Синхронизация с сетью - для синхронизации выдаваемых частот сигналов к частоте сети. Для этого необходимо включить в сеть, соблюдая полярность блок синхронизатора, а его выходы соединить с 8-м входным контактом РЕТОМ-41М. При выборе пункта меню Синхронизация с сетью вкл. Частоты и углы выдаваемых сигналов будут привязаны к сети. При этом поле частоты становится не редактируемым и используется только для отображения частоты сети.
Звук Вкл/Выкл - включение режима подачи звукового сигнала при срабатывании выбранного контакта. Предназначено для дополнительного привлечения внимания оператора к этому факту.
Последовательность - дает возможность выбрать прямую и обратную последовательность трехфазной системы.
Величины – дает возможность выдавать величины как фазные, так и симметричные составляющие токов и напряжений.
Контакты: Выбор опрашиваемого контакта и его типа. См.раздел Прием контактов от
Номер: 1, 2...8 проверяемой релейной защиты. Порядок работы с этим пунктом меню
Тип: открытый, следующий. В режиме меню Контакты нажимается клавиша , выбирается закрытый режим Номер и после нажатия клавиши Enter появляется окно с номерами контактов. Необходимый номер выбирается клавишами , Ї, затем нажимается клавиша Enter и выбранный контакт фиксируется. Далее аналогично входим в режим Тип и выбираем тип контакта: открытый контакт - нормально разомкнутый контакт, закрытый контакт - нормально замкнутый. После нажатия клавиши Enter выходим из режима меню.
Помощь: Для более эффективной работы с программой и удобства пользователя в программе имеется служба помощи, которая позволяет выдавать информацию о назначении различных режимов и элементов программы. Описание работы со Службой Помощи приведено в главе 15 настоящего описания.
Выход: Этот режим позволяет выйти в главное меню программы РЕЛЕ-ТОМОГРАФ.
Прием контактов от проверяемой релейной защиты
В левой части экрана расположено поле приема сигналов от проверяемой аппаратуры. При изменении токов и напряжений можно наблюдать реакцию защиты по состоянию восьми контактов. Под каждый контакт выделено по одной кнопке и одному полю:
- эта кнопка служит для выбора одного
из восьми контактов, реакцию которого
необходимо анализировать. Кнопка
выбранного контакта изменяет при этом
свой фон с серого на голубой. Одновременно
с выбором, рисунок на кнопке служит и
для обозначения типа проверяемого
контакта (нормально открытый
и нормально закрытый
).
Выбор типа контакта осуществляется повторным нажатием на выбранный контакт.
Выбор номера и типа контакта можно осуществить также через меню. Пример выбора нормально открытого 3-его контакта:
F10, контакты, номер, 3 Enter, F10, контакты, тип, открытый Enter или Alt_K, Alt_H, Alt_3, Alt_K, Alt_T, Alt_O.
красное/зеленое - поле контакта отражает текущее состояние контактов. Независимо от того, какой из восьми контактов выбран, для всех контактов зеленый фон поля соответствует незамкнутому состоянию контакта, красный - его замкнутому состоянию.
Анализ результатов проверки токов (напряжений) срабатывания и возврата
В правой нижней части Прибора имеются два поля Срабатывание и Возврат, в которых отражаются параметры, соответственно, срабатывания и возврата выбранного контакта.
Если осуществляется регулировка тока, то фиксируются параметры I>ср> и I>вз>, если напряжения - U>ср >и U>вз>, если фазы - j>ср> и j>вз>, если частоты f>ср> и f>вз>. В ходе проверки можно уменьшить шаг и уточнить указанные параметры. При этом фиксируются результаты последнего измерения. Аналогичным образом можно проверить параметры срабатывания и возврата по всем контактам, последовательно выбирая их, как это описано выше в разделе Прием контактов от проверяемой релейной защиты.
Работа с миллисекундомером
В нижней части миллисекундомера расположены четыре клавиши. Их назначение состоит в следующем:
Старт - клавиша, при нажатии которой происходит скачок выбранного параметра и запускается миллисекундомер. Останов миллисекундомера производится выбранными контактами проверяемого реле. Время срабатывания (возврата) фиксируются на шкале миллисекундомера;
Сброс - клавиша, предназначенная для сброса показаний миллисекундомера и восстановления предшествующего старту режима;
МинМакс - клавиша, которая определяет характер скачкообразного изменения. Если требуется увеличить параметр с какого-то значения Мин до какого-то значения Макс, необходимо нажать на эту клавишу. Выбор этого режима контролируется по изменению фона поля с серого на голубой;
МаксМин - клавиша, которая задает режим скачкообразного уменьшения параметра со значения Макс до значения Мин. Задание этого режима происходит также с помощью манипулятора mоuse.
Проверка времен срабатывания (возврата) производится следующим образом:
1) в левом поле задания уставок выбирается параметр, который необходимо скачком подвести к проверяемому реле;
2) в полях Мин и Макс Прибора задаются начальное и конечное значение изменения параметра;
3) задается один из режимов проверки времен: МинМакс или МаксМин на миллисекундомере;
4) нажимается кнопка Старт и фиксируется время срабатывания (возврата) по шкале миллисекундомера.
Опыты можно многократно повторять. При этом в не редактируемых окнах Срабатывание и Возврат фиксируются последние значения времен срабатывания и возврата. Если в процессе измерения времени возникает необходимость просмотреть диаграммы токов и напряжений достаточно нажать клавиши Alt_D на клавиатуре компьютера.
Проверка времен срабатывания и возврата
Вход в режим проверки времени реакции защиты осуществляется путем выбора режима Тест t из меню или при одновременном нажатии комбинации клавиш Alt_T на клавиатуре компьютера.
Теперь на экране находятся два прибора - амперметр (вольтметр, фазометр, частотомер) и миллисекундомер (см.рис.5.7.1).
В режимах проверки времени существует возможность скачкообразного изменения любой из величин тока и напряжения. Выбор коммутируемых величин осуществляется в левом поле задания уставок. Начальное и конечное значения при скачкообразном изменении выбранной величины, задаются в верхнем поле настройки прибора (амперметра, вольтметра, фазометра, частотомера), при помощи редактируемых полей Мин и Макс.

Рисунок.5.7.1.- Проверка времен срабатывания и возврата
5.5 Управление выходными контактами
Количество выходных контактов РЕТОМ-41(М) равно 4-м ("сухой" контакт). В зависимости от исполнения РЕТОМа ток через выходные контакты, следующий:
- для РЕТОМ-41:
1…4-й выходы – герконовые реле РПГ – 6, ток через контакт – не более 0,2 А;
- для РЕТОМ-41М заводские номера с 400 по 930:
1, 2, 4-й выходы - полупроводниковые оптотранзисторы, ток не более 0,1 А, 3-й выход – реле РЭП-17, ток – не более 7 А;
- для РЕТОМ-41М заводские номера 931 и выше:
1...4-й выходы - реле РЭК-51, ток не более 7 А.
Переключения каждым из контактов возможно с помощью элементов управления, расположенных под векторной диаграммой (состояние "замкнуто" или "разомкнуто"). При измерении временных параметров логика переключений 1-го и 2-го выходных реле осталась без изменения - они используются для запуска и останова внешнего секундомера.
5.6 Проверка времен срабатывания и возврата
Вход в режим проверки времени реакции защиты осуществляется путем выбора режима Тест t из меню или при одновременном нажатии комбинации клавиш Alt_T на клавиатуре компьютера.
Теперь на экране находятся два прибора - амперметр (вольтметр, фазометр, частотомер) и миллисекундомер (см.рис.5.7.1).
В режимах проверки времени существует возможность скачкообразного изменения любой из величин тока и напряжения. Выбор коммутируемых величин осуществляется в левом поле задания уставок. Начальное и конечное значения при скачкообразном изменении выбранной величины, задаются в верхнем поле настройки прибора (амперметра, вольтметра, фазометра, частотомера), при помощи редактируемых полей Мин и Макс.

Рисунок.5.7.1-. Проверка времен срабатывания и возврата
5.7 Силовые клеммы прибора
В нижнем правом углу экрана предусмотрена информационная панель, на которой изображены силовые клеммы прибора. При выборе в левом поле данных управляемой величины на этой информационной панели появляется знак стрелки, напоминающий о том, какой ток или напряжение и на какой клемме прибора будет сейчас регулироваться. Если для регулировки выбирается симметричная трехфазная система токов (напряжений), знаки указывает на управление одновременно тремя источниками тока (напряжения).
В режиме однофазный ток в диапазоне 0...60 А на информационной панели указывается, какие коммуникации необходимо сделать на клеммнике прибора и с каких клемм снимается регулируемая величина тока. В данном случае необходимо установить перемычку между клеммами I>a>-I>b>-I>c>, а ток подводится к проверяемой аппаратуре релейной защиты с клемм I>N> и I>C>.
При необходимости подведения к реле однофазного напряжения в диапазоне 0...240 В используются клеммы U>a> и U>b>, как это показано на информационной панели.
Напряжение постоянного тока, регулируемого в диапазоне 0...320 В снимается, также, с клемм U>a> (+) и U>b> (-).
Постоянный ток в диапазоне 0...20 А снимается с клемм I>N> (-) и I>c> (+). При этом устанавливаются перемычки между клеммами I>a>-I>b>-I>c>. Ниже полей постоянного тока и напряжения, в левом нижнем углу, расположены не редактируемые поля: линейного напряжения U>ab> и его фазы, и поля P и Q – показывающие произведение по трем фазам выдаваемого тока на напряжение и косинус или синус между ними, а именно:

Это бывает необходимо в случае проверки счетчиков (датчиков, реле) мощности.
5.8 Цифровой мультиметр
Режим измерения имеет 4 диапазона (переменный или постоянный уровень):
- измерение напряжения до 300 В;
- измерение напряжения до 10 В;
-измерение тока до 20 А (кратковременно и только для переменного сигнала; для постоянного уровня максимальный ток до 10 А !!!);
- измерение тока до 20 мА.
Не допускается одновременное подключение сразу к двум измерительным клеммам напряжения или тока. При этом выбирается только один из каналов (или ток или напряжение) для отображения на экране. Синусоидальная или постоянная входная величина определяется автоматически. Для синусоидального сигнала выводится значение частоты, для постоянного уровня частота равна 0. Для достоверного значения измеряемой частоты уровень сигнала должен быть выше 10 % от максимального значения диапазона.Измеренные величины отображаются в левой нижней части экрана.
Красным цветом выводится диапазон измерения АЦП. При переполнении АЦП выдается звуковой сигнал и меняется цвет выводимой величины (без включенного АЦП измерения не производятся и не отображаются). При запуске программы АЦП выключено. Управление АЦП производится в меню АЦП. При включении АЦП цвет измеренной величины изменяется с серого на зеленый. При изменении режима АЦП меняются единицы измерения (мА или А) и количество знаков после запятой (В).
5.9 Программный модуль Ручная проверка реле тока и напряжения
Программа предназначена для проверки реле тока и напряжения в ручном или автоматическом режиме (снятие зависимости t>ср> = f(I)), и позволяет осуществить при однофазных, двухфазных и трехфазном типах КЗ следующие виды проверок:
- проверка токов срабатывания и возврата реле тока с зависимой и независимой выдержками времени, напряжений срабатывания и возврата реле напряжения;
- автоматическое вычисление коэффициента возврата и процента отклонения от уставки;
- проверка времен срабатывания и возврата реле с учетом всех возможных углов возникновения повреждения;
- построение зависимости t = f(I), t = f();
- выдача протокола испытаний.
Большим достоинством программы является возможность простого и удобного выбора и программирования различных режимов полуавтоматической проверки. Это позволяет пользователю самому формировать режимы автоматической проверки для конкретных типов реле тока, напряжения и мощности.
Панель управления
Панель управления программы приведена на рис.5.11.1. В левой части панели расположено поле задания данных. В верхней части - Прибор. Рядом с Прибором справа - Выключатель, под Прибором - белое поле, отведенное под изображение диаграмм токов и напряжений. В правой части панели расположены: поле выбора номера и задания типа контактов, данные о вычисляемых значениях погрешности и коэффициента возврата, три клавиши для изменения режимов работы программы.

Рис.5.11.1 Панель управления
Выбор вида КЗ
В центральной части левого поля задания данных расположено поле выбора вида КЗ. Для выбора требуемого вида КЗ при проверке реле необходимо курсор mоuse установить на кнопку Тип аварии и нажать левую кнопку манипулятора необходимое количество раз. Последовательность выбираемых КЗ следующая: отсутствие КЗ, трехфазное АВС, двухфазное АВ, двухфазное ВС, двухфазное АС, КЗ на землю фазы А, КЗ на землю фазы В, КЗ на землю фазы С.
Задание уставок
В нижней части левого поля задания данных расположены редактируемые окна, в которых можно установить уставки по току (напряжению) и времени проверяемых реле. Это необходимо для автоматического определения погрешностей. В этом поле 4 строки. Номер строки соответствует номеру ступени защиты. В первом (маленьком) столбце указывается номер контакта, к которому подключается соответствующая ступень. Например, для 4-х ступенчатой токовой защиты, имеющей уставки по току и времени срабатывания, таблица заполняется так, как это показано на прилагаемом рисунке:
-10 А и 0,01 с - для I ступени,
-5 А и 1 с - для II ступени,
-2,5 А и 4,6 с - для III ступени,
-1,2 А и 9,7 с - для IV ступени.
Для занесения информации в эти окна используется mоuse и клавиатура компьютера. При помощи курсора mоuse выбирается соответствующее окно (выбранное, "активное", окно меняет фон с синего на красный) и с помощью клавиатуры набираются необходимые данные. Для завершения ввода данных следует воспользоваться клавишей Enter или левой кнопкой манипулятора mouse.
Выбор проверяемых контактов
В левой части панели управления
расположено поле выбора номера и задания
типа контакта. В этом поле находится,
также, окно для визуального наблюдения
за состоянием контактов проверяемой
релейной защиты. Реакция защиты при
проверках наблюдается по 4 контактам.
Под каждый контакт выделено два поля:
большое и маленькое. Маленькое поле
служит для выбора одного из четырех
контактов и задания его типа (нормально
открытый
или нормально закрытый
,
фон поля - голубой). Большое поле отражает
текущее состояние контакта независимо
от того, выбран он или нет (зеленый цвет
- сработанное состояние контакта, красный
- несработанное.)
Ручная проверка токов срабатывания и возврата
Проверка осуществляется просто и наглядно. При этом к проверяемому реле могут подводиться токи, соответствующие различным видам КЗ. Регулировать токи можно либо с левого поля задания данных, либо с помощью Прибора.
Управление токами с помощью поля задания данных
Левое поле задания данных состоит из редактируемых полей, размещенных в два ряда. Первоначально, когда не выбран вид КЗ, для редактирования доступны токи всех трех фаз в диапазоне 0...10 (20) А и однофазный ток в диапазоне 0...30 (60) А. В этом режиме можно задать любую комбинацию токов фаз. При выборе любого вида КЗ указанные поля становятся недоступными для редактирования. Об этом информирует изменение фона полей (с синего на черный). Активным становится поле Ток аварии. Далее, в зависимости от выбранного вида КЗ, фазные значения изменяются по строго определенному закону. Вектор тока КЗ с помощью левого поля ввода данных задается двумя значениями: модулем и аргументом. Модуль соответствует действующему значению величины. Регулируемые токи отображаются на диаграмме.
Управление токами с помощью прибора
Регулировка токов КЗ при проверке токов срабатывания и возврата может осуществляться с помощью амперметра, расположенного в верхней части экрана. Регулировка происходит следующим образом. С помощью mоuse на поле задания данных выбирается регулируемое значение тока КЗ: либо его модуль, либо его аргумент. При выборе модуля прибор "становится" амперметром, при выборе аргумента - измерителем фазы. В зависимости от выбранного вида КЗ амперметр как бы "подключается" на измерение следующих токов:
|
I>A> – при трехфазных КЗ I>AB> = I>A> - I>B> - при двухфазных КЗ фаз А и В; I>BC> = I>B> - I>C> - при двухфазных КЗ фаз B и C; I>СA> = I>C> - I>A> - при двухфазных КЗ фаз C и A; |
I>A> - при КЗ на землю фазы A; I>B> - при КЗ на землю фазы B; I>C> - при КЗ на землю фазы C. |
Фаза, к которой подключается амперметр, индицируется на Приборе символами красного цвета. Прибор имеет свое поле задания данных - настройку. Это окна Мин, Шаг и Макс, расположенные в верхней части Прибора. Непосредственная регулировка выбранного тока КЗ в диапазоне от Мин до Макс с Шагом, осуществляется при помощи клавиш , , , , которые находятся в нижней части Прибора.
Диаграмма токов
Токи, которые подводятся к проверяемому реле, отображаются на диаграмме. Масштаб на диаграмме по току принимается равным 10 (20) А, по напряжению - 100 В.
Обнуление источников тока (напряжения). В левом нижнем поле диаграммы расположена клавиша I, U = 0, при нажатии которой устанавливается нулевое состояние всех источников тока (напряжений).
Анализ результатов ручной проверки
В правой части Прибора имеются два поля, в которых отражаются токи (напряжения, углы) срабатывания I>ср> (U>ср>, >ср>) и возврата I>вз> (U>вз>, >вз>) выбранного контакта. В ходе проверки можно уменьшить Шаг и уточнить указанные параметры. При этом фиксируются результаты последнего измерения. Подобным образом можно проверить параметры срабатывания и возврата по всем контактам, последовательно выбирая их.
В правой части экрана имеются два поля, в которых отражаются результаты вычисления коэффициента возврата К>в> и класс точности реле по результатам последнего измерения. Расчеты выполняются в соответствии с выражениями:

где I>у>, U>y> - значения уставок по току и напряжению для проверяемого реле, которые задаются в поле задания уставок.
6. Безопасность и экологичность проекта
В основной части дипломного проекта рассмотрены вопросы, связанные с модернизацией релейной защиты РУ-27,5 кВ тяговой подстанции Заудинск ВСЖД. Наличие на подстанции высоковольтного оборудования и значительных по величине токов определяет выбор темы, и содержание раздела "Безопасность и экологичность проекта", связанных с обеспечением электробезопасности при работе на тяговых подстанциях и, в частности, при работе в токовых цепях без отключения присоединения. Также в разделе "Безопасность и экологичность проекта" рассмотрены инженерно-технические мероприятия по повышению устойчивости работы тяговой подстанции в условиях чрезвычайных ситуаций.
6.1 Обеспечение электробезопасности при работе на тяговых подстанциях
Анализ состояния условий производства
Электротехнический персонал, занятый эксплуатацией, техническим обслуживанием и ремонтом электроустановок на тяговых подстанциях, относится к категории работников, на которых могут воздействовать вредные и опасные производственные факторы.
Вредными называют производственные факторы, воздействие которых на работающих в определенных условиях приводит к заболеванию или снижению работоспособности. Опасными производственными факторами считают те, воздействие которых на работающих в определенных условиях может привести к травме или другому внезапному ухудшению здоровья.
Специфичность труда и его повышенная опасность особо остро ощущаются на работах, связанных с эксплуатацией электроустановок. При нарушении правил обслуживания электроустановок работниками подстанций может произойти поражение их электрическим током. Опасность представляет касание токоведущих частей, находящихся под рабочим или наведенным напряжением, а также прикосновение к элементам цепи обратного тока – к рельсам и соединенным с ними устройствам.
Так как обслуживание открытой части подстанции производится в любое время года, а в аварийных ситуациях – не только днем, но и ночью, то воздействие климатических факторов тоже вносит ряд трудностей. С изменением погоды связан целый ряд отказов в работе электроустановок тяговых подстанций. В сильные морозы увеличивается число механических повреждений из-за снижения прочности металла, гибкой и фарфоровой изоляции, замерзания смазки и т.д. В зимний период резко ухудшается состояние производственной территории, из-за снежных заносов усложняются условия подхода к электроустановкам для их осмотра и ремонта. В гололед увеличивается опасность падений. В холодное время года приходится пользоваться теплой спецодеждой, затрудняющей движения, ухудшающей слышимость. Длительная работа на открытом воздухе в сильные морозы может привести к обморожению. Неблагоприятно сказывается на условиях труда резкая перемена погоды. Даже в течение одной рабочей смены температура, влажность окружающего воздуха, скорость ветра могут изменяться в довольно широком диапазоне. Поэтому спецодежда и спецобувь, предназначенные для работы на открытом воздухе, должны обладать свойствами, обеспечивающими нормальные условия труда при резкой перемене погоды.
При работах, ведущихся на высоте, неудобная поза и ограниченное время, в течение которого должны быть выполнены работы в условиях бесперебойного электроснабжения потребителей, создают трудности для безошибочного соблюдения правил безопасности.
Особенно опасно при эксплуатации и ремонте электрического оборудования то, что человек может оказаться в сфере действия электромагнитного поля или в непосредственном соприкосновении с токоведущими элементами. В результате прохождения тока через человека может произойти нарушение его жизнедеятельных функций.
Электрический ток отличается от других опасных факторов тем, что не имеет внешних признаков, поэтому его, как правило, нельзя обнаружить без наличия специальных приборов. Воздействие тока на человека в большинстве случаев приводит к серьезным нарушениям наиболее важных жизнедеятельных систем – центральной нервной системы, сердечно-сосудистой, дыхательной, что увеличивает тяжесть поражения. Переменный ток способен вызывать интенсивные судороги мышц, приводящие к неотпускающему эффекту, при котором человек не может самостоятельно освободиться от воздействия тока. Кроме того, воздействие тока вызывает у человека резкую реакцию отдергивания, а в ряде случаев – и потерю сознания, что при работе на высоте может привести к падению и травмированию. Электрический ток, проходя через тело человека, может оказывать биологическое, тепловое, механическое и химическое действия. Биологическое действие – способность тока раздражать и возбуждать живые ткани организма, тепловое – способность вызывать ожоги, механическое воздействие приводит к разрывам тканей, химическое – к электролизу крови. В результате воздействия электрического тока или электрической дуги человек может получить электротравму. Электротравмы подразделяются на местные – при которых возникает местное повреждение организма, электрические ожоги, механические повреждения кожи, воспаления наружных оболочек глаз - и общие, называемые электрическими ударами, которые приводят к поражению всего организма, нарушению или полному прекращению деятельности наиболее жизненно важных органов и систем (легких, сердца, дыхательной системы, кровообращения).
Характер воздействия электрического тока на человека и тяжесть полученных повреждений зависят от многих факторов: величины, длительности воздействия, рода (постоянный или переменный), частоты тока; пути прохождения тока через человека ("рука - рука", "рука - ноги", "нога - нога" и др.); окружающей среды; индивидуального сопротивления тела человека (которое у всех различное).
Разработка организационных, технических и технологических мероприятий
Наличие опасных и вредных производственных факторов требует разработки целенаправленных мероприятий по охране труда, организационных и технических мероприятий по обеспечению безопасности выполнения работ. На основании требований действующих законодательных актов и постановлений, государственных стандартов, с учетом опыта эксплуатации электроустановок потребителей создан ряд документов, регламентирующих правила безопасных работ на электроустановках. К ним относятся "Правила эксплуатации электроустановок потребителей", "Правила применения и испытания средств защиты, используемых в электроустановках, технические требования к ним", "Правила техники безопасности при эксплуатации электроустановок потребителей" и другие документы. Требования безопасности при обслуживании тяговых подстанций сведены в "Инструкцию по технике безопасности при эксплуатации тяговых подстанций, пунктов электропитания и секционирования электрифицированных железных дорог" ЦЭ-402, разработанную департаментом электрификации и электроснабжения МПС России в 1996 году.
Опыт эксплуатации электроустановок напряжением до 1000 В и выше показывает, что их обслуживание совершенно безопасно при условии соблюдения правил техники безопасности электроустановок. Большинство несчастных случаев при обслуживании электроустановок происходит из-за нарушения действующих правил техники безопасности. Поэтому эксплуатацию, техобслуживание и ремонт электроустановок должен осуществлять только специально подготовленный электротехнический и электротехнологический персонал.
Электротехнический персонал подразделяется на административно-технический, оперативный, ремонтный, оперативно-ремонтный.
Административно-технический персонал занимается организацией эксплуатации электроустановок. Это руководители и инженерно-технические работники дистанций электроснабжения, начальники тяговых подстанций, ремонтно-ревизионных участков.
Оперативный персонал осуществляет оперативное управление электрохозяйством дистанции электроснабжения, а также оперативное обслуживание электроустановок (электромеханики, дежурные по тяговым подстанциям, энергодиспетчеры, старшие энергодиспетчеры).
Ремонтный персонал – это персонал, выполняющий работы по техническому обслуживанию и ремонту оборудования электроустановок (персонал РРУ, испытательных лабораторий).
Оперативно-ремонтный персонал – ремонтный персонал, специально обученный и подготовленный для оперативного обслуживания закрепленных за ним электроустановок. К оперативно-ремонтному персоналу относятся старшие электромеханики, электромеханики и электромонтеры тяговых подстанций, персонал РРУ и других подразделений, которым предоставлены права оперативного персонала.
К работе в электроустановках допускаются лица не моложе 17 лет, имеющие группу по электробезопасности II – V, соответствующие по состоянию здоровья требованиям, предъявляемым к работникам этой категории, прошедшие обучение, инструктаж, проверку знаний в квалификационной комиссии с присвоением соответствующей группы, знающие инструкции и руководящие материалы по электробезопасности, приемы освобождения пострадавших от действия электрического тока и оказания первой помощи пострадавшим. Кроме того, весь персонал электроустановок подвергают периодическим проверкам знаний правил, производственных и должностных инструкций.
Работы, производимые в электроустановках, в отношении мер безопасности подразделяются на следующие категории:
- выполняемые при снятии напряжения;
- выполняемые без снятия напряжения вблизи и на токоведущих частях, находящихся под напряжением;
-выполняемые без снятия напряжения вдали от токоведущих частей, находящихся под напряжением.
К работам, выполняемым со снятием напряжения, относятся работы, при выполнении которых напряжение должно быть снято с токоведущих частей, где будет производиться работа, а также с токоведущих частей, к которым возможно в процессе работы приближение на расстояние менее допустимого. Для электроустановок с номинальным напряжением 3-35 кВ допустимое расстояние до токоведущих частей от людей и применяемых ими инструментов и приспособлений, от временных ограждений составляет 0.6 м, от механизмов и грузоподъемных машин в рабочем и транспортном положении, от стропов грузозахватных приспособлений и грузов – 1 м; для электроустановок 60-110 кВ – 1 м и 1.5 м; 150 кВ – 1.5 м и 2 м; 220 кВ – 2 м и 2.5 м соответственно.
Работа без снятия напряжения вдали от токоведущих частей, находящихся под напряжением, - работа, при которой исключено случайное приближение работников и используемых ими ремонтной оснастки и инструментов к токоведущим частям на расстояние, меньше допустимого, и не требуется принятия технических или организационных мер (например, непрерывного надзора) для предотвращения такого приближения.
Работами, выполняемыми без снятия напряжения на токоведущих частях и вблизи них, считаются работы, проводимые непосредственно на этих частях, когда основной мерой защиты работающего является применение соответствующих электрозащитных средств (изолирующих клещей, электроизмерительных клещей, изолирующих штанг и др.). Такие работы должны выполняться не менее, чем в два лица.
Для обеспечения безопасных условий работы в электроустановках должны выполняться организационные и технические мероприятия.
Назначаются лица, ответственные за безопасную организацию и проведение работ:-
- лицо, выдающее наряд или отдающее распоряжение;
- лицо, дающее разрешение на допуск (энергодиспетчер);
- допускающий;
- ответственный руководитель работ;
- производитель работ;
- наблюдающий;
- член бригады.
Обязанности данных лиц определяются "Инструкцией по технике безопасности при эксплуатации тяговых подстанций, пунктов электропитания и секционирования электрических железных дорог" ЦЭ-402.
Организационными мероприятиями являются:
- оформление работы нарядом, распоряжением, в порядке текущей эксплуатации или приказом энергодиспетчера;
- проведение выдающим наряд, распоряжение инструктажа руководителю работ (наблюдающему);
- выдача разрешения на подготовку места работы (приказ, согласование);
- допуск к работе;
- инструктаж членам бригады;
- надзор во время работы;
- оформление перерывов в работе, переводов на другое рабочее место, окончания работы.
Наряд – письменное задание на производство работы, составленное на бланке установленной формы, определяющее содержание, место, категорию работы, условия ее выполнения, время начала и окончания, необходимые меры безопасности, состав бригады и лиц, ответственных за безопасное производство работ. По наряду выполняются работы со снятием напряжения и без снятия напряжения на токоведущих частях и вблизи них. Срок действия наряда определяется длительностью работ и не должен превышать 5 суток.
Распоряжение – письменное задание на производство работы, определяющее содержание, место работы, категорию, время начала и окончания работ, меры безопасности и лиц, которым поручено ее выполнение. Оно может выдаваться производителю работ непосредственно или по телефону, имеет разовый характер, выдается на одну работу и действует в течение одного рабочего дня (смены) производителя работ. По распоряжению выполняются: работы без снятия напряжения вдали от токоведущих частей, находящихся под напряжением; работы без снятия напряжения вблизи токоведущих частей и на токоведущих частях, находящихся под напряжением до 1000 В; отдельные виды работ со снятием напряжения с электроустановок напряжением до 1000 В. Распоряжение записывает в оперативный журнал лицо, его отдающее. Оперативный персонал доводит распоряжение до сведения производителя работ и осуществляет подготовку рабочего места (если это требуется).
Кроме работ, выполняемых по наряду и распоряжению, существуют работы, выполняемые в порядке текущей эксплуатации. На тяговой подстанции должен иметься перечень работ, выполняемых в порядке текущей эксплуатации, в котором определены меры безопасности при их производстве. К таким работам относят уборку коридоров и служебных помещений, ЗРУ до постоянного ограждения, помещений щитовых, территорий ОРУ, проезд по территории ОРУ автомашин, транспортировка грузов и т.п.
Все организационные мероприятия при работе на подстанции выполняются в соответствии с "Инструкцией по технике безопасности при эксплуатации тяговых подстанций, пунктов электропитания и секционирования электрических железных дорог" ЦЭ-402.
Техническими являются следующие мероприятия
- производство необходимых отключений и принятие мер, препятствующих подаче напряжения к месту работы вследствие ошибочного или самопроизвольного включения коммутационной аппаратуры;
- вывешивание запрещающих плакатов на приводах ручного и ключах (кнопках) дистанционного управления коммутационной аппаратурой;
- проверка отсутствия напряжения на отключенных токоведущих частях; заземление отключенных токоведущих частей включением заземляющих ножей и наложением переносных заземлений;
- вывешивание предупреждающих, предписывающих и указательных плакатов;
- ограждение рабочих мест и оставшихся под напряжением токоведущих частей.
На месте производства работ со снятием напряжения должны быть отключены токоведущие части, на которых будет производиться работа, и неогражденные токоведущие части, к которым возможно приближение людей, ремонтной оснастки, механизмов, машин на расстояние, меньше допустимого. Если указанные токоведущие части не могут быть отключены, они должны быть ограждены. С каждой стороны, откуда коммутационным аппаратом может быть подано напряжение на рабочее место, должен быть видимый разрыв (отключение разъединителей, снятие или отсоединение шин и проводов, снятие предохранителей, отключение отделителей и выключателей нагрузки). Ручные приводы у разъединителей, отделителей, выключателей нагрузки в отключенном положении должны быть заперты на механический замок, у разъединителей, управляемых оперативной штангой, стационарные ограждения должны быть заперты на механический замок, у приводов перечисленных коммутационных аппаратов, имеющих дистанционное управление, отключить силовые цепи и при необходимости тягу привода отсоединить и запереть на замок.
В целях предупреждения людей о возможной опасности, запрещения или предписания определенных действий, информации о расположении объектов при работах в электроустановках используются плакаты и знаки безопасности, которые подразделяются на запрещающие, предупреждающие, предписывающие и указательный плакат "Заземлено".
Перед началом работ в электроустановках со снятием напряжением необходимо проверить отсутствие напряжения на отключенной для производства работ части электроустановки. Для этого используется указатель напряжения, который непосредственно перед этим должен быть проверен на исправность специальными приборами или приближением к токоведущим частям, находящимся под напряжением. В РУ 35-220 кВ для проверки отсутствия напряжения используются также изолирующие штанги. Ими несколько раз прикасаются к токоведущим частям. Признаком отсутствия напряжения является отсутствие искрения и потрескивания. В ОРУ напряжением до 220 кВ проверять отсутствие напряжения указателем или штангой можно только в сухую погоду, а в сырую погоду производится тщательное прослеживание схемы в натуре.
Заземление токоведущих частей производится в целях защиты работающих от поражения электрическим током в случае ошибочной подачи напряжения к месту работы. В РУ-3.3; 6; 10; 27.5; 35 кВ независимо от включения стационарных заземляющих ножей необходимо устанавливать переносное заземление непосредственно на месте работ, в ОРУ 110 и 220 кВ переносные заземления устанавливаются в случаях, когда заземляющие ножи не видны с места работы. Сечение переносного заземления выбирается с учетом наибольшего установившегося тока короткого замыкания и времени срабатывания основной релейной защиты. Комплекты переносных заземлений должны быть пронумерованы, иметь бирки с указанием номера и сечения заземляющего проводника и храниться в специально отведенных для этого местах.
Для безопасного обслуживания электроустановок на подстанции имеются защитные средства, которые служат для защиты эксплуатационного персонала от поражения электрическим током, воздействия электрической дуги, электрического поля и др. Защитные средства подразделяются на три группы: изолирующие, ограждающие и предохранительные. Изолирующие защитные средства делятся на основные и дополнительные.
Основные изолирующие средства способны длительно выдерживать рабочее напряжение установки и поэтому ими разрешено касаться токоведущих частей, находящихся под напряжением. В электроустановках выше 1000 В к ним относятся изолирующие штанги, изолирующие и электроизмерительные клещи, указатели напряжения, устройства и приспособления для обеспечения безопасности труда при проведении испытаний и измерений в электроустановках (указатели напряжения для проверки совпадения фаз, устройства для прокола кабеля, указатели повреждения кабелей и т.п.), прочие средства защиты, изолирующие устройства и приспособления для ремонтных работ (полимерные изоляторы, изолирующие лестницы и т.п.).
Дополнительные изолирующие защитные средства не способны выдерживать рабочее напряжение и поэтому предназначаются лишь для усиления действия основных средств. В электроустановках выше 1000 В к ним относятся диэлектрические перчатки, диэлектрические боты, диэлектрические ковры, изолирующие подставки и накладки, изолирующие колпаки, штанги для переноса и выравнивания потенциала.
К средствам защиты от электрических полей повышенной напряженности относятся комплекты индивидуальные экранирующие для работ на потенциале провода ВЛ и на потенциале земли в ОРУ и на ВЛ, а также съемные и переносные экранирующие устройства и плакаты безопасности.
Ограждающие защитные средства – переносные ограждения, временные переносные заземления, предупреждающие плакаты – предназначены для временного ограждения токоведущих частей и для предупреждения ошибочных операций с коммутационными аппаратами.
Предохранительные защитные средства предназначены для индивидуальной защиты персонала. В электроустановках применяются средства индивидуальной защиты следующих классов:
- средства защиты головы (каски защитные);
- средства защиты глаз и лица (очки и щитки защитные);
- средства защиты органов дыхания (противогазы и респираторы);
- средства защиты рук (рукавицы);
- средства защиты от падения с высоты (пояса предохранительные и канаты страховочные).
Средства защиты должны отвечать требованиям Правил пользования и испытания защитных средств и храниться в условиях, обеспечивающих их исправность и пригодность к употреблению.
Во избежание поражения обслуживающего персонала электрическим током правила безопасности предусматривают следующие требования к электроустановкам.
Распределительные устройства выше 1000 В должны быть оборудованы оперативной блокировкой, исключающей ошибочные действия персонала при производстве переключений (блокировка от ошибочных переключений) и блокировками, препятствующими непреднамеренному проникновению персонала к токоведущим частям, находящимся под напряжением. Блокировки от ошибочных переключений должны исключать: отключение (включение) разъединителей при включенном выключателе; включение заземляющих ножей до отключения разъединителя; включение разъединителей (вкатывание тележки МВ в ячейках КРУН) при включенных заземляющих ножах. Блокировки, препятствующие ошибочному проникновению, должны исключать открытие дверей ячеек, шкафов преобразователей, открытие лестниц для подъема на силовые трансформаторы (кроме лестниц для осмотра газового реле и т.п.) до включения заземляющих ножей.
Согласно ПУЭ и правилам техники безопасности конструктивные элементы электроустановок, нормально не находящиеся под напряжением, но могущие оказаться под напряжением, должны заземляться. Заземление, обеспечивающее безопасность обслуживающего персонала, называют защитным. Защитное заземление представляет собой преднамеренное металлическое соединение с землей частей установки, нормально не находящихся под напряжением, при помощи проводов и заземлителей. Заземлитель – металлический проводник или группа проводников, находящихся в непосредственном соприкосновении с землей, которые обладают определенным сопротивлением растеканию тока.
При прикосновении человека к незаземленному корпусу электроустановки, у которой произошел пробой изоляции одной из фаз на корпус, через тело человека будет проходить весь ток однофазного замыкания на землю Iз, ограниченный в основном сопротивлением тела человека Rч, т.е. Iч = Iз. При наличии заземления человека и заземлитель можно рассматривать как параллельно включенные сопротивления, находящиеся под напряжением однофазного замыкания на землю, т.е. Uз = IзRз = IчRч, где Iз и Iч – токи, проходящие через заземление и человека, А; Rз и Rч – сопротивления заземления и человека, Ом. Сопротивление тела в зависимости от среды и состояния человека находится в пределах от 100 тыс. до 600 Ом; в среднем его принимают равным 8000 Ом; заземления изготовляют с сопротивлением от 0.5 до 10 Ом. Так как сопротивление заземления значительно меньше сопротивления человека, то ток, проходящий через заземление, значительно больше тока, проходящего через тело человека. Ток, проходящий через тело человека, равен: Iч = IзRз/Rч. Из этого выражения видно, что заземление можно изготовить с таким сопротивлением, при котором ток Iч будет безопасен для жизни человека.
Когда человек прикасается к корпусу аппарата с поврежденной изоляцией одной из фаз, то он попадает под напряжение прикосновение, которое представляет собой разность потенциалов заземлителя (равного потенциалу фазы при замыкании ее на корпус заземленного оборудования) и потенциала точки земли, где стоит человек. Напряжение прикосновения – напряжение, образующееся в цепи тока замыкания на землю между двумя ее точками.
Основной частью заземляющего устройства является заземлитель, от правильного расчета и выполнения которого зависит надежность работы заземляющего устройства. Заземлители подразделяют на естественные и искусственные. К естественным заземлителям относятся: проложенные в земле водопроводные трубы; металлические конструкции зданий и сооружений, имеющие надежное соединение с землей; металлические оболочки кабелей, проложенных в земле, при их числе не менее двух и т.п.
Искусственные заземлители представляют собой специально заложенные в землю металлические электроды из труб, уголков, полос или стержней. Электроды забивают в грунт так, чтобы их верхние концы располагались на глубине 0,5-0,8 м от поверхности земли. К верхним концам электродов приваривают вертикальные соединительные полосы. Такое заглубление уменьшает колебания сопротивления заземления растеканию тока при сезонных изменениях проводимости верхних слоев грунта: зимой – от промерзания, летом – от уменьшения влажности.
Зануление – способ защиты, заключающийся в преднамеренном электрическом соединении с нулевым защитным проводником металлических нетоковедущих частей, которые могут оказаться под напряжением. Зануление применяют в четырехпроводных сетях с глухозаземленной нейтралью напряжением до 1000 В. Защитный эффект зануления состоит в уменьшении длительности замыкания на корпус и, следовательно, в снижении времени воздействия электрического тока на человека. Это достигается путем подключения корпусов потребителей к нулевому проводу. При таком соединении любое замыкание на корпус становится однофазным коротким замыканием.
Выравнивание потенциалов – метод снижения напряжений прикосновения и шага между точками электрической цепи, к которым возможно одновременное прикосновение или на которых может одновременно стоять человек. Потенциалы выравнивают, как правило, путем устройства контурных заземлений. Заземлители в нем располагаются как по контуру, так и внутри защищаемой зоны. При замыкании токоведущих частей электроустановки на корпус, соединенный с таким контурным заземлителем, участки земли внутри контура приобретают высокий потенциал, близкий к потенциалу заземлителей. Тем самым значительно снижаются напряжения прикосновения и шага.
Защитное отключение – быстродействующая защита, обеспечивающая автоматическое отключение электроустановки при возникновении в ней опасности поражения током. В случае замыкания токоведущих частей на корпус, снижения уровня изоляции, прикосновения человека к токоведущим частям происходит изменение отдельных параметров системы – на корпусе возникает напряжение относительно земли, появляется ток замыкания на землю, нейтраль трансформатора оказывается под напряжением и др. Эти изменения воспринимаются соответствующим датчиком защитно-отключающего устройства в виде входного сигнала. При достижении входным сигналом определенного значения преобразующий орган дает команду исполнительному органу защитного устройства, и он отключает электроустановку. Это значение входного сигнала называют уставкой срабатывания. Защитно-отключающие устройства применяются как самостоятельно, так и в комплексе с защитным заземлением и занулением.
Электрическое разделение сети представляет собой разделение электрической сети на отдельные, электрически не связанные между собой участки посредством разделяющего трансформатора. Разветвленные сети большой протяженности имеют значительные емкости относительно земли и сравнительно небольшие сопротивления изоляции. Прикосновение человека к токоведущим частям в этих сетях опасно, т.к. он может оказаться под воздействием напряжения, близкого к фазному. Электрическое разделение позволяет резко снизить опасность поражения за счет уменьшения емкостной и активной проводимостей сети.
Малое напряжение – номинальное напряжение не более 42 В, применяемое в целях уменьшения опасности поражения электрическим током. Малое напряжение используют в основном для питания ручного электрифицированного инструмента, переносных светильников и местного освещения на станках, установленных в помещениях с повышенной опасностью и особо опасных. Однако малое напряжение нельзя считать безопасным для человека, поэтому наряду с ним должны применяться и другие меры защиты.
Изоляция применяется для защиты от случайного прикосновения в электроустановках к токоведущим частям. Различают рабочую, дополнительную, двойную и усиленную изоляцию. Рабочей является электроизоляция токоведущих частей электроустановки, обеспечивающая ее нормальную работу и защиту от поражения электрическим током. Дополнительной называют изоляцию, предусмотренную дополнительно к рабочей для защиты от поражения электрическим током в случае повреждения рабочей изоляции. Двойная изоляция представляет собой электрическую изоляцию, состоящую из рабочей и дополнительной. Усиленная изоляция – это улучшенная рабочая изоляция, обеспечивающая такую же степень защиты, как и двойная.
Техника безопасности в токовых цепях без отключения присоединения
При разомкнутой вторичной обмотке намагничивающая сила первичной обмотки не уравновешивается и весь поток, создаваемый ею, индуцирует э.д.с. весьма большой величины, которая опасна для изоляции вторичной обмотки, а также для персонала, ведущего измерения. Кроме того, в таких случаях возможен большой нагрев стали из-за увеличения магнитного потока. Поэтому, если к вторичной обмотке не присоединен прибор, ее замыкают накоротко и размыкать вторичную обмотку при наличии тока в первичной обмотке опасно. Вторичную обмотку ТТ, кроме того, обязательно заземляют для обеспечения безопасности в случае пробоя изоляции между первичной и вторичной обмотками.
6.2 Инженерно-технические мероприятия по повышению устойчивости работы тяговой подстанции в условиях чрезвычайных ситуаций
Для повышения устойчивости работы объектов железнодорожного транспорта предусматривается осуществление комплекса инженерно-технических и организационных мероприятий.
Под физической устойчивостью, или статической, устойчивостью объекта или его элементов следует понимать физическую прочность инженерно-технического комплекса объекта (зданий, сооружений, оборудования, устройств) от землетрясения, наводнения и других чрезвычайных ситуаций.
Под устойчивостью работы объекта следует понимать способность объекта бесперебойно выполнять заданные функции в условиях воздействия чрезвычайных ситуаций, а также приспособленность этого объекта к быстрому восстановлению в случае нанесенных повреждений. Этот вид устойчивости иногда называют технологической устойчивостью объекта устойчивостью объекта.
Таким образом, понятие устойчивости работы объекта (технологическая устойчивость) является более обширным, включающим в себя не только понятие физической (статистической) устойчивости инженерно-технического комплекса, но и сохранность технологического процесса производства (сохранность рабочих и служащих, системы управления, кооперации и снабжения производства всем необходимым).
Применительно к деятельности транспорта, в том числе железнодорожного транспорта, под устойчивостью работы объекта следует понимать его способность к продолжению перевозочного процесса (перевозок).
К особо важным объектам железнодорожного узла следует отнести: основные железнодорожные пути, устройства связи и СЦБ, стрелочные переводы, искусственные сооружения, устройства энергоснабжения и т.п.; к менее важным – локомотивное депо и выгонное депо, работу которых можно переключить на другие сохранившиеся депо, складские помещения, пассажирские здания (без узла управления и связи) и др.
Устойчивость работы объекта в целом зависит от многих факторов, а также от его месторасположения, характера и важности выполняемой работы.
Мероприятия ГО по повышению по повышению устойчивости работы объектов (ПУРО) складываются из комплекса инженерно-технических и организационных мероприятий.
Организационные мероприятия – это мероприятия, направленные на изменение или приспособление организации работы объекта к условиям военного времени. Они разрабатываются и подготавливаются в мирное время, а вводятся в действие в военное время.
К инженерно-техническим мероприятиям (ИТМ ГО) относятся мероприятия, направленные на повышение устойчивости инженерно-технического комплекса объекта, его технологического процесса. Такие мероприятия, как правило, выполняются заблаговременно по типовым или индивидуальным проектам и требуют значительных средств. К ИТМ ГО можно отнести строительство защитных сооружений, строительство обходов железнодорожных узлов, кольцевание энергетических сетей и т.п.
В связи с тем, что объекты железнодорожного транспорта по своему назначению, размерам, конструктивным и технологическим особенностям отличаются друг от друга, выработать единые типовые для всех объектов мероприятия по повышению устойчивости работы объектов не представляется возможным. На каждом объекте характер и масштабы инженерно-технических и организационных мероприятий ГО и ПУРО будут различными, свойственными только данному объекту.
Однако основные пути (направления) решения этих мероприятий могут быть общими, применимыми для многих объектов. Конкретные способы решения задач для каждого объекта будут свойственны только ему.
Значительная часть инженерно-технических мероприятий может иметь большую стоимость; требовать больших материальных затрат и времени. Поэтому очень важно еще при проектировании объекта железнодорожного транспорта учитывать мероприятия по повышению устойчивости работы конкретного объекта.
Защита рабочих, служащих, членов семей и пассажиров при возникновении чрезвычайных ситуаций имеют первостепенное значение для устойчивости работы объекта.
К способам защиты людей относятся: своевременное оповещение об угрозе возникновения чрезвычайной ситуации; наличие в непосредственной близости от места работы и проживания достаточного количества защитных сооружений для укрытия; обеспечение дежурного персонала объекта (лиц, связанных с движением поездов) индивидуальными укрытиями на месте работы; своевременное и организованное проведение эвакуации и рассредоточение населения; наличие подготовленных формирований МЧС; наличие заблаговременно разработанных скользящих графиков рабочих смен и их подвоза к месту работ и обратно;
Защита инженерно-технического комплекса объекта достигается обеспечением равнопрочности всех элементов объекта за счет повышения устойчивости наиболее слабых элементов; организацией защиты ценного и уникального оборудования путем его укрытия или устройства специальных защитных приспособлений; проведением специальных мероприятий по защите радиотехнических и электронных устройств от проникающей радиации и электромагнитного импульса ядерного взрыва; строительством подземных сооружений и размещением устройств объекта под землей в железобетонных или металлических ящиках или в горных выработках; рассредоточенным размещением отдельных элементов объекта; строительством дублирующих сооружений и устройств объекта; созданием резервов мощностей основных элементов (устройств) и объекта в целом.
Повышение устойчивости управления и связи на объекте железнодорожного транспорта достигается путем: создания хорошо укрытой и дублированной связи, способной успешно работать в условиях чрезвычайных ситуаций; замены воздушных линий связи кабельными подземными линиями и радиосвязью; определение четких функций подразделениям объекта и отдельным должностным лицам на время чрезвычайных ситуаций; разработка режимов и графиков производственной работы объекта на время чрезвычайных ситуаций, хорошей подготовки и постоянной готовности руководящего состава объекта к работе во время чрезвычайных ситуаций; широкого внедрения современных, надежных и хорошо защищенных систем управления и связи на период чрезвычайных ситуаций.
Особо важное значение при разработке и выполнении мероприятий ГО по ПУРО на объектах железнодорожного транспорта уделяется вопросам недопущения возникновения вторичных факторов поражения (пожаров, взрывов взрывчатых веществ и ГСМ, а также разлива сильнодействующих ядовитых веществ). Это объясняется тем, что возникновение таких случаев приводит, как правило, к прекращению движения поездов.
Повышение устойчивости энергоснабжения объекта предусматривает обеспечение бесперебойного снабжения объекта электроэнергией, газом, сжатым воздухом, паром и водой за счет дублирования источников их получения и укрытия коммуникаций.
Устойчивость энергоснабжения объекта железнодорожного транспорта обеспечивается заменой односторонней схемы энергоснабжения двухсторонней или кольцевой системой энергоснабжения; созданием резервных и передвижных источников энергии, защитой системы энергоснабжения от землетрясения, наводнения и других чрезвычайных ситуаций, заменой воздушных коммуникаций подземными и кабельными линиями.
Повышение устойчивости материально-технического снабжения объекта обеспечивается созданием хорошо рассредоточенных запасов топлива, сырья и материалов; надежным обеспечением путем дублирования транспортных связей объекта с поставщиками запасных частей и материалов; разработкой мероприятий на случай перехода работы объекта на другой вид тяги, топлива и сырья.
Создание противопожарной защиты и охраны объекта предусматривает: строгое выполнение установленных нормативов в отношении плотности застройки, наличие широких магистралей, разделяющих общую площадь застройки на отдельные районы; строительство искусственных водоемов и прудов с хорошими к ним подъездами; строительство зданий и сооружений из несгорающих материалов и конструкций; устройство хорошо продуманной системы пожарного водоснабжения с достаточным количеством пожарных гидратов; применение огнестойких покрытий и специальных пропиток при наличии сгораемых конструкций; строительство заземленных и удаленных от объекта складов топливно-смазочных и других огнеопасных и взрывоопасных материалов; организацию надежной охраны объекта.
Организация спасательных и неотложных аварийно-восстановительных работ и быстрого восстановления технологического процесса производства предусматривает: заблаговременную разработку наиболее вероятных схем восстановления объекта, обеспечивающих быстрейшее открытие сквозного движения поездов; создание и подготовку формирований МЧС для проведения спасательных и неотложных аварийно-восстановительных работ и быстрого восстановления; создание запасов конструкций, материалов, и оборудования, необходимых для восстановления, и их надежное укрытие;
-Разработку мероприятий по безаварийной остановке технологического процесса по сигналам ГО и при внезапном возникновении чрезвычайной ситуации.
-Проведение всех вышеперечисленных мероприятий способствует повышению устойчивости работы тяговой подстанции в условиях чрезвычайных ситуаций.
6.3 Обслуживание измерительных приборов, устройств релейной защиты, вторичных цепей
Для обеспечения безопасности работ, проводимых в цепях измерительных приборов и устройств релейной защиты по распоряжению, вторичные обмотки измерительных трансформаторов тока и напряжения должны иметь постоянное заземление. В сложных схемах релейной защиты для группы электрически соединенных вторичных обмоток трансформаторов тока независимо от их числа допускается выполнять заземление только в одной точке. При необходимости разрыва токовой цепи измерительных приборов и реле цепь вторичной обмотки трансформатора тока предварительно закорачивают на специально предназначенных для этого зажимах.
В цепях между трансформатором тока и зажимами, где установлена закоротка, запрещается производить работы, которые могут привести к размыканию цепи.
При производстве работ на трансформаторах тока или на их вторичных цепях необходимо соблюдать следующие меры безопасности:
-цепи измерений и защиты присоединять к зажимам указанных трансформаторов тока после полного окончания монтажа вторичных схем;
-при проверке полярности приборы, которыми она производится, до подачи импульса тока в первичную обмотку надежно присоединять к зажимам вторичной обмотки.
Работы в цепях устройств релейной защиты, автоматики и телемеханики (РЗАиТ) производятся по исполнительным схемам; работа без схем, по памяти, запрещается. При работах в устройствах РЗАиТ следует пользоваться специальным электротехническим инструментом с изолирующими рукоятками или работать в диэлектрических перчатках.
При проверке цепей РЗАиТ в случае необходимости по условиям работы разрешается оставаться одному лицу из состава бригады с группой III в помещепроверка изоляции т.п.). Этому лицу производитель работ должен дать необходимые указания по технике безопасности.
При работах в цепях трансформаторов напряжения с подачей напряжения от постороннего источника снимают предохранители со стороны высшего и низшего напряжений и отключаются автоматы вторичных обмоток.
При необходимости производства каких-либо работ в цепях или на аппаратуре РЗАиТ при включенном основном оборудовании принимают дополнительные меры против его случайного отключения (отключение промежуточного реле и т.п.).
Переключения, включение и отключение выключателей, разъединителей и другой аппаратуры, необходимые при наладке или проверке устройств РЗАиТ, выполняет оперативный персонал.
6.3 Расчет заземляющего устройства
Электрический ток, проходя через тело человека, вызывает частичное или полное поражение его организма.
Ток 0,1 А смертелен для человека (смертельным может быть и ток 0,025-0,05 А, если он проходит длительно, более 2-3 с по пути рука-рука, рука-ноги, т.е. через сердце и легкие). Нужно иметь ввиду, что человека поражает проходящий через него ток, а не напряжение. Напряжение и сопротивление тела человека являются факторами, определяющими величину поражающего тока. Сопротивление тела человека в зависимости от среды и состояния человека находится в пределах от 100 тыс. до 600 Ом, а заземляющее устройство тяговых подстанций изготавливают сопротивлением не более 0,5 Ом. При наличии заземления человека и заземлитель можно рассматривать как параллельно включенные сопротивления, находящиеся под напряжением однофазного замыкания на землю.
Следовательно если сопротивление заземления значительно меньше сопротивления человека, то ток проходящий через заземление, значительно больше тока, проходящего через тело человека.
Конструкция заземляющих устройств.
Основной частью заземляющего устройства является заземлитель, от правильного расчета и выполнения которого зависит надежность работы заземляющего устройства.
Заземлитель выполняется в виде горизонтальной сетки из проводников, уложенных в земле на глубине 0,5-0,8 м, дополняемой при необходимости
вертикальными электродами, число и длина которых определяется расчетом. Целесообразно использовать вертикальные электроды длиной 5-20 м. При наличии плохопроводящих нижних слоев земли следует применять редкую сетку без вертикальных электродов.
Горизонтальные продольные проводники прокладываются вдоль рядов оборудования и конструкций на расстоянии 0,8-1,0 м со стороны обслуживания.
Продольные проводники соединяются поперечными, прокладываемыми в удобных местах между оборудованием. В местах пересечения продольные и поперечные проводники надежно свариваются.
Электроды заземлителей должны быть стальными и иметь следующие размеры:
На тяговой подстанции Заудинск используются полоса 40×5 из стали и уголок 50×50×5 из стали. Контур заземления подстанции изображен на рис. 5.4.1.

Рисунок.5.4.1-.Контур заземления подстанции.
Расчет сопротивления углового заземлителя.
,
где ρ – удельное сопротивление верхнего
слоя грунта, принимается равным
Ом*м.
Ом.
Расчет количества электродов без учета экранирования.
,
где R>З> =0,5 – сопротивление одного электрода
шт
Расчет количеснтва электродов с учетом экранирования
,
где n>Э> – коэффициент экранирования.
шт.
Расчет количества электродов забиваемых по периметру подстанции.
,
где L>П> – длина периметра подстанции,
L>П>= 48,6+37+39+27+13=164,4 м
шт.
Расчет количества электродов, которые необходимо забить посередине контура заземления.
.
Так как количество электродов с учетом экранирования меньше,чем устанавливаемых по периметру,то в середине контура электроды не забиваются.
Электроды необходимо выполнять из стального уголка 50×50×5, соединения между электродами выполняется из стальной полосы 40×5.
7. Расчет экономической эффективности от внедрения релейной защиты ЦЗА-27,5-ФКС тяговой подстанции Заудинск
7.1 Расчет затрат на установку и эксплуатацию ЦЗА-27,5
Целью экономической части данного дипломного проекта является расчёт экономической эффективности от внедрения релейной защиты
ЦЗА-27,5-ФКС тяговой подстанции Заудинск количеством 7 штук за год. В расчёте не учитываются расходы на заработную плату обслуживающего персонала и прочие эксплуатационные расходы, так как капитальный ремонт блока ЦЗА-27,5-ФКС проводится персоналом релейной защиты один раз в шесть лет в течение одной рабочей смены.
Стоимость блоков микропроцессорной релейной защиты (ЦЗА) взята из прайс-листа научно-технического центра "Механотроника" на 2003 г. без учета НДС. Расходы на приобретение блоков микропроцессорной релейной защиты БМРЗ -27,5 сносим в таблицу 7.1.
Таблица 7.1 - Стоимость приобретения блоков ЦЗА-27,5 кВ тяговой подстанции Заудинск
|
Наименование блока |
Место установки |
Количество блоков, шт |
Стоимость одного блока, евро |
Общая стоимость, евро |
|
ЦЗА-27,5 |
Фидеры контактной сети тяговой подстанции |
7 |
2640 |
18480 |
Расчет общих затрат на приобретение блоков ЦЗА-27,5.
Общие затраты на приобретение блоков ЦЗА-27,5 кВ составляют:
K>об.у.е>=n*K>ФКС>
где K>ФКС> - стоимость одного блока фидера контактной сети, евро;
n - количество блоков, шт;
K>об.у.е>=7*2640=18480 евро.
Для дальнейших расчетов произведем перевод общих капиталовложений из евро в рубли исходя из курса валют 1 евро=35 рублей.
K=K>об.у.е.>*35,
K>1>=18480*35=646800 рублей
Текущие затраты железных дорог, необходимые для обеспечения производственного процесса в данном периоде, называются эксплуатационными расходами. Для данного расчета они будут равны амортизационным отчислениям, так как затраты на оплату труда, отчисления на социальные нужд, расходы на материалы и прочие материальные затраты, топливо, энергию и прочие затраты не учитываются.
,
где
- эксплуатационные расходы на
амортизационные отчисления,
рублей.
Расчет амортизационных отчислений на
Амортизационные отчисления планируются, исходя из среднегодовой стоимости основных средств и норм отчислений на их полное восстановление.
,
рублей
=32340
рублей
7.2 Расчет затрат на установку и обслуживание УЭЗФМ-27,5
Таблица 7.2 - Стоимость блоков УЭЗФМ ФКС-27,5 кВ тяговой подстанции Заудинск
|
Наименование блока |
Место установки |
Количество блоков, шт |
Стоимость одного блока, евро € |
Общая стоимость, евро € |
|
УЭЗФМ-ФКС |
Фидеры контактной сети тяговой подстанции |
7 |
1300 |
9100 |
Расчет общих затраты на приобретение блоков УЭЗФМ-ФКС-27,5.
K>об.у.е>=7*K>ФКС>
K>об.у.е>=7*1300=9100 €
Для дальнейших расчетов произведем перевод общих капиталовложений из евро в рубли исходя из курса валют 1 евро=35 рублей.
К>2>=9100*35=318500 рублей.
Расчет эксплуатационных расходов.

где:
- эксплуатационные расходы на
амортизационные отчисления, рублей.
Э>фзп> - фонд заработной платы
Э>сн> - отчисления на социальные нужды
Э>ээ> - затраты на электроэнергию
Расчет амортизационных отчислений
=
0,05 *К>2>,
рублей
Определение фонда заработной платы с учетом премиальных и 13-й зарплаты по формуле:
Э>фзп> =

С>ЗП >>месяц >= С>1 >+3С>2>
где С>1 >- оклад старшего электромеханика, равный 10000 рублей;
С>2 >- оклад электромехаников, равный 7000 рублей;
3 чел - количество электромехаников.
Оклады старшего электромеханика и электромехаников приняты приближенно.
С>ЗП >>месяц >=10000+3*7000=31000 рублей
Э>фзп> =
рублей
Расчет отчислений на собственные нужды
Отчисления на социальные нужды планируют в определенном размере от затрат на оплату труда. В Республике Бурятия они составляют 27% от фонда заработной платы.
Э>сн> = 0,27* Э>фзп>
Э>сн> = 0,27* 551800=148986 рублей
Расчет расходов на электроэнергию. Расходы на электроэнергию определяются по количеству оборудования и устройств, их мощности и времени работы.
,
где Ц>ээ >- стоимость1 кВт*ч электроэнергии, Ц>ээ> = 1,28 руб/(кВт*ч);
К>сп >- средний коэффициент спроса, К>сп> = 0.3;
Р>уст>> >- суммарная установленная мощность оборудования, кВт;
F>об >- годовой фонд рабочего времени оборудования в одну смену
F>об> = 2004 ч;
М>см >- число смен работы оборудования, М>см> = 3;
К>з >- коэффициент загрузки, К>з> = 0,75.
Суммарную мощность оборудования примерно принимаем равной
Р>уст>> >=0,11 кВт.
рублей
Эксплуатационные расходы составили:
Э>2 >=15925+551800+148986+299=717010 рублей
7.3 Рассчитываем срок окупаемости по приведенным затратам
Расчет приведенных затрат для ЦЗА-27,5-ФКС.
Э>привЦЗА>=Э>1>+Е>н>*К>1>
где Е>н >- нормативный коэффициент эффективности принимаемый для тяговых подстанций 0,125
Э>привЦЗА>=32340+0,125*646800=113190 рублей
Расчет приведенных затрат для УЭЗФМ.
Э>привУЭЗФМ >Э>2>+Е>н>*К>2>
Э>привУЭЗФМ>=717010+0,125*318500=756822,5 рублей
Расчет разницы в приведенных затратах на УЭЗФМ и БМРЗ.
∆Э = Э>привУЭЗФМ> - Э>привЦЗА>
∆Э =756822,5-113190=643632,5 рублей.
Срок окупаемости ЦЗА ФКС-27,5 находим по формуле:
,
года
Вывод: Замена электронной защиты УЭЗФМ на блоки микропроцессорной защиты ЦЗА-27,5-ФКС на тяговой подстанции ЭЧЭ-58 Заудинск выгодна. Срок окупаемости составил 1 год и укладывается в нормативный срок окупаемости составляющий 8 лет. Это объясняется тем, что при вводе в эксплуатацию защиты ЦЗА-27,5-ФКС не требуется обслуживающего персонала. Кроме того, новая защита наиболее надежна и функциональна, чем морально устаревшая УЭЗФМ.
Заключение
В дипломном проекте были рассмотрены современные методы защиты тяговых сетей, в частности, электронная защита фидеров контактной сети (УЭЗФМ) и устройство цифровой защиты и автоматики фидера контактной сети (ЦЗА).
Произведен расчет уставок срабатывания направленной трехступенчатой дистанционной защиты фидера контактной сети тяговой подстанции Заудинск. При этом полученные параметры уставок совпадают со значениями уставок рассматриваемой тяговой подстанции.
В разделе, безопасность проекта, рассмотрены вопросы обеспечения электробезопасности при работе на тяговой подстанции, анализ состояния условий производства, разработка организационных и технических мероприятий, требования безопасности к электроустановкам, инженерно-технические мероприятия по повышению устойчивости работы тяговой подстанции в условиях чрезвычайных ситуаций, а также затронут вопрос обслуживания измерительных приборов, устройств релейной защиты и вторичных цепей.
В экономической части дипломного проекта произведен расчет эксплуатационных расходов на обслуживание блоков микропроцессорной релейной защиты тяговой подстанции Заудинск.
Список используемой литературы
Фигурнов Е.П. Релейная защита устройств электроснабжения. – М.: Транспорт, 2002 г. – 715 с.
Микроэлектронная защита фидеров контактной сети переменного тока (МЗКС). Руководство по эксплуатации А 354.00.000РЭ.
Блок микропроцессорной релейной защиты БМРЗ. Руководство по эксплуатации. ДИВГ.648228.001 РЭ.
Блок микропроцессорной релейной защиты фидеров контактной сети БМРЗ-ФКС. Руководство по эксплуатации. ДИВГ.648228.026 РЭ.
Устройство цифровой защиты и автоматики фидера контактной сети ЦЗА-27,5-ФКС. Руководство по эксплуатации. 1СР.251.249-02РЭ
Инструктивно-методические указания по расчету защиты фидеров контактной сети переменного тока. Трансэлектропроект.
Испытательная система для релейной защиты реле-томограф. Руководство по эксплуатации. 13092133.001 РЭ.
Дмитриева В.А., Журавель А.И., А.Д. Шишков. Экономика железнодорожного транспорта. – М.: Транспорт, 1996. – 328 с.
Правила устройства системы тягового электроснабжения железных дорог РФ/ МПС РФ, 1997.
Инструкция по технике безопасности при эксплуатации тяговых подстанций, пунктов электропитания и секционирования электрических железных дорог. ЦЭ-402/ МПС РФ. – М.: 1997.