Заземлення: будова, монтаж і обслуговування
Тема: Заземлення. Будова, монтаж і обслуговування
Зміст
Розділ І. Монтаж заземлювальних пристроїв
1.1 Загальні відомості про заземлення
1.2 Монтаж заземлювачів
1.3 Вимоги, що ставляться до заземлення електроустаткування
Розділ ІІ. Правила технічної експлуатації заземлювальних пристроїв електроустановок
Розділ ІІІ. Аналіз небезпеки електричних мереж
Список використаних джерел
Розділ І. Монтаж заземлювальних пристроїв
1.1 Загальні відомості про заземлення
Заземлювальні пристрої (заземлювачі) призначені для захисту персоналу від ураження електричним струмом при появі напруги на частинах апаратів або електроустановки, які звичайно не знаходяться під напругою, а також для забезпечення їх нормальної роботи.
Заземлювальним пристроєм називається сукупність заземлювача і заземлювальних провідників.
Заземлювач — це металевий провідник або група провідників, які знаходяться в безпосередньому контакті з землею.
Заземлювальними провідниками називають металеві провідники, які з'єднують заземлювальні частини електроустановок із заземлювачем.
Заземлювання будь-якої частини електроустановки — це спеціальне електричне з'єднання її з заземлювальним пристроєм.
Опором заземлювального пристрою називається сума опорів, яка складається з опору заземлювача відносно землі і опору заземлювальних провідників.
Напругою відносно землі при замиканні на корпус є напруга між цим корпусом і точками землі, що знаходяться поза зоною розтікання струмів у землі, але не ближче як 20 м.
Замикання на землю — це випадкове електричне з'єднання частин електроустановки, які знаходяться під напругою, безпосередньо з землею або і погодженою конструктивними частинами, не ізольованими від землі.
Струмом замикання на землю називається струм, що проходить через землю в місці замикання. Глухозаземленою нейтраллю називається нейтраль трансформатора або генератора, приєднана до заземлювального пристрою безпосередньо або через малий опір (трансформатори струму тощо).
1.2 Монтаж заземлювачів
Заземлювачі є найвідповідальнішою частиною заземлювальних пристроїв і тому монтувати їх можна лише при наявності затвердженого і погодженого проекту. В заземлювальних пристроях можуть бути використані природні і штучні заземлювачі. Природними заземлювачами називають металеві споруди, що знаходяться в землі, які можуть бути одночасно використані і з метою заземлення. Застосовувати природні заземлювачі краще, оскільки не лише досягається економія металу, а й відпадає необхідність у виконанні значного обсягу земляних і монтажних робіт.
Як природні заземлювачі можуть бути використані водопровідні та інші металеві трубопроводи, прокладені в землі, а також обсадні труби артезіанських свердловин; металеві конструкції, що знаходяться в землі, та арматура залізобетонних конструкцій будинків і споруд, які з'єднані з землею; металеві шпунти гідротехнічних споруд; свинцеві оболонки кабелів, прокладених у землі.
Якщо оболонки кабелів є єдиними заземлювачами, то в розрахунку Заземлювальних пристроїв їх слід враховувати при кількості кабелів не менше двох.
Коли безпосередньо поблизу від електроустановки природних заземлювачів немає, створюють штучні заземлювачі. Штучними заземлювачами називаються спеціально встановлювані в землі металеві конструкції, призначені для приєднання до них заземлювальних провідників.
Як штучні заземлювачі застосовують вертикально або горизонтально занурені в землю сталеві труби, кутову сталь, металеві стержні, сталеві смуги тощо. Найменші розміри сталевих заземлювачів і заземлювальних провідників наведені в табл. 1.
Таблиця 1. Найменші розміри сталевих заземлювачів і заземлювальних провідників
|
Параметр |
У будинках |
У зовнішніх установках |
У землі |
|
Діаметр круглих провідників, мм |
5 |
6 |
6 |
|
Товщина смуг кутової сталі, мм |
2 |
2,5 |
4 |
|
Переріз прямокутних провідників, мм2 |
24 |
48 |
48 |
|
Товщина прямокутних провідників, мм |
3 |
4 |
4 |
|
Товщина стінок сталевих труб, мм |
2,5 |
2,5 |
3,5 |
|
Товщина стінок сталевих тонкостінних труб, мм |
1,5 |
Не допускаються |
У ґрунтах, де є небезпека посиленої корозії металу, слід застосовувати оцинковані або оміднені заземлювачі.
Розташовані в землі заземлювачі та заземлювальні провідники не повинні бути пофарбовані.
Як заземлювачі найчастіше використовують відрізки труб або кутової сталі завдовжки 2,5-3 м, оскільки при такій їх довжині зменшується вплив промерзання ґрунту. Під час вибору заземлювача перевагу слід віддавати кутовій сталі, оскільки опір розтіканню струму такого заземлювача буде меншим за опір однакового за масою заземлювача з труби.
Електроди заземлювача розташовують так, щоб їх верхні кінці були нижче від рівня землі на 0,5—0,7 м. Це дає змогу знизити опір розтіканню заземлювачів, а також зменшити коливання опору заземлювачів, пов'язані із змінами зовнішньої температури. Для встановлення заземлювачів попередньо риють траншею завглибшки 0,7 м і завширшки в основі 0,5—0,6 м, після чого заземлювачі забивають або за допомогою механізмів занурюють у ґрунт.
Проте найефективнішим способом є вкручування круглих сталевих стержнів у ґрунт за допомогою електросвердел або спеціальних механізмів. У разі використання електросвердла заздалегідь підготовлені стержні 15—18 мм загострюють з одного кінця, а потім на нього, відступивши по 50 мм, надягають і приварюють розрізану по радіусу і розтягнуту в спіраль шайбу («забурник»), в результаті чого цей кінець стержня набуває вигляду, подібного до бурава.
Заготовлення і наварювання розрізних шайб на стержні здійснюють завчасно в майстернях, де є зварювальний апарат. Стержень вкручують у ґрунт електросвердлом, оснащеним редуктором (рис. 1.1, а), для цього його вставляють у порожнистий шпиндель і затискують у трикулачковому патроні на відстані 1,5 м від кінця, який занурюють у ґрунт. При вмиканні електросвердла стержень обертається і вкручується в ґрунт. Після заглиблення стержня електросвердло вимикають, кулачки патрона розтискують, увесь механізм підіймають по стержню на висоту до 1,5 м від рівня землі і закріплюють у кулачках патрона, потім операцію повторюють доти, доки стержень не буде занурений на необхідну глибину. Взимку, особливо при глибокому промерзанні ґрунту, потужність електросвердла може виявитися недостатньою для вкручування стержнів у землю. В цьому випадку попередньо прогрівають ґрунт або свердлять у ґрунті отвори спіральним свердлом відповідного діаметра на глибину 0,5—0,8 м, потім вкручують стержень.

Рис. 1.1. Занурення стержня в ґрунт методом вкручування
а - електросвердлом; б - заглиблювачем ЗЕ-1; 1 — шпиндель; 2 — електросвердло; 3 — редуктор; 4 — трикулачковий патрон; 5 — стержень; 6 - штанга; 7 - електродвигун
Вкручування в ґрунт заземлювачів із сталевих стержнів на глибину понад Змів сильно промерзлий та щільний ґрунт здійснюють механізованим інструментом — заглиблювачем, який виключає застосування фізично важких і трудомістких операцій. Заглиблювач електродів заземлювачів ЗЕ-1 (рис. 1.1, б) складається з порожнистого шпинделя із закріпленим на ньому трикулачковим патроном і зварної рами з колесами, вісь яких має трубчастий переріз і під час роботи над траншеєю може розсуватися на необхідну ширину. Привід шпинделя здійснюється від електродвигуна 7 типу АОЛ-2-21-4 потужністю 1,7 кВт через пару циліндричних прямозубих шестерень. Механізм з приводом переміщується по вертикальних штангах 6 рами. Робочий хід (донизу) відбувається за рахунок маси механізму заглиблення і механізму самопіднімання. Холостий хід (вверх) здійснюється за допомогою лебідки, яка має привід від шпинделя, що обертається, через конічну пару. Під час занурення в ґрунт електрод із загостреним кінцем і привареним до нього забурником заводять у шпиндель а потім вмикають електродвигун, і механізм вкручування підіймається у верхнє положення. Далі електрод затискується в патроні, знову вмикається електродвигун, і електрод занурюється в ґрунт на величину ходу рухомої частини. Потім електродвигун вимикається, електрод звільняється в патроні, і процес повторюється знову стільки разів, скільки необхідно для досягнення електродом необхідної глибини. Заглиблювач зручний у поводженні, конструктивно простий і характеризується високою продуктивністю: електрод завдовжки 5 м за допомогою заглиблювача може бути занурений у мерзлий ґрунт протягом 12 хв, а в розталий ґрунт — за 4 хв. Габарити заглиблювача: ширина (з колесами) — 800... 1200 мм; довжина — 900 мм; висота — 2400 мм; маса — 80 кг.
Для забивання електродів з кутової сталі в щільний ґрунт влітку і в промерзлий ґрунт взимку застосовують електричний безконтактний привід однофазного струму ударно-поступальної дії. Задавальним і виконавчим органом безконтактного приводу є соленоїд з осердям, яке вільно переміщується в ньому. Соленоїд і осердя відіграють роль перетворювача електричної енергії на механічну. Осердя виконує функцію молотка і робить 160—180 ударів на хвилину. Безконтактні приводи типу БП, що випускаються, виготовляють таких виконань: БП-400 — з ходом осердя 400 мм і потужністю електродвигуна 0,8 кВт, який забиває електрод з кута розміром 50X50X5 мм за 2—4 хв влітку і за 8—10 хв взимку; БП-500 — з ходом осердя 500 мм і потужністю електродвигуна 1 кВт, який забиває електрод з кута розміром 50X50X5 мм за 1,5—3 хв влітку і за 5—7 хв взимку.
Якщо механізмів немає і кількість встановлюваних електродів з круглих стержнів або кутової сталі незначна, їх забивають у землю кувалдою. Для того щоб під час забивання верхній кінець електрода не розплющувався, на ньому встановлюють сталеву надставку, а нижній кінець перед забиванням загострюють. Електроди забивають (вкручують) у траншеї так, щоб їх верхня частина виступала над дном траншеї на 150—200 мм для приєднання до неї сталевої з'єднувальної смуги. Як з'єднувальні смуги (смуги зв'язку) застосовують сталевий круглий дріт (катанку) діаметром не менш як 6 мм або прямокутну сталеву смугу завтовшки не менш як 4 мм і перерізом не нижче 48 мм. З'єднувальну смугу або магістраль заземлення приєднують до електродів заземлювача з відступом від верхньої кромки електрода на 50—60 мм.

Рис. 1.2. З'єднування зварюванням смуг зв'язку заземлення
а — з вертикальним трубчастим заземлювачем; б — з вертикальним заземлювачем з круглої сталі; в — з вертикальним заземлювачем з кутової сталі; г — плоских і круглих смуг одна з одною; 1 — смуга зв'язку; 2 — накладка; 3 — електрод з труби; 4 — електрод із сталевого стержня; 5 — електрод з кутової сталі
Приєднування заземлювальних магістралей до природних ї штучних заземлювачів, а також смуг зв'язку до заземлювачів з труб і стержнів повинно виконуватися зварюванням (рис. 1.2, а, б, в). Смуги зв'язку і магістралі заземлення зварюють внапуск, довжина якого повинна становити не менше: подвійної ширини смуги — при прямокутних проводах; шести діаметрів — при круглих проводах (рис. 1.2, г). Зварний шов накладають у два шари з усіх боків з'єднання. Міцність зварювання перевіряють кількома сильними ударами молотка масою 1,5—2 кг по зварних швах.
Місце введення заземлювальної магістралі в будинок має бути позначене розпізнавальним знаком у вигляді круга 20 см із вписаною в ньому літерою З, які наносять стійкою фарбою на стіні будинку на висоті 150—180 см. У разі відкритого прокладання вводу заземлювальної магістралі в приміщення він повинен бути вміщений у сталеву трубу для захисту від механічних пошкоджень. Встановлення електродів заземлювача і прокладання заземлювальних провідників у землі оформляють актом на сховані роботи. Місця встановлення заземлювачів і трасу прокладеного в землі заземлювального провідника, з'єднаного із заземлювачем, наносять на план і зазначають відстань від них до постійних орієнтирів.
1.3 Вимоги, що ставляться до заземлення електроустаткування
Апарати і конструкції електроустановок повинні надійно приєднуватися до заземлювальної магістралі або безпосередньо до заземлювача.
Для болтового приєднання до корпусу апарата або металоконструкції на кінці сталевого заземлювального провідника прямокутного перерізу свердлять отвір діаметром на 1 мм більшим за діаметр заземлювального болта.. Якщо ж приєднуваний заземлювальний провідник має круглий переріз, то до його кінця приварюють кусок плоскої шини з отвором відповідного діаметра. Місця болтових приєднань заземлювальних провідників до корпусів апаратів і заземлювальних металевих конструкцій мають бути добре захищені і вкриті технічним вазеліном для захисту їх контактних поверхонь від корозії і внаслідок цього погіршення контакту між ними. Контактні поверхні болтових з'єднань заземлювальних провідників з корпусами апаратів і заземлювальними металевими конструкціями, які знаходяться в сирих приміщеннях та у відкритих електроустановках, рекомендується вкривати антикорозійним мастилом марки АМС.
Приєднання заземлювальних провідників до заземлюваних конструкцій здійснюють зварюванням, а до корпусів апаратів, машин тощо — зварюванням або надійними болтовими з'єднаннями. За наявності струсів або вібрацій слід вжити заходів проти послаблення контакту в болтовому з'єднанні і, зокрема, застосовувати контргайки або контруючі шайби.
Заземлення устаткування, встановленого на рухомих частинах, виконують за допомогою гнучких провідників. Кожний заземлювальний елемент установки має бути приєднаний до заземлювача або до заземлювальної магістралі за допомогою окремого відгалуження провідника. Не можна послідовно вмикати в заземлювальний провідник кілька заземлюваних частин установки. Відгалуження до однофазних електроприймачів для їх заземлення слід здійснювати окремим (третім) проводом. Використовувати з цією метою нульовий (робочий) провід забороняється.
Під час монтажу заземлювальних пристроїв як заземлювальні провідники можуть бути використані нульові провідники трифазної мережі: металеві конструкції будівель (ферми, колони) та конструкції виробничого призначення (каркаси розподільних пристроїв, підкранові шляхи тощо); сталеві труби електропроводок і алюмінієві оболонки кабелів; металеві стаціонарно відкрито прокладені трубопроводи всіх призначень, крім трубопроводів паливних і вибухонебезпечних сумішей, каналізації та центрального опалення. У всіх випадках ці провідники мають бути надійно з'єднані із заземлювальним пристроєм або з нульовим проводом у приміщеннях, де застосовується заземлення. Зазначені провідники або частини їх можуть бути єдиними заземлювальними провідниками, якщо вони за провідністю задовольняють вимогам ПОЕ.
Використовувати як заземлювальні провідники металеві оболонки трубчастих проводів, металеві оболонки ізоляційних трубок, а також свинцеві оболонки проводів групової розподільної освітлювальної мережі забороняється. У приміщеннях, де необхідно застосовувати заземлення, ці оболонки повинні бути заземлені і мати надійні з'єднання по всій довжині, з'єднувальні муфти і коробки приєднують до металевих оболонок обов'язково паянням або болтовими з'єднаннями.
Сталеві заземлювальні провідники повинні бути прокладені відкрито. Ця вимога не стосується нульових жил і металевих оболонок кабелів, трубопроводів схованої електропроводки, металоконструкцій, які знаходяться в землі, а також провідників заземлення, прокладених у трубах. Перерізи заземлювальних провідників повинні мати значення не менші від наведених у табл. 1.
Заземлювальні провідники, відкрито прокладені в приміщеннях, повинні бути доступними для огляду. В сухих приміщеннях, які не містять їдких парів і газів, заземлювальні провідники допускається прокладати безпосередньо по стінах. У сирих і особливо сирих приміщеннях та в приміщеннях з їдкою парою заземлювальні провідники прокладають на відстані від стін не менш ніж 10 мм.
Заземлювальні провідники мають бути захищені від впливу на них хімічних речовин, які містяться в навколишньому середовищі. У приміщеннях з хімічно активним середовищем для захисту заземлювальних провідників їх фарбують двома шарами хімічно стійкої емалевої фарби.
У місцях перетину заземлювальних провідників з кабелями і різними трубопроводами, а також у місцях, де можливий механічний вплив на заземлювальні провідники, останні слід розміщувати у відрізках сталевих труб або захищати кутовою сталлю.
Заземлювальні провідники прокладають через стіни у відкритих прорізах, трубах або в інших жорстких обрамленнях,
Нульові проводи електропроводок і повітряних ліній з'єднують тими самими методами, що й фазні проводи, тобто термічним зварюванням, паянням, опресовуванням тощо.
У приміщеннях сирих і з їдкими парою чи газами всі з'єднання виконують зварюванням; якщо зварювання не можна здійснити, допускаються болтові з'єднання, при цьому контактні частини повинні мати захисні антикорозійні покриття.
Під час обладнання заземлення необхідно забезпечити надійність контактів у з'єднаннях і безперервність електричного кола по всій його довжині.
З'єднування послідовно розташованих ділянок металевих конструкцій слід здійснювати зварюванням за допомогою сталевих шин перерізом не менш як 100 мм2; в електроустановках напругою до 1000 В із заземленою нейтраллю ці конструкції можуть бути з'єднані провідниками тих самих перерізів, які слід застосовувати для заземлювальних провідників на даній ділянці.
У разі прокладання проводів у сталевих трубах і використання цих труб як заземлювальних провідників мають бути виконані надійні металеві з'єднання труб одна з одною і з корпусами електроустаткування, в які вони вводяться.
Заземлювальні провідники з'єднують із протяжними заземлювачами (наприклад, трубопроводами) поблизу від вводів у будинок за допомогою зварювання. Якщо не можна застосувати зварювання, то накладають хомути, контактна поверхня яких має бути облуджена. Труби в місцях накладання хомутів повинні бути ретельно (до металевого блиску) зачищені. Місця і способи приєднання заземлювальних провідників вибирають так, щоб при роз'єднуванні трубопроводів для ремонтних робіт були забезпечені безперервність електричного кола та нормований опір заземлювального пристрою. Водоміри і засувки повинні мати обхідні з'єднання.
Заземлювальні провідники прокладають по будівельних елементах будинків і кріплять на опорних конструкціях (рис. 1.3, а, б, в, г). Опорні конструкції встановлюють на прямих ділянках на відстані 500—900 мм одна від одної. У разі прокладання заземлювальних провідників паралельно підлозі опорні конструкції кріплять на висоті 400—600 мм від її рівня. У місцях повороту опорні конструкції розташовують на відстані 100 мм до і після повороту, рахуючи від вершини кута, утворюваного заземлювальним провідником. Прохід заземлювальних провідників через перекриття виконують у відрізках сталевих труб, які виступають з обох боків перекриття на 30—40 мм.

Рис. 1.3. Способи кріплення сталевих заземлювальних провідників до опорних конструкцій
а — смужки за допомогою обойми; б — смужки з обтискною обоймою; в — смужки приварюванням, г — круглого прутка приварюванням, 1 — стояк, 2 — обойма, 3 — заземлювальний провідник, 4 — зварний шов
У разі перетинання заземлювальним провідником температурних або осадових швів будинку в місцях перетинів слід встановлювати компенсатори у вигляді ліроподібно зігнутої ділянки заземлювального провідника. Як компенсатори можна застосовувати гнучкі перемички із сталевого троса 12—15 мм. Гнучку перемичку згинають ліроподібно і кінці її приварюють по обидва боки від шва до заземлювального провідника. На ділянці переходу гнучкої перемички через температурний шов заземлювальний провідник розрізають і утворені кінці провідника розводять на відстань 8—10 мм.
Монтаж заземлювальних пристроїв пов'язаний з діркопробивними роботами і з необхідністю обладнання колодязів у будівельних елементах. Подібні роботи виконувати вручну із застосуванням шлямбура, зубила, скарпеля і кувалди недопустимо, оскільки при цьому порушуватиметься міцність будівельних елементів внаслідок появи в них тріщин. Діркопробивні та аналогічні роботи слід виконувати електрифікованими механізмами.
Для свердління в цегляній стіні отворів діаметром до 60 мм і завглибшки до 70 мм рекомендується застосовувати механічний шлямбур, який складається з порожнистої штанги з хвостовиком і шлямбурної коронки. Коронка є змінною деталлю і з'єднується із штангою за допомогою нарізки. Штангу з'єднують із шпинделем електропривода (електросвердла І-28, І-29 тощо) за допомогою перехідного хвостовика з конусом.
Для пробивання в бетоні гнізд і отворів діаметром до 30 мм, завглибшки до 300 мм рекомендується застосовувати електромолоток ударно-поворотної дії типу С-494, оснащений шлямбуром з наплавками з твердого сплаву ВК9 або ВК15 і пилососом для відсмоктування бурового дрібняку (рис. 1.4.).
Під час прокладання заземлювальних провідників механізуються і роботи із згинання шин. Для згинання прямокутних сталевих шин використовують шинозгинальні верстати, зокрема універсальний шинотрубозгинач УШТМ-2, на якому можна гнути шини розміром до 100х10 мм. Відповідна перестановка роликів і заміна згинального сектора дають змогу перейти від згинання шин до згинання труб.
Приєднання та відгалуження плоских і круглих заземлювальних провідників здійснюють зварюванням (рис. 1.5, а, б, в, г).
Відкрито прокладені заземлювальні провідники фарбують у чорний колір. Правилами обладнання електроустановок допускається відкрито прокладені заземлювальні провідники фарбувати в інші кольори (під колір стін, панелей тощо), однак при цьому в місцях приєднання і відгалуження на них мають бути нанесені на відстані 150 мм одна від одної не менше ніж дві смуги чорного кольору завширшки 10 мм.
Випробування заземлювальних пристроїв здійснюють під час приймання заново змонтованого заземлювального пристрою і періодично в процесі його експлуатації.
Відповідно до вимог ПОЕ у заново змонтованих заземлювальних пристроях під час приймання перевіряють:


Рве. 1.4. Електромолоток, обладнаний пилососом, для пробивання отворів під опорні конструкції шин заземлення 1 — електромолоток С-494; 2 — штуцер для приєднування до пилососа, 3 — пилосос
стан елементів заземлювального пристрою, які знаходяться в землі, вибірковим оглядом їх із розкриттям ґрунту, інших елементів — у межах доступності огляду;
наявність кола між заземлювачами і заземлювальними елементами (не повинно бути обривів і незадовільних контактів у заземлювальних провідниках, які з'єднують апарати з контуром заземлення);
стан пробивних запобіжників в установках напругою до 1000 В (пробивні запобіжники мають бути справними і відповідати номінальній напрузі установки);
повний опір петлі «фаза — нуль» в установках напругою до 1000 В з глухим заземленням нейтралі (опір повинен бути таким, щоб під час замикання між фазами і заземлювальними провідниками виникав струм короткого замикання, який відповідає вимогам щодо кратності струму номінальному струму плавкої вставки або автомата; перевірка повинна бути виконана для найвіддаленіших, а також найпотужніших електроприймачів, але не менш ніж для 10 % їх загальної кількості);
відповідність опору заземлювальних пристроїв нормам;
відповідність перерізу заземлювальних провідників проекту і вимогам ПОЕ.

Рис. 1.5. Заземлення електроприймача в мережі трансформатора при напрузі до 1000 В

Рис. 1.6. Заземлення трансформатора

Рис. 1.7. Схема заземлення електроустановки напругою до 1000 В в мережі з ізольованою нейтраллю

Рис. 1.8. Схема заземлення електроустановки напругою до 1000 В в мережі із заземленою нейтраллю

Рис. 1.9. Заземлення електрозварювального трансформатора

Рис. 1.10. Заземлення башенного крана

Рис. 1.11. Схема заземлювального пристрою підстанції

Рис. 1.12. Будова вертикальних заземлювачів

Рис. 1.13. Заземлення з виносними заземлювачами
Розділ ІІ. Правила технічної експлуатації заземлювальних пристроїв електроустановок
Заземлювальні пристрої електроустановок повинні відповідати вимогам забезпечення захисту людей від ураження електричним струмом, захисту електроустановок, а також забезпечення експлуатаційних режимів роботи.
Усі металеві частини електроустановок та електрообладнання, на яких може виникнути напруга внаслідок порушення ізоляції, повинні бути заземлені або занулені відповідно до вимог ПУЗ.
Під час здавання в експлуатацію заземлювальних пристроїв електроустановок монтажною організацією повинні бути надані:
затверджена проектно-технічна документація на заземлювальні пристрої;
виконавчі схеми заземлювальних пристроїв;
основні параметри елементів заземлювальних пристроїв (матеріал, профіль, лінійні розміри);
акти на виконання прихованих робіт;
протоколи приймально-здавальних випробувань.
Для визначення технічного стану заземлювального пристрою періодично здійснюються:
зовнішній огляд видимої частини заземлювального пристрою,
огляд з перевіркою кола між заземлювачем і заземлювальними елементами (відсутність обривів і незадовільних контактів у заземлювальному провіднику, надійність з'єднань природних заземлювачів);
вимірювання опору заземлювального пристрою;
вибіркове розкриття ґрунту для огляду елементів заземлювального пристрою, що розміщені у землі;
вимірювання питомого опору ґрунту для опор ліній електропередавання напругою понад 1000 В;
вимірювання напруги дотику в електроустановках, заземлювальний пристрій яких виконано за нормами на напругу дотику;
перевірка пробивних запобіжників в електроустановках до 1000 В з ізольованою нейтраллю;
-вимірювання повного опору петлі "фаза-нуль" або струму однофазного замикання на корпус, або на нульовий провідник в електроустановках до 1000 В з глухозаземленою нейтраллю.
За необхідності повинні вживатись заходи для доведення параметрів заземлювальних пристроїв до нормативних.
Випробування та вимірювання заземлювальних пристроїв проводиться відповідно до табл. 25 додатка 1.
На кожен заземлювальний пристрій, що є в експлуатації, повинен бути паспорт, який містить:
дату введення в експлуатацію;
виконавчу схему заземлення;
основні технічні характеристики;
дані про результати перевірок стану пристрою;
відомість оглядів і виявлених дефектів;
характер ремонтів і змін, унесених у цей пристрій.
Візуальний огляд видимої частини заземлювального пристрою повинен проводитись за графіком огляду електрообладнання, установленим особою, відповідальною за електрогосподарство.
Огляди заземлювачів з вибірковим розкриттям ґрунту в місцях найбільшого впливу корозії, повинні проводитись згідно з графіками, затвердженими особою, відповідальною за електрогосподарство, але не рідше ніж один раз на 12 років.
Для заземлювачів, що піддаються інтенсивній корозії, за рішенням особи, відповідальної за електрогосподарство, може бути встановлена частіша періодичність вибіркового розкриття ґрунту.
Про результати огляду, виявлені несправності і вжиті заходи з їх усунення необхідно зробити відповідні записи до оперативного журналу та паспорта заземлювального пристрою.
Вибіркова перевірка з розкриттям ґрунту повинна проводитись:
на підстанціях поблизу нейтралей силових трансформаторів і автотрансформаторів, короткозамикачів, шунтувальних реакторів, заземлювальних уводів дугогасильних реакторів, розрядників, обмежувачів перенапруг;
на ПЛ - у 2 % опор із заземлювачами.
Вимірювання опору заземлювальних пристроїв необхідно здійснювати:
після монтажу, переобладнання і капітального ремонту цих пристроїв;
у разі виявлення на тросових опорах ПЛ напругою 110 - 150 кВ слідів перекриття або руйнування ізоляторів електричною дугою;
на підстанціях повітряних електричних мереж напругою 35 кВ і менше - не рідше ніж один раз на 12 років;
у мережах напругою 35 кВ і менше біля опор з роз'єднувачами, захисними проміжками, розрядниками і опор з повторними заземленнями нульового проводу - не рідше ніж один раз на шість років, а також вибірково у 2 % залізобетонних і металевих опор у населеній місцевості, на ділянках із найагресивнішими ґрунтами - не рідше ніж один раз на 12 років.
Вимірювання слід виконувати в періоди найбільшого висихання ґрунту.
Вимірювання напруги дотику має здійснюватись після монтажу, переобладнання і капітального ремонту заземлювального пристрою, але не рідше ніж один раз у шість років. Крім того, на підприємстві щорічно повинно проводитись: уточнення струму однофазного КЗ, що стікає в землю із заземлювача електроустановки; корегування значень напруги дотику, порівняння їх з вимогами ПУЕ. У разі потреби повинні вживатися заходи щодо зниження напруги дотику.
Величина опору заземлювальних пристроїв повинна підтримуватися на рівні, визначеному вимогами ПУЗ.
Захист від перенапруг
Вимоги цього підрозділу поширюються на пристрої захисту від перенапруг електроустановок змінного струму напругою до 150 кВ.
Пристрої захисту від перенапруг повинні задовольняти вимоги ПУЗ та РД 34.21.122-87.
Умови праці при експлуатації пристроїв захисту від перенапруг та використання засобів індивідуального захисту повинні здійснюватись відповідно до вимог ДНАОП 0.00-1.21-98, ДНАОП 1.1.10-1.07-01 та цих Правил.
Залежно від важливості будівлі і споруди вони забезпечуються відповідними пристроями захисту від блискавки.
Захист від прямих ударів блискавки може бути виконаний стрижневими або тросовими блискавковідводами.
До пристроїв захисту від блискавки належить також металева покрівля або сітка, що накладається на неметалеву покрівлю, з приєднанням її до заземлювачів.
Споживач, що має окремо встановлені блискавковідводи або такі, що використовуються для грозозахисту (димові труби, споруди тощо), повинен мати окреслення захисних зон цих блискавковідводів.
У разі реконструкції та будівництва зону захисту необхідно уточнювати.
Для введення в експлуатацію пристроїв грозозахисту підприємству повинна бути передана така технічна документація:
технічний паспорт пристроїв захисту від блискавки, затверджений відповідними організаціями й узгоджений з електропередавальною організацією та інспекцією протипожежної охорони;
акт випробовування вентильних розрядників та обмежувачів перенапруг до і після їх монтажу;
акт на встановлення трубчастих розрядників;
-протоколи вимірювання опорів заземлення грозозахисних пристроїв (розрядників, обмежувачів перенапруг і блискавковідводів).
Споживач, що експлуатує засоби грозозахисту, повинен мати такі систематизовані дані:
про розташування обмежувачів перенапруг, вентильних і трубчастих розрядників та захисних проміжків (типи розрядників, обмежувачів перенапруг, відстані по ошиновці від вентильних розрядників і обмежувачів перенапруг до силових трансформаторів, трансформаторів напруги, ізоляторів лінійних роз'єднувачів), а також про відстань від трубчастих розрядників до лінійних роз'єднувачів і вентильних розрядників;
значення опорів заземлювачів опор, на яких установлено засоби грозозахисту, включаючи і троси;
питомий опір ґрунту на підходах лінії електропередачі до підстанцій;
про перетин ліній електропередачі з іншими лініями електропередачі, зв'язку й автоблокування залізниць, відгалуження від ПЛ, лінійні кабельні вставки та інші місця з ослабленою ізоляцією.
На кожну ЗРУ повинні бути складені контури зон захисту блискавковідводів, прожекторних щогл, металевих і залізобетонних конструкцій, у зони яких попадають відкриті струмовідні частини.
Підвіска проводів ПЛ напругою до 1000 В будь-якого призначення (освітлювальних, телефонних, високочастотних тощо) на конструкціях ВРУ, окремо встановлених стрижневих блискавковідводах, прожекторних щоглах, димових трубах і градирнях, а також підведення цих ліній до вибухонебезпечних приміщень забороняються.
Указані лінії необхідно виконувати кабелями з металевою оболонкою або кабелями без оболонки, прокладеними в металевих трубах у землі. Металеві оболонки кабелів і металеві труби повинні бути заземлені.
Підведення ліній до вибухонебезпечних приміщень повинно бути виконане згідно з вимогами чинної інструкції з улаштування грозозахисту будинків і споруд.
Щорічно перед початком грозового сезону необхідно перевіряти стан захисту від перенапруг РУ і ліній електропередачі та забезпечувати готовність засобів захисту від грозових і внутрішніх перенапруг.
Споживачі повинні реєструвати випадки грозових вимкнень і пошкоджень ПЛ, обладнання РУ і трансформаторних підстанцій. На підставі отриманих даних необхідно оцінювати надійність грозозахисту і розробляти, за потреби, заходи щодо підвищення його надійності.
Вентильні розрядники та обмежувачі перенапруг усіх класів напруги повинні бути постійно ввімкненими.
У ВРУ допускається вимкнення на зимовий період (чи окремі його місяці) вентильних розрядників, призначених лише для захисту від грозових перенапруг у районах з ураганним вітром, ожеледдю, різкими коливаннями температури та інтенсивним забрудненням. Можливість вимкнення вентильних розрядників в автотрансформаторів узгоджується із заводом-виробником.
Трубчасті розрядники і захисні проміжки на ПЛ усіх класів напруги допускається залишати на зимовий період без збільшення іскрових проміжків.
Розділ ІІІ. Аналіз небезпеки електричних мереж
Під час проведення аналізу небезпеки електричних мереж визначають значення струму, який протікає через тіло людини в різних умовах при дотику її до струмопровідних частин.
Виникнення електротравм внаслідок дії електричного струму може бути зумовлене схемою дотику.
При одночасному дотику до двох полюсів постійного струму або до фази і нуля змінного струму (рис. 3.1) людина опиниться під напругою мережі. Струм пройде через неї (петля рука — рука).
При фазній напрузі 220 В дотик небезпечний для життя людини.

Рис. 3.1
При одночасному дотику до двох фаз людина опиниться під лінійною
напругою, у цьому випадку напруга буде 380В, і струм враження буде 380 мА.
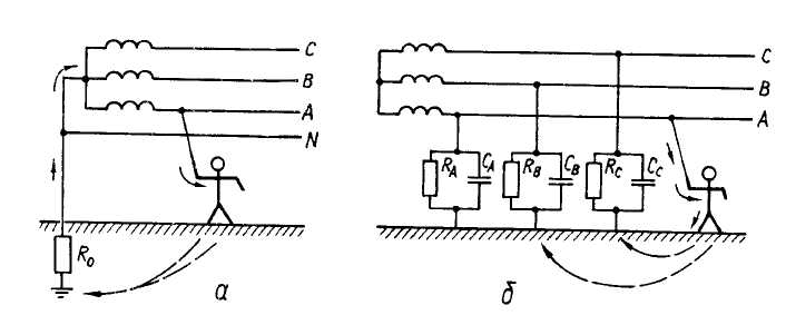
Якщо людина стоїть на землі, доторкається до однієї фази в мережі з глухозаземленою нейтраллю (рис. 3.2, а), струм, проходячи через її тіло, замкнеться по колу: фаза А — тіло людини (R>люд> - підлога (або ґрунт) — заземлювач нейтралі — нейтраль. Отже, людина, доторкаючись до фази, з'єднує її з землею і буде перебувати під струмом замикання на землю.

Рис. 3.2. Однофазне доторкання людини до струмопровідних частин: а — глухозаземлена нейтраль; б — ізольована нейтраль.
Опір заземлення значно менший, ніж опір людини. Отже, в електричних мережах із заземленою нейтраллю при однофазному дотику через людину пройде струм, що є аналогічним одночасному дотику до фази і нуля.
В електричних мережах з ізольованою нейтраллю нейтраль ізольована від землі. Опір ізоляції кожної фази має активну і ємнісну складову (рис.3.2, б), і тому аналіз небезпечностей цих мереж є складним.
Активний опір ізоляції фаз R>A>, R>B>, R>c> характеризує здатність матеріалу ізоляції пропускати струм. Цей опір залежить від товщини, матерісхпу і строку експлуатації ізоляції. Так, при старінні або зволоженні ізоляції її питомий електричний опір зменшується. Тому на кожній ділянці довжини проводу ізоляція має відповідний активний опір. Проводи фаз і земля є ніби пластинами великого конденсатора. Тому ємність фази відносно землі буде визначатися відповідно до ємностей С>А>, С>в>, С>с>. Вони залежать від довжини проводів, діелектричної проникності ізоляції та її товщини. Для повітряної лінії ємність залежить ще й від висоти підвішування проводів відносно землі.
При дотику людини до струмопровідної частини в електричній мережі з ізольованою нейтраллю (рис. 3.2, б) струм буде проходити через тіло людини — підлогу (ґрунт) — ізоляцію фаз. Якщо людина доторкається, наприклад, до фази А, то її опір буде послідовно ввімкненим з опором фаз В і С. Звідси випливає, що величина струму, яка пройде через людину, буде визначатися не тільки опором людини, а й опором ізоляції.



У
мережах з ізольованою нейтраллю, які
не мають пошкоджень ізоляції і мають
великий опір та малу ємність ізоляції,
опір фаз,і значно більший від опору
людини. Це означає, що торкання людиною
однофазової мережі з ізольованою
нейтраллю не загрожує її життю. Але
більшість мереж мають значну ємність
(С > 0,1 мкФ на фазу), а в розгалужувальних
мережах з великим числом споживачів
опір ізоляції може бути меншим за опір
людини, а ємність має велике значення.
Відповідно струм, який пройде через
тіло людини, буде визначатися тільки
її опором і ізоляція фаз практично не
впливатиме на його величину. Якщо людина
доторкнеться до фази, наприклад, в мережі
напругою 380 В, то струм враження буде
визначатися фазною напругою 220 В та
опором людини 1 000 Ом і досягне небезпечного
значення для її життя 0,22 А.
Список використаних джерел
Атабеков В. Б. Ремонт электрооборудования промышленных предприятий: Учебник для сред, проф.-техн. училищ. — 4-е изд., перераб. и доп. — М.: Высш. школа, 1979. — 256 с, ил. — (Профтехобразование. Энергетика).
Бондар В. М., Гаврилюк В. А., Духовний А. X. та ін. Практична електротехніка для робітничих професій: Пі-друч. для учнів проф.-навч. закладів з різноманіт. галузей пром.-сті та побут, обслуг.— К.: Веселка, 1997. — 191 с.
Егоров Г. П. и Коварский А. И.ЕЗО Устройство, монтаж, эксплуатация и ремонт промышленных электроустановок. Изд. 3-е, перераб. Учебник для профес.-технич. учебных заведений и подг. рабочих на произв. М., «Высшая школа», 1972 (I кв.) 352 с. с илл.
Кокорев А.С. Злектрослесарь по ремонту злектрических машин: Учеб. для СПТУ.
Фещенко В. Н., Махмутов Р. X.Токарная обработка: Учеб. для ПТУ.— 2-е изд., перераб. и доп.—М.: Высш. шк., 1990.—303 с: ил.