Изучение конструкций реле, применение в схемах релейной защиты
Практическая работа №10
Изучение конструкций реле, применение в схемах релейной защиты
Цель работы: Ознакомиться с конструкциями реле и применением их в схемах релейной защиты.
Ход работы:
Релейной защитой называется специальные устройства (реле, контакторы, автоматы и т.д.) обеспечивающие автоматическое отключение повреждённой части установки или приводит в действии сигнализацию.
Реле называется аппараты, замыкающие или размыкающие электрические сети, или механически воздействуют на выключатели при заданном значении величин напряжения, на которые они реагируют.
Указательное реле РУ – 21
Указательные реле (рис. 1) используются в схемах РЗ и автоматики в качестве указателей срабатывания этих устройств. Устройство реле РУ-21, широко распространенного в настоящее время, состоит из электромагнита с обмоткой 1. Когда по обмотке проходит ток, якорь 2 притягивается, освобождая флажок (блинкер) 3. Флажок падает под действием собственного веса и занимает положение, при котором oн виден через смотровое окно 4. Возврат флажка в исходное положение производится нажатием на кнопку 5.
Тепловые реле применяются для защиты от перегрузок в сетях напряжением до 1 кВ. Такие реле входят в конструкцию магнитных пускателей.
Рассмотрим реле с использованием полупроводниковых приборов (диодов и транзисторов). Эти реле обладают малым временем возврата и малыми погрешностями по току срабатывания, относятся к бесконтактным аппаратам, в которых используются усилительные свойства транзисторов. Принцип действия полупроводниковых реле сводится, как правило, к скачкообразному изменению тока в электрической цепи при воздействии на него, управляющего сигнала. К недостаткам таких реле следует отнести: наличие небольшого тока в цепи нагрузки в положении «выключено», в связи, с чем бесконтактные реле не могут быть использованы для полного разрыва цепи; большие разбросы характеристик, зависимость от температуры, нелинейность сопротивлений.

Рисунок 1 – Указательное реле РУ – 21
Промежуточное реле РП – 341
Промежуточные реле (рис. 2), как правило, выполняются на электромагнитном принципе и предназначены для увеличения числа контактов основного реле, когда при его срабатывании требуется замкнуть и разомкнуть несколько цепей. Кроме того, промежуточные реле имеют значительно более мощные контакты по сравнению с контактами основного реле. Поэтому, если необходимо замыкание

Рисунок 2 – Промежуточное реле РП – 341
или размыкание цепей такой мощности, на которую контакты основного реле не рассчитаны, то они сначала замыкают цепь катушки промежуточного реле, которое своими контактами замыкает соответствующие цепи основного реле. При прохождении тока по катушке 1, превышающего ток нормального режима, срабатывает якорь 3 магнитной системы 2. С помощью рычага 6 замыкаются контакты 4 и 5.
Реле прямого действия ЭТ – 520
Рассмотрим принцип действия и конструкции различных типов реле, применяемых в схемах РЗ. На рис. 3 показана конструкция электромагнитного реле серии ЭТ-520 мгновенного срабатывания. Ток срабатывания реле регулируется натяжением спиральной пружины 4 с помощью рычага 7. Обмотка 1, расположенная на сердечнике 2, состоит из двух секций, что позволяет последовательным или параллельным включением секций изменять пределы регулирования тока срабатывания четырьмя ступенями. Якорь 3 поворачивается и контактный мостик 5 замыкает неподвижные контакты 6, чем обеспечивается подача отключающего импульса на выключатель. У ставка реле устанавливается на шкале 8.

Рисунок 3 – Токовое реле ЭТ – 520.
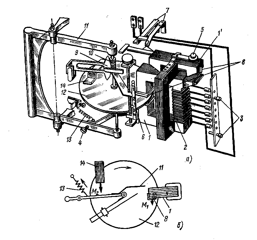
Реле тока РТ – 80
По принципу действия данное реле является комбинированным, состоящим из индуктивного и электромагнитного элементов. При перегрузках, когда величина тока в обмотке реле меньше тока срабатывания электромагнитного элемента, отключение происходит с выдержкой времени за счёт индукционного элемента, а при токах в обмотке реле, превышающих ток срабатывания индукционного элемента, срабатывает электромагнитный элемент без выдержки времени.
При протекании по обмотке реле тока диск индукционного элемента медленно вращается, причем его вращению препятствует тормозной момент создаваемый постоянным магнитом. Под действием электромагнитного момента, создаваемое током реле рамка поворачивается, червяк входит в зацепление с зубьями сегмента, начинает постепенно подниматься, преодолевая усилия пружины и специальной планкой замыкает контакты реле. Время срабатывания регулируется винтом.
Электромагнитный элемент состоит из ярма электромагнита и якоря, через которые замыкается часть потоков рассеивания электромагнита. При протекании больших токов по обмотке реле, якорь втягивается и без выдержки времени замыкает контакты реле. Токи срабатывания электромагнитного элемента регулируется изменением количества витков обмотки и погашением регулировочного винта.

Рисунок 4 – Реле тока РТ – 80
Реле напряжения РНТ
Пo конструкции реле максимального напряжения схожи с реле максимального тока, но катушка имеет большее число витков меньшего сечения провода. При подключении напряжения подвижные контакты замыкают неподвижные. При падении напряжения до установленных значений подвижных контакты под действием пружины возвращается в исходное положение, тем самым размыкается (силовая) цепь. На этих реле так же имеются дополнительные пары нормально разомкнутых контактов, которые при срабатывании замыкаются и сигнализируют об этом.

Рисунок 5 – Реле напряжения РНТ
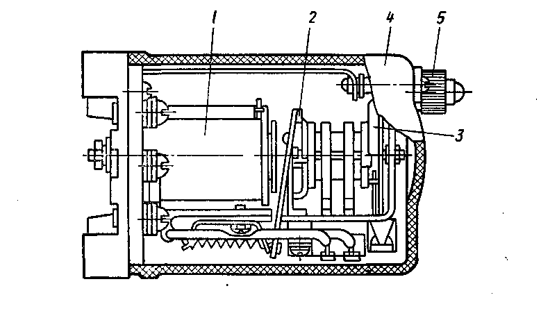
Реле времени ЭВ
Реле времени (рис. 6) предназначено для создания выдержки времени срабатывания РЗ.

Рисунок 6 – Реле времени типа ЭВ
Реле времени имеют выдержки в диапазоне 0,1–20 с. Наибольшее распространение получили реле времени с часовыми механизмами. При подаче напряжения на обмотку 1 реле якорь 3 втягивается, палец 2 освобождается и под действием пружины 4 происходит поворот зубчатого сектора 5 по часовой стрелке, а шестерня 8 и подвижной контакт 9 поворачиваются против часовой стрелки, что приводит к замыканию контактов 10. Выдержка времени регулируется перемещением контактов 10 по шкале 11, отградуированной в секундах; контакты б и 7 мгновенного срабатывания без выдержки времени.


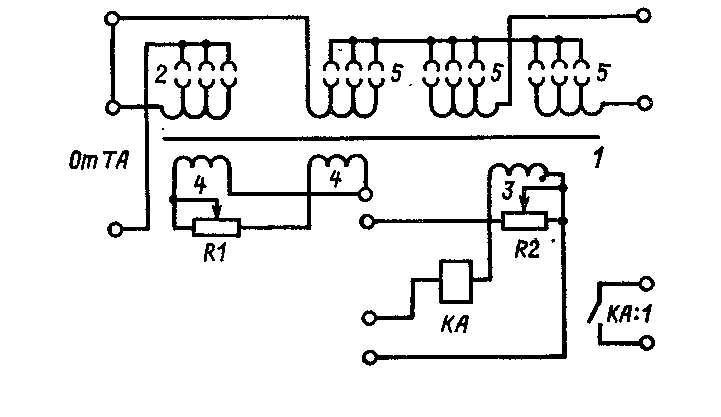
Принципиальные схемы рассмотренных выше реле (схемы выходов):
а) Реле тока прямого действия Pf-40/50
б) Реле тока РТ – 81/1 – У4
в) Реле напряжения РН – 54/160
Вывод: Ознакомились с конструкциями реле и применением их в схемах релейной защиты.