Изучение реверсивного магнитного пускателя
Изучение> >реверсивного магнитного пускателя
Цель работы: Научиться собирать схему управления двигателя при помощи реверсивного магнитного пускателя, исследовать работу схемы управления асинхронного двигателя.
4.1 Ход работы:
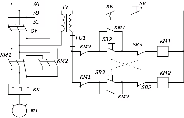
4.1.1. Познакомились со схемой управления.
4.1.2. Записали технические данные электрической машины и аппаратов управления в таблицу 4.1.
Таблица 4.1 – Технические данные схемы
|
Обозна-чение |
Наименование |
Тип |
Кол-во |
Примечание |
|
FU |
Предохранитель |
ПРС-2П |
3 |
|
|
G |
Источник питания постоянного тока |
Полупроводниковый мост |
1 |
|
|
КМ1…КМ2 |
Магнитный пускатель |
ПМЛ |
2 |
|
|
КК |
Электротепловое реле |
РТЛ |
1 |
|
|
М1 |
Электродвигатель |
4А |
1 |
f=50 Гц; Р>Н>=1,1кВт; N=2790 об/мин.; =77,5%; cosφ=0,87 |
|
КТ |
Реле времени |
РВ-4 |
1 |
f=50 Гц; U>пит.>=110В |
|
QF |
Выключатель автоматический |
АЕ-2033 |
1 |
|
|
SB1 |
Выключатель кнопочный |
КЕ-181 |
1 |
Толкатель красного цвета |
|
SB2… SB3 |
Выключатель кнопочный |
KF-031 |
2 |
Толкатель чёрного цвета |
|
TV |
Понижающий трансформатор |
ОСМ-1 |
1 |
380/110 |
4.1.3. Исследовали работу схемы управления асинхронного двигателя с короткозамкнутым ротором при помощи реверсивного магнитного пускателя.
4.1.3.1. Принцип работы схемы. В схеме управления асинхронного двигателя с короткозамкнутым ротором при помощи реверсивного магнитного пускателя, статор двигателя подключается в сеть переменного тока с помощью магнитных пускателей КМ1 и КМ2. Двигатель включается в сеть нажатием кнопки SB2 ″Вперёд″, либо нажатием кнопки SB3 ″Назад″.
4.1.3.2. Рассмотрим принцип включения двигателя ″Вперёд″. При нажатии кнопки SB2 ″Вперёд″, один из её контактов замыкается, и подаёт питание на магнитный пускатель КМ1. А другой контакт кнопки SB2, размыкает цепь магнитного пускателя КМ2, чтобы при одновременном нажатии кнопок SB2 и SB3 не замкнуть между собой приходящие фазы. Одновременно с замыканием главных контактов КМ1, включается его замыкающий блок-контакт, который шунтирует кнопку SB2, и размыкается блок-контакт в цепи катушки КМ2. Двигатель закрутится ″Вперёд″. Торможение осуществляется нажатием кнопки SB1, КМ1 обесточивается, а линейными контактами отключается электродвигатель от сети. Размыкающий блок-контакт КМ1 замыкается.
4.1.3.3. Рассмотрим принцип включения двигателя ″Назад″. При нажатии кнопки SB3 ″Назад″, один из её контактов замыкается, и подаёт питание на магнитный пускатель КМ2. А другой контакт кнопки SB3, размыкает цепь магнитного пускателя КМ1. Одновременно с замыканием главных контактов КМ2, включается его замыкающий блок-контакт, который шунтирует кнопку SB3, и размыкается блок-контакт в цепи катушки КМ1. Двигатель будет крутиться ″Назад″. Торможение осуществляется нажатием кнопки SB1, КМ2 обесточивается, а линейными контактами отключается электродвигатель от сети. Размыкающий блок-контакт КМ2 замыкается.
4.1.3.4. Торможение противовключением происходит если при вращении двигателя ″Вперёд″, нажать кнопку SB3 ″Назад″, то вращающее поле статора изменит направление вращения в обратное. При этом ротор асинхронной машины под действием сил инерции будет продолжать вращение в прежнем направлении, то есть ротор и статор будут вращаться в противоположных направлениях. В этом случае электромагнитный момент асинхронного двигателя, направленный в сторону вращения поля ротора, будет оказывать на ротор тормозящее действие. Но как только двигатель остановится, (через какие-то доли секунд) он сразу же начнёт вращаться в противоположном направлении.

Рисунок 4.1 – Схема управления асинхронным двигателем с короткозамкнутым ротором при помощи реверсивного магнитного пускателя.
Вывод: Изучили принципиальные схемы и схемы управления асинхронным двигателем с короткозамкнутым ротором с динамическим торможением (с помощью реле времени) и при помощи реверсивного магнитного пускателя пуск «Вперёд″ и ″Назад″, и торможение противовключением.