Изучение свойств P-N-перехода различными методами
1
ИЗУЧЕНИЕ СВОЙСТВ p-n-ПЕРЕХОДА РАЗЛИЧНЫМИ МЕТОДАМИ
ФИЗИКА ПОЛУПРОВОДНИКОВ
Полупроводники представляют собой группу веществ, по своим свойствам занимающих промежуточное положение между проводниками и диэлектриками. При температурах, не сильно отличающихся от абсолютного нуля, полупроводники проявляют свойства хороших диэлектриков. Однако даже при незначительном повышении температуры, сопротивление полупроводника быстро уменьшается и он начинает проводить электрический ток - становится проводящим. Это - основное отличие полупроводников от проводников и диэлектриков. Типичными представителями полупроводников являются германий, кремний, сурьма, индий, закись меди и др.. Однако, на практике наибольшее признание нашли германий и кремний, на примере которых мы и рассмотри подробнее свойства полупроводников.
Структура кристаллической решётки и собственная проводимость полупроводников.
Электронные оболочки атома германия содержат 28 электронов, 4 из которых являются валентными. Каждый атом кристаллической решётки чистого (без примесей) полупроводника окружён четырьмя такими же атомами, расположенными друг от друга так близко, что валентные электроны каждого атома имеют возможность переходить от данного атома к соседнему. Благодаря этому каждый атом кристаллической решётки связан с соседним атомом только двумя валентными электронами, один из которых «свой», а второй - «чужой».

Рис. 1
На рис. 1 (а) показаны два уединённых атома полупроводника. Кружок со знаком «+» символизирует ядро с двадцатью семью электронами, а кружок со знаком «-» - самый удалённый от ядра, двадцать восьмой, электрон (один из четырёх валентных). На рис. 1 (б) показаны те же два атома, но расположенные очень близко друг от друга. Теперь эти самые удалённые от ядер электроны стали принадлежать сразу двум атомам. Если же атом окажется окружён четырьмя соседями (рис. 1 (в)), как это имеет место внутри кристаллической решётки, то задействованными оказываются все четыре валентных электрона. Такая связь атомов называется ковалентной и является весьма прочной.Схематично траектории электронов, участвующих в образовании ковалентной связи, принято изображать параллельными линиями. Та на рис. 2 показана ковалентная связь атомов одного слоя кристаллической решётки полупроводника. При температурах кристалла, близких к абсолютному нулю, энергия валентных электронов довольно невелика, и поэтому все они остаются в пределах электронных оболочек и принимают участие в осуществлении ковалентной связи атомов. Однако с ростом температуры кристалл полупроводника получает некоторую долю энергии в виде тепла, которая перераспределяется между всеми частицами кристаллической решётки. Если энергия, полученная при этом электроном, окажется равной или превысит определённую величину, называемую энергией активации, то электрон покинет свои атомы, нарушая при этом ковалентную связь, и перейдёт в межатомное пространство. Такие электроны называются свободными, поскольку они в своём тепловом движении могут свободно перемещаться по всему кристаллу полупроводника. Нарушение в том месте, откуда вырвался электрон, ковалентной связи, приводит к появлению в этой области не скомпенсированного положительного заряда ядра одного из атомов кристаллической решётки (см. рис. 2). Такой заряд называется дыркой.
Таким образом, при температурах порядка комнатных и выше в кристалле чистого полупроводника содержится некоторое количество заряда обоих знаков - свободные электроны и дырки. Если кристалл не содержит примесей, то в любой момент времени число свободных электронов равно числу имеющихся в кристалле дырок. При постоянной температуре это число в среднем остаётся постоянным и быстро возрастает с ростом температуры. В отсутствие внешнего электрического поля и свободные электроны и дырки беспорядочно блуждают по всему куску полупроводника. При этом следует отметить, что движение свободных электронов в кристалле полупроводника совершенно аналогично беспорядочному движению свободных электронов в металле. Движение же дырок не похоже ни на один из других механизмов переноса заряда. Дырка - это не частица, обладающая положительным зарядом, а лишь нарушенная ковалентная связь атомов. Или, иными словами, дырка представляет собой не скомпенсированную часть заряда ядра атома, т. е. нечто вроде иона (в полном смысле ионом её назвать нельзя, т. к. заряд иона обусловлен зарядом ядра только одного атома, а в случае дырок речь идёт о заряде ядра одного из двух соседних атомов).

Рис. 2
Но ковалентная связь (даже нарушенная) иона со своими соседями не позволяет ему даже при очень высоких температурах полупроводника покинуть место своего пребывания в узле кристаллической решётки. Однако, в процессе беспорядочного движения свободных электронов, те из них, которые проходят слишком близко от какой-либо дырки, под действием электростатической силы притяжения как бы «ныряют» в неё. В результате ковалентная связь восстанавливается и дырка исчезает. Исчезает, разумеется, и свободный электрон (теперь он становится валентным). Такое событие называется актом рекомбинации. Исчезновение дырки и свободного электрона не приводит к истощению полупроводника зарядами, т. к. наряду с этим событием где-то в других местах кристалла происходит образование новой пары дырка - свободный электрон. Поскольку вероятность образования новой такой пары равна вероятности акта рекомбинации, то в среднем число актов рекомбинации в единицу времени равно числу вновь образовавшихся пар «свободный электрон-дырка». Поэтому среднее число электронов и дырок при постоянной температуре полупроводника остаётся неизменным.Е
сли
же к концам кристалла полупроводника
приложить некоторую разность потенциалов,
то и свободные электроны и дырки придут
в направленное движение. При этом
механизм перемещения зарядов совершенно
аналогичен описанному выше за тем лишь
исключением, что дрейф зарядов происходит
в определённом направлении: электроны
перемещаются в сторону, противоположную
направлению электрического поля, а
дырки - по ходу действия поля.
Итак, в кристалле полупроводника в дали от температур абсолютного нуля имеется два рода заряда - свободные электроны и дырки, которые под действием внешнего электрического поля способны создавать в кристалле полупроводника электрический ток. Величина этого тока зависит от величины электрического поля и температуры кристалла (концентрации зарядов). Поскольку в создании тока в равной степени принимают участие и электроны и дырки, то такой механизм проводимости называется электронно-дырочной проводимостью или собственной проводимостью.
Зонная теория проводимости
В
ыше
были рассмотрены причины, по которым
электрическое сопротивление металлов
и полупроводников зависит от температуры.
Более строгое обоснование этой зависимости
даёт зонная теория проводимости.
Известно, что энергия электрона внутри
атома может изменяться только дискретно.
В отношении электрона, обладающего тем
или иным значением энергии, говорят,
что «электрон находится на данном
энергетическом уровне». На рис. 3
схематично изображены энергетические
уровни уединённого атома. Все уровни
отделены друг от друга так называемыми
запрещёнными зонами.
В отсутствие внешних источников энергии
атом находится в невозбуждённом
состоянии, а его валентный электрон -
на самом нижнем энергетическом уровне,
который называется основным
или невозбуждённым
уровнем. Если же атом
поглощает из вне энергию (например,
тепловую), то электроны оболочек переходят
на более высокие (возбуждённые)
энергетические уровни. Так обстоит дело
с уединённым атомом. Но когда атомы
находятся внутри кристаллической
решётки (расположены близко друг от
друга), то взаимодействие между атомами
приводит к расщеплению каждого
энергетического уровня на множество
подуровней (рис. 4). В результате поглощение
атомом даже незначительной энергии
приводит к переходу электронов на более
высокий подуровень данного энергетического
уровня. На рис. 5 (а) показаны два
энергетических уровня атома металла.
При абсолютном нуле температуры электроны
атомов металла занимают только самые
нижние подуровни валентной зоны.
Поскольку все подуровни одной зоны
расположены очень близко друг к другу
и верхние подуровни зоны проводимости
остаются свободными, то при даже
незначительном повышении температуры
кристалла электроны легко переходят
на более высокие энергетические
подуровни. Воздействие внешнего
электрического поля также способствует
переходу электронов с нижних на верхние
подуровни, в результате чего такие
возбуждённые электроны становятся
электронами проводимости.
Несколько иначе обстоит дело с кристаллом диэлектрика. В отличии от металлов валентная зона диэлектрика полностью занята электронами. Свободными от электронов являются только подуровни второй, третьей и т. д. энергетических зон. Чтобы кристалл был способен проводить ток необходимо перевести электроны на эти свободные подуровни. Но свободная зона отделена от валентной очень широкой запрещённой зоной. Для её преодоления недостаточно тепловой энергии и даже электрического поля. Поэтому диэлектрики не проводят ток.
К
ристалл
полупроводника занимает промежуточное
положение между металлами и диэлектриками.
Как и у диэлектриков, у полупроводников
заняты все подуровни валентной зоны.
Однако свободная зона кристалла
полупроводника отделена от валентной
зоны очень узкой запрещённой зоной
(даже уже чем у металлов). Поэтому даже
при незначительном повышении температура
полупроводника его электроны без труда
преодолевают запрещённую зону и попадают
на свободные подуровни свободной
энергетической зоны. В результате
кристалл становится способным проводить
электрический ток. Чем выше температура
полупроводника, тем меньше его
сопротивление:


, (5)
где
- константа,
- ширина запрещённой зоны (энергия
активации, т. е. энергия, которую нужно
затратить, чтобы перевести электроны
из валентной зоны в свободную зону),
- постоянная Больцмана. После
логарифмирования выражения (5), получим:
. (6)
ПРИМЕСНАЯ ПРОВОДИМОСТЬ
Электропроводность чистых (без примесей) полупроводников невелика из-за относительно небольшого содержания в них свободных электронов и дырок. Ситуация меняется, если в кристалл чистого полупроводника добавить незначительное количество атомов другого элемента с большей или меньшей валентностью атомов. Так, если в кристалл германия (4-х валентен) ввести примесь сурьмы (5-ти валентна), то ковалентная связь между разнородными атомами будет создаваться всеми четырьмя валентными электронами германия и только четырьмя валентными электронами сурьмы. Пятый же валентный электрон сурьмы окажется «не в удел», а поскольку он, будучи валентным, слабо связан с ядром своего атома и не занят в образовании ковалентной связи, то очень легко может покинуть свой атом, став свободным электроном без образования новой дырки. Таким образом, в кристалле полупроводника с примесью окажется больше свободных электронов, чем дырок. Поэтому при наложении на полупроводник внешнего электрического поля в кристалле возникает электрический ток, порождаемый, прежде всего, электронами. Такая проводимость называется электронной или просто проводимостью n-типа.
Если в тот же кристалл германия ввести некоторое количество индия (вместо сурьмы), то проводимость кристалл окажется обратной. Поскольку индий трёхвалентен, то в образовании ковалентной связи смогут принять участие только три его электрона. Такая связь атома индия с атомом германия окажется не до конца укомплектованной, что приведёт к образованию новой дырки без образования свободного электрона. В результате общее число дырок в кристалле окажется больше числа свободных электронов. Проводимость такого кристалла будет осуществляться, прежде всего, дырками. Поэтому она называется дырочной проводимостью или проводимостью p-типа.
С
физической точки зрения особый интерес
представляют процессы, происходящие в
контактах полупроводников с различным
типом проводимости. Тончайший слой на
границе раздела двух полупроводников
p-
и n-типов
принято называть p-n-переходом.
При этом, очевидно, что в области
полупроводника p-типа
имеет место повышенная концентрация
дырок, а в области n-
типа – повышенная концентрация
электронов. В результате взаимной
диффузии электронов из n-области
в p-область,
а дырок из p-области
в n-область,
вблизи p-n-перехода
n-область
заряжается положительно, а p-область
– отрицательно. При этом на границе
раздела полупроводников возникает
двойной электрический слой толщиной
порядка 0,1 мкм, создающий электрическое
поле, направленное от n-области
к p-области,
которое препятствует дальнейшей диффузии
носителей. Благодаря этому полю возрастает
энергия неосновных носителей (электронов
в p-области
и дырок в n-области).
При этом в области p-n-перехода
энергетические зоны искривляются, что
приводит к возникновению потенциальных
барьеров для электронов и дырок, а это
приводит к оттоку неосновных носителей
заряда из соответствующих областей.
Поскольку ток неосновных носителей
(ток проводимости
или дрейфовый ток
)
направлен навстречу току основных
носителей (диффузионный
ток
),
то в результате взаимной компенсации
результирующий ток через p-n-переход
равен нулю (рис. 1. а.).
Ситуация
меняется, когда к p-n-переходу
приложено внешняя разность потенциалов.
Если при этом напряжённость внешнего
поля совпадает по направлению с вектором
напряженности контактного поля, то
говорят, что p-n-переход
включён в обратном
(запирающем)
направлении.
Высота потенциального барьера при этом
увеличивается, что приводит к уменьшению
диффузионного тока (рис. 1. б.).
Ток же проводимости, вследствие малой
концентрации неосновных носителей, с
ростом разности потенциалов на
p-n-переходе
изменяется очень медленно. При достаточно
высоком обратном напряжении на
p-n-переходе
ток через него обусловлен только
дрейфовой составляющей и поэтому вовсе
перестаёт зависеть от величины этого
напряжения. Значение обратного тока
при высоких обратных напряжениях
называют током насыщения
(
).
П
ри
изменении полярности напряжения на
p-n-переходе
под действием внешнего поля потенциальный
барьер уменьшится и ток проводимости
останется практически неизменным, а
диффузионный ток начнёт возрастать
(рис. 1. в.) по
экспоненциальному закону:
, (1)
где
- ток насыщения; е
– заряд электрона; k
– постоянная Больцмана; Т
– абсолютная температура; U
– величина напряжения, приложенного к
p-n-переходу
в обратном направлении. Выражение (1)
описывает вольтамперную характеристику
(ВАХ) p-n-перехода.
У
добным
средством при изучении свойств
p-n-перехода
является полупроводниковый диод, который
представляет собой две сваренные между
собой пластинки p-
и n-типа.
В такой пластинке можно выделить три
зоны. Две из них расположены по краям,
они относительно больших размеров и
обладают одна проводимостью p-типа,
а вторая - проводимостью n-типа
(рис. 2). Третья зона называется p-n
переходом и представляет собой очень
узкую область, разделяющую области с
p-
и n-типами
проводимости (она образуется на стадии
изготовления диода в результате диффузии
пластинок полупроводника с различными
типами проводимости). Внешние поверхности
областей с p-
и n-типами
проводимости покрывают металлическими
электродами. Электрод, контактирующий
с областью p-типа,
называется анодом,
а контактирующий с областью n-типа
- катодом.
Если на электроды диода подать постоянное напряжение, соединив анод с положительным полюсом источника тока, а катод - с отрицательным, то под действием возникшего электрического поля электроны начнут перемещаться в сторону от катода к аноду (навстречу полю), а дырки - от анода к катоду (по ходу поля). В результате сопротивление p-n перехода резко уменьшается и через него начинает течь электрический ток, величина которого прямо пропорциональна приложенному напряжению. В этом случае говорят, что к диоду приложено прямое напряжение и через диод течёт прямой ток, а сам диод находится в открытом состоянии. Если изменить полярность прикладываемого напряжения, то электроны устремятся к катоду (на него теперь подан «+»), а дырки - к аноду (на нём – «-«). В результате область p-n перехода расширяется, образуя обеднённую зарядами зону, что ведёт к резкому возрастанию электрического сопротивления p-n перехода и ток через диод резко уменьшается в сотни раз. Диод переходит в закрытое состояние. В этом случае говорят, что к диоду приложено обратное напряжение и через диод течёт обратный ток.
З
ависимость
величины протекающего через диод тока
от величины и направления приложенного
к диоду напряжения называется вольтамперной
характеристикой диода (рис. 3). Существование
обратного тока объясняется тем, что
технически невозможно изготовить
полупроводники p-
и n-типов,
обладающих только дырочной или только
электронной проводимостью. Наличие
некоторого количества электронов в
полупроводнике p-типа
и дырок в полупроводнике n-типа
и обеспечивает незначительный ток в
обратном направлении (полным отсутствием
обратного тока обладают только вакуумные
диоды, работающие совершенно по иному
принципу и в данной работе не
рассматривающиеся). Поскольку величина
обратного тока диода очень мала, то
соответствующая ему ветвь ВАХ очень
плотно «прижата» к оси напряжений.
Следует
отметить, что стремление обеих ветвей
ВАХ в бесконечность не означает, что к
диоду можно прикладывать сколь угодно
высокое прямое напряжение в надежде
пропустить через диод очень большой
ток. С ростом тока p-n
переход сильно нагревается и плавится
- диод перегорает. При этом цепь размыкается
и диод перестаёт проводить ток даже в
одном направлении. Нельзя подвергать
диод и воздействию чрезмерно высокого
обратного напряжения. В этом случае p-n
переход, не выдерживая слишком сильного
электрического поля, будет пробит. При
этом свойство односторонней проводимости
диодом будет утеряно и он станет проводить
ток одинаково хорошо в обоих направлениях.
Поэтому любой диод характеризуется
прежде всего двумя основными параметрами
- максимально допустимым
прямым током
и максимально допустимым
обратным напряжением
.
Диоды различных марок обладают различными
значениями
и
.
Обе эти характеристики диода, наряду
со множеством других его характеристик,
можно найти в соответствующих справочниках
по полупроводниковым приборам. Зависимость
прямого тока от напряжения, вообще
говоря, не линейна. Однако эта нелинейность
заметно проявляется только на начальном
участке кривой, где величина прямого
тока очень мала и с ростом напряжения
изменяется очень медленно. На этом
участке ВАХ диод можно считать закрытым.
Но при достижении между электродами
прямого напряжения определённой величины
диод открывается и дальнейшая зависимость
тока от напряжения становится практически
линейной. Разные диоды обладают различной
величиной открывающего напряжения У
диодов, изготовленных на основе германия,
оно гораздо меньше, чем у кремниевых
диодов (рис. 3). Эта способность разных
диодов открываться при различных, но
вполне определённых для каждого типа
диода, напряжениях позволяет использовать
полупроводниковые диоды при решении
многих технических задач. Так, например,
использование диода в качестве датчика
температуры или для контроля величины
переменного тока желательно использовать
германиевый диод. В тех же случаях, когда
необходимо избавиться от слабых
электрических сигналов, применять
следует кремниевый диод. В большинстве
же других случаев германиевый и кремниевый
диоды вполне взаимозаменяемы.
Способность
диода проводить электрический ток
характеризуется величиной электрического
сопротивления p-n
перехода, которое называется внутренним
сопротивлением диода.
Внутренне сопротивление закрытого
диода в сотни раз больше, чем открытого,
в результате чего и обратный ток диода
значительно меньше прямого тока.
Математически зависимость
может быть в первом приближении описана
выражением (1). Однако, при более детальном
рассмотрении вопроса необходимо
учитывать ряд обстоятельств, связанных,
прежде всего, с наличием двух контактов
на границе полупроводник-металлический
электрод. Как известно, при контакте
двух тел, обладающих различной работой
выхода, в месте их контакта возникает
перетекание электронов так, что тело с
меньшей работой выхода электронов
заряжается положительно, а тело с большей
работой выхода – отрицательно. В
результате на границе металл-полупроводник
возникает, так называемый, двойной
электрический слой или
запирающий слой
и, следовательно, потенциальный барьер
(помимо того потенциального барьера,
который порождается самим p-n-переходом).
Возникающая при этом в месте контакта
разность потенциалов называется
контактной разностью
потенциалов. Образовавшиеся
при этом заряды располагаются не строго
на поверхности контактирующих тел (как
это принято считать в электростатике),
а распределены в пограничных слоях
некоторой толщины. В металлах из-за
большой плотности электронов в них,
заряд сосредоточен почти точно на
поверхности (в пределах одного-двух
атомных слоёв), а в полупроводниках
вследствие их малой проводимости он
простирается на значительно большую
глубину.
Наличие
потенциального барьера на границе
металл-полупроводник способен несколько
изменить характер зависимости
,
что вынуждает переписать формулу (1) в
виде:
, (2)
где
- коэффициент, зависящий от строения
запирающего слоя. При комнатной
температуре для однородного тонкого
слоя
=1.
УСТРОЙСТВО И ПРИНЦИП ДЕЙСТВИЯ ПОЛУПРОВОДНИКОВЫХ ПРИБОРОВ
Диод
В
основе принципа выпрямления напряжения
лежит свойство полупроводникового
диода проводить электрический ток
только в одном направлении. Схематично
полупроводниковый диод может быть
представлен в виде двух сваренных между
собой пластинок p-
и n-типа.
В такой пластинке можно выделить три
зоны. Две из них расположены по краям,
они относительно больших размеров и
обладают одна проводимостью p-типа,
а вторая - проводимостью n-типа.
Третья зона называется p-n
переходом и представляет собой очень
узкую область, разделяющую области с
p-
и n-типами
проводимости (она образуется на стадии
изготовления диода в результате диффузии
пластинок полупроводника с различными
типами проводимости). Внешние поверхности
областей с p-
и n-типами
проводимости покрывают металлическими
пластинками, к которым припаивают
электроды. Электрод, контактирующий с
областью p-типа,
называется анодом,
а контактирующий с областью n-типа
- катодом.
Д
иод
может находиться в одном из двух состояний
- открытом или
закрытом. Если
на электроды подать постоянное напряжение,
соединив анод с положительным полюсом
источника тока, а катод - с отрицательным,
то под действием возникшего электрического
поля электроны начнут перемещаться в
сторону от катода к аноду (навстречу
полю), а дырки - от анода к катоду (по ходу
поля). В результате сопротивление p-n
перехода резко уменьшается и через него
начинает течь электрический ток, величина
которого прямо пропорциональна
приложенному напряжению. В этом случае
говорят, что к диоду приложено прямое
напряжение и через диод
течёт прямой ток,
а сам диод находится в
открытом состоянии. Если
изменить полярность прикладываемого
напряжения, то электроны устремятся к
катоду (на него теперь подан «+»), а дырки
- к аноду (на нём «-«). В результате область
p-n
перехода расширяется, образуя обеднённую
зарядами зону, что ведёт к резкому
возрастанию электрического сопротивления
p-n
перехода и ток через диод резко уменьшается
в сотни раз. Диод переходит в закрытое
состояние. В этом случае говорят, что к
диоду приложено обратное
напряжение и через диод
течёт обратный ток.
Наличие обратного тока является недостатком полупроводникового диода. Существование этого тока объясняется тем, что технически невозможно изготовить полупроводники p- и n-типов, обладающих только дырочной или только электронной проводимостью. Наличие некоторого количества электронов в полупроводнике p-типа и дырок в полупроводнике n-типа и обеспечивает незначительный ток в обратном направлении (полным отсутствием обратного тока обладают только вакуумные диоды, работающие совершенно по иному принципу и в данной работе не рассматривающиеся).
Способность диода проводить электрический ток характеризуется величиной электрического сопротивления p-n перехода, которое называется внутренним сопротивлением диода. Внутренне сопротивление закрытого диода в сотни раз больше, чем открытого, в результате чего и обратный ток диода значительно меньше прямого тока. Зависимость величины протекающего через диод тока от величины и направления приложенного к диоду напряжения называется вольтамперной характеристикой (ВАХ) диода (рис. 2). Поскольку величина обратного тока диода очень мала, то соответствующая ему ветвь ВАХ очень плотно «прижата» к оси напряжений.
Следует
отметить, что стремление обеих ветвей
ВАХ в бесконечность не означает, что к
диоду можно прикладывать сколь угодно
высокое прямое напряжение в надежде
пропустить через диод очень большой
ток. С ростом тока p-n
переход сильно нагревается и плавится
- диод перегорает. При этом цепь размыкается
и диод перестаёт проводить ток даже в
одном направлении. Нельзя подвергать
диод и воздействию чрезмерно высокого
обратного напряжения. В этом случае p-n
переход, не выдерживая слишком сильного
электрического поля, будет пробит. При
этом свойство односторонней проводимости
диодом будет утеряно и он станет проводить
ток одинаково хорошо в обоих направлениях.
Поэтому любой диод характеризуется
прежде всего двумя основными параметрами
- максимально допустимым
прямым током
и максимально допустимым
обратным напряжением
.
Диоды различных марок обладают различными
значениями
и
.
Обе эти характеристики диода, наряду
со множеством других его характеристик,
можно найти в соответствующих справочниках
по полупроводниковым приборам. Зависимость
прямого тока от напряжения, вообще
говоря, не линейна. Однако эта нелинейность
заметно проявляется только на начальном
участке кривой, где величина прямого
тока очень мала и с ростом напряжения
изменяется очень медленно. На этом
участке ВАХ диод можно считать закрытым.
Но при достижении между электродами
прямого напряжения определённой величины
диод открывается и дальнейшая зависимость
тока от напряжения становится практически
линейной. Разные диоды обладают различной
величиной открывающего напряжения У
диодов, изготовленных на основе германия,
оно гораздо меньше, чем у кремниевых
диодов (рис. 3). Эта способность разных
диодов открываться при различных, но
вполне определённых для каждого типа
диода, напряжениях позволяет использовать
полупроводниковые диоды при решении
многих технических задач. Так, например,
использование диода в качестве датчика
температуры или для контроля величины
переменного тока желательно использовать
германиевый диод. В тех же случаях, когда
необходимо избавиться от слабых
электрических сигналов, применять
следует кремниевый диод. В большинстве
же других случаев германиевый и кремниевый
диоды вполне взаимозаменяемы.
Стабилитрон
Стабилитрон
представляет собой разновидность диода
и способен выполнять его функции. Однако
обратная ветвь ВАХ стабилитрона
значительно отличается от аналогичного
участка этой характеристики диода. По
мере роста обратного напряжения ток в
обратном направлении через стабилитрон
сначала изменяется очень медленно (как
у диода), а при достижении обратным
напряжением определённой величины,
резко возрастает. Ситуация очень похожа
на пробой обычного диода, но из строя
стабилитрон при этом не выходит (если
обратный ток не превышает допустимой
величины). Напряжение, начиная с которого
стабилитрон входит в режим пробоя,
называется напряжением
стабилизации
,
а соответствующий ему ток минимальным
током стабилизации
.
Предельно допустимый для данного
стабилитрона ток стабилизации называется
максимальным током
стабилизации
.
Из рисунке 4 видно, что незначительное
изменение напряжения
ведёт к довольно существенному изменению
обратного тока
через стабилитрон. Отношение этих
величин называется дифференциальным
сопротивлением стабилитрона
и является очень важной его характеристикой.
Величина дифференциального сопротивления
является функцией обратного тока
стабилитрона. Чем больше этот ток, тем
меньше дифференциальное сопротивление,
а значит, согласно закону Ома, тем меньше
изменение напряжения на электродах
стабилитрона.
П
одробнее
работу стабилитрона рассмотрим на
примере схемы, изображённой на рис. 5.
Эта схема представляет собой простейший
параметрический стабилизатор
напряжения. Состоит он из
стабилитрона и балластного сопротивления,
выполняющего роль ограничителя обратного
тока через стабилитрон (во избежании
перегрева). На вход стабилизатора
подаётся постоянное напряжение
от внешнего источника питания. Нагрузка
стабилизатора подключается непосредственно
к электродам стабилитрона. В задачу
этого устройства входит поддержание
такого режима питания нагрузки, чтобы
даже при значительном изменении входного
напряжения
,
изменение напряжения на нагрузке не
превышало очень малой величины
.
Если
входное напряжение
по какой-либо причине возрастёт на
величину
,
то и обратный через стабилитрон ток
возрастёт на некоторую величину
.
Это вызовет уменьшение дифференциального
сопротивления стабилитрона на величину
.
Уменьшение же сопротивления приведёт
к уменьшению напряжения на электродах
стабилитрона, а, значит, и на нагрузке.
В результате питаемое нагрузку напряжение
останется равным
.
Транзистор
Т
ранзистор
представляет собой полупроводниковый
прибор, способный работать в ключевом
или усилительном режимах. В отличии от
диода, транзистор имеет два p-n-перехода,
между которыми располагается полупроводник,
например, p-типа,
а по обе стороны от p-n-переходов
– кристаллы полупроводника n-типа.
Такие транзисторы называются транзисторами
n-p-n
типа (рис. 6. а.).
Если между p-n-переходами
располагается полупроводник n-типа,
а по обе стороны от p-n-
переходов – полупроводники p-типа,
то такой транзистор называют транзистором
p-n-p
типа (рис. 6. б.).
Центральная область транзистора
называется базой,
а крайние области – эмиттером
и коллектором.
В функции эмиттера входит вводить
(эмитировать) в базу дырки (в транзисторе
p-n-p
типа) или электроны (в транзисторе n-p-n
типа), а функции коллектора – собирать
эти заряды. Графическое обозначение
транзисторов разной структуры показано
на рисунке 7.
Легко заметить, что такая комбинация полупроводников напоминает два диода с общим анодом (n-p-n) или катодом (p-n-p). Такая аналогия вполне справедлива и на практике позволяет легко тестировать транзистор на предмет его работоспособности при помощи обычного омметра.
Рассмотрим
в общих чертах работу транзистора p-n-p
типа. Пусть сначала цепь эмиттер-база
разомкнута, а между коллектором и базой
приложено обратное напряжение
порядка десяти вольт. В этом случае
p-n-переход
окажется запертым, и в коллекторной
цепи будет протекать обратный ток
незначительной величины, являющийся
важной характеристикой транзистора.
Т
еперь
между эмиттером и базой приложим прямое
напряжение
порядка единиц вольт. Поскольку эмиттер
содержит значительно больше атомов
примеси, чем база, то концентрация дырок
в эмиттере больше, чем в базе. Так как
напряжение
приложено к p-n-переходу
в прямом направлении, то в цепи эмиттер-база
протекает ток значительной величины
даже при небольшом значении приложенного
напряжения. В базе некоторая часть дырок
рекомбинирует со свободными электронами,
убыль которых пополняется новыми
электронами, поступающими из внешней
цепи, образуя в ней ток базы
.
В базе вследствие диффузии большая
часть дырок доходит до коллекторного
перехода и под действием электрического
поля источника
проникает через p-n-переход
в коллектор. В результате в цепи
база-коллектор возникает ток
того же порядка, что и на участке
эмиттер-база. Отношение приращения
коллекторного тока
к соответствующей величине приращения
эмиттерного тока
при постоянном напряжении на коллекторе
называется коэффициентом
передачи тока:
(при
)
и является одной из важнейших характеристик любого транзистора.
Из сказанного следует, что коэффициент передачи тока всегда меньше единицы и принимает значение порядка 0,9-0,99.
П
ринцип
действия транзистора n-p-n-
типа полностью аналогичен рассмотренному.
В транзисторе n-p-n
типа под действием напряжения между
эмиттером и базой эмитируются электроны
из области n
в область p.
Полярность источников
и
в этом случае должна быть обратной по
сравнению с той, которая имела место
при рассмотрении принципа действия
транзистора p-n-p
типа.
Как было сказано выше, транзистор может быть использован в качестве усилителя напряжения, тока или мощности. При этом усиливаемый сигнал подаётся на два электрода транзистора (вход), а усиленный сигнал снимается тоже с двух электродов (выход). Таким образом, один электрод является общим для входной и выходной цепей. В зависимости от того, какой из электродов является общим, различают три схемы включения транзистора: с общим эмиттером (ОЭ), с общим коллектором (ОК) и с общей базой (ОБ).
При
включении транзистора по схеме ОЭ (рис.
8. а.) напряжение
питания
прикладывается между эмиттером и
коллектором, в цепь которого включается
сопротивление
,
служащее нагрузкой усилителя. Усиливаемый
сигнал прикладывается между заземлённым
эмиттеров и базой через конденсатор
связи
,
препятствующий проникновению на базу
транзистора постоянной составляющей
усиливаемого сигнала. Усиленный сигнал
снимается с эмиттера и коллектора
транзистора. Схема ОЭ позволяет достигать
10-200-кратного усиления сигнала по
напряжению и 20-100-кратного усиления по
току (зависит от усилительных свойств
транзистора).
Существенным
недостатком такого включения транзистора
является его малое входное сопротивление
(всего 500-1000 Ом),
что значительно затрудняет согласование
каскадов, собранных по схеме ОЭ.
Объясняется это тем, что эмиттерный
переход в этом случае оказывается
включённым в прямом направлении, в
результате чего сопротивление перехода,
зависящее от величины прикладываемого
напряжения, очень мало. Выходное же
сопротивление схемы ОЭ велико (2-20 кОм)
и зависит не только от усилительных
свойств транзистора, но и от сопротивления
нагрузки
.
При
включении транзистора по схеме ОК (рис.
8. б.) усиливаемый
сигнал прикладывается между базой и
эмиттером через резистор
,
выполняющий функции нагрузки транзистора.
Именно с него и снимается усиленный
сигнал. Такая схема включения транзистора
даёт усиление по напряжению меньше
единицы, а по току коэффициент усиления
может достигать той же величины, что и
при включении по схеме ОЭ. Поскольку
транзистор в этом случае не даёт усиления
по напряжению, а только как бы повторяет
его на выходе (эмиттере), транзистор,
включаемый по схеме ОК, также называют
эмиттерным повторителем.
Важным достоинством такой схемы включения
транзистора является большая величина
его входного сопротивления (10-500 кОм),
что хорошо согласуется с высоким выходным
сопротивлением схемы ОЭ.
Ч
тобы
разобраться в причинах, по которым
транзистор, включаемый по схеме ОК, не
усиливает напряжения, вновь обратимся
к рисунку 8. б.
Резистор
,
показанный пунктиром (в состав схемы
ОК он не входит) представляет собой
эквивалент внутреннего сопротивления
источника усиливаемого сигнала (например,
микрофона). Через это сопротивление
усиленный сигнал с нагрузки
через сопротивление
подаётся на базу в противофазе. В
результате между эмиттерной и базовой
цепями возникает сильная отрицательная
обратная связь, сводящая усиление
каскада по напряжению на нет.
При
включении транзистора по схеме ОБ (рис.
8. в.) база через
конденсатор
соединена с эмиттерной цепью, то есть
с общим, заземлённым проводом. Усиливаемы
сигнал через конденсатор связи
подаётся одновременно и на базу и на
эмиттер транзистора, а усиленный сигнал
снимается с коллектора и заземлённой
базы, которая, таким образом, служит
общим электродом входной и выходной
цепей каскада. Схема ОК даёт усиление
по току меньше единицы, а по напряжению
примерно такое же, как и при включении
транзистора по схеме ОЭ (10-200 раз).
Поскольку входное сопротивление схемы
ОК очень невелико (30-100 Ом), её обычно
используют в генераторах электрических
колебаний, в аппаратуре радиоуправления
моделями и пр..
Оптимальный
режим работы транзистора, включённого
в ту или иную цепь, во многом определяется
его, так называемыми, входными и выходными
статическими характеристиками. Входной
характеристикой транзистора называется
функциональная зависимость тока базы
от напряжения между базой и эмиттером
при фиксированном напряжении между
коллектором и эмиттером
:
.
Графически
эта зависимость для транзистора p-n-p
типа, включённого по схеме ОЭ, показана
на рисунке 9. При малых значениях между
базой и эмиттером
ток базы растёт медленно, но по мере
возрастания напряжения
крутизна кривой увеличивается и
характеристика выходит на линейный
участок. Как видно из рисунка, угол
наклона линейных участков характеристики
зависит от величины выходного напряжения
.
В
ыходная
характеристика транзистора представляет
собой функциональную зависимость тока
коллектора
от напряжения между коллектором и
эмиттером
при фиксированной величине тока базы
:
.
Графически выходные характеристики для транзистора p-n-p типа, включённого по схеме ОЭ, представлены на рисунке 9.
СПОСОБЫ ЭКСПЕРИМЕНТАЛЬНОГО ОПРЕДЕЛЕНИЯ ОСНОВНЫХ ХАРАКТЕРИСТИК ПОЛУПРОВОДНИКОВЫХ ПРИБОРОВ
Снятие ВАХ диода при помощи вольтметра и амперметра
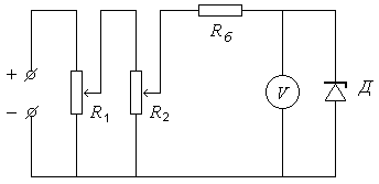
На
рисунке 4 изображена принципиальная
схема, позволяющая исследовать ВАХ
p-n-перехода,
функции которого выполняет полупроводниковый
диод Д.
Показанное на схеме включение реостатов
и
позволяет осуществлять плавную
регулировку напряжения на электродах
диода в большом диапазоне значений.
Двухполюсной ключ К
предназначен для изменения полярности
питающего цепь напряжения. Так как диод
представляет собой последовательное
соединение полупроводника и запирающего
слоя, а вольтметр фиксирует полное
падение напряжения (не только на
запирающем слое), то выражение (2), вообще
говоря, следует записывать так:
, (3)
где
– напряжение на электродах диода,
– падение напряжения на слое полупроводника
сопротивлением R.
Согласно (2) и (3) при
(в прямом направлении) и при больших
значениях
величина
,
и формулы могут быть переписаны в виде:
, (4)
то есть с ростом напряжения ток возрастает экспоненциально.
При ещё большем напряжении, когда падение напряжения на слое полупроводника становится соизмеримым с падением напряжения на электродах диода, следует писать:
, (5)
Д
ифференцируя
выражение (3) по
и исключая из производной
напряжение
,
можно убедиться, что при большом прямом
токе характеристика становится линейной
и дифференциальное сопротивление диода
устремляется к постоянной величине:
. (6)
Если
сопротивление запирающего слоя много
больше сопротивления полупроводника,
то, пренебрегая величиной
и логарифмируя выражение (2), получаем
линеаризованную ВАХ диода:
, (7)
которая
позволяет экспериментально определить
величину коэффициента
(ток насыщения при этом определяется
по ВАХ, показанной на рисунке 3).
Схема
экспериментальной установки изображена
на рисунке 4. Реостаты
и
предназначены для плавной регулировки
напряжения на электродах диода Д
в широких пределах. Ключ К
предназначен для изменения полярности
напряжения. Снятие ВАХ рекомендуется
начинать с максимальной величины
обратного тока
(правое по схеме положение ключа К)
в сторону уменьшения. По достижении
=0
следует при помощи переключателя К
изменить полярность напряжения и
продолжать снимать зависимость
вплоть до величины
.
В ходе работы при пользовании ключом следует помнить о соблюдении полярности измерительных приборов.
Снятие ВАХ диода при помощи осциллографа
С
хема
экспериментальной установки показана
на рисунке 5. Питание цепи осуществляется
от ЛАТРа через понижающий трансформатор
Тр. На электродах
диода действует переменное напряжение,
которое подаётся на горизонтально
отклоняющие пластины электронного
осциллографа ЭО.
На вертикально отклоняющие пластины
осциллографа подаётся напряжение с
резистора R.
Поскольку это напряжение пропорционально
силе тока в цепи, то вертикальное
отклонение электронного луча осциллографа
позволяет измерять силу тока,
соответствующую разности потенциалов
на электродах диода (см. лабораторную
работу «Изучение электронного
осциллографа»).
Снятие ВАХ диода при помощи операционного усилителя
При измерении силы тока посредством амперметра последний вносит в цепь некоторое дополнительное сопротивление (внутреннее сопротивление амперметра), что приводит к изменению режима работы цепи и, следовательно, к возникновению систематической погрешности измерений. Избежать этого можно, используя при измерении силы тока операционный усилитель с бесконечно малым внутренним сопротивлением.
Операционный
усилитель представляет собой усилитель
постоянного тока с большим (более
)
коэффициентам усиления, который схемах
с обратной связью может выполнять
математические операции (сложение,
умножение, интегрирование и пр.) над
напряжением, подаваемым на его вход. На
рисунке 6 показан традиционный способ
включения операционного усилителя DA
для измерения тока. Поскольку потенциалы
точек a
и b
практически одинаковы, то падения
напряжения на участке ab
не возникает и режим работы цепи не
нарушается. Измеряемый ток
равен току I
через резистор R
обратной связи, что позволяет, зная
величину этого сопротивления и измерив
напряжение на выходе операционного
усилителя, можно определить ток в
изучаемой цепи:
.
С
хема
экспериментальной установки по изучению
ВАХ p-n-перехода
показана на рисунке 7. В качестве
сопротивления обратной связи здесь
используется сопротивление p-n-перехода,
функции которого выполняет полупроводниковый
диод VD.
При снятии прямой ветви ВАХ в цепь при
помощи ключа К
включается резистор
,
а при снятии обратной ветви – резистор
(
и полярность диода меняется на обратную).
П
оскольку
потенциалы точек a
и b
равны нулю, то напряжение U
на диоде VD
равно напряжению на выходе операционного
усилителя. Ток через диод равен току
через последовательно включённый
резистор
или
,
так как входная цепь операционного
усилителя тока не потребляет. Согласно
сказанному выше, ток I
через диод VD
можно определить, измерив напряжение
U,
подаваемое на резисторы
или
с потенциометра R
по формуле:
,
где
при снятии прямой ветви ВАХ и
- при снятии обратной ветви.
Снятие ВАХ стабилитрона
С
нятие
ВАХ стабилитрона может быть осуществлено
аналогично описанному для диода с учётом
иной полярности включения и крутизной
ветвей характеристики. Однако на практике
обычно оказывается достаточным точно
знать величину напряжения стабилизации
стабилитрона
.
Остальные его предельные параметры
(минимальный и максимальный токи
стабилизации, максимально допустимые
прямое и обратное напряжения) берутся
из справочников. Определить величину
напряжения стабилизации конкретного
стабилитрона можно при помощи схемы,
показанной на рисунке …. Работает она
аналогично рассмотренной выше. Плавно
изменяя напряжение на электродах
стабилитрона, следят за показаниями
вольтметра, которые сначала возрастают,
а затем остаются неизменными. Это
напряжение и есть напряжение стабилизации.
Снятие статических характеристик транзистора
П
ринципиальная
схема простейшего устройства для снятия
входных и выходных характеристик
транзистора показана на рисунке ….
Резисторы
и
предназначены для плавной регулировки
напряжения на базе транзистора, а
резисторы
и
обеспечивают возможность грубой и
точной регулировки напряжения между
коллектором и эмиттером. Порядок работы
со схемой следующий:
При разомкнутой входной цепи устанавливают напряжение на коллекторе
=
-8 В и измеряют
начальный обратный ток коллектора
.Устанавливают значение
=
0 В и, изменяя
напряжение между базой и эмиттером
от нуля до 250 мВ
с шагом 50 мВ,
измеряют ток базы
.Повторяют измерения при напряжениях
=
-5 В и
=
-10 В.По полученным данным строят три входные статические характеристики
транзистора, включённого по схеме с
общим эмиттером. Результаты измерений
удобно заносить в следующую таблицу:
|
№ |
|
|
|
|||
|
|
|
|
|
|
|
|
|
1 |
||||||
|
2 |
||||||
|
3 |
||||||
|
… |
Устанавливают ток базы
=
50 мкА и, изменяя
напряжение на коллекторе
от нуля до –12 В
с шагом 1 В,
измеряют ток коллектора.Повторяют измерения при токах базы
=
100 мкА и
=
150 мкА.Результаты измерений заносят в нижеприводимую таблицу, по которой строят три выходные характеристики
транзистора
.
|
№ |
|
|
|
|||
|
|
|
|
|
|
|
|
|
1 |
||||||
|
2 |
||||||
|
3 |
||||||
|
… |
ВЫПРЯМЛЕНИЕ ТОКА
Способность диода проводить электрический ток только в одном направлении может быть использована при выпрямлении переменного тока. Наибольшее распространение на практике получили две схемы выпрямления переменного тока: однополупериодная и двухполупериодная (или мостовая).
Н
а
рисунке 6 а
показана схема однополупериодного
выпрямителя, который представляет собой
всего один диод, включённый последовательно
с нагрузкой
.
В течение второй половины периода на
аноде диода действует положительный
полупериод напряжения, а на катоде –
отрицательный. При этом диод открывается
и через него, а значит и через нагрузку
,
протекает ток. В течение второй половины
периода, когда на аноде диода действует
отрицательный полупериод напряжения,
а на катоде – положительный, диод закрыт
и ток через нагрузку практически не
течёт (при этом через нагрузку протекает
обратный ток диода, значительно меньший
прямого). Таким образом диод, отсекая
отрицательные полупериоды переменного
тока, пропускает через нагрузку
пульсирующий
ток одного направления (в течение
положительных полупериодов переменного
напряжения). На рисунке 7
показаны графики временной зависимости
переменного тока и выпрямленного
(пульсирующего) тока, протекающего через
нагрузку. Однополупериодный выпрямитель
обеспечивает частоту пульсаций тока,
равной частоте переменного тока.
Мостовая схема выпрямления тока представляет собой четыре диода, соединённых по схеме, показанной на рисунке 6 б. Принцип действия мостового выпрямителя состоит в следующем. В течение первой половины периода переменного напряжения открытыми оказываются только диоды Д1 и Д3. При этом ток протекает через диод Д1, нагрузку и диод Д3 (сплошные стрелки на рисунке). В течение второй половины периода открытыми оказываются диоды Д2 и Д4, а диоды Д1 и Д3 – закрыты. Теперь ток протекает через диод Д2, нагрузку и диод Д4 (пунктирные стрелки на рисунке). В результате через нагрузку протекает ток в течение обоих полупериодов переменного напряжения. При этом направление тока не меняется. Следовательно через нагрузку течёт постоянный ток, который так же является пульсирующим, но частота пульсаций в этом случае вдвое больше частоты переменного тока. На рисунке 7 графически показан результат работы мостового выпрямителя в сравнении с работой однополупериодного выпрямителя.
Напряжение на выходе любого из рассмотренных выпрямителей изменяется со временем аналогичным образом (в соответствии с законом Ома). Но таким (пульсирующим) напряжением можно питать далеко не любую нагрузки. Например, лампочку накаливания можно, а радиоприёмник – нет, т. к. в этом случае в динамике будет прослушиваться низкочастотный гул частотой 50 Гц. Сгладить пульсации выпрямленного напряжения можно при помощи сглаживающего фильтра, роль которого обычно выполняет электролитический конденсатор достаточно большой ёмкости (порядка 1000 мкФ).
Д
ля
этого необходимо параллельно нагрузке
подключить электролитический конденсатор
как показано на рисунке 8. Когда напряжение
на нагрузке возрастает (первая четверть
полупериода), конденсатор заряжается,
а когда напряжение начинает убывать,
конденсатор разряжается на нагрузку
по экспоненциальному закону, тем самым,
поддерживая в нагрузке ток. Чем больше
ёмкость конденсатора, тем больше его
постоянная времени и тем, следовательно,
медленнее конденсатор разряжается, что
приводит к уменьшению глубины пульсаций
выпрямленного тока. При достаточно
большой ёмкости конденсатора пульсации
практически исчезают. В этом случае на
выходе выпрямителя действует сглаженное
напряжение, равное амплитуде пульсирующего
напряжения. При измерении пульсирующего
напряжения следует помнить, что вольтметр
фиксирует действующее значение напряжения
,
которое связано с амплитудным напряжением
соотношением:
.
Поэтому,
как следует из выше сказанного, показания
вольтметра при измерении сглаженного
напряжения окажутся в
больше показаний прибора при измерении
соответствующего пульсирующего
напряжения.
СТАБИЛИЗАЦИЯ ТОКА
С
уть
эксперимента по изучению стабилизирующих
свойств полупроводникового стабилитрона
состоит в измерении напряжения,
действующего на электродах стабилитрона
при принудительном изменении величины
питающего схему напряжения. Схема
соответствующей установки показана на
рисунке 9. Исследуемый стабилитрон VD2
и резисторы
и
здесь выполняют те же функции, что и в
схеме, показанной на рисунке 5.
Полупроводниковый диод VD1
является разделительным элементом
между источником питающего
(нестабилизированного, измеряемого
вольтметром V1) напряжения
и напряжением на нагрузке (стабилизированного,
измеряемого вольтметром V2).
Реостат R предназначен
для плавной регулировки питающего
напряжения.
Выполнение задания сводится к снятию зависимости
,
где
- величина питающего схему напряжения,
- величина стабилизированного напряжения
(на электродах стабилитрона).
Результаты
измерений целесообразно представлять
графически как зависимость относительного
изменения напряжения
на электродах стабилитрона от напряжения
.
Величина
,
очевидно, определяется выражением:
.